九年级第十一章 简单机械和功专题练习(word版
- 格式:doc
- 大小:438.50 KB
- 文档页数:18
苏科版物理九年级上册第十一章简单机械和功单元练习(Word版含答案)一、初三物理第十一章简单机械和功易错压轴题提优(难)1.某兴趣小组的同学在探究“风力发电机发电时的输出功率与风速的关系”时,设计了如下实验步骤:①如图乙,将自制的小型风叶安装在风车底座上,把线的一端固定在风车转轴上,另一端系上钩码;②在风车正前方1米处放置电风扇的风速调到1挡位,用秒表记录提升钩码到A点所需的时间;③将电风扇换到2、3挡位,重复以上实验,并将数据记录在表格中:(注:电风扇挡位越高,风速越大)表一:电风扇挡位钩码的质量/g提升钩码到A点的时间/s150152501335010请你回答:(1)这个实验是通过测量提升钩码到A点的_____来比较风车输出功率的大小。
这种方法是______(选填“控制变量法”或“转换法”);(2)通过实验可以得到的结论是:风速越大,风力发电机发电时的输出功率__________;为了进一步研究风力发电机,他又从电厂查到一台1500kW的发电机组的相关数据:表二:输出功率与风速的关系风速v/(m/s)5101520输出功率P/kW8072015001100表三:不同风速下风力发电机每秒获得的风能:(3)风能是清洁能源,也是_____(选填“可再生”或“不可再生”)能源。
发电机的工作原理是_____;(4)风速10m/s 时,这台发电机的发电效率为__________,有同学认为风速越大,发电机的发电效率越高,他的观点是_____(选填“正确”或“错误”)的。
你认为的原因是______。
【答案】时间 转换法 越大 可再生 电磁感应现象 60% 错误 风速越大发电效率越低 【解析】 【分析】 【详解】(1)[1]因提升高度要相同,通过提升时间,可知提升速度的大小,则由W mgh P mgv t t=== 可知输出功率的大小,故比较测量提升钩码到A 点的时间来比较风车输出功率的大小。
[2]转换法可将不可测的量转换为可测的量进行测量,也可将不易测准的量转换为可测准的量,提高测量精度。
第十一章专题训练杠杆作图1.如图所示,是小明同学用撬棍撬石头的情景,石头重为600N,画出石头受到重力的示意图(O点是力的作用点),画出F的力臂。
2.如图所示,轻质杠杆上挂一物体,拉力使杠杆在图中位置平衡,请在图中画出力的力臂l和物体所受的重力示意图。
3.请在图中画出F的力臂,4.在图中画出力F的力臂l。
5.由于土壤松动,一颗珍稀古树摇摇欲坠。
园艺师用绳子将古树系住,通过山体固定,对古树展开救助。
如图所示,把古树视为杠杆,O点为支点,A点为古树重心位置。
请画出:①古树受到的重力G 的示意图;②绳子拉力的力臂l。
6.如图所示,杠杆在力F1的作用下处于静止状态,请画出力F1的力臂l1及F2。
7.为使图中的杠杆保持平衡,请在图中适当位置处画出所需的最小动力。
8.在图中分别画出水壶的重力(点B 为重心),及作用在A点打开壶盖最小力F 的示意图。
9.如图所示,小明要将购物车推上台阶,需要在车把手上A点(大黑点)处施加一个斜向下的力。
已知购物车的支点在O点(小黑点),请在图中A点处画出最小的力F1及对应的力臂l1。
10.如下所示,装有物品的旅行箱整体可视为杠杆,O为支点,B为重心,A 为拉杆的端点。
拉杆旅行箱在图示位置静止,画出在A点的最小拉力F及它的力臂l。
11.如图所示是人走路的情形,可将人的脚视为一根杠杆。
请在图中画出动力F的力臂l;12.在如图所示的杠杆上的B点挂一重物,对杠杆施加一个最小的力,使杠杆平衡在图中所示的位置。
试画出这个力F1的示意图和力臂l1。
13.如图所示,杠杆OA在力F1、F2的作用下处于静止状态,l2是力F2的力臂。
在图中画出力F1的力臂l1以及力F2的示意图。
14.请在图中画出使杠杆ABC在此位置保持平衡的最小动力F的示意图。
15.画出图中作用在指甲钳A点的力F的力臂l。
16.如图a所示的钢丝钳,其中A是剪断钢丝处,B为手的用力点,O为转动轴(支点),图b为单侧钳柄及相连部分示意图。
九年级上册物理第十一章简单机械和功单元复习练习(Word版含答案)一、初三物理第十一章简单机械和功易错压轴题提优(难)1.如图,小明在“研究杠杆平衡条件”的实验中所用的实验器材有:刻度均匀的杠杆,支架,弹簧测力计,刻度尺,细线和相同的重0.5 N重的钩码若干个。
(1)如图A所示,实验前,杠杆左侧下沉,则应将左端的平衡螺母向______(选填“左”或”右”)调节,直到杠杆在水平位置平衡;(2)在图B中杠杆平衡了,若在杠杆左右两边同时增加一个相同的钩码,则杠杆向______(选填“左”或”右”)倾斜;(3)甲同学通过对一组数据分析后得出的结论是:动力×支点到动力作用点的距离=阻力×支点到阻力作用点的距离,与小组同学交流后,乙同学为了证明甲同学的结论是错误的,他做了如图C的实验,已知杠杆上每个小格长度为5 cm,每个钩码重0.5 N,当弹簧测力计斜向上拉(与水平方向成30°角)杠杆,使杠杆在水平位置平衡,此时乙同学发现,动力×动力臂______(选填“等于”或“不等于”)阻力×阻力臂。
实验C______(选填“能”或”不能”)说明甲同学结论是错误的。
【答案】右右等于能【解析】【分析】【详解】(1)[1]图A中,杠杆左侧下沉,应向右调节平衡螺母,直到杠杆在水平位置平衡。
(2)[2]在图B中,据杠杆的平衡条件得3G⋅2F=2G⋅3L在左右两边同时增加一个相同的钩码,则左右两边分别变成4G⋅2F,3G⋅3L而4G⋅2F<3G⋅3L所以杠杆向右倾斜。
(3)[3][4]由图C知,此时4×0.5N×3×0.5cm=3N×12×4×0.5cm即:动力×动力臂=阻力×阻力臂。
而此时,动力臂并不等于支点到动力作用点的距离,所以能证明甲同学的结论是错误的。
2.小红在探究杠杆的平衡条件时,找来一个量程为5N的弹簧测力计和若干个重均为0.5N的钩码,实验前测得杠杆上相邻刻度线间的距离都等于2cm 。
物理九年级上册第十一章简单机械和功单元练习(Word版含答案)一、初三物理第十一章简单机械和功易错压轴题提优(难)1.如图,小明在“研究杠杆平衡条件”的实验中所用的实验器材有:刻度均匀的杠杆,支架,弹簧测力计,刻度尺,细线和相同的重0.5 N重的钩码若干个。
(1)如图A所示,实验前,杠杆左侧下沉,则应将左端的平衡螺母向______(选填“左”或”右”)调节,直到杠杆在水平位置平衡;(2)在图B中杠杆平衡了,若在杠杆左右两边同时增加一个相同的钩码,则杠杆向______(选填“左”或”右”)倾斜;(3)甲同学通过对一组数据分析后得出的结论是:动力×支点到动力作用点的距离=阻力×支点到阻力作用点的距离,与小组同学交流后,乙同学为了证明甲同学的结论是错误的,他做了如图C的实验,已知杠杆上每个小格长度为5 cm,每个钩码重0.5 N,当弹簧测力计斜向上拉(与水平方向成30°角)杠杆,使杠杆在水平位置平衡,此时乙同学发现,动力×动力臂______(选填“等于”或“不等于”)阻力×阻力臂。
实验C______(选填“能”或”不能”)说明甲同学结论是错误的。
【答案】右右等于能【解析】【分析】【详解】(1)[1]图A中,杠杆左侧下沉,应向右调节平衡螺母,直到杠杆在水平位置平衡。
(2)[2]在图B中,据杠杆的平衡条件得3G⋅2F=2G⋅3L在左右两边同时增加一个相同的钩码,则左右两边分别变成4G⋅2F,3G⋅3L而4G⋅2F<3G⋅3L所以杠杆向右倾斜。
(3)[3][4]由图C知,此时4×0.5N×3×0.5cm=3N×12×4×0.5cm即:动力×动力臂=阻力×阻力臂。
而此时,动力臂并不等于支点到动力作用点的距离,所以能证明甲同学的结论是错误的。
2.小军利用如图所示器材测定滑轮组的机械效率,他记录的实验数据如下表。
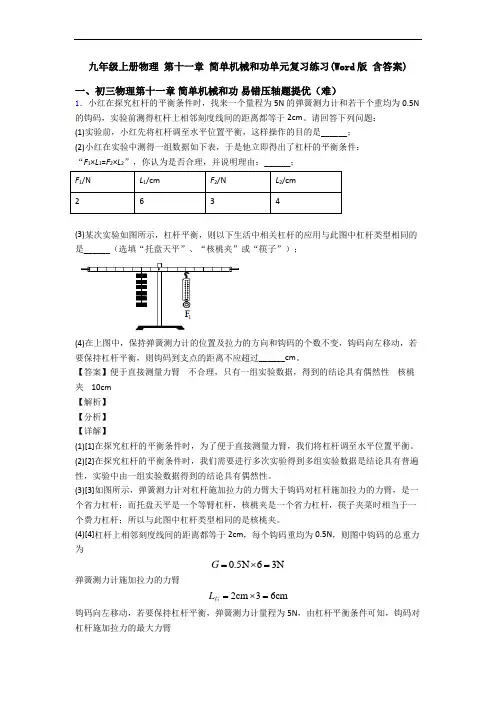
九年级上册物理第十一章简单机械和功单元复习练习(Word版含答案)一、初三物理第十一章简单机械和功易错压轴题提优(难)1.小红在探究杠杆的平衡条件时,找来一个量程为5N的弹簧测力计和若干个重均为0.5N 的钩码,实验前测得杠杆上相邻刻度线间的距离都等于2cm。
请回答下列问题:(1)实验前,小红先将杠杆调至水平位置平衡,这样操作的目的是______;(2)小红在实验中测得一组数据如下表,于是他立即得出了杠杆的平衡条件:“F1×L1=F2×L2”,你认为是否合理,并说明理由:______;F1/N L1/cm F2/N L2/cm2634(3)某次实验如图所示,杠杆平衡,则以下生活中相关杠杆的应用与此图中杠杆类型相同的是______(选填“托盘天平”、“核桃夹”或“筷子”);(4)在上图中,保持弹簧测力计的位置及拉力的方向和钩码的个数不变,钩码向左移动,若要保持杠杆平衡,则钩码到支点的距离不应超过______cm。
【答案】便于直接测量力臂不合理,只有一组实验数据,得到的结论具有偶然性核桃夹 10cm【解析】【分析】【详解】(1)[1]在探究杠杆的平衡条件时,为了便于直接测量力臂,我们将杠杆调至水平位置平衡。
(2)[2]在探究杠杆的平衡条件时,我们需要进行多次实验得到多组实验数据是结论具有普遍性,实验中由一组实验数据得到的结论具有偶然性。
(3)[3]如图所示,弹簧测力计对杠杆施加拉力的力臂大于钩码对杠杆施加拉力的力臂,是一个省力杠杆;而托盘天平是一个等臂杠杆,核桃夹是一个省力杠杆,筷子夹菜时相当于一个费力杠杆;所以与此图中杠杆类型相同的是核桃夹。
(4)[4]杠杆上相邻刻度线间的距离都等于2cm,每个钩码重均为0.5N,则图中钩码的总重力为0.5N63NG=⨯=弹簧测力计施加拉力的力臂L=⨯=2cm36cm右钩码向左移动,若要保持杠杆平衡,弹簧测力计量程为5N,由杠杆平衡条件可知,钩码对杠杆施加拉力的最大力臂5N 6cm10cm 3NFL L G ⨯===右左 即钩码到支点的距离不应超过10cm 。
九年级物理上册第十一章简单机械和功单元复习练习(Word版含答案)一、初三物理第十一章简单机械和功易错压轴题提优(难)1.在探究”杠杆平衡条件”的实验中:(1)先把杠杆的中点支在支架上,停在图甲的位置,此时杠杆处于______(填“平衡”或“不平衡”)状态。
为了消除杠杆______对实验的影响,应将平衡螺母向______(选填“左”或“右”)调节,使杠杆在水平位置平衡。
然后在支点两侧挂钩码,移动钩码位置,让杠杆再一次在水平位置平衡,其目的是______;(2)探究过程中,在杠杆左端某固定位置挂一个重力G=2.5N的物体,在杠杆右端不同位置处施加不同的竖直向下的力F,保证杠杆处于平衡状态。
根据多次测量的力和力臂,画出F和1L的图象如图乙(注意看清两个坐标的含义),由图可求出物体对杠杆拉力的力臂______m。
【答案】平衡自身重力右让力臂在杠杆上,便于直接从杠杆上测量力臂 0.2【解析】【分析】【详解】(1)[1]图甲中,杠杆处于静止状态,即是平衡状态。
[2][3]为了消除杠杆自身重力的影响,应让杠杆在水平位置平衡,而图甲中,杠杆左端下沉,所以应向右移动平衡螺母。
[4]杠杆挂上钩码后,移动钩码的位置让杠杆再次在水平位置平衡的目的是:让力臂在杠杆上,便于直接从杠杆上测量力臂。
(2)[5]由图乙知,当杠杆右端受到的拉力F=3N时,其力臂L=1 m 6据杠杆的平衡条件有GL1=FL,2.5N⋅L1=3N×1 6 m所以物体对杠杆拉力的力臂L1=0.2m2.小华探究杠杆平衡条件时,使用的每个钩码的质量均为100g,杠杆上相邻刻线间的距离相等。
请按要求完成下列问题:(1)将杠杆安装在支架上,发现杠杆右端下沉,此时应将杠杆右侧的平衡螺母向______调(选填 “左”或“右”),使杠杆在水平位置平衡。
(2)将杠杆调节水平平衡后,在杠杆上的B 点悬挂了3个钩码,如图所示。
为使杠杆保持水平平衡状态,应该在A 点悬挂 ________个钩码。
九年级物理上册 第十一章 简单机械和功单元测试题(Word 版 含解析)一、初三物理第十一章 简单机械和功 易错压轴题提优(难)1.同学们在探究影响浮力大小的因素时,发现手中的弹簧测力计损坏了,聪明的小强同学利用刻度均匀的杠杆和钩码(每只重0.5N )替代弹簧测力计顺利地完成了该实验。
以下是小强同学的实验操作,请你帮他完善该实验探究。
(1)将杠杆安装在支架上,静止时如图1所示,应将平衡螺母向______(选填“右”或“左”)调节,使杠杆在水平位置平衡;(2)如图2甲所示,将重2N 的物体G 挂在A 点,两只钩码挂在B 点时,杠杆在水平位置平衡;(3)将物体G 部分浸入水中(如图2乙所示),两只钩码移到C 点时,杠杆在水平位置平衡;(4)将物体G 浸没于水中(如图2丙所示),两只钩码移到D 点时,杠杆在水平位置平衡; (5)将物体G 浸没于盐水中(如图2丁所示),两只钩码移到E 点时,杠杆在水平位置平衡。
分析与论证:分析比较(2)、(3)、(4)可得:物体G 所受浮力大小与______有关;分析比较(2)、(4)、(5)可得:物体G 所受浮力大小与有______关;由题中信息计算物体G 的体积V =______m 3,盐水的密度ρ=盐水______kg/m 3。
(331.010kg/m ρ=⨯水,g =10N/kg )【答案】右 物体排开液体的体积 液体的密度 1.0×10-4 1.125×103 【解析】 【分析】 【详解】[1]杠杆在如图1位置平衡后,要使杠杆在水平位置重新平衡,应将平衡螺母向右调节。
[2]步骤(2)、(3)、(4)是让物体未浸入、部分浸入和浸没于水中,而钩码逐渐靠近支点,说明物体G 所受的浮力逐渐变大,所以可得物体G 所受的浮力大小与排开液体的体积有关。
[3]步骤(4)(5)是让物体G 分别浸没在水中和盐水中,所以比较的是浮力大小与液体密度的关系。
[4]由步骤(4)及杠杆的平衡条件得(G 物-F 浮)⋅4L =1N ⋅4L ,(2N-F 浮)⋅4L =1N ⋅4L所以F 浮=1N由阿基米德原理有,物体的体积43331N 10m 1.010kg/m 10N/kgF V V g ρ-====⨯⨯浮物排水 [5]由步骤(5)及杠杆的平衡条件得 (2N-F 浮')⋅4L =1N ⋅3.5L所以F 浮'=1.125N由阿基米德原理有,盐水的密度33431.125N 1.12510kg/m 10N/kg 10mF gV ρ-===⨯⨯浮盐水物'2.小明在探究杠杆的平衡条件的实验中,以杠杆中点为支点。
苏科版物理九年级上册第十一章简单机械和功单元练习(Word版含答案)一、初三物理第十一章简单机械和功易错压轴题提优(难)1.如图,小明在“研究杠杆平衡条件”的实验中所用的实验器材有:刻度均匀的杠杆,支架,弹簧测力计,刻度尺,细线和相同的重0.5 N重的钩码若干个。
(1)如图A所示,实验前,杠杆左侧下沉,则应将左端的平衡螺母向______(选填“左”或”右”)调节,直到杠杆在水平位置平衡;(2)在图B中杠杆平衡了,若在杠杆左右两边同时增加一个相同的钩码,则杠杆向______(选填“左”或”右”)倾斜;(3)甲同学通过对一组数据分析后得出的结论是:动力×支点到动力作用点的距离=阻力×支点到阻力作用点的距离,与小组同学交流后,乙同学为了证明甲同学的结论是错误的,他做了如图C的实验,已知杠杆上每个小格长度为5 cm,每个钩码重0.5 N,当弹簧测力计斜向上拉(与水平方向成30°角)杠杆,使杠杆在水平位置平衡,此时乙同学发现,动力×动力臂______(选填“等于”或“不等于”)阻力×阻力臂。
实验C______(选填“能”或”不能”)说明甲同学结论是错误的。
【答案】右右等于能【解析】【分析】【详解】(1)[1]图A中,杠杆左侧下沉,应向右调节平衡螺母,直到杠杆在水平位置平衡。
(2)[2]在图B中,据杠杆的平衡条件得3G⋅2F=2G⋅3L在左右两边同时增加一个相同的钩码,则左右两边分别变成4G⋅2F,3G⋅3L而4G⋅2F<3G⋅3L所以杠杆向右倾斜。
(3)[3][4]由图C知,此时4×0.5N×3×0.5cm=3N×12×4×0.5cm即:动力×动力臂=阻力×阻力臂。
而此时,动力臂并不等于支点到动力作用点的距离,所以能证明甲同学的结论是错误的。
2.在探究”杠杆平衡条件”的实验中:(1)先把杠杆的中点支在支架上,停在图甲的位置,此时杠杆处于______(填“平衡”或“不平衡”)状态。
九年级物理上册第十一章简单机械和功单元达标训练题(Word版含答案)一、初三物理第十一章简单机械和功易错压轴题提优(难)1.如图,小明在“研究杠杆平衡条件”的实验中所用的实验器材有:刻度均匀的杠杆,支架,弹簧测力计,刻度尺,细线和相同的重0.5 N重的钩码若干个。
(1)如图A所示,实验前,杠杆左侧下沉,则应将左端的平衡螺母向______(选填“左”或”右”)调节,直到杠杆在水平位置平衡;(2)在图B中杠杆平衡了,若在杠杆左右两边同时增加一个相同的钩码,则杠杆向______(选填“左”或”右”)倾斜;(3)甲同学通过对一组数据分析后得出的结论是:动力×支点到动力作用点的距离=阻力×支点到阻力作用点的距离,与小组同学交流后,乙同学为了证明甲同学的结论是错误的,他做了如图C的实验,已知杠杆上每个小格长度为5 cm,每个钩码重0.5 N,当弹簧测力计斜向上拉(与水平方向成30°角)杠杆,使杠杆在水平位置平衡,此时乙同学发现,动力×动力臂______(选填“等于”或“不等于”)阻力×阻力臂。
实验C______(选填“能”或”不能”)说明甲同学结论是错误的。
【答案】右右等于能【解析】【分析】【详解】(1)[1]图A中,杠杆左侧下沉,应向右调节平衡螺母,直到杠杆在水平位置平衡。
(2)[2]在图B中,据杠杆的平衡条件得3G⋅2F=2G⋅3L在左右两边同时增加一个相同的钩码,则左右两边分别变成4G⋅2F,3G⋅3L而4G⋅2F<3G⋅3L所以杠杆向右倾斜。
(3)[3][4]由图C知,此时4×0.5N×3×0.5cm=3N×12×4×0.5cm即:动力×动力臂=阻力×阻力臂。
而此时,动力臂并不等于支点到动力作用点的距离,所以能证明甲同学的结论是错误的。
2.同学们在探究影响浮力大小的因素时,发现手中的弹簧测力计损坏了,聪明的小强同学利用刻度均匀的杠杆和钩码(每只重0.5N )替代弹簧测力计顺利地完成了该实验。
物理九年级上册第十一章简单机械和功单元达标训练题(Word版含答案)一、初三物理第十一章简单机械和功易错压轴题提优(难)1.在探究“杠杆的平衡条件”实验中:(1)将杠杆装在支架上,发现杠杆左端下沉,此时应将杠杆两侧的螺母同时向_____(2)如图甲所示,杠杆在水平位置平衡。
如果在杠杆两侧各去掉一个相同的钩码,则杠杆将______(3)如图乙所示,用弹簧测力计在C处竖直向上拉。
当弹簧测力计逐渐向右倾斜如图丙,杠杆仍然在水平位置平衡,则弹簧测力计的示数将______(4)请在图丙中画出拉力F′的力臂l。
________【答案】右逆时针变大不变【解析】【分析】【详解】(1)[1]杠杆左端下沉,右端上翘,平衡螺母向上翘的右端移动。
(2)[2]设一个钩码的重力为G,杠杆一个小格代表l,如果在图中杠杆两侧各去掉一个相同的钩码时,杠杆的左端为⨯G l Gl22=4杠杆的右端为⨯G l Gl3=3所以杠杆的左端力和力臂的乘积大于右端的乘积,所以杠杆左端下沉,杠杆将逆时针转动。
(3)[3]乙图中,弹簧测力计竖直向上拉杠杆时,拉力的力臂为OC,弹簧测力计向右倾斜拉杠杆时(如图丙),拉力的力臂小于OC,拉力的力臂变小,拉力变大,弹簧测力计的示数将变大。
[4]根据杠杆平衡的条件,动力乘以动力臂等于阻力乘以阻力臂,因为杠杆始终保持水平平衡,钩码的重力和钩码的位置没有发生变化,所以弹簧测力计的拉力与其力臂的乘积将不变。
(4)[5]从支点向力的作用线做垂线,得到力臂,如图所示:2.小明在探究杠杆的平衡条件的实验中,以杠杆中点为支点。
(1)小明在杠杆两侧挂上钩码,调节钩码的数量和位置直到杠杆水平平衡,如图甲所示,此时小明将两边钩码同时向远离支点方向移动相同的距离后,杠杆_____(选填“左”或“右”)端下沉;(2)小明在得出杠杆平衡条件后,利用杠杆平衡条件解决问题:①如图乙所示,有一根均匀铁棒BC ,其长为L , O 点为其重心,其所受重力300N ;OA =4L,为了不使这根铁棒的B 端下沉,所需外力F 至少应为_____N ;若F 的方向不变,微微抬起这根铁棒的B 端,所需外力F '至少应为_____N ;②如图丙所示,C 物体静止在水平地面上时,对地面的压强为6×105Pa 。
九年级物理上册第十一章简单机械和功单元复习练习(Word版含答案)一、初三物理第十一章简单机械和功易错压轴题提优(难)1.小红在探究杠杆的平衡条件时,找来一个量程为5N的弹簧测力计和若干个重均为0.5N 的钩码,实验前测得杠杆上相邻刻度线间的距离都等于2cm。
请回答下列问题:(1)实验前,小红先将杠杆调至水平位置平衡,这样操作的目的是______;(2)小红在实验中测得一组数据如下表,于是他立即得出了杠杆的平衡条件:“F1×L1=F2×L2”,你认为是否合理,并说明理由:______;F1/N L1/cm F2/N L2/cm2634(3)某次实验如图所示,杠杆平衡,则以下生活中相关杠杆的应用与此图中杠杆类型相同的是______(选填“托盘天平”、“核桃夹”或“筷子”);(4)在上图中,保持弹簧测力计的位置及拉力的方向和钩码的个数不变,钩码向左移动,若要保持杠杆平衡,则钩码到支点的距离不应超过______cm。
【答案】便于直接测量力臂不合理,只有一组实验数据,得到的结论具有偶然性核桃夹 10cm【解析】【分析】【详解】(1)[1]在探究杠杆的平衡条件时,为了便于直接测量力臂,我们将杠杆调至水平位置平衡。
(2)[2]在探究杠杆的平衡条件时,我们需要进行多次实验得到多组实验数据是结论具有普遍性,实验中由一组实验数据得到的结论具有偶然性。
(3)[3]如图所示,弹簧测力计对杠杆施加拉力的力臂大于钩码对杠杆施加拉力的力臂,是一个省力杠杆;而托盘天平是一个等臂杠杆,核桃夹是一个省力杠杆,筷子夹菜时相当于一个费力杠杆;所以与此图中杠杆类型相同的是核桃夹。
(4)[4]杠杆上相邻刻度线间的距离都等于2cm,每个钩码重均为0.5N,则图中钩码的总重力为0.5N63NG=⨯=弹簧测力计施加拉力的力臂L=⨯=2cm36cm右钩码向左移动,若要保持杠杆平衡,弹簧测力计量程为5N,由杠杆平衡条件可知,钩码对杠杆施加拉力的最大力臂5N 6cm 10cm 3NFL L G ⨯===右左 即钩码到支点的距离不应超过10cm 。
九年级上册第十一章简单机械和功专题练习(word版一、初三物理第十一章简单机械和功易错压轴题提优(难)1.在“探究杠杆平衡条件的实验”中:(1)图甲中,杠杆静止时处于_________(选填“平衡”或“不平衡”)状态.为使杠杆在水平位置平衡,小明应将杠杆两端的平衡螺母向_______(选填“左”或“右”)移。
(2)如图乙所示,在A 点挂 2 个重力均为 0.5N 的钩码,在B 点用弹簧测力计竖直向下拉杠杆,使其在水平位置平衡,弹簧测力计的示数为______________N。
(3)如图丙,保持A 点所挂砝码的数量和位置不变,将弹簧测力计绕B 点从a 位置转到b 位置,杠杆始终保持水平平衡,在此过程中拉力F 与其力臂的乘积变化情况是______________。
A.一直变小 B.一直变大 C.一直不变 D.先变小后变大(4)竖直向下拉弹簧测力计,使杠杆从水平位置缓慢转过一定角度,如图丁所示,此过程中,拉力的力臂_________,弹簧测力计的示数__________(均选填“变大”、“变小”或“不变”)。
(5)若要使图丁状态下的弹簧测力计读数减小,可将弹簧测力计绕B 点 _____(选填“顺时针”或“逆时针”)方向转动一个小角度。
(6)小华用如图戊装置进行探究,发现总是无法得到教材上所列出的杠杆平衡条件,其原因是_____________________________________。
(7)小明用如图戊所示的实验装置研究“杠杆的机械效率”.实验时,将总重为G 的钩码挂在杠杆A 处,竖直向上匀速拉动弹簧测力计,钩码上升的高度为h,弹簧测力计的示数为F,其移动的距离为s,则杠杆的机械效率η=__________(用题中字母表示)。
若将钩码移动到B 点,仍将它匀速提升h 的高度,则此时弹簧测力计的示数F'________(选填“>”“=”或“<”)F,杠杆此时的机械效率η´___________η(选择“>”、“=”或“<”)。
九年级上册物理第十一章简单机械和功(篇)(Word版含解析)一、初三物理第十一章简单机械和功易错压轴题提优(难)1.某兴趣小组的同学在探究“风力发电机发电时的输出功率与风速的关系”时,设计了如下实验步骤:①如图乙,将自制的小型风叶安装在风车底座上,把线的一端固定在风车转轴上,另一端系上钩码;②在风车正前方1米处放置电风扇的风速调到1挡位,用秒表记录提升钩码到A点所需的时间;③将电风扇换到2、3挡位,重复以上实验,并将数据记录在表格中:(注:电风扇挡位越高,风速越大)表一:电风扇挡位钩码的质量/g提升钩码到A点的时间/s150152501335010请你回答:(1)这个实验是通过测量提升钩码到A点的_____来比较风车输出功率的大小。
这种方法是______(选填“控制变量法”或“转换法”);(2)通过实验可以得到的结论是:风速越大,风力发电机发电时的输出功率__________;为了进一步研究风力发电机,他又从电厂查到一台1500kW的发电机组的相关数据:表二:输出功率与风速的关系风速v/(m/s)5101520输出功率P/kW8072015001100表三:不同风速下风力发电机每秒获得的风能:(3)风能是清洁能源,也是_____(选填“可再生”或“不可再生”)能源。
发电机的工作原理是_____;(4)风速10m/s 时,这台发电机的发电效率为__________,有同学认为风速越大,发电机的发电效率越高,他的观点是_____(选填“正确”或“错误”)的。
你认为的原因是______。
【答案】时间 转换法 越大 可再生 电磁感应现象 60% 错误 风速越大发电效率越低 【解析】 【分析】 【详解】(1)[1]因提升高度要相同,通过提升时间,可知提升速度的大小,则由W mgh P mgv t t=== 可知输出功率的大小,故比较测量提升钩码到A 点的时间来比较风车输出功率的大小。
[2]转换法可将不可测的量转换为可测的量进行测量,也可将不易测准的量转换为可测准的量,提高测量精度。
九年级上册第十一章简单机械和功单元达标训练题(Word版含答案)一、初三物理第十一章简单机械和功易错压轴题提优(难)1.在探究”杠杆平衡条件”的实验中:(1)先把杠杆的中点支在支架上,停在图甲的位置,此时杠杆处于______(填“平衡”或“不平衡”)状态。
为了消除杠杆______对实验的影响,应将平衡螺母向______(选填“左”或“右”)调节,使杠杆在水平位置平衡。
然后在支点两侧挂钩码,移动钩码位置,让杠杆再一次在水平位置平衡,其目的是______;(2)探究过程中,在杠杆左端某固定位置挂一个重力G=2.5N的物体,在杠杆右端不同位置处施加不同的竖直向下的力F,保证杠杆处于平衡状态。
根据多次测量的力和力臂,画出F和1L的图象如图乙(注意看清两个坐标的含义),由图可求出物体对杠杆拉力的力臂______m。
【答案】平衡自身重力右让力臂在杠杆上,便于直接从杠杆上测量力臂 0.2【解析】【分析】【详解】(1)[1]图甲中,杠杆处于静止状态,即是平衡状态。
[2][3]为了消除杠杆自身重力的影响,应让杠杆在水平位置平衡,而图甲中,杠杆左端下沉,所以应向右移动平衡螺母。
[4]杠杆挂上钩码后,移动钩码的位置让杠杆再次在水平位置平衡的目的是:让力臂在杠杆上,便于直接从杠杆上测量力臂。
(2)[5]由图乙知,当杠杆右端受到的拉力F=3N时,其力臂L=1 m 6据杠杆的平衡条件有GL1=FL,2.5N⋅L1=3N×1 6 m所以物体对杠杆拉力的力臂L1=0.2m2.某兴趣小组的同学在探究“风力发电机发电时的输出功率与风速的关系”时,设计了如下实验步骤:①如图乙,将自制的小型风叶安装在风车底座上,把线的一端固定在风车转轴上,另一端系上钩码;②在风车正前方1米处放置电风扇的风速调到1挡位,用秒表记录提升钩码到A点所需的时间;③将电风扇换到2、3挡位,重复以上实验,并将数据记录在表格中:(注:电风扇挡位越高,风速越大)表一:电风扇挡位钩码的质量/g提升钩码到A点的时间/s150152501335010请你回答:(1)这个实验是通过测量提升钩码到A点的_____来比较风车输出功率的大小。
九年级物理上册第十一章简单机械和功专题练习(word版一、初三物理第十一章简单机械和功易错压轴题提优(难)1.在探究“杠杆的平衡条件”实验中:(1)将杠杆装在支架上,发现杠杆左端下沉,此时应将杠杆两侧的螺母同时向_____(2)如图甲所示,杠杆在水平位置平衡。
如果在杠杆两侧各去掉一个相同的钩码,则杠杆将______(3)如图乙所示,用弹簧测力计在C处竖直向上拉。
当弹簧测力计逐渐向右倾斜如图丙,杠杆仍然在水平位置平衡,则弹簧测力计的示数将______(4)请在图丙中画出拉力F′的力臂l。
________【答案】右逆时针变大不变【解析】【分析】【详解】(1)[1]杠杆左端下沉,右端上翘,平衡螺母向上翘的右端移动。
(2)[2]设一个钩码的重力为G,杠杆一个小格代表l,如果在图中杠杆两侧各去掉一个相同的钩码时,杠杆的左端为⨯G l Gl22=4杠杆的右端为⨯G l Gl3=3所以杠杆的左端力和力臂的乘积大于右端的乘积,所以杠杆左端下沉,杠杆将逆时针转动。
(3)[3]乙图中,弹簧测力计竖直向上拉杠杆时,拉力的力臂为OC,弹簧测力计向右倾斜拉杠杆时(如图丙),拉力的力臂小于OC,拉力的力臂变小,拉力变大,弹簧测力计的示数将变大。
[4]根据杠杆平衡的条件,动力乘以动力臂等于阻力乘以阻力臂,因为杠杆始终保持水平平衡,钩码的重力和钩码的位置没有发生变化,所以弹簧测力计的拉力与其力臂的乘积将不变。
(4)[5]从支点向力的作用线做垂线,得到力臂,如图所示:2.某兴趣小组的同学在探究“风力发电机发电时的输出功率与风速的关系”时,设计了如下实验步骤:①如图乙,将自制的小型风叶安装在风车底座上,把线的一端固定在风车转轴上,另一端系上钩码;②在风车正前方1米处放置电风扇的风速调到1挡位,用秒表记录提升钩码到A点所需的时间;③将电风扇换到2、3挡位,重复以上实验,并将数据记录在表格中:(注:电风扇挡位越高,风速越大)表一:电风扇挡位钩码的质量/g提升钩码到A点的时间/s150152501335010请你回答:(1)这个实验是通过测量提升钩码到A点的_____来比较风车输出功率的大小。
九年级物理第十一章简单机械和功单元达标训练题(Word版含答案)一、初三物理第十一章简单机械和功易错压轴题提优(难)1.如图,小明在“研究杠杆平衡条件”的实验中所用的实验器材有:刻度均匀的杠杆,支架,弹簧测力计,刻度尺,细线和相同的重0.5 N重的钩码若干个。
(1)如图A所示,实验前,杠杆左侧下沉,则应将左端的平衡螺母向______(选填“左”或”右”)调节,直到杠杆在水平位置平衡;(2)在图B中杠杆平衡了,若在杠杆左右两边同时增加一个相同的钩码,则杠杆向______(选填“左”或”右”)倾斜;(3)甲同学通过对一组数据分析后得出的结论是:动力×支点到动力作用点的距离=阻力×支点到阻力作用点的距离,与小组同学交流后,乙同学为了证明甲同学的结论是错误的,他做了如图C的实验,已知杠杆上每个小格长度为5 cm,每个钩码重0.5 N,当弹簧测力计斜向上拉(与水平方向成30°角)杠杆,使杠杆在水平位置平衡,此时乙同学发现,动力×动力臂______(选填“等于”或“不等于”)阻力×阻力臂。
实验C______(选填“能”或”不能”)说明甲同学结论是错误的。
【答案】右右等于能【解析】【分析】【详解】(1)[1]图A中,杠杆左侧下沉,应向右调节平衡螺母,直到杠杆在水平位置平衡。
(2)[2]在图B中,据杠杆的平衡条件得3G⋅2F=2G⋅3L在左右两边同时增加一个相同的钩码,则左右两边分别变成4G⋅2F,3G⋅3L而4G⋅2F<3G⋅3L所以杠杆向右倾斜。
(3)[3][4]由图C知,此时4×0.5N×3×0.5cm=3N×12×4×0.5cm即:动力×动力臂=阻力×阻力臂。
而此时,动力臂并不等于支点到动力作用点的距离,所以能证明甲同学的结论是错误的。
2.在探究”杠杆平衡条件”的实验中:(1)先把杠杆的中点支在支架上,停在图甲的位置,此时杠杆处于______(填“平衡”或“不平衡”)状态。
苏科版物理九年级上册第十一章简单机械和功单元复习练习(Word版含答案)一、初三物理第十一章简单机械和功易错压轴题提优(难)1.某同学在河边玩耍时捡到一块石头:(1)将木杆的中点O悬挂于线的下端,使杆在水平位置平衡,这样做的好处是可以消除_____对杆平衡的影响;(2)将左端A与弹簧测力计相连,用细线把石头挂于OA的中点C,弹簧测力计竖直向上提起A端,使杆保持水平,测力计示数如图所示,则拉力大小为_____N;将石头浸没于装有水的玻璃杯中且不与杯子接触,保持杆水平,记下弹簧测力计此时示数为2.7N;(3)通过计算,浸没后石头受到的浮力大小为_____N,石头的密度为_____kg/m3(已知ρ水=1.0×103kg/m3);(4)若上述(2)步骤中,只是杆未保持水平,则测量结果_____(填“偏大”、“偏小”或“不变”)。
【答案】杠杆自重 4.2 3 2.8×103不变【解析】【分析】本题考查固体密度的测量。
【详解】(1)[1]将木杆的中点O悬挂于线的下端,使杆在水平位置平衡,这样做的好处是可以消除杠杆自重对杆平衡的影响。
(2)[2]如图弹簧测力计的分度值是0.2N,所以拉力大小为4.2N。
(3)[3]根据杠杆的平衡条件以及C是OA的中点,可得122112F LF L==解得G=F1=2F2= 2×4.2N=8.4N而石头的质量8.4N=0.84kg10N/kgGmg==石石头浸没于装有水的玻璃杯中且不与杯子接触,保持杠杆水平,弹簧测力计此时示数为2.7N,再次根据杠杆的平衡条件计算出此时石头对C点的拉力为5.4N,则浸没后石头受到的浮力大小F 浮=G ﹣F =8.4N ﹣5.4N =3N[4]又F 浮=ρ液gV 排,所以43333N ==310m 1.010kg/m 10N/kgF V V g ρ-==⨯⨯⨯浮石排液 所以石块的密度33430.84kg =2.810kg/m 310m m V ρ-==⨯⨯石石石 (4)[5]若上述(2)步骤中,只是杠杆未保持水平,虽然力的作用线不在杠杆上,但是两个力的力的作用线的比值是不变的,所以不会影响最终的结果。
九年级第十一章简单机械和功专题练习(word版一、初三物理第十一章简单机械和功易错压轴题提优(难)1.同学们在学校的花园里散步时,看到校工师父在用剪刀修剪树枝,发现他在修剪较粗硬的树枝时,需要把树枝夹在剪刀离轴很近的地方,手放在剪刀离轴最远的末端就会很轻松的剪断粗树枝了,看到这里,同学们就讨论起来了:为什么这样使用,就会很容易剪断树枝呢?于是大家对杠杆的特性进行了如下探究。
A:“探究杠杆的平衡条件”(1)当杠杆静止在图甲所示的位置时,杠杆处于_____(选填“平衡”或“不平衡”)状态;此时,应将右端的平衡螺母向_____(选填“左”或“右”)调节使杠杆在水平位置平衡,这样做是为了便于测量_____(2)小明同学用图乙所示的方法使杠杆处于平衡状态,测出此时的拉力大小为1F,发现1122F L F L≠,其原因是:______B:“探究杠杆的机械效率”如图丙所示装置,每个钩码的质量为m,O为支点(支点处摩擦忽略不计)(3)他将2个钩码悬挂在B点,在A点竖直向上缓慢拉动弹簧测力计,拉力为1F,测得A、B两点上升的高度分别为1h、2h,则此次杠杆的机械效率为η=______(用物理量的符号表示)(4)他将2个钩码悬挂在C点,在A点竖直向上缓慢拉动弹簧测力计,使C点上升高度仍为2h,则弹簧测力计的示数将_______1F,此次拉力做的功将_____第一次做的功(选填“大于”“等于”或“小于”)【答案】平衡右力臂大小F1的力臂测量错误2112mghF h×100% 大于小于【解析】【分析】【详解】(1)[1]图甲所示的位置时,杠杆静止,所以杠杆处于平衡状态。
[2][3]图甲中,杠杆右高左低,说明杠杆的重心偏左,应将右端的平衡螺母向右调节,使重心在支点上,让杠杆在水平位置平衡,此时力臂在杠杆上,便于测量力臂大小。
(2)[4]图中,拉力1F的方向与水平杠杆不垂直,只有当力的方向与杠杆垂直时,力臂才能从杠杆上直接读出来,小明误把杠杆的长度L1当成了拉力的力臂,所以小明会得出错误的结论。
(3)[5]有用功为W有=Gh2=2mgh2总功W总=F1h1则机械效率的表达式η=WW有总×100%=2112mghF h×100%(4)[6]钩码的悬挂点在B点时,由杠杠的平衡条件得F1·OA=G·OB悬挂点移至C点时,由杠杠的平衡条件得F2·OA=G·OC从图中可以看出,由OB到OC力臂变大,所以弹簧测力计的示数变大。
[7]使C点上升高度仍为2h,则有用功不变,但杠杆提升的高度减小,额外功减小,又因为总功等于额外功与有用功之和,因此此次拉力做的功将小于第一次做的功。
2.小军利用如图所示器材测定滑轮组的机械效率,他记录的实验数据如下表。
次数物重G/N 绳自由端的拉力F/N钩码上升的高度h/cm绳自由端移动的距离s/cm机械效率η/%1 1.00.510302 2.00.951574.1(1)根据记录表格中提供的信息,组装图中小军使用的滑轮组______;(2)根据给出的实验数据,计算出第一次的机械效率并填入表格中______;(结果保留三位有效数字)(3)同一个滑轮组,在两次实验过程中机械效率不同,主要原因是______。
【答案】66.7 两次提升的物重不同【解析】 【分析】 【详解】(1)[1]当钩码上升的高度为10cm 时,绳自由端移动的距离为30cm ,则绳子承担重物的段数30cm 310cms n h === 绳子的段数是奇数,从动滑轮开始绕起,如图所示(2)[2]第一次的机械效率111111N 0.1m100%100%100%66.7%0.5N 0.3mW G h W F s η⨯=⨯=⨯=⨯≈⨯有1有1总 (3)[3]实验中两次测得的机械效率使用的是同一个滑轮组,即绳重、摩擦、滑轮重是相同的,所以导致机械效率不同主要原因是两次提升的物重不同。
3.某同学在河边玩耍时捡到一块石头:(1)将木杆的中点O 悬挂于线的下端,使杆在水平位置平衡,这样做的好处是可以消除_____对杆平衡的影响;(2)将左端A 与弹簧测力计相连,用细线把石头挂于OA 的中点C ,弹簧测力计竖直向上提起A 端,使杆保持水平,测力计示数如图所示,则拉力大小为_____N ;将石头浸没于装有水的玻璃杯中且不与杯子接触,保持杆水平,记下弹簧测力计此时示数为2.7N ; (3)通过计算,浸没后石头受到的浮力大小为_____N ,石头的密度为_____kg/m 3(已知ρ水=1.0×103kg/m 3);(4)若上述(2)步骤中,只是杆未保持水平,则测量结果_____(填“偏大”、“偏小”或“不变”)。
【答案】杠杆自重 4.2 3 2.8×103 不变 【解析】 【分析】本题考查固体密度的测量。
【详解】(1)[1]将木杆的中点O 悬挂于线的下端,使杆在水平位置平衡,这样做的好处是可以消除杠杆自重对杆平衡的影响。
(2)[2]如图弹簧测力计的分度值是0.2N ,所以拉力大小为4.2N 。
(3)[3]根据杠杆的平衡条件以及C 是OA 的中点,可得122112F L F L == 解得G =F 1=2F 2= 2×4.2N=8.4N而石头的质量8.4N =0.84kg 10N/kgG m g ==石 石头浸没于装有水的玻璃杯中且不与杯子接触,保持杠杆水平,弹簧测力计此时示数为2.7N ,再次根据杠杆的平衡条件计算出此时石头对C 点的拉力为5.4N ,则浸没后石头受到的浮力大小F 浮=G ﹣F =8.4N ﹣5.4N =3N[4]又F 浮=ρ液gV 排,所以43333N==310m 1.010kg/m 10N/kgF V V g ρ-==⨯⨯⨯浮石排液 所以石块的密度33430.84kg =2.810kg/m 310m m V ρ-==⨯⨯石石石 (4)[5]若上述(2)步骤中,只是杠杆未保持水平,虽然力的作用线不在杠杆上,但是两个力的力的作用线的比值是不变的,所以不会影响最终的结果。
【点睛】关键是将课本知识内容记忆清楚,仔细分析即可。
4.如图所示是小明和小红利用刻度均匀的杠杆探究“杠杆平衡条件”的实验装置。
(1)在实验前,杠杆静止在图甲所示的位置,此时杠杆处于_______(选填“平衡”或“不平衡”)状态;调节平衡螺母使杠杆在水平位置平衡的目的是消除杠杆自重对实验的影响,同时方便___________;(2)杠杆平衡后,小明在左右两侧分别挂上如图乙所示的钩码,杠杆不能在水平位置平衡,在不增加钩码且不改变钩码悬挂点位置的前提下为了使杠杆重新在水平位置平衡,只需将____________即可;(3)为获得更多组数据,他们取下右侧钩码,小明和小红分别设计了两种实验方案,小明的方案如图丙所示,小红的方案如图丁所示。
你认为__________(“小明”或“小红”)的方案更合理,理由是___________;(拓展)探究杠杆的平衡条件后,小明又利用杠杆测量了石块的密度,实验装置如图所示。
实验步骤如下:①将石块悬挂在杠杆左侧,通过调节细线长度使石块缓慢浸没在下方裝满水的溢水杯中(未触底),同时用质量忽略不计的薄塑料桶接住溢出的水;②将薄塑料桶悬挂在杠杆右侧,调节塑料桶的悬挂位置,使杠杆在水平方向平衡,如图所示;③测量出AB两悬挂点距支点O的距离分别为10m和15cm,则石块密度为___________kg/m3。
【答案】平衡测量力臂左侧的钩码去掉一个小明排除测力计的重力对实验的影响2.5×103【解析】【分析】【详解】(1)[1]杠杆静止时,无论杆身是否水平,都为杠杆的平衡状态。
[2]杠杆在水平位置平衡,其力臂和杆身重合,可以方便测量力臂的大小。
(2)[3]在乙图中,杠杆左右两侧所挂钩码的重力可分别视为动力和阻力,两侧钩码的悬挂点可分别视为动力臂和阻力臂,根据杠杆的平衡条件1122Fl F l =可知,只需将左侧的钩码去掉一个即可满足杠杆在水平位置平衡。
(3)[4][5]对比丙、丁两图可知,小明的实验方案更加理想;因为弹簧测力计本身受到重力,小明的方案可以排除测力计的重力对实验的影响。
(3)①[6]设石块排开的水的重力为G 水,由阿基米德原理可知,石块受到的浮力F G =浮水水中的石块为平衡状态,故其对绳的拉力F G F G G =-=-石石浮水根据杠杆和平衡条件可得F OAG OB ⨯=⨯水即153102G G OB cm G OA cm -===石水水 由上式整理可得32V g V g V g ρρρ-=石石水水水水由于石块排开水的体积和石块自身体积相等,所以上式可简化为32ρρρ-=石水水 所以石块的密度333355 1.010kg/m 2.510kg/m 22ρρ==⨯⨯=⨯石水5.小明在探究杠杆的平衡条件的实验中,以杠杆中点为支点。
(1)小明在杠杆两侧挂上钩码,调节钩码的数量和位置直到杠杆水平平衡,如图甲所示,此时小明将两边钩码同时向远离支点方向移动相同的距离后,杠杆_____(选填“左”或“右”)端下沉;(2)小明在得出杠杆平衡条件后,利用杠杆平衡条件解决问题:①如图乙所示,有一根均匀铁棒BC ,其长为L , O 点为其重心,其所受重力300N ;OA =4L,为了不使这根铁棒的B 端下沉,所需外力F 至少应为_____N ;若F 的方向不变,微微抬起这根铁棒的B 端,所需外力F '至少应为_____N ;②如图丙所示,C 物体静止在水平地面上时,对地面的压强为6×105Pa 。
现将C 物体用细绳挂在轻质杠杆的A 端,杠杆的B 端悬挂D 物体,当杠杆在水平位置平衡时,C 物体对地面的压强为2×105Pa ,已知:D 物体的质量为2kg , OA :AB=1:4。
要使C 物体恰好被细绳拉离地面,则可以移动支点O 的位置,使O 'A :AB =______。
【答案】左 100 150 1:7 【解析】 【分析】 【详解】(1)[1]设图甲中的一个钩码重力为G ,杠杆一小格的长度为l ,据杠杆的平衡条件有3G ⋅2l =2G ⋅3l小明将两边钩码同时远离支点移动nl 距离后,杠杆左右两边变成3G ⋅(2l +nl )=(3n +6)Gl ,2G ⋅(3l +nl )=(2n +6)Gl而(3n +6)Gl >(2n +6)Gl所以杠杆左端下沉。
(2)①[2]据题意知,为了不使铁棒的B 端下沉,需用外力来保持平衡,此时铁棒的A 为杠杆的支点,阻力臂为OA =4L ,动力臂为AB =34L ,据杠杆平衡条件有 G 1⋅4L =F ⋅34L所以此时的外力111300N 100N 33F G ==⨯=[3]要将铁棒B 端稍微抬起,此时C 变成杠杆的支点,则12L LG F ⋅=⋅' 所以此时的外力111300N 150N 22F G ==⨯='②[4]由题意知,D 物体的重力G 2=mg =2kg×10N/kg=20N挂上D 物体,杠杆在水平位置平衡时,设绳子对A 端的拉力为F 1,则有F 1⋅OA =G 2⋅OB即1220N 480N ABF G OA=⋅=⨯= 悬挂D 物体前后,C 物体对地面压强变化∆p =p 1-p 2=6×105Pa-2×105Pa=4×105Pa那么C 物体与地面的接触面积425110m 10Pa80N 24F S p -===∆⨯⨯ 则C 物体的重力G 3=F C =p 1S =6×105Pa×2×10-4m 2=120N要使C 物体恰好被拉离地面,则A 端受到的拉力F 2=G 3=120N那么G 3⋅O 'A =G 2⋅O 'B即120N ⋅O 'A =20N ⋅O 'B所以O 'A :O 'B =1:6那么O 'A :AB =1:76.小明在“测量滑轮组的机械效率”的实验中,利用如图所示的滑轮组进行了4次测量,测得数据如下表所示: 次数 钩码所受的重力G /N 钩码提升的高度h /m 拉力F /N 绳端移动的距离s /m 机械效率η 1 1.0 0.1 0.8 0.4 31.25% 2 1.0 0.2 0.8 0.8 31.25% 3 2.0 0.1 1.2 0.441.67%43.00.11.5(1)试验中应沿着竖直方向______(选填“加速”或“缓慢”)拉动弹簧测力计,且在弹簧测力计______时读数;(选填“匀速运动”或“静止”)(2)根据表中的数据计算得出第4次实验时绳端移动的距离s =_______m ,机械效率η=_______;(3)通过比较1、3和4三次实验数据得出:同一滑轮组,物重越大,滑轮组的机械效率_____;(4)在忽略摩擦力和绳重的前提下,通过第1次数据可算出动滑轮的重力为_____N ; (5)以下选项中不影响滑轮组机械效率的因素是______A .动滑轮的重力B .绳子与滑轮之间的摩擦C .物体上升的高度 【答案】缓慢 匀速运动 0.4 50% 越大 2.2 C 【解析】 【分析】 【详解】(1)[1]为了使弹簧测力计的示数大小等于绳端的拉力大小,试验中应沿着竖直方向缓慢拉动弹簧测力计。