烟叶国家基准样品审定办法(试行)
- 格式:doc
- 大小:46.50 KB
- 文档页数:7
国家烟草专卖局办公室关于印发《烟叶收购管理规范》的通知文章属性•【制定机关】国家烟草专卖局•【公布日期】2011.07.04•【文号】国烟办综[2011]367号•【施行日期】2011.07.04•【效力等级】部门规范性文件•【时效性】现行有效•【主题分类】专卖、专营正文国家烟草专卖局办公室关于印发《烟叶收购管理规范》的通知(国烟办综〔2011〕367号)各有关省级局(公司):自2008年以来,各级烟草专卖局(公司)大力宣传贯彻《烟叶收购管理规程(试行)》(国烟办综〔2008〕187号),烟叶收购管理工作取得长足进步。
为加大烟叶等级质量管理力度,有效配置烟叶收购管理资源,充分发挥基层烟站的收购管理功能,国家烟草专卖局将烟叶专业化分级散叶收购工作规范与烟叶收购管理规程予以合并,形成《烟叶收购管理规范》,现将印发给你们,《烟叶收购管理规程(试行)》(国烟办综〔2008〕187号)同时废止。
请你们按照《烟叶收购管理规范》,明确岗位职责,强化流程管理,精心组织实施,严格监督考核,不断开拓创新,努力提升基层管理水平。
附件:《烟叶收购管理规范》二O一一年七月四日烟叶收购管理规范二○一一年六月前言《烟叶收购管理规范》共三分部分:--第1部分:基本规定;--第2部分:把烟收购;--第3部分:专业分级散叶收购。
第1部分:基本规定1 总则1.1为了坚持烟草专卖法立法宗旨,维护国家、烟叶种植主体和消费者利益;保障烟叶收购秩序,提高烟叶收购管理水平,促进烟叶收购管理的科学化、规范化,特制订本规范。
1.2本部分适用于地市级公司对烟叶收购全过程的管理和控制。
1.3本规范体现了以法律法规为准绳的基本原则,以及增强顾客和烟叶种植主体满意的宗旨。
2 收购组织管理2.1基本规定2.1.1企业应建立收购管理体系,确保烟叶收购有组织,有计划,规范操作。
2.1.2组织结构应体现分工协作、责权统一、高效精简的原则。
2.1.3科学设置岗位,各岗位的人员应具备相应的资格并接受必要的培训。
第一条为了及时准确地审定烟草新品种,因地制宜地推广新品种,促进烟草生产发展,制定本办法。
第二条凡具备以下条件的烟草品种,均可向全国烟草品审会提出申报:1.通过全国烟草品种区域试验和生产试验,连续两年表现优异者。
2.经省级烟草品种审定委员会审评通过的品种。
第三条按申报审定申请书各项要求认真填写,并附以下材料:1.新品种(系)选育报告。
2.每年区域试验和生产试验结果(原件复印)。
3.指定专业单位的抗病(虫)鉴定报告(原件复印)。
4.指定专业单位的烟叶品质化学分析、评吸结果及工业使用意见(原件复印)。
5.品种标准照片:包括群体、单株打顶及未打顶;上中下各部位烟叶:初烤C3F或C3L以上烟叶;同等级质量烟叶卷制的不带咀,不加香、不加料的卷烟样品。
6.栽培及调制技术特点。
第四条凡申报审定的品种,必须按以下程序办理:1.育(引)种主持人提出申请并签章。
2.育(引)种者所在单位审核签章。
3.区域试验、生产试验主持单位推荐并签章。
4.当地省级品种审定委员会或省农作物品审会签署意见。
5.每年11月30日前为申报审定品种的时间。
第五条全国烟草品审会办公室对各单位申报材料进行审核后,提交全国烟草品种审定委员会,并由申报单位交纳审定费用。
第六条每年全国烟草品种审定委员会召开会议,由选育单位代表介绍品种选育过程、田间表现、生长特点及鉴定结果。
由全体委员对申报品种进行认真审议,实行无记名投票。
与会委员须超过全体委员人数的三分之二,投票有效,赞同票数超过全体委员半数以上的为通过。
将审定通过的品种性状、评语及命名,提交全国农作物品种审定委员会办公室审核,统一编号、登记,由农业部发布。
第七条审定通过的品种,由育(引)种者提供一定数量的原种给繁殖部门,在一定区域内因地制宜繁殖推广。
第八条烟草品种审定必须符合下列标准方可通过。
1.符合申报程序、材料齐全、手续完备。
2.由全国烟草品种区域试验主持单位推荐,或经省级烟草品种审定机构通过审评推荐,表现优异,有扩大推广前景的品种(系)。
国家烟草专卖局关于重新修订发布《烟草种子管理办法》等四个文件的通知文章属性•【制定机关】国家烟草专卖局•【公布日期】2001.09.28•【文号】国烟法[2001]560号•【施行日期】2001.09.28•【效力等级】部门规范性文件•【时效性】现行有效•【主题分类】专卖、专营正文国家烟草专卖局关于重新修订发布《烟草种子管理办法》等四个文件的通知(国烟法[2001]560号2001年9月28日)各省、自治区、直辖市及深圳、大连市烟草专卖局:现将《烟草种子管理办法》、《全国烟草品种审定委员会章程》、《烟草品种审定办法》、《烟草品种试验管理办法》印发给你们,请遵照执行。
附件:1.《烟草种子管理办法》烟草种子生产经营许可证申请表境外引进烟草种子登记表2.《全国烟草品种审定委员会章程》3.《烟草品种审定办法》4.《烟草品种试验管理办法》附件1:烟草种子管理办法第一章总则第一条为了加强烟草种子管理工作,维护烟草品种选育者和种子生产者、经营者、使用者的合法权益,有效地推广应用优良品种,提高种子质量,推动种子产业化,促进烟草生产的持续发展,依据《中华人民共和国种子法》和《中华人民共和国烟草专卖法》,制定本办法。
第二条从事烟草品种选育、种子生产、经营、使用、进出口和管理工作的单位和个人,必须遵守本办法。
第三条本办法所称烟草种子,是指各种烟草类型的育种家种子、原种和良种。
育种家种子是指育种家育成的遗传性状稳定、特征特性一致的品种或亲本的最初一批种子。
原种是指用育种家种子繁殖的第一代或按原种生产技术规程生产的达到原种质量标准的种子。
良种是指用常规原种繁殖的第一代和杂交种达到良种质量标准的种子。
第四条烟叶种植必须使用由全国烟草品种审定委员会审定(认定)的品种。
第五条国家鼓励烟草育种、引种和繁种工作采用先进技术,提高烟草种子工作的科学技术水平;鼓励品种选育和种子生产、经营相结合,推动种子产业化。
第六条国家建立种子贮备制度。
国家烟草专卖局关于印发《烟叶国家基准样品审定办法(试行)》的通知正文:---------------------------------------------------------------------------------------------------------------------------------------------------- 国家烟草专卖局关于印发《烟叶国家基准样品审定办法(试行)》的通知行业各直属单位,国家局、总公司机关各部门、各单位:为进一步加强行业内部管理,规范年度烟叶收购基准样品审定认证工作,现将《烟叶国家基准样品审定办法(试行)》印发给你们,请遵照执行。
附件:烟叶国家基准样品审定办法(试行)二○○七年九月七日烟叶国家基准样品审定办法(试行)第一章总则第一条为规范烟叶国家基准样品的审定工作,保证烟叶国家基准样品的权威性,依据GB2635-1992《烤烟》、GB/T8966-2005《白肋烟》和GB5991-2000《香料烟》等技术标准,制订本办法。
第二条烟叶国家基准样品是经全国烟草标准化技术委员会农业分技术委员会(以下简称农标委)审定通过,由国家标准化管理委员会签封并有配套的《烟叶国家基准样品证书》(附件1)的烟叶实物样品。
第三条烟叶样品送审单位应按本办法的要求积极配合国家基准样品的审定工作。
执行审定任务的人员应严格按本办法审定国家基准样品。
第二章组织机构第四条农标委负责烟叶国家基准样品审定工作。
第五条中国烟叶公司负责国家基准样品审定的组织、协调工作。
第六条由农标委委员组成的审定技术组具体负责烟叶国家基准样品审定的技术工作。
第七条各送审单位应明确送审样品技术负责人,具体负责烟叶样品的制备、送审、调整和后期仿制工作。
第三章前期准备第八条填表预审。
各单位送审的烟叶样品必须由其样品技术负责人填写《烟叶国家基准样品送审单》(附件2),经所在省份的农标委委员(或者省级烟叶样品技术负责人)认定并签字推荐。
高级烟叶分级工理论题库高级烟叶分级工理论题库一、填空题(共25小题,每小题2分,共50分)1、烤烟X1F色度与残伤规定为______。
正确答案:强、15%;2、烟叶实物标样是以______的形式对烟叶等级质量所作的统一技术规定。
正确答案:实物样品;3、烘烤上部烟叶,起点温度要相对______,在变黄期变黄程度要高。
正确答案:降低;4、白肋烟质量随颜色的变化规律为近红黄、红黄、浅红______、浅黄依次降低。
正确答案:黄、红棕;5、烟叶养护要贯彻______、防治结合的工作方针。
正确答案:以防为主;6、烤烟B3K的身份与残伤规定为______。
正确答案:厚、35%;7、烤烟香气物质大部分在烘烤的______和定色期产生的。
正确答案:变黄期;8、烟叶是一种怕潮、怕干、怕热、怕压、易霉变、______的商品.正确答案:易虫蛀;9、现行香料烟国家标准发布时间为______年1月24日,全国实施时间为2000年3月1日。
正确答案:2000;10、基准标样是根据______制定,经全国烟草标准化技术委员会烟叶标准标样分技术委员会审定后,由国家技术监督局批准执行。
正确答案:文件标准;11、香料烟分级程序是先______再分级。
正确答案:分型、分组;12、烟草普通花叶病毒病的发病最适宜温度为______,高于38℃或低于10℃则很少发病。
正确答案:28℃-30℃;13、烤烟X1L身份与油分规定为______。
正确答案:稍薄、有;14、大于35℃的苗床温度持续时间较长,很容易出现______或热害。
正确答案:高温烧苗;15、烟叶抽样时,每件自中心向四周抽取5~7处,每件______或30~50把,必要时可酌情增加取样比例。
正确答案:3--5kg;16、烤烟B3R身份与油分规定为______。
正确答案:稍密、稍有;17、糖碱比是衡量烟叶吸味与刺激性的指标,烤烟该比值在______左右为好。
正确答案:10;18、烟叶流通过程大体上包括购进、销售、运输与______四个基本环节。
烟叶分级工(高级)考试考试题(强化练习)1、单选对烤烟X3F有关描述正确的是()。
A、色度中B、叶长35㎝以上C、残伤不超过30%D、身份薄正确答案:C2、判断题烤烟光滑叶香气质差,香气量少。
正确答案:(江南博哥)对3、判断题烟苗发生冷害,其主要表现是萎焉。
正确答案:错4、判断题烟叶收购不需要进行室内检验。
正确答案:对5、填空题烟叶分级标准按其表达形式不同可分为()标准和实物标准两种。
正确答案:文字6、问答题不同部位香料烟质量变化规律是什么?正确答案:(1)部位与化学成分:总糖以中部最高,上部次之,下部最低。
总氮以上部最高,中部次之,下部最低。
烟碱的变化规律与总氮类同,以上部最高,中部次之,下部最低。
(2)部位与内在质量:由下至上,香型风格逐渐显著香气量增加,杂气减少,吸味增浓,刺激性减弱。
余味变得舒适,使用价值增高。
即随香料烟部位的提高质量是提高的。
(3)部位与物理特性:吸食性以中部最大,下部最小。
含梗率以中部最大,下部居中,上部最小。
厚度随部位提高而增大,百叶重以中部最大,下部居中,上部最小。
7、单选从变黄期转入定色期,营养水平高时,变黄程度宜()。
A、低B、高C、无法确定D、其它正确答案:B8、单选下列成熟度中烟叶填充性以()叶为最强。
A、成熟B、尚熟C、欠熟D、假熟正确答案:A9、问答题储烟霉变有哪两种?正确答案:(1)原烟含水率正常的烟叶由于空气相对湿度过高引起的表层霉变;(2)烟叶原始含水率高,储存环境温湿度又相对较高,或烟包堆压过于紧实,烟叶不能向外蒸发水分,烟包中心发生的包心霉变。
10、单选根据送货制的要求,在烟叶调运至车站前的一切责任,由()负责。
A、调入方B、调出方C、承运部门D、调出方和承运部门正确答案:D11、判断题香料烟以顶叶质量最好。
正确答案:对12、单选烤烟叶片结构规定不是“尚疏松”的是()。
A、CX2KB、H2FC、B1LD、B1F正确答案:B13、判断题香料烟标准不分组,只分级。
如何做好烟叶样品的制作高唐烟草站:邓月保烟叶样品是以实物的形式对烟叶等级质量所作的统一技术规定,是执行文字标准的辅助手段,是文字标准的具体体现。
样品烟能够直观的用于指导广大烟农初分烟叶等级工作;有利于烟叶收购技术人员统一眼光,分清等级;有利于工商交接烟叶检验定级。
烤烟样品可分为基准标样和仿制标样以及基层烟站烟叶收购过程中的参考标样。
就此本人就如何做好基层烟站烟叶样品的制作谈几点初浅看法。
一、烤烟样品烟叶制作的基本要求。
1、制样人员要求对文字标准的理解和对各等级的品质因素、控制因素掌握理解较好。
2、要选择烤烟种植生产水平较好,大田烟株长势中棵型偏好的烟株,但不能过大或过小,烟叶生产各个环节做的较到位,烘烤水平较高,能够提供选制样品烟叶原料的烟农。
3、制样人员要有充足的时间,能够静下心来,富有一定的责任心,按时段的选制下,中、上部烟叶样品,并将选好的样品及时保管妥当,防受潮、褪色变质。
4、样品烟要有代表性,等级界限要分明,每个等级上、中、下限搭配合理,杂色残伤,破损属控制因素,不是具备因素,样品烟可以不用有杂色、残伤、破损的叶片。
5、制样人员要认真把握烟叶样品原料的质量,对于虫蛀、污染异味、受潮褪色烟叶要剔除。
二、样品烟制作工作。
1、认真把好烟叶样品质量,各等级质量按烤烟国家文字标准采集,各等级以中限质量为主,上中下限比例搭配为2:6:2。
采集样品烟要按部位进行,确保部位准确。
2、采集样品烟要精心挑选有价值,具有代表性的烟叶做样品原料。
不同等级的烟叶具有不同的外观质量,要根据《烤烟等级品质规定》进行,认真识别烟叶的部位,从烟叶的脉相、叶形、叶面、身伤、油分、颜色、长度、宽度等方面,利用眼观、手摸相结合的方法进行综合分析与判断。
3、样品烟原料选好后要妥善及时保管,应避免阳光照射,防高温、高湿,并标明部位等级存放在阴晾干燥地点,供制样时选用。
4、制样时要选择气候晴天有较好自然光线的场所制样,制样人员要精心细致选制样品,严格按部位、颜色分组,然后再按每一片的品质因素进行分级,做到各等级界限分明清楚,烤烟一般每把20-25片烟叶,(可根据标样制作程序分为3个阶段10个环节进行,1、初选阶段,包括回潮、审片、分组、分级;2、合成阶段,包括分限、合成、扎把;3、评审阶段,包括审查、平衡、审定签封)。
2023年烟草职业技能鉴定《烟叶分级工》考试全真模拟易错、难点汇编贰(答案参考)(图片大小可自由调整)一.全考点综合测验(共50题)1.【判断题】烤烟的糖碱比以2— 2.5比较适宜正确答案:错误2.【判断题】目前新的香料烟国家标准与2000年1月24日发布,2000年3月1日实施正确答案:正确3.【判断题】白肋烟叶片结构稍疏松的烟叶多产于腰叶或近腰叶。
正确答案:正确4.【判断题】南方地区进行常规育苗时搭建苗棚,其主要作用之一是避免烟苗被强光伤害正确答案:正确5.【判断题】烤烟既耐旱,又耐涝。
正确答案:错误6.【单选题】我国最早烤房火炉型式是A.立式火炉B.蜂窝煤炉C.燃油炉D.卧式火炉正确答案:D7.【判断题】烟叶种植集中产区每种植1000亩烟叶设置一个收购站正确答案:错误8.正确答案:正确9.【判断题】香料烟叶总糖含量以中部最高,上部次之,下部最低正确答案:正确10.【单选题】防治烟草病毒病时,用(; )的硫酸锌,发病前叶面喷雾预防,每公顷750kg ~1125kg 。
具有一定的防治效果。
A.1/100B.1/500C.1/1000D.1/5000正确答案:C11.【判断题】烟叶烘烤过程中,温度靠天窗和地洞来控制。
正确答案:错误12.【判断题】烤烟油分有的烟叶表观有油润感,弹性较好。
正确答案:正确13.【填空题】白肋烟随部位升高,填充能力降低,吸料率下降,阴燃速度()正确答案:下降14.【判断题】氮化合物含量高者,烟叶刺激性大,反之则小正确答案:错误15.【判断题】烤烟油分稍有的烟叶表观尚有油润感,尚有一定的韧性和弹性。
正确答案:正确16.【判断题】烘烤上部烟叶起点温度宜低不宜高17.【判断题】烟苗发生冷害,其主要表现是萎焉正确答案:错误18.【判断题】烟叶质量是指烟叶外观的特征特性正确答案:错误19.【单选题】病叶边缘多向背面翻卷,叶片皱缩扭曲,呈畸形,有时有缺刻或呈带状,这种病毒病为A.烟草普通花叶病毒病B.烟草黄瓜花叶病毒病C.烟草蚀纹病毒病D.烟草马铃薯Y病毒病正确答案:A正确答案:错误21.【判断题】引起烟叶商品霉变的曲霉菌和青霉菌均属于厌氧型微生物正确答案:错误22.【判断题】烤烟地膜覆盖栽培,有些情况下减少施肥量,有些情况下应增加施肥量正确答案:正确23.【判断题】开展合理运输是节约烟叶商品流通费用的主要途径正确答案:错误24.【判断题】烤烟叶片结构尚疏松的烟叶为成熟度好的部分上部叶和尚熟的中下部叶。
UDC663.97.051GB2635—86代替GB2635—81Eluecuredtobacco本标准适用于初烤和复烤而未经过发酵的烤烟。
以文字标准为主,辅以实物样品。
1.分组与分级1.1分级根据烤烟生长的部位及颜色,分为中下部黄色、上部黄色、青黄色三个组,见表1。
1.2分级根据叶片的成熟度、油分、厚宽、叶片结构、颜色、光泽、叶片长度、杂色、残伤、破损外观品级条件划分级别。
分为中下部黄色六个级,上部黄色五个级,青黄色三个级,一个末级,共十五个级。
2.技术要求2.1品质规定见表2。
2.2品级因素掌握原则2.2.1破损以把内烟叶应有完整的总面积为基数,破损率按下式计算。
把烟叶破损率(%)=把内各破损叶片总面积/把内烟叶应有的完整的总面积×100每片烟叶完整度应在50%以上。
中黄1、2级,上黄1级破损率不得超过5%,以下各级至中黄5级、上黄4级、青黄2级不得超过10%,余下各级不得超过15%,末级不得超过25%。
2.2.2面积较大的烤红、潮红和面积较大、程度较轻的挂灰,不按杂色百分比处理,应根据其影响品质程度定级;大面积中度挂灰,限于中黄5级和上黄4级以下定级;程度较严重的挂灰,限于中黄6级、上黄5级以下定级。
2.3几种烟叶的处理原则。
2.3.1褪色烟叶,限于在中黄4级,上黄3级以下定级。
注:本标准凡“××级以下各级”或“××级以下各级”都包括××级在内2.3.2受蚜虫损害的烟叶,按其影响品质程度适当定级。
2.3.3熄火烟叶,指阴燃持续时间少于2s者,属不列级。
2.3.4不符合标准的级外烟叶,青片、霜冻烟叶、碎烟叶、轻微霉变烟叶属不列级。
2.4纯度允差、水分及自然砂土率的规定见表3。
2.5扎把以自然把为主(允许扎平摊把)。
把头周长100~120mm;扎把材料(烟烧)须用同级烤烟,“烟烧”宽度不超过50mm;烟把必须扎牢,不可将把头顶端包住。
安徽中烟工业公司试制样烟管理办法(暂行)为了有利于产品开发改造工作,规范试制样烟和试制烟过程中专卖品等材料的使用和管理,特制定本办法。
第一条、试制烟的定义在产品开发、改造、维护过程中,需经过生产线进行试验和验证后所形成的具有独立包装的,未计入产量或未入成品库房的卷烟样品,列入试制样烟范围。
包括:(1)开发改造产品过程中的中试样品;(2)调整叶组配方、香精香料需要在线验证制作的样品;(3)调整工艺流程、参数需要在线验证制作的样品;(4)更换或验证卷烟材料制作的样品;(5)其他因技术检测、技术研究需要制作的样品。
第二条、试制样烟制作(1)试制样烟制作要按照程序严格履行报批手续。
中烟技术中心根据工作任务或工作需要编制《产品试制通知》或其它文件报分管总经理批准后,该文件与生产调度文件具有同等效力,由生产点制造中心组织实施。
(2)中烟技术中心依据《产品试制通知》或者相关文件要求,组织原、辅材料的验证、领取。
(3)在试制烟制作过程中,技术中心组织相关技术人员进行全程跟踪,生产点的工作人员要全力配合。
(4)制作过程产生的样品、废品或剩余原、辅材料由技术中心提出具体处理办法,并对其品种、数量和使用处理去向作好记录。
生产企业制造中心要严格按要求执行。
第三条、试制烟保管、使用和处理。
(1)制作的试制样烟由技术中心全部办理入账手续,并登记造册。
(2)入账试制样烟由技术中心专人保管,试制样烟保存期暂定一年,逾期集中处理。
(3)试制样烟领用部门根据需要提出申请,由部门领导签署意见,经过技术中心主任同意后方可领用。
(4)对已失去保存价值或使用价值试制的样烟,技术中心可以进行报废处理,但要形成详细记录。
第四条,烟用材料保管、使用和处理(1)技术中心在产品研发改造、各种技术研究试验或验证时,领取的烟用材料和供方单位提供的烟用材料样品,都要进行登记造册,由专人负责。
(2)各种烟用材料的使用和处置都要有记录。
特别是专卖品材料(如:卷烟纸、滤嘴棒)的收、用、存必须记录完整,报废时应作销毁处理。
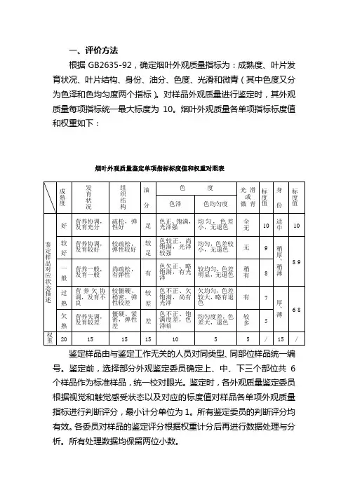
一、评价方法
根据GB2635-92,确定烟叶外观质量指标为:成熟度、叶片发育状况、叶片结构、身份、油分、色度、光滑和微青(其中色度又分为色泽和色均匀度两个指标)。
对样品外观质量进行鉴定时,其外观质量每项指标统一最大标度为10。
烟叶外观质量各单项指标标度值和权重如下:
烟叶外观质量鉴定单项指标标度值和权重对照表
鉴定样品由与鉴定工作无关的人员对同类型、同部位样品统一编号。
鉴定前,选择部分外观鉴定委员确定上、中、下三个部位共6个样品作为标准样品,统一校对眼光。
鉴定时,各外观质量鉴定委员根据视觉和触觉感受状态以及对应的标度值对样品各单项外观质量指标进行判断评分,最小计分单位为1。
所有鉴定委员的判断评分均有效。
各委员对样品的鉴定评分根据权重计分后再进行数据处理与分析。
所有处理数据均保留两位小数。
烟叶外观质量综合评价标准如下:
1类烟叶:权重总分大于90(含90);2类烟叶:权重总分在85~90(含85);3类烟叶:权重总分在80~85(含80);4类烟叶:权重总分在75~80(含75);5类烟叶:权重总分75以下。
高级烟叶分级工理论题库高级烟叶分级工理论题库一、填空题栽培部分(1~15)1. 烟草包衣种子萌发一般需要天时间。
2. 由于烟草种子含有较多的油脂,萌发时需要良好的和水分条件。
3. 烟草种子萌发除要求适宜的温度、氧气条件外,还要求适宜的条件。
4. 苗期长期低温,通常引起大田烟株。
5. 养分浓度过高,通常引起烟苗。
6. 烟草缺硼时,从幼叶开始颜色变为淡绿色,并扭曲,最后,叶片。
7. 漂浮育苗防止盐害的有效办法是经常烟苗。
8. 大于35℃的苗床温度持续时间较长,很容易出现。
9. 烤烟地膜覆盖栽培,一般当膜下表土温度超过℃时揭膜。
10. 强烈的光照,紫外线会造成烟苗伤害。
11. 一般情况下,烤烟地膜覆盖栽培的起垄高度比裸栽增加cm以上。
12. 感染烟草黑胫病菌的烟株,在茎部发病后期,剖开病茎,可见髓部干缩、褐色,呈。
13. 高温、是青枯病流行的先决条件。
14. 烟草普通花叶病毒病的发病最适宜温度为,高于38℃或低于10℃则很少发病。
15. 烟蚜有明显的、避光性,又具有假死性。
烟叶调制部分(16~30)16. 烤房墙体必须保湿保温防风防雨、。
17. 根据烤房观察窗的作用,可将其分为火管安全观察窗、和上层烟叶变化观察窗。
18. 烤房房顶的形式有式和平顶式两种。
19. 烤房通风排湿系统包括、地洞以及连接它们的房体三部分组成。
20. 烟叶烘烤过程中,变黄期的烘烤技术要领是“稳住温度、、控制烧火,确保烟叶变黄变软。
21. 烟叶烘烤过程中,变黄期的升温速度,以防炕内上、下棚之间温差过大。
22. 烟叶烘烤的定色期,在保持湿球温度的前提下,主要靠干球温度的升高降低炕内湿度。
23. 烘烤过程中,烟叶的变黄程度或,两者有一个达不到标准,温度都不宜超过相应范围。
24. 烟叶烘烤干筋期,干球温度不得超过,以防烤红和香气物质受损失。
25. 对于叶片薄、颜色淡、内含物质不充实、含水多的烟叶,在变黄期应变黄温度。
26. 鲜烟素质高,好烘烤的烟叶,叶片在变黄阶段,变黄程度应达到,转火之后的定色主要是提高内在与外观品质。
前言为实现配方打叶规模化,完善公司两个数据库的建立,全面掌握全省各地州初烤烟叶各等级的外观质量、内在质量、化学成分等年度质量变化状况,及时对原料的相关质量信息进行收集、分析、总结、归档,围绕公司提出的“节能降耗、精细化管理”要求,为了避免重复、浪费,科学、合理地统筹安排样品采集和管理工作,更有效地指导生产、监控生产,实现有限原料资源的科学合理利用。
特制定以下管理办法,该办法包括四个部分:一、初烤烟取样办法………………………………………2-5二、半成品取样办法………………………………………6-8三、成品取样办法…………………………………………9-10四、样品管理规定…………………………………………11-14本办法将会在工作中,逐步的进行修正和完善。
初烤烟叶取样办法配方打叶工作顺利开展的第一个内容就是采集烟叶样品。
满足客户的地区性评吸要求以及完善公司数据库,对全省各地州的烟叶从外观质量、内在质量及理化指标三个角度着手,并有针对性地进行分析、研究,对全省各地州的初烤烟叶质量有较为全面的认识、掌握并能运用到实际工作中。
因此,烟叶样品的采集是配方打叶后续各项工的基础。
为使配方打叶工作顺利开展,制定本取样办法。
一、样品样品用途:1、完善数据库2、对烟叶的外观质量、内在质量进行年度质量变化分析样品对象:全省各地州初烤烟叶各等级烟叶样品样品形态:把烟二、采样时段:三个时段第一阶段:收购前——烟叶产区收购开始采集;第二阶段:调拨中——调进公司之日开始采集;第三阶段:生产中——挑选半成品的样品采集。
三、采样要求及其它相关要求1、依据GB2635——92规定,结合烟区实际生产状况,采集的烟叶样品具有代表性和地区风格特点。
2、采样批次:收购前一个批次;调拨中二个批次;生产中一个批次。
3、采样数量:a、各地州、各等级共采集不少于4个批次;b、每个批次采集数量5—10把,视具体情况需求、烟把大小,酌情增加或减少取样把数。
4、样品使用统一标识牌,按要求标注以下内容:地区、县、站点、等级、品种、收购日期、采样日期及取样人。
烟叶分级工(高级)考试题库知识点(三)1、单选烟叶霉变必须具备的三个条件是()。
A、烟叶水分、温度、湿度B、温度、湿度、光照C、温度、湿度、氧气D、霉菌、光照、干燥正确答案:A2、填空题烤烟(江南博哥)实物标样每把()片。
正确答案:20-253、判断题烟叶仿制标样一般每三年更新一次。
正确答案:错4、单选烤烟灰分含量以()%为好。
A、25B、15C、30D、5正确答案:B5、判断题烤烟分级是先部位分组,再分级。
正确答案:错6、单选烤烟B3L身份与油分规定为()。
A、稍厚、有B、厚、稍有C、稍厚、稍有D、中等、稍有正确答案:D7、单选烤烟色度和油分规定不是“中、有”的是()。
A、C3LB、C4FC、B3FD、C3F正确答案:B8、单选对烤烟X4L有关描述不正确的为()。
A、叶片成熟、残伤≤35%B、叶片假熟、残伤≤35%C、色度淡、油分少D、身份薄、叶长≥25㎝正确答案:A9、单选烤烟糖与蛋白质的适宜比值为()。
A、小于2B、大于2C、2~2.5D、大于2.5正确答案:C10、填空题烟草缺硼时,从幼叶开始颜色变为淡绿色,并扭曲,最后,叶片()。
正确答案:死亡11、单选烤烟B2F颜色的饱和程度表现为()。
A、饱满B、尚饱满C、一般D、极不饱和正确答案:B12、填空题香料烟分级程序是先分型、()再分级。
正确答案:分组13、填空题烤烟工商交接现场检验抽样数量,验收数量在100件以内的抽查()%,每增加100件抽取5~10%样件正确答案:10-2014、单选烤烟破损率规定在不超过10%的是()。
A、C2L、X1FB、B1R、B1KC、C3F、B2LD、C3L、X1L正确答案:A15、填空题香料烟总氮含量以()%为最适宜。
正确答案:2-2.516、填空题白肋烟光泽与内在质量的关系表现为:中下部以()者质量好,稍暗或暗质量较差。
正确答案:鲜明17、单选烤烟基本色由浅至深,烟叶化学成份变化规律是()。
A、总氮含量增加B、烟碱含量减少C、蛋白质含量减少D、糖含量增多正确答案:A18、单选下列关于白肋烟叶面与质量关系的描述正确的是()。
烟叶收购指导样品应用现状及对策烟叶收购指导样品是指各烟叶购销主体每年都要根据国家级、省级烟叶标准的感官尺度,并结合本地品种、气候和客户需求,用当年烟叶制作的,用于统一当年购销验收、等级抽检等活动的感官判定尺度;具有指导性、现实性、操作性[1]。
在收购过程中,由烟叶收购站质量主检、主评员、验级员根据市公司审定的新烟样品仿制的本收购点烟叶收购指导样(对照样),并坚持每天挂样、适时换样,对样收购,在烟叶收购现场明显位置进行展示,起到对照、指导和监督烟叶收购的作用[2-3]。
当前,在我市部分站点对样收购工作中,存在收购指导样品等级不全、代表性差、摆放不规范、应用保管不当、对样收购不到位等现象及问题;通过采取制定管理办法实行专人负责明确责任、加强收购指导样品制作技能培训、规范样品的应用保管、建立对样收购考核激励管理机制等有效措施,对维护国家、烟农、企业三者利益意义重大,对维护我市烟叶市场信誉至关重要,同时对稳定和提高我市烟叶收购等级质量、工商交接等级合格率具有促进作用和指导意义。
1 烟叶收购指导样品应用现状及存在问题分析表12021年各站点收购指导样品检查结果检查记录项目盐井收购点箐口收购点野钟收购点检查情况处置情况检查情况处置情况检查情况处置情况样品等级缺少B2F,B3F、C4F补充完善缺少B2F,B3F、C4F补充完善缺少B2F,B3F、补充完善样品代表性符合要求差重新制作符合要求样品展示情况样品摆放不醒目重新摆放摆放凌乱重新摆放摆放凌乱重新摆放样品保管符合要求保管不当、严重回潮加强保管保管不当、严重回潮加强保管样品更换符合要求更换不及时、变色适时更换更换不及时、变色适时更换通过对我市盐井、箐口、野钟等3个收购点收购指导样品进行检查,发现当前收购指导样品存在下列问题:1.1收购人员认识不够,样品等级不全收购指导样品都由评级员兼职完成,收购站点主检、主评员、评级员对收购指导样品认识不够,没有认识到对样收购的重要性,人员不到位,责任难落实。
第二章烟叶样品的采集[精选]第一篇:第二章烟叶样品的采集[精选]第二章烟叶样品的采集、制备、保存及水分测定方法第一节样品的采集正确采样的意义掌握两个名词:1)采样:从大量的分析用烟叶中抽取一部分作为分析材料的过程称为采样2)样品:所抽取的分析材料称作样品正确采样意义:1)不同处理间存在差2)同一处理内部存在机误3)样本和总体间存在差异4)采样误差比分析测量误差大5-10倍烟叶的采样方法2.1田间试验取样正确采样的要求:减小实验误差,样本能够代表总体。
控制采样误差的方法有两个:增加采样点数和获得平均样品1)增加采样点数:在一块地选取3-5个或更多的采样点。
一般采用对角线采样和S形采样两种方法。
选择点数多,测定数也多,工作量增加,但是越能代表总体。
2)获得平均样品先了解以下三个名次:(1)检样:从分析对象各部分采取的少量样品(2)混合样:若干份(5-10份)等量检样混合在一起得到的样品(3)平均样:从混合样中抽取一部分得到的样品。
3)两种采样方法的区别:增加采样点数:采样后先测定后平均获得平均样品:采样后先平均后测定二者采样点数是一样的。
4)取检样应该注意的问题A 避免主观性,多点(5-10点)采样,各点之间样品等量B 不同处理之间取样标准要一致C 常规成分:每一检样10-15片叶就可以了,并应该兼顾大中小叶片的比例D 要取无污染烟叶。
烤后烟叶存放在农户家中应该防止农药,化肥水等污染。
2.2烟叶常规化学成分分析国标法取样1.了解几个定义:1)批:在一个或多个特性被认为一致的条件下产生的一定数量的烟草。
2)小样:从一个取样单位一次取出的一定数量的烟草。
3)单样:是由从同一取样单位中抽取的全部小样组成,单样大小取决于:烟草类型;取样单位的大小;测定项目的类型和数量。
4)实验室样品:用于实验室检验或测试的样品,其代表总样。
5)试样:从实验室样品中随机抽取的用于测试的样品,其代表总样。
6)试料:用以进行检验或观测所取的一定量的试样。
烤烟标准实物标样制作审定技术规程一、总则为规范烤烟标准实物标样的制作审定工作,保障产品质量和市场秩序,特制定本技术规程。
二、适用范围本技术规程适用于烤烟行业内所有有关标准实物标样的制作审定工作。
三、标准实物标样制作程序1. 配料准备:根据国家标准和行业法规,选用符合要求的烤烟原料,包括烟叶、添加剂等。
2. 导丝及架棚:选用合适规格的导丝和架棚进行烤烟的初步加工,确保烟叶的整齐和干燥。
3. 烟叶混合:按照配方比例将不同种类的烟叶进行混合,均匀搅拌后形成一定规格的烤烟原料。
4. 加工调配:在确定好的烤烟原料中加入适量的添加剂进行调配,确保烟叶香气的均匀和持久。
5. 烟丝处理:将调配好的烟叶进行烟丝处理,包括切割、卷扎等,确保烟丝的质量和形状符合标准要求。
6. 组装包装:将处理好的烟丝按照规定包装规格进行组装,包括盒装、软包装等,确保包装质量符合要求。
7. 标样制作:从组装好的烤烟产品中选取标准样品进行制作,包括外包装设计、印刷等,确保标准实物标样的质量。
四、审定程序1. 申请审定:烤烟生产企业根据国家标准和行业规定,向有关部门提交标准实物标样制作审定申请。
2. 审定资料准备:企业需提供完整的申请资料,包括产品生产工艺、原材料情况、产品质量检测报告等。
3. 技术审核:审定机构对企业提交的资料进行技术审核,确保烤烟产品生产工艺和质量符合标准要求。
4. 样品提取:审定机构根据申请,从企业生产的产品中提取标准实物标样,进行实物审定测试。
5. 审定结果发布:审定机构根据实物测试结果,发布审定报告,确认该烤烟产品的标准实物标样是否合格。
六、质量管理1. 审定机构应当建立健全烤烟标准实物标样制作的质量管理体系,确保审定工作的公正、准确和及时。
2. 烤烟生产企业应当严格按照国家标准和行业规定进行生产,保证产品质量稳定、符合要求。
七、附则本技术规程自颁布之日起实施,如有变动,由主管部门进行修订。
以上是关于烤烟标准实物标样制作审定技术规程的内容,希望对您有所帮助。
烟叶国家基准样品审定办法
(试行)
第一章总则
第一条为规范烟叶国家基准样品的审定工作,保证烟叶国家基准样品的权威性,依据GB2635-1992《烤烟》、GB/T8966-2005《白肋烟》和GB5991-2000《香料烟》等技术标准,制订本办法。
第二条烟叶国家基准样品是经全国烟草标准化技术委员会农业分技术委员会(以下简称农标委)审定通过,由国家标准化管理委员会签封并有配套的《烟叶国家基准样品证书》(附件1)的烟叶实物样品。
第三条烟叶样品送审单位应按本办法的要求积极配合国家基准样品的审定工作。
执行审定任务的人员应严格按本办法审定国家基准样品。
第二章组织机构
第四条农标委负责烟叶国家基准样品审定工作。
第五条中国烟叶公司负责国家基准样品审定的组织、协调工作。
第六条由农标委委员组成的审定技术组具体负责烟叶国家基准样品审定的技术工作。
第七条各送审单位应明确送审样品技术负责人,具体负责烟叶样品的制备、送审、调整和后期仿制工作。
第三章前期准备
第八条填表预审。
各单位送审的烟叶样品必须由其样品技术负责人填写《烟叶国家基准样品送审单》(附件2),经所在省份的农标委委员(或者省级烟叶样品技术负责人)认定并签字推荐。
第九条分组划区。
审定前由农标委主任委员或其指定人召集农标委委员,讨论确定审定技术组成员,按生态区划分片区小组。
第十条统一眼光。
审定技术组全体成员用上年度烟叶国家基准样品和本年度具有代表性的送审样品观摩、讨论,统一感观标准。
在特殊情况下可使用不同年度的烟叶国家基准样品。
第十一条落实责任。
每套送审样品都要由两名委员负责以下具体工作:
1.根据审定技术组全体投票结果提出样品调整意见并负责认定调整结果。
2.根据《烟叶国家基准样品送审单》、送审样品技术负责人的说明、评审技术组成员投票结果、等级调整情况等,代表农标委签发《烟叶国家基准样品证书》。
第四章样品审定
第十二条听取说明。
送审样品技术负责人根据《烟叶国家基准样品送审单》向审定技术组说明送审样品的等级质量情况并回答有关质疑问题。
第十三条审定投票。
审定技术组全体委员对烟叶样品逐等级投票,获得4/5以上赞成票的等级视为通过,直接签封。
获得反对票高于1/5的等级进行调整认定。
投反对票必须注明原因。
第十四条调整认定。
送审单位技术负责人按审定组调整意见调整送审样品。
具体负责此套样品的两名委员对调整过的样品逐把认定,合格的予以签封;不合格的不再签封。
第五章样品签封
第十五条通过审定的烟叶基准样品由国家标准化管理委员会认证并现场监督封签,封签规格及封签标识内容应符合相关标准。
第十六条农标委秘书处根据终审等级情况,审核各等级叶片数量,据实发放封签。
第六章技术讲评
第十七条技术讲评分为全国讲评和片区讲评,分别由审定技术组长和片区技术小组长承担。
第十八条片区讲评内容由片区技术小组成员根据各套样品的《烟叶国家基准样品送审单》、送审样品技术负责人说明、投票结果、等级调整情况,以及《烟叶国家基准样品证书》等情况进行综合整理,经片区技术小组长汇总并讲评。
第十九条全国讲评由审定技术组长根据片区讲评意见拟定,经审定技术组全体成员审议通过,受农标委委托向参加烟叶国家基准样品审定的全体代表报告。
第七章其他
第二十条烟叶国家基准样品审定结果,由农标委报请国家烟草专卖局批准发布。
第二十一条农标委秘书处记录送审样品技术负责人说明、投票结果、等级调整情况,保存《烟叶国家基准样品送审单》以及由秘书处公开发布的各种信息资料。
第二十二条各主要烟叶产区提交一套烟叶基准样品,由行业指定机构长期保存。
第二十三条本办法由中国烟叶公司负责解释。
第二十四条本办法自发布之日起实施。
附件1:
烟叶国家基准样品证书烟叶产地:样品编号:
全国烟草标准化农业分技术委员会审定
附件2:
烟叶国家基准样品送审单
送审单位:送审时间:年月日。