浆砌石衬砌渠道单元工程施工质量评定表及填表说明
- 格式:docx
- 大小:17.75 KB
- 文档页数:4
水泥砂浆砌石体单元工程施工质量验收评定表填表说明填表时必须遵守“填表基本规定”,并符合以下要求。
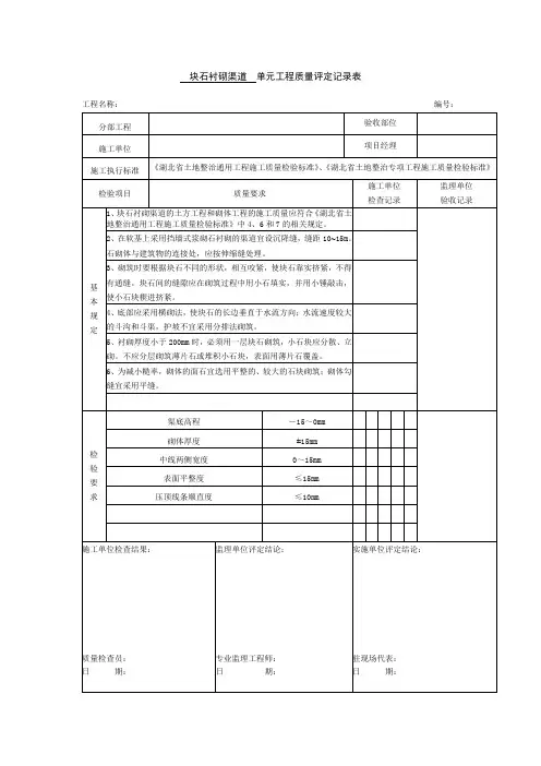
1.单元工程划分:以施工检查验收的区、段、块划分,每一个(道)墩、墙划分为一个单元工程,或每一施工段、块的一次连续砌筑层(砌筑高度一般为3~5m)为一个单元工程。
2.单元工程量:填写本单元砌石体工程量(m³)。
3.水泥砂浆砌石体施工单元工程宜分为浆砌石体层面处理、砌筑、伸缩缝3个工序,其中砌筑工序为主要工序。
本表是在表1.13.1~表1.13.3工序质量验收评定后完成。
4.单元工程施工质量验收评定应包括下列资料。
(1)施工单位应提交单元工程中所含工序(或检验项目)验收评定的检验资料;原材料、拌和物与各项实体检验项目的检验记录资料。
(2)监理单位应提交对单元工程施工质量的平行检测资料。
5.单元工程质量标准。
(1)合格标准:各工序施工质量验收评定应全部合格;各项报验资料应符合SL631—2012的要求。
(2)优良标准:各工序施工质量验收评定应全部合格,其中优良工序应达到50%及以上,且主要工序应达到优良等级;各项报验资料应符合SL631—2012的要求。
水利水电工程水泥砂浆砌石体单元工程施工质量验收评定表水泥砂浆砌石体层面处理工序施工质量验收评定表填表说明填表时必须遵守“填表基本规定”,并符合以下要求。
1.单位工程、分部工程、单元工程名称及部位填写要与表1.13相同。
2.检验(测)方法及数量。
3.工序施工质量验收评定应提交下列资料。
(1)施工单位各班(组)的初检记录、施工队复检记录、施工单位专职质检员终检记录,工序中各施工质量检验项目的检验资料。
(2)监理单位对工序中施工质量检验项目的平行检测资料。
4.工序质量标准。
(1)合格标准。
1)主控项目,检验结果应全部符合SL631—2012的要求。
2)一般项目,逐项应有70%及以上的检验点合格,且不合格点不应集中。
3)各项报验资料应符合SL631—2012的要求。
浆砌石单元工程质量评定表
注:H为墩、墙等砌筑体高度。
浆砌石单元工程质量评定表
填写说明
填表时必须遵守“填表基本规定”,并符合以下要求:
1、单元工程划分:按工程结构、部位、施工检查区、段划分,每一区、段为一单元工程。
2、单元工程量:填写砌筑单元工程量(m3)。
3、检验(检查)项目:主控项目和一般项目中有质量标准的,应进行全面检验(检查),并结合查看施工记录,必要时采用仪器实测。
检验(检查)记录栏要将检验(检查)情况简要记录下来,以便与质量标准比较,不能只填“符合要求”或“合格”,填写不下可另附。
一般项目中有允许偏差的,应均衡布置检测点,每项次不少于3点。
4、评定意见:“一般项目”后面的空格填“符合”质量标准或“基本符合”质量标准,视一般项目的“检查记录”而定。
5、单元工程质量标准
合格标准:主控项目,检验(检查)结果应全部符合本标准的要求;一般项目,检验(检查)结果基本符合质量标准和逐项应有70%及以上的检验点合格,且不合格点不应集中;各项报验资料应符合本标准要求。
优良标准:主控项目,检验(检查)结果应全部符合本标准的要求;一般项目,检验(检查)结果符合质量标准和逐项应有90%及以上的检验点合格,且不合格点不应集中;各项报验资料应符合本标准要求。
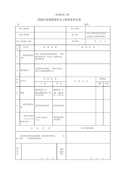
水利水电工程浆砌石体基础面单元工程质量评定表表编号:单位工程名称分部工程名称 单元工程名称、部位项保证项目次坝基及基岩面 1清理2 垫层混泥土单元工程量施工单位中水十四局关河牛栏沟水电站总承包工程项目经理部评定日期年月日质 量 标 准检 验 纪 录尖角、松动岩块和杂物已除去, 泥垢、油污冲刷干净,地下水、地表积水已 除去或封堵抗压强度未达到前, 不得在其面层上进行上层砌石的准备工作项基本项目次1铺浆混泥土垫层浇 2筑质 量 标 准质量等级检 验 纪 录合 格优 良合格 优异铺浆厚度不大于铺浆厚度 3~5cm 铺浆较平均,基 4cm ,铺浆均本无空白区匀,无空白区基本吻合规定要求 吻合规定要求坝体与岸坡连吻合规定的要 基本吻合规定的要3 接部位的垫层求与程序求与程序混泥土施工评 定 意 见 单元工程质量等级保证项目所有吻合质量标准;基本项目所有吻合 标准,此中 %项达到优异标准施建设工(监理 )单 位单位年月 日年月 日水利水电工程水泥沙浆砌石体单元工程质量评定表表编号:单位工程名称单元工程量中水十四局关河牛栏沟水电站分部工程名称施工单位总承包工程项目经理部单元工程名称、部评定日期年月日位项次工序名称工序质量等级1浆砌石体层面办理2△砌筑评定意见单元工程质量等级两个工序质量达到合格标准,此中砌筑工序质量施建设工(监理 )单位单位年月日年月日水利水电工程水泥沙浆砌石体浆砌石体层面办理工序质量评定表表单位工程名称分部工程名称单元工程名称、部位项保证项目次前一层砌体1表面项基本项目次前一层砌体1表面局部圆滑的2沙浆表面编号:单元工程量中水十四局关河牛栏沟水电站施工单位总承包工程项目经理部检验日期年月日质量标准检验纪录吻合设计与《规定》要求,无松动石块质量标准质量等级检验纪录合优合格优良格良浮渣基本除去浮渣所有除去干净,无积水干净,无积水和积渣和积渣凿毛面大于等凿毛面大于等于 80%于90%评定意见工序质量等级保证项目吻合设计规定质量标准,基本项目所有吻合质量标准,此中项优异施建设工(监理 )单位单位年月日年月日表单位工程名称分部工程名称单元工程名称、部位项保证项目次水泥沙浆的标号、配1合比2石料规格3铺浆4砌缝灌浆砌石体的密度、空隙5率、吸水率项基本项目次1沙浆沉入度水利水电工程水泥沙浆砌石体砌筑工序质量评定表编号:单元工程量施工单位中水十四局关河牛栏沟水电站总承包工程项目经理部评定日期年月日质量标准检验纪录吻合设计要乞降规范规定吻合规范要求;砌筑时石块表面洁净湿润平均,无裸露石块饱满密实,无架空吻合设计规定质量标准质量等级检验纪录合格优良合格优异总检测次数中大总检测次数中于等于70%吻合大于等于90%质量要求吻合质量要求2粗料石:15~20mm平预制块:砌缝10~15mm块石:缝20~25mm粗料石:宽20~30mm度竖预制块:缝15~20mm块石:20~40mm总检测点数中大总检测点数中于等于70%吻合大于等于90%质量要求吻合质量要求项赞同误差项目次1 轮平面2 廓高重力坝设计赞同偏测合格合格值实值率 (%)差( cm )数(点 )±4±3线程拱坝、支撑±23 坝评定建议工序质量等级保证项目吻合设计规定质量标准,基本项目所有吻合质量标准,此中项达优异标准;赞同误差实测点合格率为%施建设工(监理 )单位年月日单位年月日水利水电工程浆砌石墩(墙)单元工程质量评定表表编号:单位工程名称单元工程量分部工程名称施工单位中水十四局关河牛栏沟水电站总承包工程项目经理部单元工程名称、部评定日期年月日位项次质量标准检验纪录1浆砌石层面办理(质量标准同表)2△墩(墙)砌筑评定意见单元工程质量等级两个工序质量所有合格。
水利水电工程浆砌石体基础面单元工程质量评定表
表7.15 编号:
水利水电工程
水泥砂浆砌石体单元工程质量评定表
表7.16 编号:
水利水电工程
水泥砂浆砌石体浆砌石体层面处理工序质量评定表
表7.16-1 编号:
水利水电工程
水泥砂浆砌石体砌筑工序质量评定表
表7.16-2 编号:
水利水电工程
浆砌石墩(墙)单元工程质量评定表
表7.22 编号:
水利水电工程
浆砌石墩(墙)砌筑工序质量评定表
水利水电工程
石料质量评定表
表7.23 编号:
水利水电工程
水泥沙浆质量评定表
表7.24 编号:
水利水电工程
浆砌石砌筑开仓证
质量检验与质量评定表——砌石工程目录。