高中物理电学实验绘制小灯泡伏安特性曲线练习(含答案)
- 格式:doc
- 大小:845.50 KB
- 文档页数:9
1.有一电阻R x,其阻值大约在40 Ω~50 Ω之间,需要进一步测定其阻值,手边现有下列器材:有两种可供选择的电路,如图所示,实验要求多测几组电流、电压值,画出电流-电压关系图线。
为了实验能正常进行并尽可能减小测量误差,而且要求滑动变阻器便于调节,在实验中应该选择图所示电路,应选代号是的毫安表和代号是的滑动变阻器。
答案:乙,A2,R12.检测一个标称值为5Ω的定值电阻。
可供使用的器材如下:A.待检测定值电阻R x,全电阻约5ΩB.电流表A1,量程0.6A,内阻约0.6ΩC.电流表A2,量程3A,内阻约0.12ΩD.电压表V1,量程15V,内阻约15KΩE.电压表V2,量程3V,内阻约3KΩF.滑动变阻器R,全电阻约20ΩG.直流电源E,电动势3V,内阻不计(1)用伏安法测定R x的全电阻值,所选电流表_________(填“A1”或“A2”),所选电压表为________(填“V1”或“V2”)。
(2)画出测量电路的原理图。
答案:(1)电流表选A1,电压表选V2;(2)外接,限流;3.有一小灯泡上标有“6V 0.1A”的字样,现要测量灯泡的伏安特性曲线,有下列器材供选用:A.电压表(0~3V,内阻约2.0kΩ) B.电压表(0~l0V,内阻约3.kΩ)C.电流表(0~0.3A,内阻约3.0Ω) D.电流表(0~6A,内阻约1.5Ω)E.滑动变阻器(30Ω,2A) F.学生电源(直流9V)及开关、导线等(1)实验中所用的器材为_____________(填字母代号).(2)在方框中画出实验电路图,要求电压从0开始测量.答案:(1)BCEF(2)4.(2013合肥一模·13)A(2)提示:滑动变阻器分压式接法,电压表量程较小,所以要和定值电阻串(1)2A用外接法。
联后接入电路,电流表25.(2011合肥二模·21)6.(2012安徽·21)图为“测绘小灯伏安特性曲线”实验的实物电路图,已知小灯泡额定电压为2.5V。
第十一章电路及其应用实验:测绘小灯泡的伏安特性曲线一、单选题:1.为探究小灯泡L的伏安特性,连好如图所示的电路后闭合开关S,通过移动滑动变阻器R的滑片,使小灯泡中的电流由零开始逐渐增大,直到小灯泡正常发光.由电流表和电压表得到的多组读数,描绘出的U-I 图象应是图中的()答案C解析由小灯泡灯丝的电阻随温度的升高而增大知图C正确.2.以下给出几种电学元件的电流与电压的关系图象,如图所示,下列说法中正确的是()A.这四个图象都是伏安特性曲线B.这四种电学元件都是线性元件C.①①是线性元件,①①是非线性元件D.这四个图象中,直线的斜率都表示了元件的电阻【解析】伏安特性曲线是以I为纵轴、U为横轴的,所以A错误.线性元件并不只是说I-U图象是直线,而必须是过原点的直线,所以①①是线性元件,①①是非线性元件,B错误,C正确.在U-I图象中,过原点的直线的斜率才是导体的电阻.【答案】C3.某同学做三种导电元件的导电性质实验,根据所测数据分别绘制了三种元件的I-U图象如图甲、乙、丙所示,则下列判断正确的是()甲乙丙A.只有乙正确B.甲、丙图曲线肯定是误差太大C.甲、丙不遵从欧姆定律,肯定是不可能的D.甲、乙、丙三图象都可能正确,并不一定有较大的误差【解析】本题的伏安特性曲线是I-U图象,图象中某点与原点连线的斜率的倒数表示导体在该状态下的电阻,图甲反映元件的电阻随电压的升高而减小,是非线性元件;图乙反映元件的电阻不随电压的变化而变化,是线性元件;图丙反映元件的电阻随电压的升高而增大,说明元件类似于小灯泡,综上所述,三种图象都有可能,故D对.【答案】D4.用伏安法测电阻R,按图中甲图测得的结果为R1,按乙图测得为R2,若电阻的真实值为R,则()甲乙A.R1>R>R2B.R1<R<R2C.R>R1,R>R2D.R1=R=R2【解析】用内接法测电阻有R1>R,用外接法测电阻有R2<R,所以R1>R>R2,选项A正确.【答案】A二、多选题5.如图所示是电阻R的I-U图象,图中α=45°,由此得出()A.通过电阻的电流与两端电压成正比B.电阻R=0.5 ΩC.因I-U图象的斜率表示电阻的倒数,故R=1/tan α=1.0 ΩD .在R 两段加上6.0 V 的电压时,每秒通过电阻横截面的电荷量是3.0 C【解析】 由I -U 图象可知,图线是一条过原点的倾斜直线,即I 和U 成正比,A 正确;而电阻R =U I =105Ω=2 Ω,B 错误;由于纵横坐标的标度不一样,故不能用tan α计算斜率表示电阻的倒数,C 项错误;在R 两端加上6.0 V 电压时I =U R =6.02 A =3.0 A ,每秒通过电阻横截面的电荷量q =It =3.0×1 C =3.0 C ,选项D 正确.【答案】 AD6.如图所示是某导体的伏安特性曲线,由图可知正确的是( )图2-3-19A .导体的电阻是25 ΩB .导体的电阻是0.04 ΩC .当导体两端的电压是10 V 时,通过导体的电流是0.4 AD .当通过导体的电流是0.1 A 时,导体两端的电压是2.5 V 【解析】 由图象可知,导体的电阻: R =U I =50.2Ω=25 Ω,当电压U 1=10 V 时,电流I =U 1R =1025 A =0.4 A ,当电流I 2=0.1 A 时,电压U 2=I 2R =0.1×25 V =2.5 V . 【答案】 ACD7.一个标有“220 V 60 W”的白炽灯泡,加上的电压由零逐渐增大到220 V ,在此过程中,电压U 和电流I 的关系可用图线表示,如图所示,肯定不符合实际的是( )【解析】 灯泡的电阻受温度的影响,不同电压下温度不同,其电阻也不同,随温度的升高电阻增大,所以本题选A 、B 、D.【答案】 ABD8.某导体中的电流随其两端的电压的变化图象如图所示,则下列说法中正确的是( )A .加5 V 的电压时,导体的电阻约是5 ΩB .加11 V 的电压时,导体的电阻约是1.4 ΩC .由图可知,随着电压增大,导体的电阻不断减小D .由图可知,随着电压减小,导体的电阻不断减小 【解析】【答案】 AD9.(多选)白炽灯接在220 V 电源上能正常发光,将其接在一可调电压的电源上,使电压从0 V 逐渐增大到220 V ,则下列说法正确的是( )A .电流将逐渐变大B .电流将逐渐变小C .每增加1 V 电压而引起的电流变化量是相同的D .每增加1 V 电压而引起的电流变化量是减小的【解析】 随着电压U 的增大,由I =UR 知,电流将逐渐变大,A 选项正确.随着电流、电压的增大,灯泡的亮度增大,灯丝温度升高.金属的电阻率随温度的升高而增大,所以灯丝的电阻值增大.根据欧姆定律I =U R ,在I -U 图象中,由于R 在增大,斜率k =1R 减小.其I -U 图象如右图所示.由图象可知,每增加1 V 的电压引起的电流变化量是减小的.【答案】 AD 三、非选择题10.在“测绘小灯泡的伏安特性曲线”实验中,选择“3 V 0.5 A”的小灯泡作为研究对象,请回答下面几个问题:(1)下列实验器材中应选择________.(填入器材序号) A .电流表(量程0~0.6 A, 内阻约1 Ω) B .电流表(量程0~3 A ,内阻约1 Ω)C.电压表(量程0~15 V,内阻约10 kΩ)D.电压表(量程0~3 V,内阻约2 kΩ)E.滑动变阻器(阻值0~100 Ω)F.滑动变阻器(阻值0~10 Ω)G.电源E=6 VH.开关S,导线若干(2)在本实验中,滑动变阻器应采用________(填“分压”或“限流”)式接法,电流表应采用________(填“内”或“外”)接法.(3)在虚线方框中画出实验电路图,并用笔画线代替导线,将图5中的器材连接成可供实验的电路.答案(1)ADFGH(2)分压外(3)见解析图解析(1)灯泡额定电流为0.5 A,电流表选择A;灯泡额定电压为3 V,电压表选择D;为方便实验操作,滑动变阻器应选择F;实验还需要电源、开关与导线,故需要的实验器材为:ADFGH;(2)“测绘小灯泡的伏安特性曲线”要求电压与电流从零开始变化,滑动变阻器应采用分压式接法;由于灯泡电阻远小于电压表内阻,电流表应采用外接法;(3)实验电路图如图甲所示:根据电路图连接实物电路,实物电路如图乙所示:11.在“测绘小灯泡的伏安特性曲线”的实验中,实验室中所用小灯泡的规格为“3 V,1.5 W”, (1)某实验小组连接的实物图如图6甲所示,图中滑动变阻器应选用________(选填“A”或“B”); A .滑动变阻器 (10 Ω,1 A) B .滑动变阻器 (1 kΩ,300 mA)(2)通过调节滑动变阻器,得到多组电压表和电流表的示数如下表所示,当电压表的示数为1.0 V 时,电流表的示数如图乙所示,则电流表的示数为________ A ;此时小灯泡的电阻约为________ Ω.(3)根据表中数据,在如图丙所给方格纸中描点并作出该灯泡的伏安特性曲线. (4)图线表明小灯泡灯丝电阻随温度的升高而________. 答案 (1)A (2)0.30 3.3 (3)见解析图 (4)增大解析 (1)测量小灯泡的伏安特性曲线,需要电压从零开始调节,所以电路采用分压式接法,为了方便调节,滑动变阻器选择总阻值较小的A.(2)根据题图乙可知,电流表示数为0.30 A ,R =U I =1.00.30 Ω≈3.3 Ω.(3)根据表中数据进行描点做图如下:(4)图线表明灯丝电阻随温度升高而增大.12.有一个额定电压为2.8 V ,功率约为0.8 W 的小灯泡,现要用伏安法描绘这个灯泡的I -U 图象,有下列器材供选用:A .电压表(0~3 V ,内阻6 kΩ)B .电压表(0~15 V ,内阻30 kΩ)C .电流表(0~3 A ,内阻0.1 Ω)D .电流表(0~0.6 A ,内阻0.5 Ω)E .滑动变阻器(10 Ω,2 A)F .滑动变阻器(200 Ω,0.5 A)G .直流电源(电动势4.5 V ,内阻不计)(1)用如图7甲所示的电路进行测量,电压表应选用________,电流表应选用________,滑动变阻器应选用________.(用序号字母表示)(2)通过实验测得此灯泡的伏安特性曲线如图乙所示,由图象可求得此灯泡在正常工作时的电阻为________ Ω.(3)若将此灯泡与输出电压恒为6 V 的电源相连,要使灯泡正常发光,需串联一个阻值为________ Ω的电阻.(结果保留3位有效数字) 答案 (1)A D E (2)10 (3)11.4解析 (1)由题意可知,灯泡的额定电压为2.8 V ,则电压表的量程应大于2.8 V ,故电压表应选3 V 量程,选A ;由P =UI 可得,电流I =P U =0.82.8 A≈0.29 A ,故电流表应选D ;由电路图可知,要使电压从零开始调节,应采用分压式接法,滑动变阻器应选小电阻便于调节,故滑动变阻器选E.(2)由灯泡的伏安特性曲线图可知,当电压为2.8 V 时,电流为0.28 A ,故电阻:R =U I =2.80.28Ω=10 Ω.(3)要使灯泡串联在6 V的电源上正常发光,则与之串联的电阻分压应为6 V-2.8 V=3.2 V;此时电路中电流为0.28 A,故应串联的电阻:R′=3.20.28Ω≈11.4 Ω.13.一个小灯泡上标有“4 V0.5 A”的字样,现在要用伏安法描绘这个灯泡的I-U图线.有下列器材可供选择:A.电压表(0~5 V,内阻约10 kΩ)B.电压表(0~15 V,内阻约20 kΩ)C.电流表(0~3 A,内阻约1 Ω)D.电流表(0~0.6 A,内阻约0.4 Ω)E.滑动变阻器(10 Ω,2 A)F.滑动变阻器(500 Ω,1 A)G.电源(直流6 V)、开关、导线若干图2(1)实验时,选用图2中________(填“甲”或“乙”)电路图来完成实验,请说明理由:________________________________________________________________________.(2)实验中所用电压表应选______,电流表应选______,滑动变阻器应选________.(用字母序号表示)(3)把图3所示的实验器材用实线连接成实物电路图.图3答案(1)甲描绘灯泡的I-U图线所测数据需从零开始,并要多取几组数据(2)A D E(3)如图所示14.(1)图4甲为某同学在做“测绘小灯泡的伏安特性曲线”的实验过程中完成的部分电路连接的情况,请你帮他完成其余部分的线路连接.(用笔画线表示对应的导线)图4(2)如果某次实验测得小灯泡两端所加电压如图乙所示,U =________ V ;请结合图线丙算出此时小灯泡的电阻是________ Ω(结果保留三位有效数字). 答案 (1)见解析 (2)2.30 11.5解析 (1)描绘小灯泡的伏安特性曲线,电压与电流应从零开始变化,滑动变阻器应采用分压式接法,由于小灯泡的电阻较小,采用电流表外接法,如图所示:(2)电压表量程为3 V ,由题图乙所示电压表可知,其分度值为0.1 V ,示数为2.30 V ,由题图丙所图象可知,2.30 V 对应的电流为0.20 A ,此时灯泡电阻为:R =U I =2.300.20Ω=11.5 Ω.15.做“测绘小灯泡的伏安特性曲线”实验,要求采用分压电路,电流表外接.小王的连接如图5甲所示,闭合开关S 前请老师检查,老师指出图中标示的①、①两根连线有一处错误,错误连线是________(填“①”或“①”);图中标示的①、①和①三根连线有一处错误,错误连线是________(填“①”“①”或“①”).小王正确连线后,闭合开关S 前,应将滑动变阻器滑片C 移到________处(填“A ”或“B ”).闭合开关S ,此时电压表读数为________V .缓慢移动滑片C 至某一位置时,电流表指针如图乙所示,电流表的示数为________A.图5答案①①A00.32解析本实验的电路图如下:应该采用分压式、外接法,所以①、①两根导线有问题.实验开始时为了保证实验仪器的正常使用,需要将C拨到最左端,即A处,开关闭合后,电压表读数为0 V.题图乙中电流表的读数为0.32 A.16.在学校实验室中测绘一只“2.5 V,0.5 W”小灯泡的伏安特性曲线,实验室备有下列实验器材:A.电压表V(量程0~3 V~15 V,内阻很大)B.电流表A(量程0~0.6 A~3 A,内阻约为1 Ω)C.变阻器R1(0~10 Ω,0.6 A)D.变阻器R2(0~2 000 Ω,0.1 A)E.电池组E(电动势为3 V,内阻约为0.3 Ω)F.开关S,导线若干图6(1)实验中应选用的滑动变阻器为________________;(填写序号)(2)在实验时小杰同学采用了如图6甲所示的实物电路,并且准备合上开关开始测量.则具体实验操作前该电路存在错误或需改进的地方有______________;_________________.(请写出两处)(3)在改正电路需改进之处后,小杰同学进行了实验,电流表示数比小灯泡中实际通过的电流________;(填“偏大” “偏小”或“相等”)(4)图乙是改进后的实验中得到的I-U图象,若I-U图象中的虚线①或①表示小灯泡真实的伏安特性曲线,与实验中得到的实线相比,虚线________(填“①”或“①”)才是其真实的伏安特性曲线.答案(1)C(2)电流表应外接电流表量程太大滑线变阻器滑片应置于左端(任选两处)(3)偏大(4)①17.如图是小组同学在做“测绘小灯泡的伏安特性曲线”实验的实物连接图.图7图8(1)根据图7在虚线框中画出实验电路图;(2)调节滑动变阻器得到了两组电流表与电压表的示数如图8中的①、①、①、①所示,电流表量程为0.6 A,电压表量程为3 V.读数为:①________、①________、①________、①__________.两组数据得到的电阻分别为________和________.答案见解析解析 (1)由实物连接图可知电路图如图所示.(2)电流表量程为0.6 A 时,最小刻度为0.02 A ,读数读到小数点后两位,所以①表示数为0.10 A ,①表示数为0.24 A ;电压表量程为3 V ,最小刻度为0.1 V ,应估读到0.01 V ,所以①表示数为2.00 V ,①表示数为0.28 V .灯泡两端电压小,电流就小,故①①为同一组数据,①①为另一组数据,根据欧姆定律R 1=U 1I 1=2.00 V 0.24 A ≈8.3 Ω,R 2=U 2I 2=0.280.10Ω=2.8 Ω.。
二、描绘小灯泡的伏安特性曲线1.某同学用伏安法测绘一额定电压为6 V,额定功率为3 W的小灯泡的伏安特性曲线,实验所用电压表内阻约为6 kΩ,电流表内阻约为1.5 Ω。
实验中有图(a)和(b)两个电路图供选择。
(1)实验中得到的电流I和电压U的关系曲线如图(c)所示,该同学选择的电路图是图(______)(填“a”或“b”)。
(2)若选择另一个电路图进行实验,在答题卡所给图上用实线画出实验中应得到的I U-关系曲线的示意图。
2.某实验小组的同学计划描绘小灯泡的伏安特性曲线,实验室提供了如下实验器材。
A.标有“12 V 6 W”的小灯泡B.电流表A(量程为300μA,内阻为200Ω )C.电压表V(量程为3 V,内阻为kΩ3 )D.电阻箱1(0999.9Ω)R~E.电阻箱2(09999.9Ω)R~F.滑动变阻器3R(0~5Ω ,允许通过的最大电流为5 A)G.滑动变阻器4R(0~50Ω ,允许通过的最大电流为0.01 A)H.电源E(电动势为15 V,内阻较小)I.单刀单掷开关一个、导线若干(1)为了完成实验,需将电流表改装成量程为0.6 A 的电流表,则电阻箱1R 应调为______Ω,若将电压表的量程扩大到12 V ,则电阻箱2R 应调为______Ω;滑动变阻器应选择(填实验器材前的字母序号)。
(2)为了描绘小灯泡的伏安特性曲线,该小组的同学设计了如图所示电路,其中X 为______,Y 为______。
(填实验器材前的字母序号)(3)某次实验时,电流表的读数为180μA ,电压表的读数为2.07 V ,此时小灯泡L 的阻值为_______Ω。
(结果保留3位有效数字)3.某同学要描绘一个标有“3 V 0.6 W”小灯泡的伏安特性曲线,有下列器材可供选择A.电池组(电动势4.5 V ,内阻约为1 Ω);B.电压表(量程为0~15 V ,内阻约为3 kΩ);C.电流表1A ,量程为0~20 mA ,内电阻120Ωr =;D.电流表2A ,量程为0~300 mA ,内电阻28Ωr ≈;E.定值电阻0R ,阻值为180 Ω;F.滑动变阻器1R (最大阻值20 Ω,额定电流1 A );G.滑动变阻器2R (最大阻值2000 Ω,额定电流0.3 A );H.开关一个、导线若干。
5描绘小电珠的伏安特性曲线(高考物理电学实验)组卷老师:莫老师一.实验题(共34小题)1.二极管具有单向导电性,现要测绘二极管正向导通过的伏安特性曲线.已知实验使用的二极管正向导通时允许通过的电流最大为5.0×10﹣2A.(1)若二极管的标识看不清了,我们首先用多用电表的电阻挡来判断它的正、负极:当将红表笔接触二极管左端、黑表笔接触二极管右端时,发现指针的偏角比较大,当交换表笔再次测量时,发现指针偏转很小.由此可判断二极管的(填“左”或“右”)端为正极.(2)为了描绘该二极管的伏安特性曲线,测量数据如下表:实验探究中可选器材如下:A.直流电源(电动势3V,内阻不计);B.滑动变阻器(0~20kΩ);C.电压表(量程3V、内阻约30kΩ)D.电压表(量程15V、内阻约80kΩ)E.电流表(量程50mA、内阻约50kΩ)F.电流表(量程0.6A、内阻约1Ω)G.待测二极管;H.导线、开关.为了提高测量精度,电压表应选用,电流表应选用.(填序号字母)(3)依据实验中测量数据在坐标纸上画出该二极管的伏安特性曲线如图所示,我们将该二极管与阻值为50kΩ的定值电阻串联后接到电压为3V的恒压电源两端,使二级管正向导通,则二极管导通过时的功率为W.2.某同学在做完“描绘小灯泡的伏安特性曲线”后,又对一个标有“6V 3.5W”小电风扇电动机(线圈电阻恒定)的伏安特性曲线进行了研究,同研究小灯泡一样,要求电风扇电动机两端的电压能从零逐渐增加到6V,实验室备有下列器材:A.电流表(量程I:0~0.6A,内阻约为1Ω;量程II:0~3A,内阻约为0.1Ω)B.电压表(量程为0~6V,内阻几千欧)C.滑动变阻器R1(最大阻值10Ω,额定电流2A)D.滑动变阻器R2(最大阻值1750Ω,额定电流0.3A)E.电池组(电动势为9V,内阻小于1Ω)F.开关和导线若干(1)实验中所用的滑动变阻器应选(填“C”或“D”),电流表的量程应选(填“I”或“II”)。
《描绘小灯泡的伏安特性曲线》习题精选1、在“描绘小灯泡的伏安特性曲线”的实验中,有以下器材:A .小灯泡L(3V,0.6A)B .滑动变阻器R(0〜10 Q)C .电压表V i(O〜3V)D .电压表V2(0〜15V)E. 电流表A i(0〜0.6A)F .电流表A2(0〜3A)G •铅蓄电池、开关各一个,导线若干(1) 为了减小误差,实验中应选电流表 __________,电压表 _____________(2) 在图虚线框内按要求设计实验电路图.(3) (2009浙江理综)如图甲所示,在实验中,同I完成部分导线的连接,请你在实物接线图中完成余; I连接.I(4) (2009天津理综)连好图示的电路后闭合开动变阻器的滑片,使小灯泡中的电流由零开始逐渐小灯泡正常发光,由电流表和电压表得到的多组读U —I图象应是()L . __ ______ _ ___ 1__________ __ ______ 」〖答案〗:(1)因灯泡(3V.0.6A),故电流表选E(0〜0.6A),电压表选C(0〜3V). (2)电路图略.(3)因为小灯泡的电阻远小于电压表内阻,所以在用外接法,需要测量多组数据和描绘图象,需要电压从0开始调节,所以为分压电流表外接法(4)C:小灯泡的电阻随温度的升高逐渐增大,所以U —I图象中的斜率也要逐渐增大,C项正确.2、发光二极管是目前很多电器的指示灯的电子元件,在电路中符号是.只有电流从标有“ + ”号的一端流入,从标有“一”号的一端流出时,它才能发光,这时可将它视为一个纯电阻. 现有某厂家提供的某种型号的发光二极管的伏安特性曲线如图所示.(1) 已知该型号的发光二极管的正常工作电压为 2.0 V若用电动势为12V,内阻可以忽略不计的直流电源供电,为使该二极管正常工作,需要在电源和二极管之间串联一只阻值为________ Q 的定值电阻.(2) 已知该型号的发光二极管允许通过的最大电流为56mA请用实验证明这种元件的伏安特性曲线与厂家提供的数据是否一致.可选用的器材有:待测发光二极管直流电源E(电动势4.5 V,内阻可以忽略不计)滑动变阻器尺最大阻值为200 Q )电压表V i(量程10V,内阻约50k Q )电压表V2(量程5V,内阻约20k Q )电流表A i(量程100mA内阻约50 Q )电流表A(量程60mA内阻约100Q )开关S、导线若干为准确、方便地进行检测,电压表应选用___________ 电流表应选用___________ .(填字母符号)(3)画出利用(2)中器材设计的实验电路图.答案:(1)500 (2)V2 A2 (3)如图所示解析:(1)由二极管的伏安曲线读出电源为2V时的电流为20mA,再由欧姆定律计算所加的电阻为500Q.(3)因要测量二极管的工作曲线,则电压应可取得从零开始一系列值,变阻器采用分压接法,二极管的电阻和电流表内阻相比,则应采用电流表外接法.3. (2009 •江西师大附中)在做“描绘小灯泡的伏安特性曲线”实验中,采用的仪器有:电源E(电动势6V,内阻不计);额定电压4.0V的小灯泡L;电流表A量程0.6A,内阻约2Q );电压表V(量程5V,内阻约15k Q );滑动变阻器R(最大阻值15Q);开关S,导线若干•实验中要求加在小灯泡上的电压从零到小灯泡的额定电压连续可调.(1)在做实验时,构成的实物电路如图所示:请指出实物电路中的错误之处:n ________________________________________ .(2)请在虚线方框中画出实验所用的正确电路原理图.(3)如图所示为某同学根据正确的实验电路图所测的几组数据画出的I-U 图象,图象是一条曲线而不是直线的原因是_____________________________ ;从图象中可求得小灯泡正常发光时的电阻是______ Q.答案:(1)I :电流表没有接成外接电路n :滑动变阻器没有接成分压电路(2)见图(3)灯丝电阻随温度而改变10 0(9.5到10.5Q之间都给分)4•要描绘某电学元件(最大电流不超过6mA最大电压不超过7V)的伏安特性曲线,设计电路如图甲•图中定值电阻R为1k Q,用于限流;电流表?量程为10mA内阻约为5Q;电压表(未画出)量程为10V.内阻约为10k Q ;电源电动势E为12V,内阻不计.(1)实验时有两个滑动变阻器可供选择;a. 阻值0〜200Q,额定电流0.3 Ab. 阻值0〜20 Q,额定电流0.5 A本实验应选用的滑动变阻器是_______ (填“ a或b”).(2)正确接线后,测得数据如下表:①根据以上数据,电压表是并联在M与 ____________________________ 之间的(填“O'或“P”)②根据以上数据,在图乙中画出该元件的伏安特性曲线.⑶在图丙中画出待测元件两端电压5随MN间电压U MN变化的示意图.(无需数值)答案:(1)a ⑵①P②如图(a)所示(3)如图(b)所示解析:因为电源电动势为12V,若选用b,则通过滑动变阻器的电流为0.6A.大于允许通过的最大电流,故滑动变阻器应选 a.由电学元件的最大电流和最大电压可估测出该元件的电阻较大,而电流表内阻约为5Q,电压表内阻约为10k Q,所以电流表应采用内接法,即电压表并联在M和P之间.5、(2019上海静安一模).(8分)太阳能是一种“绿色”能源。
专题02 描绘小灯泡伏安特性曲线1.(2017河南部分重点中学联考)二极管是一种半导体元件,它的符号为其特点是具有单向导电性,即电流从正极流入时电阻比较小,而从负极流入时电阻比较大(1)某课外兴趣小组想要描绘某种晶体二极管的伏安特性曲线,因二极管外壳所印的标识模糊,为判断该二极管的正、负极,他们用多用电表电阻挡测二极管的正、反向电阻;其步骤是:将选择开关旋至合适倍率,进行欧姆调零,将黑表笔接触二极管的左端,红表笔接触右端时,指针偏角比较小;然后将红、黑表笔位置对调后再进行测量,指针偏角比较大,由此判断右端为二极管的正极(选填“左”、“右”);(2)厂家提供的伏安特性曲线如图;为了验证厂家提供的数据,该小组对加反向电压时的伏安特性曲线进行了描绘,可选用的器材有:A.直流电源E:电动势5V,内阻忽略不计;B.直流电源E:电动势7V,内阻忽略不计;C.滑动变阻器R:0﹣20Q;D.电压表V1:量程45V,内阻约500kΩ;E.电压表V2:量程3V,内阻约20kΩ;F.电流表uA:量程300uA,内阻约400a;G.电流表mA:量程50mA,内阻约5Ω;H.待测二极管D;I.单刀单掷开关H,导线若干①为了提高测量结果的准确度,选用的器材BCDFHI (填序号字母)②为了达到测量目的,请在答题卡上虚线框内画出正确的实验电路原理图;(图在答题卡上)③为了保护二极管,反向电压不要达到40V,请你对本实验的设计或操作提出一条合理的建议:在二极管支路串入一阻值合适的分压电阻起保护作用..【参考答案】(1)右;(2)①BCDFHI;②电路如图;③在二极管支路串入一阻值合适的分压电阻起保护作用.2.(9分)(2017成都一模)在“描绘小灯泡的伏安特性曲线”的实验中,除小灯泡L“3.8 V、0.3 A”外,可供选择的实验仪器如下:A.电压表V:量程0~3 V,内阻约6 kΩ,B.电流表A1:量程0—4 mA,内阻100 ΩC.电流表A2:量程0—300 mA,内阻约5 ΩD.滑动变阻器R1:最大阻值10 Ω,额定电流l .0AE.滑动变阻器R2:最大阻值5 Ω,额定电流0.5 AF.定值电阻R3:阻值2 kΩG.定值电阻R4:阻值900 ΩH.直流电源E:电动势约6V,内阻约0.5ΩI.开关S一个,导线若干(1)先将表(填元件前的序号字母)与电阻(填元件前的序号宁母)(填“串联”或“并联”),将其改为量程4V的电压表。
1.在用电压表和电流表研究小灯泡在不同电压下的功率的实验中,实验室备有下列器材供选择:A.待测小灯泡“3.0 V、1.5 W”B.电流表(量程3 A,内阻约为1 Ω)C.电流表(量程0.6 A,内阻约为5 Ω)D.电压表(量程3.0 V,内阻约为10 kΩ)E.电压表(量程15.0 V,内阻约为50 kΩ)F.滑动变阻器(最大阻值为100 Ω,额定电流50 mA)G.滑动变阻器(最大阻值为10 Ω,额定电流1.0 A)H.电源(电动势为4.0 V,内阻不计)I.电键及导线等(1)为了使实验完成的更好,电流表应选用________;电压表应选用________;滑动变阻器应选用________.(只需填器材前面的字母即可)(2)请在虚线框内画出实验电路图.图7-5-5(3)某同学在一次测量时,电流表、电压表的示数如图7-5-5所示.则电压值为________ V,电流值为________ A,小灯泡的实际功率为________ W.解析:待测小灯泡“3.0 V、1.5 W”,额定电流0.5 A,额定电压为3 V,因此电流表选C,电压表选D,滑动变阻器采用分压式接法较准确,滑动变阻器选G,小灯泡电阻很小,电流表外接.答案:(1)C D G(2)如解析图所示(3)1.800.330.592.在“描绘小灯泡的伏安特性曲线”的实验中,可供选择的实验仪器如下:小灯泡L,“3.8 V、0.3 A”电压表V,量程0~5 V,内阻5 kΩ电流表A1,量程0~100 mA,内阻4 Ω电流表A 2,量程0~500 mA ,内阻0.4 Ω滑动变阻器R 1,最大阻值10 Ω,额定电流1.0 A滑动变阻器R 2,最大阻值5 Ω,额定电流0.5 A直流电源E ,电动势约为6 V ,内阻约为0.5 Ω(1)在上述器材中,滑动变阻器应选 ;电流表应选 .(2)在虚线框内画出实验的电路图,并在图中注明各元件的符号。
(3)某实验小组完成实验后利用实验中得到的实验数据在I -U 坐标系中,描绘出如图所示的小灯泡的伏安特性曲线.根据此图给出的信息,可以判断下图中正确的是(图中P 为小灯泡的功率)( )解析:(1)本题变压器采用分压接法,通常应当选用最大阻值小的滑动变阻器,但本题中如果选用R 2,则电路中的电流会超过R 2允许通过的最大电流,故滑动变阻器应当选择R 1.电流表A 1的量程太小,故电流表应当选择A 2.(2)电路如右图所示,由于电压要从0开始测量,滑动变阻器用分压接法;因为灯泡的内阻比较小,电流表用外接法.(3)随着通过小灯泡电压电流的增大,小灯泡消耗的功率增大,小灯泡的电阻也增大,由P =U 2R 知B 图正确,由P =I 2R 知D 图正确.答案:(1)R 1 A 2 (2)电路图如解析图所示 (3)BD3.有一个小灯泡上标有“4 V 、2 W ”的字样,现在要用伏安法描绘这个灯泡的I —U 图线.现有下列器材供选用:A .电压表(0~5 V ,内阻10 kΩ)B .电压表(0~15 V ,内阻20 kΩ)C .电流表(0~3 A ,内阻1 Ω)D .电流表(0~0.6 A ,内阻0.4 Ω)E .滑动变阻器(10 Ω,2 A)F .滑动变阻器(500 Ω,1 A)G .学生电源(直流6 V)、开关、导线若干(1)实验时,选用图7-5-10中甲而不选用图乙的电路图来完成实验,请说明理由:________________________________________________________________________.图7-5-10(2)实验中所用电压表应选________,电流表应选用________,滑动变阻器应选用________.(用序号字母表示)(3)把图7-5-11中所示的实验器材用实线连接成实物电路图.图7-5-11解析:因实验目的是要描绘小灯泡的伏安特性曲线,需要多次改变小灯泡两端的电压,故采用A图所示的分压式电路合适,这样电压可以从零开始调节,且能方便地测多组数据.因小灯泡额定电压为4 V,则电压表选0~5 V的A而舍弃0~15 V的B,因15 V的量程太大,读数误差大,小灯泡的额定电流I=0.5 A,则电流表只能选D.滑动变阻器F的最大阻值远大于小灯泡内阻8 Ω,调节不方便,电压变化与变阻器使用部分的长度线性关系差,故舍去.小灯泡内阻为电流表内阻的80.4=20倍,电压表内阻是小灯泡的10×1038=1 250倍,故电流表采用了外接法.答案:(1)描绘灯泡的I—U图线所测数据需从零开始,并要多取几组数据(2)A D E (3)如下图所示.。
实验七测绘小灯泡的伏安特性曲线1.(2016·10月浙江选考)“测绘小灯泡的伏安特性曲线”实验,要求采用分压电路,电流表外接.小王的连线如图1所示,闭合开关S前请老师检查,老师指出图中标示的①、②两根连线有一处错误,错误连线是 (填“①”或“②”);图中标示的③、④和⑤三根连线有一处错误,错误连线是 (填“③”“④”和“⑤”).小王正确连线后,闭合开关S前,应将滑动变阻器滑片C移到 处(填“A”或“B”).闭合开关S,此时电压表读数为 V.缓慢移动滑片C至某一位置时,电流表指针如图2所示,电流表的示数为 A.解析:本实验的电路图如下:应该采用分压式、外接法,所以①、④两根导线有问题.实验开始时为了保证实验仪器的正常使用,需要将C拨到最左端,即A处,开关闭合后,电压表读数为0.图2中电流表的读数为0.32 A.答案:① ④ A 0 0.322.(2019·丽水调研)某学习小组要描绘一个标有“3.6 V 1.2 W”的小灯泡的伏安特性曲线,除了导线和开关外,还有下列器材可供选择:直流电源E(电动势4.5 V,内阻不计)电压表V(量程5 V,内阻约为5 kΩ)电流表A1(量程350 mA,内阻约为1 Ω)电流表A 2(量程150 mA ,内阻约为2 Ω)滑动变阻器R 1(阻值0~200 Ω)滑动变阻器R 2(阻值0~10 Ω)(1)实验中电流表应选 ,滑动变阻器应选 ;(填写器材代号)(2)如图所示,以下的四个电路中应选用 进行实验.解析:(1)灯泡的规格为“3.6 V 1.2 W”,则灯泡的额定电流I = A =333 mA ,灯泡的13电阻R x =10.8 Ω,观察所给器材的规格,电流表应该用量程为350 mA 的A 1,测量灯泡的伏安特性曲线,小灯泡的电压和电流需要从零调起,所以滑动变阻器应该用分压式接法,所以用R 2.(2)据R =10.82<R A R V=5 000,所以电流表应用外接法,所以实验电路要选择A 图.2x 答案:(1)A 1 R 2 (2)A3.(2019·台州测试)某同学在“描绘小灯泡的伏安特性曲线”实验中,所用小灯泡的规格为“2.5 V ,0.3 A”.(1)用实验室的“高中学生电源”作为电源,应该选用图甲中 (选填“稳压2 A ”或“交流3 A”)的两个接线柱.(2)滑动变阻器应该选 [选填“R 1(5 Ω,2 A )”或“R 2(50 Ω,1 A )”].(3)小潘同学连接电路之后,合上开关(如图乙所示),移动滑动变阻器,灯泡发光、电流表和电压表都有正示数.但同桌指出还有一处错误,这错误是 W.(4)实验结束之后,他描绘了如图丙所示的伏安特性曲线,老师一看就判定是错误,老师判定的依据是_____________________________________________________.答案:(1)稳压2 A (2)R1(5 Ω,2 A)(3)电流表没有外接(4)电压增大电阻应增大,此图电压增大,电阻减小了。
第二章恒定电流3 欧姆定律第二课时实验:测灯泡的伏安特性曲线1.为探究小灯泡L的伏安特性,连好图示的电路后闭合开关,通过移动变阻器的滑片,使小灯泡中的电流由零开始逐渐增大,直到小灯泡正常发光,由电流表和电压表得到的多组读数描绘出的U-I 图象应是()解析:由于小灯泡灯丝的电阻随温度的升高而增大,随着灯泡两端电压逐渐增大,灯丝温度逐渐升高,其电阻逐渐增大,则在U-I 图象中斜率应逐渐增大,故选项C正确.答案:C2.以下是“描绘小灯泡的伏安特性曲线”实验的操作步骤.A.闭合开关,记下电压表、电流表的一组示数(U,I),移动滑动变阻器的滑片位置,每移动一次记下一组(U,I)值,共测出12组左右的数据,B.将电流表、电压表、滑动变阻器、灯泡、电源、开关正确连接成电路,电流表外接,滑动变阻器采用分压式接法,如图所示.C.调节滑片位置,使闭合开关前滑片处于滑动变阻器的最左端.D.按所测数据,在坐标纸上描点并将各点用直线连接起来,得出小灯泡的伏安特性曲线.(1)以上各步骤中存在错误或不足的是________.(2)将各步骤纠正后,按实验先后顺序排列起来________.解析:A步骤中测量不同电压下的电流值时,应先预设各组数据中的电压值或电流值,而不是随意测,随意测会使描点疏密不均匀,画图线时出现较大误差,甚至无法画出I-U图线;C步骤中闭合开关前应使灯泡两端电压为零,即滑片应置于变阻器最右端;D步骤中应将各点用平滑的曲线连接起来.答案:(1)ACD(2)BCAD3.测定小灯泡“6 V 3 W”的伏安特性曲线,要求实验中小灯泡两端的电压从零开始连续可调.供选择的器材有:电压表○V(量程6 V,内阻20 kΩ),电流表(量程3 A,内阻0.2 Ω),电流表(量程0.6 A,内阻1 Ω),变阻器R1(0~100 Ω,0.5 A),变阻器R2(0~20 Ω,0.2 A),学生电源E(6 V~8 V)、开关及导线若干.选择出符合实验要求的实验器材并设计出实验电路.解析:由题意知小灯泡的额定电流I=PU=0.5 A,为准确测量电流,应选用电流表.为了最终能较准确地画出伏安特性曲线,必须多测几组I、U数据,要求小灯泡两端电压必须从零开始连续可调,限流电路难以满足要求,因此必须采用滑动变阻器的分压式接法.若将R2接入电路,则通过它的电流为0.3 A~0.4 A,大于它的额定电流,故应选变阻器R1,实验电路如图所示.4.在“测绘小灯泡的伏安特性曲线”的实验中,使用的小灯泡为“6 V 3 W”,其他可供选择的器材有:电压表V1(量程6 V,内阻20 kΩ)电压表V2(量程20 V,内阻60 kΩ)电流表A1(量程3 A,内阻0.2 Ω)电流表A2(量程0.6 A,内阻1 Ω)变阻器R1(0~1 000 Ω,0.5 A)变阻器R2(0~20 Ω,0.5 A)学生电源E(6~8 V)开关S及导线若干.实验中要求电压表在0~6 V范围内读取并记录下12组左右不同的电压值U和对应的电流值I,以便作出伏安特性曲线,在上述器材中,电压表应选用________,电流表应选用________,滑动变阻器应选用________.在以下方框中画出实验的原理图.答案:V1A2R2原理图如下图所示5.某同学在探究规格为“2.5 V0.6 W”的小灯泡伏安特性曲线实验中,该同学采用如图甲所示的电路进行测量.现备有下列器材供选用:图甲A.量程是0~0.6 A,内阻是0.5 Ω的电流表B.量程是0~3 A,内阻是0.1 Ω的电流表C.量程是0~3 V,内阻是6 kΩ的电压表D.量程是0~15 V,内阻是30 kΩ的电压表E.阻值为0~1 kΩ,额定电流为0.5 A的滑动变阻器F.阻值为0~10 Ω,额定电流为2 A的滑动变阻器G.蓄电池(6 V内阻不计)H.开关一个,导线若干(1)为使测量结果尽量准确,电流表应选用________,电压表应选用________,滑动变阻器应选用________(只填字母代号).(2)在实验过程中,开关S闭合前,滑动变阻器的滑片P应置于最________端(填“左”或“右”).(3)在实验过程中,已知各元器件均无故障,但闭合开关S后,无论如何调节滑片P,电压表和电流表的示数总是调不到零,其原因是________点到________点的导线没接好(空格中请填写图甲中的数字,如“2”点到“3”点的导线).(4)图乙该同学描绘出小灯泡的伏安特性曲线示意图如图乙所示,则小灯泡的电阻随工作电压的增大而________(填“不变”“增大”或“减小”).解析:(1)小灯泡的额定电压为2.5 V,额定电流为0.24 A,为了减小读数误差,电流表和电压表应分别选择量程为0~0.6 A和0~3 V 的,本题中滑动变阻器采用分压式接法,应选择0~10 Ω的.(2)为了保证开关S闭合前流经小灯泡的电流最小,滑片P应置于最左端.(3)电压表和电流表的示数总是调不到零,是由于电源总是对电表供电,滑动变阻器串联在电路中,1点和5点没有接好,连成了限流式接法,这也是限流式和分压式接法的最大区别.(4)伏安特性曲线上点与坐标原点连线的斜率随着工作电压的增大而减小,所以小灯泡的电阻在不断增大.答案:(1)A C F(2)左(3)15(4)增大。
实验11、描绘小灯泡的伏安特性曲线——练1、描绘“6V ,3W ”灯泡的伏安特性曲线,提供了下列器材: A .电压表V (3V ,内阻约3kΩ) B .电流表A (0.6A ,内阻约0.3Ω) C .电阻箱R (0—99999Ω) D .滑动变阻器R 1(0—20Ω); E .滑动变阻器 R 2(0—100Ω) F .待测灯泡L “6V ,3W ”G .电源E (电动势约8V 、内阻较小) H .开关、导线若干①按照实验需要,将电压表的量程由3V 扩大至6V ,首先测量电压表内阻,某同学采用了如图甲所示的电路,闭合开关S ,调节电阻箱阻值为4870Ω 时,电压表指针刚好满偏;再调节电阻箱阻值为12720Ω时,电压表指针在满刻度的一半,则电压表的内阻R V = Ω;从理论上分析,实验测得电压表内阻值 (选填“大于”、“小于”或“等于”)真实值。
②图乙是测量灯泡电流随电压变化的实物电路,请你用笔划线代替导线完成电路连接(要求在闭合开关前,滑动变阻器滑动头置于最左端).③实验中,滑动变阻器应选择___________(选填“R 1”或“R 2”). 【答案】① 2980 ;大于② 电路如图; ③R 1 【解析】①由题意可知:(4870)g V I R E +=;1(12720)2g V I R E +=,解得:R V =2980Ω;从理论上分析,因没有考虑电源内阻的影响,故实验测得电压表内阻值大于真实值;②电路如图;③因采用分压电路,故滑动变阻器因选用阻值较小的R 1。
甲 乙2、某同学用如图所示的实物电路,描绘额定电压为4.0 V的小灯泡的伏安特性曲线,并研究小灯泡实际功率.(1)根据实物图,在下面线框内画出电路图.(2)闭合开关,将滑动变阻器的滑片P向b端移动,发现“电流表的示数几乎为零,电压表的示数逐渐增大”,则分析电路的可能故障为________.A.小灯泡短路B.小灯泡断路C.电流表断路D.滑动变阻器断路(3)根据如图所示I-U图线,可确定小灯泡在电压为2.0 V时实际功率为________W.【答案】(1)如图所示;(2)B;(3)0. 6【解析】(1)电路图如图:(2)当小灯泡断路时,电流表读数为零,电压表的读数是滑动变阻器aP间的电压,将滑动变阻器的滑片P向b端移动,电压表的示数逐渐增大,故选B.(3)由图读出,当小灯泡在电压为2.0 V时,电流为0.30A,故小灯泡的功率为P=UI=2×0.3W=0.6W。
高考一轮物理复习(人教版)课时训练第七章恒定电流第4讲实验八测绘小灯泡的伏安特性曲线1.(1)如图7-4-4甲所示,在“描绘小灯泡的伏安特性曲线”实验中,同组同学已经完成部分导线的连接,请你在实物接线图中完成余下导线的连接.图7-4-4(2)某同学从标称为“220 V、25 W”“220 V、300 W”“220 V、500 W”的3只灯泡中任选一只,正确使用多用电表测量灯泡阻值如图7-4-4乙所示.该灯泡的阻值是______ Ω,标称的额定功率为______ W.答案:(1)连线如图(2)160252.(2010·浙江理综,21Ⅱ)在“描绘小灯泡的伏安特性曲线”的实验中,某同学测得电流-电压的数据如下表所示:(1)用上表数据描绘电压随电流的变化曲线;(2)为了探究灯丝电阻与温度的关系,已作出电阻随电流的变化曲线如图7-4-5所示;请指出图线的特征,并解释形成的原因.图7-4-5答案:(1)(2)电阻随电流增大存在三个区间,电阻随电流的变化快慢不同第一区间电流很小时,电阻变化不大;第二区间灯丝温度升高快,电阻增大快;第三区间部分电能转化为光能,灯丝温度升高变慢,电阻增大也变慢.3.(2011·武汉高三联考)在做“描绘小灯泡的伏安特性曲线”实验时,所用器材有:电动势为6 V的电源,额定电压为2.5 V的小灯泡,以及符合实验要求的滑动变阻器、电表、开关和导线.要求能测出尽可能多组数据.图7-4-6是没有连接完整的实物电路.(已连接好的导线有a、b、c、d、e、f六根)图7-4-6(1)请你用笔画线代替导线,将实物电路连接完整;(2)连好电路,闭合开关,移动变阻器滑片P,发现小灯泡始终不亮,但电压表有示数,电流表几乎不偏转,则故障的原因可能是__________________________________;(3)排除故障后闭合开关,移动滑片P到某处,电压表的示数为2.2 V,要测量小灯泡的额定功率,应将滑片P向________端滑动(选填“左”“右”);(4)通过移动滑片P,分别记下了多组对应的电压表和电流表的读数,并绘制成了如图7-4-7所示的U-I图象.根据U-I图象提供的信息,可计算出小灯泡的额定功率是_____________________________________________W;(5)图线是曲线而不是过原点的直线,原因是______________.答案:(1)连线如图所示:图7-4-7(2)c 段导线断路或灯泡损坏(3)右 (4)0.5 (5)小灯泡的电阻会随温度的升高而增大4.一个标有“3.8 V ,0.3 A”字样的小灯泡,其灯丝的电阻会随温度的升高而变化,一探究性学 习小组在实验室研究这一问题,现实验室备有以下实验器材:实验时要求测量范围尽可能大,且要求灯泡上的电压从0开始调节,测量结果尽可能准确.(1)现在有图7-4-8所示的a 、b 、c 、d 四个电路,其中可选用的电路有________.图7-4-8(2)在实验中,应当选用的实验器材有电压表________,电流表________,滑动变阻器 ________.(填器材名称代号)(3)该小组某同学通过实验描绘出小灯泡的I -U 图线,如图 7-4-9所示,试根据图线中给出的数据,求出小灯泡在工 作点A 和B 的电阻值分别为________、________.解析:(1)要求灯泡上的电压从0开始调节,因此滑动变阻器 要用分压式接法,a 、b 图错误,c 图中滑动变阻器上串联保 护电阻,因此,灯泡上的电压也不能从0开始连续调节,所 以应选d 图.(2)选取电表时,电表的量程要稍大于被测元件的最大值,因为灯泡标有“3.8 V ,0.3 A ”,因 此,电压表选择V 1;电流表选择A 1;滑动变阻器为分压式接法,应选总阻值较小的滑 动变阻器R 1.(3)根据R =U /I 得A 点电阻为6.3 Ω(结果为5.9~6.5 Ω都对);B 点电阻为10 Ω. 答案:(1)d 图 (2)V 1 A 1 R 1 (3)6.3 Ω 10 Ω 5.(2010·重庆卷,22(2))在探究小灯泡的伏安特性实验中,图7-4-9所用器材有:灯泡L、量程恰当的电流表A和电压表V、直流电源E、滑动变阻器R、电键S等,要求灯泡两端电压从0 V开始变化.①实验中滑动变阻器应采用________接法(填“分压”或“限流”).②某同学已连接如图7-4-10所示的电路,在连接最后一根导线的c端到直流电源正极之前,请指出其中仅有的2个不当之处,并说明如何改正.A.________________________________________________________________________;B.________________________________________________________________________.③电路连接正确后,分别测得两只灯泡L1和L2的伏安特性曲线如图7-4-11中Ⅰ和Ⅱ所示,然后将灯泡L1、L2与电池组(电动势和内阻均恒定)连成图7-4-12所示电路,多次测量后得到通过L1和L2的电流平均值分别为0.30 A和0.60 A.图7-4-11图7-4-12A.在图7-4-11中画出电池组路端电压U和电流I的关系曲线.B.由该曲线可知电池组的电动势为________ V,内阻为________ Ω(取2位有效数字).解析:①因为灯泡两端的电压要从0 V开始调节,故只能采用分压电路.②在电路接好并检查是否正确连线之前,电键应处于断开状态,以免因接线错误而导致仪表损坏;接为分压电路时,滑动变阻器的有效电阻应从最小值开始调节,故滑片P应先处于b端.③因为电池组的电动势与内电阻恒定,故对应的U-I图线应为直线.在两灯泡的伏安特性曲线Ⅰ与Ⅱ上分别选取电流对应为0.30 A与0.60 A的两点,连接该两点即可得电池组的伏安特性曲线.延长该曲线交两坐标轴于两点,由于与纵轴的交点表示电池组的电动势,故该电池组的电动势为4.6 V,该直线的斜率表示内阻,所以该电池组的内阻为2.7 Ω.答案:①分压②A.电键S不应闭合,应处于断开状态B.滑动变阻器滑动触头P位置不当,应将其置于b端③A.路端电压U与电流I的关系曲线见下图.B.4.6 2.7。
描绘小灯泡伏安特性曲线—解析版1.〔2021全国理综I〕某同学探讨小灯泡的伏安特性,所运用的器材有:小灯泡L〔额定电压3.8V,额定电流0.32A〕:R〔阻值1000ΩΩ〕;电源E〔电动势5V,内阻不计〕;开关S;电压表V〔量程3V,内阻3kΩΩ〕;固定电阻导线假设干。
〔1〕试验要求能够实现在0~3V的范围内对小灯泡的电压进展测量,画出试验电路原理图。
〔2〕试验测得小灯泡伏安特性曲线如图〔a〕所示。
〔1〕由试验曲线可知,随着电流的增加小灯泡的电阻________〔填“增大〞“不变〞或“减小〞〕,灯丝的电阻率______〔填“增大〞“不变〞或“减小〞〕。
EΩ〕和题给器材连接成图〔b〕所示的电路。
调整滑动变阻器R的阻值,可以变更小灯泡的〔2〕用另一电源实际功率。
闭合开关S,在R的变更范围内,小灯泡的最小功率为_____W,最大功率为_______W.〔结果均保存两位小数〕【参考答案】〔1〕电路如图〔2〕当滑动EΩ〕的伏安特性曲线,如图中曲线II所示,与小灯泡变阻器接入电路中的电阻为零时,在图〔a〕中画出电源伏安特性曲线的交点即为电路工作点,该点纵横坐标值的乘积等于小灯泡的最大功率,最大功率为P max=UI=3.62×0.318=1.17W。
2.〔2021广西五市考前联考〕在“描绘小灯泡的伏安特性曲线〞的试验中,需测量一个标有“3V ,1.5W 〞灯泡两端的电压和通过灯泡的电流,现有如下器材: 直流电源〔电动势3.0V ,内阻不计〕电流表1A 〔量程3A ,内阻约0.1Ω〕 电流表2A 〔量程600mA ,内阻约5Ω〕 电压表1V 〔量程3V ,内阻约3kΩ〕 电压表2V 〔量程15V ,内阻约200kΩ〕滑动变阻器1R 〔阻值0~10Ω,额定电流1A 〕 滑动变阻器2R 〔阻值0~1kΩ,额定电流300mA 〕〔1〕在该试验中,电流表应选择_________〔填“1A 〞或“2A 〞〕,电压表应选择________〔填“1V 〞或“2V 〞〕,滑动变阻器应选择________〔填“1R 〞或“2R 〞〕〔2〕某同学用导线a 、b 、c 、d 、e 、f 、g 和h 连接成如图甲所示的电路,假设用该电路测得灯泡的工作电压U 和电流I ,依据UR I计算此时灯泡的,那么灯泡电阻的测量值________真实值〔填“大于〞、“等于〞或“小于〞〕。
描绘小灯泡的伏安特性曲线1.某同学研究小灯泡的伏安特性。
所使用的器材有:小灯泡L(额定电压3.8 V,额定电流0.32 A);电压表(量程3 V,内阻3 kΩ);电流表(量程0.5 A,内阻0.5 Ω);固定电阻R0(阻值1000 Ω);滑动变阻器R(阻值0~9.0 Ω);电源E(电动势5 V,内阻不计);开关S;导线若干。
(1)实验要求能够实现在0~3.8 V的范围内对小灯泡的电压进行测量,画出实验电路原理图。
(2)实验测得该小灯泡伏安特性曲线如图a所示。
由实验曲线可知,随着电流的增加小灯泡的电阻________(填“增大”“不变”或“减小”),灯丝的电阻率________(填“增大”“不变”或“减小”)。
(3)用另一电源E0(电动势4 V,内阻1.00 Ω)和题给器材连接成图b所示的电路,调节滑动变阻器R的阻值,可以改变小灯泡的实际功率。
闭合开关S,在R 的变化范围内,小灯泡的最小功率为________ W,最大功率为________ W。
(结果均保留两位小数)2.某同学想要描绘标有“3.8 V,0.3 A”字样小灯泡L的伏安特性曲线,要求测量数据尽量精确、绘制曲线完整。
可供该同学选用的器材除开关、导线外,还有:电压表V1(量程0~3 V,内阻等于3 kΩ)电压表V2(量程0~15 V,内阻等于15 kΩ)电流表A1(量程0~200 mA,内阻等于10 Ω)电流表A2(量程0~3 A,内阻等于0.1 Ω)滑动变阻器R1(0~10 Ω,额定电流2 A)滑动变阻器R2(0~1 kΩ,额定电流0.5 A)定值电阻R3(阻值等于1 Ω)定值电阻R4(阻值等于10 Ω)定值电阻R5(阻值等于1 kΩ)电源E(E=6 V,内阻不计)(1)请画出实验电路图,并将各元件字母代码标在该元件的符号旁。
(2)该同学描绘出的IU图象应是下图中的________。
3.为了描绘一个“12 V 6 W”的小灯泡的伏安特性曲线,现提供以下器材进行实验:直流电源E:电动势为15 V,内阻不计;电流表A:量程分别为0~0.6 A和0~3 A,内阻分别约为0.5 Ω和0.1 Ω;电压表V:量程为0~3 V,内阻为3 kΩ;定值电阻R0:阻值为12 kΩ;滑动变阻器R:最大阻值为20 Ω,允许通过的最大电流为1 A;开关一个,导线若干。
人教版高二物理选修3-1第二章恒定电流——测小灯泡的伏安特性曲线练习卷(含答案)1、分别读出下表中的电压表和电流表的示数,并填在表格中2电压范围为0~3 V.现有器材:直流电源E(电动势4.5 V,内阻不计)电压表V1(量程3 V,内阻约为3 kΩ)电压表V2(量程15 V,内阻约为15 kΩ)电流表A1(量程200 mA,内阻约为2 Ω)电流表A2(量程400 mA,内阻约为1 Ω)滑动变阻器R(最大阻值为20 Ω)开关S,导线若干.(1)如果既要满足测量要求,又要测量误差较小,应该选用的电压表是(填写V1或V2),选用的电流表是(填写A1或A2).(2)将测量小灯泡电阻的实验电路图画在方框内,并在图中标明各元件的符号.3、为描绘小灯泡的伏安特性曲线,实验室备有下列器材:A.小灯泡(额定电压6 V,额定电流600 mA)B.电流表(量程0~0.6 A,内阻约为0.5 Ω)C.电流表(量程0~3 A,内阻约为0.1 Ω)D.电压表(量程0~6 V,内阻约为10 kΩ)E.滑动变阻器R1(0~10 Ω,2 A)F.滑动变阻器R2(0~100 Ω,1.5 A)G.直流电源E(约6 V)H.开关、导线若干(1)实验中电流表应选用,滑动变阻器应选用.(填器材前的字母代号).(2)请用笔画线代替导线,将图甲电路连接完整.(3)实验电路连接正确,闭合开关,从最左端向右端调节滑动变阻器滑片,记录电流表和电压表相应示数,根据实验数据在坐标系中描点,如图乙所示,则电路发生的故障是.4、用以下器材测量待测电阻R x的阻值:A.待测电阻R x,阻值约为200 ΩB.电源E,电动势约为3.0 V,内阻可忽略不计C.电流表A1,量程为0~10 mA,内电阻r1=20 ΩD.电流表A2,量程为0~20 mA,内电阻r2约为8 ΩE.定值电阻R0,阻值R0=80 ΩF.滑动变阻器R1,最大阻值为10 ΩG.滑动变阻器R2,最大阻值为200 ΩH.单刀单掷开关S,导线若干.(1)为了测量电阻,你认为应选择图中图作为实验电路(填“甲”、“乙”或“丙”).(2)滑动变阻器应该选(填“R1”或“R2”);在闭合开关前,滑动变阻器的滑片P应置于(填“a”或“b”)端.5、有一灯泡上标有“2.5 V 1.5 W”字样,现要测绘该灯泡的伏安特性曲线,有下列器材可供选用:A.电压表(0~3 V,内阻1.0 kΩ)B.电压表(0~15 V,内阻3.0 kΩ)C.电流表(0~3 A,内阻1.0 Ω)D.电流表(0~0.6 A,内阻3.5 Ω)E.滑动变阻器(最大阻值为5 Ω,2 A)F.滑动变阻器(最大阻值为1 000 Ω,0.5 A)G.学生电源(直流6 V)及开关、导线等(1)实验中所用的电压表应选,电流表应选,滑动变阻器应选.(选填器材前面的字母)(2)本实验要求电压从零开始测量,则下列电路图中正确的为.6、某物理学习小组描绘一只小灯泡(2.5 V 1.2 W)的伏安特性曲线,有下列器材供选用:A.电压表(0~3 V,内阻6 kΩ)B.电压表(0~15 V,内阻30 kΩ)C.电流表(0~3 A,内阻0.1 Ω)D.电流表(0~0.6 A,内阻0.5 Ω)E.滑动变阻器(0~10 Ω,5 A)F.滑动变阻器(0~1 kΩ,0.1 A)G.电源(3 V,内阻不计)H.电键一个,导线若干.(1)电压表应选用,电流表应选用,滑动变阻器应选用.(用序号字母表示)(2)如图2所示,图中有几根导线已经接好,为完成本实验,请用笔画线代替导线,将电路补画完整,要求实验误差尽可能的小.7、一个小灯泡上标有“4 V0.5 A”的字样,现在要用伏安法描绘这个灯泡的I-U图线.现有下列器材供选择:A.电压表(0~5 V,内阻约10 kΩ)B.电压表(0~15 V,内阻约20 kΩ)C.电流表(0~3 A,内阻约1 Ω)D.电流表(0~0.6 A,内阻约0.4 Ω)E.滑动变阻器(10 Ω,2 A)F.滑动变阻器(500 Ω,1 A)G.电源(直流6 V)、开关、导线若干(1)实验时,选用图中(填“甲”或“乙”)电路图来完成实验,请说明理由:.(2)实验中所用电压表应选,电流表应选,滑动变阻器应选.(用字母序号表示)(3)把图7所示的实验器材用实线连接成实物电路图.8、要测绘额定电压为2 V的日常用小灯泡的伏安特性曲线,所供选择的器材除了导线和开关外,还有以下一些器材可供选择:A.电源E(电动势3.0 V,内阻可不计)B.电压表V1(量程为0~3.0 V,内阻约2 kΩ)C.电压表V2(0~15.0 V,内阻约6 kΩ)D.电流表A1(0~0.6 A,内阻约1 Ω)E.电流表A2(0~100 mA,内阻约2 Ω)F.滑动变阻器R1(最大值10 Ω)G.滑动变阻器R2(最大值2 kΩ)(1)为减小实验误差,实验中电压表应选择,电流表应选择,滑动变阻器应选择.(填各器材的序号)(2)为提高实验精度,请你设计实验电路图,并画在下面的虚线框中.(3)实验中测得一组数据如下表所示,根据表格中的数据在图方格纸上作出该灯泡的伏安特性曲线.(4)该小灯泡在额定电压下的电阻是Ω.。
高二物理:描绘小灯泡的伏安特性曲线一、实验题1.(2019-4月浙江)小明想测额定电压为2.5V 的小灯泡在不同电压下的电功率, 电路。
(1 )在实验过程中,调节滑片P ,电压表和电流表均有示数但总是调不到零,其 原因是的导线没有连接好(图中用数字标记的小圆点表示接线点,空格中请填写图 中的数字,如“7点至8点”);(2 )正确连好电路,闭合开关,调节滑片P ,当电压表的示数达到额定电压时, 电流表的指针如图2所示,则电流为此时小灯泡的功率为 W(3 )做完实验后小明发现在实验报告上漏写了电压为1.00V 时通过小灯泡的电流, 但在草稿纸上记录了下列数据,你认为最有可能的是 A.0.08A B,0.12A C.0.20A【答案】1点至4点0.30A 0.75 C【解析】(1 )在实验过程中,调节滑片P ,电压表和电流表均有示数但总是调不到零,说明滑动变阻器接成 了限流接法,由图示电路图可知,其原因是1点至4点的导线没有连接好。
(2 )电流表量程为0.6A ,分度值为0.02A ,示数为0.30A ,灯泡额定功率:P=UI=2.5x0.30=0.75W ;(3 )灯泡电阻随温度升高而增大,电压越小灯泡额定功率越小,灯丝温度越低,灯泡电阻越小,由此可知1.00V 电压对应的电流应为0.20A ,故C 正确;故答案为:(1)1点至 4 点;(2)0.30A ;0.75;(3)C 。
(1 )滑动变阻器采用分压接法时电压与电流可以从零开始变化,滑动变阻器采用限流接法时,电压与电流不 能从零开始变化,分析图示电路图答题。
(2 )根据电流表量程与图示表盘确定其分度值,然后根据指针位置读出其示数;应用电功率公式求出电功率。
(3 )灯泡电阻随温度升高而增大,据此分析答题。
滑动变阻器采用分压接法时电压与电流可以从零开始变化,滑动变阻器采用限流接法时,电压与电流不能从零 开始变化;对电表读数时要先确定其量程与分度值,然后根据指针位置读出其示数。
【创新设计】2014-2015学年高中物理实验:描绘小灯泡的伏安特性曲线课时精练(含解析)粤教版选修3-1在“描绘小灯泡的伏安特性曲线”的实验中,可供选择的器材有:A.小灯泡:规格为“ V0.3 A”B.电流表:量程0~0.6 A,内阻约为ΩC.电流表:量程0~3 A,内阻约为ΩD.电压表:量程0~5 V,内阻约为5 kΩE.滑动变阻器:阻值范围0~10 Ω,额定电流2 AF.电池组:电动势6 V,内阻约为1 ΩG.开关一只,导线若干(1)为了使测量尽可能地准确,需要使小灯泡两端电压从0逐渐增大到V且能方便地进行调节,因此电流表应选________.(填器材前选项)(2)根据你选用的实验器材,画出实验电路图,并将图2-11-5所示的器材按电路图连成实物电路.图2-11-5答案(1)B(2)见解析图解析(1)因小灯泡的额定电流为0.3 A,为减小读数误差,应让指针偏角大一些,故电流表选B.(2)由电流表外接和滑动变阻器采用分压式接法,电路图如图甲所示,由电路图连接的实物图如图乙所示.(时间:60分钟)1.(双选)在图2-11-6中,甲、乙两图分别为测灯泡电阻R的电路图,下列说法正确的是()图2-11-6A .甲图的接法叫电流表内接法,乙图的接法叫电流表外接法B .甲中R 测>R 真,乙中R 测<R 真C .甲中误差由电压表分流引起,为了减小误差,应使R ≪RV ,故此法测较小电阻好D .乙中误差由电流表分压引起,为了减小误差,应使R ≫RA ,故此法测较大电阻好 答案 CD解析 甲图叫做电流表的外接,乙图叫做电流表的内接,A 错误;甲图由于电压表的分流导致电流的测量值偏大,由R =U I 可知,R 测<R 真;R 越小,电压表分流越小,误差越小,因此这种接法适合测小电阻;乙图由于电流表的分压,导致电压的测量值偏大.由R =U I 得R测>R 真,R 越大,电流表的分压相对越小,误差越小,因此这种接法适用于测大电阻,B 错误;C 、D 正确;故选C 、D.图2-11-72.伏安法测电阻,当被测电阻的阻值不能估计时,可采用试接的办法,如图2-11-7所示,让电压表一端接在电路上a 点,另一端先、后接到b 点和c 点.注意观察两个电表的示数,若电流表的示数有显著变化,则待测电阻的阻值跟________表的内阻可比拟,电压表的两端应接在a 和________点.若电压表的示数有显著变化,则待测电阻的阻值跟 ________表的内阻可比拟,电压表应接在a 和________两点.答案 电压 c 电流 b解析 若电流表示数变化明显,说明电压表的分流作用较大,即待测电阻的阻值跟电压表的内阻可比拟,应采用电流表内接法,即电压表的两端应接在a 和c 之间;若电压表示数变化明显,说明电流表的分压作用较明显,即电流表的内阻与待测电阻可比拟,应采用电流表的外接法,即电压表应接在a 、b 之间.3.LED 发光二极管具有体积小、亮度高、能耗低、寿命长等诸多优点,被人们誉为本世纪的新型光源,已广泛应用到电脑、手机等电子产品中.有一种LED 手灯就是用几个发光二极管并联后作为光源使用的,其发光效率很高.它在正常工作时,正向电压约 V ,电流在10 mA 左右.现取一只这样的发光二极管(电路符号可用——表示),测量它的伏安特性,提供的实验器材如下:A .电源E(电动势为4 V ,内阻约为2 Ω)B .滑动变阻器R0(阻值0~2 Ω)C .电流表A1(量程15 mA ,内阻约为10 Ω)D .电流表A2(量程0.6 A ,内阻约为5 Ω)E .电压表V1(量程3 V ,内阻约为1 k Ω)F .电压表V2(量程3 V ,内阻约为10 k Ω)G .开关及导线若干则:(1)电流表应选________、电压表应选________.(2)并在方框中画出电路图.K答案(1)C(或A1)E(或V1)(2)电路图如图所示4.在探究小灯泡的伏安特性实验中,所用器材有:灯泡L、量程恰当的电流表A和电压表V、直流电源E、滑动变阻器R、电键S等,要求灯泡两端电压从0开始变化.(1)实验中滑动变阻器应采用________(填“分压”或“限流”)接法.(2)某同学已连接如图2-11-8所示的电路,在连接最后一根导线的c端到直流电源正极之前,请指出其中仅有的2个不当之处,并说明如何改正.图2-11-8①________________________________________________________________________.②________________________________________________________________________.答案(1)分压(2)①电键S不应闭合,应处于断开状态②滑动变阻器滑动触头P位置不当,应将其置于a端5.如图2-11-9甲所示为某一热敏电阻(电阻值随温度的改变而改变,且对温度很敏感)的I-U关系曲线图.(1)为了通过测量得到如图甲所示I-U关系的完整曲线,在图乙和图丙两个电路中应选择的是图________,简要说明理由:________________________________________________________________________.(电源电动势为9 V,内阻不计,滑动变阻器的阻值为0~100 Ω)(2)在如图丁所示的电路中,电源电压恒为9 V,电流表读数为70 mA,定值电阻R1=250 Ω.由热敏电阻的I-U关系曲线可知,热敏电阻两端的电压为______ V;电阻R2的阻值为________ Ω.甲乙丙丁图2-11-9答案(1)乙图乙加在热敏电阻两端的电压可以从零调到所需电压(2)解析(1)图乙的滑动变阻器用的是分压式接法,加在热敏电阻两端的电压可以从零调到所需电压,从而能够得到完整I-U图线,故选图乙.(2)通过R1的电流为I1=UR1=9250A=36 mA,通过热敏电阻的电流I2=I-I1=(70-36) mA=34 mA,由图甲可知热敏电阻两端的电压为V,电阻R2=9-34×10-3Ω≈Ω.6.在“描绘小灯泡的伏安特性曲线”的实验中,可供选择的实验仪器如下:小灯泡L,“V、0.3 A”电压表V,量程0~5 V,内阻5 kΩ电流表A1,量程0~100 mA,内阻4 Ω电流表A2,量程0~500 mA,内阻Ω滑动变阻器R1,最大阻值10 Ω,额定电流1.0 A滑动变阻器R2,最大阻值5 Ω,额定电流0.5 A直流电源E,电动势约为6 V,内阻约为Ω(1)在上述器材中,滑动变阻器应选________;电流表应选________.(填器材后面的序号)(2)在虚线框内画出实验的电路图,并在图中注明各元件的符号.图2-11-10(3)某实验小组完成实验后利用实验中得到的实验数据在I-U坐标系中,描绘出如图2-11-10所示的小灯泡的伏安特性曲线.根据此图给出的信息,可以判断下图中正确的是(图中P为小灯泡的功率)()答案 (1)R1 A2 (2)电路图如解析图所示 (3)BD解析 (1)本题变压器采用分压接法,通常应当选用最大阻值较小的滑动变阻器,但本题中如果选用R2,则电路中的电流会超过R2的额定电流,故滑动变阻器应当选择R1.电流表A1的量程太小,故电流表应当选择A2.(2)电路如图所示,由于电压要从0开始测量,滑动变阻器用分压接法;因为灯泡的内阻比较小,电流表用外接法.(3)随着通过小灯泡电流和灯泡两端电压的增大,小灯泡消耗的功率增大,小灯泡的电阻也增大,由P =U2R 知B 图正确,由P =I2R 知D 图正确.图2-11-117.在“描绘小灯泡伏安特性曲线”实验中,用导线a 、b 、c 、d 、e 、f 、g 和h 按图2-11-11所示方式连接好电路,电路中所有元器件都完好,且电压表和电流表已调零.闭合开关后:(1)若不管怎样调节滑动变阻器,小灯泡亮度能发生变化,但电压表、电流表的示数总不能为零,则可能是________导线断路.(2)某同学在实验中还测出a 、b 、c 三种元件的伏安特性曲线分别如图2-11-12(a)、(b)、(c),下列说法正确的是( )图2-11-12A .a 可以作为标准电阻使用B .b 能作为标准电阻使用C .b 的阻值随电压升高而增大D .c 的阻值随电压升高而增大答案 (1)g (2)AC解析 (1)若调节滑动变阻器,小灯泡的亮度变化,但电压表、电流表示数总不能为零,说明滑动变阻器不起分压作用,所以可能是g 导线断路.(2)因a 元件的I -U 线是直线,说明电阻随电压的变化不变,故可作为标准电阻,故A 对,B 错.因I -U 图线上点与原点连线的斜率倒数表示电阻值的变化,故C 对,D 错,选A 、C.8.某同学通过实验测定一个阻值约为5 Ω的电阻Rx 的阻值.(1)现有电源(4V ,内阻可不计)、滑动变阻器(0~50 Ω,额定电流2 A)、开关和导线若干,以及下列电表:A .电流表(0~3 A ,内阻约 Ω)B .电流表(0~0.6 A ,内阻约 Ω)C .电压表(0~3 V ,内阻约3 k Ω)D .电压表(0~15 V ,内阻约15 k Ω)为减小测量误差,在实验中,电流表应选用________,电压表应选用________(选填器材前的字母);实验电路应采用图2-11-13中的________(选填“甲”或“乙”).图2-11-13(2)图2-11-14是测量Rx 的实验器材实物图,图中已连接了部分导线.请根据在(1)问中所选的电路图,补充完成图2-11-14中实物间的连线.图2-11-14(3)接通开关,改变滑动变阻器滑片P 的位置,并记录对应的电流表示数I 、电压表示数U.某次电表示数如图2-11-15所示,可得该电阻的测量值Rx =U I =______Ω(保留两位有效数字).图2-11-15(4)若在(1)问中选用甲电路,产生误差的主要原因是________;若在(1)问中选用乙电路,产生误差的主要原因是________.(选填选项前的字母)A .电流表测量值小于流经Rx 的电流值B .电流表测量值大于流经Rx 的电流值C .电压表测量值小于Rx 两端的电压值D .电压表测量值大于Rx 两端的电压值(5)在不损坏电表的前提下,将滑动变阻器滑片P 从一端滑向另一端,随滑片P 移动距离x 的增加,被测电阻Rx 两端的电压U 也随之增加,下列反映U -x 关系的示意图中正确的是________.答案 (1)B C 甲 (2)如解析图 (3) (4)B D(5)A解析 (1)电源电动势为4 V ,电压表选择C ;电路中的电流最大值Im 远小于3 A ,所以电流表选择B.被测电阻阻值较小,电流表分压作用明显,所以采用电流表的外接法.即甲电路图.(2)根据实验电路原理图连接实物图如下:(3)电压表读数为 V ,电流表读数为0.5 A ,代入Rx =U I =错误! Ω= Ω.(4)甲电路:由于电压表的分流作用,电流表测量的电流大于通过被测电阻的电流.乙电路:由于电流表的分压作用,使电压表测量的电压大于被测电阻两端的电压. (5)设滑动变阻器单位长度的电阻为R0,滑动变阻器两端总长为L ,根据串联电路规律,有:U Rx =E -U R0(L -x )⇒U =ERx Rx +R0(L -x ),式子中E 、Rx 、L 均为常数,根据函数图象可知,A 对.。
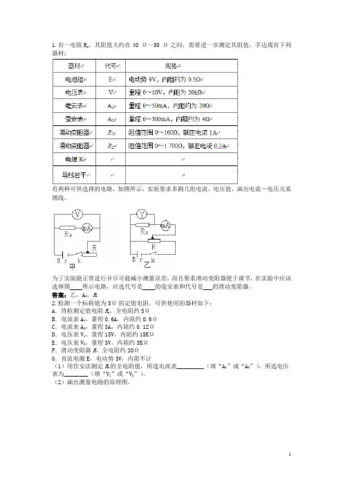
1.有一电阻R x,其阻值大约在40 Ω~50 Ω之间,需要进一步测定其阻值,手边现有下列器材:
有两种可供选择的电路,如图所示,实验要求多测几组电流、电压值,画出电流-电压关系图线。
为了实验能正常进行并尽可能减小测量误差,而且要求滑动变阻器便于调节,在实验中应该选择图所示电路,应选代号是的毫安表和代号是的滑动变阻器。
答案:乙,A2,R1
2.检测一个标称值为5Ω的定值电阻。
可供使用的器材如下:
A.待检测定值电阻R x,全电阻约5Ω
B.电流表A1,量程0.6A,阻约0.6Ω
C.电流表A2,量程3A,阻约0.12Ω
D.电压表V1,量程15V,阻约15KΩ
E.电压表V2,量程3V,阻约3KΩ
F.滑动变阻器R,全电阻约20Ω
G.直流电源E,电动势3V,阻不计
(1)用伏安法测定R x的全电阻值,所选电流表_________(填“A1”或“A2”),所选电压表为________(填“V1”或“V2”)。
(2)画出测量电路的原理图。
答案:(1)电流表选A1,电压表选V2;(2)外接,限流;
3.有一小灯泡上标有“6V 0.1A”的字样,现要测量灯泡的伏安特性曲线,有下列器材供选用:
A.电压表(0~3V,阻约2.0kΩ) B.电压表(0~l0V,阻约3.kΩ)
C.电流表(0~0.3A,阻约3.0Ω) D.电流表(0~6A,阻约1.5Ω)
E.滑动变阻器(30Ω,2A) F.学生电源(直流9V)及开关、导线等
(1)实验中所用的器材为_____________(填字母代号).
(2)在方框中画出实验电路图,要求电压从0开始测量.
答案:(1)BCEF(2)
4.(2013一模·13)
(1)
A(2)提示:滑动变阻器分压式接法,电压表量程较小,所以要和定值电阻串2
联后接入电路,电流表
A用外接法。
2
5.(2011二模·21)
6.(2012·21)图为“测绘小灯伏安特性曲线”实验的实物电路图,已知小灯泡额定电压为2.5V。
(1)完成下列实验步骤:
①闭合开关前,调节滑动变阻器的滑片,
②闭合开关后,逐渐移动变阻器的滑片,;
③断开开关,……。
根据实验数据在方格纸上作出小灯泡灯丝的伏安特性曲线。
(2)在虚线框中画出与实物电路相应的电路图。
【答案】I.(1)B (2)C (3)0.42
II.(1)①使它靠近变阻器左端的接线柱
②增加小灯泡两端的电压,记录电流表和电压表的多组读数,直至电压达
到额定电压
(2)如图所示
7.(2013·天津卷)(3)要测绘一个标有“3V 0.6W”小灯泡的伏安特性曲线,灯泡两端的电压需要由零逐渐增加到3V,并便于操作。
已选用的器材有:
电池组(电动势为4.5V,阻约1Ω);
电流表(量程为0250mA,阻约5Ω);
电压表(量程为03V,阻约3kΩ);
电键一个、导线若干。
①实验中所用的滑动变阻器应选下列中的(填字母代号)。
滑动变阻器(最大阻值20Ω,额定电流1A)
滑动变阻器(最大阻值1750Ω,额定电流0.3A)
②实验的电路图应选用下列的图(填字母代号)。
③实验得到小灯泡的伏安特性曲线如图所示。
如果将这个小灯泡接到电动势为1.5V,阻为5Ω的电源两端,小灯泡消耗的功率是W。
①A ②B ③0.1
8.(2012·22)某学习小组的同学拟探究小灯泡L 的伏安特性曲线,可供选用的器材如下: 小灯泡L ,规格“4.0V ,0.7A ”;
电流表A 1,量程3A ,阻约为0.1Ω;
电流表A 2,量程0.6A ,阻2r 0.2=Ω;
电压表V ,量程3V ,阻r 9v k =Ω;
标准电阻1R ,阻值1Ω;
标准电阻2R ,阻值3k Ω;
滑动变阻器R ,阻值围0~10Ω;
学生电源E ,电动势6V ,阻不计;
开关S 及导线若干。
①甲同学设计了如图1所示的电路来进行测量,当通过L 的电流为0.46A 时,电压表的示数如图2所示,此时L 的电阻为________________Ω。
②乙同学又设计了如图3所示的电路来进行测量,电压表指针指在最大刻度时,加在L 上的电压值是_________________V 。
③学习小组认为要想更准确地描绘出L 完整的伏安特性曲线,需要重新设计电路。
请你在乙同学的基础上利用所供器材,在图4所示的虚线框补画出实验电路图,并在图上标明所选器材代号。
9.(2010·22)在探究小灯泡的的伏安法测电阻实验中,所用器材有灯泡I,量程恰当的电流表A和电压表V,直流电源的滑动变阻器R、电键S等,要求灯泡两端电压从OV表开始变化
①实验中滑动变阻器应采用______ 接法(“分压”或“限流”)
②某同学已连接如题22图2所示的电路,在连接最后一根导线的c端到直流电源正析之前,请指出其中仅有的2个不当之处,并说明如何改正
A:_______________
B:_________________
③分别测得两只灯泡l1和l2的伏安特性曲线如题22图3中Ⅰ和Ⅱ所示,然后将灯泡l1、l2与电池组(电动势和阻均衡定)连成题22图4所示电路。
多次测量后得到通过l1和l2的电流平均值分别为0.30A和0.60A.
A.在题22图3中画出电池组路端电压U和电流I的关系曲线。
B.由该曲线可知电池组的电动势为_________V,阻为__________Ω(取两位有效数字)
【答案】⑵①分压②A.电键不应闭合,应处于断开状态 B.滑动变阻器的滑动触头P位置不当,应将其置于b端③4.6V 2.7Ω
10.(09理科综合)某研究性学习小组为了制作一种传感器,需要选用一电器元件。
图
为该电器元件的伏安特性曲线,有同学对其提出质疑,先需进一步验证该伏安特性曲线,
实验室备有下列器材:
器材(代号)规格
电流表(A1)
电流表(A2)
电压表(V1)
电压表(V2)
滑动变阻器(R1)
滑动变阻器(R2)
直流电源(E)
开关(S)
导线若干
量程0~50mA,阻约为50Ω
量程0~200mA,阻约为10Ω
量程0~3V,阻约为10kΩ
量程0~15V,阻约为25kΩ
阻值围0~15Ω,允许最大电流1A
阻值围0~1kΩ,允许最大电流100mA
输出电压6V,阻不计
①为提高实验结果的准确程度,电流表应选用;电压表应选用;滑动变阻器应选用。
(以上均填器材代号)
②为达到上述目的,请在虚线框画出正确的实验电路原理图,并标明所用器材的代号。
③若发现实验测得的伏安特性曲线与图中曲线基本吻合,请说明该伏安特性曲线与小电珠的伏安特性曲线有何异同点?
相同点: ,
不同点: 。
答案:①A 2 V 1 R 1
②
③相同点:通过该元件的电流与电压的变化关系和通过小电珠的电流与电压的变化关系都是非线性关系,该元件的电阻随电压的增大而减小,而笑电珠的电阻值随电压的升高而增大。
解析: ①图像中电流0~0.14A ,电流表选A 2;电源电压6V ,但图像只要求电压在0~3V 之间调整,为了测量准确电压表选V 1;由于绘制图像的需要,要求电压从0~3V 之间调整,所以滑动变阻器只能采用分压式接法,为了能很好调节电压,滑动变阻器应选用阻值较小的R 1。
②该元件约几十Ω,A
V R R R R ,电压表的分流作用可以忽略,所以采用电流表外接法;实验数据的采集要求从零开始,所以滑动变阻器采用分压式接法。
③从图像的形状和斜率变化趋势上去找相同点和不同点,突出都是“非线性”,图像上某点与原点连线的斜率是电阻的倒数。