实验二 直流并励电动机
- 格式:docx
- 大小:248.61 KB
- 文档页数:8
实验二并励直流发电机的自励建压及空载特性的测定一、实验目的1.学习和掌握并励直流发电机的自励条件与方法、观察自励过程。
2.掌握改变直流发电机输出电压极性的方法。
3.掌握并励直流发电机的空载特性的测定方法。
二、实验内容1.并励直流发电机自励建压。
2.改变直流发电机输出电压的极性。
3.测定直流发电机空载特性。
三、预习要点1.并励直流发电机自励建压的条件。
2.并励直流发电机不能自励建压时的处理方法。
3.与直流发电机输出电压极性有关的因素。
4.空载特性测定时,励磁电流的调节方法。
四、原理简述并励直流发电机是一种自励电机。
当原动机拖动发电机旋转时,电枢绕组切割剩磁通产生感应剩磁电势。
此电势在并励绕组回路中产生一个不大的励磁电流,该电流产生的磁通必须与剩磁方向一致,使气隙磁通增强,从而使电枢电势和端电压升高,励磁电流增加,气隙磁场进一步加强,如此循环激励,直至建立稳定的端电压。
稳定点由发电机的空载特性曲线与磁场总电阻线的交点确定。
并励直流发电机的自励,必须满足三个条件:(1)发电机的主磁极必须有剩磁。
(2)并励绕组两端的极性必须正确配合,使励磁电流所产生的磁势与剩磁方向一致。
(3)励磁回路的总电阻必须小于与电机运行转速相应的临界电阻。
并联直流发电机输出电压的极性取决于发电机的转向及电机主磁场的方向。
直流发电机的空载特性是指发电机转速=常数、负载电流时,空载电压与励磁电流的关系,即。
空载特性曲线的形状与电机的磁化曲线相似,起始部分基本上是一条直线。
当励磁电流逐渐增加时,磁路逐渐饱和,曲线弯曲,直到高度饱和时,曲线趋近于与横轴平行的直线。
通常额定电压位于空载特性曲线的弯曲部分(称为膝部)。
五、实验方法1.并励直流发电机自励建压(1)并励直流发电机G由直流电动机M拖动,接线可参考图2-1-2或2-2-1。
(2)断开发电机负载,正确起动直流电动机(起动方法参见实验一)。
(3)调节直流电动机的励磁电流(减小直流电动机励磁变阻器的阻值),使发电机转速。
直流并励电动机机械特性一、实验目的练习和掌握测定直流并励电动机的固有和人工机械特性的方法。
二、实验内容1、 测定直流并励电动机的固有机械特性。
2、 测定电枢回路串6Ω电阻时的人工机械特性。
3、 测定改变励磁电路时的人工机械特性。
三、实验设备1、 MCL -Ⅱ型实验台主控制屏2、 电机导轨及测功机3、 三相可调电阻器MEL -044、 直流电压电流表MEL -065、 电机启动电阻箱MEL -096、 电机M037、 万用表四、实验步骤按图一接线。
将R f 、R 放在零位置。
1、 固有机械特性的测定:闭合直流稳压电源开关,按下复位按钮使电动机启动。
如果转速表显示为负,则断开电源开关,改变励磁接线,重新启动电动机。
调节电源电压、励磁电阻和负载,使电机工作于额定工作点U =U N ,I =I N ,n =n N ,其励磁电流即为额定励磁电流I fN 。
在保持U =U N ,I f =I fN 不变的条件下,逐次减小电动机的负载。
测取电动机电枢电流I a ,转速n 和转矩T 2,共取5-6组数据,记录于表一中。
2、 测定电枢回路串6Ω电阻时的人工机械特性:在获得固有机械特性的基础上,停止电动机,断开电机电枢回路,用万用表测量调节电枢电阻至R 至6Ω。
重新连接电枢回路,启动电动机,调节I f =I fN 。
逐渐增加负载,最后达到额定电流I =I N ,测取电动机电枢电流I a ,转速n 和转矩T 2,共取5-6组数据,记录于表二中。
图一 直流并励电动机机械特性接线图3、 测定改变励磁电路时的人工机械特性:去掉负载,将R 调到零位置,调节R f 使电动机转速为1800r/min ,记录I f 值。
逐渐增加负载,最后达到额定电流I N ,测取电动机电枢电流I a ,转速n 和转矩T 2,共取5-6组数据,记录于表三中。
表二I fN =五、实验报告1、 实验目的2、 实验设备3、 实验线路及数据4、 根据测量数据,通过计算,画出三种情况下的机械特性曲线n =f (T 2)于同一坐标系上。
直流并励电动机实验原理直流并励电动机是一种常见的电动机类型,它具有结构简单、价格低廉以及调速性能优良的特点,在工业生产和日常生活中得到了广泛应用。
直流并励电动机的原理基于摩擦能转换为电能的基本原理,通过电磁力的作用将电能转化为机械能。
它由电枢、励磁组和分配机构组成。
首先,我们来看电枢部分。
电枢由一组绕在铁芯上的电线圈组成,通电后产生磁场。
其中,直流电源的正极连接电枢上的一个接线柱,电源的负极连接电枢上的另一个接线柱。
通过这种连接方式,电流会通过电枢形成一个磁场。
这个磁场会在电枢的轴线方向上产生一个极性,并向着相反的方向形成两个极。
接下来是励磁组的部分。
励磁组通常由励磁线圈和励磁磁极组成。
励磁线圈绕在励磁磁极上,通过连接到外部电源,提供所需的励磁电流。
当励磁线圈通电时,产生的磁场会使励磁极上的磁场与电枢的磁场相互作用,进而形成一个磁极。
最后是分配机构的部分。
分配机构通常由刷子和换向器组成。
刷子与电枢的正、负极接触,使励磁组和电枢之间的电路实时连接。
换向器则根据电枢和励磁极的相对位置,实现电流的方向变换,从而实现正反转。
当直流电源连接到电动机的电枢上时,电流通过电枢产生磁场,同时励磁线圈的磁场与电枢的磁场相互作用,使电动机形成一个旋转磁场。
根据电动机的工作原理,通过刷子和换向器,将电流反复改变方向,从而使产生的磁场不断改变方向。
根据洛伦兹力的原理,当电流通过电枢和励磁线圈时,会产生一个力对电枢和励磁线圈施加作用力,使整个电机产生转动力矩。
而要实现电动机的转速调节,可以通过改变电流的大小或者改变励磁线圈的励磁电压来实现。
当电流增大时,电枢和励磁线圈产生的磁场也增大,力的大小也会增大,从而使电机的转速加快。
相反,当电流减小时,电机的转速会减慢。
另外,直流并励电动机还具有多种保护措施。
例如,可以通过使用熔断器或过电流继电器等装置,以保护电机不受过电压或过流的损害。
此外,还可以使用温度传感器来监测电机的温度,当温度超过设定值时,会及时切断电源,以避免电机因温度过高而受损。
1、直流电动机实验1-1直流并励电动机(必做实验)一、实验目的1、掌握用实验方法测取直流并励电动机的工作特性和机械特性。
2、掌握直流并励电动机的调速方法。
二、预习要点1、什么是直流电动机的工作特性和机械特性?2、直流电动机调速原理是什么?三、实验项目1、工作特性和机械特性保持U=U N和I f=I fN不变,测取n、T2、η=f(I a)和n=f(T2)。
2、调速特性(1)改变电枢电压调速保持U=U N、I f=I fN=常数,T2=常数,测取n=f(U a)。
(2)改变励磁电流调速保持U=U N,T2=常数,测取n=f(I f)。
(3)观察能耗制动过程四、实验方法1、实验设备2、屏上挂件排列顺序D55-4,D31、D44、D51、D423、并励电动机的工作特性和机械特性1)按图1-1-1接线。
直流并励电动机与涡流测功机由联轴器同轴联接。
涡流测功机用于测量电动机的转速、转矩和输出功率。
R f1选用D44的900Ω阻值,并采用分压法接线。
R1用D44的180Ω阻值。
直流电流表A1选用D31的毫安表、A3选用D31的安倍表、V1选用D31的电压表。
图1-1-1 直流并励电动机接线图2)首先将涡流测功机给定调节旋钮逆时针旋转到底,然后将涡流测功机的“控制切换”开关拨至“转矩控制”位置,按下涡流测功机控制箱的调零按钮。
将电枢串联起动电阻R1调至最大值,调节控制屏下边右方的电枢电源开关使其输出电压最小,并接通电枢电源;调节直流并励电动机M的励磁电阻Rf1使励磁电流I f为最大位置。
电动机旋转方向应符合转速表正向旋转的要求。
3)M起动正常后,将其电枢串联电阻R1调至零,调节电枢电源的电压为220V,调节涡流测功机给定调节旋钮和电动机的磁场调节电阻R f1,使电动机达到额定值:U=UN ,I=IN(I N=I aN+I fN),n=n N。
此时M的励磁电流I f即为额定励磁电流IfN。
4)保持U=U N,I f=I fN,逆时针缓慢调节涡流测功机给定调节旋钮,逐次减小电动机负载,直至空载状态(即涡流测功机给定调节旋钮逆时针旋转到底或将“突减载”开关拨至上端位置)。
直流并励电机的特性测试实验原理
直流并励电机的特性测试实验主要通过改变电机的负载和输入电压来研究电机的性能特性。
实验原理包括以下几个方面:
1. 电机的基本特性:通过改变电机的负载来研究电机的转速-负载特性曲线。
通过改变电机的转速和输入电压来研究电机的转速-电压特性曲线。
2. 电机的效率特性:通过测试电机的输入功率和输出功率,计算电机的效率,研究电机的负载-效率特性曲线。
3. 电机的起动特性:通过改变电机的输入电压和负载,观察电机的起动情况,研究电机的起动特性。
实验步骤一般如下:
1. 将电机连接到电源,并通过速度变调器调节电机的输入电压。
2. 测量电机的转速和输入电压,记录下转速-电压的数据。
3. 改变电机的负载,测量电机的转速和负载,记录下转速-负载的数据。
4. 测量电机的输入功率和输出功率,计算电机的效率。
5. 改变电机的输入电压和负载,观察电机的起动情况,并记录下起动的电压和负载。
通过以上的实验步骤和数据记录,可以得到电机的转速-负载特性曲线、转速-电压特性曲线、负载-效率特性曲线,以及起动的电压和负载范围等特性。
这些特性数据可以用来评估电机的性能,并为电机的使用和控制提供参考。
直流电机实验报告一.实验目的1.掌握直流发电机的运行特性测定2.掌握自励发电机的自励条件和自励过程3.掌握直流并励电动机工作特性和机械特性的测定4.直流并励电动机的调速方法分析二.实验器械直流发电机与电动机,滑线电阻*2,直/交流电压/流表若干,灯箱,转速表,导线三.实验内容1.测定他励直流发电机的空载特性曲线2.测定他励直流发动机的外特性3.测定并励直流电动机的调压调速特性四.实验步骤(一)他励电机按照如图连接电路在并励条件下,M,N端分别接A,B端,在他励条件下M,N端分别接在C,D端。
1.测定他励直流发电机的空载特性设定额定电压为230V ,额定转速为1450r/min ,连接电路后,将励磁电阻1f R 调到最小,调节电阻Q R 到最大,接通电源,调节1f R 以及Q R ,使电动机转速达到1500r/min,此时发电机在空载状态下,调节2f R 改变发电机的端电压和2f I ,读出相应电表上的0U ,2f I 的值,并记录数据。
2.测定他励直流发电机的外特性设定额定电压为230V ,额定转速为1450r/min ,连接电路后,将1f R 调到最小,Q R 调到最大,接通电源,改变1f R 及Q R ,使电动机的转速达到1500r/min ,保持转速不变,电动机的端电压为220v 的状况下逐步改变灯箱的负载。
记录发电机的U,I 值。
(二)测定并励直流电动机的转速特性 根据上图改变接线方式AI N 3.22=min /1500r Nn =V U N 220=1.在U=220V,f I 2P 为常数条件下,调节Q R ,测量并记录PQ 两段电压及相应的转速n 。
2.在U=220V ,P2为常数,Q R =0的条件下,调节1f R ,改变转速,记录1f I 与对应的n五.实验数据分析1.他励直流发电机空载特性根据实验要求,作出相应曲线从图中可以看出,随着励磁电流f I增大,他励发电机的输出电压随之上升。
实验二直流发电机特性测定(他励、并励、复励)一.实验目的1.掌握用实验方法测定直流发电机的运行特性,并根据所测得的运行特性评定该被试电机的有关性能。
2.通过实验观察并励发电机的自励过程和自励条件。
二.预习要点1.什么是发电机的运行特性?对于不同的特性曲线,在实验中哪些物理量应保持不变,而哪些物理量应测取。
2.做空载试验时,励磁电流为什么必须单方向调节?3.并励发电机的自励条件有哪些?当发电机不能自励时应如何处理?4.如何确定复励发电机是积复励还是差复励?三.实验项目1.他励发电机(1)空载特性:保持n=n N,使I=0,测取Uo=f(I f)。
(2)外特性:保持n=n N,使If =I f N,测取U=f(I)。
(3)调节特性:保持n=n N,使U=U N,测取I f =f(I)。
2.并励发电机(1)观察自励过程(2)测外特性:保持n=n N,使R f2 =常数,测取U=f(I)。
3.复励发电机积复励发电机外特性:保持n=n N,使R f=常数,测取U=f(I)。
四.实验设备及仪器Array 1.实验台主控制屏2.电机导轨(NMEL-14C)3.直流电机仪表、电源(MMEL-18)(位于实验台主控制屏的下部)4.电机起动箱(NMEL-09)5.直流电压、毫安、安培表(NMEL-06A)6.旋转指示灯及开关板(NMEL-05B)7.三相可调电阻1800Ω(NMEL-03)8.转速、转矩、功率测量(NMEL-13C)9.直流电动机M0310.直流发电机M01。
五.实验说明及操作步骤图1-3 直流他励发电机接线图1.他励发电机。
按图1-3接线G:直流发电机M01,P N=100W,U N=200V,I N=0.5A,N N=1600r/minM:直流电动机M03,按他励接法S1、S2:双刀双掷开关,位于NMEL-05BR1:电枢调节电阻100Ω/1.22A,位于NMEL-09。
R f1:磁场调节电阻3000Ω/200mA,位于NMEL-09。
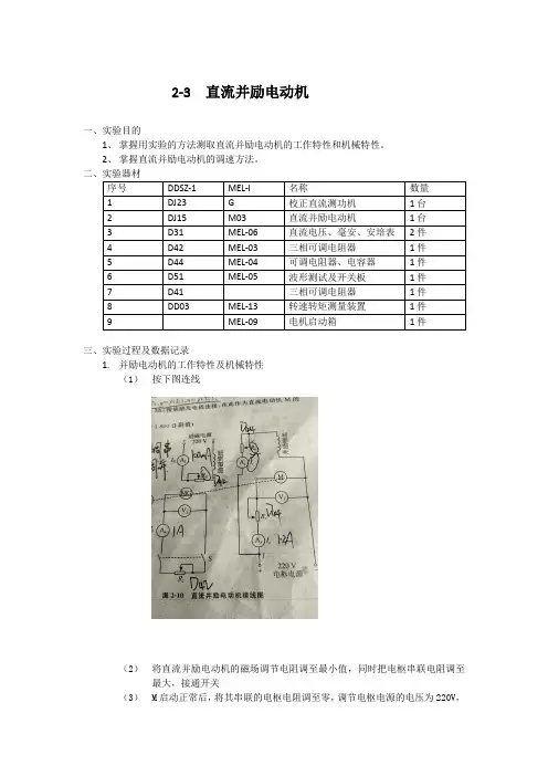
2-3 直流并励电动机
一、实验目的
1、掌握用实验的方法测取直流并励电动机的工作特性和机械特性。
2、掌握直流并励电动机的调速方法。
二、实验器材
三、实验过程及数据记录
1.并励电动机的工作特性及机械特性
(1)按下图连线
(2)将直流并励电动机的磁场调节电阻调至最小值,同时把电枢串联电阻调至最大,接通开关
(3)M启动正常后,将其串联的电枢电阻调至零,调节电枢电源的电压为220V,调节校正直流测功机的励磁电流为100mA,再调节负载电阻和磁场调节电阻
使得电动机达到额定值:U=UN,I=IN,n=nN,由此得到额定励磁电流IfN (4)保持U=UN,If=IfN,If2为校正值不变,逐次减小电动机负载。
记录数据如下表:
表2-8 U=UN=219.9V If=IfN=87.50mA If2=97.6mA
2、调速特性
(1)改变电枢电压的调速,保持U=UN,If=IfN=常数,T2=常数
①直流电动机M运行后,将电阻R1调至零If2调至校正值,再调节负载电阻R2、
电枢电压及磁场电阻Rf1,使M的U=UN,I=0.5IN,If=IfN记下此时MG的IF值。
此时IF=0.604A
②保持此时的IF值和If=IfN不变,逐次增加R1的阻值,降低电枢电压Ua,使R1
从零调至最大,每次测取电动机的端电压Ua,转速n和电枢电流Ia
表2-9 If=IfN=87.50mA T2=0.83N・m
四、实验注意事项
①一开始务必将直流并励电动机的磁场调节电阻调至最小值,同时把电枢串联电阻
调至最大
②记得及时将R2的并联电阻部分短路,否则会烧坏电阻。
直流并励电动机实验报告一、实验目的。
本实验旨在通过对直流并励电动机的实验,掌握直流电动机的工作原理、特性及调速方法,加深对电动机的运行原理和性能的理解。
二、实验仪器与设备。
1. 直流电动机。
2. 直流电源。
3. 转速测量仪。
4. 电流表。
5. 电压表。
6. 载荷装置。
三、实验原理。
直流电动机是利用直流电流在磁场中产生力矩,从而使电动机转动。
并励电动机是在电枢和励磁绕组上分别接入电源,通过励磁绕组产生磁场,使电动机能够正常工作。
在实验中,通过改变电动机的励磁电流和电压,可以调节电动机的转速和负载特性。
四、实验步骤。
1. 连接电路,将直流电源分别连接到电动机的电枢和励磁绕组上,同时连接电流表和电压表进行电流和电压的测量。
2. 载荷调节,通过载荷装置对电动机进行负载调节,观察电动机的运行情况。
3. 励磁调节,改变励磁电流和电压,记录下不同励磁条件下电动机的转速和电流特性。
4. 性能测试,根据实验要求,对电动机进行性能测试,如效率、输出功率等指标的测量。
五、实验数据与分析。
根据实验记录,我们可以得到不同励磁条件下电动机的转速、电流和电压等数据。
通过对这些数据的分析,可以得出电动机的特性曲线,如转速-电流曲线、转速-电压曲线等,从而了解电动机在不同工况下的性能表现。
六、实验结论。
通过本次实验,我们深入了解了直流并励电动机的工作原理和特性,掌握了调节电动机转速和负载的方法,对电动机的性能有了更深入的了解。
同时,通过实验数据的分析,我们可以得出结论,进一步验证了电动机的工作特性和性能表现。
七、实验总结。
本次实验使我们对直流并励电动机有了更深入的认识,掌握了实验方法和数据处理技巧,提高了实验操作能力和数据分析能力。
同时,也增强了对电动机原理和性能的理解,为今后的学习和科研工作打下了坚实的基础。
八、参考文献。
[1] 《电气工程基础》,XXX,XX出版社,200X年。
[2] 《电机与拖动》,XXX,XX出版社,200X年。
实验一直流发电机一、实验目的1、掌握用实验方法测定直流发电机的各种运行特性,并根据所测得的运行特性评定该被测电机的有关性能。
2、通过实验观察并励发电机的自励过程和自励条件。
二、预习要点1、什么是发电机的运行特性?在求取直流发电机的特性曲线时,哪些物理量应保持不变,哪些物理量应测取。
2、做空载特性实验时,励磁电流为什么必须保持单方向调节?3、并励发电机的自励条件有哪些?当发电机不能自励时应如何处理?4、如何确定复励发电机是积复励还是差复励?三、实验项目1、他励发电机实验(1)测空载特性保持n=n N使I L=0,测取U0=f(I f)。
(2)测外特性保持n=n N使I f=I fN,测取U=f(I L)。
(3)测调节特性保持n=n N使U=U N,测取I f=f(I L)。
2、并励发电机实验(1)观察自励过程(2)测外特性保持n=n N使R f2=常数,测取U=f(I L)。
3、复励发电机实验积复励发电机外特性保持n=n N使R f2=常数,测取U=f(I L)。
四、实验设备及挂件排列顺序1、实验设备序号型号名称数量台1 DD03-4 涡流测功机导轨 1件2 D55-4 涡流测功机控制箱 1台3 DJ23-1 直流电动机 1台4 DJ13 直流复励发电机 1件5 D31 直流数字电压、毫安、安培表 26 D44 可调电阻器、电容器 1件件7 D51 波形测试及开关板 1件8 D42 三相可调电阻器 12、屏上挂件排列顺序D55-4、D31、D44、D31、D42、D51五、实验方法1、他励直流发电机按图1-1接线。
图中直流发电机G选用DJ13,其额定值P N=100W,U N=200V,I N=0.5A,n N=1600r/min。
直流电动机DJ23-1作为G的原动机(按他励电动机接线)。
涡流测功机、发电机及直流电动机由联轴器同轴联接。
开关S选用D51组件上的双刀双掷开关。
R f1选用D44的1800Ω变阻器,R f2 选用D42的900Ω变阻器,并采用分压器接法。
直流电机实验报告篇一:并励直流电机实验报告实验二直流并励电动机一.实验目的1.掌握用实验方法测取直流并励电动机的工作特性和机械特性。
2.掌握直流并励电动机的调速方法。
1.什么是直流电动机的工作特性和机械特性?答:工作特性:当U = UN, Rf + rf = C时,η, n ,T 分别随P2 变;机械特性:当U = UN, Rf + rf = C时, n 随 T 变;2.直流电动机调速原理是什么?答:由n=(U-IR)/Ceφ可知,转速n和U、I有关,并且可控量只有这两个,我们可以通过调节这两个量来改变转速。
即通过人为改变电动机的机械特性而使电动机与负载两条特性的交点随之改变,从而达到调速的目的。
二.预习要点三.实验项目1.工作特性和机械特性保持U=UN 和If =IfN 不变,测取n=f(Ia)及n=f(T2)。
2.调速特性(1)改变电枢电压调速保持U=UN 、If=IfN =常数,T2 =常数,测取n=f(Ua)。
(2)改变励磁电流调速保持U=UN,T2 =常数,R1 =0,测取n=f(If)。
(3)观察能耗制动过程四.实验设备及仪器1.MEL-I系列电机教学实验台的主控制屏。
2.电机导轨及涡流测功机、转矩转速测量(MEL-13)、编码器、转速表。
3.可调直流稳压电源(含直流电压、电流、毫安表)4.直流电压、毫安、安培表(MEL-06)。
5.直流并励电动机。
6.波形测试及开关板(MEL-05)。
S (2)测取电动机电枢电流Ia、转速n和转矩T2,共取数据7-8组填入表1-8中表1-8 U=UN=220V If=IfN=0.0748A Ka= Ω 2.调速特性(1)改变电枢端电压的调速表1-9 I(2)改变励磁电流的调速一7接线 f:直流电机电枢MEL-09) MEL-03中两Ω电阻并联。
刀双掷开关(MEL-05)六.注意事项1.直流电动机起动前, 测功机加载旋钮调至零. 实验做完也要将测功机负载钮调到零,否则电机起动时,测功机会受到冲击。
实验二直流并励电动机一、实验目的1.掌握用实验方法测取直流并励电动机的工作特性和机械特性。
2.掌握直流并励电动机的调速方法。
二、预习要点1.什么是直流电动机的工作特性和机械特性?2.直流电动机调速原理是什么?三、实验项目1.工作特性和机械特性(自然和人工)保持U=U N和I f=I fN不变,R1=0,测取n、M2、n=f(I a)及n=f(M2)。
保持U=U N和I f=I fN不变,R1+R a=100%R aN,测取n、M2、n=f(I a)及n=f(M2)。
2.调速特性(1)改变电枢电压调速保持U=U N,I f=I fN常值,M0=常值,测取n=f(U a)。
(2)改变励磁电流调速保持U=U N,M2=常值,R1=0,测取n=f(I f)。
四、实验内容及要求1、并励电动机的工作特性和机械特性实验线路如图2—1所示。
图2-1 直流并励电动机接线图要求:1、计算出I a 、P 2和η,并绘出n 、M 、n =f(I a )及n =f(M 2)的自然特性曲线。
电动机输出功率 P 2=0.105nM 2式中输出转矩M 2的单位为N .M ,转速n 的单位为r /min 。
电动机输入功 P 1=U (I a +I fN ) 电动机效率 η=12P P ×100% 由工作特性求出转速变化率: Δn =NNn n n -0×l00% 2.由表2-1在同一坐标纸上画出R 1+R a =100%R aN 时的人工机械特性曲线。
测量固有机械特性表2—1 U=U N =__220___V I f =I f N =__0.122___A R 1=_0__Ω说明:实验测得额定电流、额定电压下转速为1301/min N n r =用matlab 最小二乘拟合得以下固有特性n-Te(mN ·m)曲线图1由以上求得Te=0时,n0≈1399,Te=800时,n ≈1347,∴β≈0.06用matlab 最小二乘拟合得以下固有特性n-Ia 曲线图2由以上求得Ia=0时,n ≈1409;Ia=1.1时,n ≈1317(说明: Δn =NNn 0×l00% 中N n 取1301r/min ) 测量串电阻...人工机械特性 表2—2 U=U N =__220____V I f =I f N =___0.118__A R 1=____178_Ω 用matlab 最小二乘拟合得以下n-Te(mN ·m)人工特性曲线图3由以上求得n0≈1278r/min,β≈0.9782.调速特性(1)改变电枢端电压的调速(2)改变励磁电流的调速要求:绘出并励电动机调速特性曲线n=f(U)和n=f(If)。
一、实验目的1. 掌握直流并励电动机的基本结构和工作原理。
2. 通过实验,了解并励直流电动机的工作特性和机械特性。
3. 熟悉直流并励电动机的调速方法及其应用。
二、实验原理直流并励电动机是一种将励磁绕组与转子绕组并联连接的直流电动机。
励磁绕组与电枢绕组并联,励磁电流大小与转子绕组电压及励磁电路的电阻有关。
并励直流电动机具有以下特点:1. 电压与励磁电流的关系:U = E + IaRa,其中E为电动势,Ra为电枢电阻。
2. 电流与励磁电流的关系:Ia = (E - U) / Ra,其中Ia为电枢电流。
3. 转矩与励磁电流的关系:T = kT Ia,其中kT为转矩常数。
三、实验仪器与设备1. 直流并励电动机2. 测功机3. 实验工作台4. 直流电压源5. 电流表6. 电压表7. 电阻箱8. 万用表四、实验步骤与内容1. 接线:按照实验线路图连接电路,确保连接正确无误。
2. 初始设置:- 将R1调至最大,Rf调至最小。
- 测功机常规负载旋钮调至零。
- 直流电压调至零。
- 各个测量表均调至最大量程处。
3. 启动电动机:- 接通实验电路,将直流电压源调至25伏左右。
- 在电动机转速较慢的情况下,判断其转向是否与测功机上箭头所示方向一致。
若不一致,则将电枢绕组或励磁绕组反接。
4. 测量额定励磁电流:- 将R1调至零,调节直流电压源旋钮,使U220V,转速稳定后将测功机转矩调零。
- 同时调节直流电源旋钮,测功机的加载旋钮和电动机的磁场调节电阻Rf,使UUN220V,IIN1.1A,nnN1600r/min,记录此时励磁电流If,即为额定励磁电流IfN。
5. 测量工作特性和机械特性:- 在保持UUN220V,IfIfN0.071A及R10不变的条件下,逐次减小电动机的负载,测取电动机的转速n和转矩T,记录数据。
- 绘制工作特性和机械特性曲线。
五、实验结果与分析1. 工作特性曲线:在工作特性曲线上,可以看出电动机的转速随负载的增加而下降,转速与负载之间的关系呈非线性。
直流并励电动机一、实验目的1、掌握用实验方法测取直流并励电动机的工作特性和机械特性。
2、掌握直流并励电动机的调速方法。
二、预习要点1、什么是直流电动机的工作特性和机械特性?2、直流电动机调速原理是什么?三、实验项目1、工作特性和机械特性保持U=U N和I f=I fN不变,测取n、T2、η=f(I a)、n=f(T2)。
2、调速特性(1)改变电枢电压调速保持U=U N、I f=I fN=常数,T2=常数,测取n=f(U a)。
(2)改变励磁电流调速保持U=U N,T2=常数,测取n=f(I f)。
四、实验方法1、实验设备2、屏上挂件排列顺序D31、D42、D51、D31、D443、并励电动机的工作特性和机械特性1)按图1接线。
校正直流测功机 MG 按他励发电机连接,在此作为直流电动机M 的负载,用于测量电动机的转矩和输出功率。
R f 1选用D44的1800Ω阻值。
R f2 选用D42的900Ω串联900Ω共1800Ω阻值。
R 1用D44的180Ω阻值。
R 2选用D42的900Ω串联900Ω再加900Ω并联900Ω共2250Ω阻值。
2)将直流并励电动机M 的磁场调节电阻R f1调至最小值,电枢串联起动电阻R 1调至最大值,接通控制屏下边右方的电枢电源开关使其起动,其旋转方向应符合转速表正向旋转的要求。
3)M 起动正常后,将其电枢串联电阻R 1调至零,调节电枢电源的电压为220V ,调节校正直流测功机的励磁电流I f2为校正值100 mA (如果是DJ25则取I f2=50mA ),再调节其负载电阻R 2和电动机的磁场调节电阻R f1,使电动机达到额定值:U =U N ,I =I N ,n =n N 。
此时M 的励磁电流I f 即为额定励磁电流I fN 。
4)保持U =U N ,I f =I fN ,I f2为校正值不变的条件下,逐次减小电动机负载(增大R 2)。
测取电动机电枢输入电流I a ,转速n 和校正电机的负载电流I F (由校正曲线查出电动机输出对应转矩T 2)。
实验二直流并励电动机一.实验目的1.掌握用实验方法测取直流并励电动机的工作特性和机械特性。
2.掌握直流并励电动机的调速方法。
二.预习要点1.什么是直流电动机的工作特性和机械特性?2.直流电动机调速原理是什么?三.实验项目1.工作特性和机械特性保持U=U N和I f=I fN不变,测取n、T2、n=f(I a)及n=f(T2)。
2.调速特性(1)改变电枢电压调速保持U=U N、I f=I fN=常数,T2=常数,测取n=f(Ua)。
(2)改变励磁电流调速保持U=U N,T2 =常数,R1 =0,测取n=f(I f)。
(3)观察能耗制动过程四.实验设备及仪器1.NMEL系列电机教学实验台的主控制屏。
2.电机导轨及涡流测功机、转矩转速测量(NMEL-13)。
3.可调直流稳压电源(含直流电压、电流、毫安表)4.直流电压、毫安、安培表(NMEL-06)。
5.直流并励电动机。
M03 (U N=220v,I N=1.1A,n N=1600)6.波形测试及开关板(NMEL-05)。
7.三相可调电阻900Ω(MEL-03)。
五.实验方法1.并励电动机的工作特性和机械特性。
实验线路如图1-6所示U1:可调直流稳压电源R1、R f:电枢调节电阻和磁场调节电阻,位于NMEL-09。
机旋转,并调整电机的旋转方向,使电机正转。
b.直流电机正常起动后,将电枢串联电阻R1调至零,调节直流可调稳压电源的输出至220V,再分别调节磁场调节电阻R f和“转矩设定”电位器,使电动机达到额定值:U=U N=220V,Ia=I N,n=n N=1600r/min,此时直流电机的励磁电流I f=I fN(额定励磁电流)。
c.保持U=U N,I f=I fN不变的条件下,逐次减小电动机的负载,即逆时针调节“转矩设定”电位器,测取电动机电枢电流I a、转速n和转矩T2,共取数据7-8组填入表1-8中。
表U=U N=221 V I f=I fN= 56.1 mA I f2= 1.1 A1.转速和输出功率2.转矩和输出功率3.电动机效率和电动机电枢输入电流η=f(Ia)4.n=f(T2)2.调速特性(1)改变电枢端电压的调速a.按上述方法起动直流电机后,将电阻R1调至零,并同时调节负载,电枢电压和磁场调节电阻R f,使电机的U=U N,I a=0.5I N,I f=I fN,记录此时的T2= N.m b.保持T2不变,I f=I fN不变,逐次增加R1的阻值,即降低电枢两端的电压U a,R1从零调至最大值,每次测取电动机的端电压U a,转速n和电枢电流I a,共取7-8组数据填入表1-9中。
2-3直流并励电动机一、实验目的1、掌握用实验方法测取直流并励电动机的工作特性和机械特性。
2、掌握直流并励电动机的调速方法。
二、预习要点1、什么是直流电动机的工作特性和机械特性?2、直流电动机调速原理是什么?三、实验项目1、工作特性和机械特性保持U=U N和I f=I fN不变,测取n、T2、η=f(I a)、n=f(T2)。
2、调速特性(1)改变电枢电压调速保持U=U N、I f=I fN=常数,T2=常数,测取n=f(U a)。
(2)改变励磁电流调速保持U=U N,T2=常数,测取n=f(I f)。
(3)观察能耗制动过程四、实验方法1、实验设备2、屏上挂件排列顺序D31、D42、D51、D31、D443、并励电动机的工作特性和机械特性1)按图2-6接线。
校正直流测功机 MG按他励发电机连接,在此作为直流电动机M的负载,用于测量电动机的转矩和输出功率。
Rf1选用D44的1800Ω阻值。
Rf2选用D42的900Ω串联900Ω共1800Ω阻值。
R1用D44的180Ω阻值。
R2选用D42的900Ω串联900Ω再加900Ω并联900Ω共2250Ω阻值。
图2-6 直流并励电动机接线图2)将直流并励电动机M的磁场调节电阻R f1调至最小值,电枢串联起动电阻R1调至最大值,接通控制屏下边右方的电枢电源开关使其起动,其旋转方向应符合转速表正向旋转的要求。
3)M起动正常后,将其电枢串联电阻R1调至零,调节电枢电源的电压为220V,调节校正直流测功机的励磁电流I f2为校正值(50mA或100 mA),再调节其负载电阻R2和电动机的磁场调节电阻R f1,使电动机达到额定值:U=U N,I=I N,n=n N。
此时M的励磁电流I f即为额定励磁电流I fN。
4)保持U=U N,I f=I fN,I f2为校正值不变的条件下,逐次减小电动机负载。
测取电动机电枢输入电流I a,转速n和校正电机的负载电流I F(由校正曲线查出电动机输出对应转矩T2)。
实验二直流并励电动机
一.实验目的
1.掌握用实验方法测取直流并励电动机的工作特性和机械特性。
2.掌握直流并励电动机的调速方法。
二.预习要点
1.什么是直流电动机的工作特性和机械特性?
2.直流电动机调速原理是什么?
三.实验项目
1.工作特性和机械特性
保持U=U N和I f=I fN不变,测取n、T2、n=f(I a)及n=f(T2)。
2.调速特性
(1)改变电枢电压调速
保持U=U N、I f=I fN=常数,T2=常数,测取n=f(Ua)。
(2)改变励磁电流调速
保持U=U N,T2 =常数,R1 =0,测取n=f(I f)。
(3)观察能耗制动过程
四.实验设备及仪器
1.NMEL系列电机教学实验台的主控制屏。
2.电机导轨及涡流测功机、转矩转速测量(NMEL-13)。
3.可调直流稳压电源(含直流电压、电流、毫安表)
4.直流电压、毫安、安培表(NMEL-06)。
5.直流并励电动机。
M03 (U N=220v,I N=1.1A,n N=1600)
6.波形测试及开关板(NMEL-05)。
7.三相可调电阻900Ω(MEL-03)。
五.实验方法
1.并励电动机的工作特性和机械特性。
实验线路如图1-6所示
U1:可调直流稳压电源
R1、R f:电枢调节电阻和磁场调节电阻,
位于NMEL-09。
电机旋转,并调整电机的旋转方向,使电机正转。
b.直流电机正常起动后,将电枢串联电阻R1调至零,调节直流可调稳压电源的输出至220V,再分别调节磁场调节电阻R f和“转矩设定”电位器,使电动机达到额定值:U=U N=220V,Ia=I N,n=n N=1600r/min,此时直流电机的励磁电流I f=I fN(额定励磁电流)。
c.保持U=U N,I f=I fN不变的条件下,逐次减小电动机的负载,即逆时针调节“转矩设定”电位器,测取电动机电枢电流I a、转速n和转矩T2,共取数据7-8组填入表1-8中。
表U=U N=221V I f=I fN=56.1mA I f2=1.1 A
1.转速和输出功率
2.转矩和输出功率
3.电动机效率和电动机电枢输入电流η=f(Ia)
4.n=f(T2)
2.调速特性
(1)改变电枢端电压的调速
a.按上述方法起动直流电机后,将电阻R1调至零,并同时调节负载,电枢电压和磁场调节电阻R f,使电机的U=U N,I a=0.5I N,I f=I fN,记录此时的T2= N.m b.保持T2不变,I f=I fN不变,逐次增加R1的阻值,即降低电枢两端的电压U a,R1从零
调至最大值,每次测取电动机的端电压U a,转速n和电枢电流I a,共取7-8组数据填入表1-9中。
表1-9 I
1.n=f(Ua)
(2)改变励磁电流的调速
a.直流电动机起动后,将电枢调节电阻和磁场调节电阻R f调至零,调节可调直流电源的输出为220V,调节“转矩设定”电位器,使电动机的U=U N,I a=0.5I N,记录此时的T2= N.m
b.保持T2和U=U N不变,逐次增加磁场电阻R f阻值,直至n=1.3n N,每次测取电动机的n、I f和I a,共取7-8组数据填写入表1-10中。
1.n=f(If)
一7接线
:直流电机电枢调节
f
和磁场调节电阻
)
MEL-03中两只900
(MEL-05)
.将开关S合向“1”端,R1调至最大,R f调至最小,起动直流电机。
b.运行正常后,从电机电枢的一端拨出一根导线,使电枢开路,电机处于自由停机,记录停机时间。
小RL:2.8s ,2.9, 2.8s 大RL:3.2s ,3.1s, 3.3s
c.重复起动电动机,待运转正常后,把S合向“2”端记录停机时间。
小RL:0.7s ,0.7 s, 0.8s 大RL:1.9s ,2.2s, 2.3s
d.选择不同R L阻值,观察对停机时间的影响。
六.实验报告
1.由表1-8计算出P 2和η,并绘出n 、T 2、η=f(I a )及n=f(T 2)的特性曲线。
电动机输出功率 P 2=0.105nT 2
式中输出转矩T 2的单位为N ·m ,转速n 的单位为r /min 。
电动机输入功率 P 1=UI 电动机效率 η=
1
2
P P ×100% 电动机输入电流 I=I a +I fN
由工作特性求出转速变化率: Δn=
N
N
O n n n ×100% 特性曲线见表格后
2.绘出并励电动机调速特性曲线n=f(U a )和n=f(I f )。
分析在恒转矩负载时两种调速的电枢电流变化规律以及两种调速方法的优缺点。
答:特性曲线图见表格后。
改变电枢端电压的调速时,由公式Tem=CT ΦIa 可知,T 与If 不变时,Tem 与Φ均不变,故Ia 也不变,于此可知Ia 在实验中几乎不变
改变励磁电流的调速时,由公式Tem=CT ΦIa 可知,T 不变时,Tem 不变,Φ与If 成正相关,因此可知Ia 与If 成反相关,当励磁电流减小时,Ia 会增加。
2种调速方法的优缺点:
改变电枢端电压调速:可以连续平滑的无极调速,机械特性硬,对于轻载与重载具有明显的
调速效果。
但转速只能从额定转速往下调,初投资大,维护要求高。
改变励磁电流调速:在恒转矩负载时,因磁通减小,导致电枢电流Ia 增大,电机效率降低, 而且长时间运行会导致电机发热,故弱磁调速适合恒功率场合。
弱磁调速可以连续平滑调速,改变励磁电流控制方便,但转速只能从额定转速往上调,最高转速受机械强度与换向能力的限制。
3.能耗制动时间与制动电阻R L 的阻值有什么关系?为什么?该制动方法有什么缺点? 答:由上面数据可以看出,电阻越小,制动电流越大,制动时间越短; 反之,电阻越大,制动电流越小,制动时间越长; 能耗制动,在电动机脱离电源之后,在定子绕组上加一个直流电压,即通入直流电流,产生一静止磁场,利用转子感应电流与静止磁场的作用达到制动的目的。
能耗制动的缺点有:在制动过程中,随着转速下降,制动转矩随之减小,制动效果变差,电机易发热。
七.思考题
1.并励电动机的速率特性n=f(I a )为什么是略微下降?是否会出现上翘现象?为什么?上翘的速率特性对电动机运行有何影响?
答:由n=U/CeΦ-RaT/CeCTΦ2=n0-βT,为一条下垂的斜线,由于直流电动机中的
Ra<<CeCTΦ2,故β很小,只是略微下降。
当Ia增加时,由于电枢反应表现为去磁效应,导致Φ的减小,E=CeΦn知,n会增加,故可能出现上翘现象。
2.当电动机的负载转矩和励磁电流不变时,减小电枢端压,为什么会引起电动机转速降低?
答:当M和If不变时,由E=CeΦn知,电动机转速会下降
3.当电动机的负载转矩和电枢端电压不变时,减小励磁电流会引起转速的升高,为什么?
答:当M和Ua不变时,由E=CeΦn知,减小励磁电流会使Φ减小,而E几乎不变,故n升高
4.并励电动机在负载运行中,当磁场回路断线时是否一定会出现“飞速”?为什么?答:当磁场回路断线时,Φ值骤减,但由于但由于磁滞效应,仍有剩磁存在,
由公式n=U/CeΦ-RaT/CeCTΦ2=n0-βT可得,n0,β均变得很大,而且β>n0,于是当负载转矩很小时,可能会导致飞速。