直流并励电机
- 格式:docx
- 大小:261.78 KB
- 文档页数:8
直流并励电动机实验原理直流并励电动机是一种常见的电动机类型,它具有结构简单、价格低廉以及调速性能优良的特点,在工业生产和日常生活中得到了广泛应用。
直流并励电动机的原理基于摩擦能转换为电能的基本原理,通过电磁力的作用将电能转化为机械能。
它由电枢、励磁组和分配机构组成。
首先,我们来看电枢部分。
电枢由一组绕在铁芯上的电线圈组成,通电后产生磁场。
其中,直流电源的正极连接电枢上的一个接线柱,电源的负极连接电枢上的另一个接线柱。
通过这种连接方式,电流会通过电枢形成一个磁场。
这个磁场会在电枢的轴线方向上产生一个极性,并向着相反的方向形成两个极。
接下来是励磁组的部分。
励磁组通常由励磁线圈和励磁磁极组成。
励磁线圈绕在励磁磁极上,通过连接到外部电源,提供所需的励磁电流。
当励磁线圈通电时,产生的磁场会使励磁极上的磁场与电枢的磁场相互作用,进而形成一个磁极。
最后是分配机构的部分。
分配机构通常由刷子和换向器组成。
刷子与电枢的正、负极接触,使励磁组和电枢之间的电路实时连接。
换向器则根据电枢和励磁极的相对位置,实现电流的方向变换,从而实现正反转。
当直流电源连接到电动机的电枢上时,电流通过电枢产生磁场,同时励磁线圈的磁场与电枢的磁场相互作用,使电动机形成一个旋转磁场。
根据电动机的工作原理,通过刷子和换向器,将电流反复改变方向,从而使产生的磁场不断改变方向。
根据洛伦兹力的原理,当电流通过电枢和励磁线圈时,会产生一个力对电枢和励磁线圈施加作用力,使整个电机产生转动力矩。
而要实现电动机的转速调节,可以通过改变电流的大小或者改变励磁线圈的励磁电压来实现。
当电流增大时,电枢和励磁线圈产生的磁场也增大,力的大小也会增大,从而使电机的转速加快。
相反,当电流减小时,电机的转速会减慢。
另外,直流并励电动机还具有多种保护措施。
例如,可以通过使用熔断器或过电流继电器等装置,以保护电机不受过电压或过流的损害。
此外,还可以使用温度传感器来监测电机的温度,当温度超过设定值时,会及时切断电源,以避免电机因温度过高而受损。
并励直流电动机的转速公式一、引言并励直流电动机是一种常见的电动机类型,广泛应用于工业生产和日常生活中。
了解并励直流电动机的转速公式对于理解其工作原理和性能至关重要。
二、并励直流电动机的基本原理并励直流电动机是一种将直流电能转换为机械能的装置。
其基本原理是利用直流电源提供的电流通过电枢产生磁场,与永磁励磁产生的磁场相互作用,从而产生转矩,驱动电动机旋转。
根据电动机的基本原理,可以推导出并励直流电动机的转速公式。
转速公式的推导需要考虑电动机的电磁转矩和机械转矩之间的平衡关系。
1. 电磁转矩:电磁转矩是由电动机的电磁场产生的,可以通过下式计算:Te = Kt * Ia * φ其中,Te表示电磁转矩,Kt为电磁转矩系数,Ia为电动机的电流,φ为电动机的磁通。
2. 机械转矩:机械转矩是电动机输出的转矩,可以通过下式计算:Tm = J * dw/dt其中,Tm表示机械转矩,J为电动机的转动惯量,dw/dt为转速的变化率。
3. 平衡关系:在电动机正常运行的情况下,电磁转矩和机械转矩达到平衡,即Te = Tm。
将电磁转矩和机械转矩的公式代入平衡关系中,可以得到:Kt * Ia * φ = J * dw/dt四、并励直流电动机的转速公式根据平衡关系的推导,可以得到并励直流电动机的转速公式:dw/dt = (Kt * Ia * φ) / J根据转速公式,可以看出转速与电动机的电流、磁通和转动惯量之间存在关系。
在实际应用中,可以通过调节电流和磁通的大小,来控制电动机的转速。
五、应用举例以工业生产中的输送带驱动为例,假设输送带的负载恒定,需要通过并励直流电动机来驱动。
可以根据负载的大小,调节电动机的电流和磁通,从而控制电动机的转速,使得输送带的运行速度得以控制。
六、总结并励直流电动机是一种常用的电动机类型,其转速公式可以通过电磁转矩和机械转矩的平衡关系推导得到。
掌握并励直流电动机的转速公式对于理解电动机的工作原理和性能具有重要意义。
并励他励直流电动机机械特性直流电动机机械特性直流电动机是一种常见的电动机类型,具有很多独特的机械特性。
本文将介绍直流电动机的机械特性,包括转速特性、扭矩特性和效率特性,并探讨其在不同负载条件下的应用。
一、转速特性转速特性是指直流电动机转速与负载之间的关系。
直流电动机的转速特性通常分为三个区域:无负载区、稳定区和过载区。
在无负载区,直流电动机没有外部负载,转速较高。
这是因为电动机的电磁转矩与负载转矩平衡,只需克服摩擦力和空气阻力等小阻力,转速较高。
稳定区是直流电动机在额定负载下运行的区域,此时电机输出的扭矩与负载转矩平衡,电机转速稳定。
过载区是指电动机承受超过额定负载的情况,此时电机输出扭矩无法满足负载需求,转速下降。
二、扭矩特性扭矩特性是指直流电动机的输出扭矩与负载之间的关系。
直流电动机的扭矩特性通常呈现线性关系。
在无负载区,直流电动机输出扭矩较小,仅需克服摩擦力等小阻力。
随着负载的增加,直流电动机的输出扭矩逐渐增大,直到达到额定负载时,输出扭矩与负载转矩平衡。
如果负载超过额定负载,直流电动机的输出扭矩将无法满足负载需求,会导致转速下降,扭矩特性曲线呈现下降趋势。
三、效率特性效率特性是指直流电动机的转化效率与负载之间的关系。
直流电动机在不同负载下的效率特性通常呈现“脱钩”特性。
在无负载区,直流电动机的转化效率较低,因为在此区域内,电机除了需要克服摩擦力和空气阻力等小阻力,还需要消耗能量产生磁通。
在稳定区,直流电动机的转化效率较高,因为此时输出扭矩与负载转矩平衡,效率最大。
在过载区,电动机输出的扭矩无法满足负载需求,效率下降。
四、应用领域直流电动机的机械特性使其在多个领域得到广泛应用。
首先是工业领域,直流电动机的可调速性和精密控制特性,使其适用于需要精确转速和负载调整的设备,如机床、输送带和搅拌设备等。
此外,直流电动机的起动扭矩大,能够瞬间产生较大的扭矩输出,因此在起动和制动要求高的场合下也有广泛应用,如电梯、卷帘门和电动车辆等。
并励直流电动机的工作原理一、引言在现代工业和家庭生活中,电动机扮演着重要的角色。
其中,并励直流电动机是一种常见且广泛应用的电动机。
本文将深入探讨并励直流电动机的工作原理。
二、并励直流电动机的结构并励直流电动机由以下几个主要部分组成: 1. 转子:转子是电动机的旋转部分,通常由导电材料制成。
转子上有多个绕组,通常为绕制在铁芯上的线圈。
2. 定子:定子是电动机的静止部分,通常由铁芯和绕制在上面的线圈组成。
定子线圈的绕组方式与转子绕组相对应。
3. 磁极:磁极是由永磁体或电磁线圈制成的,用于产生磁场。
磁极可以是定子上的一部分,也可以是转子上的一部分。
4. 刷子:刷子是与转子绕组接触的导电碳块或碳刷。
刷子通过与转子绕组的接触,将电流引入转子绕组,从而产生力矩。
三、并励直流电动机的工作原理并励直流电动机的工作原理可以分为以下几个步骤: 1. 电源供电:将电源连接到电动机的定子绕组和励磁绕组上。
电源可以是直流电源或交流电源经整流后得到的直流电源。
2. 励磁产生磁场:当电源供电后,励磁绕组中的电流会产生磁场。
磁场可以由永磁体或电磁线圈产生。
3. 电流引入转子绕组:通过刷子与转子绕组的接触,电流被引入转子绕组。
根据左手定则,电流在磁场作用下会受到力的作用。
4. 产生转矩:根据左手定则,电流在磁场作用下会产生力矩。
这个力矩将转子带动旋转。
5. 转子旋转:由于产生的力矩,转子开始旋转。
旋转的速度取决于电流的大小和磁场的强度。
6. 输出功率:转子的旋转将机械能转化为电能,从而产生输出功率。
输出功率可以用于驱动其他设备或机械。
四、并励直流电动机的优点和应用并励直流电动机具有以下几个优点: 1. 调速性能好:并励直流电动机可以通过调节电源电压或电流来实现调速,调速范围广。
2. 起动扭矩大:并励直流电动机在起动时可以提供较大的扭矩,适用于启动重载或需要高起动扭矩的设备。
3. 可逆性好:并励直流电动机可以实现正反转,适用于需要频繁改变转向的应用。
实验二直流并励电动机一.实验目的1.掌握用实验方法测取直流并励电动机的工作特性和机械特性;2.掌握直流并励电动机的调速方法;二.预习要点1.什么是直流电动机的工作特性和机械特性答:工作特性:当U = UN , Rf+ rf= C时,η, n ,T分别随P2变;机械特性:当U = UN , Rf+ rf= C时, n 随 T 变;2.直流电动机调速原理是什么答:由n=U-IR/Ceφ可知,转速n和U、I有关,并且可控量只有这两个,我们可以通过调节这两个量来改变转速;即通过人为改变电动机的机械特性而使电动机与负载两条特性的交点随之改变,从而达到调速的目的;三.实验项目1.工作特性和机械特性保持U=UN和If=IfN不变,测取n=fIa及n=fT2;2.调速特性1改变电枢电压调速保持U=UN、If=IfN=常数,T2=常数,测取n=fUa;2改变励磁电流调速保持U=UN,T2 =常数,R1 =0,测取n=fIf;3观察能耗制动过程四.实验设备及仪器1.MEL-I系列电机教学实验台的主控制屏;2.电机导轨及涡流测功机、转矩转速测量MEL-13、编码器、转速表;3.可调直流稳压电源含直流电压、电流、毫安表4.直流电压、毫安、安培表MEL-06;压表MEL-06G :涡流测功机I S :涡流测功机励磁电流调节,位于MEL-13;2测取电动机电枢电流I a 、转速n 和转矩T 2,共取数据7-8组填入表1-8中表1-8 U =U N =220V I f =I f N = K a = Ω速特性电调= 2改变励磁电流的调速表T 2=1一7接线 f :直流电机电枢调节电阻MEL-09 MEL-03中两只900Ω;MEL-05.直流电动机起动前, 测功机加载旋钮调至零. 实验做完也要将测功机负载钮调到零,否则电机起动时,测功机会受到冲击;2.负载转矩表和转速表调零.如有零误差,在实验过程中要除去零误差; 3.为安全起动, 将电枢回路电阻调至最大, 励磁回路电阻调至最小; 4.转矩表反应速度缓慢,在实验过程中调节负载要慢;5.实验过程中按照实验要求, 随时调节电阻, 使有关的物理量保持常量, 保证实验数据的正确性;七.实验数据及分析1.由表1-8计算出 P2和η,并绘出n 、T2、η=fI a 及n=fT 2的特性曲线; 电动机输出功率 P 2=式中输出转矩T 2 的单位为N ·m,转速n 的单位为r /min; 电动机输入功率:P 1=UI 电动机效率 η=12P P ×100% 电动机输入电流:I =I a +I fN 由工作特性求出转速变化率: Δn=NNO n n n ×100% 解:对第一组数据,有:P 2=×1600×=I =I a +I fN =+0.0748A=1.1748AP1=220×= η= P 2/ P 1×100%==77%Δn=1600-1600/1600 ×100%=% 同理可得其他数据,见表1-8;转速n 的特性曲线如下: 转矩T 2的特性曲线如下: η=fI a 的特性曲线如下: n=fT 2的特性曲线如下: 并励电动机调速特性曲线n=fUa 如下: 并励电动机调速特性曲线n=fI f 如下:2.绘出并励电动机调速特性曲线n=fU a 和n=fI f ;分析在恒转矩负载时两种调速的电枢电流变化规律以及两种调速方法的优缺点;解:在恒转矩负载时两种调速的电枢电流变化规律以及两种调速方法的优缺点为: 调压调速是在基速以下调节转速的方法,电压越小,转速越小;调压调速的优点:1可实现无级调速;2相对稳定性较好;3调速范围较宽,D 可达10-20;4调速经济性较好;调压调速的缺点:需要一套可控的直流电源;弱磁调速是在基速以上调节转速的方法,励磁电流减小,磁通变小,转速升高;弱磁调速的优点:1控制方便,能量损耗小;2可实现无级调速;弱磁调速的缺点:由于受电动机机械强度和换向火花的限制,转速不能太高,调速范围窄,一般要与调压调速配合使用;3.能耗制动时间与制动电阻RL的阻值有什么关系为什么该制动方法有什么缺点能耗制动时间与制动电阻RL的阻值的大小有关,制动电阻越大,制动过程的时间越长;反之制动时间越短;这是因为在能耗制动过程中,制动时间主要取决于TMn ,TMn与制动电阻成正比,所以制动电阻越大,制动过程的时间越长;采用能耗制动方法停车的缺点在于在制动过程中,随着转速的下降,制动转矩随着减小,制动效果变差;八.问题讨论1.并励电动机的速率特性n=fIa为什么是略微下降是否会出现上翘现象为什么上翘的速率特性对电动机运行有何影响答:根据并励电动机的速率特性公式,若忽略电枢反应 ,当电枢回路电流增加时,转速下降;若考虑电枢反应的去磁效应,磁通下降可能引起转速的上升,即出现上翘现象;这样的变化与电枢回路电流增大引起的转速降相抵消,对电动机的影响是使电动机的转速变化很小;2.当电动机的负载转矩和励磁电流不变时,减小电枢端压,为什么会引起电动机转速降低答:由直流电动机机械特性的表达式可知,转速与电枢电压成正比、与磁通量成反比,所以降低电压时转速下降;3.当电动机的负载转矩和电枢端电压不变时,减小励磁电流会引起转速的升高,为什么答:由于磁通与励磁电流在额定磁通以下时基本成正比,所以励磁电流减小时,主磁通也随着减小;由机械特性的表达式可知,当磁通减小时,转速升高;4.并励电动机在负载运行中,当磁场回路断线时是否一定会出现“飞速”为什么答:不一定;这是因为当电动机负载较轻时,电动机的转速将迅速上升,造成“飞车”;但若电动机的负载为重载时,则电动机的电磁转矩将小于负载转矩,使电动机转速减小,但电枢电流将飞速增大,超过电动机允许的最大电流值,烧毁电枢绕组;九、实验体会通过这次实验,我们基本掌握了用实验的方法测取直流并励电动机的工作特性和机械特性,知道直流电动机的调速原理并掌握了直流并励电动机的调速方法;使我们更进一步认识了直流电动机;实验三三相变压器一、实验目的1.通过空载和短路实验,测定三相变压器的变比和参数;2.通过负载实验,测取三相变压器的运行特性;二、预习要点1.如何用双瓦特计法测三相功率,空载和短路实验应如何合理布置仪表;答:在一个三相系统中,任何一相都可以成为另一相的参考点或基准点;Y型接法通常选择中性点作为参考点,即便是三相三线制也将中性点作为参考点;Y型接法的好处是每一相的电压、电流和功率都可以独立测量;如果将三相中的某一相作为参考点,就可以用两只瓦特计测量整个三相系统的功率;空载实验:低压侧接电源,功率表、电流表,高压侧开路;短路实验:高压侧接电源、功率表、电流表,低压侧短路;2.三相心式变压器的三相空载电流是否对称,为什么答:不对称;根据磁势与励磁电流的关系式、磁通与磁阻的关系式可知:当外施三相对称电压时,三相空载电流不相等,中间相B相较小,A相和C相较大. B相磁路较短→B 相磁阻较小→空载运行时,建立同样大小的主磁通所需的电流就小.3.如何测定三相变压器的铁耗和铜耗;答:空载实验测铁耗,短路实验测铜耗;4.变压器空载和短路实验应注意哪些问题电源应加在哪一方较合适答:空载实验:空载实验要加到额定电压,当高压侧的额定电压较高时,为了方便于试验和安全起见,通常在低压侧进行实验,而高压侧开路;短路试验:由于短路试验时电流较大,而外加电压却很低,一般电力变压器为额定电压的4%~10%,为此为了便于测量,一般在高压侧试验,低压侧短路;三、实验项目1.测定变比2.空载实验:测取空载特性U0=fI,P=fU,cos0=fU0;3.短路实验:测取短路特性UK =fIK,PK=fIK,cosK=fIK;4.纯电阻负载实验:保持U1=U1N,cos2=1的条件下,测取U2=fI2;四、实验设备及仪器1.MEL-1电机教学实验台主控制屏含指针式交流电压表、交流电流表2.功率及功率因数表MEL-203.三相心式变压器MEL-024.三相可调电阻900ΩMEL-035.波形测试及开关板MEL-056.三相可调电抗MEL-08五、实验方法4.纯电阻负载实验实验线路如图2-7所示在三相变压器实验中,应注意电压表、电流表和功率表的合理布置;做短路实验时操作要快,否则线圈发热会引起电阻变化;七、实验报告:1.计算变比OO Oo I U P 3cos =ϕK ϕcos 2cos ϕ2cos ϕ由空载实验测取变压器的原、副方电压的三组数据,分别计算出变比,然后取其平均值作为变压器的变比K;K=/2.绘出空载特性曲线和计算激磁参数 1绘出空载特性曲线U O =fI O ,P O =fU O ,O ϕcos =fU O ;式中:2计算激磁参数从空载特性曲线上查出对应于Uo=U N 时的I O 和P O 值,并由下式算出激磁参数 3.绘出短路特性曲线和计算短路参数1绘出短路特性曲线U K =fI K 、P K =fI K 、 =fIK ; 2计算短路参数;从短路特性曲线上查出对应于短路电流I K =I N 时的U K 和P K 值,由下式算出实验环境 温度为θO C 短路参数;折算到低压方由于短路电阻r K 随温度而变化,因此,算出的短路电阻应按国家标准换算到基准工作温度75O C 时的阻值;式中:为铜导线的常数,若用铝导线常数应改为228; 阻抗电压I K = I N 时的短路损耗4.利用空载和短路实验测定的参数,画出被试变压器折算到低压方的“Γ”型等效电路;5.变压器的电压变化率ΔU1绘出 =1 和 = 两条外特性曲线U 2=fI 2,由特性曲线计算出I 2=I 2N 时的电压变化率ΔU2根据实验求出的参数,算出I 2=I 2N 、2cos ϕ=1和I 2=I 2N 、2cos ϕ=时的电压变化率ΔU ; ΔU = U Kr cos 2 + U Kx sin 2将两种计算结果进行比较,并分析不同性质的负载对输出电压的影响;2cos ϕ2cos ϕ*2*26.绘出被试变压器的效率特性曲线(1)用间接法算出 =不同负载电流时的变压器效率,记录于表2-5中;表2-5 cos 2 = P o = W P KN = W式中:I P N = P 2W ; P KN 为变压器IK=IN 时的短路损耗W ;Po 为变压器Uo=UN 时的空载损耗W;2由计算数据绘出变压器的效率曲线η=fI ;3计算被试变压器η=ηmax 时的负载系数 βm = ;数据处理:Rm= Zm= Xm= R1k= Z1k= X1k= R2k= Z2k= X2k=Rk75℃= Zk75℃= Xk75℃= Uk=% Ukr=% Ukx=% Pkn=%10020220⨯-=∆U U U U =% ΔU = UKrcos2 + UKx sin2 =% βm =%100)cos 1(22*22*2*2⨯+++-=KNo N KN o P I P P I P I P ϕη2cos ϕ2cos ϕ*2绘图:1.绘出空载特性曲线图1-11、图1-124.绘出 =1 , = 两条外特性曲线U 2=fI 2图1-45.由计算数据绘出变压器的效率曲线η=fI ;图1-5图1-11图1-122.绘出短路特性曲线图1-2图1-23.利用空载和短路实验测定的参数,画出被试变压器折算到低压方的“Γ”型等效电路图1-3图1-4八、实验体会本次实验做了空载、短路实验以及负载实验,测定了三相变压器的变比和其他参数,和三相变压器的运行特性;学会了功率因素表的使用,对三相变压器有了感性的认识;实验四 三相鼠笼异步电动机的工作特性一.实验目的1.掌握三相异步电机的空载、堵转和负载试验的方法; 2.用直接负载法测取三相鼠笼异步电动机的工作特性; 3.测定三相笼型异步电动机的参数;二.预习要点1. 异步电动机的工作特性指哪些特性答:1.转速特性 2.定子电流特性 3.功率因数特性 4.电磁转矩特性5.效率特性2.异步电动机的等效电路有哪些参数它们的物理意义是什么答:励磁电阻Rs 励磁电抗Xs 转子折算到定子侧的电阻R ‘r转子折算到定子侧的电抗X ’ro 转子每相的感应电动势 E ’ro; 3.工作特性和参数的测定方法;答:通过测取输出功率求异步电动机的工作特性;由空载、短路试验测取异步电动机的等效电路的参数;三.实验项目1.测量定子绕组的冷态电阻; 2.判定定子绕组的首未端; 3.空载试验; 4.短路试验; 5.负载试验;四.实验设备及仪器1.MEL-Ⅰ电机教学实验台主控制屏;2.电机导轨及测功机、矩矩转速测量MEL-13;3.交流功率、功率因数表MEL-20;4.直流电压、毫安、安培表MEL-06;5.三相可调电阻器900ΩMEL-03;6.波形测试及开关板MEL-05;7.三相鼠笼式异步电动机M04;五.实验步骤1.测量定子绕组的冷态直流电阻;伏安法测量定子绕组电阻,测量线路如图3-1;R:四只900Ω和900Ω电阻相串联MEL-03;A:直流毫安表,采用MEL-06 200mA档;V:直流电压表,采用万用表直流20V档;符号S表示手动接或不接万用表调节R使A表分别为50mA,40mA,30mA测取三次,取其平均值,测量定子三相绕组的电阻值,记录于表3-1中;注意事项:①在测量时,电动机的转子须静止不动;电机定子一相绕组图3-1 三相交流绕组的电阻的测定先用万用表测出各相绕组的两个线端,将其中的任意二相绕组串联如图3-2所示;4.短路实验测量线路如图3-3;5.负载实验1.计算基准工作温度时的相电阻由实验直接测得每相电阻值,此值为实际冷态电阻值;冷态温度为室温;按下式换算到基准工作温度时的定子绕组相电阻:式中 r lef ——换算到基准工作温度时定子绕组的相电阻,Ω;r 1c ——定子绕组的实际冷态相电阻,Ω;θref ——基准工作温度,对于E 级绝缘为75O C ; θc ——实际冷态时定子绕组的温度,O C2.3.4. 1由短路试验数据求短路参数短路阻抗 Z K =30.5060=短路电阻R K =0.525=50 R 'X 2Z R KKK I UZ =23KK K I P r =σ1X X X O m -=空载电抗 X O =2287.5-952.6=式中 U 0、I 0、P 0 —— 相应于U 0为额定电压时的相电压、相电流、三相空载功率;激磁电抗 X m =激磁电阻 R m =230.4*39.12)(= 式中 P Fe 为额定电压时的铁耗,由图3-4确定;5.作工作特性曲线P 1、I 1、n 、η、S 、cos 1=fP 2 S 关于n 的图像P 1、I 1、cos 1=fP 2 的图像P 1,P 2,K 的关系图像如下图所示:由负载试验数据计算工作特性,填入表3-6中;表3-6 U 1 = 220V △ I f = A式中 I 1——定子绕组相电流,A ; U 1——定子绕组相电压,V ;12113r I P CU =)(2'O O U f P = S ——转差率;η——效率;6.由损耗分析法求额定负载时的效率 电动机的损耗有:铁耗 P Fe 由空载试验可得:P Fe = 机械损耗 mec 有空载试验可知P mec = P O - P Fe =定子铜耗 P cul =3×2×= 转子铜耗P cu2=×÷100=杂散损耗P ad 取为额定负载时输入功率的%; P ad =×%= 式中 P em ——电磁功率,W ;P em = P 1 -P cul - P FeP em = 铁耗和机械损耗之和为: P0′= P Fe + P mec = P O - 3I O 2r 1P0′=+=为了分离铁耗和机械损耗,作曲线, 如图3-4; 延长曲线的直线部分与纵轴相交于P 点,P 点的纵座标即为电动机的机械损耗P mec ,过P 点作平行于横轴的直线,可得不同电压的铁耗P Fe ;电机的总损耗ΣP = P Fe + P cul + P cu2 + P ad ΣP=+++=于是求得额定负载时的效率为: η=÷×100﹪=﹪式中 P 1、S 、I 1由工作特性曲线上对应于P 2为额定功率P N 时查得;七.思考题1.由空载、短路试验数据求取异步电机的等效电路参数时,有哪些因素会引起误差 答:读数时产生的误差,仪表的误差,由于实验时线圈会发热,随着温度的升高电阻也会跟着变化,这也会产生误差;2.从短路试验数据我们可以得出哪些结论 答1.有回馈电源功率;2.短路时线电压很小3.由直接负载法测得的电机效率和用损耗分析法求得的电机效率各有哪些因素会引起误差答:由直接负载法测得的电机效率主要可能引起误差的是测量读数时仪表产生的误差;由损耗分析法求得的电机效率主要可能引起误差的因素是由图像读数时产生的误差;八、实验体会通过本次实验,我们基本掌握了三相异步电机的空载和负载实验的方法,学会了用直接负载法测取三相鼠笼异步电动机的工作特性,并掌握测定三相笼型异步电动机的参数,对异步电机有了更深的了解;。
并励直流电动机的工作原理一、引言并励直流电动机是一种常见的电动机类型,广泛应用于各种工业生产和民用设备中。
它的工作原理是通过电磁感应产生转矩,将电能转化为机械能,实现驱动负载旋转。
本文将从结构、原理、控制等方面介绍并励直流电动机的工作原理。
二、结构并励直流电动机由定子和转子两部分组成。
定子包括定子铁芯、绕组和集电环等部分。
定子铁芯是由硅钢片叠压而成,用于集中磁通线圈中的磁场。
绕组则是通过导线绕制而成,放置在定子铁芯上,并与集电环相连。
集电环则是固定在轴上的金属环形导体,用于提供外部直流电源。
转子由转子铁芯、绕组和换向器等部分组成。
转子铁芯同样由硅钢片叠压而成,用于产生旋转磁场。
绕组则是通过导线绕制而成,并与换向器相连。
换向器是一个旋转式开关,在不同位置上接通不同的导线,以改变绕组中的方向和大小。
三、原理并励直流电动机的工作原理是基于电磁感应的原理。
当外部直流电源施加在定子绕组上时,会在绕组中产生磁场。
这个磁场会通过定子铁芯集中到空气隙中,形成一个旋转磁场。
当转子绕组进入这个旋转磁场时,就会感应出电动势,并产生转矩,使得转子开始旋转。
为了保持旋转方向不变,需要通过换向器来改变绕组中的方向和大小。
当转子旋转到一定角度时,换向器就会自动切换到下一个位置上,以改变绕组中的方向和大小。
这样就能够保证电机始终朝着同一个方向旋转。
四、控制并励直流电动机的控制方法主要有两种:电压调速和PWM调速。
1. 电压调速电压调速是通过改变外部直流电源的电压来控制电机的运行速度。
当需要降低速度时,可以降低外部直流电源的输出电压;当需要提高速度时,则可以提高输出电压。
2. PWM调速PWM调速是通过改变占空比来控制电机的运行速度。
当需要降低速度时,可以减小占空比;当需要提高速度时,则可以增大占空比。
五、总结并励直流电动机是一种常见的电动机类型,具有结构简单、转矩平稳和控制方便等优点。
其工作原理是基于电磁感应的原理,通过定子和转子之间的相互作用来实现机械能的转换。
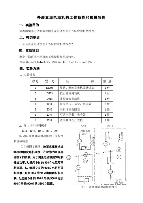
并励直流电动机的工作特性和机械特性一、实验目的掌握用实验方法测取并励直流电动机的工作特性和机械特性。
二、预习要点什么是直流电动机的工作特性和机械特性?三、实验项目测定并励直流电动机的工作特性和机械特性:保持U=U N 和I f =I fN 不变,测取n 、T 2、η=f (I a )、n=f (T 2)。
四、实验方法 1、实验设备2、屏上挂件排列顺序 D31、D42、D51、D31、D443、测定并励直流电动机的工作特性和机械特性(1)按图1接线。
校正直流测功机 MG 按他励发电机连接,在此作为直流电动机M 的负载,用于测量电动机的转矩和输出功率。
R f1选用D44的900Ω电阻两只相串联。
R f2 选用D42的900Ω电阻两只相串联。
R 1用D44的90Ω电阻两只相串联。
R 2选用D42的900Ω串联900Ω再加900Ω串联900Ω共3600Ω阻值。
图1 并励直流电动机接线图DJ15DJ23(2)将并励直流电动机M 的磁场调节电阻R f1调至最小值,电枢串联起动电阻R 1调至最大值,接通控制屏下边右方的电枢电源开关使其起动,其旋转方向应符合转速表正向旋转的要求。
(3)M 起动正常后,将其电枢串联电阻R 1调至零,调节电枢电源的电压为220V ,调节校正直流测功机的励磁电流I f2为校正值100 mA (如果是DJ25则取I f2=50mA ),再调节其负载电阻R 2和电动机的磁场调节电阻R f1,使电动机达到额定值:U =U N ,I =I N ,n =n N 。
此时M 的励磁电流I f 即为额定励磁电流I fN 。
(4)保持U =U N ,I f =I fN ,I f2为校正值不变的条件下,逐次减小电动机负载(增大R 2)。
测取电动机电枢输入电流I a ,转速n 和校正电机的负载电流I F (按不同的I F 值,查对应于I f2=100mA 时的校正曲线T 2=f(I F ),可查出电动机输出对应转矩T 2值)。
直流电机实验报告篇一:并励直流电机实验报告实验二直流并励电动机一.实验目的1.掌握用实验方法测取直流并励电动机的工作特性和机械特性。
2.掌握直流并励电动机的调速方法。
1.什么是直流电动机的工作特性和机械特性?答:工作特性:当U = UN, Rf + rf = C时,η, n ,T 分别随P2 变;机械特性:当U = UN, Rf + rf = C时, n 随 T 变;2.直流电动机调速原理是什么?答:由n=(U-IR)/Ceφ可知,转速n和U、I有关,并且可控量只有这两个,我们可以通过调节这两个量来改变转速。
即通过人为改变电动机的机械特性而使电动机与负载两条特性的交点随之改变,从而达到调速的目的。
二.预习要点三.实验项目1.工作特性和机械特性保持U=UN 和If =IfN 不变,测取n=f(Ia)及n=f(T2)。
2.调速特性(1)改变电枢电压调速保持U=UN 、If=IfN =常数,T2 =常数,测取n=f(Ua)。
(2)改变励磁电流调速保持U=UN,T2 =常数,R1 =0,测取n=f(If)。
(3)观察能耗制动过程四.实验设备及仪器1.MEL-I系列电机教学实验台的主控制屏。
2.电机导轨及涡流测功机、转矩转速测量(MEL-13)、编码器、转速表。
3.可调直流稳压电源(含直流电压、电流、毫安表)4.直流电压、毫安、安培表(MEL-06)。
5.直流并励电动机。
6.波形测试及开关板(MEL-05)。
S (2)测取电动机电枢电流Ia、转速n和转矩T2,共取数据7-8组填入表1-8中表1-8 U=UN=220V If=IfN=0.0748A Ka= Ω 2.调速特性(1)改变电枢端电压的调速表1-9 I(2)改变励磁电流的调速一7接线 f:直流电机电枢MEL-09) MEL-03中两Ω电阻并联。
刀双掷开关(MEL-05)六.注意事项1.直流电动机起动前, 测功机加载旋钮调至零. 实验做完也要将测功机负载钮调到零,否则电机起动时,测功机会受到冲击。
一、实验目的1. 掌握直流并励电动机的基本结构和工作原理。
2. 通过实验,了解并励直流电动机的工作特性和机械特性。
3. 熟悉直流并励电动机的调速方法及其应用。
二、实验原理直流并励电动机是一种将励磁绕组与转子绕组并联连接的直流电动机。
励磁绕组与电枢绕组并联,励磁电流大小与转子绕组电压及励磁电路的电阻有关。
并励直流电动机具有以下特点:1. 电压与励磁电流的关系:U = E + IaRa,其中E为电动势,Ra为电枢电阻。
2. 电流与励磁电流的关系:Ia = (E - U) / Ra,其中Ia为电枢电流。
3. 转矩与励磁电流的关系:T = kT Ia,其中kT为转矩常数。
三、实验仪器与设备1. 直流并励电动机2. 测功机3. 实验工作台4. 直流电压源5. 电流表6. 电压表7. 电阻箱8. 万用表四、实验步骤与内容1. 接线:按照实验线路图连接电路,确保连接正确无误。
2. 初始设置:- 将R1调至最大,Rf调至最小。
- 测功机常规负载旋钮调至零。
- 直流电压调至零。
- 各个测量表均调至最大量程处。
3. 启动电动机:- 接通实验电路,将直流电压源调至25伏左右。
- 在电动机转速较慢的情况下,判断其转向是否与测功机上箭头所示方向一致。
若不一致,则将电枢绕组或励磁绕组反接。
4. 测量额定励磁电流:- 将R1调至零,调节直流电压源旋钮,使U220V,转速稳定后将测功机转矩调零。
- 同时调节直流电源旋钮,测功机的加载旋钮和电动机的磁场调节电阻Rf,使UUN220V,IIN1.1A,nnN1600r/min,记录此时励磁电流If,即为额定励磁电流IfN。
5. 测量工作特性和机械特性:- 在保持UUN220V,IfIfN0.071A及R10不变的条件下,逐次减小电动机的负载,测取电动机的转速n和转矩T,记录数据。
- 绘制工作特性和机械特性曲线。
五、实验结果与分析1. 工作特性曲线:在工作特性曲线上,可以看出电动机的转速随负载的增加而下降,转速与负载之间的关系呈非线性。
实验三直流并励电动机一、实验目的:掌握直流并励电动机的调速方法二、实验内容:测取调速特性(1)改变电枢电压调速保持U=U N、I f=I fN=常数、T2=常数(即I F=常数),测取n=f(Ea) (2)改变励磁电流调速保持U=U N、T2=常数(即I F=常数),测取n=f(I f)三、实验设备:DD03 导轨、测速发电机及转速表1台DJ23 校正直流测功机1台DJ15 直流并励电动机1台D31 直流电压、毫安、安培表2件D42 三相可调电阻器1件D44 可调电阻器、电容器1件D51 波形测试及开关板1件四、实验线路:R1——D44上180ΩR f1——D44上1800Ω加上D41上360ΩR2——D42上2个900Ω串联电阻加上2个900Ω并联电阻共2250ΩR f2——D42上1800Ω五、实验说明:1、改变电枢端电压调速:(!)调节电阻,电动机起动。
(2)将R1调至0,电枢电源电压调至220V,调节R f2使I f2=100mA,再调节R2和R f1,使电动机达到额定值:U=U N,I=I N(A3为1.1A),n=n N,此时I f即为I fN。
(3)调R2、R f1使U=U N,I=0.5I N(Ia=0.5A),I f=I fN,记下此时MG的I F(4)保持I F(即T2)不变,I f=I fN,将R1从零逐渐调至最大值,在这个过程中测取Ea、n和Ia,取5~6组数据记入表一中。
2、改变励磁电流的调速(1)M运行后,将R1、R f1调至零,保持I f2=100mA,再调R2,使U=U N,I=0.5I N(即Ia=0.5A),记下此时的I F值。
(2)保持I F和U N不变,缓慢增加R f1,分别测取n、I f、Ia,直至n=1.3n N,在这个过程中共取5~6组数据记入表二中。
六、实验记录:(表一)I f=I fN= mA(表二)七、思考题:1、当M的T2和If不变时,减小Ua,为什么会引起n的下降?2、当M的T2和电枢两端电压不变时,减小If,为什么会引起n的上升?。
并励直流电动机负载电流计算
(原创实用版)
目录
一、并励直流电动机的基本原理
二、负载电流计算方法
三、影响负载电流的因素
四、并励直流电动机的应用领域
正文
一、并励直流电动机的基本原理
并励直流电动机是一种将直流电能转换为机械能的电机,其结构主要由定子、转子和励磁电流绕组组成。
并励直流电动机的工作原理是:当励磁电流通过励磁绕组时,会产生一个磁场,这个磁场会使得电动机的转子产生电磁力,从而带动转子旋转。
电动机的转速与励磁电流的大小和转子的电阻有关。
二、负载电流计算方法
在实际应用中,并励直流电动机需要承受一定的负载,负载电流的计算方法如下:
负载电流 = (电动机额定电压 - 负载电压) / 电动机的内阻
其中,电动机的内阻包括电阻和反电势两部分。
电阻主要由电动机的线圈电阻和磁铁芯的磁化电阻组成,而反电势则由电动机的旋转速度和励磁电流产生。
三、影响负载电流的因素
负载电流的大小主要受到以下因素的影响:
1.负载电压:负载电压越高,负载电流越小;负载电压越低,负载电
流越大。
2.电动机的内阻:电动机的内阻越大,负载电流越小;电动机的内阻越小,负载电流越大。
3.电动机的转速:电动机的转速越高,负载电流越小;电动机的转速越低,负载电流越大。
四、并励直流电动机的应用领域
并励直流电动机具有广泛的应用领域,主要包括:机床、球磨机、轧钢机、造纸机等。
这些领域对电动机的要求较高,需要电动机具有稳定的输出转矩和较高的效率。
并励直流电动机的转速公式一、引言并励直流电动机是目前应用最广泛的电动机之一,其转速是电机运行状态的重要参数。
本文将介绍并励直流电动机的转速公式及其相关内容。
二、并励直流电动机的转速公式并励直流电动机的转速可以通过以下公式计算:N = (V - E)/K其中,N表示电机的转速,单位为转/分钟;V表示电机的电压,单位为伏特;E表示电机的反电动势,单位为伏特;K表示电机的转速常数,单位为转/分钟·伏特。
三、公式解释1. 电机的电压V:电机的电压是指电机供电的电压,可以通过电源的电压来确定。
当电压增加,电机的转速也会随之增加。
2. 电机的反电动势E:反电动势是指电机在运行时产生的电压,它与电机的转速成正比。
当电机的转速增加时,反电动势也会随之增加。
3. 电机的转速常数K:转速常数是一个特定电机的参数,表示在单位电压下,电机的转速。
转速常数越大,表示电机在单位电压下转速越快。
四、转速公式的应用1. 计算电机的转速:通过已知的电压、反电动势和转速常数,可以利用转速公式计算电机的转速。
这对于电机的控制和调节非常重要。
2. 优化电机的设计:转速公式可以作为电机设计的依据之一,通过合理选择电压和转速常数,可以实现更高效、更稳定的电机工作状态。
3. 评估电机的性能:通过已知的电压、反电动势和转速常数,可以计算电机的转速,并与实际测量值进行比较。
如果计算值与实际测量值存在较大偏差,可能说明电机存在故障或不正常的工作状态。
五、注意事项1. 在使用转速公式计算电机的转速时,需要确保所使用的参数是准确的。
特别是反电动势和转速常数,可能会因为电机的磁路特性或其他因素而有所变化。
2. 转速公式只适用于并励直流电动机,不适用于其他类型的电动机。
3. 转速公式中的单位需要保持一致,通常使用国际单位制(SI)。
六、总结本文介绍了并励直流电动机的转速公式及其相关内容。
转速是电机运行状态的重要参数,通过转速公式可以计算电机的转速,并用于电机的控制、设计和性能评估。
直流电机励磁电路
直流电机励磁电路是指为了使直流电机正常运行,需要对电机进行励磁,即提供足够的磁场。
直流电机励磁电路包括串励励磁、并励励磁和复合励磁三种方式。
串励励磁电路是指将励磁线圈直接串联在电机的电源回路中,与电机的电枢回路并联。
当电机启动时,电源直流电压通过励磁线圈产生磁场,励磁线圈的电流由电机的电源回路控制。
串励励磁电路可以使电机产生较强的励磁磁场,适用于需要大功率和高速运行的直流电机。
并励励磁电路是指将励磁线圈与电机的电枢回路并联,共享同一电源。
当电机启动时,电源直流电压通过励磁线圈产生磁场,励磁线圈的电流由电机的电枢回路控制。
并励励磁电路可以使电机产生较强的励磁磁场,适用于需要大功率和高速运行的直流电机。
复合励磁电路是指将串励励磁电路和并励励磁电路结合起来。
在复合励磁电路中,励磁线圈既与电机的电枢回路并联,又与电机的电源回路串联。
复合励磁电路可以根据需要调节串励励磁和并励励磁的比例,从而控制电机的励磁磁场强度。
这种励磁方式适用于需要调节励磁磁场的直流电机。
在直流电机励磁电路中,励磁线圈的电流和磁场强度直接影响着电机的性能。
当励磁电流增大时,电机的励磁磁场强度也增大,从而
提高了电机的输出功率和效率。
而励磁线圈的电流又由电机的电源回路控制,可以通过调节电源电压或外部控制来调节励磁电流,从而实现对电机性能的调节。
直流电机励磁电路是直流电机正常运行的重要组成部分。
不同的励磁方式可以根据电机的需求选择,通过调节励磁线圈的电流和磁场强度,可以实现对电机性能的调节。
励磁电路的设计和优化对于提高电机的工作效率和性能具有重要意义。
专业:电子信息工程
姓名:
实验报告
课程名称:电机与拖动指导老师:卢琴芬成绩:
实验名称:直流并励电动机同组学生姓名:刘雪成李文鑫
一、实验目的和要求(必填)二、实验内容和原理(必填)
三、主要仪器设备(必填)四、操作方法和实验步骤
五、实验数据记录和处理六、实验结果与分析(必填)
七、讨论、心得
一、实验目的和要求
1.掌握用实验方法测取直流并励电动机的工作特性和机械特性。
2.掌握直流并励电动机的调速方法。
二、实验内容
1.工作特性和机械特性
保持U=U N和I f=I fN不变,测取n、M2、n=f(Ia)及n=f(M2)。
2.调速特性
(1)改变电枢电压调速
保持U=U N,I f=I fN常值,M2=常值,测取n=f(Ua)。
(2)改变励磁电流调速
保持U=U N,M2=常值,R1=0,测取n=f(I f)。
(3)观察能耗制动过程
三、实验步骤
1. 并励电动机的工作特性和机械特性
实验线路如图所示。
电机选用D17直流并励电动机,测功机(请阅测功机使
用说明)作为电动机负载。
按照实验一方法起动直流并励电动机,其转向从测功
机端观察为逆时针方向。
将电动机电枢调节电阻R l调至零,同时调节直流电源调压旋钮、测功机的加
载旋钮和电动机的磁场调节电阻R f,调到其电机的额定值U=U N,I=I N,n=n N,
其励磁电流即为额定励磁电流I fN,在保持U=U N和I=I fN不变的条件下,逐次减
小电动机的负载,即将测功机的加载旋钮逆时针转动直至零。
测取电动机输入电
流I、转速n和测功机的转矩M,共取6—7组数据,记录于表中。
2.调速特性
(1) 改变电枢端电压的调速
直流电动机起动后,将电阻R l调至零,同时调节负载(测功机)、直流电源及电阻R f使U=U N、I f=I fN、M2=0.5 N·m,保持此时的M2的数值和I f=I fN,逐次增加R1的阻值,即降低电枢两端的电压Ua,R l从零调至最大值,每次测取电动机的端电压Ua、转速n和输入电流I, 共取5—6组数据,记录于表中。
(2) 改变励磁电流的调速
直流电动机起动后,将电阻R l和电阻R f调至零,同时调节直流调压旋钮和测功机加载旋钮,使电动机U=U N,I f=I fN,M2=0.5N·m,保持此时的M2数值和U=U N的值,逐次增加磁场电阻R f,直至n=1.3n N,每次测取电动机的n、I f和I,共取5—6组数据,记录于表中。
四、实验数据及处理
1. 并励电动机的工作特性和机械特性
表1-6 U=U N=220V,I f=I fN=82.1mA,Ra=20 Ω
实验数据I (A) 1.080.990.800.520.430.280.16 n(r/min)1602161516281677169917221745 M2 (N.m) 1.060.960.860.420.320.130
计算数据Ia (A) 1.000.910.720.440.350.20.08 P2 (W)177.74 162.28 146.54 73.72 56.91 23.43 0.00 η (%)0.748 0.745 0.833 0.644 0.602 0.380 0.000
Δn=
N
N
n
n
n
0×l00%=9.1%
1
2
00.10.20.30.4
0.50.60.70.80.91
1600
16201640166016801700172017401760
1780n=f(Ia)
Ia(A)n (r /m i n )
00.10.20.30.4
0.5
0.60.70.80.91
-0.2
0.2
0.4
0.6
0.8
1
1.2
M2=f(Ia)
Ia(A)
M 2(n ·
m )
-0.4
-0.200.20.4
0.6
0.8
1
η=f(Ia)
Ia(A)
η
00.20.4
0.60.81 1.2 1.4
n=f(M2)
M2(n·m)
n (r /m i n )
2.调速特性
(1) 改变电枢端电压的调速
表1-7 I f =I fN =0.082 A, M 2=0.5 N·m
(2) 改变励磁电流的调速
表1-8 U=U N =220V , M 2=0.5 N·m
150
160170180
190200210220230
n=f(U)
U(V)
n (r /m i n )
1500
1550160016501700
17501800n=f(If)
If(mA)
n (r /m i n )
3. 分析在恒转矩负载时两种调速的电枢电流变化规律以及两种调速方法的优缺点
改变电枢电压调速,电枢电流几乎不变;改变励磁电流调速,随着励磁电流的减小,转速的增加,电枢电流逐渐增大。
改变电枢电压调速,可以实现连续平滑地无级调速,调速范围大,效率高,机械特性硬。
但只能从额定转速向下调节。
改变励磁电流调速也可以实现连续平滑地无级调速,操作简便。
但是随着励磁电流的减小,电枢电流会不断增大,因此会产生严重的发热现象,并且只能将励磁电流调小,调快转速。
五、思考题
1.并励电动机的速率特性n=f(I a )为什么是略微下降?是否出现上翘现象? 为什么?上翘的速率特性对电动机运行有何影响?
直流电动机的机械特性理论上为
T C C R R C U
n M e a e 2
φφΩ+-=
随着电枢电流的增加,T 增加,而2
φM e a C C R R Ω
+很小,因此转速n 只是微微下降。
当Ia 增加到很大时,由于去磁作用,φ会减小,所以有可能出现微微上翘。
2.当电动机的负载转矩和励磁电流不变时,减小电枢端压,为什么会引起电动机转速降低?
T C C R R C U
n M e a e 2
φφΩ+-=
当电枢电压减小时,Ce 与电动机本身决定,φ由励磁电流决定,负载转矩T 不便,因此只有转速n 会随着电枢电压减小而降低。
3.当电动机的负载转矩和电枢端电压不变时,减小励磁电流会引起转速的升高,为什么?
T C C R R C U
n M e a e 2
φφΩ+-=
当励磁电流变小时,φ减小,而Ua 、T 、Ce 、Cm 与均不变,因此会引起转速的上升。
4.并励电动机在负载运行中,当磁场回路断线时是否一定会出现“飞速”?为什么?
不一定,当负载较小时才会出现飞速现象。
从直流电动机的机械特性
T C C R R C U
n M e a e 2
φφΩ+-=
可以看出,当负载转矩T 较小
的时候,2
1
φ
的系数T
C C R R M
e a Ω
+很小,近似可以忽略,所以当磁路短线是,φ快速
减小,n 会急剧上升出现飞速;而当T 很大的时候,2
1
φ
的系数T
C C R R M e a Ω
+不可忽
略,当φ减小,2
1
φ增大时,n 的变化类似抛物线,最终成下降趋势,因此不会
出现飞速现象。
六、实验心得
本次实验是研究直流电机的机械特性与工作特性。
实验之前对于机械特性的公式理,因为并不是很理解,总觉得很难记忆。
虽然可以背过公式,但对于电动机的机械特性没有直观的感受。
通过实验前的预习与对实验现象的分析,很容易就记住了Ia 、M 、U 、If 之间的关系,对于直流电机有了整体的感觉。
并且通过分析两种不同的调速方法,发现其各有利弊,每种方法在实际生产中都有自己的应用。
预习报告
3140104374 王荣闯1.实验接线图
1
2
2.实验步骤
1)
按照实验一方法起动直流并励电动机,其转向从测功机端观察为逆时针方向。
将电动机电枢调节电阻R l调至零,同时调节直流电源调压旋钮、测功机的加载旋钮和电动机的磁场调节电阻R f,调到其电机的额定值U=U N,I=I N,n=n N,其励磁电流即为额定励磁电流I fN,在保持U=U N和I=I fN不变的条件下,逐次减小电动机的负载,即将测功机的加载旋钮逆时针转动直至零。
测取电动机输入电流I、转速n和测功机的转矩M,共取6—7组数据,记录于表1—6中。
2)
(1) 改变电枢端电压的调速
直流电动机起动后,将电阻R l调至零,同时调节负载(测功机)、直流电源及电阻R f使U=U N、I f=I fN、M2=0.5 N·m,保持此时的M2的数值和I f=I fN,逐次增加R1的阻值,即降低电枢两端的电压Ua,R l从零调至最大值,每次测取电动机的端电压Ua、转速n和输入电流I, 共取5—6组数据,记录于表1—7中。
(2) 改变励磁电流的调速
直流电动机起动后,将电阻R l和电阻R f调至零,同时调节直流调压旋钮和测功机加载旋钮,使电动机U=U N,I f=I fN,M2=0.5N·m,保持此时的M2数值和U=U N的值,逐次增加磁场电阻R f,直至n=1.3n N,每次测取电动机的n、I f和I,共取5—6组数据,记录于表1—8中。