2015年消防案例分析真题(修订终版带答案)
- 格式:docx
- 大小:142.50 KB
- 文档页数:14
2015年一级消防工程师案例分析真题及答案第一题:某信息中心大楼内设有自动喷水灭火系统、气体灭火系统、火灾自动报警系统等自动消防设施和灭火器.2015年2月5日,该单位安保部队信息中心的消防设施进行了全面检查测试,部分检查情况如下:(一)建筑灭火器检查情况(详见1表)(二)湿式自动喷水灭火系统功能测试情况打开湿式报警阀组上的试验阀,水力警铃动作,按规定方法测量水力警铃声强为65dB,火灾报警控制器(联动型)接收到报警阀组压力开关动作信号,自动喷水给水泵启动。
(三)七氟丙烷灭火器系统检查情况信息中心的通信机房没有七氟丙烷灭火系统,系统设置情况(如表2)所示。
检查发现,储瓶向2#灭火剂储瓶的压力表显示压力为设计储存压力的85%,系统存在组件缺失的问题。
检查结束后,该单位安保部委托专业维修单位对气体灭火设备进行了维修。
维修单位派人到现场,焊接了缺失组件的底座,并安装了缺失组件:对2#灭火剂储瓶补压至设计压力。
根据以上情况作答:1、根据建筑灭火器检查情况,简述哪些灭火器需要维修、报废。
2、指出素材(二)的场景中存在的问题及自动喷水给水泵未启动的原因,并简述湿式自动喷水灭火器系统联动功能检查测试的方法。
3、七氟丙烷灭火系统在储瓶间未安装哪种组件?最大防护区时对应的驱动装置为几号驱动气瓶?4、检修维修单位对储瓶间气体灭火设备维修时存在的问题.【答案】第一题1.MFZ/ABC4 2010年1月的全部需要维修,因此种类灭火器出厂前期满5年必须检修.2010年7月2日只简体腐蚀面积与简体面积大于1/3需报废。
MF5 2003年1月全部报废,因此种灭火器报废年段为出厂期满12年。
2003年7月1日具因简体严重变形应报废。
2.存在问题:水力警铃声强题中为65dB,实际因为70dB。
自动喷水给水泵未启动是因为:(1)水力警铃声强未达到规定声强(2)水流指示器在水流动作后不报信号检查方法:第二题:某购物中心地下2层、地上4层.建筑高度24m,耐火等级二级,地下二层室内地面与室外出入口地坪高差为11.5m。
2015年一级注册消防工程师资格考试消防安全案例分析第一题(20分)某信息中心大楼内设有自动喷水灭火系统、气体灭火系统、火灾自动报警系统等自动消防设施和灭火器,2015年2月5日,该单位安保部对信息中心的消防设施进行了全面检查测试,部分检查情况如下:(一)建筑灭火器检查情况(详见表1)方法测量水力警铃声强为65dB,火灾报警控制器(联动型)接收到报警阀组压力开关动作信号,自动喷水给水泵未启动。
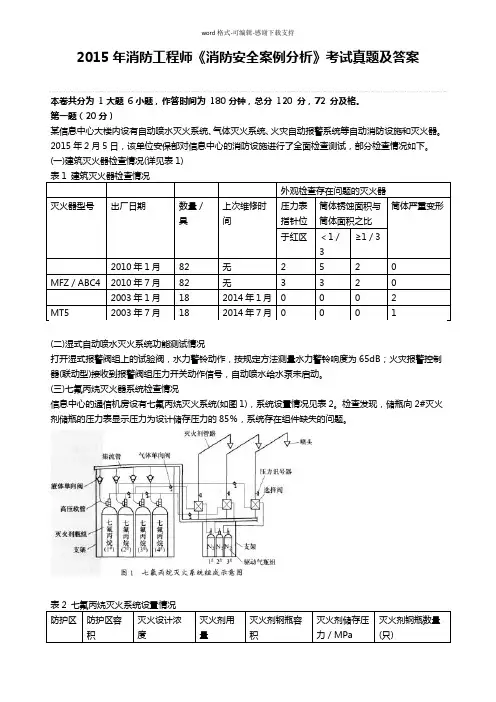
(三)七氟丙烷灭火系统检查情况信息中心的通信机房设有七氟丙烷灭火系统(如图所示),系统设置情况如表2所示。
检查发现,储瓶间2号灭火剂储瓶的压力表显示压力为设计储存压力的85%,系统存在组件缺失的问题。
检查结束后,该单位安保部委托专业维修单位对气体灭火设备进行了维修。
维修单位派人到现场,焊接了缺失组件的底座,并安装了缺失组件;对2号灭火剂储瓶补压至设计压力。
表2七氟丙烷灭火系统设置情况根据以上材料,回答问题:1.根据建筑灭火器检查情况,简述哪些灭火器需要维修、报废。
【答案】(1)MFZ/ABC4(干粉灭火器)满5年需要分批次全部检查,出厂日期为2010年1月的灭火器,其到2015年2月5日已经超过5年,故需要全部检查(2)出厂日期为2010年7月的灭火器中,有2具灭火器的筒体严重锈蚀,锈蚀面积大于筒体面积的1/3,此两具需报废,出厂日期为2003年1月的MT5(二氧化碳灭火器),超过了报废年限要求(12年),故需全部报废;2003年1月中严重变形的1具需报废。
2.根据素材(二)的场景中存在的问题及自动喷水给水泵未启动的原因,并简述温式自动喷水灭火系统联动功能检查测试的方法。
【答案】(1)存在的问题:水力警铃声强为65dB,小于70dB,故错误(2)消防水泵不启动的原因可能包括:①压力开关与水泵的接线有问题②压力开关本身有问题导致不能控制消防水泵启动③消防联动控制设备中的控制模块损坏④水泵控制柜、联动控制设备的控制模式未设定在“自动”状态等。
真题是指导我们备考的方向2015年一级注册消防工程师考试真题《消防安全案例分析》案例题:第一题(20分)某信息中心大楼内设有自动喷水灭火系统、气体灭火系统、火灾自动报警系统等自动消防设施和灭火器。
2015年2月5日,该单位安保部对信息中心的消防设施进行了全面检查测试,部分检查情况如下:(一)建筑灭火器检查情况(详见表1)表1 建筑灭火器检查情况(二)湿式自动喷水灭火系统功能测试情况打开湿式报警阀组上的试验阀,水力警铃动作,按规定方案测量水力警铃声强为65dB,火灾报警控制器(联动型)接收到报警阀组压力开关动作信号,自动喷水给水泵未启动。
(三)七氟丙烷灭火系统检查情况信息中心的通信机房设有七氟丙烷灭火系统(如图1所示),系统设置情况如表2所示。
检查发现,储瓶间2#灭火剂储瓶的压力表显示压力为设计储存压力的85%,系统存在组件缺失的问题。
检查结束后,该单位安保部委托专业维修单位对气体灭火设备进行了维修,维修单位派人到现场,焊接了缺失组件的底座,并安装了缺失组件;对2#灭火剂储瓶补压至设计压力。
根据以上材料,回答下列问题。
1.根据建筑灭火器检查情况,简述哪些灭火器需要维修、报废。
2.指出素材(二)的场景中存在的问题及自动喷水给水泵未启动的原因,并简述湿式自动喷水灭火系统联动功能检查测试的方法。
3.七氟丙烷灭火系统在储瓶间未安装哪种组件?最大防护区时对应的驱动装置为几号驱动气瓶?4.简述检修维修单位对储瓶间气体灭火设备维修时存在的问题。
1.答:参见《消防安全技术综合能力》教材P237-8.1) 需维修的灭火器如下:①出厂日期为2010年1月的82具MFZ/ABC4,除2具筒体锈蚀面积与筒体面积之比≥1/3的外,剩下的80具需要维修。
②出厂日期为2010年7月的82具MFZ/ABC4,其中3具压力表指针位于红区的以及3具筒体锈蚀面积与筒体面积之比<1/3的需要维修。
2)需报废的灭火器如下:①出厂日期为2003年1月的18具MT5需全部报废,因为二氧化碳灭火器出厂期满12年应予以报废处理。
第一题(20分)某信息中心大楼内设有自动喷水灭火系统,气体灭火系统、火灾自动报警系统等自动消防设施和灭火器。
2015年2月5日,该单位安保部对信息中心的消防设施进行了全面检查测试,部分检查情况如下:(一)建筑灭火器检查情况(详见表1)表1 建筑灭火器检查情况(二)湿式自动喷水灭火系统功能测试情况打开湿式报警阀组上的实验阀,水力警铃动作,按规定方法测量水力警铃声强为65dB,火灾报警控制器(联动型)接受到报警阀组压力开关动作信号,自动喷水给水泵未启动。
(三)七氟丙烷灭火系统检查情况信息中心的通信机房设有七氟丙烷灭火系统(如图1所示),系统设置情况如表2所示,检查发现,储瓶间2#灭火剂储瓶的压力表显示压力为设计储存压力的85%,系统存在组件缺失的问题。
检查结束后,该单位安保部委托专业维修单位对气体灭火设备进行了维修。
维修单位派人到现场,焊接了缺失组件的底座,并安装了缺失组件,对2#灭火剂储瓶补压至设计压力。
表2 七氟丙烷灭火系统设置情况图1 七氟丙烷灭火系统组成示意图根据以上材料,回答问题:1、根据建筑灭火器检查情况,简述哪些灭火器需要维修、报废。
【试题解析】需要维修的:MFZ/ABC4,2010年1月的全部需要维修,MFZ/ABC4,2010年7月的3具压力表指针位于红区,3具锈蚀小于1/3的需要维修需要报废的:MT5,2003年1月的18具全部报废;MT5,2003年7月的1具锈蚀大于1/3的要报废;严重变形的?2、指出素材(二)的场景中存在的问题及自动喷水给水泵未启动的原因,并简述湿式自动喷水灭火系统联动功能检查测试的方法。
【试题解析】存在问题:水利警铃声强65dB,应为70dB。
自动喷水给水泵未启动的原因:水泵有问题,控制柜有问题,远程控制线有问题,控制装置未在自动状态。
湿式自动喷水灭火系统联动功能检查测试的方法:启动1只喷头或以0.94~1.5L/s的流量从末端试水装置处放水时,水流指示器、报警阀、压力开关、水力警铃和消防水泵等应及时动作,并发出相应的信号。
1)①出厂日期为2010年1月的82具MFZ/ABC4,其中2具简体锈蚀面积与筒体面积之比≥1/3的MFZ/ABC4需要报废,剩下的80具需要维修。
?②出厂日期为2010年7月的82具MFZ/ABC4,其中3具压力表指针位于红区的以及3具筒体锈蚀面积与筒体面积之比<1/3的MFZ/ABC4,需要维修;2具简体锈蚀面积之比≥1/3的MFZ/ABC4需要报废。
?2)①出厂日期为2003年1月的18具MT5需全部报废,因为二氧化碳灭火器出厂期满12年应予以报废处理。
?②出厂日期为2003年7月的18具MT5其中1具筒体严重变形的MT5需报废。
?【考点】《消防安全技术综合能力》教材第237、238页。
?2.湿式自动喷水灭火系统:?1)存在问题:按规定方法测量水力警铃响度为65dB。
正常情况下警铃声响度应不小于70dB。
?【考点】《消防安全技术综合能力》教材第138页。
?2)由湿式系统的工作原理图可以得出自动喷水给水泵未启动的原因有:?①压力开关设定值不正确。
?②消防联动控制设备中的控制模块损坏。
?③水泵控制柜、联动控制设备的控制模式未设定在“自动”状态。
?【考点】《(消防安全技术综合能力》教材第153页。
?3)湿式自动喷水灭火器系统联动功能检查测试的方法:?①系统控制装置设置为“自动”控制方式,启动1只喷头或者开启末端试水装置,流量保持在0.94--一1.5L/s,水流指示器、报警阀、压力开关、水力警铃和消防水泵等及时动作,并有相应组件的动作信号反馈到消防联动控制设备。
?②打开阀门放水,使用流量计、压力表核定流量、压力,目测观察系统动作情况。
?【考点】《消防安全技术综合能力》教材第143页。
?3.七氟丙烷气体灭火系统在储瓶间:?1)未安装的组件为安全泄压装置。
?【考点】《消防安全技术综合能力》教材第179、188页。
?2)最大防火区对应的驱动装置为2号驱动气瓶,因为根据表2,最大的防火区A需要灭火剂钢瓶数量为4只,从图1中可知只有2号驱动气瓶连接4只灭火剂钢瓶,因此对应驱动装置为2号驱动气瓶。
第一题(20分)某信息中心大楼内设有自动喷水灭火系统、气体灭火系统、火灾自动报警系统等自动消防设施和灭火器。
2015年2月5日,该单位安保部对信息中心的消防设施进行了全面检查测试,部分检查情况如下:(一)建筑灭火器检查情况(详见表1)表1 建筑灭火器检查情况(二)湿式自动喷水灭火系统功能测试情况打开湿式报警阀组上的试验阀,水力警铃动作,按规定方法测量水力警铃声强为65dB,火灾报警控制器(联动型)接收到报警阀组压力开关动作信号,自动喷水给水泵未启动。
(三)七氟丙烷灭火系统检查情况信息中心的通信机房设有七氟丙烷灭火系统(如图1所示),系统设置情况如表2所示。
检查发现,储瓶间2#灭火剂储瓶的压力表显示压力为设计储存压力的85%,系统存在组件缺失的问题。
检查结束后,该单位安保部委托专业维修单位对气体灭火设备进行了维修。
维修单位派人到现场,焊接了缺失组件的底座,并安装了缺失组件;对2#灭火剂储瓶补压至设计压力。
表2 七氟丙烷灭火系统设置情况图1 七氟丙烷灭火系统组成示意图根据以上材料,回答问题:1.根据建筑灭火器检查情况,简述哪些灭火器需要维修、报废。
2.指出素材(二)的场景中存在的问题及自动喷水给水泵未启动的原因,并简述湿式自动喷水灭火系统联动功能检查测试的方法。
3.七氟丙烷灭火系统在储瓶间内未安装哪种组件?最大防护区对应的驱动装置为几号驱动气瓶?4.检修维修单位对储瓶间气体灭火设备维修时存在的问题。
参考答案考场解答:1.根据建筑灭火器检查情况,灭火器需要维修、报废的情况如下:(1)出厂日期为2010年1月的MFZ/ABC4(干粉灭火器):其中2具筒体锈蚀面积≥1/3的灭火器需要报废,其余的出厂期满5年,需要及时送维修。
(1分)(2)出厂日期为2010年7月的MFZ/ABC4(干粉灭火器):其中2具筒体锈蚀面积≥1/3的灭火器需要报废,3具筒体锈蚀面积<1/3的灭火器和3具压力表指针位于红区的灭火器需要送维修,剩下的灭火器由于出厂日期不满5年,可以继续使用。
第一题(20 分)某信息中心大楼内设有自动喷水灭火系统、气体灭火系统、火灾自动报警系统等自动消防设施和灭火器,2015 年 2 月 5 日,该单位安保部对信息中心的消防设施进行了全面检查测试,部分检查情况如下:(一)建筑灭火器检查情况(详见表1)表 1 建筑灭火器检查情况(二)湿式自动喷水灭火系统功能测试情况打开湿式报警阀组导航的试验阀,水力警铃动作,按规定方法测量水力警铃声强为65dB,火灾报警控制器(联动型)接收到报警阀组压力开关动作信号,自动喷水给水泵未启动。
(三)七氟丙烷灭火系统检查情况信息中心的通信机房设有七氟丙烷灭火系统(如图 1 所示),系统设置情况如表 2 所示。
检查发现,储瓶间 2 号灭火剂储瓶的压力表显示压力为设计储存压力的85%,系统存在组件缺失的问题。
检查结束后,该单位安保部委托专业维修单位对气体灭火设备进行了维修。
维修单位派人到现场,焊接了缺失组件的底座,并安装了缺失组件;对 2 号灭火剂储瓶补压至设计压力。
图一七氟丙烷灭火系统组成示意图根据以上材料,回答问题:1.根据建筑灭火器检查情况,简述哪些灭火器需要维修、报废。
2.根据素材(二)的场景中存在的问题及自动喷水给水泵未启动的原因,并简述温式自动喷水灭火系统联动功能检查测试的方法。
3.七氟丙烷灭火系统在储罐间内未安装哪些组件?最大保护区对应的装置为几号驱动气瓶?4.简述维修单位对储瓶间气体灭火设备维修时存在的问题。
第二题(20 分)某购物中心地下 2 层,地上 4 层,建筑高度24 米,耐火等级二级,地下 2 层室内地面与室外出入口地坪高差为11.5m。
地下每层建筑面积15200 平方米,地下 2 层设置汽车库和变配电房,消防水泵房等设备用房及建筑面积5820 平方米的建材商城(经营五金,洁具,瓷砖,桶装油漆,香蕉水等);地下一层为家具,灯饰商场,设有多部自动扶梯与建材商场连通,自动扶梯上下层相连通的开口部位设置防火卷帘,地下商场部分的每个防火分区面积不大于2000 平方米,采用耐火极限为 1.5h 的不然性楼板和防火墙及符合规定的防火卷帘进行分隔,在相邻防火区的防火墙上均设有向疏散方向开启的甲级防火门。
2015年消防工程师《消防安全案例分析》考试真题及答案案例分析(1)第一题(20分)某信息中心大楼内设有自动喷水灭火系统,气体灭火系统、火灾自动报警系统等自动消防设施和灭火器。
2015年2月5日,该单位安保部对信息中心的消防设施进行了全面检查测试,部分检查情况如下:(一)建筑灭火器检查情况(详见表1)表1 建筑灭火器检查情况(二)湿式自动喷水灭火系统功能测试情况打开湿式报警阀组上的实验阀,水力警铃动作,按规定方法测量水力警铃声强为65dB,火灾报警控制器(联动型)接受到报警阀组压力开关动作信号,自动喷水给水泵未启动。
(三)七氟丙烷灭火系统检查情况信息中心的通信机房设有七氟丙烷灭火系统(如图1所示),系统设置情况如表2所示,检查发现,储瓶间2#灭火剂储瓶的压力表显示压力为设计储存压力的85%,系统存在组件缺失的问题。
检查结束后,该单位安保部委托专业维修单位对气体灭火设备进行了维修。
维修单位派人到现场,焊接了缺失组件的底座,并安装了缺失组件,对2#灭火剂储瓶补压至设计压力。
表七氟丙烷灭火系统设置情况图1 七氟丙烷灭火系统组成示意图根据以上材料,回答问题:1、建筑灭火器检查情况,简述哪些灭火器需要维修、报废。
2、材(二)的场景中存在的问题及自动喷水给水泵未启动的原因,述湿式自动喷水灭火系统联动功能检查测试的方法。
3、烷灭火系统在储瓶间内未安装哪种组件?最大防护区对应的驱动装置为几号驱动气瓶?4.简析维修单位对储瓶间气体灭火设备维修时存在的问题。
答案:解析:(2)第二题(20分)某购物中心地下2层,地上4层,建筑高度24m,耐火等级二级,地下二层室内地面与室外出入口地坪高差为11.5m。
地下每层建筑面积15200m2.地下二层设置汽车和变配电房、消防水泵房等设备用房及建筑面积5820m2的建材市场(经营五金、洁具、瓷砖、桶装油漆、香蕉水等);地下一层为家具、灯饰商场,设有多部自动扶梯与建材商场连通,自动扶梯上下层相连通的开口部位设置防火卷帘。
剂储瓶的压力表显示压力为设计储存压力的85%,系统存在组件缺失的问题。
3)总建筑面积大于20000m2的地下或半地下商店,应采用无门、窗、洞口的防火墙、耐火极限不低于2.00h的楼板分隔为多个建筑面积不大于20000m2的区域。
相邻区域确需局部连通时,应采用下沉式广场等室外开敞空间、防火隔间、避难走道、防烟楼梯间等方式进行连通,并应符合建筑设计防火规范的要求。
【考点】《【消防安全技术实务》教材第76--77页。
3.地下二层:疏散的人数:(5820×0.56×0.3)人=977.76人(对于建材商店、家具和灯饰展示建筑,其人员密度可按表3的规定值的30%确定)。
地下二层安全出口的最小总净宽度为『(977.76/100)×1.00]m=9.7776m≈9.8m。
地下一层:疏散的人数:(15200×0.60X0.3)人=2736人(对于建材商店、家具和灯饰展示建筑,其人员密度可按表3的规定值的30%确定)。
地下一层安全出口的最小总净宽度为『(2736/100)×1.00]m=27.36m≈27.4m。
【考点】《消防安全技术实务》教材第87、90页。
4.照度和应急照明备用电源连续供电时间均不正确。
1)疏散走道的地面最低水平照度,不应低于1.01x。
2)该建筑属于人员密集场所,所以地面最低水平照度不应低于3.01x。
3)楼梯间、前室或合用前室地面最低水平照度不应低于5.01x。
4)消防水泵房、变配电房等设备用房以及发生火灾时仍需正常工作的其他房间的消防应急照明,仍应保证正常照明的照度。
5)因为虽然总建筑面积(12000×3+5600+15200×2)m2=72000m2<100000m2,但是地下每层建筑面积15200m2,15200m2×2>20000m2,所以应急照明备用电源连续供电应不少于1.0h。
【考点】《消防安全技术实务))教材第103页,《建筑设计防火规范》教材第10.1.5节、10.3.2节、10.3.3节。
2015注册消防工程师案例分析大题(含答案解析)案例分析题第一题某单层木器厂房为砖木结构,屋顶承重构件为难燃性构件,耐火极限为0.5h,柱子采用不燃性构件,耐火极限为2. 50h。
木器厂房建筑面积为4500㎡,其总平面布局和平面布置如图1. 2-1所示;木器厂房周边的建筑,面向木器厂房一侧的外墙上均设有门和窗。
该木器厂房采用流水线连续生产,工艺不允许设置隔墙。
厂房内东侧设有建筑面积500㎡的办公、休息区,采用耐火极限 2. 50h的防火隔墙与车间分隔,防火隔墙上设有双扇弹簧门;南侧分别设有建筑面积为150㎡的油漆工段(采用封闭喷漆工艺)和50㎡的中间仓库,中间仓库内存储存3昼夜喷漆生产需要量的油漆,稀释剂(甲苯和香蕉水,C=0.11),采用防火墙与其他部位分隔,油漆工段通向车间的防火墙上设有双扇弹簧门。
该厂房设置了消防给水及室内消火栓系统、建筑灭火器、排烟设施和应急照明及疏散指示标志。
根据以上材料,回答问题:1.检查防火间距,消防车道是否符合消防安全规定,提出防火间距不足时可采取的相应技术措施。
2.简析厂房平面布置和油漆工段存在的消防安全问题,并提出整改意见。
3.计算油漆工段的泄压面积,并分析利用外窗作泄压面的可行性。
4.中间仓库存在哪些消防安全问题?应采取哪些防火防爆技术措施?5.该厂房内还应配置哪些建筑消防设施? (2015 年考试真题)(提示:150⅔=28.24,200⅔=34.20,750⅔=82.55)第二题某框架剪力墙结构综合楼,总建筑面积为30万㎡,地下4 层,地上20 层,分为主楼和裙房两部分,主楼与其裙房之间设有防火墙等防火分隔设施,主楼各层建筑面积均大于1000㎡。
该综合楼为一类高层公共建筑,该综合楼地下室的耐火等级为一级,主楼及其裙房的耐火等级为一级。
该综合楼地下3、4 层均为人防层,其主要使用功能为普通汽车库、复式汽车库和储存可燃固体的库房;地下2 层主要使用功能为展览厅、管理用房及燃气锅炉房、柴油发电机房、变压器室、配电室、消防泵房等设备用房;地下1 层主要使用功能为消防控制室、管理用房及商场营业厅。
《消防安全案例分析》考试真题及答案 (收集自网络,仅供参考)第一题(20分)某信息中心大楼内设有自动喷水灭火系统、气体灭火系统、火灾自动报警系统等自动消防设施和灭火器,2015年2月5日,该单位安保部对信息中心的消防设施进行了全面检查测试,部分检查情况如下:(二)湿式自动喷水灭火系统功能测试情况打开湿式报警阀组导航的试验阀,水力警铃动作,按规定方法测量水力警铃声强为65dB ,火灾报警控制器(联动型)接收到报警阀组压力开关动作信号,自动喷水给水泵未启动。
(三)七氟丙烷灭火系统检查情况信息中心的通信机房设有七氟丙烷灭火系统(如图1所示),系统设置情况如下表所示。
检查发现, 储瓶间2号灭火剂储瓶的压力表显示压力为设计储存压力的85 %,系统存在组件缺失的问题。
检查结束后,该单位安保部委托专业维修单位对气体灭火设备进行了维修。
维修单位派人到现场,■爺is-根据以上材料,回答问题:1. 根据建筑灭火器检查情况,简述哪些灭火器需要维修、报废。
2. 根据素材(二)的场景中存在的问题及自动喷水给水泵未启动的原因,并简述温式自动喷水灭火系统联动功能检查测试的方法。
3. 七氟丙烷灭火系统在储罐间内未安装哪些组件?最大保护区对应的装置为几号驱动气瓶?4. 简述维修单位对储瓶间气体灭火设备维修时存在的问题。
案例一答案解析1. MFZ/ABC42010年1月的全部需要维修,因此种类灭火器出厂期满5年必须检修。
2010年7月2只筒体腐蚀面积与筒体面积之比大于1/3需报废。
MF52003年1月全部报废,因此种灭火器报废年段为出厂期满12年。
2003年7月1具因筒体严重变形应报废。
2存在问题:水力警铃声强题中为65dB,实际应为70dB。
自动喷水给水泵未启动是因为:1水力警铃声强未达到规定声强 2.水流指示器在水流动作后不报信号检查方法:(1)系统控制装置设置为”自动"控制方式,启动一只喷头或者开启末端试水装置,流量保持在0.94-1.5L/S ,水流指示器、报警阀、压力开关、水力警铃和消防水泵等及时动作,并有相应组件的动作信号反馈到消防联动控制设备。
2015年一级注册消防工程师资格考试真题《消防安全案例分析》答案解析案例一【参考答案】1.MFZ/ABC42010年1月的全部需要维修,因此种类灭火器出厂期满5年必须检修。
2010年7月2只筒体腐蚀面积与筒体面积之比大于1/3需报废。
MF52003年1月全部报废,因此种灭火器报废年段为出厂期满12年。
2003年7月1具因筒体严重变形应报废。
2.存在问题:水力警铃声强题中为65dB,实际应为70dB。
自动喷水给水泵未启动是因为:1水力警铃声强未达到规定声强2.水流指示器在水流动作后不报信号检查方法:(1)系统控制装置设置为"自动"控制方式,启动一只喷头或者开启末端试水装置,流量保持在0.94-1.5L/s,水流指示器、报警阀、压力开关、水力警铃和消防水泵等及时动作,并有相应组件的动作信号反馈到消防联动控制设备。
(2)打开阀门放水,使用流量计、压力表核定流量、压力,目测观察系统动作情况。
3.未安装的组件为瓶头阀,最大防火区对应的驱动装置为2号驱动气瓶,因为根据表2,最大的防护区A需要灭火剂钢瓶数量为4只,从图1中可知只有2号驱动气瓶连接4只灭火剂钢瓶,因此对应驱动装置为2号驱动气瓶。
4.(1)组件应厂外焊接厂内安装(2)应到专门补压房间进行补压,并测试(3)查明气罐压力不足原因并维修(4)分级存压。
案列二【参考答案】1.地下二层存在的问题:消防水泵房不得设置在地下室地面与室外地坪高差大于10m的楼层内,题目为11.5m。
2.地上四层存在的问题:(1)游艺厅布置在地上4层及以上楼层时,厅室的建筑面积不得大于200平方米,题中为216平方米错误。
(2)游艺厅及电影院采用不到顶的玻璃隔断,玻璃门与其他部位分隔错误。
应用耐火极限不低于2h的防火隔断和甲级防火门与其他分隔3.地下二层5820×0.56×0.3=977.76人977.76÷250=3.9=4977.76÷4=244.44244.44÷(2×37)=3.3取44×0.55=2.2m2.2×4=8.8m地下一层15200×0.60×0.3=27362000/250+330/400=8.84=92736÷9=304304÷(2×40)=3.8=44×0.55=2.2m2.2×9=19.8m4、正确,人员疏散应急照明在主要通道上最低照度不低于1.0lx总建筑面积12000*3+5600+15200*2=30400+36000+5600<100000平米应急照明备用电源连续供电不少于0.5h5、存在的问题:在楼板处每隔一层用防火封堵材料对空腔进行防火封堵。
第一题(20分)某信息中心大楼内设有自动喷水灭火系统、气体灭火系统、火灾自动报警系统等自动消防设施和灭火器。
2015年2月5日,该单位安保部对信息中心的消防设施进行全面检查测试,部分检查情况如下:(一)建筑灭火器检查情况(详见表1)表1 建筑灭火器检查情况(二)湿式自动喷水灭火系统功能测试情况打开湿式报警阀组导航的试验阀,水力警铃动作,按规定方法测量水力警铃声强为65dB,火灾报警控制器(联动型)接收到报警阀组压力开关动作信号,自动喷水给水泵未启动。
(三)七氟丙烷灭火系统检查情况信息中心的通信机房设有七氟丙烷灭火系统(如图1所示),系统设置情况如表2所示。
检查发现,储瓶间2号灭火剂储瓶的压力表显示压力为设计储存压力的85%,系统存在组件缺失的问题。
检查结束后,该单位安保部委托专业维修单位对气体灭火设备进行了维修。
维修单位派人到现场,焊接了缺失组件的底座,并安装了缺失组件;对2号灭火剂储瓶补压至设计压力。
表2 七氟丙烷灭火系统设置情况根据以上材料,回答下列问题:1.根据建筑灭火器检查情况,简述哪些灭火器需要维修、报废。
解析:1)MFZ/ABC4灭火器中:2010年1月出厂的灭火器除筒体锈蚀面积与筒体面积之比=1/3的2具需要报废外,其余均应送修;2010年7月出厂的灭火器,筒体锈蚀面积与筒体面积之比≥1/3的2具需要报废,灭火器压力表指针位于红区的3具和筒体腐蚀面积之比<1/3的3具需要送修。
2)MT5灭火器中:2003年1月份的18具灭火器出厂已满12年全部予以报废处理; 2003年7月份的1具筒体严重变形的灭火器予以报废处理。
2.根据素材(二)的场景中存在的问题及自动喷水给水泵未启动的原因,并简述湿式自动喷水灭火系统联动功能检查测试的方法。
解析:1)存在问题:水力警铃声强65dB 应为70dB 。
2)自动喷水给水泵未启动的原因:①压力开关与水泵控制柜的接线故障。
②火灾报警控制器(联动型)中控制模块损坏。
2015一级消防工程师消防案例分析真题及答案案例一某信息中心大楼内设有自动喷水灭火系统、气体灭火系统、火灾自动报警系统等自动消防设施和灭火器。
2015年2月5日,该单位安保部对信息中心的消防设施进行了全面检查测试,部分检查情况如下:(一)建筑灭火器检查情况(详见表1)。
(二)湿式自动喷水灭火系统功能测试情况打开湿式报警阀组上的试验阀,水力警铃动作,按规定方法测量水力警铃声强为65dB,火灾报警控制器(联动型)接收到报警阀组压力开关动作信号,自动喷水给水泵未启动。
(三)七氟丙烷灭火系统检查情况信息中心的通信机房设有七氟丙烷灭火系统(如图1所示),系统设置情况如表2所示。
检查发现,储瓶间2号灭火剂储瓶的压力表显示压力为设计储存压力的85%,系统存在组件缺失的问题。
检查结束后,该单位安保部委托专业维修单位对气体灭火设备进行了维修。
维修单位派人到现场,焊接了缺失组件的底座,并安装了缺失组件;对2号灭火剂储瓶补压至设计压力。
根据以上材料,回答问题:1、根据建筑灭火器检查情况,简述哪些灭火器需要维修、报废。
2、根据素材(二)的场景中存在的问题及自动喷水给水泵未启动的原因,并简述湿式自动喷水灭火系统联动功能检查测试的方法。
3、七氟丙烷灭火系统在储罐间内未安装哪些组件?最大保护区对应的装置为几号驱动气瓶?4、简述维修单位对储瓶间气体灭火设备维修时存在的问题。
【答】1、根据建筑灭火器检查情况,简述哪些灭火器需要维修、报废。
(1)MFZ/ABC4(干粉灭火器),2010年1月的全部需要分批次维修,因此种类灭火器出厂期满5年必须检修。
(2)2010年7月2只具灭火器的筒体严重锈蚀,筒体腐蚀面积与筒体面积之比大于1/3需报废。
(3)出厂日期为2003年1月的MT5(二氧化碳灭火器)全部报废,因此种灭火器报废年段为出厂期满12年。
2003年7月1具,因筒体严重变形应报废。
2、根据素材(二)的场景中存在的问题及自动喷水给水泵未启动的原因,并简述温式自动喷水灭火系统联动功能检查测试的方法。
2015年消防工程案例分析真题试卷案例一某信息中心大楼内设有自动喷水灭火系统,气体灭火系统、火灾自动报警系统等自动消防设施和灭火器。
2015年2月5日,该单位安保部对信息中心的消防设施进行了全面检查测试,部分检查情况如下:(一)建筑灭火器检查情况(详见表1)(二)湿式自动喷水灭火系统功能测试情况打开湿式报警阀组上的试验阀,水力警铃动作,按规定方法测量水力警铃声强为65dB,火灾报警控制器(联动型)接受到报警阀组压力开关动作信号,自动喷水给水泵未启动。
(三)七氟丙烷灭火系统检查情况信息中心的通信机房设有七氟丙烷灭火系统(如图1所示),系统设置情况如表2所示,检查发现,储瓶间2#灭火剂储瓶的压力表显示压力为设计储存压力的85%,系统存在组件缺失的问题。
检查结束后,该单位安保部委托专业维修单位对气体灭火设备进行了维修。
维修单位派人到现场,焊接了缺失组件的底座,并安装了缺失组件,对2#灭火剂储瓶补压至设计压力。
1.根据建筑灭火器检查情况,简述哪些灭火器需要维修、报废。
2.指出素材(二)的场景中存在的问题及自动喷水给水泵未启动的原因,并简述湿式自动喷水灭火系统联动功能检查测试的方法。
3.七氟丙烷灭火系统在储瓶间内未安装哪种组件?最大防护区对应的驱动装置为几号驱动气瓶?4.简析维修单位对储瓶间气体灭火设备维修时存在的问题。
参考解析:1.(1)MFZ/ABC4(干粉灭火器)满5年需要分批次全部检查,出厂日期为2010年1月的灭火器,其到2015年2月5日已经超过5年,故需要全部检查;(2)出厂日期为2010年7月的灭火器中,有2只灭火器的筒体严重锈蚀(锈蚀面积大于筒体面积的1/3),此两具报废;(3)出厂日期为2003年1月的MT5(二氧化碳灭火器),超过了报废年限要求(12年),故需全部报废;(4)2003年7月中严重变形的1具需报废。
参见《消防安全技术综合能力》建筑灭火器配置中灭火器维修与报废。
2.存在问题:水利警铃声强为65dB,小于70dB,故错误。
2015年消防案例分析真题(修订终版带答案)2015 年一级消防工程师《案例分析》真题及答案第一题:某信息中心大楼内设有自动喷水灭火系统、气体灭火系统、火灾自动报警系统等自动消防设施和灭火器。
2015 年2 月5 日,该单位安保部队信息中心的消防设施进行了全面检查测试,部分检查情况如下:(灭火器型号出厂日期数量上次维修时间外观检查存在问题的灭火器压力表指针位于红区筒体锈蚀面积与筒体面积之比筒体严重变形<1/3≥1/3MFZ/ABC4 2010年1月82 无 2 5 2 2010年7月82 无 3 3 2MT5 2003年1月182014年1月0 0 0 2 2003年7月182014年7月0 0 0 1(二)湿式自动喷水灭火系统功能测试情况打开湿式报警阀组上的试验阀,水力警铃动作,按规定方法测量水力警铃声强为65dB,火灾报警控制器(联动型)接收到报警阀组压力开关动作信号,自动喷水给水泵启动。
(三)七氟丙烷灭火器系统检查情况信息中心的通信机房没有七氟丙烷灭火系统,系统设置情况(如表2)所示。
检查发现,储瓶向2#灭火剂储瓶的压力表显示压力为设计储存压力的85%,系统存在组件缺失的问题。
检查结束后,该单位安保部委托专业维修单位对气体灭火设备进行了维修。
维修单位派人到现场,焊接了缺失组件的底座,并安装了缺失组件:对2#灭火剂储瓶补压至设计压力。
防护区防护区容积灭火设计浓度%灭火剂用量灭火剂钢瓶容积灭火剂储存压力灭火剂钢瓶数量A 6008398120 4.24B 450 298 3C 300 199 2根据以上情况作答:1、根据建筑灭火器检查情况,简述哪些灭火器需要维修、报废。
2、指出素材(二)的场景中存在的问题及自动喷水给水泵未启动的原因,并简述湿式自动喷水灭火器系统联动功能检查测试的方法。
3、七氟丙烷灭火系统在储瓶间未安装哪种组件?最大防护区时对应的驱动装置为几号驱动气瓶?4、简析维修单位对储瓶间气体灭火设备维修时存在的问题。
1. 答:需要维修灭火器:1) 2010 年1 月出厂的80具MFZ/ABC4全部需要维修,因此种类灭火器出厂前期满5 年必须检修。
2) 2010 年7 月出厂的3具压力表指针位于红区的MFZ/ABC4灭火器、3具腐蚀面积比小于1/3的MFZ/ABC4灭火器。
需要报废灭火器:1) 2010年1月出厂的2具腐蚀面积比大于等于1/3的MFZ/ABC4灭火器。
2) 2010年7月出厂的2具腐蚀面积比大于等于1/3的MFZ/ABC4灭火器。
3) 2003年1月出厂的18具MT5灭火器需全部报废4) 2003年7月出厂的1具筒体严重变形的MT5灭火器需全部报废2.答:存在问题:1) 水力警铃声强题中为65dB,根据规范要求,距离水力警铃3m远测得的声强不应小于70dB。
2) 自动喷水给水泵未启动,根据规范要求,压力开关动作后,给水泵应立即启动。
自动喷水给水泵未启动的原因:综合能力P1531)压力开关设定值不正确2)消防联动控制设备中的控制模块损坏3)水泵控制柜、联动控制设备的控制模式未在“自动状态”。
4)水泵损坏5)水泵控制柜内未接通消防电源(3) 湿式自动喷水灭火器系统联动功能检查方法:综合能力P1431)系统控制装置设置为“自动”控制方式,启动一只喷头或者开启末端试水装置,流量保持在0.94-1.5L/s,水流指示器、报警阀、压力开关、水力警铃和消防水泵等及时动作,并有相应组件的动作信号反馈到消防联动控制设备。
2)打开阀门放水,使用流量计、压力表核定流量、压力,目测观察系统动作情况。
3.答:1)未安装的组件为瓶头阀,安全阀,低泄高封阀2)最大防火区对应的驱动装置为2 号驱动气瓶,因为根据表2,最大的防火区A 需要灭火剂钢瓶数量为4 只,从图1 中可知只有2号驱动气瓶连接4只灭火剂钢瓶,因此对应装置为2号驱动气瓶。
4.答:存在的问题:P182-1841)组件应厂外焊接厂内安装2)应到专门补压房间进行补压并测试3)应查明气压不足原因并维修4)维修单位维修结束以后未进行测试5)对2#灭火剂储瓶进行补压,压力不低于设计压力,且不得超过设计压力的5%。
第二题:某购物中心地下2 层、地上4 层。
建筑高度24m,耐火等级二级,地下二层室内地面与室外出入口地坪高差为11.5m。
地下每层建筑面积15200m²。
地下二层设置汽车库和变配电房、消防水泵房等设备用房以及建筑面积5820m²的建材商场(经营五金、洁具、瓷砖、桶装油漆、香蕉水等),地下一层为家具,灯饰商场,设有多部自动扶梯与建材商场连通,自动扶梯上下层相连通的开口部位设置防火卷帘。
地下商场部分的每个防火区面积不大于2000m²,采用耐火极限为1.5h 的不燃性楼板和防火墙及符合规定的防火卷帘进行分隔,在相邻防火分区的防火墙上均设有向疏散方向开启的甲级防火门。
地上一层至三层为商场,每层建筑面积12000m²,主要经营服装、鞋类、箱包和电器等商品。
四层建筑面积5600m²,主要功能为餐厅、游艺厅、儿童游乐厅和电影院。
电影院有8 个观众厅,每个观众厅建筑面积在186m²~390m²之间;游艺厅有2 个厅室,建筑面积分别为216m²、147m²。
游艺厅和电影院候场区均采用不到顶的玻璃隔断、玻璃门与其他部位分隔,安全出口符合规范规定。
每层疏散照明的地面水平照度为 1.01x,备用电源连续供电时间0.6h。
购物中心外墙外保温系统的保温材料采用模塑聚苯板,保温材料与基层墙体、装饰层之间有0.17m~0.6m 的空腔,在楼板处每隔一层用防火封堵材料对空腔进行防火封堵。
购物中心按规范配置了室内外消火栓系统、自动喷水灭火系统和火灾自动报警系统等消防措施。
根据以上材料,问题回答;1、指出地下二层、地上四层平面布置方面存在的问题。
2、指出地下商场防火分区方面存在的问题,并提出消防规范规定的整改措施。
3、分别列式计算购物中心地下一、二层安全出口的最小总净宽度,地下一层安全出口最小总净宽度应为多少?(以m 为单位,计算结果保留1 位数)4、判断购物中心的疏散照明设置是否正确,并说明理由。
5、指出购物中心外墙外保温系统防火措施存在的问题。
(提示:商店营业厅人员密度及百人宽度指标分别见表3、表4)【答案】1. 1)地下二层存在的问题:消防水泵房设置在了地下室地面与室外地坪高差为11.5m的楼层内,大于10米;建材商场经营油漆、香蕉水等甲、乙类火灾危险性物品。
2)地上四层存在的问题:设置儿童游乐厅,按规范规定,当儿童游乐厅设置在一、二级的多层或高层建筑内时,应设置在建筑的首层或二、三层。
游艺厅布置在地上4 层及以上楼层时,厅室的建筑面积不得大于200m²,题中为216m²错误。
●游艺厅及电影院采用不到顶的玻璃隔断,玻璃门与其他部位分隔错误。
应用耐火极限不低于2h 的防火隔断和甲级防火门与其他分隔。
2. (1)地下商场部分的每个防火区面积不大于2000m²(2)采用耐火极限为1.5h 的不燃性楼板和防火墙及符合规定的防火卷帘进行分隔,在相邻防火分区的防火墙上均设有向疏散方向开启的甲级防火门。
整改措施:(1) 商场或营业厅应采用不燃或难燃材料装修(2) 总建筑面积大于20000㎡的地下商场,应采用无门窗洞口的防火墙,耐火极限不低于2h的楼板分隔为面积不大于20000㎡的区域。
相邻区域确需连通时,应采用下沉式广场等室外敞开空间、防火隔间、避难走道、防烟楼梯间等进行连通。
3. (1)地下二层:人数:5820×0.56×0.3=977.76 人宽度:(977.76/100)*1=9.77≈9.8(2)地下一层:人数:15200×0.60×0.3=2736宽度:(2736/100)*1=27.36≈27.4(3)由于27.4m>9.8m,因此地下一层安全出口的总净宽度为27.4m4.(1) 每层疏散照明的地面水平照度为1.01x,不正确。
理由:1)人员密集场所地面水平照度不应低于3.0lx2) 楼梯间、前室、避难走道地面最低水平照度不应低于5.0lx3) 消防水泵房、变配电房等设备用房,其作业面的最低水平照度不应低于正常照明的照度。
(2) 备用电源连续供电时间0.6h,不正确。
理由:地下部分建筑面积15200 m²*2>20000 m²,应急照明备用电源连续供电不应小于1h。
5. (1)外墙保温材料选用模塑聚苯板,燃烧性能不是A级。
(2)保温材料与基层墙体,装饰层之间的空腔,在楼板处每隔一层用防火封堵材料对空腔进行防火封堵。
应每层沿楼板位置设置防火封堵。
第三题:某公司投资建设的大型商业综合体由商业区和超高层写字楼,商品住宅楼及五星级酒店组成。
除酒店外,综合体由建设单位下属的物业公司统一管理。
建设单位明确了物业公司经理为消防安全管理人,建立了消防安全管理制度,成立了志愿消防组织;明确了专(兼)职消防人员及其职责。
在物业管理合同中,约定了产权人,承租人的消防安全管理职责,明确了物业公司有权督促落实;确定了公共区域,未销售(租赁)区域的消防安全管理、室外消防设施(场地)以及建筑消防设施改造与维护管理等由物业公司统一组织实施,各方按照相关合同出资。
某天营业期间,商业区二层某商铺装修时,电焊引发火灾。
起火后,装修工人慌乱中碰翻了正在使用的油漆桶。
火势迅速扩大;在寻找灭火器无果后,悉熟逃离火场,消防控制室(共2 名值班人员)接到保安报警,向经理报告后,2 人均赶往现场灭火;此时,火灾已向相邻防火分区,有多部楼梯间因防火门未关闭,大量进烟。
灾后倒查,起火点的装修现场采用木质胶合板与相邻区域隔离,现场无序堆放了大量的木质装修材料、油漆及有机溶剂等;现场的火灾探测器因频繁误报在火灾报警控制器上屏蔽,二层的自动喷水灭火系统配水管控制阀因喷头漏水被关闭;动火现场安全监护人员脱岗。
防火档案记载,保安在营业期间每3 小时防火巡查一次。
防火巡查记录均为“正常”;火灾前52 天组织的最近一次防火检查,载录了商业区存在“楼梯间防火门未常闭”、“有的商铺装修现场管理混乱,无消防安全防护措施”,“二层多个商铺装修现场火灾探测器误报,喷头损坏漏水”等3 项火灾隐患。
1、简述该大型商业综合体对多个产权(使用)单位的消防安全管理是否合理,并说明原因。
2、简述消防控制室值班人员在此次火灾应急处置中存在的问题。
3、结合装修工人初起火灾处置行为,简述需要加强对装修工人消防安全教育培训的主要内容。
4、指出起火点装修现场存在的火灾隐患。
5、简析物业管理公司在防火巡查,防火检查及火灾隐患整改过程中存在的问题。