2015年一级消防工程师《案例分析》考试真题及答案
- 格式:docx
- 大小:1.04 MB
- 文档页数:11
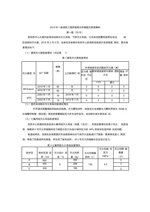
2015年一级消防工程师案例分析真题及答案第一题:某信息中心大楼内设有自动喷水灭火系统、气体灭火系统、火灾自动报警系统等自动消防设施和灭火器.2015年2月5日,该单位安保部队信息中心的消防设施进行了全面检查测试,部分检查情况如下:(一)建筑灭火器检查情况(详见1表)(二)湿式自动喷水灭火系统功能测试情况打开湿式报警阀组上的试验阀,水力警铃动作,按规定方法测量水力警铃声强为65dB,火灾报警控制器(联动型)接收到报警阀组压力开关动作信号,自动喷水给水泵启动。
(三)七氟丙烷灭火器系统检查情况信息中心的通信机房没有七氟丙烷灭火系统,系统设置情况(如表2)所示。
检查发现,储瓶向2#灭火剂储瓶的压力表显示压力为设计储存压力的85%,系统存在组件缺失的问题。
检查结束后,该单位安保部委托专业维修单位对气体灭火设备进行了维修。
维修单位派人到现场,焊接了缺失组件的底座,并安装了缺失组件:对2#灭火剂储瓶补压至设计压力。
根据以上情况作答:1、根据建筑灭火器检查情况,简述哪些灭火器需要维修、报废。
2、指出素材(二)的场景中存在的问题及自动喷水给水泵未启动的原因,并简述湿式自动喷水灭火器系统联动功能检查测试的方法。
3、七氟丙烷灭火系统在储瓶间未安装哪种组件?最大防护区时对应的驱动装置为几号驱动气瓶?4、检修维修单位对储瓶间气体灭火设备维修时存在的问题.【答案】第一题1.MFZ/ABC4 2010年1月的全部需要维修,因此种类灭火器出厂前期满5年必须检修.2010年7月2日只简体腐蚀面积与简体面积大于1/3需报废。
MF5 2003年1月全部报废,因此种灭火器报废年段为出厂期满12年。
2003年7月1日具因简体严重变形应报废。
2.存在问题:水力警铃声强题中为65dB,实际因为70dB。
自动喷水给水泵未启动是因为:(1)水力警铃声强未达到规定声强(2)水流指示器在水流动作后不报信号检查方法:第二题:某购物中心地下2层、地上4层.建筑高度24m,耐火等级二级,地下二层室内地面与室外出入口地坪高差为11.5m。
消防工程师/真题题库2015年一级消防工程师《案例分析》真题答案(部分)2015年一级消防工程师《案例分析》真题答案(部分)第六大题第一小问防火间距符合规定,消防车道符合规定;防火间距不足时需要采取的措施:1.改变建筑物的生产和使用性质,尽量降低建筑的火灾危险性,改变房屋的部分耐火性能,提高建筑物的耐火等级。
2.调整生产厂房的部分工艺流程,限制库房内存储物品的数量,提高部分构件的耐火极限和燃烧性能3.将建筑物的普通外墙改造为防火墙或者减少相邻的开口面积如开设门窗应采用防火门窗或加防火水幕保护4.拆除部分耐火等级低,占地面积小,使用价值低且与新建筑物相邻的原有陈旧建筑物。
5设置独立的室外防火墙第二大题第一小问1.地下二层存在的问题:消防水泵房不得设置在地下室地面与室外地坪高差大于10m的楼层内,题目为11.5m。
2.地上四层存在的问题:游艺厅布置在地上4层及以上楼层时,厅室的建筑面积不得大于200平方米,题中为216平方米错误。
游艺厅及电影院采用不到顶的玻璃隔断,玻璃门与其他部位分隔错误。
应用耐火极限不低于2h的防火隔断和甲级防火门与其他分隔图1下面第一小问,根据建筑灭火器检查1. 维修单位要求报废;2. 筒体严重锈蚀或严重变形的;3. 铭牌脱落或模糊不清的;4. 没有生产厂名或出厂日期的;5. 省级以上的公安部门明令禁止销售,维修或使用的;6. 当有锡Q244078492焊、熔接、铜焊或补缀等修补痕迹时;7. 当钢瓶或筒体的螺纹受损时;8. 因腐蚀而产生凹坑时;9. 当灭火器被火烧过时;10. 当氯化钙Q 244078492 消防改分型类灭火剂已经被用于不锈钢灭火器中时;11. 当某些类型灭火器按国家规定应予报废时;12. 当铝制钢瓶或筒体的灭火器暴露在火堆前,或重新刷漆并用烘炉烘干温度超过160℃时。
2015年一级消防工程师《案例分析》真题答案(部分).doc [全文共765字] 编号:6350765。
2015一级消防工程师《消防安全案例分析》考试真题解析汇总下载一级消防工程师考试真题、模拟题尽收其中,千名业界权威名师精心解析,精细化试题分析、完美解析一网打尽!在线做题就选针题库:/29Bkqkd(选中链接后点击“打开链接”)一、案例分析1.某文化馆为砖混结构,建筑面积为3500m2,设有前厅、观众厅、南北过厅和舞台。
该文化馆共有8个对外安全出口,西侧正门有3个出口,安装有铝合金卷帘门,南北两侧过厅的出口全部加装了防盗栅栏门并上锁,观众厅通往过厅(过厅内堆放了一些杂物)的6个过渡门也有2个被锁;通往室外的出口,只有前厅 1个外门开启。
某日,该文化馆举办文艺汇报演出,进行到第四个节目时,舞台正中偏后北侧上方倒数第二道光柱灯(1000W)与纱幕距离过近,高温灯具烤燃纱幕。
由于舞台空间大,舞台用品都是高分子化纤织物,故火灾一开始便迅速形成立体燃烧,火场温度迅速升高,并伴随大量有毒气体产生。
现场灯光因火烧短路而全部熄灭,在场观众因安全疏散门封闭,来不及疏散,短时间内中毒窒息,造成大量人员伤亡。
当地消防支队接警后及时到达现场,积极救人,先后破拆了4个推拉式防盗门、木门和一个钢筋封闭窗,抢救出260名被困人员,并将火灾扑灭。
火灾共造成32人死亡、128人受伤,烧毁观众厅内装饰物品及灯光、音响设备等物资,直接财产损失210余万元。
请结合上述案例。
分析并回答以下问题:(1)该文化馆发生火灾原因和应吸取的主要教训有哪些?(2)该文化馆违反消防法规及标准情况有哪些?参考答案1.(1)火灾原因:舞台正中偏后北侧上方倒数第二道1000W的光柱灯距纱幕过近,光柱灯高温烤燃纱幕起火,迅速蔓延成灾。
(2)主要教训:①安全疏散门上锁关闭,致使在火灾发生时人员疏散拥挤堵塞,来不及逃生,造成大量伤亡。
②馆内装饰、装修、舞台用品大量采用有机高分子易燃可燃材料,火灾时产生大量烟气和一氧化碳、二氧化碳等有毒气体,使现场人员短时间内中毒窒息,丧失逃生能力。
2015年一级消防工程师《案例分析》考试真题及答案一、考试简介一级消防工程师是消防队伍中最高职业资格的认证。
一级消防工程师拥有深入了解火灾原因、预防和控制火灾的相关知识、熟悉各类灭火设施和器材的使用方法以及火灾应急救援的能力。
一级消防工程师的职业范围广泛,除了承担防火检查、灭火扑救等常规消防工作外,还需要在建筑、材料、设备等方面提供消防安全技术指导。
《案例分析》是一级消防工程师考试中的一个重要科目,考察考生在解决灭火过程中实际问题的分析和解决能力。
以下是2015年一级消防工程师《案例分析》考试真题及答案。
二、考试真题1. 火灾案例某市XX区一家高层住宅楼,20层,建筑面积30000平方米,有地下室一层和顶层两层,共有145户居民。
火源为一户居民家中的烧烤炉,火势猛烈,当地消防队接到报警后,火势已经向外蔓延,面积达到2000平方米,浓烟滚滚,居民惊慌失措。
2. 问题请回答以下问题:1.请简述该火灾的危害程度。
2.该火灾的起火原因是什么?3.该楼房在消防安全方面有哪些缺陷?4.现场消防救援需要注意哪些事项?5.请简述救援措施和方案。
三、考试答案1. 火灾案例某市XX区一家高层住宅楼,20层,建筑面积30000平方米,有地下室一层和顶层两层,共有145户居民。
火源为一户居民家中的烧烤炉,火势猛烈,当地消防队接到报警后,火势已经向外蔓延,面积达到2000平方米,浓烟滚滚,居民惊慌失措。
2. 问题1.请简述该火灾的危害程度。
该火灾危害程度较高,主要体现在以下几个方面: - 住宅楼建筑面积大,20层建筑高度高,火势猛烈,导致火灾面积较大。
- 居民人数多,发生火灾后,当火势向外扩展,很容易引起群体性踩踏,造成人员伤亡。
- 烟雾较大,危及行动不便的居民,验证疏散是否正常运行的难度较大。
2.该火灾的起火原因是什么?该火灾起火原因是某户居民在房间内使用烧烤炉,放置不规范,炉火跳出点燃附近的可燃物品,导致火灾。
3.该楼房在消防安全方面有哪些缺陷?经过救援人员的现场勘查,该楼房消防安全存在以下问题: - 电梯没有设置紧急呼救按钮。
2015一级消防工程师《消防安全案例分析》考试真题完整版一级消防工程师考试真题、模拟题尽收其中,千名业界权威名师精心解析,精细化试题分析、完美解析一网打尽!在线做题就选针题库:/29Bkqkd(选中链接后点击“打开链接”)一、单选题1)、如汽车库必须与中小学校的教学楼、老年人建筑等组合建造时,需检查其是否只设置在建筑的( )。
A.首层B.二、三层C.六层以上D.地下部分2)、建筑高度大于33m的住宅建筑,采用( )。
A.封闭楼梯间B.敞开楼梯问C.室外楼梯间D.防烟楼梯间3)、地下建筑内不同防火分区通向下沉式广场等室外开敞空间的开口最近边缘之间的水平距离不得小于( )。
A.10mB.13mC.24mD.30m4)、供水设施的维护管理规定要求,( )应模拟消防水泵自动控制的条件自动启动消防水泵运转一次,且自动记录自动巡检情况。
A.每年B.每半年C.每季度D.每周5)、水喷雾系统测试时,距水力警铃3m远处警铃声强不应小于( )。
A.50dBB.65dBC.70dBD.80dB6)、医院的病房不宜设置在( )。
A.三级耐火等级建筑首层B.三级耐火等级建筑二层C.地下一层D.地下二层7)、在市政给水管道、进水管道或天然水源不能满足消防用水量,以及当市政给水管道为枝状或只有一条进水管的情况下,室内外消防用水量之和大于( )的建(构)筑物应设消防水池。
A.201/sB.251/sC.301/sD.351/s8)、对于湿式自动喷水灭火系统布置喷头时,易受碰撞的部位应采用( )喷头。
A.下垂型B.边墙型C.直立型D.吊顶型9)、气体灭火系统自动控制装置应在接到( )个独立的火灾信号后才能启动。
A.2B.3C.4D.510)、液化石油气加气站采用埋地储罐时,二、三级站消火栓消防用水量不应小于( )。
A.101/sB.151/sC.201/sD.301/s11)含水率在_________的原油、渣油、重油等为沸溢性油品。
2015年一级消防工程师案例分析真题及答案解析第一题(20分)某信息中心大楼内设有自动喷水灭火系统、气体灭火系统、火灾自动报警系统等全自动消防设施和灭火器,2015年2月5日,该单位安保部对信息中心的消防设施进行全面检查测试, 部分检查情况如下:(一)建筑灭火器检查情况(详见表1)表1建筑灭火器检查情况打开湿式报警阀组导航的试验阀,水力警铃动作,按规定方法测量水力警铃声强为65dB,火灾报警控制器(联动型)接收到报警阀组压力开关动作信号,自动喷水给水泵未启动。
(三)七氟丙烷灭火系统检查情况信息中心的通信机房设有七氟丙烷灭火系统(如图1所示),系统设置情况如表2所示。
检查发现,储瓶间2号灭火剂储瓶的压力表显示压力为设计储存压力的85%,系统存在组件缺失的问题。
检查结束后,该单位安保部委托专业维修单位对气体灭火设备进行了维修。
维修单位派人到现场,焊接了却是组件的底座,并安装了缺失组件;对2号灭火剂储瓶补压至设计压力。
【问题1】根据建筑灭火器检查情况,简述哪些灭火器需要维修、报废。
(5分)【答案】综合能力 P237 (每个0.5分) 灭火器型号出厂 日期数量 (具)上次维修 时间外观检查存在问题的灭火器(具) 压力表 指针位 于红区筒体锈蚀面积与筒体面积之比 筒体严重 变形<1/3 仝1/3MFZ/abc42010年1月82 无 2维修 5维修 2报废 0 2010年7月 82 无 3维修 3维修 2报废 0 MT52003年1月182014年1月 全部报废22003年7月182014年7月0 0 01报废种类 首修后 出厂后报废 水基(s ) 1 3 6 干粉(F )2510泡沫(P )洁净气体CO2 (T)12每次送修( )个计算单元1/4筒体锈蚀》()报废1/3述湿式自动喷水灭火系统联动功能检查测试的方法。
【答案】MCI 细rzr泄啕三時:(8 分)J 力“匸鬲册糊弍戈曲/丙 蟻 ,甲、水力警铃未达到规定声强标准值,应为 、自动喷水给水泵未启动的原因: 1. 设备本身机械,(1分) 2. 动(电)力故障,(1分) 3. 线路,管路连接故障(1分) 4.控制系统故障 (1分)口诀:机、电、连、控三、湿式自动喷水灭火系统联动功能检查测试方法:答:按照GB50261 7.2.7 规定:启动一只喷头或以0.94-1.5L/S的流量从末端试水装 置处放水时,水流指示器、报警阀、压力开关、水力警铃和消防水泵应及时动作并发出相应 的信号。
第三题(20分)某公司投资建设的大型商业综合体由商业区和超高层写字楼、商品住宅楼及五星级酒店组成。
除酒店外,综合体由建设单位下属的物业公司统一管理。
建设单位明确了物业公司经理为消防安全管理人,建立了消防安全管理制度,成立了志愿消防组织;明确了专(兼)职消防人员及其职责。
在物业管理合同中,约定了产权人、承租人的消防安全管理职责,明确了物业公司有权督促落实;确定了公共区域、未销售(租赁)区域的消防安全管理、室外消防设施(场地)以及建筑消防设施改造与维护管理等由物业公司统一组织实施,各方按照相关合同出资。
某天营业期间,商业区二层某商铺装修时,电焊引发火灾。
起火后,装修工人慌乱中碰翻了正在使用的油漆桶,火势迅速扩大;在寻找灭火器无果后,悉数逃离火场。
消防控制室(共2名值班人员)接到保安报警,向经理报告后,2人均赶往现场灭火;此时,火灾已向相邻商铺蔓延,值班人员这才向公安消防队报警。
公安消防队到场时,火灾已蔓延至相邻防火分区,有多部楼梯间因防火门未关闭,大量进烟。
灾后倒查,起火点的装修现场采用木质胶合板与相邻区域隔离,现场无序堆放了大量的木质装修材料、油漆桶及有机溶剂等;现场的火灾探测器因频繁误报在火灾报警控制器上屏蔽,二层的自动喷水灭火器系统配水管控制阀因喷头漏水被关闭;动火现场安全监护人员脱岗。
防火档案记载,保安在营业期间每3小时防火巡查1次,防火巡查记录均为“正常”;火灾前52天组织的最近一次防火检查,载录了商业区存在“楼梯间防火门未常闭”、“有的商铺装修现场管理混乱,无消防安全防护措施”、“二层多个商铺装修现场火灾探测器误报,喷头损坏漏水”等3项火灾隐患。
根据以上材料,回答问题:1.简述该大型商业综合体对多个产权(使用)单位的消防安全管理是否合理,并说明原因。
【试题解析】不合理。
大型商业综合体属于消防安全重点单位,单位应明确法人代表为消防安全责任人,建立消防安全管理档案,确立消防安全重点部位,定期进行防火巡查,对单位人员进行消防培训教育,建立消防安全操作规程和应急预案。
全国一级注册消防工程师《消防案例分析》历年真题解析(2015-2018)建匠教育新思维网络服务编目录2018年一级注册消防工程师《消防案例分析》真题 (3)2017年一级注册消防工程师《消防案例分析》真题 (13)2016年一级注册消防工程师《消防案例分析》真题 (23)2015年一级注册消防工程师《消防案例分析》真题 (33)2018年一级注册消防工程师《消防案例分析》答案解析 (40)2017年一级注册消防工程师《消防案例分析》答案解析 (50)2016年一级注册消防工程师《消防案例分析》答案解析 (61)2015年一级注册消防工程师《消防案例分析》答案解析 (66)2018年一级注册消防工程师《消防案例分析》真题第一题华北地区的某高层公共建筑,地上7层,地下3层,建筑高度35m,总建筑面积70345㎡,建筑外墙采用玻璃幕墙,其中地下面积28934m2,地下一层层高6m,为仓储式超市(货品高度3.5m),和消防控制室及设备用房;地下二、三层层高均为3.9m,为汽车库及设备用房,设计停车位324个;地下总面积41411㎡,每层层高为5m,一至五层为商场,六、七层为餐饮、健身、休闲场所,屋顶设消防水箱间和稳压泵,水箱间地面高出屋面0.45m。
该建筑消防给水由市政支状供水管引入1条DN150的管道供给,并在该地块内形成环状管网,建筑物四周外援5~150m内,设有3个市政消火栓,市政供水压力为0.25MPa,每个市政消火栓的流量按10L/s设计,消防储水量不考虑火灾期间的市政补水。
地下一层设消防水池和消防泵房,室内外消火栓系统分别设置消防水池,并用DN300的管道连通,水池有效水深3m,室内消火栓水泵扬程84m,室外消火栓系统均采用环状管网。
根据该建筑物业管理记录,稳压泵启动次数20次/h。
根据以上材料,回答下列问题(共18分,每题2分,每题的备选项中,有2个或2个以上符合题意,至少有一个错项,错选,本题不得分:少选,所选的每个选项得0.5分)1.该建筑消防给水及消火栓系统的下列设计方案中,符合规范的有()A.室内外消火栓系统合用消防水池B.室内消火栓系统采用高位水箱稳压的临时高压消防给水系统C.室内外消火栓系统分别设置独立的消防给水管网系统D.室内消火栓系统设置气压罐,不设水锤消除设施E.室内消火栓系统采用由稳压泵稳压的临时高压消防给水系统2.该建筑室内消火栓的下列设计方案中,正确的是()A.室内消火栓栓口动压不小于0.35MPa,消防水枪充实水柱按13m计算B.消防电梯前室未设置室内消火栓C.室内消火栓的最小保护半径为29.23m,消火栓的间距不大于30mD.室内消火栓均采用减压稳压消火栓E.屋顶试验消火栓设在水箱间3.该建筑室内消火栓系统的下列设计方案中,不符合规范的()A.室内消火栓系统采用一个供水分区B.室内消火栓水泵出水管设置低压压力开关C.消防水泵采用离心式水泵D.每台消防水泵在消防泵房内设置一套流量和压力测试装置E.消防水泵接合器沿幕墙设置4.该建筑供水设施的下列设计方案中,正确的有()A.高位消防水箱间采用采暖防冻措施,室内温度设计为10℃B.高位消防水箱材质采用钢筋混凝土材料C.高位消防水箱的设计有效容量为50m³D.高位消防水箱的进出管道上的阀门采用信号阀门E.屋顶水箱间设置高位水箱和稳压泵,稳压泵流量为0.5L/s5.该建筑消火栓水泵控制的下列设计方案中,不符合规范的有()A.消防水泵由高位水箱出水管道上的流量开关直接自动启停控制B.火灾时消防水泵工频直接启动,并保持工频运行消防水泵C.消防水泵就地设置有保护装置的启停控制按钮D.消防水泵由报警阀压力开关信号直接自动启停控制E.消火栓按钮信号直接启动消防水泵6.确定该建筑消防水泵主要技术参数时,应考虑的因素有()A.室内消火栓设计流量B.室内消火栓管道管径C.消防水泵的抗震技术措施D.消防水泵控制模式E.实验用消火栓标高和消防水池水位标高7.该建筑室内消火栓系统稳压泵出现频繁启停的原因有()A.管网漏水量超过设计值B.稳压泵配套气压水罐有效储水200LC.压力开关或控制柜失灵D.稳压泵设在屋顶E.稳压泵选型不当8.建筑消火栓系统施工的做法正确的有()A.消火栓控制阀采用沟槽式阀门或法兰式阀门B.钢丝网骨架塑料复合管的过渡接头钢带端与钢管采用焊接连接C.室内消火栓管道的热浸镀锌钢管采用法兰连接时二次镀锌D.室内消火栓架空管道采用钢丝网骨架塑料复合管E.吸水管变径连接时,采用偏心异径管件并采用管顶平接9.该建筑消防供水的下列设计方案中,不符合规范的有()A.距该建筑18m处,设置消防水池取水口B.消防水池水泵房设在地下一层C.消防水池地面与室外地面高差8mD.将距建筑物外缘5~150m范围内的3个市政消火栓计入建筑的室外消火栓数量E.室外消火栓采用湿式地上式消火栓第二题某企业的食品加工厂房,建筑高度8.5m,建筑面积2130m2。
2)由湿式系统的工作原理图可以得出自动喷水给水泵未启动的原因有:①压力开关设定值不正确。
②消防联动控制设备中的控制模块损坏。
③水泵控制柜、联动控制设备的控制模式未设定在“自动”状态。
【考点】《(消防安全技术综合能力》教材第153页。
3)湿式自动喷水灭火器系统联动功能检查测试的方法:①系统控制装置设置为“自动”控制方式,启动1只喷头或者开启末端试水装置,流量保持在0.94--一1.5L/s,水流指示器、报警阀、压力开关、水力警铃和消防水泵等及时动作,并有相应组件的动作信号反馈到消防联动控制设备。
②打开阀门放水,使用流量计、压力表核定流量、压力,目测观察系统动作情况。
【考点】《消防安全技术综合能力》教材第143页。
3.七氟丙烷气体灭火系统在储瓶间:1)未安装的组件为安全泄压装置。
【考点】《消防安全技术综合能力》教材第179、188页。
2)最大防火区对应的驱动装置为2号驱动气瓶,因为根据表2,最大的防火区A需要灭火剂钢瓶数量为4只,从图1中可知只有2号驱动气瓶连接4只灭火剂钢瓶,因此对应驱动装置为2号驱动气瓶。
4.检修维修单位对设备的维修存在下列问题:1)组件应厂外焊接厂内安装。
2)应到专门补压房间进行补压,并测试。
3)查明气罐压力不足原因并维修。
4)维修单位维修结束以后没有进行系统调试。
5)对2#灭火剂储瓶进行补压,压力不低于设计压力,且不得超过设计压力的5%。
【考点】《消防安全技术综合能力》教材第182、184页。
第二题(20分)某购物中心地下2层、地上4层。
建筑高度24m,耐火等级二级。
地下二层室内地面与室外出入口地坪高差为11.5m,地下每层建筑面积15200m2。
地下二层设置汽车库和变配电房、消防水泵房等设备用房以及建筑面积5820m2的建材商场(经营五金、洁具、瓷砖、桶装油漆、香蕉水等);地下一层为家具、灯饰商场,设有多部自动扶梯与建材商场连通,自动扶梯上下层相连通的开口部位设置防火卷帘。
第一题(20 分)某信息中心大楼内设有自动喷水灭火系统、气体灭火系统、火灾自动报警系统等自动消防设施和灭火器,2015 年 2 月 5 日,该单位安保部对信息中心的消防设施进行了全面检查测试,部分检查情况如下:(一)建筑灭火器检查情况(详见表1)表 1 建筑灭火器检查情况(二)湿式自动喷水灭火系统功能测试情况打开湿式报警阀组导航的试验阀,水力警铃动作,按规定方法测量水力警铃声强为65dB,火灾报警控制器(联动型)接收到报警阀组压力开关动作信号,自动喷水给水泵未启动。
(三)七氟丙烷灭火系统检查情况信息中心的通信机房设有七氟丙烷灭火系统(如图 1 所示),系统设置情况如表 2 所示。
检查发现,储瓶间 2 号灭火剂储瓶的压力表显示压力为设计储存压力的85%,系统存在组件缺失的问题。
检查结束后,该单位安保部委托专业维修单位对气体灭火设备进行了维修。
维修单位派人到现场,焊接了缺失组件的底座,并安装了缺失组件;对 2 号灭火剂储瓶补压至设计压力。
图一七氟丙烷灭火系统组成示意图根据以上材料,回答问题:1.根据建筑灭火器检查情况,简述哪些灭火器需要维修、报废。
2.根据素材(二)的场景中存在的问题及自动喷水给水泵未启动的原因,并简述温式自动喷水灭火系统联动功能检查测试的方法。
3.七氟丙烷灭火系统在储罐间内未安装哪些组件?最大保护区对应的装置为几号驱动气瓶?4.简述维修单位对储瓶间气体灭火设备维修时存在的问题。
第二题(20 分)某购物中心地下 2 层,地上 4 层,建筑高度24 米,耐火等级二级,地下 2 层室内地面与室外出入口地坪高差为11.5m。
地下每层建筑面积15200 平方米,地下 2 层设置汽车库和变配电房,消防水泵房等设备用房及建筑面积5820 平方米的建材商城(经营五金,洁具,瓷砖,桶装油漆,香蕉水等);地下一层为家具,灯饰商场,设有多部自动扶梯与建材商场连通,自动扶梯上下层相连通的开口部位设置防火卷帘,地下商场部分的每个防火分区面积不大于2000 平方米,采用耐火极限为 1.5h 的不然性楼板和防火墙及符合规定的防火卷帘进行分隔,在相邻防火区的防火墙上均设有向疏散方向开启的甲级防火门。
2015年注册消防工程师执业资格考试《消防安全案例分析》真题解析章节题目知识点分布建筑第2题 1.平面布置方面存在的问题防火购物 2.防火分区方面存在的问题中心 3.安全疏散--安全出口的最小总净宽度计算4.疏散照明设置5.外墙外保温系统防火措施存在的问题第6题 1.检查防火间距、消防车道是否符合消防安全规定。
木器 2.简析厂房平面布置和油漆工段存在的消防安全问题厂房 3.计算油漆工段的泄压面积。
4.中间仓库存在哪些消防安全问题?应采取哪些防火防爆技术措施?5.应配置的建筑消防设施?消防第3题 1.多个产权(使用)单位的消防安全管理安全 2.消防控制室值班人员在此次火灾应急处置中存在的问题。
管理 3.消防安全教育培训的主要内容。
4.指出起火点装修现场存在的火灾隐患。
5.防火巡查、防火检查及火灾隐患整改过程中存在的问题。
第一题(20分)某信息中心大楼内设有自动喷水灭火系统、气体灭火系统、火灾自动报警系统等自动消防设施和灭火器。
2015年2月5日,该单位安保部对信息中心的消防设施进行了全面检查测试,部分检查情况如下:(一)建筑灭火器检查情况(详见表1)表1 建筑灭火器检查情况(二)湿式自动喷水灭火系统功能测试情况打开湿式报警阀组上的试验阀,水力警铃动作,按规定方法测量水力警铃声强为65dB,火灾报警控制器(联动型)接收到报警阀组压力开关动作信号,自动喷水给水泵未启动。
(三)七氟丙烷灭火系统检查情况信息中心的通信机房设有七氟丙烷灭火系统(如图1所示),系统设置情况如表2所示。
检查发现,储瓶间2#灭火剂储瓶的压力表显示压力为设计储存压力的85%,系统存在组件缺失的问题。
检查结束后,该单位安保部委托专业维修单位对气体灭火设备进行了维修。
维修单位派人到现场,焊接了缺失组件的底座,并安装了缺失组件;对2#灭火剂储瓶补压至设计压力。
根据以上材料,回答问题:1.根据建筑灭火器检查情况,简述哪些灭火器需要维修、报废。
2015注册消防工程师案例分析大题(含答案解析)案例分析题第一题某单层木器厂房为砖木结构,屋顶承重构件为难燃性构件,耐火极限为0.5h,柱子采用不燃性构件,耐火极限为2. 50h。
木器厂房建筑面积为4500㎡,其总平面布局和平面布置如图1. 2-1所示;木器厂房周边的建筑,面向木器厂房一侧的外墙上均设有门和窗。
该木器厂房采用流水线连续生产,工艺不允许设置隔墙。
厂房内东侧设有建筑面积500㎡的办公、休息区,采用耐火极限 2. 50h的防火隔墙与车间分隔,防火隔墙上设有双扇弹簧门;南侧分别设有建筑面积为150㎡的油漆工段(采用封闭喷漆工艺)和50㎡的中间仓库,中间仓库内存储存3昼夜喷漆生产需要量的油漆,稀释剂(甲苯和香蕉水,C=0.11),采用防火墙与其他部位分隔,油漆工段通向车间的防火墙上设有双扇弹簧门。
该厂房设置了消防给水及室内消火栓系统、建筑灭火器、排烟设施和应急照明及疏散指示标志。
根据以上材料,回答问题:1.检查防火间距,消防车道是否符合消防安全规定,提出防火间距不足时可采取的相应技术措施。
2.简析厂房平面布置和油漆工段存在的消防安全问题,并提出整改意见。
3.计算油漆工段的泄压面积,并分析利用外窗作泄压面的可行性。
4.中间仓库存在哪些消防安全问题?应采取哪些防火防爆技术措施?5.该厂房内还应配置哪些建筑消防设施? (2015 年考试真题)(提示:150⅔=28.24,200⅔=34.20,750⅔=82.55)第二题某框架剪力墙结构综合楼,总建筑面积为30万㎡,地下4 层,地上20 层,分为主楼和裙房两部分,主楼与其裙房之间设有防火墙等防火分隔设施,主楼各层建筑面积均大于1000㎡。
该综合楼为一类高层公共建筑,该综合楼地下室的耐火等级为一级,主楼及其裙房的耐火等级为一级。
该综合楼地下3、4 层均为人防层,其主要使用功能为普通汽车库、复式汽车库和储存可燃固体的库房;地下2 层主要使用功能为展览厅、管理用房及燃气锅炉房、柴油发电机房、变压器室、配电室、消防泵房等设备用房;地下1 层主要使用功能为消防控制室、管理用房及商场营业厅。
2021 年一级消防工程师考试案例分析真题及答案第一题(20分)某信息中心大楼内设有自动喷水灭火系统、气体灭火系统、火灾自动报警系统等自动消防设施和灭火器。
2021 年2月5日,该单位安保部队信息中心的消防设施进展了全面检查测试,局部检查情况如下:(一)建筑灭火器检查情况(详见表1)(二)湿式自动喷水灭火系统功能测试情况翻开湿式报警阀组上的试验阀,水力警铃动作,按规定方法测量水力警铃声强为65dB,火灾报警控制器(联动型)接收到报警阀组压力开关动作信号,自动喷水给水泵启动。
(三)七氟丙烷灭火器系统检查情况信息中心的通信机房没有七氟丙烷灭火系统(如图1所示),系统设置情况如表2所示。
检查发现,储瓶向2#灭火剂储瓶的压力表显示压力为设计储存压力的85%,系统存在组件缺失的问题。
检查完毕后,该单位安保部委托专业维修单位对气体灭火设备进展了维修。
维修单位派人到现场,焊接了缺失组件的底座,并安装了缺失组件:对2#灭火剂储瓶补压至设计压力。
表2七氟丙烷灭火系统设置情况图1 七氟丙烷灭火系统组成示意图根据以上材料,答复以下问题:1.【题干】根据建筑灭火器检查情况,简述哪些灭火器需要维修、报废。
2.【题干】指出素材(二)的场景中存在的问题及自动喷水给水泵未启动的原因,并简述湿式自动喷水灭火器系统联动功能检查测试的方法。
3.【题干】七氟丙烷灭火系统在储瓶间未安装哪种组件?最大防护区时对应的驱动装置为几号驱动气瓶?4.【题干】检修维修单位对储瓶间气体灭火设备维修时存在的问题。
参考答案:1.MFZ/ABC4 2021年1月的全部需要维修,因此种类灭火器出厂前期满5年必须检修。
2021年7月2日只简体腐蚀面积与简体面积大于1/3需报废。
MF5 2003年1月全部报废,因此种灭火器报废年段为出厂期满12年。
2003年7月1日具因简体严重变形应报废。
2.存在问题:水力警铃声强题中为65dB,实际因为70dB。
自动喷水给水泵未启动是因为:(1)水力警铃声强未到达规定声强(2)水流指示器在水流动作后不报信号检查方法:a、系统控制装置设置为“自动〞控制方式,启动一只喷头或者开启末端试水装置,流量保持在0.94-1.5L/s,水流指示器、报警阀、压力开关、水力警铃和消防水泵等及时动作,并有相应组件的动作信号反应到消防联动控制设备。
一级消防工程师消防安全案例分析真题与答案【2015-2019】目录2019年一级消防工程师消防安全案例分析真题与答案完整版 (2)2018年一级消防工程师消防安全案例分析真题与答案完整版 (17)2017年一级消防工程师消防安全案例分析真题与答案完整版 (34)2016年一级消防工程师消防安全案例分析真题与答案完整版 (53)2015年一级消防工程师消防安全案例分析真题与答案完整版 (64)2019年一级消防工程师消防安全案例分析真题与答案完整版第一题甲公司(某仓储物流园区的产权单位,法定代表人:赵某)将1#,2#,3#,4#,5#仓库出租给乙公司(法定代表人:钱某〕使用。
乙公司在仓库内存放桶装润滑油和溶剂油,甲公司委托丙公司(消防技术服务机构,法定代表人:孙某)对上述仓库的建筑消防设施进行维护和检测。
2019年4月8日,消防救援机构工作人员李某和王某对乙公司使用的仓库进行盖部施查时发现:1.室内消火栓的主、备泵均损坏;2.火灾自动报警系统联动控制器设置在手动状态,自动喷水灭火系统消防水泵控制柜启动开关也设置在手动控制状态;3.消防控制室部分值班人员无证上岗;4.仓储场所电气线路、电气设备无定期检査、检测记录且存在长时间超负荷运行、线路绝缘老化现象;5.5仓库的东侧和北侧两处疏散岀口被大量堆积的纸箱和包裝物封堵;6.两处防火卷帘损环。
消防救援机构工作人员随即下发法律文书责令并改正,需限期改正的限期至4月28日,并依法实施了行政处罚。
4月29日复查时,发现除上述第5、6项已改正外,第1、2、3、4项问题仍然存在,同时发现在限期整改间甲、乙公司内部防火检查,巡查记录和丙公司岀具的消防设施年度检测报考,维保检查记录、巡查记录中,所有顶目填报为合格,李某和王某根据上述情况下发相关法律文书,进入后续执法程序。
4月30日17时29分,乙公司消防控制室当值人员郑某和周某听到报警信号,显示5仓库1区的感烟探测器报警,消防控制室当值人员郑某和周某听到报警后未做任何处置。
2015年一级消防工程师《案例分析》考试真题及答案第一题:消防工程师考试试题中某信息中心大楼内设有自动喷水灭火系统、气体灭火系统、火灾自动报警系统等自动消防设施和灭火器。
2015年2月5日,该单位安保部队信息中心的消防设施进行了全面检查测试,部分检查情况如下:(一)建筑灭火器检查情况(详见1表)(二)湿式自动喷水灭火系统功能测试情况打开湿式报警阀组上的试验阀,水力警铃动作,按规定方法测量水力警铃声强为65dB,火灾报警控制器(联动型)接收到报警阀组压力开关动作信号,自动喷水给水泵启动。
(三) 消防工程师考试试题中七氟丙烷灭火器系统检查情况信息中心的通信机房没有七氟丙烷灭火系统,系统设置情况(如表2)所示。
检查发现,储瓶向2#灭火剂储瓶的压力表显示压力为设计储存压力的85%,系统存在组件缺失的问题。
检查结束后,该单位安保部委托专业维修单位对气体灭火设备进行了维修。
维修单位派人到现场,焊接了缺失组件的底座,并安装了缺失组件:对2#灭火剂储瓶补压至设计压力。
根据以上情况作答:1、根据建筑灭火器检查情况,简述哪些灭火器需要维修、报废。
2、指出素材(二)的场景中存在的问题及自动喷水给水泵未启动的原因,并简述湿式自动喷水灭火器系统联动功能检查测试的方法。
3、七氟丙烷灭火系统在储瓶间未安装哪种组件?最大防护区时对应的驱动装置为几号驱动气瓶?4、检修维修单位对储瓶间气体灭火设备维修时存在的问题。
答案:1.MFZ/ABC4 2010年1月的全部需要维修,因此种类灭火器出厂前期满5年必须检修。
2010年7月2日只简体腐蚀面积与简体面积大于1/3需报废。
MF5 2003年1月全部报废,因此种灭火器报废年段为出厂期满12年。
2003年7月1日具因简体严重变形应报废。
2.存在问题:水力警铃声强题中为65dB,实际因为70dB。
自动喷水给水泵未启动是因为: (1)水力警铃声强未达到规定声强(2)水流指示器在水流动作后不报信号检查方法:a、系统控制装置设置为“自动”控制方式,启动一只喷头或者开启末端试水装置,流量保持在0.94-1.5L/s,水流指示器、报警阀、压力开关、水力警铃和消防水泵等及时动作,并有相应组件的动作信号反馈到消防联动控制设备。
b.打开阀门放水,使用流量计、压力表核定流量、压力,目测观察系统动作情况。
3.未安装的组件为瓶头阀,最大防火区对应的驱动装置为2号驱动气瓶,因为根据表2,最大的防火区A需要灭火剂钢瓶数量为4只,从图1中可知只有2号驱动气瓶连接4只灭火剂钢瓶,因此对应驱动装置为2号驱动气瓶。
4. 消防工程师考试试题中(1)组件应厂外焊接厂内安装;(2)应到专门补压房间进行补压,并测试;(3)查明气罐压力不足原因并维修;(4)分级存压第二题:某购物中心地下2层、地上4层。
建筑高度24m,耐火等级二级,地下二层室内地面与室外出入口地坪高差为11.5m。
地下每层建筑面积15200m²。
地下二层设置汽车库和变配电房、消防水泵房等设备用房以及建筑面积5820m²的建材商场(经营五金、洁具、瓷砖、桶装油漆、香蕉水等),底下一层为家具,灯饰商场,设有多部自动扶梯与建材商场连通,自动扶梯上下层相连通的开口部位设置防火卷帘。
地下商场部分的每个防火区面积不大于2000m²,采用耐火极限为1.5h的不燃性楼板和防火墙及符合规定的防火卷帘进行分隔,在相邻防火分区的防火墙上均设有向疏散方向开启的甲级防火门。
地上一层至三层为商场,每层建筑面积12000m²,主要经营服装、鞋类、箱包和电器等商品。
四层建筑面积5600m²,主要功能为餐厅、游艺厅、儿童游乐厅和电影院。
电影院有8个观众厅,每个观众厅建筑面积在186m²~390m²之间;游艺厅有2个厅室,建筑面积分别为216m²、147m²。
游艺厅和电影院候场区均采用不到顶的玻璃隔断、玻璃门与其他部位分隔,安全出口符合规范规定。
每层疏散照明的地面水平照度为1.01x,备用电源连续供电时间0.6h。
购物中心外墙外保温系统的保温材料采用模塑聚苯板,保温材料与基层墙体、装饰层之间有0.17m~0.6m的空腔,在楼板处每隔一层用防火封堵材料对空腔进行防火封堵。
购物中心按规范配置了室内外消火栓系统、自动喷水灭火系统和火灾自动报警系统等消防措施。
根据以上材料,问题回答;1、指出地下二层、地上四层平面布置方面存在的问题。
2、指出地下商场防火分区方面存在的问题,并提出消防规范规定的整改措施。
3、分别列式计算购物中心地下一、二层安全出口的最小总净宽度,地下一层安全出口最小总净宽度应为多少?(以m为单位,计算结果保留1位数)4、判断购物中心的疏散照明设置是否正确,并说明理由。
5、指出购物中心外墙外保温系统防火措施存在的问题。
(提示:商店营业厅人员密度及百人宽度指标分别见表3、表4)答案:1.地下二层存在的问题:消防水泵房不得设置在地下室地面与室外地坪高差大于10m的楼层内,题目为11.5m;地上四层存在的问题:(1)游艺厅布置在地上4层及以上楼层时,厅室的建筑面积不得大于200m²,题中为216m²错误。
(2)游艺厅及电影院采用不到顶的玻璃隔断,玻璃门与其他部位分隔错误。
应用耐火极限不低于2h的防火隔断和甲级防火门与其他分隔。
2.建筑防火措施不到位:(1)大厅吊顶采用胶合板、贴顶纸,墙壁为化纤装饰布,以及靠墙壁放置沙发表皮为人革面料,内垫为聚氨酯泡沫,不符合《建筑内部装修设计防火规范》(GB50222—1995)规定。
易燃可燃材料起火产生大量有毒烟气。
3.地下二层:5820×O.56×0.3=977.76人977.76÷250=3.9≈4 977.76÷4=244.44 244.44÷(2×37)=3.3取4 4×0.55=2.2m 2.2×4=8.8m地下一层:15200×0.60×0.3=2736 2000÷330+330÷400=8.825≈9 2736÷9=304 304÷(2×40)=3.8≈4 4×0.55=2.2m 2.2×9=19.8m4.消防工程师考试试题中正确人员疏散应急照明在主要通道上最低照度不低于1.01x。
总建筑面积12000×3+5600+15200×2=36000+5600+30400<100000m²应急照明备用电源连续供电不少于0.5h5.存在的问题:在楼板处每隔一层用防火封堵材料对空腔进行防火封堵。
应为模塑聚苯板为B2级材料,当外墙体采用B2级保温材料时,每层沿楼板位置设置不燃材料制作的水平防火隔离带。
第三题:某公司投资建设的大型商业综合体由商业区和超高层写字楼,商品住宅楼及五星级酒店组成。
除酒店外,综合体由建设单位下属的物业公司统一管理。
建设单位明确了物业公司经理为消防安全管理人,建立了消防安全管理制度,成立了志愿消防组织;明确了专(兼)职消防人员及其职责。
在物业管理合同中,约定了产权人,承租人的消防安全管理职责,明确了物业公司有权督促落实;确定了公共区域,未销售(租赁)区域的消防安全管理、室外消防设施(场地)以及建筑消防设施改造与维护管理等由物业公司统一组织实施,各方按照相关合同出资。
某天营业期间,商业区二层某商铺装修时,电焊引发火灾。
起火后,装修工人慌乱中碰翻了正在使用的油漆桶。
火势迅速扩大;在寻找灭火器无果后,悉熟逃离火场,消防控制室(共2名值班人员)接到保安报警,向经理报告后,2人均赶往现场灭火;此时,火灾已向相邻防火分区,有多部楼梯间因防火门未关闭,大量进烟。
灾后倒查,起火点的装修现场采用木质胶合板与相邻区域隔离,现场无序堆放了大量的木质装修材料、油漆及有机溶剂等;现场的火灾探测器因频繁误报在火灾报警控制器上屏蔽,二层的自动喷水灭火系统配水管控制阀因喷头漏水被关闭;动火现场安全监护人员脱岗。
防火档案记载,保安在营业期间每3小时防火巡查一次。
防火巡查记录均为“正常”;火灾前52天组织的最近一次防火检查,载录了商业区存在“楼梯间防火门未常闭”、“有的商铺装修现场管理混乱,无消防安全防护措施”,“二层多个商铺装修现场火灾探测器误报,喷头损坏漏水”等3项火灾隐患。
根据以上材料,回答以下问题:1、简述该大型商业综合体对多个产权(使用)单位的消防安全管理是否合理,并说明原因。
2、简述消防控制室值班人员在此次火灾应急处置中存在的问题。
3、结合装修工人初起火灾处置行为,简述需要加强对装修工人消防安全教育培训的主要内容。
4、指出起火点装修现场存在的火灾隐患。
5、简析物业管理公司在防火巡查,防火检查及火灾隐患整改过程中存在的问题。
答案:1.不合理。
大型商业综合体属于消防安全重点单位,单位应明确法人代表为消防安全责任人,建立消防安全管理档案,确立消防安全重点部位。
单位应建立保障消防安全的操作流程消防应急方案,定期进行防火巡查,并对单位人员进行消防培训教育。
2.存在的问题:消防控制室接到报案报警后向经理报告,因为接到火灾报警后,值班人员立即以最快的方式确认火灾。
火灾确认后,值班人员立即立即确认火灾报警联动控制开关处于自动控制状态,同时拨打119,报警电话准确报警,报警时需要说明着火单位地点,起火部位,着火物种类,火势大小,报警人姓名和联系电话等。
值班人员立即启动单位应急疏散和初期火灾扑灭预案,同时报告单位消防安全负责人员。
3.装修场所防火检查培训,巡查培训,班前班后防火检查培训,动用明火培训,组织人员疏散培训。
4.装修现场存在的隐患,起火点的装修现场采用木质胶合板与相邻区域隔离,现场无序堆放了大量的木质装修材料,油漆及有机溶剂等,现场的火灾探测器因频繁误报在火灾报警控制器上屏蔽,2层的自动喷水灭火系统配水管控制阀因喷头漏水被关闭。
5.防火巡查中存在的问题营业期间每3小时巡查一次,应为2小时巡查一次;防火检查存在的问题,火灾前52天组织的最近一次检查,应为每月检查一次;火灾隐患整改过程中存在的问题应发现问题及时整改,本案中楼梯间防火门未常闭有的商铺装修现场管理混乱,无消防安全保护措施,在此火灾中已发现的问题均未整改。
第四题(20分)消防工程师考试科目中某电厂调度楼共6层,设置了火灾自动报警系统、气体自动报警控制器每个总线回路最大负载能力为256个报警点,每层有70个报警点,共分两个总线回路,其中一层至三层为第一回路,四层至六层为第二回来,每个楼层弱电井中安装1只总线短路隔离器,在本楼层总线处出现短路时保护其他楼层的报警设备功能不受影响。