托辊技术要求
- 格式:doc
- 大小:29.00 KB
- 文档页数:3
1.设备规范1.1标准和规范托辊的设计、制造、安装、验收应以中国国家标准(GB)为基础,应满足(但不限于)下列标准和规范:(下列标准按最新版本执行)火力发电厂设计技术规程DL5000火力发电厂运煤设计技术规定DLGJ1-93电力建设施工及验收规范DLJ52火力发电厂厂用电设计技术规定SDG17-88埋弧焊焊缝坡口基本形式与尺寸GB986气焊、手工电弧焊及气体保护焊焊缝坡口的基本形式与尺寸GB985 电力建设施工及验收技术规范DL/T5047-95带式输送机技术条件书GB10595-89带式输送机基本参数与尺寸GB987形状与位置公差GB1184一般公差线性尺寸的未注公差GB/T1804包装通用技术条件JB/ZQ42861.2设备规范设备名称:锥形自动调心托棍参数:锥形自动上调心托辊 B=800mm,α=35°,D=108mm,D1=89mm,D2=133mm,轴承型号4G205 。
锥形自动下调心托辊 B=800mm,α=35°, D1=108mm,D2=159mm,轴承型号4G305 。
设备名称:平下托辊组参数:平托辊,B=800mm,α=35°,D=108mm,L=315mm,轴承型号4G205设备名称:V形梳形托辊参数:V形梳形托辊,B=800mm, D=108mm,L=465mm,轴承型号4G205,图号DTIIGS2105设备名称:摩擦调心托辊参数:摩擦上调心托辊,B=800mm,D=108mm,L=315mm轴承型号4G205,图号DTII03C1122摩擦下调心托辊,B=800mm,D=108mm,L=488mm轴承型号4G205,图号DTII04C2822设备名称:地辊参数:地辊,长280mm,挡头180mm,轴承型号4G2052.技术要求2.1总的技术要求2.1.1在技术协议书和合同规定的文件中(包括图纸、计算、注释、使用手册等),都采用国际单位制(SI)。
皮带机滚筒与托辊技术要求一、滚筒1、滚筒的选择要严格按照输送机的功率和张力计算进行,其许用扭矩和合力应满足输送机各种工况的要求。
滚筒轴与轮毂之间的焊接必须采用完全穿透的连续焊。
滚筒轴在加工前必须进行超声波检查,加工后采用电磁介质或渗透性检查。
2、滚筒直径》630结构采用铸焊结构,铸焊结构的滚筒,要对其焊缝进行超声波和X光探伤检查,以确保焊接质量,还要进行退火处理,以消除内应力。
不得有夹层、折叠、裂纹、结疤等缺陷。
滚筒装配后,要进行静平衡实验。
3、采用双列球面滚子系列轴承,剖分式轴承座,采用油嘴沟槽方式润滑。
4、所有传动滚筒表面采用菱形胶层,改向滚筒表面采用平面胶层。
传动滚筒表面胶层的形成方式为铸胶覆面,胶层厚度不得小于12mm胶层硬度不得低于邵氏70度;改向滚筒表面胶层的形成方式为铸胶,胶层厚度不得小于12mm 800毫米以上直径滚筒胶层厚度不得小于15mm胶层硬度不得低于邵氏60度。
胶层不允许出现脱层、起泡等缺陷。
面胶和底胶的物理机械性能应符合GB10595-8肿的有关规定。
5、使用寿命》3万小时6、、滚筒的主要技术参数滚筒外圆径向跳动改向滚筒© < 800mr时w 1.05mm© > 800mr时w 1.40mm传动滚筒© w 800m时w 1.05mm© > 800mr时w 1.40mm静平衡精度G40二、托辊1、托辊壁厚>3.5毫米,钢管内需涂防锈漆。
2、托辊采用大游隙轴承,迷宫式密封,冲压式轴承座,轴承座内充锂基润滑脂。
轴向定位方式为双卡簧,保证两轴承有良好的同心度。
冲压轴承座,使用冲压板材,要求冲压轴承座与托辊辊体间采用二氧化碳气体保护焊焊接。
3、托辊在正常工作条件下的使用寿命不低于3万小时,在寿命期内损坏率不得超过12% ,托辊在装配后,要进行抽检,性能检测项目有:防尘、防水、旋转阻力、轴向窜动、径向跳动等。
4、托辊的主要技术性能参数运行阻力系数< 0.022外圆径向跳动< 0.5旋转阻力< 1.9托辊轴向承载能力》20000N 轴向位移量 < 0.25轴承使用寿命> 3万小时。
托辊技术要求1、技术要求1.1托辊采用托辊专用轴承,采用腔隙式深沟道长密封,浅沟冲压轴承座,轴承座内充锂基润滑脂,润滑脂要求耐高温;密封材料采用ABS+PP+阻燃材质;轴承采用大游隙双密封轴承,应保证两轴承有良好的同心度;托辊油漆采用静电喷涂技术,先喷涂后组装,避免喷涂工艺对密封的腐蚀;托辊采用专用流水线作业。
要求冲压轴承座与托辊辊体间采用二氧化碳气体保护焊焊接。
全部轴承采用国内大厂正厂产品(1、瓦房店轴承集团,轴承标记ZWZ,2、哈尔滨轴承制造有限公司,轴承标记HRB,3、洛阳轴承集团有限公司,轴承标记LYC;由供货方提供购买正品轴承厂家所出具的正规发票和合格证,并欢迎提供优于以上要求的产品)。
1.2托辊在正常工作条件下的使用寿命不小于(三)万小时,在寿命期内损坏率不得超过5%。
托辊在装配后,要进行抽检,性能检测项目有:防尘、防水、旋转阻力、轴向窜动、径向跳动等。
1.3托辊的主要技术性能参数(最低要求)托辊辊体壁厚 4.5mm托辊理论重量 14.26kg/m运行阻力系数≤0.022外圆径向跳动≤±0.12旋转阻力≤1.9托辊轴向承载能力≥20000N轴向位移量≤0.251.4托辊壁厚等静态参数符合《DTⅡ设计选用手册》设计要求。
1.5托辊组有足够的刚度,正常运行时,不晃动。
1.6托辊组与机架连接尺寸按《DTⅡ设计选用手册》设计供货。
1.7组装前应从每个零部件内部清除全部加工垃圾,如金属切屑、填充物等,应从内外表面清除所有渣屑、锈皮油脂等。
1.8TD75和DTⅡ型的托辊一律按照DTⅡ型托辊的制作标准制作,供货方制作一种托辊,可以直接安装在这2种托辊架上,以减少备件的混乱,但质量必须保证。
1.9供货方的所有托辊及托辊架必须在非磨损位置打钢字码,内容为生产厂家和日期。
1.10屏蔽以前不合格的托辊生产厂家。
1.11供货方需安照需求方提供的托辊及托辊架样本制作,以减少因为不同生产厂家而造成备件的混乱的现象。
带式输送机托辊技术托辊是带式输送机中用量最大、出现故障最高的零部件,分布于整机的全程中,决定了带式输送机的使用效果。
正常情况下,托辊与胶带之间是滚动摩擦,托辊的磨损应该是很小的。
但当托辊中轴承被污染,旋转阻力增大,皮带与托辊就加速磨损。
托辊的制造精度差,新托辊的旋转阻力也很大,造成与胶带快速磨损。
托辊直接与胶带接触,当托辊旋转失灵或不能旋转时,托辊与胶带之间就会由滚动摩擦转变为非正常的半滚动半滑动摩擦,造成带式输送机工作阻力增大、能耗增加、加速胶带的磨损,甚至还会出现超载停机和胶带撕裂、撕断现象。
托辊的“早期失效”大多是由轴承过早损坏、卡死或不能灵活旋转造成的,可以说轴承是托辊正常运转的“心脏”。
早期带式输送机大量使用204、205系列深沟球轴承,研究认为大量轴承损坏是由于轴承选用不合理所致。
目前托辊逐渐使用204KA、205KA等系列大游隙专用深沟球轴承,但托辊仍然大量出现轴承损坏失效的情况。
托辊使用工况属于低速轻载,理论上轴承使用寿命≥100000h,但国内传统托辊的轴承使用寿命≤20000h,在粉尘严重的工况条件下,轴承寿命甚至≤5000h。
通过对现场出现故障的传统托辊进行分析,主要存在以下问题:密封效果差(轴承进水或粉尘污染)、托辊两端轴承位置同轴度超差、托辊轴向窜动大、高速运行中径向跳动量大、噪声明显。
图1为传统托辊的结构图,主要由辊筒、轴承座、轴承、迷宫密封件、润滑脂和轴等部件组成。
传统托辊采用冲压轴承座,由于冲压制造工艺的精度差,轴承座外圆与内孔的同心度、内孔与外圆端面的垂直度的精度几乎无法保证。
1 2 3 4 567图1 传统托辊内部结构图(1 筒皮;2 冷拔光轴;3 轴承;4 内密封圈;5 外密封圈;6 挡圈;7 冲压轴承座)传统托辊的筒皮与轴承座的连接是以薄壁钢管外圆为基准,与轴承座端面对位后焊接,由于焊接变形因素的影响,其钢管两端轴承座的轴承位同心度很难保证。
托辊轴为冷拔光轴,由于冷拔光轴生产中胎具的磨损等因素造成尺寸精度不稳定、时常有超标现象,加上在运输过程中易造成弯曲,使得托辊轴的同轴度差,托辊轴两端安装的轴承间隙得不到保证。
托辊带式输送机安装通用技术规范河南天隆输送装备有限公司目录一、测量、放线、二、头架、尾架、中间架、支腿、上托辊组安装及缓冲床安装三、传动滚筒、改向滚筒、增面滚筒安装(包括电动滚筒)四、垂直张紧装置安装]五、驱动装置安装六、尾部拉紧小车安装(包括重锤塔架、改向绳轮、钢丝绳)七、回程托辊安装八、拉装皮带九、皮带粘接十、料斗及导料槽安装,犁式卸料器、清扫器安装十一、各种护罩安装十二、对现场焊接的基本要求十三、对现场补漆的要求十四、各类保护开关的安装基础中心线直线度:一、测量、放线皮带基础中心线的测量是一项十分重要的工作,中心线的偏差直接影响皮带机的整 体安装精度,因此在测量时至少进行三次重复测量,确保基础中心线的直线度符合安装 要求。
直线度应为上述数据的 2/3,测量所作的标记应清晰,不易被损坏且便于复核。
二、头尾架、中间架、支腿、托辊组、缓冲床安装:1. 应根据预埋铁,预留漏斗孔等位置确定头、尾架安装位置,头尾架中心线与基础中 心线的左右位置偏差不得大于 2mm 。
滚筒安装平面的水平度用水平仪测量。
2. 每个支腿的中心线与基础中心线的安装偏差不得大于 2 mm 。
3.中间架安装的水平度,在任意位置上,用水平尺测量,水泡均应居中,偏差不得超 过 0.5 刻度格。
4. 上托辊组与缓冲床等在中间架上安装时,应按工艺图要求,正确安装,每个托辊均 应检查其灵活度,发现不合格托辊应立即更换。
托辊横梁固定螺栓必须紧固,不得有松 动现象。
缓冲床应保证部件齐全,调整弹簧压紧状态,使缓冲床上平面与托辊上平面保 持一致。
三、传动滚筒、改向滚筒、增面滚筒、电动滚筒安装:每个滚筒在安装时,均应用水平尺检查滚筒外缘的水平度,必须保证水平尺水泡居 中并检查滚筒轴线与基础中心线的垂直度,轴承座紧固螺栓必须符合安装求,不得过长 或过短,螺栓头部露出螺母 2~3 扣螺纹。
轴承座安装不歪斜,检查轴承座透盖与轴周 间隙应一致,用手转动滚筒,转动应灵活,不得有异常声音或转动不灵活现象。
MT8211999煤矿井下用带式输送机托辊技术条件讲解
概述
MT8211999煤矿井下用带式输送机托辊是一种重要的输送机配件,用于输送煤炭等物料。
本文将对该托辊的技术条件进行讲解,以便了解该托辊的性能和使用条件。
技术条件
1. 托辊类型
MT8211999托辊为直接安装在输送带上的托辊。
其设计结构轻便合理,便于安装和更换。
2. 材料
托辊外壳采用优质钢板材料制造,具有优良的耐磨性、抗冲击性和耐腐蚀性。
托辊轴承采用高品质的滚动轴承,使用寿命长。
3. 规格
MT8211999托辊的规格如下:
•托辊直径:89毫米
•托辊长度:190毫米
•轴承型号:6204
•轴承数量:2个
•承载能力:550N
4. 运行环境
MT8211999托辊适用于以下环境:
•温度:-20℃~+40℃
•湿度:不超过95%(无凝结水)
•海拔高度:不超过1000米
•煤尘等环境:适度
5. 安装注意事项
•安装前应对托辊进行检测,确保托辊的轴承转动灵活、无卡滞或轴承磨损现象。
•托辊安装时,应保证托辊与输送带间距符合要求,不得过小或过大。
•安装前,应先清理输送带上的油污和杂质,确保输送带表面光洁。
•安装过程中,应按照托辊所在的位置和方向进行正确的安装。
MT8211999煤矿井下用带式输送机托辊是一种重要的输送机配件,其性能和使用条件能满足煤炭等物料的输送要求。
在使用前,需要按照本文中的技术条件和安装注意事项进行正确的安装和使用,以确保托辊的正常运行和使用寿命。
影响托辊质量的关键技术探析托辊是皮带输送机的重要部件,量大面广,托辊质量的好坏直接影响输送机的运行性能。
通过对托辊长期研究以及大量的托辊实测数据分析,发现径向圆跳动、旋转阻力、密封性能是直接影响托辊质量的三个关键技术。
解决了这三个关键技术,托辊的质量就有了保证。
1、径向圆跳动在输送量相同的前提下,提高带速比增大带宽更有利。
提高带速可以降低输送带最大张力与强度等级,节省巷道开拓的基建费用与输送机的投资费用。
随着大运量的生产需要,皮带输送机的带速越来越高,势必对托辊的径向圆跳动提出更高要求,因为径向圆跳动将会产生输送带垂直方向上的振动,它的大小直接影响输送带的运行平稳性,带速越高,影响越大。
输送带振动不仅会产生输送带附加动张力,增加驱动功率,而且会使物料在运输过程中大量洒落,降低运输效率。
造成托辊径向圆跳动大的原因主要有以下两个方面:(1)加工因素管体镗孔工艺不当与加工设备精度不足,会造成管体同心度偏差。
此偏差将直接在组装后的托辊上反映出来,即径向圆跳动加大。
(2)管体的选择管体选择对托辊径向圆跳动有着重要的影响,是托辊径向圆跳动过大、超过标准要求的最大因素。
20世纪80年代初,通过对管体的大量试验研究分析,得出托辊的管体应采用托辊专用管,即有缝焊管。
因为有缝焊管的外圆几何尺寸偏差远小于无缝钢管。
采用有缝钢管生产的托辊,其外圆不需要进行加工就可达到标准规定的径向圆跳动要求,而无缝钢管生产的托辊则难以达到标准要求,既造成生产成本的提高,又使托辊管体壁厚不均匀,产生偏重。
因此,选用托辊专用焊管作为托辊管体,采用专用的托辊管体镗孔设备,可保证托辊的径向圆跳动符合标准要求。
2、旋转阻力水平皮带输送机驱动功率主要取决输送带的总运行阻力,托辊旋转阻力在总运行阻力中占有相当大的比例。
密封结构型式为迷宫式的托辊旋转阻力约占15%,接触式托辊约占35%,可见托辊旋转阻力对皮带输送机驱动功率有较大的影响。
所谓托辊旋转阻力,就是指托辊在一定转速和载荷作用下,为克服轴承、润滑脂及密封件在旋转过程中所形成的摩擦阻力在托辊外圆上需要的切向力。
托辊计算标准
托辊是指用于支撑输送带的辊子,通常用于输送系统中。
计算托辊的标准通常涉及以下几个方面:
负载承载能力:托辊必须能够承受输送物料的重量,因此需要计算托辊的负载承载能力。
这涉及考虑输送带上物料的重量以及可能存在的冲击负载。
速度和转动: 根据输送系统的设计要求和输送带的速度,需要计算托辊的转速以及其所需的轴承类型和润滑方式,以确保托辊在高速运转时能够正常工作并具有长期的耐久性。
尺寸和几何形状:托辊的直径、长度和轴承位置等几何参数需要根据具体的输送系统设计和使用要求进行计算和选择。
这些参数通常需要考虑到输送带的宽度、物料的尺寸和形状,以及输送系统的布局。
材料选择: 托辊的材料选择需要考虑到输送物料的性质以及工作环境的条件,例如湿度、温度和化学物质等因素。
常见的托辊材料包括钢、塑料和橡胶等。
安装和维护要求: 托辊的安装方式和维护要求也是计算标准的重要部分,确保托辊能够方便安全地安装在输送系统中,并且易于进行定期的检查和维护工作。
在实际应用中,托辊的计算标准可能会因不同的行业、
应用场景和具体要求而有所不同,因此需要根据具体情况进行详细的分析和计算。
通常情况下,设计师或工程师会根据相关的标准和规范,结合具体的工程要求,来确定托辊的计算标准和选择参数。
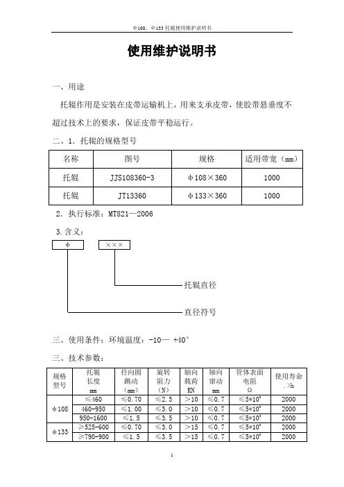
使用维护说明书
一、用途
托辊作用是安装在皮带运输机上,用来支承皮带,使胶带悬垂度不超过技术上的要求,保证皮带平稳运行。
二、1.托辊的规格型号
2.执行标准:MT821—2006
3.含义:
三、使用条件:环境温度:-10— +40°
三、技术参数:
四、托辊的结构
1、托辊由管体、中心轴、轴承密封件组成。
管皮两端镗孔后,与冲压轴承座,用CO2保护焊焊接在一起,整体结构是具有重量轻、阻力小、密封性好的优点。
2、缓冲托辊由三个托辊用销轴连接板铰接在一起,挂在机架上,成30°槽角使用。
3、平托辊用在皮带回程段上,支承皮带。
4、跌落强度
⑴跌落后轴向位移≤1.5
⑵跌落后旋转阻力≤3.75
5、密封性能
⑴浸水密封≤150g
⑵淋水密封≤250g
6、使用寿命≥20000小时
7、尺寸偏差
⑴直径(mm)±0.7
⑵长度(mm)±1.2
五、运行维护
1、托辊是带式输送机中易损部件,皮带运行中,应每班检查托辊损坏情况,发现问题应及时更换,以免影响皮带正常运转。
2、长时未用的托辊,使用前应检查转运是否灵活。
六、托辊使用注意事项:
1、托辊使用环境温度为:-10——40
2、搬运中不得出现重摔,重扔现象
3、防止托辊处于水的浸泡之中
七、保质期:
从发货之日起,一年内托辊因制造质量不良而发生损坏或不能正常工作时,免费更换托辊。
厂名:神华集团包头矿业有限责任公司机电制造安装分公司厂址:内蒙古包头市石拐区水磨滩
电话:0472----8722454
邮编:014070。
托辊架技术要求⼀、引⾔托辊架是⼯业输送设备中的重要组成部分,主要⽤于⽀撑和传动输送带上的托辊。
其设计、制造和安装质量直接影响到输送设备的稳定性和运⾏效率。
因此,对托辊架的技术要求⼗分严格。
本⽂将从材料选择、结构设计、制造⼯艺、安装与调试等⽅⾯,对托辊架的技术要求进⾏详细阐述。
⼆、材料选择托辊架的材料选择应遵循强度⾼、耐磨性好、抗腐蚀性强等原则。
通常,托辊架的主要结构部分采⽤碳素结构钢或低合⾦⾼强度钢,这些材料具有良好的机械性能和焊接性能。
对于⼯作环境恶劣、湿度⼤或腐蚀性强的场合,还应考虑使⽤不锈钢或耐候钢等材料。
三、结构设计1.稳定性要求:托辊架的设计应确保在输送机运⾏过程中,托辊架不发⽣晃动或变形,以保证托辊的稳定运⾏。
2.刚性要求:托辊架应具有⾜够的刚性,以承受输送带和托辊的重量,以及在运⾏过程中产⽣的动载荷。
3.强度要求:托辊架的强度应满⾜输送机在各种⼯况下的使⽤要求,特别是在启动、制动和重载⼯况下,应能承受较⼤的冲击载荷。
4.耐磨性要求:托辊架与输送带和托辊的接触部分应具有良好的耐磨性,以减少磨损,延⻓使⽤寿命。
5.维修便利性:托辊架的设计应考虑维修和更换托辊的便利性,以便于⽇常维护和保养。
四、制造⼯艺1.焊接⼯艺:托辊架的焊接应采⽤合理的焊接⽅法和⼯艺参数,确保焊缝质量,防⽌焊接变形和裂纹等缺陷的产⽣。
2.热处理⼯艺:对于需要提⾼机械性能的钢材,应进⾏适当的热处理,如退⽕、正⽕、淬⽕等,以提⾼其⼒学性能和抗腐蚀性。
3.机械加⼯:托辊架的机械加⼯应符合图纸要求,保证各部件的尺⼨精度和形位公差。
4.表⾯处理:托辊架的表⾯应进⾏除锈、喷漆等处理,以提⾼其抗腐蚀性和美观性。
五、安装与调试1.安装前准备:在安装托辊架前,应对其进⾏全⾯检查,确保各部件完好⽆损,尺⼨符合图纸要求。
同时,还应对安装基础进⾏验收,确保其平整度和强度满⾜要求。
2.安装过程:托辊架的安装应按照图纸和⼯艺要求进⾏,确保各部件的位置正确、紧固可靠。
带式输送机托辊出厂检验规范一、目的:本规范规定了带式输送机托辊的出厂检验项目、检验方法,抽样原则与判定规则。
二、适用范围:本规范适用于带式输送机托辊的出厂检验。
三、引用标准MT821-2006 《煤矿用带式输送机托辊技术条件》GB10595-89 《带式输送机技术条件》四、检验项目、检验方法、检验数量、判定规则检查项目名称技术要求试验方法检验方式外形尺寸外形尺寸应符合图样要求,管体表面不得出现裂纹、结疤、折叠、分层、搭焊等缺陷。
表面允许有深度不超过壁厚负偏差的刮伤、划道、压痕和烧伤等轻微缺陷存在。
金属管体所用钢管的外径、壁厚及允许偏差应符合图纸的规定。
用常规量具测量各尺寸是否符合产品技术要求。
抽检径向圆跳动托辊径向圆跳动量应不大于表1的规定将托辊安装在托辊径向圆跳动试验台上,转动管体一周,在托辊轴向三个位置测径向圆跳动量,以其中最大值为评定依据。
抽检旋转阻力托辊在250N的压力作用下,在外圆线速度为2.0m/s时,其旋转阻力应不大于表2的规定将托辊安装在托辊旋转阻力试验台上:1、托辊应经1450r/min转速连续跑合15min。
2、托辊在20~25 C的环境温度下放置2h后,再将其放置于支承辊上,在托辊的一端安装力臂杆,力臂杆另一端置于测力计上。
放下磨擦轮,使托辊承受250N的压力。
3、启动电机,待托辊外圆线速度稳定为2.0m/s、60s后,记录旋转阻力仪读数P,取最大值。
抽检轴向载荷对托辊轴施加表3所规定的轴向载荷,托辊轴(包括轴承座、密封装置)与托辊管体不得脱开。
将托辊安装在压力试验机(示值准确度为 1.0%。
)上。
以1mm/min的速度,慢慢地向托辊轴上施加轴向载荷,直至压力机上的载荷值达到表3的规定。
抽检浸水密封托辊在清水中以1450r/min的转速运转24h后:采用非接触式密封装置的托辊,其进水量不得超过150g。
浸水密封试验装置。
1、测定托辊质量m1(g);2、将托辊安装在储有清水的密闭容器中,使水面与托辊中心线相平,且水温不高于40℃;3、电机驱动托辊以1450r/min的转速运转,试验过程中保持水面高度不变;4、连续运转24h后,从清水中取出托辊,测定托辊质量m2(g)5、托辊进水量m3按公式计算:m3=m2-m1式中:m1:试验前测定的托辊质量,g;m2:试验后测定的托辊质量,g;m3:托辊的进水量,g。
托辊技术要求范文托辊是一种用于输送货物、物品或材料的设备。
它主要由辊子、轴承和外壳组成。
在物流、仓储、生产线等领域中广泛应用。
托辊的技术要求是确保其可靠性、耐磨性和平稳性。
首先,托辊的材料选择至关重要。
一般来说,常见的托辊材料有钢、塑料和橡胶。
钢材具有高强度和耐磨性,适用于高负荷和恶劣环境。
塑料材料具有良好的耐腐蚀性和低噪音特性,适用于一般环境。
橡胶材料具有良好的缓冲和防滑性能,适用于需要减震和防滑的场合。
根据具体使用场景和需求,选择合适的材料可以确保托辊的持久使用和性能稳定。
其次,托辊的制造工艺也是技术要求的重要方面。
在制造过程中,需要保证轴承与辊子之间的配合间隙合理,防止产生过大的摩擦和间隙。
同时,也需要确保轴承的安装位置正确,以及内外圈与轴承孔之间的配合精度。
制造工艺的精细度和准确度影响着托辊的转动平稳性和使用寿命。
因此,制造过程中需要重视各个环节的精密加工和装配,以确保托辊的质量和性能。
此外,托辊的设计也需要考虑到使用场景和载荷要求。
设计时应根据托辊所承载的重量、速度和环境等因素,确定合适的轴承类型、辊子尺寸和结构形式。
托辊的设计要符合相关的标准,如国际标准ISO9001和ISO6202等。
同时,还需要考虑到托辊的易维护性和易更换性,以减少设备停机时间和维修成本。
另外,托辊的使用和维护也需要一些技术要求。
在使用过程中,应避免过载和冲击,以免影响托辊的使用寿命。
同时,还需要定期检查托辊的运行状态,如检查轴承是否正常润滑、辊子是否损坏等。
如果发现问题,及时进行维修和更换。
此外,还需要定期清洗和防止积尘等杂物进入轴承,以确保托辊的正常运行。
总之,托辊的技术要求涉及材料选择、制造工艺、设计、使用和维护等多个方面。
只有在这些方面都做到合理、准确和有效,才能保证托辊的可靠性、耐磨性和平稳性。
对于用户而言,选择和使用符合要求的托辊,可以提高生产效率、保护设备和降低成本。
对于制造商而言,严格遵守技术要求,提高产品质量和技术水平,可以获得更多市场竞争优势。
煤矿井下用带式输送机托辊技术条件(执行标准:MT821-1999 )1主题内容与适用范围本标准规定了煤矿井下及露天煤矿、选煤等工作场所用带式输送机上槽形托辊和平形托辊的技术要求、实验方法、检验规则和标志、包装、运输、贮存。
本标准主要适用于煤矿井下用带式输送机及露天煤矿、选煤等工作场所用带式输送机上的槽形托辊和平形托辊(以下简称托辊)。
2引用标准MT820-99 煤矿井下用带式输送机技术条件MT 73-92 煤矿井下用带式输送机及露天托辊品种与基本尺寸MT/T655-97 煤矿用带式输送机托辊轴承技术条件GB 5675 灰铸铁分级GB 710 优质碳素钢结构钢薄钢板技术条件3技术要求3 . 1槽形托辊和平形托辊应符合MT 73和本标准的规定,并应按规定程序批准的图样和技术文件制造.3 .2使用条件3 . 2 . 1环境温度为—10C〜+ 40 C.3 .2 . 2井下空气的成分应符合《煤矿安全规程》第104条所规定的要求;3 .2 . 3工作环境允许存在淋水情况;3 . 2 . 4托辊应能适应在搬运过程中出现的摔、扔现象。
3 .3零件要求3 . 3 . 1管体可使用金属或非金属材料,材料的机械物理性能不得低于Q235钢号,其他各项质量性能指标必须保证成品符合本标准所规定的有关条款。
3 .3 . 2轴承座轴承座可采用铸铁件或冲压件。
铸铁件材料的机械物理性能不得低于HT150,冲压材料的机械物理性能不得低于0.8F 优质碳素结构钢,名义厚度不得小于3mm。
轴承座的轴承孔内公差为M7。
轴承应采用KA系列托辊专用轴承,其公称尺寸性能参数和技术要求(MT/T655-97)。
采用进口轴承时其游隙等级为C33 . 3 . 4托辊轴托辊轴材料的机械物性能不得低于Q235钢号。
托辊轴与轴承装配部分外径公差为js6。
3 . 3 . 5密圭寸装置密封装置必须具有良好的密封性能,能有效地防止煤粉和水进入轴承,并需符合本标准所规定的有关条款。
缓冲托辊规格型号
缓冲托辊是一种用于物流、运输等行业的重要设备,它起到了支撑、导向和减少摩擦的作用。
缓冲托辊的规格型号是指其具体的尺寸和技术参数。
缓冲托辊的规格型号通常包括直径、宽度、材质和承载能力等方面的信息。
直径是指托辊的直径大小,直径越大,托辊的承载能力越大。
宽度是指托辊的宽度大小,宽度越宽,托辊的稳定性越好。
材质是指托辊的制作材料,常见的材质有钢、塑料和橡胶等,不同的材质具有不同的耐磨性和耐腐蚀性。
承载能力是指托辊能够承受的最大负荷,承载能力越高,托辊的使用范围越广。
不同行业对缓冲托辊的规格型号有不同的要求。
例如,在物流行业中,需要使用直径较大、宽度较宽、承载能力较高的托辊,以便承受更大的货物重量。
而在轻工行业中,可以使用直径较小、宽度较窄、承载能力较低的托辊,因为所承载的货物相对较轻。
除了规格型号外,缓冲托辊还有其他的特殊设计。
例如,一些缓冲托辊具有防滚动设计,可以防止货物在运输过程中滚动。
还有一些缓冲托辊具有防静电设计,可以防止静电对货物的影响。
这些特殊设计可以根据不同行业和使用环境的需要进行选择。
缓冲托辊的规格型号是根据具体行业和使用环境的需求而确定的,它们的尺寸和技术参数直接影响着托辊的使用效果和使用寿命。
因
此,在选择和使用缓冲托辊时,需要根据实际情况进行合理的选择,并注意托辊的维护保养,以保证其正常使用和延长使用寿命。
通过合理选择和使用缓冲托辊,可以提高物流运输效率,减少货物损坏和人员伤亡的风险,为各行各业的发展做出贡献。
dtii皮带托辊技术要求随着现代工业的发展,DTII皮带托辊作为一种常见的输送设备,被广泛应用于各行各业的生产过程中。
它的作用是支撑和传递输送带,保证输送系统的顺畅运行。
为了确保DTII皮带托辊的正常运转和延长使用寿命,以下是一些关键的技术要求,提供给相关人员参考和指导。
首先,DTII皮带托辊的选材要求高。
选用优质的材料制作,确保托辊具有良好的耐磨性、抗压性和耐腐蚀性能。
常见的选材包括优质钢、橡胶等,不仅要考虑托辊本身的质量,还要考虑其所承受的负荷以及环境条件等因素。
其次,DTII皮带托辊的设计要合理。
托辊的直径、轴径、轴承结构等参数需要根据输送带的类型、负荷情况和输送物料的特性进行合理的设计。
设计时应考虑到托辊的自重和承载能力之间的平衡,确保在满足产品负荷的前提下,尽量减少托辊自身的负荷,以延长使用寿命。
第三,DTII皮带托辊的安装要正确。
在安装过程中,需确保托辊和输送带的安装位置和角度正确,并采取适当的固定措施,防止托辊在运行过程中产生偏移或脱落。
此外,还需要注意托辊之间的间距,以保证输送带在运行时能够顺利通过。
第四,DTII皮带托辊的维护要及时。
对于托辊进行定期的检查和维护是十分重要的。
定期清理托辊表面和轴承部位的污垢,并注意检查轴承的润滑情况,保证其运转灵活顺畅。
同时,还要定期检查托辊零件是否松动、变形等情况,及时进行维修或更换。
最后,DTII皮带托辊的使用要注意安全。
在操作和维护过程中,必须严格按照操作规程进行,遵循安全操作指南,确保人员的安全。
特别是在托辊维护过程中,必须停止输送带的运行,采取相应的防护措施,避免发生意外事故。
总之,DTII皮带托辊的技术要求涉及选材、设计、安装、维护和安全等方面。
只有在满足这些要求的基础上,才能保证DTII皮带托辊的正常运行和延长使用寿命,提高生产效率,降低维护成本。
因此,相关人员在使用DTII皮带托辊时,务必要重视这些技术要求,并且在实际操作中加以落实,以确保输送系统的稳定运行。
1.设备规范
标准和规范
托辊的设计、制造、安装、验收应以中国国家标准(GB)为基础,应满足(但不限于)下列标准和规范:(下列标准按最新版本执行)
火力发电厂设计技术规程DL5000
火力发电厂运煤设计技术规定DLGJ1-93
电力建设施工及验收规范DLJ52
火力发电厂厂用电设计技术规定SDG17-88
埋弧焊焊缝坡口基本形式与尺寸GB986
气焊、手工电弧焊及气体保护焊
焊缝坡口的基本形式与尺寸
GB985
电力建设施工及验收技术规范DL/T5047-95
带式输送机技术条件书GB10595-89
带式输送机基本参数与尺寸GB987
形状与位置公差GB1184
一般公差线性尺寸的未注公差GB/T1804
包装通用技术条件JB/ZQ4286
设备规范
设备名称:锥形自动调心托棍
参数:锥形自动上调心托辊 B=800mm,α=35°,D=108mm,D
1=89mm,D
2
=133mm,轴承型
号4G205 。
锥形自动下调心托辊 B=800mm,α=35°, D
1=108mm,D
2
=159mm,轴承型号4G305 。
设备名称:平下托辊组
参数:平托辊,B=800mm,α=35°,D=108mm,L=315mm,轴承型号4G205
设备名称:V形梳形托辊
参数:V形梳形托辊,B=800mm, D=108mm,L=465mm,轴承型号4G205,图号DTIIGS2105设备名称:摩擦调心托辊
参数:摩擦上调心托辊,B=800mm,D=108mm,L=315mm轴承型号4G205,图号DTII03C1122 摩擦下调心托辊,B=800mm,D=108mm,L=488mm轴承型号4G205,图号DTII04C2822
设备名称:地辊
参数:地辊,长280mm,挡头180mm,轴承型号4G205
2.技术要求
总的技术要求
2.1.1在技术协议书和合同规定的文件中(包括图纸、计算、注释、使用手册等),都采用国际单位制(SI)。
2.1.2在合同执行期间,主要文件、图纸和来往信函使用中文书写,并提供Autocad电子版图纸。
2.1.3投标方提供的设备应能满足人身安全和劳动保护要求。
2.1.4调心托辊应正确设计和制造,满足安全和连续运行,而不应有过度的应力、振动、腐蚀、老化以及其它影响运行的问题。
招标方欢迎投标方提供优于本技术规范书要求的先进、成熟、可靠的设备及部件。
2.1.5设备必须是全新的并有可靠的设计,招标方原则上不接受带试制性的部件和设备。
设备零部件的制造过程应有良好的工艺,并能比较方便地拆卸、更换和修理。
2.1.6所有材料应符合有关规范的要求,并能经过检验或文件证明是新的和优质的。
2.1.7在设备制造过程中必须实施严格的质量管理,包括必要的处理、检验和试验。
2.1.8托辊零部件应有良好的互换性,能满足电厂所在地区的环境及使用工况条件的要求。
2.1.9各托辊必须转动灵活,不得有卡阻现象。
润滑部分密封良好,不得有油脂渗漏现象。
轴承应选用国家正规轴承生产厂家(哈、瓦、洛)的高精度轴承。
2.1.10金属焊接应符合GB985, GB986的有关规定。
焊缝不得出现烧穿、裂纹及未熔合等缺陷。
具体要求
2.2.1托辊辊体采用托辊专用高频焊接钢管,壁厚不低于4mm,钢管生产厂家应由招标方认可。
2.2.2 托辊采用托辊专用轴承,迷宫方式密封,同时满足防尘防水要求;冲压轴承座,轴承和密封圈中注入锂基润滑脂。
轴承充油量应为轴承空隙的2/3,密封圈之间的空隙应充满。
应保证两轴承有良好的同心度。
2.2.3托辊辊子(除缓冲、梳型等特殊棍子外)外圆径向圆跳动应不大于-0.6mm。
2.2.4托辊辊子装配后,在500N轴向压力作用下,辊子轴向位移量不得大于0.7mm
2.2.5 托辊在正常工作条件下的使用寿命不低于50000小时,在寿命期内损坏率不得超过6%。
托辊在装配后,要进行抽检,性能检测项目有:防尘、防水、旋转阻力、轴向窜动、径向跳动等。
2.2.6 托辊辊子装配后,在250N的径向压力下,辊子以600r/min旋转,测其旋转阻力,其值不应大于。
停止1h后旋转时,其旋转阻力不应超过规定值的倍。
在托辊辊子轴上施加15000N的轴向负荷后,辊子轴与辊子辊体,轴承座、密封件等不应脱开。
2.2.7在托辊辊子轴上施加15000N的轴向负荷后,辊子轴与辊子辊体,轴承座、密封件等不应脱开。
2.2.8托辊辊子按规定的高度进行水平和垂直跌落试验后,辊子零件应满足以下条件: a)零件与焊缝不应产生损伤与裂纹,相配合处不得松动; b)棍子的轴向位移量不应大于1.5mm.
2.2.9 托辊组与机架连接尺寸按DTII型带式输送机设计供货。
设备检修部
2014-07-04。