梁支座纵筋的长度规定
- 格式:doc
- 大小:120.00 KB
- 文档页数:1
梁钢筋工程计量规则一、楼层框架梁上部钢筋长度的算法1.楼层框架梁上部贯通筋长度的算法(1)当(hc-保护层)即直锚长度>LaE时,表明梁支座足够宽,上部纵筋可以直锚在支座里,即:上部贯通筋长度=通跨净长+左右支座锚固长度 =Ln+2max[(LaE ),(0.5hc+5d )]其中:Ln ——通跨净长;LaE ——锚固长度;hc ——柱截面沿框架方向的高度(即支座宽度);(2)当(hc-保护层)即直锚长度≤LaE时,表明梁支座不能满足直锚长度,上部纵筋必须弯锚在支座里,即:上部贯通筋长度=通跨净长+左右支座锚固长度=Ln+2max[(LaE),(0.4LaE+15d ),(支座宽-保护层+弯折15d )]2.楼层框架梁上部支座负筋长度的算法(1)左、右支座负筋的计算第一排长度=左或右支座锚固+净跨长/3第二排长度=左或右支座锚固+净跨长/4支座锚固=max[(LaE),(0.4LaE+15d),(支座宽-保护层+弯折15d)](2)中间跨支座负筋的计算第一排中间支座负筋长度=hc+Ln/3×2第二排中间支座负筋长度=hc+Ln/4×2注:Ln取左右两跨净跨长较大值3.楼层框架梁上部架立筋长度的算法架立筋长度=净跨-两边负筋净长+150×2二、楼层框架梁侧面纵筋长度的算法1.构造纵筋当梁净高hw≥450时,在梁的两个侧面沿高度配置纵向构造钢筋,纵向构造钢筋间距a≤200;当梁宽≤350时,拉筋直径为6mm;梁宽>350时,拉筋直径为8mm,拉筋间距为非加密区间距的两倍,当设有多排拉筋时,上下两排拉筋竖向错开设置。
梁侧面构造纵筋=Ln+15d×2(Ln为梁通跨净长)2.抗扭纵筋(1)当端支座足够大时,直锚在端支座里抗扭纵筋长度=通跨净长Ln+左右锚入支座内长度2max[(LaE),(0.5hc+5d)](2)当支座不能满足直锚长度时,必须弯锚抗扭纵筋长度=通跨净长Ln+左右锚入支座内长度2max[(LaE),(0.4LaE+15d),(支座宽-保护层+弯折15d)]3.拉筋长度的计算有侧面纵筋一定有拉筋(1)当拉筋同时勾住主筋和箍筋时:拉筋长度=梁宽b-保护层×2+4d+1.9d×2+max(10d,75mm)×2(2)当拉筋只勾住主筋时:拉筋长度=梁宽b-保护层×2+2d+1.9d×2+max(10d,75mm)×24.拉筋根数的计算拉筋间距为非加密区间距的2倍,拉筋根数=(Ln-50×2)/非加密区间距的2倍+1三、楼层框架梁下部纵筋长度的算法1.下部贯通筋长度的计算(1)当端支座足够大时,直锚在端支座里下部贯通筋长度=通跨净长Ln+左右锚入支座内长度2max[(LaE),(0.5hc+5d)](2)当支座不能满足直锚长度时,必须弯锚下部贯通筋长度=通跨净长Ln+左右锚入支座内长度2max[(LaE),(0.4LaE+15d),(支座宽-保护层+弯折15d)]2.下部非贯通筋长度的计算(1)当端支座足够大时,直锚在端支座里下部非贯通筋长度=净跨长+左右锚入支座内长度2max[(LaE),(0.5hc+5d)](2)当支座不能满足直锚长度时,必须弯锚首尾跨下部非贯通筋长度=净跨长+锚入端支座内长度max[(LaE),(0.4LaE+15d),(支座宽-保护层+弯折15d)]+中间支座max[(LaE),(0.5hc+5d)]中间跨下部非贯通筋长度=净跨长+左右锚入支座内长度2max[(LaE),(0.5hc+5d)]四、楼层框架梁箍筋的算法箍筋长度=2(梁宽b-保护层×2+2d)+2(梁高h-保护层×2+2d)+1.9d×2+max(10d,75mm)×2箍筋根数:(1)一级抗震等级楼层框架梁箍筋根数=加密区根数×2+非加密区根数加密区根数:[max(梁高hb×2,500)-50]/加密间距+1非加密区根数: (净跨长-加密区长×2)/非加密间距-1(2)二至四级抗震等级楼层框架梁箍筋根数=加密区根数×2+非加密区根数加密区根数: [max(梁高hb×1.5,500)-50]/加密间距+1非加密区根数: (净跨长-加密区长×2)/非加密间距-1五、吊筋的算法吊筋长度=次梁宽b+2×50+2×(梁高-2×保护层)/sin45°(或60°)+2×20d六、附加箍筋的算法附加箍筋长度算法和箍筋计算方法一样附加箍筋间距为8d且≤100,附加根数按图纸标注计算七、屋面框架梁钢筋的算法屋面框架梁上部贯通筋长度=通跨净长+(左端支座宽-保护层)+(右端支座宽-保护层)+弯折(梁高-保护层)×2屋面框架梁上部负筋长度=净跨/3(4)+(左端支座宽-保护层)+弯折(梁高-保护层)例题:解:KZ1:450mm×450mm;抗震等级二级;C30混凝土;c=25mm;LaE=34d hc-c=450-25=425mm<LaE=34d=850mm,钢筋需要弯锚上部贯通筋:(10800-450)+2×850=12050mm N=2支座负筋:第一排左 (6600-450)/3+850=2900mm N=2中 (6600-450)/3×2+450=4550mm N=2右 (4200-450)/3+850=2100mm N=2第二排左 (6600-450)/4+850=2387.5mm N=2中 (6600-450)/4×2+450=3525mm N=2右 (4200-450)/4+850=1787.5mm N=2架立筋:第一跨 (6600-450)-(6600-450)/3×2+150×2=2350mm N=2第二跨(4200-450)-(6600-450)/3-(4200-450)/3+150×2=750mm N=2下部非贯通筋:第一跨(6600-450)+2×850=7850mm N=4第二跨(4200-450)+2×850=5450mm N=3构造筋:(10800-450)+15×2×12=10710mm N=4拉筋(只勾住主筋,直径取6mm):(300-2×25+2×6)+1.9×2×6+2×75=434.8mm根数:(6600-450-2×50)/(2×200)+1+(4200-450-2×50)/(2×200)+1=28根箍筋:2×(300-2×25+2×10)+2×(700-2×25+2×10)+1.9×2×10+2×100=2118mm 根数:第一跨加密区 (1.5×700-50)/100+1=11根 2×11=22根非加密区(6600-450-2×1.5×700)/200-1=20根第二跨加密区 (1.5×700-50)/100+1=11根 2×11=22根非加密区(4200-450-2×1.5×700)/200-1=8根箍筋总根数=22+20+22+8=72根柱钢筋工程计量规则一、基础层插筋计算(1)柱直接生根于基础板;(2)柱生根于基础梁上基础插筋长度=弯折长度a+竖直长度h1+非连接区hn/3+搭接长度LIEa的取值:h-c≥0.5LaE,max(12d,150)h-c≥0.6LaE,max(10d,150)h-c≥0.7LaE,max(8d,150)h-c≥0.8LaE,max(6d,150)h:基础厚度;h-c=h1二、柱纵筋长度的算法1.-1层柱子纵筋长度纵筋长度=-1层层高-(-1层非连接区hn/3)+1层非连接区hn/3+搭接长度LlE如果出现多层地下室,只有基础层顶面和首层顶面是hn/3,净高其余均为max(1/6净高、500、柱截面长边)2.1层柱子纵筋长度纵筋长度=1层层高-1层非连接区hn/3+max(hn/6,hc,500)+搭接长度LlE3.中间层柱子纵筋长度纵筋长度=中间层层高-当前层非连接区+(当前层+1)非连接区+搭接长度LlE非连接区=max(hn/6,hc,500)4.顶层柱纵筋计算(1)顶层中柱纵筋计算中柱纵筋长度=顶层层高-顶层非连接区-梁高+(梁高-保护层)+12d非连接区=max(hn/6,hc,500)注:当直锚长度<laE,且顶层为现浇混凝土板,其强度等级≥C20,板厚≥80mm时(2)顶层边柱纵筋计算情况A:当顶层梁宽小于柱宽,又没有现浇板时,边柱外侧纵筋只有65%锚入梁内;顶层边柱纵筋长度:1号纵筋长度=顶层层高-顶层非连接区长度-梁高+1.5LaE(65%)2号纵筋长度=顶层层高-顶层非连接区长度-保护层+(与弯折平行的柱宽-2×保护层)+8d(35%)3号纵筋长度=顶层层高-顶层非连接区长度-保护层+(与弯折平行的柱宽-2×保护层)4号纵筋长度=顶层层高-顶层非连接区长度-保护层+12d5号纵筋长度=顶层层高-顶层非连接区长度-梁高+ LaE情况B:当顶板为现浇板,混凝土强度等级≥C20、板厚≥80mm时,边柱外侧纵筋100%锚入梁及板内;顶层边柱纵筋长度:只有1号钢筋和4号钢筋情况C:当柱外侧纵向钢筋配率大于1.2%时,边柱外侧纵筋分两批锚入梁内,50%根数锚固长度为1.5LaE,50%根数锚固长度为1.5LaE+20d;顶层边柱纵筋长度:边柱外侧纵筋分两批锚入梁内,50%根数锚固长度为1.5LaE,50%根数锚固长度为1.5LaE+20d1号纵筋长度(外侧根数一半)=顶层层高-顶层非连接区长度-梁高+1.5LaE1号纵筋长度(外侧根数一半)=顶层层高-顶层非连接区长度-梁高+1.5LaE+20d(3)顶层角柱纵筋计算顶层角柱两面有梁,其纵向钢筋的计算方法和边柱一样,只是外侧是两个面,外侧纵筋总跟数为两个外侧总根数之和计算5.柱变截面位置纵向钢筋构造(1)柱纵向钢筋连接接头相互错开,在同一截面内的钢筋接头面积百分率:对于绑扎搭接和机械连接不宜大于50%,对于焊接连接不应大于50%(2)框架柱纵向钢筋直径d>28时,不宜采用绑扎搭接接头三、柱箍筋根数的算法1.基础箍筋根数计算根数=(基础高度-基础保护层)/间距-12.-1层箍筋根数计算根部根数=[hn(-1层)/3-50]/加密间距+1梁下根数=[hn(1层)/3]/加密间距+1梁高范围根数=梁高/加密间距非加密区根数=非加密区长度/非加密间距-13.1层箍筋根数计算根部根数=[hn(1层)/3]/加密间距+1梁下根数=max[hn(2层)/6,hc,500]/加密间距+1梁高范围根数=梁高/加密间距非加密区根数=非加密区长度/非加密间距-14.顶层箍筋根数计算(假如房屋只有两层)根部根数=max[hn(2层)/6,hc,500]/加密间距+1梁下根数=max[hn(2层)/6,hc,500]/加密间距+1梁高范围根数=梁高/加密间距非加密区根数=非加密区长度/非加密间距-1例题:楼层框架梁均为300mm×650mm,混凝土等级C30,板厚100mm,抗震等级二级,基础为800mm的筏板基础,计算:柱的钢筋工程量,钢筋采用电渣压力焊连接。
梁的配筋设计一般控制要求一、梁的纵筋配筋率1梁支座纵向受拉钢筋最大配筋率《高规》6.3.3.1:抗震设计时,梁端纵向受拉钢筋的配筋率不宜大于2.5%,不应大于2.75%;当梁端受拉钢筋的配筋率大于2.5%时,受压钢筋的配筋率不应小于受拉钢筋的一半。
2、梁支座纵向受拉钢筋最小配筋率1 ).《高规》63.2.2:纵向受拉钢筋的最小配筋百分率Pmin(%),非抗震设计时,不应小于O.2和45ft∕fy二者的较大值;抗震设计时,不应小于表6.3.2-1规定的数值。
2 ).《高规》10.2.7.1:转换梁上.下部纵向钢筋的最小配筋率,非抗震设计时均不应小于0.30%;抗震设计时,特一、一.和二级分别不应小于0.60%.0.50%和0.40%o3、梁跨中纵向受拉钢筋最小配筋率1 ).《高规》6.3.2.2:纵向受拉钢筋的最小配筋百分率Pmin(%),非抗震设计时,不应小于O.2和45ft∕fy二者的较大值才亢震设计时,不应小于表6.3.2-1规定的数值。
2 ).《高规》1027.1:转换梁上、下部纵向钢筋的最小配筋率,非抗震设计时均不应小于0.30%;抗震设计时,特一、一、和二级分别不应小于0.60%、0.50%和0.40%o二、上下铁比值1梁端截面的底面和顶面纵向钢筋截面面积比值1 ).《混规》9.2.6.1:当梁端按简支计算但实际受到部分约束时,应在支座区上部设置纵向构造钢筋。
其截面面积不应小于梁跨中下部纵向受力钢筋计算所需截面面积的1/4,且不应少于2根。
该纵向构造钢筋自支座边缘向跨内伸出的长度不应小于∣0∕5,IO为梁的计算跨度。
2 ).《高规》63.2.3:抗震设计时,梁端截面的底面和顶面纵向钢筋截面面积的比值,除按计算确定外,一级不应小于0.5,二、三级不应小于0.302、梁通长筋与梁两端顶面和底面纵向钢筋截面面积比值《高规》633.2:沿梁全长顶面和底面应至少各配置两根纵向配筋,一、二级抗震设计时钢筋直径不应小于14mm,且分别不应小于梁两端顶面和底面纵向配筋中较大截面面积的1/4;三、四级抗震设计和非抗震设计时钢筋直径不应小于12mmβ三、钢筋直径1梁箍筋最小直径1) .《抗规》6.3.3:梁端箍筋加密区的长度、箍筋最大间距和最小直径应按表6.3.3采用,当梁端纵向受拉钢筋配筋率大于2%时,表中箍筋最小直径数值应增大2mmβ2) .《高规》10.2.7.2:转换梁,离柱边1.5倍梁截面高度范围内的梁箍筋应加密,加密区箍筋直径不应小于Iomm、间距不应大于IOOmm0加密区箍筋的最小面积配筋率,非抗震设计时不应小于0∙9ft/fyv;抗震设计时,特一、一和二级分别不应小于1.3ft∕fyv、1.2ft∕fyv和1.Ift/fyv。
梁的钢筋计算规则和公式梁的钢筋计算规则及公式
1、单跨梁钢筋的计算公式:直钢筋净长=L-2C;弯起钢筋净长=L-2C+2×0.414(0.268或0.577)×弯起高度;弯起钢筋两端带直钩净长=L-2C+2×0.414(0.268或0.577)×弯起高度+2×(梁高-保护层厚度×2);
2、多跨梁钢筋的计算公式:
(1)首跨钢筋的计算:上部贯通筋长度=通跨净跨长+首尾端支座锚固值;
端支座负筋长度=设计构造长度+端支座锚固值;下部钢筋长度=净跨长+左右支座锚固值;
(2)中间跨钢筋的计算:中间支座负筋长度=两边跨设计构造长度+中间支座值;
(3)箍筋:箍筋长度=(梁宽-2×保护层+2d)×2+(梁高-2×保护层+2d)×2+14d或24d;
箍筋根数=(梁净长-100MM)/设计间距+1,加密区另计;
(4)腰筋、拉筋、吊筋应按构造要求计算其长度。
1。
梁配筋框架梁的有关规定抗震结构截面要求纵向钢筋计算要求目的:通过“强柱弱梁”措施引导框架中的塑性铰首先在梁端形成,控制梁端塑性铰具有较大的塑性转动能力,以保证框架梁端截面具有足够的曲率延性。
在确定混凝土受压区高度时,可把截面内的受压钢筋计算在内。
构造要求【配筋面积】《混规》、《抗规》条文2【钢筋间距、直径要求】《混规》注:条文说明【框架梁钢筋选筋直径要求】(1)应考虑在边柱内的水平端锚固长度不小于l ae,例如:边柱的边长为300,则梁上下纵筋的最大直径为16mm(2)本着经济性原则,框架梁上部贯穿钢筋尽量用小直径钢筋,例如:支座处计算值贯通筋可采用<10cm2C14;10~12 cm2C16;12~15 cm2C18;15~18 cm2C20;配筋率要求1、非抗震2、《混规》有抗震要求《混规》《混规》《混规》适用于框架梁、次梁、连梁等形式的梁特别注意点铰接的次梁应当满足!!!!受扭纵筋《混规》注:构造要求1、通长钢筋注:通长钢筋指直径不一定相同,但不同直径的钢筋连接至少是搭接,且两端需受拉锚固的直线钢筋。
2、钢筋直径要求《抗规》柱截面为400*400时,钢筋直径应小于20原柱布置时应居中布置3、架立钢筋(一般次梁需用)《混规》4、图集06G901 1-1图集06G901 2-23、腰筋《混规》受扭腰筋:《混规》箍筋1、配置要求《混规》梁高在150~300区间时,箍筋间距宜取150mm。
第1条第2条第3条次梁没有抗震要求,最低要求满足本条即可。
2、加密区要求《混规》注:(1)对于300的框架梁,工程默认不论抗震等级为一级、二级、一般取两肢箍,对于梁宽大于300的梁,一般用四肢箍。
(2)当框架等级为一级时,如梁纵筋选用C16或C14,则加密箍筋间距分别不大于84mm及96mm。
(≤6d)3、非加密区注意点梁非加密区箍筋间距不易小于加密区的50%,但箍筋直径可以取不同值。
例如:某三级框架梁端配筋率大于2%,则加密区箍筋为C10@100(2),非加密区在满足计算要求的情况下可配C8@200(2),图中配筋方式为C10@200(2)/ C8@200(2)”。
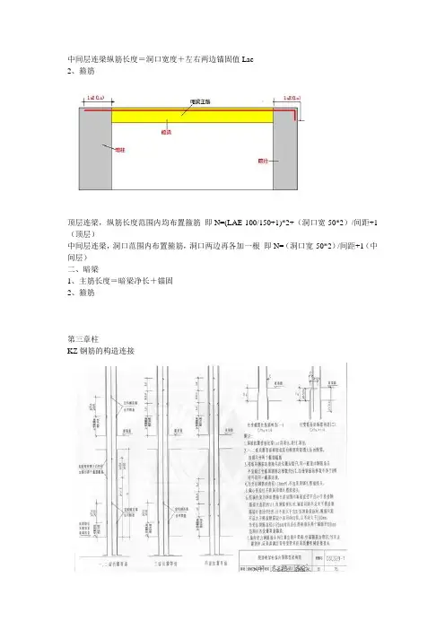
中间层连梁纵筋长度=洞口宽度+左右两边锚固值Lae2、箍筋顶层连梁,纵筋长度范围内均布置箍筋即N=(LAE-100/150+1)*2+(洞口宽-50*2)/间距+1(顶层)中间层连梁,洞口范围内布置箍筋,洞口两边再各加一根即N=(洞口宽-50*2)/间距+1(中间层)二、暗梁1、主筋长度=暗梁净长+锚固2、箍筋第三章柱KZ钢筋的构造连接第一章基础层一、柱主筋基础插筋=基础底板厚度-保护层+伸入上层的钢筋长度+Max{10D,200mm}二、基础内箍筋基础内箍筋的作用仅起一个稳固作用,也可以说是防止钢筋在浇注时受到挠动。
一般是按2根进行计算(软件中是按三根)。
第二章中间层一、柱纵筋1、KZ中间层的纵向钢筋=层高-当前层伸出地面的高度+上一层伸出楼地面的高度二、柱箍筋1、KZ中间层的箍筋根数=N个加密区/加密区间距+N+非加密区/非加密区间距-103G101-1中,关于柱箍筋的加密区的规定如下1)首层柱箍筋的加密区有三个,分别为:下部的箍筋加密区长度取Hn/3;上部取Max{500,柱长边尺寸,Hn/6};梁节点范围内加密;如果该柱采用绑扎搭接,那么搭接范围内同时需要加密。
2)首层以上柱箍筋分别为:上、下部的箍筋加密区长度均取Max{500,柱长边尺寸,Hn/6};梁节点范围内加密;如果该柱采用绑扎搭接,那么搭接范围内同时需要加密。
第三节顶层顶层KZ因其所处位置不同,分为角柱、边柱和中柱,也因此各种柱纵筋的顶层锚固各不相同。
(参看03G101-1第37、38页)一、角柱角柱顶层纵筋长度=层净高Hn+顶层钢筋锚固值,那么角柱顶层钢筋锚固值是如何考虑的呢?弯锚(≦Lae):梁高-保护层+12da、内侧钢筋锚固长度为直锚(≧Lae):梁高-保护层≧1.5Laeb、外侧钢筋锚固长度为柱顶部第一层:≧梁高-保护层+柱宽-保护层+8d柱顶部第二层:≧梁高-保护层+柱宽-保护层注意:在GGJ V8.1中,内侧钢筋锚固长度为弯锚(≦Lae):梁高-保护层+12d直锚(≧Lae):梁高-保护层外侧钢筋锚固长度=Max{1.5Lae ,梁高-保护层+柱宽-保护层}二、边柱边柱顶层纵筋长度=层净高Hn+顶层钢筋锚固值,那么边柱顶层钢筋锚固值是如何考虑的呢?边柱顶层纵筋的锚固分为内侧钢筋锚固和外侧钢筋锚固:a、内侧钢筋锚固长度为弯锚(≦Lae):梁高-保护层+12d直锚(≧Lae):梁高-保护层b、外侧钢筋锚固长度为:≧1.5Lae注意:在GGJ V8.1中,内侧钢筋锚固长度为弯锚(≦Lae):梁高-保护层+12d直锚(≧Lae):梁高-保护层外侧钢筋锚固长度=Max{1.5Lae ,梁高-保护层+柱宽-保护层}三、中柱中柱顶层纵筋长度=层净高Hn+顶层钢筋锚固值,那么中柱顶层钢筋锚固值是如何考虑的呢?中柱顶层纵筋的锚固长度为弯锚(≦Lae):梁高-保护层+12d直锚(≧Lae):梁高-保护层注意:在GGJ V8.1中,处理同上。
梁集中标注的内容,有五项必注值及一项选注值(集中标注可以从梁的任意一跨引出),规定如下:一、梁编号,该项为必注值。
梁编号梁类型代号序号跨数及是否带有悬挑楼层框架梁屋面框架梁框支梁非框架梁悬挑梁井字梁KLWKLKZLLXLJZLXXXXXXXXXXXX(XX)、(XXA)或(XXB)(XX)、(XXA)或(XXB)(XX)、(XXA)或(XXB)(XX)、(XXA)或(XXB)(XX)、(XXA)或(XXB)例KL7(5A)表示第7号框架梁,5跨,一端有悬挑:L9(7B)表示第9号非框架梁,7跨,两端有悬挑。
二、梁截面尺寸,该项为必注值。
当为等截面梁时,用b×h表示;当为加腋梁时,用b×h Y c1×c2表示,其中c1为腋长,c2为腋高;当有悬挑梁且根部和端部的高度不同时,用斜线分隔根部与端部的高度值,即为b×h1/h2。
三、梁箍筋,包括钢筋级别、直径、加密区与非加密区间距及肢数,该项为必注值。
箍筋加密区与非加密区的不同间距及肢数需用斜线“/”分隔;当梁箍筋为同一种间距及肢数时,则不需用斜线;当加密区与非加密区的箍筋肢数相同时,则将肢数注写一次;箍筋肢数应写在括号内。
加密区范围见相应抗震级别的标准构造详图。
例Φ10@100/200(4),表示箍筋为Ⅰ级钢筋,直径φ10,加密区间距为100,非加密区间距为200,均为四肢箍。
Φ8@100(4)/150(2),表示箍筋为Ⅰ级钢筋,直径φ8,加密区间距为100,四肢箍,非加密区间距为150,两肢箍。
当抗震结构中的非框架梁、悬挑梁、井字梁,及非抗震结构中的各类梁采用不同的箍筋间距及肢数时,也用斜线“/”将其分隔开来。
注写时,想注写梁支座端部的箍筋(包括箍筋的箍数、钢筋级别、直径、间距与肢数),在斜线后注写梁跨中部分的箍筋间距及肢数。
例13Φ10@150/200(4),表示箍筋为Ⅰ级钢筋,直径φ10,梁的两端各有13个四肢箍,间距为150;梁跨中部分间距为200,四肢箍。
框架柱的配筋和尺寸要求:【建筑抗震规范】6.3【混凝土结构设计规范】11.4【高规】6.4 (1):柱纵向受力钢筋的最小总配筋率应按表6.3.7-1采用,同时每一侧配筋率不应小于0.2%;对于建造在Ⅳ类场地且较高的高层建筑,最小总配筋率应增加0.1%。
(2):表6.3.7-1 柱截面纵向钢筋的最小总配筋率(百分率)注:①表中括号内数值用于框架结构的柱。
②钢筋强度标准值为400MPa时,表中数值应增加0.05;钢筋强度标准值小于400MPa时,表中数值应增加0.1。
③混凝土强度等级高于C60时,上述数值应相应增加0.1。
(3):柱总配筋率不应大于5%。
(4):矩形柱截面宽度和高度,四级或不超过2层时不宜小于300mm,一、二、三级且超过2层时不宜小于400mm;圆柱的直径四级或不超过2层时不宜小于350mm,一、二、三级且超过2层时不宜小于450mm。
(5):剪跨比宜大于2(不形成短柱);三级轴压比限值为0.85,二级为0.75;长短边之比不宜大于3;一级框架短柱的每侧纵向钢筋配筋率不宜大于1.2%。
(6)纵筋配置原则:①满足最小(大)配筋率要求②柱纵筋间距不大于200,净间距不小于50。
一般取150-200。
(大于600的柱子,一侧至少配5根钢筋才能满足间距要求,先在pkpm 中改看配筋是否满足,再在施工图中进行手改。
) ③上下层纵筋的钢筋直径等级差不超过2级。
(柱子,墙等竖向钢筋采用电渣压力焊直径等级差不超过7mm ,钢筋焊接及验收规程2012)(7)箍筋配置原则:①柱箍筋加密区的箍筋肢距:一级不宜大于200mm ,二、三级不宜大于250mm ,四级不宜大于300mm 。
②柱箍筋加密范围:1)柱端,取截面高度(圆柱直径)、柱净高的1/6、和500mm 的最大值。
2)底层柱的下端不小于柱净高的1/3。
3)刚性地面上下各500mm 。
4)剪跨比不大于2的柱(短柱)以及因为设置填充墙等形成的柱净高与柱截面高度比不大于4的柱、框支柱、一级和二级框架的角柱,取全高。
一、概述:二、梁的类型以及判断依据2、1 梁的类型03G101-1P232、2软件中梁类型判断的依据以普通砼墙或柱为支座的连续梁被判断为框架梁,以梁和其他构件为支座的连续梁被判断为非框架梁。
框架梁上无其他构件的连续梁被判断为屋面框架梁。
如果框架梁支撑着剪力墙或柱,则被判断为框支梁。
软件还可自动判断连续梁的端跨是否为悬挑跨。
只有普通墙和山墙(包括砖墙、混凝土墙)可以作为支座,框架间墙、间隔墙、虚墙不作为支座。
砖墙上梁按简支梁(非框架梁)处理,主筋锚固参照图集03G101-1 第65、66页规定处理。
三、梁中的钢筋组成:•1、上部通长钢筋•2、底部钢筋•3、支座负筋(一排、二排)•4、架立筋•5、箍筋•6、腰筋•7、腰拉筋•8、吊筋•9、主次梁交接处的加密箍筋组成如下图:四、软件中各种梁的详细计算各字母代表的含义:Hc—支座宽度LAe—抗震时锚固长度La—非抗震时锚固长度d ---钢筋直径L1E—连接长度BHC—保护层ceil—向上取整4、1楼层框架梁的计算,参照03G101-1P54框架梁钢筋计算主要应区分弯锚和直锚情况,以及上部支座纵筋的切断处理。
软件根据规范对于节点构造规定进行了锚固计算:规范对于节点构造做了规定:直锚时应满足≥Lae (La )且≥0.5hc+5d;弯锚时应满足≥0.4Lae(La )和弯折15d要求;程序计算锚固长度的缺省方法与规范完全一致。
(1)上部通长纵筋纵筋长度计算公式为:长度L=梁扣除两端支座的长度+ 在左、右侧支座的锚固长度+ 连接长度其中:·“在左、右侧支座的锚固长度”的缺省算法为:当支座宽–保护层≥Lae(La )时,应直锚,否则为弯锚。
直锚长度= max(LaE,Hc/2+5*D);弯锚的长度由两部分组成,直段长度= 支座宽–保护层;弯段长度= 15*d·“连接长度”算法为:当采用焊接、机械连接时:连接长度= 0 ,软件自动计算接头个数;当采用搭接时,连接长度= 接头个数* L1E软件照梁钢筋总长除以指定的定尺长度得出接头个数。
梁钢筋计算规则一、框架梁上部钢筋计算钢筋部位及其名称计算公式说明附图上部通长筋长度=各跨长之和L -左支座内侧a2-右支座内侧a3+左锚固+右锚固03G101-1P54抗震楼层框架梁KL纵向钢筋构造GB50010-2002P186图10.4.1梁上部纵向钢筋在框架梁中间层端节点内的锚固注:如果存在搭接情况,还需要把搭接长度加进去图49左、右支座锚固长度的取值判断:当hc-保护层(直锚长度)>LaE时,取Max(LaE ,0.5hc+5d)当hc-保护层(直锚长度) ≤LaE时,必须弯锚,算法:min(hc-保护层, 0.4LaE)+15d钢筋部位及其名称计算公式说明附图端支座负筋第一排钢筋长度=本跨净跨长/3+锚固;03G101-1P54抗震楼层框架梁KL纵向钢筋构造注:1、锚固同梁上部贯通筋端锚固;2、当梁的支座负筋有三排时,第三排钢筋的长度计算同第二排。
图51 第二排钢筋长度=本跨净跨长/4+锚固;中间支座负筋第一排钢筋长度=2*Ln/3+支座宽度;第二排钢筋长度=2*Ln/4+支座宽度;03G101-1P54抗震楼层框架梁KL纵向钢筋构造注:Ln为相邻梁跨大跨的净跨长架立筋长度=本跨净跨长-左侧负筋伸入长度-右侧负筋伸入长度+2*搭接注:当梁上部既有贯通筋又有架立筋时,搭接长度为150mm二、框架梁下部钢筋计算钢筋部位及其名称计算公式说明附图下部通长筋长度=各跨长之和-左支座内侧a2-右支座内侧a3+左锚固+右锚固注:1、端支座锚固长度取值同框架梁上部钢筋取值;2、如果存在搭接情况,还需要把搭接长度加进去。
图51下部非通长钢筋长度=净跨长度+左锚固+右锚固03G101-1P54抗震楼层框架梁KL纵向钢筋构造注:端部取值同框架梁上部钢筋取值;中间支座锚固长度为:Max {LaE,0.5Hc+5d }下部不伸入支座筋净跨长度-2*0.1Ln(Ln为本跨净跨长度) 03G101-1P60不伸入支座的梁下部纵向钢筋断点位置图52(图52)三、梁附加钢筋钢筋部位及其名称计算公式说明附图侧面纵向构造钢筋当hw≥450mm时,需要在梁的两个侧面沿高度配置纵向构造钢筋,间距a≤200;长度=净跨长度+2*15d03G101-1P24、62梁侧面纵向构造筋和拉筋,分为一级抗震和二至四级抗震等级注:1、hw指梁的腹板高度;2、梁侧面构造纵筋和受扭纵筋的搭接与锚固长度取值可参见(03G101-1P24)第4.2.3条第五款的注1与注2,即:梁侧面构造钢筋其搭接与锚固长度可取为15d,梁侧面受扭纵向钢筋其搭接长度为L l或L lE,其锚固长度与方式同框架梁下部纵筋。
板支座上部非贯通纵筋的长度如何确定
板支座上部非贯通纵筋的长度如何确定提要:扁担筋指板在支座处的负筋,以及贯通梁在支座处的上部筋,形状如扁担而已。
非通长筋,多指负筋或板的分布筋
更多精品制度
板支座上部非贯通纵筋的长度如何确定
支座筋泛指支座处的所有筋,细分为支座元宝筋,支座下筋,支座箍筋等。
扁担筋指板在支座处的负筋,以及贯通梁在支座处的上部筋,形状如扁担而已。
非通长筋,多指负筋或板的分布筋,区别于受力筋"通长设置"而已。
三者除都是钢筋外,没有其它关系。
我的理解:都是在支座部位,但构造、作用和形状不同,所指的范围也不同。
参考03101的框架梁的纵向钢筋构造,应该可以理解。
连梁纵筋锚入端支座的长度
一、连梁纵筋锚入端支座的长度定义及重要性
连梁纵筋锚入端支座的长度是指梁纵筋在支座内的锚固长度,它是影响连梁结构稳定性和安全性的重要因素。
根据我国相关规范,连梁纵筋锚入端支座的长度应满足一定的要求,以确保结构在使用过程中的安全可靠。
二、规范中连梁纵筋锚入端支座长度的要求
根据《建筑抗震设计规范》(GB 50011—2010)和《混凝土结构设计规范》(GB 50010—2015)等相关规范,连梁纵筋锚入端支座的长度应满足以下要求:
1.锚入端支座的长度应大于或等于梁高的一半;
2.锚入端支座的长度应大于或等于支座宽度的1.5倍;
3.锚入端支座的长度可根据实际情况进行调整,但不应小于梁高的1/3。
三、实际工程中连梁纵筋锚入端支座长度的应用案例
在某实际工程项目中,根据规范要求,设计人员对连梁纵筋锚入端支座的长度进行了严格控制。
通过合理布置钢筋,确保了梁纵筋在支座内的锚固长度满足规范要求,提高了连梁结构的稳定性和安全性。
四、注意事项及常见问题解析
1.在施工过程中,应注意检查连梁纵筋锚入端支座的长度是否符合规范要求,以确保结构安全;
2.当梁高和支座宽度发生变化时,应及时调整锚入端支座的长度;
3.锚入端支座的长度不应小于梁高的1/3,以免影响结构稳定性。
五、提高连梁纵筋锚入端支座长度合理性的措施
1.加强设计人员对规范的学习和理解,提高设计质量;
2.严格把控施工过程,确保锚入端支座长度的合理性;
3.对施工人员进行技能培训,提高施工水平;
4.加强对施工现场的监督检查,发现问题及时整改。
通过以上措施,连梁纵筋锚入端支座的长度能够得到有效控制,从而提高连梁结构的安全性和稳定性。
连梁纵筋锚入端支座的长度
摘要:
一、概念解释:连梁纵筋锚入端支座的长度
二、计算方法:
1.一般情况下,锚入长度应大于或等于12D。
2.在特殊情况下,根据抗震等级、梁柱混凝土强度等因素进行调整。
3.具体计算公式:la(受拉钢筋)、lb(受压钢筋)
正文:
在建筑结构中,连梁纵筋的锚入端支座长度是一项重要的设计参数。
它关系到结构的稳定性和安全性。
根据相关规范,我们可以得出以下结论:首先,我们需要了解连梁纵筋锚入端支座长度的概念。
这是指在建筑结构中,连梁的纵筋从支座边缘开始,伸入支座内的长度。
这个长度不仅影响到结构的稳定性,而且直接关系到人身安全。
其次,计算连梁纵筋锚入端支座的长度。
一般情况下,这个长度应大于或等于12D,其中D为纵筋的直径。
这是基于经验和实验数据得出的结论,被认为是保证结构稳定的最小长度。
然而,在实际工程中,我们需要根据具体情况进行调整。
例如,在抗震等级较高、梁柱混凝土强度较高的情况下,可以根据规范要求适当增加锚入长度。
具体计算公式如下:
- 受拉钢筋(la):锚入长度= 1.2 × D
- 受压钢筋(lb):锚入长度= 1.5 × D
需要注意的是,这些公式仅供参考,实际设计中还需考虑其他因素,如梁的截面尺寸、混凝土的强度等级等。
总之,连梁纵筋锚入端支座的长度是一个关键的设计参数,关系到建筑结构的稳定性和安全性。
设计人员应根据规范要求和实际情况,合理计算和确定这个长度,以确保建筑物的安全使用。
同时,施工过程中也要严格把控,确保锚固长度的准确实施。
梁原位钢筋一般布置长度
梁的钢筋一般布置长度取决于多个因素,包括梁的跨度、荷载、混凝土强度等。
一般来说,钢筋的布置长度应该足够使得梁在受到
荷载时能够充分发挥其受拉和受压的承载能力。
在设计中,工程师
会根据结构的需要和相关的设计规范来确定钢筋的布置长度。
一般
情况下,钢筋的布置长度会覆盖整个梁的受拉区域,并且需要考虑
受压区域的钢筋长度。
另外,钢筋的布置长度也受到施工的限制,需要考虑到钢筋的
连接、搭接和加工等因素。
在实际施工中,还需要考虑到钢筋的搭
接长度和连接方式,以确保钢筋的受力传递和整体的承载能力。
此外,还需要考虑梁的构造形式,例如T形梁、矩形梁等,不同形式
的梁对钢筋布置长度也会有所影响。
总的来说,梁的钢筋布置长度是一个综合考虑多种因素的设计
问题,需要根据具体的工程要求和设计规范来确定。
工程师在设计
时会综合考虑结构的受力特点、施工的可行性以及经济性等因素,
来确定最合适的钢筋布置长度。
梁支座上部纵筋长度规定:
1、为方便施工,框架梁的所有支座和非框架梁(不包括井子梁)的中间支座上部纵筋的延伸长度a值在标准构造详图中统一取值:第一排非通长筋从柱(梁)边起延伸至Ln/3位置;第二排非通长筋延伸至Ln/4位置。
2、悬挑梁(包括其他类型梁的悬挑部分)上部第一排纵筋伸出至梁端头并下弯,第二排伸出至3l/4位置,l为自柱(梁)边算起的悬挑净长。
当具体工程需要将悬挑梁中的部分上部钢筋从悬挑梁根部开始斜向弯下时,应由设计者另加注明。
有梁楼盖平法施工图制图规则:
1、构造平面的坐标方向:当两向轴网正交布置时,图面从左至右为X向,从下至上为Y向;当轴网向心布置时,切向为X向,径向为Y向。
2、贯通纵筋按板块的下部和上部分别注写,并以B代表下部,以T代表上部。
梁支座上部纵筋的长度规定
梁支座是承受梁上荷载并将其传递到支座下部的重要构件,纵筋是梁支座上部主要的受力构件,其布置和长度都需要按照规定进行设计和施工。
梁支座上部纵筋的长度规定主要包括以下几个方面:
1. 梁支座上部纵筋的延伸长度。
梁支座上部纵筋的延伸长度是指纵筋在梁支座内部末端弯曲处的延伸长度,其目的是为了保证纵筋在内部末端弯曲处的受力性能。
一般情况下,梁支座上部纵筋的延伸长度不应小于40倍纵筋的直径,同时还需要按照构造设计要求进行具体设计。
2. 纵筋的直埋长度。
纵筋的直埋长度是指纵筋在梁支座上部的直线段长度,其目的是为了保证纵筋的受力传递和连接性能。
一般情况下,纵筋的直埋长度不应小于支座面积的1/3,并且不应小于支座高度的1/5。
3. 纵筋的锚固长度。
纵筋的锚固长度是指纵筋在梁支座上部通过锚固装置锚入混凝土内的长度,其目的是为了保证纵筋的受力传递和连接性能。
一般情况下,纵筋的锚固长度不应小于40倍纵筋的直径,并且不应小于允许屈服应变的1.25倍。
梁支座上部纵筋的长度规定主要是根据混凝土和钢筋的力学性能以及结构的受力原理来确定的,目的是为了确保梁支座在荷载作用下具有良好的受力性能和安全可靠性。
在实际施工过程中,需要严格按照设计要求进行纵筋的布置和长度设计,并确保施工质量符合标准要求。
同时,在施工过程中还需要注意纵筋的加工和安装质量,保证纵筋的连接和受力性能。
只有经过科学合理的设计和精细严谨的施工,才能确保梁支座上部纵筋的长度规定的实施效果,从而保证整个梁支座结构的受力性能和安全可靠性。
平法梁纵筋伸入端柱支座长度的两种计算方式2020-01-09 20:39:27 阅读733 评论0 字号:大中小定阅不明白你要问的是在什么部位,下面的资料可能有帮忙梁问题问题(1):03G101-1:平法梁纵筋伸入端柱支座长度的两种计算方式:以第54-55页为例,梁纵筋伸入端柱都有15d的弯锚部份,若是把它放在与柱纵筋同一个垂直层面上,会造成钢筋过密,显然是不适合的。
正如图上所画的那样,应该从外到内分成几个垂直层面来布置。
可是,在计算进程中,却能够有两种不同的算法,这两种算法都符合图集的规定;第一种算法,是从端柱外侧向内侧计算,先考虑柱纵筋的爱惜层,再按必然间距布置(计算)梁的第一排上部纵筋、第二排上部纵筋,再计算梁的下部纵筋,最后,保证最内层的下部纵筋的直锚长度不小于;第二种算法,是从端柱内侧向外侧计算,先保证梁最内层的下部纵筋的直锚长度不小于,然后依次向外推算,如此算下来,最外层的梁上部纵筋的直锚部份可能和柱纵筋隔开一段距离。
这两种算法,第一种较为平安,第二种省些钢筋。
不明白图集设计者同意采纳哪一种算法?答:应按第一种算法。
若是柱截面高度较大,按54页注6实行。
梁问题(2):关于03G101图集第54页“梁端部节点”的问题,是不是“只要知足拐直角弯15d和直锚长度不小于的要求,那么钢筋锚入支座的总长度不足laE也没关系。
” 答:laE是直锚长度标准。
当弯锚时,在弯折点处钢筋的锚固机理发生本质的转变,因此,不该以laE作为衡量弯锚总长度的标准,不然属于概念错误。
应当注意保证水平段≥超级必要,若是不能知足,应将较大直径的钢筋以“等强或等面积”代换为直径较小的钢筋予以知足,而不该采纳加长直钩长度使总锚长达laE的错误方式。
问题(3):对照《96G101》、《00G101》、《03G101》三本图集,在最先的《96G101图集》的“原位标注”中有“第4条”:“当梁某跨支座与跨中的上部纵筋相同,且其配筋值与集中标注的梁上部贯通筋相同时,那么不需在该跨上部任何部位重复做原位标注;假设与集中标注值不同时,可仅在上部跨中注写一次,支座省去不注(图)。
1、为方便施工,凡框架梁的所有支座和非框架梁(不包括井字梁)的中间支座上部纵筋的延伸长度a0值在标准构造详图中统一取值为:第一排非通长筋及与跨中直径不同的同长筋从柱(梁)边起延伸至ln/3 位置;第二排非通长筋延伸至ln/4 位置。
ln 的取值规定为:对于端支座,ln 为本跨的净跨值;对于中间支座,ln 为支座两边较大一跨的净跨值。
2、悬挑梁(包括其它类型梁的悬挑部分)上部第一排纵筋延仲至梁端头并下弯,第二排延伸至3l/4 位置,l为自柱(梁)边算起的悬挑净长。
当具体工程需将悬挑梁中的部分上部筋从悬挑梁根部开始斜向弯下时,应由设计者另加注明。
3、当梁(不包括框支梁)下部纵筋不全部伸入支座时,不伸入支座的梁下部纵筋的截断点距支座边的距离取0.1Lni。
4、其他
4.1非框架梁、井字梁的上部纵向钢筋在端支座的锚固要求:当设计按铰接时,平直段伸至端支座对边后弯折,且平直段长度≥0.35Lab,弯折段长度15d;当充分利用钢筋的抗拉强度时,直段伸至端支座对边后弯折,且平直段长度≥0.6Lab,弯折段长度15d。
设计者应该在平法施工图中注明采用何种构造,当多数采用同种构造时,可在图注中统一写明,并将少数不同之处在图中注明。
4.2非抗震设计时,框架梁下部纵向钢筋在中间支座的锚固长度,本图集的构造详图中按计算中充分利用钢筋的抗拉强度考虑。
当计算中不利用该钢筋的强度时,其伸入支座的锚固长度对于带肋钢筋为12d,对于光面钢筋为15d。
4.3非框架梁下部纵向钢筋在中间支座和端支座的锚固长度,本图集的构造详图中规定对于带肋钢筋为12d,对于光面钢筋为15d。
4.4当非框架梁配有受扭纵向钢筋时,梁纵筋锚入支座的长度为La,在端支座直锚长度不足时,可伸至端支座对边后弯折,且平直段长度≥0.6Lab,弯折段长度15d。