打铃器KG3022T设置说明书
- 格式:doc
- 大小:517.00 KB
- 文档页数:2
※系统概述:M P3智能音乐播放系统:采用世界最先进的微电脑控制、M P3、F L A S H录音技术。
将广播自动播放、音源选播、录音下载/音频和麦克风录音存储等先进功能综合为一体。
高标准的产品定位,多功能的超前设计,成为广播设备的典范之精品,达到国内领先水平。
广泛适用于校园自动广播音乐打铃、外语广播教学听力考试系统。
※综合功能:M P3自动广播、智能分区广播、日常教学广播、消防紧急广播、背景音乐播放、外语教学及听力考试广播功能。
※、系统特点:1、M P3存储:本系统采用S A M S U N G F L A S H为存储方式,音质清晰、优美、内存容量有32、64M、128M、256M、512M,从60分钟---16小时,可满足各种用户广播需求。
2、编程播放:具有自动广播功能、每天可达99次设定编程播放,对播放内容和播出时间、次数及循环设定多遍播放并任意编程控制,实现无人直守。
每一次编程时间设定可达几十首歌曲进行播放输入。
对某些需要准点播放的内容拥有优先权。
3、功放管理:在每次执行定时播放程序时会自动提前5秒钟将功放电源打开,避免功放机开机因启动及预热延时而影响正常播放。
(智能化的设计起到了节能和科学化管理功放开关)4、中文菜单显示:M P3自动广播系统采用中文式菜单液晶显示,引导式菜单进入,让操作者对各项功能信息一目了然,上下翻页及功能设定简洁方便,简单明朗易学易用。
5、程序设定:用户可根据不同的作息时间、内容进行编程设定,达到任意选择和调整作息时间,满足各广播单位对广播作息的选择需求。
6、M P3下载存录音源:用户可直接从电脑上下载或自行录制需要的乐曲到系统内,再进行编程播放。
7、音频及麦克存录音源:本系统可直接从各种媒体(V C D、C D、卡座等)线路和麦克风两种方式录音输入存储音源音乐曲目。
8、时钟显示:本系统具有日常时钟功能:本机采用专用实时时钟模块,走时准确,停电正常计时,标准时间及工作程序不会丢失、错乱。
本文部分内容来自网络整理,本司不为其真实性负责,如有异议或侵权请及时联系,本司将立即删除!== 本文为word格式,下载后可方便编辑和修改! ==电铃控制器说明书篇一:电铃使用说明书1、概述目前在皮带运输巷和提升运输巷使用的信号装置大致有两类,一类是传统的隔爆型电磁式电铃;另一类是组合式声光信号电铃,其中有一些具有单工对讲功能。
后者在技术和功能上都有了较大发展,但要实现多水平信号区分、二级传送、安全灯自动转换等功能仍需要增设大量电缆及隔爆型三通、四通等,投资大、故障率高。
针对目前这种状况,我们研制生产了KXT23型数显通信声光信号装置。
该产品结构上为隔爆兼本安型设计,采用单片微控制器及调制解调技术,仅需一条四芯信号电缆,即能实现发出声、光信号、单工对讲、自动区分多水平、二级传送、红绿灯转换等功能。
技术领先、设计合理、一机多用。
可应用于皮带机巷和轨道运输巷,是目前声光信号装置中理想的更新换代产品。
2、主要技术参数3、主要功能3.1、发出声光信号、数显打点数功能在等机状态下,按下信号装置的“信号按钮”,联线上的各装置,均发出声光信号,并数字显示打点数(二级传送除外)。
3.2、自动实现二级传送功能将车房内的信号装置,设置为二级传送状态(将DTP2开关中“1”拨到数字侧,“2”拨到ON侧),井口发出打点信号时,车房及其它水平相应发出声光信号,并显示打点数;当其它水平打点时,车房内的信号装置,只有灯光及数字显示,而不发出打点声,也无127V电压输出,无须使用双联按钮,自动实现二级传送。
3.3、对讲呼叫功能在待机状态下,可实现单工对讲及呼叫功能。
按下信号装置对讲按钮,联线的所有信号装置均能听到讲话及呼叫,松开对讲按钮,信号装置均处于接收状态。
注:在绞车运行时,应禁止对讲呼叫,以免影响司机操作。
3.4、多水平数显功能将每台信号装置设置一个编码(如井口为“1”,一水平为“2”,车房不设置等),按下信号装置“信号按钮”后,其它所有联机装置都数显打点位置的编码,同时根据编码的不同而发出不同的音调,无须增加任何电缆及设备,自动实现多水平的信号区分。
KG902自适应定时开关使 用 说 明 书珠海欧美克科技有限公司1、功能和用途本产品是新一代智能化的自适应定时控制器,它可对用户设定的开、关机时间,根据每天日出(关)日落(开)的变化规律对开、关机时间作出自适应性调整,避免传统开关必须要每月调整定时时间,从而减轻日常工作量及达到节约能源的要求,实现系统免维护的功能。
它广泛应用于路灯、住宅小区照明、霓虹灯、灯箱招牌等设备的定时自动控制,是传统定时开关的换代产品。
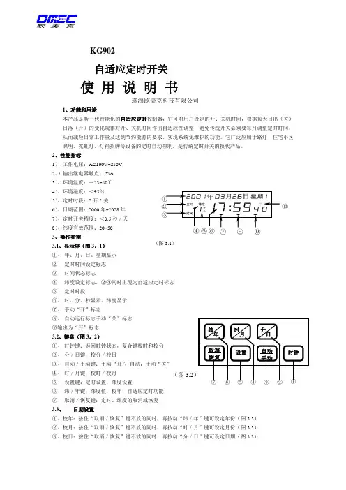
2、性能指标1)、工作电压:AC160V~250V 2、)输出继电器触点:25A 3)、环境温度:-25~50℃ 4)、环境湿度:<95% 5)、定时时段:2开2关 6)、日期范围:2000年~2028年 7)、定时开关精度:<0.5秒/天 8)、纬度有效范围:20~50 3、操作指南3.1、显示屏(图3。
1) ①、 年、月、日、星期显示 ②、 定时时间设定标志 ③、 时间状态标志④、 纬度设定标志,②④同时出现为自适应定时标志 ⑤、 定时时段⑥、 时、分、秒显示、纬度显示 ⑦、 手动“开”标志⑧、 自动运行标志手动“关”标志 ⑩输出为“开”标志 3.2、键盘(图3。
2)①、 时钟键:返回时钟状态,复合键校时和校分②、 分/日键:校分/校日③、 自动/手动键:手动“开”,自动,手动“关” ④、 时/月键:校时/校月 ⑤、 设置键:定时设置,纬度设置⑥、 纬/年键:纬度值,校年,自适应定时功能 ⑦、 取消/恢复键:定时、纬度的取消或恢复 3.3、日期设置①、校年:按住“取消/恢复”键不放的同时,再按动“纬/年”键可设定年份(图3.3) ②、校月:按住“取消/恢复”键不放的同时,再按动“时/月”键可设定月份(图3.3); ③、校日:按住“取消/恢复”键不放的同时,再按动“分/日”键可设定日期(图3.3);⑩④ ⑤ ⑥ ⑦⑧⑨(图3.1)(图3.2注:在设定年、月、日的同时星期值会自动调整,用户不需要对星期进行独立设定3.4 、时间设置、①、校时:按住“时钟”键不放的同时,再按动 “时/ 月”键进行小时设置(图3.4)②、校分/秒:按住“时钟”键不放的同时,再按动“分/日”键进行分钟设置(图3.4),设置分钟的同时秒自动清零;3.4、 定时设置按一下“设置”键,显示屏左角状态区显示“定时”字样(图3.5.1b ),同时时段显示“1开”(表示第一次开启时间)字样,此时定时器处在“1开”定时时间设定状态,如果当前时段处于取消状态(显示“――:――”)时(图3.5.1b ),需先按“取消/恢复”键使当前定时状态处于恢复(显示有效的时间值如:0:00)状态,此时可按“时/月”、“分/日”键输入所需的开启时间(图3.5.1c )。
KG3022T微电脑全自动打铃仪功能和用途本产品以高性能微电脑芯片为核心,可根据用户设定进行自动打铃,一天内最多可实现46次打铃,并为用户提供时钟自动校准功能,具有走时准确、操作方便等特点,广泛应用于学校企事业单位的自动打铃控制。
性能指标工作电源220V/50Hz适用电压范围 160V~240V消耗功率 <3W外形尺寸 179×139×66mm重量 1100g计时误差 <±0.5秒/天闹钟时间0~59秒工作模式:每日相同、每日不同、五天工作制、六天工作制有46组闹铃时间,手动、自动两用显示屏说明星期含义如下所示:Su Mo Tu We Th Fr Sa星期日星期一星期二星期三星期四星期五星期六其它说明1、若临时要求终止执行自动打铃程序,在时钟动行状态,按S键一次,“”静止,使打铃程序冻结,若要恢复执行自动打铃程序,再按S键一次使“”闪烁,表示打铃仪自动打铃程序开始工作;2、若临时需打铃,可在时钟运行状态下按“-”(减数键)手动打铃或按产品背面有“开/关”键;3、在打铃状太下需临时终止打铃,按任意键均可;4、若打铃仪发生意外故障(如死机等),不能正常打铃,可用产品背面的开关手动打铃,再按照“故障排除”中介绍的方法排除故障;5、长期不使用本产品,请将产品后面的锁调到“关”状态,以节约电源。
操作说明(一)按键说明本产品的操作提供五个按键,分别是:M功能键:按此键转换显示屏显示内容,实现时钟运行状态、时钟设置状态、参数设置状态、定时设置状态的转换;S选择键:按此键选择某种功能中需要调整设置的各个参数;+加数键:对选中的项目向上加数(即实现递增变化);-减数键:对选中的项目向下减数(即实现递减变化),在时钟运行状态可实现手动打铃;复位键:清除所有设置,回到系统初始状态,即显示屏处于时钟运行状态,当前时间为10:00、星期日、打铃时长为10S、工作模式为每日相同、无打铃设置。
电子打铃器详细介绍针对广大学校等单位的要求,我们对SF-128F型电脑程控打铃器进行了大规模改进,使程序输入变得轻松、方便,新增了程序保持功能,在任何情况下都能保持程序永不丢失;具备音乐打铃功能,可根据设定时间自动打开功放播放音乐。
1、基本功能:本机能够按照我们事先设定的时间自动打开功放并播放所选音乐,每天可设置128次,四种音乐打铃时间长度可分别在0-99秒间任意设置,四种音乐可任意选择,不同时刻打铃音乐可不相同。
2、有多种编程模式供选择,每天都打铃,单休日不打铃、双休日不打铃,任一天打铃,且每天程序可不一样。
3、手动功能:能够在任何情况下手动打铃或响音乐。
4、具有“单点擦除”功能。
使用方法一、接线方法:本机机后电源插座直接输出220V交流电(直接接电铃两端或扩音机、功放机电源);音频输出插座可接到扩音机、功放机的CD输入端。
二、安装电池:打开机器底部电池盖板,装入3节5号电池(停电保持时钟走时);接通220V电源,屏幕显示“07:00”,秒点闪动,如果通电后不出现“07:00”,可同时按两个“复位”键进行复位,直至出现“07:00”。
三、时钟使用说明:⑴调星期:正常走时状态下,按“星期”键调星期,按一下调整一天。
⑵调时分:按“+”键调时、分,按一下加一,按住5秒钟不放转为快加;按“-”键调时、分,按一下减一,按住5秒钟不放,转为快减。
注:调整时分后,秒钟自动清零,即从该时刻的0秒开始走时。
四、简单编程(实例):编程前先列好时间表(如下表)。
设置音乐1响铃20秒,音乐2响铃16秒,音乐3响铃12秒,音乐4响铃8秒。
⑴清除内部程序:按“编程”键3秒,屏幕显示“Y-:15”,星期灯全闪,音乐1灯亮,按“确认”键,显示“07:00”,再按“清除”键3秒清除内部所有程序直至显示“Y-:15”,进入星期及音乐设置模式状态。
⑵星期模式设置:按“星期”键,直至星期一至日灯全闪,表示一周七天全打铃。
⑶音乐模式设置:音乐灯1亮,显示“Y-:15”按“+”5次调整至显示“Y-:20”;再按“音乐2”,音乐2灯亮,按“+”1次调整直至显示“Y-:16”;再按“音乐3”,音乐3灯亮,按“-”3次调整至显示“Y-:12”;再按“音乐4”,音乐4灯亮,按“-”7次调整至显示“Y-:08”,按“确认”键,星期模式及音乐模式设置的信息存入打铃器中,此时星期灯全闪,显示“07:00”表示进入打铃点设置状态。
多功能打铃广播机使用说明书多功能打铃器使用微电脑设计,即可输出音乐打铃、又可控制电铃打铃、还可程序控制外部音源或者扩音设备的供电;又可用来做广播机信号源,又可用于智能广播控制器;即可话筒输入广播,又可线路输入广播;即可使用内部固定乐曲和高保真录音音乐,又可自行录音用于信号源。
实现了一机在手,多种控制。
音乐打铃具有几十首曲目供打铃选择,电铃打铃有3种不同的打铃规律,不论是乐音打铃还是电铃打铃,均可使用不同的音乐声和电铃规律来区分预备铃、上课铃和下课铃。
内置专用时钟模块,交流停电时钟正常走时,交流停电情况下维持长时间正常走时,保证了走时精度和始终的连续性。
音乐打铃、电铃打铃、时间程序控制分别有128个定时时间设置,保证绝大多数的应用于任何场合。
是学校、部队以及企业等单位的首选产品。
一、基本功能:1、音乐打铃输出:有19段音乐供音乐打铃和广播使用。
2、音乐信息分为演奏乐曲和录音音乐两种,录音音乐电路为用户提供了灵活性的音乐内容。
3、内置录音电路,根据用户的需要,随时录制自己喜爱的不同的内容。
4、5个高亮度数码管显示当时小时和分钟和星期,在设置状态下、定时操作和手动操作状态下,显示各种直观操作内容,避免了误操作。
5、键盘按键提示音功能,提示按键有效和操作正误,使得操作更可靠。
6、状态指示灯辅助指示当前工作状态。
7、可控的秒点指示灯协助各种状态下的设置工作。
8、专用时钟芯片,走时准确,交流停电时钟可正常走时2-3年。
9、音乐打铃、电铃打铃、时间程控设置次数最大允许128个,完全可以满足学校、部队等部门的任何场合下的使用。
10、电铃打铃有3种电铃声音规律区分预备铃、上课铃和下课铃。
11、具有键盘锁功能,防止非工作人员的非法操作。
12、具有手动音乐铃和手动电铃打铃操作,用于特殊情况下的手动打铃,手动电铃打铃亦可选择不同的铃声规律。
13、具有广播功能,即可选择曲目,又可选择遍数,也可设置长时间的循环播放。
14、广播中广播遍数自动计数,广播状态一目了然。
30RH022机器的使用操作说明使用操作说明书感谢您选择使用30RH022机器。
本使用操作说明书将为您提供详细的操作指南,帮助您正确使用和维护该机器。
目录1.机器概述2.硬件连接3.机器设置4.操作流程5.故障排除6.维护与清洁1.机器概述2.硬件连接在使用30RH022机器之前,请确保正确连接以下硬件设备:-将电源线插入机器和电源插座。
-将网络线插入机器和路由器/交换机。
-连接必要的外部设备,如打印机、扫描仪等。
3.机器设置在开始操作机器之前,请进行以下设置:-打开机器,并按照屏幕上的指示进行语言、日期和时间的设置。
-连接机器到您的网络,并进行网络设置。
-安装和更新必要的驱动程序和软件。
4.操作流程4.1开机与关闭-按下电源按钮启动机器。
-关闭机器时,点击开始菜单,选择关闭选项。
4.2打印文件-使用合适的软件打开需要打印的文件。
-选择“打印”选项,并设置打印机参数(如纸张大小、打印质量等)。
-点击“打印”按钮开始打印。
4.3复印文件-将需要复印的文件放入机器上的扫描仪。
-点击“复印”选项,在显示屏上设置复印参数(如复印份数、放大缩小比例等)。
-点击“开始”按钮开始复印。
4.4扫描文件-打开扫描仪的盖子,放入需要扫描的文件。
-点击“扫描”选项,在显示屏上设置扫描参数(如扫描模式、分辨率等)。
-点击“开始”按钮开始扫描。
4.5发送文件-选择需要发送的文件,并点击“发送”选项。
-输入接收方的地址和其他必要信息。
-点击“发送”按钮开始发送文件。
5.故障排除如果遇到机器故障或异常情况,请按照以下步骤进行故障排除:-重新启动机器。
-检查硬件连接是否正常。
-查看机器显示屏上的错误信息,并根据说明进行处理。
6.维护与清洁为了保持机器的正常运行和延长其寿命,请定期进行以下维护和清洁操作:-清洁机器表面和显示屏,使用干净柔软的布清除灰尘和污渍。
-定期清理和更换机器内的滤网和滤芯。
-检查和调整打印质量和颜色,使用机器自带的调色工具。
电动工具操作手册第一节:前言本操作手册旨在指导用户正确使用电动工具,确保工作过程中的安全和效率。
在使用任何电动工具之前,请仔细阅读此手册,并严格按照指导进行操作。
第二节:安全须知1. 电动工具应仅由熟练的操作人员操作,在使用之前请确保已经正确阅读并理解操作手册。
2. 在使用电动工具时,需要穿戴适当的个人防护装备,包括手套、护目镜、安全鞋等。
确保自己的身体和皮肤暴露部位得到充分的保护。
3. 预先检查电动工具的电源线或电池是否有损坏,如发现损坏或异常情况,请立即停止使用,并联系专业维修人员进行检修。
4. 在使用电动工具前,应确保工作区域没有可燃物,并远离易燃物质。
使用电动工具时,避免过于疲劳或使用药物、酒精等物质影响判断力。
5. 在操作电动工具时,请确保周围没有其他人员,以免产生意外伤害。
如果有其他人员在场,请提醒他们保持安全距离,远离操作区域。
第三节:电动工具的基本操作步骤1. 开启电源:将电源线插座插入正常工作电源上,或根据电池接口连接电池,并确保电源按钮已打开。
2. 操作工具:握住工具握把,并确保手部稳定,进行必要的调整和定位。
3. 操作开关:根据具体工具类型和功能,选择适当的操作开关,并根据需要进行调节和设定。
4. 操作步骤:根据工作需求和电动工具的具体要求,进行相应的动作和操作。
请确保动作缓慢平稳,避免突然用力或不合理的操作。
5. 操作结束:完成工作后,立即关闭电源按钮,拔下电源线插头或取下电池。
第四节:常见问题和故障排除1. 电动工具无法启动:请先检查电源是否连接良好,电源线或电池是否正常工作,如有问题请联系专业人员进行检修。
2. 出现异味或异常声音:立即停止使用电动工具,并检查是否有损坏或故障发生。
如有异常情况,请及时联系维修人员处理。
3. 电动工具过热:如果工具使用一段时间后过热,请立即停止使用,并等待工具冷却后再操作。
如果问题仍然存在,请寻求专业帮助。
第五节:维护和保养1. 定期清洁:在每次使用后,请用干净的布或刷子将电动工具上的灰尘、碎屑等物质彻底清除。
详细介绍针对广大学校等单位的要求,我们对SF-128F型电脑程控打铃器进行了大规模改进,使程序输入变得轻松、方便,新增了程序保持功能,在任何情况下都能保持程序永不丢失;具备音乐打铃功能,可根据设定时间自动打开功放播放音乐。
1、基本功能:本机能够按照我们事先设定的时间自动打开功放并播放所选音乐,每天可设置128次,四种音乐打铃时间长度可分别在0-99秒间任意设置,四种音乐可任意选择,不同时刻打铃音乐可不相同。
2、有多种编程模式供选择,每天都打铃,单休日不打铃、双休日不打铃,任一天打铃,且每天程序可不一样。
3、手动功能:能够在任何情况下手动打铃或响音乐。
4、具有“单点擦除”功能。
使用方法一、接线方法:本机机后电源插座直接输出220V交流电(直接接电铃两端或扩音机、功放机电源);音频输出插座可接到扩音机、功放机的CD输入端。
二、安装电池:打开机器底部电池盖板,装入3节5号电池(停电保持时钟走时);接通220V电源,屏幕显示“07:00”,秒点闪动,如果通电后不出现“07:00”,可同时按两个“复位”键进行复位,直至出现“07:00”。
三、时钟使用说明:⑴调星期:正常走时状态下,按“星期”键调星期,按一下调整一天。
⑵调时分:按“+”键调时、分,按一下加一,按住5秒钟不放转为快加;按“-”键调时、分,按一下减一,按住5秒钟不放,转为快减。
注:调整时分后,秒钟自动清零,即从该时刻的0秒开始走时。
四、简单编程(实例):编程前先列好时间表(如下表)。
设置音乐1响铃20秒,音乐2响铃16秒,音乐3响铃12秒,音乐4响铃8秒。
⑴清除内部程序:按“编程”键3秒,屏幕显示“Y-:15”,星期灯全闪,音乐1灯亮,按“确认”键,显示“07:00”,再按“清除”键3秒清除内部所有程序直至显示“Y-:15”,进入星期及音乐设置模式状态。
⑵星期模式设置:按“星期”键,直至星期一至日灯全闪,表示一周七天全打铃。
⑶音乐模式设置:音乐灯1亮,显示“Y-:15”按“+”5次调整至显示“Y-:20”;再按“音乐2”,音乐2灯亮,按“+”1次调整直至显示“Y-:16”;再按“音乐3”,音乐3灯亮,按“-”3次调整至显示“Y-:12”;再按“音乐4”,音乐4灯亮,按“-”7次调整至显示“Y-:08”,按“确认”键,星期模式及音乐模式设置的信息存入打铃器中,此时星期灯全闪,显示“07:00”表示进入打铃点设置状态。
配置自动装带器更新固件运行自动装带器系统测试检索有关自动装带器的信息故障排除取出卡住的磁带自动装带器错误代码1.将前面板上的电源开关拨到 OFF (关)位置。
2.从自动装带器后面板上的接头处拔掉电源线和 SCSI 电缆。
3.如果可能,请将自动装带器从座架插槽中卸下并放在桌子或其它干净、平整的工作台面上。
4.在机架安装结构中,使用螺丝刀将自动装带器两侧用来固定安装支架的前盖螺丝卸下。
在桌面结构中卸下前盖螺丝 — 此结构中没有安装支架。
卸下装配托架(图中左侧所示)5.如果自动装带器带有安装支架(机架安装结构),请卸下自动装带器后面的五颗螺丝以及两侧各一颗附加螺丝,以便松脱自动装带器盖板。
在桌面结构中,卸下前盖螺丝以及结构两侧各三颗附加螺丝。
只卸下图示的后盖螺丝6.将顶盖朝后面滑动,然后再尝试提起顶盖。
7.顶盖挂钩从前面板显示盖边缘松脱后,提起顶盖以将其卸下。
8.直接从自动装带器中将装有您想卸下的每盘磁带的磁带传输器抬起。
9.在每个传输器上,小心地将磁带锁定杆从传输器中拉开,将磁带滑出传输器。
拉开磁带释放杆10.从所需传输器上取出磁带后,将每一传输器再重新装到自动装带器传送带上(参见“安装传输器”)。
11.确保传输器底部的滚轮对准传输器轨道。
12.确保已将每个传输器下的传送带杆插入正确的自动装带器传送带环中。
安装传输器注释:如果磁带卡在驱动器中,请联系您的 Dell 技术支持代表。
警告:为防止受伤,请在卸下自动装带器盖之前先断开电源和 SCSI 电缆,手指不要靠近风扇。
注释:要取出导入/导出插槽正前方的传输器,请按逆时针方向轻轻转动传送带,移动传送带或传输器,直到该传输器不再位于导入/导出插槽前方。
注释:传送带上有未使用的环。
正确的传送带环在环外有一个多余的突起(参见“安装传输器”)。
将磁带传输器底部的插销插入传送带的插槽中,然后将磁带传输器轻轻转动到位以使其锁定在传送带中。
轻轻按住传输器顶部并来回滑动,确保将传输器正确安装在传送带上。
KG3022T微电脑打铃控制器使用说明一、产品特点1.内置3.6V/60MAh可充电池、工业级芯片,抗干忧强2.打铃数据在断电情况下可保存10年3.有键盘锁定不会出现人为因素误动作4.产品精度高、操作方便、安装简单5.本产品可设定、上课铃声(基本铃声)、下课铃声、预备铃声6.设定一至五十次打铃控制按周或天循环并随时可以控制打铃7.大屏幕LCD显示8.键盘设定,大功率输出9.除学校适用外、也特别适用于工厂等部门作息全自动打铃二、调试顺序1.打开钥匙液晶显示屏出现5:00,按住“时钟键”不放同时分别再按“校星期键”、“校时键”和“校时键”输入标准时间。
2.按“定时键”出现星期(七天全显示)表示每天工作。
如在一周内有几天作息时,再按“星期键”星期顺次跳动、在不需打铃那天跳动时、再按“取消键”,这天即不打铃,剩下的星期即循环打铃3.再按“定时键”分别按“校时键”和“校分键”设定第一次打铃时间,(再按“铃声转换键”分别上课铃、下课铃,预备铃状态)。
4.再按“定时键”同以上第3点方法设定第二次至五十次打铃时间和铃声状态5.如不需五十六次打铃定时按“时钟键:,返回标准时间6.如设定错误或取消设定按“取消键”,再按一次恢复原来的设定7.无设定时显示(--:--)8.检查:按“定时键”检查所设定的时间是否正确9.修改:请在该设定处按“取消键”,然后重新设定该次打铃时间10.结束检查:按“时钟键”结束检查及设定,显示标准时间11.手动控制:按“手动键”即可实再随意的打铃(基本铃声)12.铃声转换:在设定定时状态按“铃声转换键”分别上课铃、下课铃、预备铃13.锁定键盘:控制器调试完毕后,按“时钟键”不放同时再按“取消键”在显示器中下部出现三角形锁定符号放手,此除“手动键”可临时打铃外、其余一切按键不起作用(开锁时重复上述操作,锁定符号消失)。
14.连接方法:接上电铃、插上电源、面板上红灯亮表示控制器与电源接通,打开电源开关(ON方向),按一下“手动键“红绿灯亮同时电铃接通。
可编程智能遥控打铃器使用说明一、用途与性能积20年打铃器生产经验、经20年的更新换代。
最新推出的HB40XX高级系列程控器采用进口最新型的单片低功耗、高性能专用微电脑时控芯片,经精心设计、选用优质进口元件制造,具有极高的可靠性。
专用于学校、机关、厂矿实现自动作息打铃◆可同时输入4套作息时间以供不同季节或睛雨天之需(各套程序按设定的月日自动转换)。
◆每套每天最多可存入88次打铃信息。
24小时循环。
所编入的打铃信息掉电不丢失。
◆打铃信息可随意设在24小时内的任意时间,最短间隔1分钟。
◆16S连响和8秒间响两种铃声以区别预备铃与上课铃。
◆程序自动检查、修改功能(快速显示所设定的时间点、随意增补、删除或修改设定)。
◆交直两用、自动转换(有电控制响铃,停电后自动按作息时间响音乐,声音宏亮)。
◆内置可充电池,自动充电,程序、时间不受停电影响。
◆使用寿命:15年以上。
◆ABS机壳、PVC面板,永不生锈。
◆数码显示、发光指示、按键操作。
◆走时、控制精度每日小于0.5秒。
◆无线遥控打铃距离0.1-5公里。
◆控制功率:1000W(可带电铃15只)。
机内装有可充电池及自动充电电路,第一次使用或闲置30天以上再用时,电池已无电,需先将控制器插上电源24小时以上充电。
充足电的电池可保证在连续停电30天时、时间及程序不变。
二、安装试验安装说明注:不正确的安装有可能导致控制器被烧毁。
请认真分析并弄懂外线安装图。
1.供电正常的学校:请使用学校原有普通交流电铃(或到当地县市交电商店购置)。
2.长期无电的学校:请使用普通号筒式高音喇叭(以5-10W8_较佳)。
喇叭采用8-10节1号电池(节数多,音量大)或12V蓄电池供电,切忌用其它电源。
喇叭电池盒自购或自制。
喇叭外线采用优质铜芯线,长度最好不超过10米(过长声音小)。
3.供电异常的学校:请同时安装喇叭和电铃。
有电响铃,停电响喇叭,全自动转换。
外线试验注:为防止接线错误烧毁控制器,在外部电铃和喇叭安装完毕后,一定要进行如下试验:1.喇叭插头在反复插进或拔出插座过程中,喇叭应发出较响的“喀喇”声。
KG3022T微电脑打铃控制器使用说明一、产品特点1.内置3.6V/60MAh可充电池、工业级芯片,抗干忧强2.打铃数据在断电情况下可保存10年3.有键盘锁定不会出现人为因素误动作4.产品精度高、操作方便、安装简单5.本产品可设定、上课铃声(基本铃声)、下课铃声、预备铃声6.设定一至五十次打铃控制按周或天循环并随时可以控制打铃7.大屏幕LCD显示8.键盘设定,大功率输出9.除学校适用外、也特别适用于工厂等部门作息全自动打铃二、调试顺序1.打开钥匙液晶显示屏出现5:00,按住“时钟键”不放同时分别再按“校星期键”、“校时键”和“校时键”输入标准时间。
2.按“定时键”出现星期(七天全显示)表示每天工作。
如在一周内有几天作息时,再按“星期键”星期顺次跳动、在不需打铃那天跳动时、再按“取消键”,这天即不打铃,剩下的星期即循环打铃3.再按“定时键”分别按“校时键”和“校分键”设定第一次打铃时间,(再按“铃声转换键”分别上课铃、下课铃,预备铃状态)。
4.再按“定时键”同以上第3点方法设定第二次至五十次打铃时间和铃声状态5.如不需五十六次打铃定时按“时钟键:,返回标准时间6.如设定错误或取消设定按“取消键”,再按一次恢复原来的设定7.无设定时显示(--:--)8.检查:按“定时键”检查所设定的时间是否正确9.修改:请在该设定处按“取消键”,然后重新设定该次打铃时间10.结束检查:按“时钟键”结束检查及设定,显示标准时间11.手动控制:按“手动键”即可实再随意的打铃(基本铃声)12.铃声转换:在设定定时状态按“铃声转换键”分别上课铃、下课铃、预备铃13.锁定键盘:控制器调试完毕后,按“时钟键”不放同时再按“取消键”在显示器中下部出现三角形锁定符号放手,此除“手动键”可临时打铃外、其余一切按键不起作用(开锁时重复上述操作,锁定符号消失)。
14.连接方法:接上电铃、插上电源、面板上红灯亮表示控制器与电源接通,打开电源开关(ON方向),按一下“手动键“红绿灯亮同时电铃接通。
KG20L系列微电脑自动打铃仪,适用于交流50Hz(或60Hz),额定控制电源电压至220V的自动控制电路中,广泛应用于学校及企事业单位的自动打铃控制。
产品符合:GB/T 14048.5标准。
□ 周围空气温度:-25℃+60;□ 海拔高度:不超过2000m;□ 湿度:安装地点的空气相对湿度在最高温度为+50℃时不超过50%;在较低的温度下可允 许有较高的相对湿度,由于温度变化发生在产品上的凝露应采取特殊的措施;□ 污染等级: 3;□ 在无爆炸危险的介质中,且介质中无足以腐蚀金属和破坏绝缘的气体及严重存在导电尘埃 的地方;□ 在有防雨雪设备及没有充满水蒸气的地方;□ 在无显著摇动、冲击和振动的地方;□ 电源电压变化范围:85%~110%额定电压;□ 安装类别:Ⅱ;□ 防护等级:IP20。
~℃正常工作条件和安装条件主要技术数据产品概述选型指南120表1功能简介本产品的面板设有“校时”、“校分”、“校星期”按键,可相应调节小时(h )、分钟(min )星期(week);有电源指示,工作指示,可手动或自动控制时控开关。
定时设置□ 本产品所有设置只有在取消键盘锁定功能后才能进行。
按“取消/恢复”键四次可取消键盘锁定功能,使“ ”消隐。
□ 先检查时钟显示是否与当前时间一致。
如需重新校准,分别按“校时”“校分”“校星期”键,将时钟调到当前准确时间。
□ 按一下“定时”键,显示屏左下方出现“01 On ”字样(表示第一组打铃时间)。
初始状态下打铃时间显示为“= : = =”图样 。
按一下“取消/恢复”键,打铃时间显示为“0:00”图样。
然后按“校星期”键,选择工作模式(见表2),按“校时”键和“校分”键, 输入第一组所需开启的时间。
□ 如果此次打铃时间需执行双铃程序(即在指定时间间隔之后自动进行第二次打铃),则调好时间后再按一下“双铃”(自动/手动)键, 显示屏右上方出现双铃符号即可。
□ 继续按动“定时”键,显示屏左下方将依次显示“02 ON 、03 ON ……19 ON 、20 On ”字样,参考步骤3、4设置以后各次打 铃时间。
本文部分内容来自网络整理,本司不为其真实性负责,如有异议或侵权请及时联系,本司将立即删除!== 本文为word格式,下载后可方便编辑和修改! ==电铃控制器说明书篇一:电铃使用说明书1、概述目前在皮带运输巷和提升运输巷使用的信号装置大致有两类,一类是传统的隔爆型电磁式电铃;另一类是组合式声光信号电铃,其中有一些具有单工对讲功能。
后者在技术和功能上都有了较大发展,但要实现多水平信号区分、二级传送、安全灯自动转换等功能仍需要增设大量电缆及隔爆型三通、四通等,投资大、故障率高。
针对目前这种状况,我们研制生产了KXT23型数显通信声光信号装置。
该产品结构上为隔爆兼本安型设计,采用单片微控制器及调制解调技术,仅需一条四芯信号电缆,即能实现发出声、光信号、单工对讲、自动区分多水平、二级传送、红绿灯转换等功能。
技术领先、设计合理、一机多用。
可应用于皮带机巷和轨道运输巷,是目前声光信号装置中理想的更新换代产品。
2、主要技术参数3、主要功能3.1、发出声光信号、数显打点数功能在等机状态下,按下信号装置的“信号按钮”,联线上的各装置,均发出声光信号,并数字显示打点数(二级传送除外)。
3.2、自动实现二级传送功能将车房内的信号装置,设置为二级传送状态(将DTP2开关中“1”拨到数字侧,“2”拨到ON侧),井口发出打点信号时,车房及其它水平相应发出声光信号,并显示打点数;当其它水平打点时,车房内的信号装置,只有灯光及数字显示,而不发出打点声,也无127V电压输出,无须使用双联按钮,自动实现二级传送。
3.3、对讲呼叫功能在待机状态下,可实现单工对讲及呼叫功能。
按下信号装置对讲按钮,联线的所有信号装置均能听到讲话及呼叫,松开对讲按钮,信号装置均处于接收状态。
注:在绞车运行时,应禁止对讲呼叫,以免影响司机操作。
3.4、多水平数显功能将每台信号装置设置一个编码(如井口为“1”,一水平为“2”,车房不设置等),按下信号装置“信号按钮”后,其它所有联机装置都数显打点位置的编码,同时根据编码的不同而发出不同的音调,无须增加任何电缆及设备,自动实现多水平的信号区分。
鸿联打铃器说明书一、键盘锁功能在时钟显示状态下,长按[取消/恢复]键2秒钟以上,会解除或启动键盘锁。
上锁后LCD屏左下角会显示“”符号:解锁后“”符号消失。
二、设置时钟及星期●在时钟显示状态下,按住[时钟]键不放,同时按[星期]键或[时]或[分]键,可调校星期、小时、分钟。
●系统时钟采用24小时计时制。
三、单双编程模式转换●打铃器可以实现单、双编程功能的自由切换。
●系统初次上电时默认为单编程打铃模式,此时屏幕内没有“冬季”或“夏季”符号显示(表示系统处于单编程设定状态),每天最多可设定80次打铃。
●在时钟界面下,长按“单/双”键3秒钟,屏幕内会有“冬季”或“夏季”符号显示,表示系统进入双编程设定模式,有两套作息时间可预设,每套可实现每天40次打铃设定,此模式下长按“分种”键3秒,可实现“夏季”与“冬季”状态转换。
长按“单/双”键3秒钟,又可返回单编程设定状态。
●“夏季”符号显示时,执行已设定的夏季打铃程序;“冬季”符号显示时,执行已设定的冬季打铃程序。
四、设置定时打铃程序●在“时钟”界面下,按[程序]键,可进入打铃程序设定界面,连续按[程序]键,可依次出现:“开一一: 一一1”→“开一一:一一2”→.. E:10A,会有80次打铃时间设置状态(双编程时为40次打铃设置状态;DL一45型有45次打铃设置状态)。
以上每次打铃时间设置状态中,都须分别按[星期] [时][分]键,准确设置星期(选择每周需要打铃的天数)及时、分(每次打铃的准确时间)。
其中星期的设定有15种组合可选择:一二三四五六日→一→二→≥→四→五→六→日→一三五→二四六→六日→一二三→四五六→一二三四五→一二三四五六....依次循环出现。
●最后出现“E:10",是代表铃声时间长短(系统默认响铃时间为10秒),此时按[时]、[分]键可在1~99秒范围之间调整设定铃声长短;●按[取消/恢复]键时,会将当次打铃时间设置取消(显示“一一: 一一”方能表示取消)或恢复出来;●在非“时钟显示”状态下,按[时钟]键,回到“时钟显示”状态;若30秒未按任何键,系统会自动回到“时钟显示”状态:●在“时钟显示”状态下,按[自动/手动]键,可进行“开/自动/关”各状态的自由切换:开于自动干。
K G T微电脑时控开关说明书上海华琪Hessen was revised in January 2021KG316T 微电脑时控开关说明书上海华琪操作说明显示屏左下角有个“a”符号,表示此时键盘处于锁定状态,时控开关不接受键盘上的一般性操作。
连按四下“取消/恢复”键,a符号消失,此时键盘处于开锁状态,可接受操作指令。
(注意,键盘30秒内无操作,时空开关将自动恢复锁定状态。
)1,在开锁状态下,按“校时”,“校星期”键,调整时钟至当前时间。
2,定时设置序号按键设定内容1 按“定时”键进入定时开设定(显示1on,表示第一次开的时间)2 按“校时”“校分”键设定开的时间3 按“校星期”键设定此次开的时间在一星期的某几天工作,及工作模式选择4 按“定时”键进入定时关设定(显示1off,表示第一次关的时间)5 按“校时”“校分”键设定关的时间6 按“校星期”键设定此次关的时间在一星期的某几天工作,一般情况要与开的时间对应7 重复1-6 设定其余2on、2off……8on、8off的开关时间(若不需要定时,则使其显示“––:––)8 按“时钟”键结束定时设定,回到时钟运行状态。
9 按“手动/自动”使开关标志“▼”指向开关当前控制状态(开或关)再调到自动状态。
★如设定错误或取消定时,则按“取消/恢复”键,使其显示““––:––”(表示没有定时程序,非“00:00”,再按一次则恢复原来设定。
★工作模式:每日相同,每日不同,一三五,二四六日,一二三,四五六,一二三四五,一二三四五六。
★设定了开的时间,就一定要有关的时间与其相对应。
3、检查:按定时键,检查所设定的时间是否正确。
4、修改:发现定时设定错误,先按定时键调至该次定时时间,按“取消/恢复”键消除,再按“校时”“校分”“校星期”键重新设定。
5、结束检查:按时钟健,结束定时设置,回到时钟运行状态。