初步设计电气说明
- 格式:doc
- 大小:30.50 KB
- 文档页数:8
11 供配电11.1 概述11.1.1 设计依据及设计采用的标准、规范本工程设计将以最新版本的国家标准及相关的行业标准作为工程设计的基础,主要采用的标准如下:-GB 50060-2008 3~110kV高压配电装置设计规范-GB50059-92 35~110kV变电所设计规范-GB/T 50062-2008 电力装置的继电保护和自动装置设计规范-GB 50053-94 10kV及以下变电所设计规范-GB 50052-95 供配电系统设计规范-GB 50054-95 低压配电设计规范-GB50055-93 通用用电设备配电设计规范-GB50056-93 电热设备电力装置设计规范-GB 50057-94 建筑物防雷设计规范(2000版)-GB 50058-92 爆炸和火灾危险环境电力装置设计规范-GB 50217-2007 电力工程电缆设计规范-GB50034-2004 建筑照明设计标准-GBJ65-83 工业与民用电力装置的接地设计规范-HGJ5-86 烧碱节能设计技术规定-SH3038-2000 石油化工企业生产装置电力设计技术规范-SH3097-2000 石油化工静电接地设计规范-SH/T3116-2000 炼油厂用电负荷设计计算方法11.1.2 设计范围和分工本工程设计包括24万吨/年离子膜烧碱装置、30万吨/年PVC装置以及配套工程及辅助工程—35kV整流开关所、整流所、10kV开关所、车间变配电所、照明和防雷、防静电接地及界区供电外线的设计。
11.1.3 电源状况本装置隶属德州实华化工有限公司,其供电依托于公司拟建的供电系统。
为配合项目的建设,实华公司拟建设110kV总降压变电站一座,该变电站位于实华公司新建的热电站内。
总变电站内设110/38.5/10.5kV三线圈变压器2台,并预留第三台主变的位置。
主变额定容量50000kVA,三侧容量比为100%/100%/100%。
变电站110kV,35kV及10kV 系统均采用单母线分段接线方式。
电气初步设计说明【工程概况】门诊及妇幼保健所共十二层,裙房四层,总高49.2米,地上为医院的诊疗办公室及病房,地下为六级人防,平时为汽车库,战时为二等人员掩蔽所,地下层高5.2米,底层层高为4.5米。
老年疾病护理院共六层,总高度21.9米,地上为老年护理及活动用房,地下一部分为设备用房,另一部分为非机动车车库,战时为二等人员掩蔽所,地下层高5.3米。
底层层高为3.9米社区服务中心共六层,总高度为23.6米,地上为办公用房,地下层为6B级人防,平时为自行车车库,战时为二等人员掩蔽所,地下层高为3米,底层层高为4米。
急控中心共五层,总高度为21.3米,地上为办公用房,地下层为五级人防,平时为自行车车库,战时为急救医院,地下层高为5.2 米,底层层高为4.2米。
一.设计依据1.《高层民用建筑设计防火规范》GB50045-95(2001年)2.《建筑设计防火规范》GBJ-16-87(2001年)3.《火灾自动报警系统设计规范》GB50016-984.《建筑物的防雷设计规范》GB50057-94(2000年)5.《10KV及以下变电所设计规范》GB50053-946.《供电系统设计规范》GB50052-957.《低压配电设计规范》GB50054-958.《汽车库、修理库、停车场设计防火规范》GB50067-979.《民用建筑电气设计规范》JGJ/T16-9210.《人民防空地下室设计规范》GB50038-94(2003年版)11.《人民防空工程设计防火规范》GB50098-98(2001年版)12.《医院洁净手术部建筑技术规范》GB503333-200213.《江苏省城市6B级人民防空工程设计标准》DGJ32/J02-200414.业主的条件及要求15.各专业间的设计资料二.设计内容1.10Kv配电系统设计 2.10/04KV的变电所设计。
3.供配电系统设计。
4. 建筑物的防雷接地保护5.低压配电及照明设计。
第五篇电气设计篇(一)设计依据1、《民用建筑电气设计规范》JGJ16-20082、《建筑照明设计标准》GB50034-20133、《托儿所、幼儿园建筑设计规范》JGJ 39—20164、《20KV及以下变电所设计规范》GB50053-20135、《低压配电设计规范》GB50054-20116、《供配电系统设计规范》GB50054-20097、《建筑物防雷设计规范》GB50057-20108、《建筑设计防火规范》GB50016-20149、《火灾自动报警系统设计规范》GB50116-201310、其它专业提供的委托资料。
11、上级部门批准的文件及甲方设计任务书。
(二)工程概况及设计范围一、工程概况:本工程为------------------------。
班级数:6个班,学生人数180人,教职工人数50人计容建筑面积:3115㎡不计容建筑面积:295㎡建筑层数:3层局部2层;地上为幼儿园用房及辅助用房。
地下室为设备用房。
二、设计范围1、供配电设计:包括室外箱式变电站。
2、动力配电:包括电梯、空调、水泵(公用)等配电及控制。
3、电气照明:包括一般室内照明、室外照明、应急照明。
4、防雷接地及安全保护设计。
5、火灾自动报警系统。
(三)供电设计1、负荷等级根据建筑设计防火规范室外消防用水量确定本工程应急照明、消防水泵、消控室、发电机房等消防设备用电为二级负荷,其它用电负荷为三级负荷。
从市政供电网引入一路10KV电源至本工程室外箱式变电站,引入电缆选用YJV22-10KV交联电力电缆2、负荷计算3、供电电源和电压本工程拟采用一路10KV高压进线,由市政供电网引入一路10KV电源至本工程室外箱式变电站,室外箱变设在园区西南角,距离建筑物不小于3米,距离道路不小于 1.5米,四周维护空间不小于1.5米。
箱变容量暂定为400KVA。
单体供电电压为380/220伏,由变压器降压后从箱变低压配电室引出。
4、供电系统:消防用电设备等二级负荷均由两路低压电源同时供电,末端设双电源自动切换箱。
学校电气方案设计说明
一、项目概述
本工程为XXX中学校电气工程,总建筑面积为8000m2,由教学楼、体育馆、宿舍和后勤楼四部分组成。
二、系统分析
1.供电系统
本工程采用三相四线制,电压为220V,变压器容量为160KVA,额定电流为400A。
对电源线采用720mm2平衡线,采用灰色管道,对中低压回路采用四芯控制电缆,对高压照明采用石棉电缆,所有配电箱采用空气开关,具有过载、短路和漏电保护功能,安装方便,使用安全可靠。
2.照明系统
本工程采用LED灯照明系统,控制系统采用智能控制方式,根据环境光照强度自动调整光强,节能效果显著,预计照明用电降低约30%;智能控制系统可以设置多种控制方式,可以根据实际需要进行灯光调节。
3.电力配电系统
本工程采用空开柜配电系统,所有电缆均采用符合国家标准的高品质电缆,接线端子采用低温型接线端子,有效保证电缆的质量安全,电缆接头采用拧紧接头的方式,有效防止漏电,所有空开柜以及终端电器均采用世界著名品牌,绝缘等级高、耐压强、安全可靠。
4.动力系统
本工程采用电机控制的动力系统,电动机采用变频技术,采用智能控制技术。
电气节能专篇一、工程概况:所在城市建筑类别建筑功能建筑面积(m2)建筑层数建筑高度(m)结构形式有无太阳能热水系统姜堰一类高层公共建筑办公 4.2万19 98.25框架、剪力墙有节能建筑类型:甲类公共建筑建筑设备管理系统与建筑能效综合管理平台设置与否:需设置。
二、设计依据:1 《建筑照明设计标准》GB 50034—20042 《民用建筑太阳能热水系统应用技术规范》GB 50364—2005(第5.6节)3 《江苏省民用建筑工程施工图设计文件(节能专篇)编制深度规定》(2009年版)4 《35kV及以下客户端变电所建设标准》JGJ32/J 14—2007(第6.2节)5 《民用建筑电气设计规范》JGJ 16--20086 《江苏省公共建筑节能设计标准》DGJ32/J 96-20107 国家、省、市现行的其他建筑节能相关的法律、法规三、供配电:序号名称单位数量备注1总设备容量(Pe) kW277212 总计算容量(Pjs)kW 175173平均需要系数(Kx)Kx 0.63 4 功率因数(COSΦ)补偿前功率因数(COSΦ1) cosφ1 0.84补偿后功率因数(COSΦ2) cosφ2 0.955 变压器总容量kVA 3200 SCB10 ,Dyn11,并采用强迫通风装置6 变压器平均负荷率(β) 0.697 本工程采用两路10kV电源供电,同时供电,互为备用。
8变电所低压侧设补偿电容器柜进行集中补偿,电容器组采用自动循环投切方式。
9共设置2台变压器,变压器总容量=3200kVA2*1600变配电所深入负荷中心,公建低压配电距离小于200米。
四、照明节能设计要求及措施:房间或场所照明方式LPD值(W/m2)照度(lx)照明光源(功率、光通量、色温、Ra)统一眩光值(UGR)中庭一般照明- 400 二次装修确定-门厅一般照明- 200 二次装修确定-走道一般照明- 100 节能灯,Ra>80 -办公室一般照明9 300 细管荧光灯,Ra>80 19泵房一般照明 4 100 28、2600、2700、85 -变配电所一般照明7 200 28、2600、2700、85 -弱电系统机房一般照明9 300 28、2600、2700、85 -电梯机房一般照明- 200 28、2600、2700、85 -停车库一般照明- 75 28、2600、2700、85 -其它详见国家标准(1).光源的选择及电子镇流器的选择:高效光源,即直管荧光灯采用T5系列或光效大于90lm/w的T8系列,环形荧光灯采用TLD系列,配电子镇流器;光源显色指数Ra>80,色温在2700K~3500K之间。
110KV变电站电气一次部分初步设计说明书第一部分设计说明书第1章原始资料该课题来源于工程实际,建设此变电站是为了满足该地区输变电的需要。
本次设计的变电站高压侧从相距 6.5km 的 PX110kV变电站受电,经过降压后分别以35kV、10kV 两个电压等级输出。
它在系统中起着重要的作用,它是变换电压、汇集和分配电能的电网环节,可以降低输电时电线上的损耗,主要的作用是将高压电降为低压电,经过降压后的电才可接入用户。
1.1 建站规模(1)、变电站类型:待建电站属于110kV 变电工程。
(2)、主变台数及容量:待建DK110kV 变电站主变台数及容量为:本期2×31.5MVA,远景规划: 2× 31.5MVA。
(3)、主变台数及容量:待建DK110kV 变电站主变台数及容量为:本期2×31.5MVA,远景规划: 2× 31.5MVA。
(4)、进出线:待建DK110kV变电站从相距6.5km 的 PX110kV变电站受电,线径 LGJ-240;变电站进出线 ( 全部为架空线 ) ,110kV共 2 回;35kV 共 4 回;10KV 共16回。
(5)负荷情况:待建 DK110kV变电站年负荷增长率为 5%,变电站总负荷考虑五年发展规划。
(6)无功补偿:待建DK110kV变电站无功补偿装置采用电力电容两组,容量为 2×3000kvar 。
(7)建站规模:待建DK110kV变电站所占地面积可采用半高型布置。
1.2 、短路阻抗系统作无穷大电源考虑,归算到本站110kV 侧母线上的阻抗标幺值X1= X 20.06 , X 00.154 (取 S B100 MVA, E S 1.0 )。
1.3 、地区环境条件待建 DK110kV变电站所在地区年最高气温35℃,年最低气温- 15℃,年平均气温 15℃。
第 2 章电气主接线设计电力系统是由发电厂、变电站、线路和用户组成。
220KV变电站电气一次部分初步设计说明书第一章电气主接线设计1.1主接线设计要求电气主接线又称为电气一次接线,它是将电气设备以规定的图形和文字符号,按电能生产、传输、分配顺序及相关要求绘制的单相接线图。
主接线代表了变电站高电压、大电流的电器部分主体结构,是电力系统网络结构的重要组成部分。
它直接影响电力生产运行的可靠性、灵活性,同时对电气设备选择、配电装置布置、继电保护、自动装置和控制方式等诸多方面都有决定性的关系。
因此,主接线设计必须经过技术与经济的充分论证比较,综合考虑各个方面的影响因素,最终得到实际工程确认的最终方案。
电气主接线设计的基本要求,概况地说应包括可靠性、灵活性和经济性三方面。
1.可靠性安全可靠是电力生产的首要任务,保证供电可靠是电气主接线最基本的要求,而且也是电力生产和分配的首要要求。
主接线可靠性的基本要求通常包括以下几个方面。
(1)断路器检修时,不宜影响对系统供电。
(2)线路、断路器或母线故障时,以及母线或母线隔离开关检修时,尽量减少停运出线回路数和停电时间,并能保证对全部I类及全部或大部分II 类用户的供电。
(3)尽量避免变电站全部停电的可能性。
(4)大型机组突然停运时,不应危及电力系统稳定运行。
2.灵活性电气主接线应能适应各种运行状态,并能灵活地进行运行方式的转换。
灵活性包括以下几个方面。
(1)操作的方便性。
电气主接线应该在服从可靠性的基本要求条件下,接线简单,操作方便,尽可能地使操作步骤少,以便于运行人员掌握,不至在操作过程中出差错。
(2)调度的方便性。
可以灵活地操作,投入或切除某些变压器及线路,调配电源和负荷能够满足系统在事故运行方式,检修方式以及特殊运行方式下的调度要求。
(3)扩建的方便性。
可以容易地从初期过渡到其最终接线,使在扩建过渡时,无论在一次和二次设备装置等所需的改造为最小。
3.经济性主接线在满足可靠性、灵活性要求的前提下做到经济合理。
(1)投资省。
主接线应简单清晰,并要适当采用限制短路电流的措施,以节省开关电器数量、选用价廉的电器或轻型电器,以便降低投资。
第一篇设计说明书1 原始资料分析1.1 建站目的为了利用某地区水力资源和满足周围用电需要,拟建一个小水电站,向周围地区供电,并将电能输送到离本站8kM的变电所(该所有35kV、110kV两种电压等级)与系统相联。
1.2 拟建水电站情况发电机:额定电压:6.3kV,额定容量4*1.5万kW,额定功率因素0.8,电抗X=0.38,X'=0.35,X"=0.32。
丰水年每台机组满载运行90天,2台机组满载运行140天,1台机组满载运行30天,其余100天不发电。
系统:水电站通过两回35kV线路与系统相联,系统容量20000MV A,Xs=0.35。
自然条件:年最高气温45º;年最低气温-6º;年平均气温20º。
出线方向:35kV向西1.3 负荷资料35kV回路6回,其中备用1回。
其中表1.1为35kV负荷出线概况。
表1.1 35kV负荷出线表名称最大负荷(MW)最大负荷功率因素最小负荷(MW)最小负荷功率因素回路数线路长度(kM)氮肥厂 6 0.89 4 0.93 1 3 炼油厂 5 0.89 3 0.93 1 3 化工厂7 0.89 3 0.93 1 2 变电所 2 8站用电率小于5%。
其中0.4kV负荷如表1.2。
表1.2 0.4kV负荷出线表名称单台最大容量(kW) 数量运行方式电动机10 66台连续经常充电电机25 2台连续不经常载波室 2 1 连续经常生活用电200 2个生活区经常其他100其余站用负荷为6.3kV,其中2回线至4kM外的大坝(最大容量1000kW,功率因素0.8),2回线至外船闸(最大容量1200kW),1回线备用。
1.4 设计任务本次设计的主要任务是针对原始资料设计一个小水电站,对其一次和二次部分进行电气设计。
一次部分包括:选择供电可靠性高,维修方便,最经济的主接线,并对其高压设备经行选择和校验;二次部分为对其发电机、变压器、母线和出线进行继电保护设计。
电气设计说明一.设计依据1.建筑概况:本工程位于XXXX。
总建筑面积约xxxx㎡。
地下x层,主要为xxxx,地上xx层。
本工程属于xxx建筑。
建筑主体高度xxxm,裙房高度xxxm。
结构形式为xxxxxx结构,基础形式为xxx结构。
人防工程为x级,平战结合;防火等级:xx级;2.相关专业提供给的工程设计资料;3.各市政主管部门对初步设计的审批意见;4.甲方提供的设计任务书及设计要求;5.中华人民共和国现行主要标准及法规:--《供配电系统设计规范》 GB50052-2009;--《民用建筑电气设计规范》 JGJ/T16-2008;--《10KV及以下变电所设计规范》 GB50053-94;--《低压配电设计规范》 GB50054-2011;--《建筑物防雷设计规范》 GB50057-2010;--《建筑设计防火规范》GB 50016—2006;--《高层民用建筑没计防火规范》GB 50045—95(2005年版);--《建筑照明设计标准》 GB50034-2004;--《人民防空工程设计防火规范》GB 50098-2009;6.国家、地方现行标准、规范。
二.设计范围1.本工程设计包括红线内的以下电气系统:1)10/0.4kV变配电系统;2)电力配电系统;3)照明及应急照明系统;4)建筑物防雷、接地系统及安全措施;2.与其它专业设计的分工:1)室外照明系统,航空障碍灯:由专业厂家设计,本设计仅预留电源;2)工艺用电设备供电系统,本设计仅预留电源容量;3)有特殊设备的场所(例如:综合布线机房、网络交换机房、消防控制室等),本设计仅预留配电箱并注明用电量,预留部分出线回路,其具体的出线回路由二次设计决定;4)有特殊装修要求的场所,由室内装修设计负责进行照明平面的设计。
本设计将电源引至配电箱,预留装修照明容量。
本工程主要为以下场所:办公建筑的接待、餐厅和大堂。
5)电源分界点:由城市电网引入本工程变配电室的两路10kV 电源线路。
电气系统1、设计依据1.1 工程概况本工程位于,建筑面积,地下两层,地下二层汽车库,地下一层超市;地上三十三层,一直四层为商场,五至三十一层为住宅,三十二至三十三层位电梯机房及水箱间。
建筑耐火等级为级。
结构类型为框架剪力墙结构,建筑高度。
人防工程为核六级,平战结合。
1.2 相关专业提供的工程设计资料。
1.3 建设单位提供的有关部门认定的工程设计资料、设计任务书及设计要求。
1.4 设计执行的主要法规和采用的主要标准:《高层民工建筑防火规范》GB50045-95(2005年版)《供配电系统设计规范》GB50052-2009《10kV及以下变电所设计规范》GB50053-94《低压配电设计规范》GB50054-95《建筑物防雷设计规范》GB50057-94(2000年版)《汽车库、修车库、停车场防火设计规范》GB50067-97《建筑物电子信息系统防雷技术规范》GB50343-2004《民用建筑电气设计规范》JGJ16-2008其他有关现行国家标准、行业标准及地方标准上一阶段设计文件的批复文件。
1.52 设计范围2.1 本设计包括建设红线内的以下内容:10/0.4kV变、配电系统电力系统照明系统防雷保护、安全措施及接地系统2.2 设计分工与设计界面电源分界点为地下二层高压配电室电源进线柜进线开关的进线端。
高压电缆分界小室属城市供电部门设计,高压电缆分界小室内设备有供电局负责选型。
3 10/0.4kV变、配电系统3.1 负荷等级及各类负荷容量3.1.1 负荷等级火灾报警系统、安防监控系统用电,火灾应急照明系统用电,客梯及消防电梯用电,排污泵及生活水泵用电,加压送风机、排烟风机、消防水泵等用电为本工程一级电力负荷。
商场普通照明用电,普通风机水泵用电,住宅用电等为三级电力负荷。
3.1.2 各类负荷容量如下1)负荷统计:对通风空调机组、通(排)风机、水泵、电梯等用电设备按其设备安装容量进行统计,对照明等设备用电负荷按单位容量法进行统计。
幼儿园初步设计电气说明第五篇电气设计篇(一)设计依据1、《民用建筑电气设计规范》jgj16-20212.《建筑照明设计标准》gb50034-20223、《托儿所、幼儿园建筑设计规范》jgj39―20214、《20kv及以下变电所设计规范》gb50053-20215、《低压配电设计规范》gb50054-20216、《供配电系统设计规范》gb50054-20217、《建筑物防雷设计规范》gb50057-20218、《建筑设计防火规范》gb50016-20219、《火灾自动报警系统设计规范》gb50116-202110、其它专业提供的委托资料。
11.上级部门批准的文件和甲方的设计任务。
(2)项目概述和设计范围一、工程概况:本工程为------------------------。
个班,学生人数180人,教职工人数50人计容建筑面积:3115o不计容建筑面积:295o建筑层数:3层局部2层;课程数量:6地上为幼儿园用房及辅助用房。
地下室为设备用房。
二、设计范围1.供配电设计:含室外箱式变电站。
2、动力配电:包括电梯、空调、水泵(公用)等配电及控制。
3、电气照明:包括一般室内照明、室外照明、应急照明。
4、防雷接地及安全保护设计。
5、火灾自动报警系统。
(三)供电设计1.负载水平根据建筑设计防火规范室外消防用水量确定本工程应急照明、消防水泵、消控室、发电机房等消防设备用电为二级负荷,其它用电负荷为三级负荷。
从市政供电网引入一路10kv电源至本工程室外箱式变电站,引入电缆选用yjv22-10kv交联电力电缆2.荷载计算工程名称乐清市浦岐镇幼儿园计算负荷备注序号用电设备设备容需要系功率因无功功视在功量(kw)数(kx)数cosφ有功功率率率(kw)(kvar)(kva)1已建建筑162.00.700.80113.485.12新建普通用电100.00.700.8070.052.53消控室7.51.000.807.55.64应急照明总箱10.01.000.80107.55门卫及室外照明15.00.600.809.06.86电动汽车充电21.00.800.8016.812.6共计315.50.80226.7170.0283.41将同步系数乘以0.90.80204.0153.0255.0。
火力发电厂初步设计文件内容深度规定电气部分1.总体电气设计方案:初步设计应包括电力系统的总体布置方案、电源供应与配电系统、电气设备的选择与布局等内容。
总体布置方案应合理布置主变电所、发电机组、辅助动力设备、电源配电装置等电力设备的位置和接线方式,并满足电力系统安全、稳定运行的要求。
2.发电机组的选择与布局:根据发电机组的容量需求和布置要求,选择适当的发电机组。
布局方案应考虑到机组之间的空间要求、维护检修通道、散热系统等因素,并确保机组的稳定运行和安全工作。
3.输电与配电系统设计:初步设计文件应包括主接线图、变电站布置图、配电装置布置图等。
主接线图应包括主变电所、发电机组、变电站之间的供电方式与接线方式。
变电站布置图应详细描述设备的布局和接线方式。
配电装置布置图应包括配电装置的布置、联络与控制装置等。
4.保护与控制系统设计:初步设计文件应描述火力发电厂的保护与控制系统,包括主保护方案、备用保护装置、自动控制装置等。
保护方案应满足火力发电厂的安全要求,并能及时地对异常情况进行保护。
控制装置应实现对发电机组、输电与配电网络的自动控制与监测。
5.接地系统设计:初步设计文件应规定火力发电厂的接地系统设计,包括接地网的布置方案、接地装置的选取与布局等。
接地系统的设计应满足电力系统的安全运行要求,保障工作人员和设备的安全。
6.照明系统设计:初步设计文件应描述火力发电厂的照明系统设计,包括主大厅、机组厂房、变电站、辅助设施等照明设备的选择与布局。
照明系统应满足火力发电厂的照明亮度要求,确保人员的安全使用。
7.控制与监测系统设计:初步设计文件应规定火力发电厂的控制与监测系统设计,包括火力发电厂的数据采集、数据传输、数据处理等系统。
控制与监测系统应确保火力发电厂的安全运行,并能提供准确的数据支持。
以上是针对火力发电厂初步设计文件电气部分的内容规定,为确保电力系统的安全、稳定运行提供了详细的设计指导。
通过合理的电气设计,可以确保火力发电厂的正常运行,提高发电效率,降低故障率,为社会提供稳定的电力供应。
第十章电气设计说明一、设计依据:1、建筑专业提供的作业图;2、甲方提供的设计任务书及设计要求;3、建筑、给排水、暖通空调专业提供的设备用电需求及控制要求;4、国家现行的有关规范、标准、行业及地方的标准、规定;《供配电系统设计规范》 GB 50052-2009《低压配电设计规范》 GB 50054-2011《20KV及以下变电所设计规范》GB50053-2013《建筑设计防火规范》 GB 50016-2014《建筑物防雷设计规范》 GB 50057-2010《建筑物电子信息系统防雷技术规范》GB 50343-2012《建筑照明设计标准》 GB50034-2013《民用建筑电气设计规范》JGJ 16-2008《智能建筑设计标准》 GB 50314-2015《综合布线系统工程设计规范》GB 50311-2016《火灾自动报警系统设计规范》GB50116-2013《青海省绿色建筑设计标准》DB63/T 1340-2015其它有关国家及地方的现行规程、规范及标准。
二、设计范围:本工程电气设计包括以下内容:低压电力配电系统;照明系统;防雷、接地及安全措施系统;有线电视系统;通信网络系统、综合布线系统;三、配电系统1.供电电源:根据设计资料收集情况,本工程所在园区现有科技馆新建箱变630KVA,供科技馆及本楼配电。
科技馆电气容量为307KW,本工程用电为90KW,变压器总容量为397KW,变压器负载率为74%。
2.功率因数补偿:在箱变低压侧设功率因数集中自动补偿装置,电容器组采用自动循环投切方式,要求补偿后的功率因数不小于0.9。
3.谐波治理:由于谐波分布的多边性和谐波工程计算的复杂性,要求箱变预留滤波设备平面安装位置,待系统运行后对谐波进行实测和分析,根据实际情况采取相应有效的谐波治理措施。
变频等设备谐波含量超出标准者,就地设谐波吸收装置。
4.计量:本工程在配电室内设置总计量,一层分计量。
四、负荷分级1.负荷等级:本工程按三级负荷供电。
电气设计初步设计汇报一、项目概述本次电气设计初步汇报旨在介绍某项目的电气系统设计,包括供配电系统、照明系统、防雷接地系统、消防系统等方面的内容。
该项目的电气设计以满足建筑物的功能需求、安全可靠、节能环保为原则,力求为使用者提供舒适、安全、高效的电气环境。
二、供配电系统设计1.负荷等级划分2.根据建筑物使用功能和设备的重要性,我们将负荷划分为一级、二级和三级。
其中,一级负荷包括消防设备、应急照明等,二级负荷为普通照明、空调等,三级负荷为一般电力负荷。
3.供电电源及电压4.本项目采用双路供电,一路来自市电,另一路来自备用发电机。
市电电源为10kV高压电源,备用发电机组采用柴油发电机,功率为2000kW,可满足一级和二级负荷的供电需求。
5.变压器及配电所6.根据负荷分布情况,我们在建筑物内设置了一台1000kVA的变压器,采用干式变压器。
配电所位于建筑物负一层,设有高低压配电柜,对各级负荷进行供电。
三、照明系统设计1.照明标准及光源选择2.根据《建筑照明设计标准》,我们对不同场所的照度标准进行了规定,并选择了高效节能灯具作为主要光源。
同时,我们还采用了LED灯作为辅助光源,以提高照明质量和节能效果。
3.控制方式及分区4.照明控制系统采用智能照明控制系统,可以根据不同场所的需求进行分区控制。
同时,我们还设置了定时开关、光线感应等控制方式,实现照明节能。
四、防雷接地系统设计1.防雷等级划分及措施2.根据建筑物的重要性和使用性质,我们将防雷等级划分为一、二级。
在屋顶设置避雷带和避雷针作为直击雷防护措施;同时,采用接地极作为防雷接地措施,保证建筑物内设备和人员的安全。
3.接地系统设计4.我们采用联合接地方式,将建筑物内的各种接地系统(如防雷接地、工作接地、保护接地等)整合为一个统一的接地系统。
接地电阻值小于等于1欧姆。
五、消防系统设计1.火灾自动报警系统2.在建筑物内设置火灾自动报警系统,采用智能型感烟探测器和感温探测器进行火灾探测。
第六章电气强电一、工程概况本工程为调度中心,建筑面积12515m2,建筑总高度为47.2米。
半地下室为车库及设备用房,一层为大厅,二层为厨房及职工餐厅,三~十层均为办公及会议室等。
全楼采用空调系统。
二、设计依据1、中华人民共和国现行的有关设计规范:(1)《民用建筑电气设计规范》16-92(2)《供配电系统设计规范》50052-95(3)《建筑照明设计规范》50034-2004(4)《低压配电设计规范》50054-95(5)《通用用电设备配电设计规范》50055-93(6)《高层民用建筑设计防火规范》50045-95(2001年修订版)(7)《建筑物防雷设计规范》50057-94(2000年版)(10)《汽车库、修车库、停车场设计防火规范》50067-972、业主提供的原始设计条件及有关要求;3、本院建筑、给排水、暖通专业提供的用电与控制要求。
三、设计范围1、10高压供配电系统;2、380/220V低压配电系统;3、照明;4、防雷与接地系统。
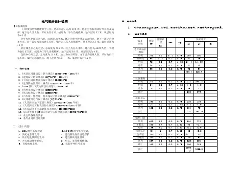
四、供配电系统1、主要电气参数安装容量1554.3计算容量813.0补偿前功率因数0.79补偿后功率因数0.95补偿容量420补偿后视在功率1012.52、负荷分级本工程属二类高层民用建筑。
电子计算机系统用电、保安监控、防盗系统、消防类水泵、电梯、防排烟风机、防火卷帘、消防控制设备用电和疏散应急照明等为二级负荷。
其他为三级负荷。
3、供配电系统及变电所由城市供电网提供相互独立的两路10电源,电缆穿保护管埋地引入本楼。
在地下一层设一座组合式变电所。
变电所高压柜采用负荷开关柜。
变电所内设两台630干式变压器,与高压进线接成线路-变压器组接线。
高供低计。
低压配电系统采用单母线分段接线方式,每组变压器的两个低压主断路器与母联断路器互锁自投。
三台断路器只能同时合上两台。
4、保护、电能计量与功率因数补偿10高压侧采用熔断器作为变压器保护。
低压配电系统设短路、过载和接地故障保护。
高压负荷开关采用就地手动操作。
在变压器低压侧设置总计量,动力出线设动力分计量。
在变电所低压侧集中设置功率因数补偿装置,补偿后的功率因数达到0.9以上。
5、设备选择10开关柜采用负荷开关柜;低压开关柜采用抽出式低压成套设备;变压器采用芳香聚酰胺绝缘缠绕型干式变压器。
以上设备无油,防火灾、无爆炸,体积小,互换性好,操作方便,符合现行规范要求。
6、低压配电系统及导线(1)普通用电设备均采用放射式配电方式,消防用电设备及其它二级负荷采用双路电源末级自动切换的配电方式。
(2)普通用电设备的配电线路采用0.6/1型交联聚乙烯绝缘电缆或450/750V型塑料绝缘电线,消防用电设备的配电线路采用0.6/1型耐火交联聚乙烯绝缘电缆或450/750V型耐火塑料绝缘电线。
(4)各层照明配电箱均放置在走道墙上或配电间内。
弱电机房的双电源切换箱设在各自机房内。
水泵配电箱及空调风机等的控制箱均就近设置。
五、照明设计1、照明种类及照度标准本工程设计正常照明、应急照明、值班照明、警示标志。
各工作场所的照明照度值按国家规范要求选定,主要场所的照度值如下:门厅 100办公室、会议室 200网络中心 250设备用机房 1002、建筑物四周及屋顶构架顶部装设低光强航空障碍标志灯。
2、灯具及光源本工程除楼梯间外的室内部分设置吊顶,照明设计力求做到与装修设计完美结合,灯具美观大方,光源采用高效节能灯或细管三基色荧光灯光源。
3、应急照明各公共场所及疏散通道设置疏散照明,疏散通道、楼梯间及出入口设置疏散指示标志灯。
变电所、配电间、消防控制室、消防泵房、电梯机房等设置备用照明,其照度按规范要求确定,平时作为正常照明的一部分。
疏散照明持续运行。
4、照明控制一般场所的灯光由现场配电箱及就地的墙壁开关控制。
应急照明由消防联动控制系统联动控制。
5、照明线路一般照明线路采用阻燃型铜芯导线。
应急照明线路采用耐火型铜芯导线。
所有导线均用金属管或金属线槽保护,在顶板、地坪、墙内暗敷设或在吊顶内明敷设。
六﹑防雷与接地系统1、本工程经计算得出年预计雷击次数0.115,属第二类防雷建筑物。
2、屋顶沿女儿墙设置避雷带作防雷接闪器并在屋面组成不大于10m×10m或12m×8m 的网格。
3、利用建筑物钢筋混凝土基础作接地体。
4、利用建筑物构造柱内的两根主钢筋作防雷引下线,引下线间距不大于18m,引下线与屋顶的避雷带及钢筋混凝土基础等焊连成可靠的电气通路。
5、电力系统接地、弱电系统接地、防雷接地等共用钢筋混凝土基础接地体,接地电阻不大于1欧姆。
6、本建筑做总等电位联结,总等电位联结端子箱设在变电所内,施工方法见《等电位联结安装》02D501-2页11~15。
7、在进户总箱,楼层配电箱及终端配电箱内设置电涌保护器。
8、电子信息系统的机房设等电位连接网络。
电气和电子设备的金属外壳、机柜、机架、金属管、槽、屏蔽线缆外层、信息设备防静电接地、安全保护接地、浪涌保护器()接地端等均应以最短的距离与等电位连接网络的接地端子连接。
9、安装低于1.8米以下的插座回路、环境特别恶劣或潮湿场所的电气设备采取漏电保护措施。
弱电一、设计依据1、中华人民共和国现行的有关设计规范:(1)《民用建筑电气设计规范》16-92(2)《建筑设计防火规范》16-87(2001年修订版)(3)《火灾自动报警系统设计规范》50116-98(4)《智能建筑设计规范》50314-2000(5)《建筑智能化系统工程设计标准》32/181-1998(6)《建筑与建筑群综合布线系统工程设计规范》50311-2000(7)《有线电视系统工程技术规范》50200-942、业主提供的原始设计条件及有关要求;3、本院建筑、给排水、暖通专业提供的用电与控制要求。
二、设计范围1、有线电视系统;2、综合布线系统;3、火灾自动报警系统4、公共广播系统5、保安监控系统三、有线电视系统本工程有线电视系统的信号来自城市有线电视网。
系统采用750邻频传输模式。
本建筑系统采用分配—分支形式,将电视信号送至各个终端输出单元。
主要由线路放大器、分配器、射频同轴电缆、分支器、用户盒等组成。
系统组成结构见系统图20。
终端输出口技术指标:输出电平:64±4载噪比():≥44交扰调制比():≥47载波互调比:≥58相邻频道输出电平差:≤2系统中所有元器件均选用高频接插件,并有良好的电气特性且能互相匹配。
系统供电采用~220V±10%,50电源。
共计有线电视系统终端总数为106个。
电视信号传输干线采用75-9同轴电缆,电视信号传输支线采用75-5同轴电缆。
所有线路均穿金属管保护,在弱电竖井内、吊顶内、墙内及楼板内敷设。
四、综合布线系统本工程设计的综合布线系统主要用于通讯自动化系统()和办公自动化系统()中的通信网络。
系统组成结构见图19。
网络中心设在一楼,主配线间设在网络中心。
各楼进户处设光纤配线架和电话总配线架,各楼层设楼层配线架。
主配线间与分配线间相连的干线子系统采用光缆(用于数据网)和五类大对数电缆(用于语音网)水平子系统采用六类非屏蔽双绞线,最大距离为90米。
工作区内的信息插座采用45插座,共计数据信息点248个,语音信息点250个。
所有线路均采用金属线槽或穿金属管保护,在弱电竖井内、吊顶内、墙内及楼板内敷设。
五、火灾自动报警系统按《火灾自动报警系统设计规范》50116-98,本工程为二级保护对象,设置集中式火灾自动报警系统,整个系统由火灾探测与报警系统,应急对讲,声光报警系统等组成。
在值班室设置火灾报警控制器,设置一台接线端子箱,和六台重复显示器。
主控制器及层显示器能接收各楼层的各种消防报警信号,故障报警信号,并能显示报警部位,同时通过消防中心能控制各层的各种消防设备,和进行火灾警报。
在地下车库和厨房内设感温探测器,其余场所均设感烟探测器,在公共场所按规范要求设置编码式手动报警开关,设备机房、电梯机房等处设消防对讲电话,所有手动报警按钮处设消防对讲电话插座。
火灾自动报警系统采用总线制布线方式,火灾报警及联动控制线路采用阻燃型导线。
对于特别重要的消防设备(如消火栓消防泵、喷淋水泵、电梯、防火卷帘、排烟风机、屋顶正压风机等)除有总线制自动联动控制外,还在消防中心设置了手动控制功能。
所有线路均采用金属线槽或穿金属管保护,在弱电竖井内、吊顶内、墙内及楼板内敷设。
在非燃烧结构内暗敷设的部分,其保护层的厚度应大于3,在其它部分敷设的线槽或保护管应采取防火措施。
消防应急广播和公共广播共享扬声器,扬声器的设置数量满足从本层任何部位到最近一个扬声器的步行距离不大于25m,功率不小于3W。
应急广播按照疏散楼层划分分路配线,各输出分路设有输出显示信号和保护控制装置。
发生火灾时,消防控制中心能首先将火灾疏散层的扬声器自动切换到火灾应急广播状态,播送紧急疏散通知,延时有序地将其它楼层的扬声器自动切换到火灾应急广播状态,播送紧急疏散通知。
系统组成结构详见火灾自动报警与消防联动控制系统图21。
六、公共广播本工程在各工作场合设置有线广播。
有线广播系统正常情况下主要用作播放背景音乐,火灾或其它紧急状况下播放紧急事故广播,紧急事故广播优先。
有线广播系统的主机设备设在消防控制中心。
本系统的音源为调频调幅接收机、卡座、镭射机、麦克风拾音器等。
公共场所扬声器的功率按照3W配置,工作场所的扬声器的设置除满足紧急事故广播要求外,还充分考虑声音场强的均匀性。
所有线路均采用穿金属管保护,在弱电竖井内、吊顶内、墙内及楼板内敷设。
七、保安监控系统根据本工程的使用特点、功能及保护风险等需要,运用计算机系统、通信手段、电视监控、报警系统等技术组成安全防范体系。
安全防范系统的监控中心设在一层值班室。
在主要出入口、大厅、主要通道、停车库、车道、电梯轿箱及其它有需要重点监视的场所设置闭路电视摄像机。
闭路电视监控系统采用微机控制,模块化设计以方便系统扩展。
监控中心内包含控制器、监视器、长时间录像机、字幕发生器、时间发生器等设备。
附带云台的摄像机其变焦镜头及云台的操作可在保安监控中心进行遥控。
本系统前端设备采用集中供电形式,电源采用24V,电源装置设在监控中心。
闭路电视监控系统视频信号线采用75-5同轴电缆,控制线采用4x1.0屏蔽导线,电源线采用3x1.5导线。
所有线路均采用金属线槽或穿金属管保护,在弱电竖井内、吊顶内、墙内及楼板内敷设。
系统组成详见保安监控系统图22。
六、其它按规范要求对各弱电系统的电子设备采取防雷措施。
弱电系统的接地采用和其它系统共用的联合接地体,接地电阻不大于1欧姆。
具体做法参见电气部分的说明。
建议甲方根据本次初步设计各系统的图纸要求进行招标,在施工图设计开始前确定产品供应商,方可在施工图设计阶段对各系统作进一步的深化设计。