世界各国起重机标准
- 格式:xls
- 大小:139.51 KB
- 文档页数:6
起重机的基本参数起重机的技术参数是表征起重机的作业能力,是设计起重机的基本依据,也是所有从事起重作业人员必须掌握的基本知识。
起重机的基本技术参数主要有:起重量、起升高度、跨度(属于桥式类型起重机)、幅度(属于臂架式起重机)、机构工作速度、生产率和工作级别等。
其中臂架式起重机的主要技术参数中还包括起重力矩等,对于轮胎、汽车、履带、铁路起重机其爬坡度和最小转弯(曲率)半径也是主要技术参数。
随着起重机技术的发展,工作级别已成为起重机一项重要的技术参数。
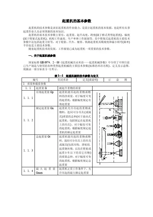
一、关于起重机械参数国家标准GB 6974.2—86《起重机械名词术语——起重机械参数》中介绍了中国目前已生产制造与使用的各种类型起重机械的主要技术参数(标准的术语名称)、定义及示意图,现摘录一部分如表1—1所示。
表1—1起重机械的技术参数与定义编号名词术语定义(或说明)示意图1质量和载荷参数1.1起重量G被起升重物的质量.1.1有效起重量Gp起重机能吊起的重物或物料的净质量。
对于幅度可变的起重机,根据幅度规定有效起重量1.1.2额定起重量Gn起重机允许吊起的重物或物料,连同可分吊具(或属具)质量的总和(对于流动式起重机,包括固定在起重机上的吊具)。
对于幅度可变的起重机,根据幅度规定起重机的额定起重量1.1.3总起重量Gt起重机能吊起的重物或物料,连同可分吊具上的吊具或属具(包括吊钩、滑轮组、起重钢丝绳,以及在臂架或起重小车以下的其它吊物)的质量总和。
对于幅度可变的起重机,根据幅度规定总起重量1.1.4最大起重量Gmax起重机正常工作条件下,允许吊起的最大额定起重量1.2起重力矩M幅度L 和相应起吊物品重力Q 的乘积1.3起重倾覆力矩M A起吊物品重力Q 和从载荷中心线至倾覆线距离A 的乘积1.4起重机总质量Go包括压重、平衡重、燃料、油液、润滑剂和水等在内的起重机各部分质量的总和.5轮压P一个车轮传递到轨道或地面上的最大垂直载荷(按工况不同,分为工作轮压和非工作轮压)2起重机尺寸参数2.1幅度L起重机置于水平场地时,空载吊具垂直中心线至回转中心线之间的水平距离(非回转浮式起重机为空载吊具垂直中心线至船艏护木的水平距离)2.1.1最大幅度Lmax起重机工作时,臂架倾角最小或小车在臂架最外极限位置时的幅度.1.2最小幅度Lmin 臂架倾角最大或小车在臂架最内极限位置时的幅度.2悬臂有效伸缩距l离悬臂最近的起重机轨道中心线到位于悬臂端部吊具中心线之间的距离2.3起升高度H起重机水平停车面至吊具允许最高位置的垂直距离。
起重机械相关标准引言起重机械是一种广泛应用于建筑工地、港口码头等场所的机械设备。
它们具有吊装重物的能力,能够提高工作效率,减少劳动力成本。
然而,由于起重机械的操作危险性较高,所以必须遵守一系列相关的标准和规定,以确保工作场所的安全性和人身安全。
本文将详细介绍起重机械相关的标准和规范。
起重机械分类根据功能和结构的不同,起重机械可以分为多种类型,包括塔式起重机、门式起重机、桥式起重机等。
每种类型的起重机械都有其特定的标准和规范。
下面将以桥式起重机为例介绍相关的标准。
桥式起重机相关标准桥式起重机是一种常见的起重设备,广泛应用于工业生产和物流领域。
以下是一些与桥式起重机相关的标准和规范的介绍:GB/T 14406-2017 (桥式起重机技术文件要求)该标准规定了桥式起重机的技术文件要求,包括设计文件、制造文件、安装文件、验收文件等。
它对桥式起重机的设计、制造、安装和验收等环节提出了具体要求,保证了桥式起重机的安全和可靠性。
GB/T 3811-2008 (桥式起重机设计与制造)该标准规定了桥式起重机的设计与制造要求,包括结构设计、机电系统、安全设施等。
它要求桥式起重机在设计和制造过程中必须考虑到起重机使用条件、负荷特点、运行环境等因素,以确保桥式起重机的安全性、稳定性和可靠性。
GB/T 24001-2004 (桥式起重机质量管理体系标准)该标准规定了桥式起重机制造企业应该建立和实施质量管理体系的要求。
质量管理体系的建立有助于企业提高产品质量,确保桥式起重机符合相关标准和规定。
JB/T 2603-2007 (桥式起重机金属结构设计规范)该标准规定了桥式起重机金属结构的设计要求,包括材料选择、结构计算和连接方式等。
它对桥式起重机的金属结构设计提出了具体的指导,确保桥式起重机结构的强度和稳定性。
其他相关标准除了桥式起重机相关的标准外,起重机械还有其他一些通用的标准和规范,例如:GB/T 7060.2-2014 (机械起重机械定义和分类)该标准规定了起重机械的定义和分类,将其分为机动起重机、清污车、起重附件和起重设备等几类。
起重机规则与标准简介标准一、起重机1、起重机械定义:起重机是指在一定范围内垂直提升和水平搬运重物的多动作起重机械起重机械,是指用于垂直升降或者垂直升降并水平移动重物的机电设备,其范围规定为额定起重量大于或者等于0.5t的升降机;额定起重量大于或者等于3t(或额定起重力矩大于或者等于40t·m的塔式起重机,或生产率大于或者等于300t/h的装卸桥),且提升高度大于或者等于2m的起重机;层数大于或者等于2层的机械式停车设备。
(特种设备安全监察条例(国务院令2014年第114号)中对起重机械做出明确定义)根据国家质检总局颁布的《特种设备目录》,起重机械分为:桥式起重机、门式起重机、塔式起重机、流动式起重机、门座式起重机、升降机、缆索式起重机、桅杆式起重机、机械式停车设备。
二、起重机相关标准及技术规范1、标准9 JB 8716-1998 汽车起重机和轮胎起重机安全规程1998-07-01 中国在用10 JB/T 9738-2000 汽车起重机和轮胎起重机技术要求2000-10-01 中国在用11 JG/T 5055-1994 履带起重机安全规程1995-07-01 中国在用12 JB/T 9008.2-2004 钢丝绳电动葫芦第2部分:试验方法2005-04-01 中国在用13 GB 19154-2003 擦窗机2003-11-01 中国在用14 GB/T 16905-1997 集装箱正面吊运起重机试验方法1998-02-01 中国在用15 JB/T 5317-2007 环链电动葫芦2008-03-01 中国在用16 JG/T 5099-1998 高空作业机械安全规则1998-12-01 中国在用17 GB/T 3811-2008 起重机设计规范2008-11-01 中国在用18 GB 12602-2009 起重机械超载保护装置2010-01-01 中国在用19 JB/T 7688.1-2008 冶金起重机技术条件第1部分:通用要求2008-11-01 中国在用20 JB/T 7688.2-2008 冶金起重机技术条件第2部分:料箱起重机2008-11-01 中国在用21 JB/T 7688.3-2008 冶金起重机技术条件第3部分:锻造起重机2008-11-01 中国在用22 JB/T 7688.6-2008 冶金起重机技术条件第6部分:淬火起重机2008-11-01 中国在用23 JB/T 7688.7-2008 冶金起重机技术条件第7部分:料耙起重机2008-11-01 中国在用24 GB 6067.1-2010 起重机械安全规程第1部分:总则2011-06-01 中国在用25 GB 17907-2010 机械式停车设备通用安全要求2011-12-01 中国在用26 GB/T23723.1-2009起重机安全使用第1部分:总则2010-01-01 中国在用27 GB/T23723.3-2010起重机安全使用第3部分:塔式起重机2011-02-01 中国在用28 GB/T23724.1-2009起重机检查第1部分:总则2010-01-01 中国在用29 GB/T23724.3-2010起重机检查第3部分:塔式起重机2011-02-01 中国在用30 GB/T 18439-2001 港口起重机稳定性基本要求2002-04-01 中华人民共和国国中国在用家质量监督检验检疫总局31 GB/T 783-2013 起重机械基本型的最大起重量系列2014-03-01国家质检总局中国在用32 GB/T 5031-2008 塔式起重机2009-02-01 中国在用33 JB/T 6392-2008 起重机车轮2008-11-01 国家发改委中国在用34 JB/T 8909-2013 简易升降类机械式停车设备2014-07-01 中国在用35 JB/T 8910-2013 升降横移类机械式停车设备2014-07-01 中国在用36 GB/T 30561-2014 起重机刚性桥式和门式起重机2014-12-01 中国在用37 GB 30584-2014 起重机臂架用无缝钢管2015-04-01 中国在用38 GB/T 30027-2013 起重用短环链 VH级手动链式葫芦用高精度链2014-03-01 中国在用39 GB/T 30026-2013 起重用短环链 TH级手动链式葫芦用高精度链2014-03-01 中国在用40 GB/T24818.5-2009起重机通道及安全防护设施第5部分:桥式和门式起重机2010-07-01 中国在用41 GB/T24809.5-2009起重机对机构的要求第5部分:桥式和门式起重机2010-07-01 中国在用42 GB 6067.5-2014 起重机械安全规程第5部分:桥式和门式起重机2015-02-01 中国在用43 GB/T 30025-2013 起重机起重机及其部件质量的测量2014-03-01 中国在用44 GB/T 30024-2013 起重机金属结构能力验证2014-03-01 中国在用45 GB/T 30023-2013 起重机可用性术语2014-03-01 中国在用46 JB/T 10546-2014 汽车专用升降机2014-10-01 中国在用47 GB/T 28756-2012 缆索起重机2013-02-01 中国在用48 无特种设备检验检测人员执业注册管理办法2010-07-06 中国在用49 JB/T 9008.1 钢丝绳电动葫芦第1部分:型式与基本参数、技术条件2014-10-01中华人民共和国工业和信息化部中国在用50 JB/T 9229-2013 剪叉式升降工作平台2014-07-01 中国在用51 GB/T 14405-2011 通用桥式起重机2011-12-01 中国在用52 GB50256 电气装置安装工程起重机电气装置施工及验收规范2015-08-01 中国在用53 GB/T 1243-2006 传动用短节距精密滚子链、套筒链、附件和链轮2007-05-01质检总局标准化管理委员会中国在用54 JB 6406-2006 电力液压鼓式制动器2007-02-01 中华人民共和国国家发展和改革委员会中国在用55 GB/T29562.2-2013起重机械用电动机能效测试方法第2部分:YZR/YZ系列三相异步电动机2014-01-01 中国在用56 GB/T29562.1-2013起重机械用电动机能效测试方法第1部分:YZP系列变频调速三相异步电动机2014-01-01 中国在用57 GB10055-2007 施工升降机安全规程2007-10-01 中国在用58 GBT14406-2011 -通用门式起重机2011-12-01 中国在用59 GB/T5972-2016 起重机钢丝绳保养、维护、检验和报废2016-6-6 中国在用60 GBT19683-2005 轨道式集装箱门式起重机2005-08-01 中国在用61 GB/T29562.3-2013起重机械用电动机能效测试方法第3部分:锥形转子三相异步电动机2014-01-01 中国在用62 JB/T 8907-2013 绝缘桥式起重机2013-09-01 中国在用63 JB/T 5897-2014 防爆桥式起重机2014-10-01 中国在用64 GB/T23723.4-2010起重机安全使用第4部分:臂架起重机2011-02-01 中国在用65 GB/T20303.1-2006起重机司机室第1部分:总则2007-01-01 中国在用66 GB/T20303.2-2006起重机司机室第2部分:流动式起重机2007-01-01 中国在用67 GB/T20303.3-2006起重机司机室第3部分:塔式起重机2007-01-01 中国在用68 GB/T20303.4-2006起重机司机室第4部分:臂架起重机2007-01-01 中国在用69 GB/T20303.5-2006起重机司机室第5部分:桥式和门式起重机2007-01-01 中国在用70 DB33/T 834-2011 起重机械维护保养管理规范2011-08-26 中国在用71 GB 26469-2011 架桥机安全规程2012-04-01 中国在用72 GB/T 26476-2011 机械式停车设备. 术语2011-12-01 中国在用73 GB/T 26559-2011 机械式停车设备分类2011-12-01 中国在用74 JG/T 5006-1992 桩架技术条件1993-03-01 中国在用75 JB/T 7688.5-2012 冶金起重机技术条件第5部分:铸造起重机2012-11-01 中国在用76 GB/T 1955-2008 建筑卷扬机2009-02-01 中国在用77 GB/T10051.1-2010起重吊钩第1部分:力学性能、起重量、应力及材料2011-06-01 中国在用78 GB/T10051.2-2010起重吊钩第2部分:锻造吊钩技术条件2011-06-01 中国在用79 GB/T10051.3-2010起重吊钩第3部分:锻造吊钩使用检查2011-06-01 中国在用80 GB/T10051.5-2010起重吊钩第5部分:直柄单钩2011-06-01 中国在用81 GB/T 14406-2011 通用门式起重机2011-12-01 中国在用82 GB/T 14743-2009 港口轮胎起重机2010-03-01 中国在用83 GB/T 14783-2009 轮胎式集装箱门式起重机2009-12-20 中国在用84 GB/T 15361-2009 岸边集装箱起重机2010-01-01 中国在用85 GB/T 17495-2009 港口门座起重机2010-03-01 中国在用86 GB/T 17992-2008 集装箱正面吊运起重机安全规程2008-12-01 中国在用87 GB/T 28264-2012 起重机械安全监控管理系统2012-07-01 中国在用88 GB 26557-2011 吊笼有垂直导向的人货两用施工升降机2012-05-01 中国在用89 JT/T 314-2009 港口电动式起重机能源利用效率检测方法2010-04-01 中国在用90 GB/T10183.1-2010起重机车轮及大车和小车轨道公差第1部分:总则2011-06-01 中国在用91 GB/T 20776-2006 起重机械分类2007-07-01 中国在用92 JB/T 6406-2006 电力液压鼓式制动器2007-02-01 中国在用93 JB/T 7020-2006 电力液压盘式制动器2007-02-01 中国在用94 JB/T 7685-2006 电磁鼓式制动器2007-02-01 中国在用95 GB/T 5905-2011 起重机试验规范和程序2012-06-01 中国在用96 GB/T 10597-2011 卷扬式启闭机2011-12-01 中国在用97 GB/T 14627-2011 液压式启闭机2011-12-01 中国在用98 GB/T 26474-2011 集装箱正面吊运起重机. 技术条件2011-12-01 中国在用99 GB/T 26475-2011 桥式抓斗卸船机2011-12-01 中国在用100 GB/T 26558-2011 桅杆起重机2011-12-01 中国在用101 GB/T 27545-2011 水平循环类机械式停车设备2012-05-01 中国在用102 GB/T 27997-2011 造船门式起重机2012-07-01 中国在用103 JB/T 10222-2011 防爆电动葫芦2011-11-01 中国在用104 JIS B8834-2010 起重机--刚度--桥门和龙门式起重机2010-03-25 日本在用105 JB/T 10215-2000 垂直循环类机械式停车设备2001-01-01 中国在用106 GB/T 22414-2008 起重机速度和时间参数的测量2009-04-01 中国在用107 GB/T25196.1-2010起重机状态监控第1部分:总则2011-02-01 中国在用108 GB/T 19924-2005 流动式起重机稳定性的确定2006-04-01 中国在用109 GB/T25195.1-2010起重机图形符号第1部分:总则2011-02-01 中国在用110 GB/T 14560-2011 履带起重机2011-12-01 中国在用112 GB/T 18453-2001 起重机维护手册第1部分:总则2002-04-01 中国在用113 JG/T 5104-1998 桁架式高空作业平台1998-12-01 中国在用114 GB/T 6068-2008 汽车起重机和轮胎起重机试验规范2009-05-01 中国在用115 GB/T 21458-2008 流动式起重机额定起重量图表2008-08-01 中国在用116 GB/T20863.1-2007起重机械分级第1部分:总则2007-08-01 中国在用117 GB/T 21457-2008 起重机和相关设备试验中参数的测量精度要求2008-08-01 中国在用118 GB 28621-2012 安装于现有建筑物中的新电梯制造与安装安全规范2013-05-01 中国在用119 JB/T 10219-2011 防爆梁式起重机2011-11-01 中国在用120 GB/T 26470-2011 架桥机通用技术条件2012-04-01 中国在用121 GB 15052-2010 起重机安全标志和危险图形符号总则2011-12-01 中国在用122 GB/T10051.11-2010起重吊钩第11部分:吊钩螺母防松板2011-06-01 中国在用123 GB/T10051.12-2010起重吊钩第12部分:吊钩闭锁装置2011-06-01 中国在用124 JGJ/T 189-2009 建筑起重机械安全评估技术规程(附条文说明)2010-08-01 中国在用125 GB/T 27996-2011 全地面起重机2012-07-01 中国在用126 GB/T 26471-2011 塔式起重机. 安装与拆卸规则2011-12-01 中国在用127 GB/T 26473-2011 起重机. 随车起重机安全要求2011-12-01 中国在用128 GB/T 13752-1992 塔式起重机设计规范1993-05-01 中国在用129 GB/T 5972-2009 起重机钢丝绳保养、维护、安装、检验和报废2010-07-01 中国在用130 GB/T 6974.2-2010 起重机术语第2部分:流动式起重机2011-02-01 中国在用131 GB/T 6974.3-2008 起重机术语第3部分:塔式起重机2009-02-01 中国在用132 GB/T10183.4-2010起重机车轮及大车和小车轨道公差第4部分:臂架起重机2011-06-01 中国在用133 GB/T 29560-2013 门座起重机2014-01-01 中国在用134 GB/T 29561-2013 港口固定式起重机2014-01-01 中国在用135 GB/T 6974.1-2008 起重机术语第1部分:通用术语2009-04-01 中国在用136 GB/T 6974.5-2008 起重机术语第5部分:桥式和门式起重机2009-04-01 中国在用137 GB/T 26945-2011 集装箱空箱堆高机2012-02-01 中国在用138 GB/T 30222-2013 起重机械用电力驱动起升机构能效测试方法2014-07-01 中国在用139 GB/T 30223-2013 起重机械用电力驱动运行机构能效测试方法2014-07-01 中国在用140 GB/T 30028-2013 电动葫芦能效测试方法2014-03-01 中国在用141 JB/T 10381-2013 柔性组合式悬挂起重机2013-09-01 工业和信息化部中国在用142 JG/T 5102-1998 套筒油缸式高空作业平台1998-12-01 中国在用143 GB 10054.2-2014 货用施工升降机第2部分:运载装置不可进人的倾斜式升降机2014-12-01 中国在用2、技术规范4 TSG Q7015-2008 起重机械定期检验规则2009-04-01 中国 在用 5 TSG Q7016-2008 起重机械安装改造重大维修监督检验规则2009-04-01中 国在用 6 TSG Z0004-2007 特种设备制造、安装、改造、维修质量保证体系基本要求 2007-10-01中国 在用 11 T SG Z7001-2004 特种设备检验检测机构核准规则 2004-12-03 中国 在用 12 T SG Z7002-2004 特种设备检验检测机构鉴定评审细则 2004-12-03 中 国 在用 13 T SG Z7003-2004 特种设备检验检测机构质量管理体系要求 2004-12-03 中 国 在用 35 T SG Q7006-2007 铁路起重机型式试验细则 2007-08-01 中 国 在用 36 T SG Q7009-2007 缆索起重机型式试验细则 2007-08-01 中 国 在用 37 T SG Q7010-2007 桅杆起重机型式试验细则 2007-08-01 中 国 在用 38 T SG Q7013-2006 机械式停车设备型式试验细则 2006-10-27 中 国 在用 39 T SG Q7005-2008 流动式起重机型式试验细则 2008-04-30 中 国 在用 40 T SG Q7003-2007 门式起重机型式试验细则 2007-10-01 中 国 在用 41 T SG Q7007-2007 门座起重机型式试验细则2007-10-01 中 国 在用 42 T SG Q7014-2008 起重机械安全保护装置型式试验细则 2008-06-01 中 国 在用 43 T SG Q7002-2007 桥式起重机型式试验细则 2007-10-01 中 国 在用 44 T SG Q7012-2008 轻小型起重设备型式试验细则 2008-04-30 中 国 在用 45 T SG Q7008-2007 升降机型式试验细则 2007-08-01 中 国 在用 46 T SG Q7004-2006 塔式起重机型式试验细则 2006-10-27 中 国 在用 47 T SG Q7011-2006 旋臂式起重机型式试验细则 2006-10-27中 国在用 59 T SG Q5001-2009 起重机械使用管理规则2010-01-01 中在用。
吊机的有效起重标准吊机作为一种重要的工程机械设备,具有广泛的应用范围,能够承担起重、装卸、搬运等任务。
然而,在使用吊机进行起重操作时,为了保障工程的安全性和效率,必须严格遵守相关的起重标准。
本文将对吊机的有效起重标准进行探讨,以期提升吊机操作的安全性和效率。
1. 吊机的起重标准概述吊机的起重标准是根据国家相关法律法规和行业标准制定的,旨在确保吊机在起重作业中的安全性、稳定性和有效性。
吊机的起重标准包括各种参数要求和限制,如最大起重量、最大臂展、工作半径等,同时还涉及到安全装置、操作要求、环境要求等多个方面。
2. 最大起重量的标准要求吊机的最大起重量是指吊机在标准工况下所能够起重的最大重量。
最大起重量的标准要求在各种操作手册和技术规范中有详细的规定,一般根据吊机的型号、工作状态、臂展等因素来确定。
对于吊机的起重工作来说,必须严格按照最大起重量的标准要求进行操作,以避免超载、失稳等不安全情况的发生。
3. 最大臂展的标准要求吊机的最大臂展是指吊机臂展的最大长度,也是操作过程中需要严格遵守的标准之一。
根据各国的法律法规以及相关行业标准,吊机的最大臂展要符合各种工况的实际需求,并且需要根据工作环境的限制来设定。
在吊机操作过程中,超过最大臂展范围的操作属于违规行为,可能导致吊机的失衡、翻车等严重事故的发生,因此必须谨慎操作,确保臂展的有效控制。
4. 工作半径的标准要求工作半径是指吊机轨迹上离吊机旋转中心最近点至吊机尾部或者配重后边缘的距离。
工作半径的标准要求也是吊机操作中需要严格遵守的重要指标之一。
根据工况和工作环境的不同,吊机的工作半径会有所差异,并且需要根据各种参数进行计算和设定。
工作半径的标准要求对吊机的稳定性和工作效率有着直接影响,因此我们需要根据实际情况进行合理的选择和操作。
5. 安全装置的标准要求吊机的安全装置是确保吊机操作安全性的重要保障,各种安全装置的标准要求在国家和行业标准中有着明确的规定。
国外特种设备法规标准体系简介?5O?中国特种设备安全第23卷第11期由于特设备,世界各国都高度重视其安全管理与监督.并建立了一套相对完整的法规标准体系.目前我国正在大力开展特种设备法规标准体系建设.国际上的相关经验和做法值得借鉴与参考.在我国,法律法规是强制性的.标准有强制性和推荐性之分.在这种情况下,法规与标准的关系比较复杂,对对外贸易也有很大影响.在国际上,法律法规是强制性的,而标准一般采用自愿性标准体系,没有强制性标准,只有标准被法律法规所引用.被引用的内容才是强制性的.如美国,日本采用的是自愿性标准关系.欧盟与各成员国间采用协调标准体系.欧盟各成员国一般也采用自愿性标准体系,俄罗斯原来(在苏联时代)采用强制性标准和推荐性标准体系.但加入WTO后,目前通过立法正在向自愿性标准体系过渡.在本文中,结合特种设备.对一些主要工业国的法规标准体系加以简单介绍.美国实行联邦体制,其法律体系不是集中统一的,是由联邦法律和各州法律组成.美国的法规体系包括:联邦和州的宪法,法律,条约,法院规则,行政机关的规章和决议.虽然就法律效力而言.联邦法律高于州法律,但联邦法律并不能随意推翻或改变州的法律,而只能在联邦宪法授权的范围内规范各州的法律事务.对于联邦法没有规定的事项.优先采用州法规.国家法律没有规定的地方事务管理权均为各州所保留.各州和地方在地方事务管理上有很大自主权,州法律是美国法律体系的基础部分. 在规范和管理社会生活中发挥着重要作用.美国5O 州都有自己的宪法和法律.各州之间的法律不完全相同,这在很大程度上影响了法律的统一实施.为了减少地区之间的法律冲突和执法司法中的麻烦. 美国一直在努力统一各州的法律,其做法之一是制定带有范例性质的"统一法律草案".这些所谓的备施工企业二级资质证书;起重运输机械的检测,安装和修理资格证书;城市燃气管道承装证书;中国试验室认可证书(CMAL);计量认证合格证书(CMA),特殊设备检验检测机构核准证(无损检测机构),锅炉改造维修证书等等.改制后公司拥有资产4900多万元.拥有焊接,起重,运输机械,转子动平衡,阀门试压,机械加工,液压扳手,带压堵漏专用工具.以及大型机具,设备运行状态监测仪等先进设备和系统近2000台/套. 公司共有职工1318人.工种齐全,各类专业技术人员228人,高级工程师l1人,中级职称的有126 人(有一级建造师7人,二级建造师6人,一级项目经理6人,二级项目经理3O人;会计师3人,经济师21 人.统计师4人.注册安全工程师4人,造价师4人), 高级技师6人.技师39人.经过3O多年的磨练.广州石化建筑安装工程有限公司日渐成熟,企业改制,拥有了更多的自主权. 我们将立足广石化,放眼珠三角,锐意改革.不断进取,凭借先进的技术设备,优秀的技术人才,占据广州石化,珠海BP,惠州南海石化检维修市场.以及未来的广州南沙石化项目市场.辅之以安装,制造业务.一主两翼,使我们成为华南地区最优秀的石化检维修,制造,安装队伍之一.'荣誉和成绩只属于过去,脚下永远是新的起点.建安人已经瞄准了更高的目标:创建全国一流的石油石化检维修企业.让我们拭目以待,看建安人再奏凯歌!企业再创辉煌!(收稿日期2007—07—20)第23卷第11期中国特种设备安全?51?"统一法律草案"不是由立法机关颁布的,而是由"美国统一州法律全国代表大会"委托专家学者或有关协会起草.然后经过一系列听证,辩论,修改后公布于众,交给各州的立法机关.如果该"法律"获得某个州立法机关的通过,就成为该州的法律,否则在该州没有任何法律效力.各州的立法机关可以决定全部采用某个"统一法律草案",也可以决定部分采用或变通采用该"统一法律草案".美国国会是美国政府的最高立法机构,国会分众议院和参议院两院.其主要职责之一就是制定法律.只有当立法草案在两院都得到通过后,被送交给总统,由总统签署,成为法律.作为美国法规体系一部分,由政府机构制定并强制执行的规章.主要涉及卫生,安全,环境保护等方面的技术性规定.所有的美国联邦政府部门及独立机构都有权制定规章,美国的政府部门有17个, 如劳动部,能源部,交通部等;独立机构有84个,如消费者生产安全委员会,环保局,联邦通讯委员会等,这些部门所制定的规章由美国国家档案管理局所属联邦注册办公室归口管理,并载入《美国联邦规章法典》(CFR)中.美国与特种设备有关的法规,在联邦政府层面上有移动式压力容器(含气瓶)和压力管道方面的法律,如《危险品运输法》,《管道安全法》,《管道安全再授权法》,《石油污染法》和《危险品规程》等.而电梯,锅炉和固定式压力容器,游乐设施等设备在联邦政府层面上没有专门法规,由各州在其相应的法规中进行规定,绝大多数州都有各自的电梯,锅炉与压力容器,起重机械,游乐设施等安全法规.如:加州《劳动法》中的"锅炉与压力容器";加州行政规章《工业安全法》中的"非受火压力容器安全法"和"锅炉与受火压力容器安全法";加州为移动游乐设施而制定的《游乐设施安全法》和为固定式游乐设施而制定的《永久性游乐设施安全法》等.另外,美国劳动部根据《职业安全卫生法》制定了《职业安全卫生规章》,规定了气瓶,电梯,起重机械,场(厂)内机动车辆等特种设备在使用过程中的职业安全卫生要求.美国自愿性标准由以美国国家标准协会(AN—SI)为协调中心的国家标准,非政府机构,协(学)会的专业标准和企业(公司)标准组成.美国采用自愿性标准体系,标准本身不具有强制性.自愿性标准的特征是自愿参加制定,自愿采用.在美国法律法规中大量引用了标准,这些被引用的标准内容就成为法律法规的强制性要求,必须执行.美国国家标准协会(ANSI)是一私营的非营利组织,负责管理和协调自愿标准化和合格评定.ANSI的使命是通过促进和协助自愿一致的标准和合格评定工作,并维护他们的完整性,以提高美国商业在全球的竞争力和美国人民的生活质量.ANSI一般情况下并不起草标准,只是批准ANSI认可的标准起草组织的标准,标准起草组织按照《美国的国家标准的制定和协调的ANSI程序》组织制定标准,使其成为美国国家标准.简单地说,ANSI是标准起草组织组成的协会,起着协调标准的起草和制定,减少重复性工作,提高标准权威性的作用.在美国与特种设备专业标准有关的非政府机构,协会组织很多,如美国机械工程师协会(ASME),美国材料与试验协会(ASTM),美国压缩气体协会(CGA),美国石油协会(API)等,这些组织被ANSI认可,可以制定带有ANSI标识码的美国国家标准.在美国联邦或各州的法律法规中大量引用了这些组织所制定的专业标准.如多数州在法律法规中采纳了美国机械工程师协会的锅炉,压力容器,压力管道,电梯,起重机械,厂车标准;压力管道有关的法律法规中采用了美国石油协会,美国防腐协会的标准;移动压力容器安全有关的法律法规中更多地采用了美国压缩气体协会的标准:大多数州游乐设施安全方面的法律法规引用的是美国材料与试验协会的标准.2欧盟特种设备法规标准体系欧盟法规体系分为4种:条例,指令,决定,建议或意见.其中条例,指令,决定具有约束力,建议或意见没有约束力.在欧盟,欧盟委员会,欧盟理事会和欧洲议会分享欧盟的立法权,而欧盟理事会享有决定性的权力.欧盟法规主要是欧盟理事会和欧盟委员会依据4个基础条约(《欧洲煤钢共同体条约》,《欧洲经济共同体条约》,《欧洲原子能共同体条约》,《欧洲联盟条?52?中国特种设备安全第23卷第11期约》)制定的各种规范性法律文件,主要形式包括条例,指令和决定.条例具有普遍的适用性,全面约束力和直接适用性,由欧洲议会和欧盟理事会批准后颁布实行条例具有基础条约实施细则的性质.条例不只是规定所要达到的结果,在方式和手段上也要服从条例的规定.对成员国来说,实施条例在原则上没有自由选择的余地.在成员国国内不用制定适用条例的法律,条例本身便具有约束力,而且条例不仅仅只是约束成员国,还约束成员国内的个人.指令是对成员国具有约束力的欧盟法律.一般给成员国一定的期限使其转化为成员国本国法律.指令对所有的成员国都有约束力,但其对成员国的约束与条例不同.只要达到指令要求的目标,成员国在具体的方式和手段方面可以自由选择.指令是对成员国发出的,而不是对个人发出的.成员国在实施指令的同时必须修订或废除与指令有悖的国内法律.欧盟指令主要调整产品生产环节,所以也被称作技术协调指令.在欧盟法规体系中,指令占主导地位欧盟绝大多数产品的技术立法都是以指令的形式发布.只有很少部分是以条例或决定等形式出现的.技术协调指令分为旧方法指令和新方法指令.旧方法指令(OldApproachDirectives):1985年前的技术协调指令通常对产品的规格和技术要求做出详细规定.要求成员国完全执行.按照这种方法制定的欧盟指令主要集中在药物,农药,食品添加剂和机动车辆等领域.新方法指令(NewApproachDirectives):1985年,欧共体理事会颁布了《关于技术协调与标准的新方法的决议)(85/C136/01),建立了以新方法指令为主体的较完善的技术法规体系.新方法指令的特点是只在安全,健康,环保等方面制定基本的,强制性的要求.达到指令目标要求的途径是多方面的,有选择余地的,而对指令要求的符合程度则由相应的合格评定程序予以判定.《承压设备指令》就属于新方法指令的一种.决定是有明确针对对象的有约束力的法律文件,它可针对特定成员国或所有成员国发布,也可以针对特定的企业或个人发布,还可针对进口自欧盟之外经济体的具体产品.它与条例有类似的效力,但是适用的范围不同.条例具有普遍性,对所有成员国具有约束力,而决定只具有特定的适用性,是针对个别,具体,确定的群体,个人或事件.建议和意见不具有法律的约束力,但一经发布.对有关国家的公众舆论具有一定的影响力.建议和意见不是法律,可由理事会或委员会通过.欧盟与特种设备有关的法规包括:《承压设备指令》,《简单压力容器指令》,《电梯指令》,《通用产品安全指令》,《机械指令》,《移动承压设备指令》,《陆路危险品运输指令》,《铁路危险品运输指令》,《索道指令》,《电磁兼容指令》,《噪声指令》,《非道路用移动机械内燃机的气体和颗粒污染物排放指令》,《物理量(振动)对工人承受致险的最低健康和安全要求指令》等,涉及了锅炉,固定式压力容器,移动式压力容器(含气瓶),电梯,起重机械,厂车等设备.目前,欧盟没有关于游乐设施方面的专门指令.欧州技术标准是欧盟委员会授权区域标准化组织(欧洲标准化委员会CEN,欧洲电工标准化委员会CENELEC和欧洲电信标准学会ETSI)制定的,也称协调标准(EN).欧州标准体系的特点是与其技术指令紧密相连.由于欧盟技术指令的制定仅限于产品在欧盟统一大市场中流通时所必须符合的保证安全,健康,消费者保护与环境保护的基本要求.并不对符合要求的具体途径做出强制性规定,但只有完全符合这些基本要求的产品才能在欧盟境内销售和使用.至于如何使产品符合指令中的基本要求,并没有列出具体的技术细节,而是通过以发布协调标准(EN)的方式为制造商和进口商提供指导.可以说协调标准是满足指令基本要求的"快速跑道",协调标准具有"据此推断符合基本要求"的地位,是制造商证明其产品符合指令要求的一种工具.协调标准在新方法指令中仍然保留其自愿采用的性质,它为生产商正确实施新方法指令提供了更多的选择机会.然而,指令赋予了协调标准特殊的地位.也就是凡符合协调标准的产品,可以被推定为符合指令的基本要求.这种符合性推断,使得欧盟各成员国的生产商和拟向欧盟出口产品的其他国家的生产商以采用欧洲协调标准为达到欧盟相关指令的首选措施,否则要经过第23卷第11期中国特种设备安全?53?政府指定的第三方公正检验机构检验,证明符合技术法规的规定.与特种设备相关的欧州协调标准数量巨大,如EN12952(水管锅炉及其辅机安装》,EN13445《非直接接触火焰压力容器》,EN286(简单压力容器通用标准》等锅炉压力容器标准,EN13480(金属工业管道》标准,ENl964一l《容积在0.5升至150升的钢制无缝气瓶设计制造标准第一部分材料抗拉强度Rm小于1100MPa))标准,EN81《电梯》系列标准,EN 292(机械设计》,EN1050(风险评估》,EN418(紧急停止设备》等起重机械标准,EN1726.1《机械安全负载量小于等于10000kg的机动车辆和牵引力小于等于20000N的牵引车一第l部分:通用技术条件》厂车标准,EN13814《露天及游乐园机器与构筑物安全》,EN13782(1临时性构筑物一帐篷安全》等游乐设施标准,ENl2929一l《一般规定第l部分:对所有索道的要求》,ENl2929—2《一般规定第2部分:无承载索制动器的往复式索道的补充规定》等索道标准.这些标准涉及了锅炉,压力容器,压力管道,电梯,起重机械,游乐设施,索道等特种设备的设计,制造,检验,安装,维护,使用,救援等方面的全部内容3德国特种设备法规标准体系联邦德国现行的是一个多层次的法规标准体系,分法律,法规和一般管理规定,技术规范和标准4个层次.德国是一个联邦制国家,其立法体制主要是联邦与州的分权.在联邦与州的立法权限划分上,可以分为联邦的专有立法权,联邦和州共同享有的立法权,联邦的原则立法权.所谓联邦的专有立法权,是指在某些领域只有联邦才能行使的立法权.各州只有在法律明确授权的情况下,并且在授权范围内,才享有立法权.共同立法权是指联邦和州都享有的立法职权,但联邦拥有优先立法权.即:如果联邦在某项事务上还没有立法,则州有权立法;如果联邦已有立法,则各州不得重复立法;如果州在这一领域中已有立法,一旦联邦就同一事项也做出立法,则以联邦立法为准.所谓原则立法权,是指在规定的立法事项领域内,联邦进行原则性立法,各州根据联邦法律所确立的立法原则,结合自己的情况和需要,规定具体的实施细则.在法律体系的位阶关系上,联邦法律超越于各州法律之上.联邦议会实行两院制,分为联邦参议院和联邦议院,联邦法律由联邦议会通过后,由联邦总统签署并颁布法律,法令.联邦总统的签署权为实质性签署权,即总统可否决违反基本法的法案.联邦政府,联邦部长或各州政府经立法授权,在联邦参议院同意下,可以颁布一般性法规,指令和具有法律效力的命令.在各州政府一级,它们可以在州立法权限范围内.自行制定颁布有关本州行政管理事务方面的法令和政策.联邦德国特种设备有关的法律主要有《设备安全法》,《劳动安全法》,《产品责任法》,《能源经济法》等.《设备安全法》于上个世纪60年代颁布,对危害人身与财产安全的蒸汽锅炉设备.除蒸汽锅炉设备外的压力容器设备,液化气体,压缩气体及溶解气体的充装设备,输送可燃,腐蚀性或毒性气体,蒸汽或液体的管道设备,电梯设备.在危险环境内的电器设备,饮料灌装设备和碳酸饮料生产设备,乙炔设备及硅化钙反应器,可燃性液体储存,充装和输送设备,医药技术仪器设备等l0大类工业产品的设计,制造,安装,使用,检验和修理改造等环节的安全管理做出明确规定.在欧盟有关指令颁布后,联邦德国结合欧盟有关指令修改了《设备安全法》中的设计,制造, 检验机构等内容,保留了安装,使用,检验和修理改造等环节安全管理要求.按照《设备安全法》的授权,德国联邦政府根据不同的设备,分别制定了若干规程,如《蒸汽锅炉规程》,《压力容器规程》,《高压气体管道规程》,《乙炔规程》,《可燃液体规程》,《电梯规程》,《医疗设备规程》,《危险环境电器设备规程》等法规和一般管理规定.另外负责特种设备安全的劳动与社会保障部组织制定了大量的技术规范,如《蒸汽锅炉技术规范》(TRD),《压力容器技术规范》(rI'RB),《压力管道技术规范》(TRR),《承压气体的技术规范))TRG),《电梯技术规范》等.联邦德国的标准主要为国家标准(DIN),协会或机构标准.涉及特种设备的相关标准包括AD规范,?54?中国特种设备安全第23卷第11期DIN标准,DINEN标准和DINISO标准.AD2ooo(压力容器规范》是德国承压设备协会颁布的一个与欧盟《承压设备指令》相配套的规范;DINEN81《电梯》系列标准,该系列标准是与欧盟《电梯指令》相配套的联邦德国国家标准;起重机械联邦德国国家标准共160项,主要为零部件标准.并包含少量起重机设计标准和基础标准.4英国特种设备法规标准体系英国法规标准体系包括国家法律,技术规程,规程实施规则,导则以及技术标准等层次.英国议会由上院(贵族院),下院(贫民院),国王共同组成.行使国家的最高立法权.议会负责制定,修改,补充,废除法律.向行政机关做出授权立法的决定.法律经议会通过后,由国王批准并颁布法律.国王批准颁布法律,是象征性的履行一下手续.但国王发布的公告具有和议会制定的法律相同的效力,以此来限制议会法律生效的权力.法律还规定议会可以授权内阁,部长或者其他权力机构的立法权.授予其制定具有法律效力的法规,条例,法令的权力.规程实施规则由相关的国务大臣批准颁布,不需要议会批准.规程实施规则本身不是国家法律,但具有特殊法律地位.法庭可以将不执行规程实施规则视为违反有关法律的证据,除非当事人能够证明自己采取了同样有效的方法来满足法律有关规定.导则由相关的行政机关颁布.导则不是强制性的要求.是为了帮助民众理解和遵守法律法规,并提出技术性建议,类似于标准通知或解释,英国政府的相关部门还撰写了大量的指导性文件.英国特种设备方面的法律为《健康与安全工作法》,由英国议会通过颁布,具有法律地位,是英国健康与安全工作领域的基本法.英国对特种设备的管理基本按照欧盟指令规定的范围进行.英国《承压设备规程》,《简单压力容器规程》,《压力系统安全规程》,《危险物品运输及移动式压力容器使用规程》,《电梯规程》,《职业健康与安全规程》等是依据《健康与安全工作法》和相关欧盟指令,而等效转化的英国国家技术规程.特种设备有关的规程实施规则如《升降设备的安全使用实务守则和指引:升降操作和升降设备条例》,《劳动健康与安全管理实务守则和指引》等.其他"导则"如《劳动健康与安全指南》,《电梯条例指导性说明》,《危险品货物运输建议》,《电梯全面检验和测试指导》.英国的标准分三级:国家标准,专业标准和企业标准,也是自愿性标准体系.即:标准提出是自愿的.标准制定是从市场原则要求出发的自愿行为.标准制定过程公开,透明,利益方自愿参加.标准的实施是自愿的,除非标准被法律法规所采用.英国政府与英国标准协会(BSI)签订的备忘录中规定:今后政府各部门将不再制定标准.一律使用BSI制定的英国国家标准.特别是在政府采购规格及其制订的法律中要引用BSI的标准.特种设备有关的标准有BS2594(焊制碳钢立式储罐》,BS5169(钢制焊接空气储罐》,PD55o0《非直接受火焊接压力容器规范》,BS2573—1《起重机设计规程第一部分:结构》,BS2573—2《起重机设计规程第二部分:机构》,BS2853(架空吊车道钢梁的设计与试验规范》,整机制造标准BS1757--1986{流动式动力起重机规范》,BS2452{电驱动高架式移动基座悬臂起重机(高架式门座悬臂起重机)规范》等,但更多的英国标准大量采用了欧洲协调标准,冠以BSEN,如BSEN13445{~直接受火压力容器》, BSEN13480(金属工业管道》,BSEN12953《锅壳式锅炉》,BSEN12205《非重复充装金属气瓶一规范和试验方法》,BSEN1493{车辆升降机》等.5俄罗斯特种设备法规标准体系俄罗斯法规体系为:联邦委员会和国家杜马的法律,决定.联邦总统的命令,其他联邦机构的文件, 各共和国的宪法.联邦主体的法律,章程和其他法规,联邦内部条约和国际条约.根据宪法规定,俄罗斯联邦法律.首先由国家杜马通过.经联邦委员会审议通过后总统签署和颁布.总统拥有立法实权,可以签署具有法律效力的命令.俄罗斯联邦议会是俄罗斯联邦的代表与立法机关,联邦议会由联邦委员会(上院)和国家杜马(下院)两院组成.联邦委员会批准联邦法律;国家杜马是俄罗斯的立法机构,负责起第23卷第l1期中国特种设备安全?55?草和制定国家法律.联邦级宪法,法律和法令具有凌驾于州级宪法,法律和法令之上的权威性.俄罗斯联邦标准体系包括:独联体跨国标准,独联体跨国标准化建议和独联体跨国标准化原则, 俄罗斯联邦国家标准,俄罗斯联邦的其他标准化规范文件.前苏联解体后,前苏联的国家标准全部转化为独联体跨国标准.俄罗斯的国家标准体系自建立以来便由国家财政全额资助,一直为维护国家利益而服务.俄罗斯的国家标准机构是联邦技术调节和计量署.设在联邦工业与能源部下面并由其管。
美国起重机标准(ANSI crane standards)ANSI| BS| DIN| EN| GB| ISO| JIS| NF| DIC 编号中文名称英文名称ANSI A10.28-1998 起重机或转臂起重机的悬吊工作平台.安全要求Work Platforms Suspended fromCranes or Derricks - SafetyRequirementsANSI A10.31-2006 修建和拆除操作用挖掘转臂起重机的安全要求、定义和规范Safety Requirements, Definitions,and Specifications for DiggerDerricks for Construction andDemolition OperationsANSI MH27.1-2003 优质悬挂式轨道起重机和单轨系统.规范Patented Track Underhung Cranesand Monorail Systems -SpecificationsANSI MH27.2-2003 封闭轨道悬挂式起重机和单轨系统用规范Specifications for Enclosed-TrackUnderhung Cranes and MonorailSystemsANSI/ASMEB30.11-2004单轨起重机和悬挂式桥吊Monorails and Underhung CranesANSI/ASMEB30.17-2006 高架和龙门起重机(沿轨道上翼缘行走的桥架、单梁、悬挂式起重机)Overhead and Gantry Cranes (TopRunning Bridge, Single Girder,Underhung Hoist)ANSI/ASMEB30.18-2004 堆垛用起重机(多梁顶行或底行桥架悬挂式提升机)Stacker Cranes (Top or UnderRunning Bridge, Multiple Girderwith Top or Under Running TrolleyHoist)ANSI/ASME B30.2-2005 高架和龙门起重机(单梁或多梁顶行桥架、顶行起重机)Overhead and Gantry Cranes (TopRunning Bridge, Single or MultipleGirder, Top Running Trolley Hoist)ANSI/ASMEB30.22-2005活节悬臂起重机Articulating Boom CranesANSI/ASMEB30.3-2004施工用塔式起重机Construction Tower CranesANSI/ASME B30.4-2003 龙门座起重机、塔式起重机和支架起重机Portal, Tower, and Pedestal CranesANSI/ASMEB30.5-2004汽车起重机和机车起重机Mobile and Locomotive CranesANSI/ASMEB30.6-2003桅杆起重机DerricksANSI/ASME B30.8-2004 浮式起重机和浮式桅杆起重机Floating Cranes and FloatingDerricksANSI/ASME HST-1M-1999 电动链式起重机的性能标准Performance Standard for ElectricChain HoistsANSI/ASME HST-2M-1999 手工操作链式起重机的性能标准Performance Standard for HandChain Manually Operated ChainHoistsANSI/ASME HST-3M-1999 手动杠杆操作链式起重机的性能标准Performance Standard for ManuallyLever-Operated Chain HoistsANSI/ASME HST-4M-1999 桥式起重机性能标准Performance Standard for OverheadElectric Wire Rope HoistsANSI/ASME NOG-1-2004 桥式和门式起重机(支承桥和多横梁)的制造规则Overhead and Gantry Cranes (TopRunning Bridge, Multiple Girder),Rules for Construction ofANSI/ASME NUM-1-2004 起重机、单轨吊车和提升机的制造规则(带有悬桥或悬挂式吊车或悬挂式提升机)Rules for Construction of Cranes,Monorails, and Hoists (with Bridgeor Trolley or Hoist of theUnderhung Type)ANSI/ASTM F1797-1998 隔音挖掘起重机声发射试验方法Test Method for Acoustic EmissionTesting of Insulated DiggerDerricksANSI/AWS D14.1/D 14.1M-2005 工业和工厂用起重机及其它物料运输设备的焊接规范Specification for Welding ofIndustrial and Mill Cranes andOther Material Handling EquipmentANSI/NEMA ICS8-2001 工业控制和系统起重机控制器Industrial Control and Systems Crane and Hoist ControllersANSI/SAEJ/ISO13200-1998 起重机.安全标志和危险图示.一般原则Cranes - Safety Signs and HazardPictorials - General PrinciplesANSI/SAE J1238-1998 海上固定平台用提升起重机的评定Rating Lift Cranes on Fixed Platforms Operating in the Ocean EnvironmentANSI/SAE J220-1998 起重机臂停止器Crane BoomstopANSI/SAE J820-1998 起重机提升线速度和功率试验规程Crane Hoist Line Speed and Power Test CodeANSI/SAE J999-1998 起重机吊杆构架提升的分离装置Crane Boom Hoist Disengaging DeviceASME B30.11-1998 单轨悬挂式起重机(Monorails and underhung cranes)ASME B30.11a Addenda-1999 单轨悬挂式起重机.附录(Monorails and underhung cranes;Addenda)ASME B30.17 说明:高架起重机和龙门起重机(单梁(Interpreations: Overhead andInterpretations Ja 顶行桥架,悬挂提升机) gantry cranes (top running bridge,single grinder, underhung hoist))ASME B30.17-2003 桥式起重机和龙门起重机(沿轨道上翼缘行走的桥架、单梁、悬挂式起重机)(Overhead and gantry cranes (toprunning bridge, single girder,underhung hoist))ASME B30.2 Interpretations Jan 说明:高架和龙门起重机(单梁或多梁顶行桥架、顶行起重机)(Interpretations: Overhead andgantry cranes (top running bridge,single or multiple girder, toprunning trolley hoist))ASME B30.2 Interpretations Mar 说明:高架和龙门起重机(单梁或多梁顶行桥架、顶行起重机)(Interpretations: Overhead andgantry cranes (top running bridge,single or multiple girder, toprunning trolley hoist))ASME B30.2 Interpretations Nov 说明:高架和龙门起重机(单梁或多梁顶行桥架、顶行起重机)(Interpretations: Overhead andgantry cranes (top running bridge,single or multiple girder, toprunning trolley hoist))ASME B30.2 Interpretations Sep 说明书:高架和龙门起重机说明(单梁或多梁顶行桥架、顶行起重机)(Interpretations: Overhead andgantry cranes (top running bridge,single or multiple girder, toprunning trolley hoist))ASME B30.2-2001 桥式和龙门起重机(单梁或多梁顶行桥架、顶行起重机)(Overhead and gantry cranes (Toprunning bridge, single or multiplegirder, top running trolleyhoist))ASME B30.22-2000 活节悬臂起重机(Articulating boom cranes)ASME B30.3 Interpretations Apr 说明书:塔式起重机(Interpretations: Hammerheadtower cranes)ASME B30.3 Interpretations Dec 说明书:塔式起重机(Interpretations: Hammerheadtower cranes)ASME B30.3-1996 塔式起重机(Construction tower cranes)ASME B30.3a Addenda-1997 建筑用塔式起重机.附录(Construction tower cranes;Addenda)ASME B30.3b Addenda-1998 建筑用塔式起重机.附录(Construction tower cranes;Addenda)ASME B30.3c Addenda-1999 建筑用塔式起重机.附录(Construction tower cranes;Addenda)ASME B30.5Interpretations-199汽车起重机和机车起重机(Mobile and locomotive cranes) ASME B30.5-2000 汽车起重机和机车起重机(Mobile and locomotive cranes)ASME B30.5a Addenda-2002 汽车和机车起重机.附录(Mobile and locomotive cranes;Addenda)ASME B30.6-2003 桅杆起重机(Derricks)ASME B30.8 Interpretations Dec 说明:水上起重机和水上桅杆起重机(Interpretations: Floating cranesand floating derricks)ASME B30.8 Interpretations Jan 说明:水上起重机和水上桅杆起重机(Interpretations: Floating cranesand floating derricks)ASME B30.8a Addenda-2001 浮式起重机和浮式桅杆起重机.修改件(Floating cranes and floatingderricks; Addenda)ASME B30.9-1996 悬带.空中索道、起重机、铁塔架、升降机、钓勾, 旗杆架的安全标准(Slings - Safety standard forcableways, cranes, derricks,hoists, hooks, jacks, and slings)ASME B56.7-1987 工业卡车起重机的安全标准(Safety standard for industrial crane trucks)ASME HST-2-1999 手链式人工操作链式起重机的性能标准(Performance standard for handchain manually operated chainhoists)ASME HST-5-1999 气动链式起重机的性能标准(Performance standard for air chain hoists)ASME NUM-1-2000 起重机、单轨铁路和提升机的构造规则(带有悬桥或悬挂式吊车或悬挂式提升机)(Rules for construction of cranes,monorails, and hoists (with bridgeor trolley or hoist of theunderhung type))ASME NUM-1a Addenda-2002 起重机、单轨铁路和提升机的构造规则(带有悬桥或悬挂式吊车或悬挂式提升机).补充(Rules for construction of cranes,monorails, and hoists (with bridgeor trolley or hoist of theunderhung type); Addenda)ASME NUM-1b Addenda-2002 起重机、单轨和提升机的构造规则(带有悬桥或悬挂式吊车或悬挂式提升机).ASME NMU-1-2000的附录(Rules for construction of cranes,monorails, and hoists (with bridgeor trolley or hoist of theunderhung type); Addenda to ASMENUM-1-2000)ASTM A 759-2000 起重机用碳钢轨条的标准规范Standard Specification for Carbon Steel Crane RailsASTM F 1797-1998 绝缘采掘式起重机声音发射试验的标准试验方法Standard Test Method for AcousticEmission Testing of InsulatedDigger Derricks编号中文名称英文名称英国起重机标准(BS crane standards)ANSI| BS| DIN| EN| GB| ISO| JIS| NF| DIC 编号中文名称英文名称BS 2452-1954 电驱动高架式移动基座悬臂起重机(高架式门座悬臂起重机)规范Specification for electricallydriven jib cranes mounted on a highpedestal or portal carriage (highpedestal or portal jib cranes)BS 2799-1974 建筑与工程用动力驱动塔式起重机规范Specification for power-driventower cranes for building andengineering constructionBS 2853-1957 架空吊车道钢梁的设计与试验规范Specification for the design and testing of steel overhead runway beamsBS 3037-1-1958 起重机轨轮用轮箍规范.第1部分:双法兰平行轮距轮箍Specification for tyres for cranerail wheels - Double-flangedparallel-tread tyresBS 3037-2-1975 起重机轨轮用轮箍规范.第2部分:锻制或轧制双法兰钢轨轮与钢轮箍(米制单位)规范Specification for tyres for cranerail wheels - Forged or rolled steeldouble flanged rail wheels and tyres(metric units)BS 327-1964 动力驱动悬臂式起重机规范Specification for power-driven derrick cranesBS 357-1958 动力驱动的动臂式起重机(有轨低架型)规范Specification for power-driventravelling jib cranes (rail-mountedlow carriage type)BS 3810-4-1968 材料装卸术语.第4部分起重机术语Glossary of terms used in materials handling - Terms used in connection with cranesBS 466-1984 一般用途的动力驱动高架移动式起重机、中型移动式起重机和重型移动式起重机规范Specification for power drivenoverhead travelling cranes,semi-goliath and goliath cranes forgeneral useBS 5667-13-1979 连续式机械装卸设备规范.安全性要求.第13部分:成组货件:悬臂式起重机与推杆式输送机Specification for continuousmechanical handling equipment -safety requirements - Unit loads:arm elevators and push bar conveyorsBS 5744-1979 起重机(桥式起重机、悬挂移动式起重机、轨道起重机、高座式起重机与龙门转臂式码头起重机、手动轻便起重机Code of practice for safe use ofcranes (overhead/underhungtravelling and goliath cranes, highpedestal and portal jib docksidecranes, manually-operated and light cranes, container handling cranes and rail-mounted low carriage cranes)BS 7121-1-2006 起重机安全使用的实施规程.总则Code of practice for safe use of cranes - GeneralBS 7121-11-1998 起重机安全使用实用规程.近海起重机Code of practice for safe use of cranes - Offshore cranesBS 7121-12-1999 起重机安全操作实施规程.救援服务车和设备.实施规程Code of practice for safe use ofcranes - Recovery vehicles andequipment - Code of practiceBS 7121-14-2005 起重机安全操作实施规程.起重机侧臂管道敷设机Code of practice for safe use ofcranes - Side boom pipelayersBS 7121-2-2003 起重机安全操作实用规程.验收、试验和检查Code of practice for safe use ofcranes - Inspection, testing andexaminationBS 7121-3-2000 起重机安全操作规程.移动式起重机Code of practice for safe use of cranes - Mobile cranesBS 7121-4-1997 起重机安全使用实用规程.卡车式装载机Code of practice for safe use ofcranes - Lorry loadersBS 7121-5-2006 起重机安全使用实施规则.塔式起重机Code of practice for safe use of cranes - Tower cranesBS 7212-2006 施工起重机的安全使用实施规则Code of practice for the safe use of construction hoistsBS 7333-1990 回转臂起重机规范Specification for slewing jib cranesBS AU50-1.3.3-1996 轮胎和车轮规范.轮胎.越野轮胎.移动式吊车和类似专用机械轮胎规范Specification for tyres and wheels- Tyres - Off-the-road tyres -Specification for tyres for mobilecranes and similar specializedmachinesBS DD CEN/TS 13001-3-2-2005 起重机.一般设计.绳索绕缠系统中钢丝绳的极限状态和合格检验Cranes - General design - Limitstates and proof of competence ofwire ropes in reeving systemsBS DD CEN/TS 13001-3.1-2005 起重机.一般设计.钢结构性能的极限状态和检验Cranes - General design - Limitstates and proof of competence ofsteel structuresBS EN12077-2-1999 起重机安全.卫生和安全要求.限动及指示设备Cranes safety - Requirements forhealth and safety - Limiting andindicating devicesBS EN 1255-1996 内河航运船只.旋臂起重机Inland navigation vessels - SwingderricksBS EN12644-1-2001 起重机.使用和试验信息.说明Cranes - Information for use andtesting - InstructionsBS EN12644-2-2000 起重机.使用和试验信息.标记Cranes - Information for use andtesting - MarkingBS EN 12999-2003 起重机.装载机Cranes - Loader cranes BS EN 13000-2004 起重机.移动式起重机Cranes - Mobile cranesBS EN13001-1-2005 起重机安全.一般设计.一般原则和要求Crane safety - General design -General principles and requirementsBS EN13001-2-2005 起重机安全.一般设计.负载效应Crane safety - General design - LoadactionsBS EN13135-1-2004 起重机.安全.设计.设备要求.电工设备Cranes - Safety - Design -Requirements for equipment -Electrotechnical equipmentBS EN13135-2-2004 起重机.设备.非电工技术设备Cranes - Equipment -Non-electrotechnical equipmentBS EN 13155-2003 起重机.安全.非固定式荷载提升附属装置Cranes - Safety - Non-fixed loadlifting attachmentsBS EN 13157-2004 起重机.安全.手动升降设备Cranes - Safety - Hand poweredlifting equipmentBS EN 13557-2003 起重机.控制装置与控制台Cranes - Controls and control stationsBS EN 13586-2004 起重机.检修孔Cranes - AccessBS EN13852-1-2005 起重机.海上起重机.通用海上起重机Cranes - Offshore cranes -General-purpose offshore cranesBS EN13852-2-2005 起重机.近海起重机.浮式起重机Cranes - Offshore cranes - FloatingcranesBS EN 14238-2005 起重机.手动控制载荷操纵设备Cranes - Manually controlled load manipulating devicesBS EN 14439-2006 起重机.安全性.塔式起重机Cranes - Safety - Tower cranesBS EN14502-1-2005 起重机.载人用升降设备.第1部分:吊篮Cranes - Equipment for liftingpersons - Part 1: Suspended basketsBS EN14502-2-2005 起重机.载人用提升设备.升降控制台Cranes - Equipment for the liftingof persons - Elevating controlstationsBS EN 15056-2006 起重机.集装箱装卸起吊机用要求Cranes — Requirements for container handling spreadersBS EN 1993-6-2007 欧洲法规3:钢结构设计.起重机支承结Eurocode 3. Design of steel构structures - Crane supportingstructuresBS EN45510-6-8-2000 发电站设备采购指南.涡轮机辅助设备.起重机.第8节:起重机Guide for the procurement of powerstation equipment - Turbineauxiliaries - Cranes - Section 8:CranesBS EN 818-4-1997 起重用短节链条.安全性.第4部分:吊链.8级Short link chain for liftingpurposes - Safety - Chain slings -Grade 8BS ISO10245-4-2005 起重机.限制器和指示器.动臂起重机Cranes - Limiting and indicatingdevices - Jib cranesBS ISO10972-1-1998 起重机.机构要求.第1部分:综述Cranes - Requirements formechanisms - GeneralBS ISO 11629-2006 起重机.起重机及其组件质量评估Cranes - Measurement of the mass of a crane and its componentsBS ISO 11630-1998 起重机.轮位对准测量Cranes - Measurement of wheel alignmentBS ISO 11994-1998 起重机.有效性.词汇Cranes - Availability - VocabularyBS ISO12478-1-1998 起重机.维修手册.综述Cranes - Maintenance manual -GeneralBS ISO12488-1-2005 起重机.轮子和移动及横动轨道的公差.总则Cranes - Tolerances for wheels andtravel and traversing tracks -GeneralBS ISO12488-4-2004 起重机.轮子和移动及横动轨道的公差.动臂起重机Cranes - Tolerances for wheels andtravel and traversing tracks - JibcranesBS ISO 13202-2003 起重机.速度和时间参数的测量Cranes - Measurement of velocity and time parametersBS ISO 15513-2000 起重机.起重机司机(操纵者)、吊装工、信号员和鉴定员的资格要求Cranes - Competency requirementsfor crane drivers (operators),slingers, signallers and assessorsBS ISO16881-1-2005 起重机.轨道轮和相关触轮滑轨支撑结构的设计计算.总则Cranes - Design calculation for railwheels and associated trolley tracksupporting structure - GeneralBS ISO 1834-1999 起重用短环链.验收总则Short link chain for lifting purposes - General conditions of acceptanceBS ISO 23853-2005 起重机.吊装工和信号手的培训Cranes - Training of slingers and signallersBS ISO4306-5-2006 起重机.词汇.桥式起重机和龙门起重机Cranes - Vocabulary - Bridge andgantry cranesBS ISO4308-1-2003 起重机和提升设备.钢丝绳的选用.总则Cranes and lifting appliances -Selection of wire ropes - GeneralBS ISO 4309-2004 起重机.金属丝绳.保养、维修、安装、检查和报废Cranes - Wire ropes - Care,maintenance, installation,examination and discardBS ISO8566-4-1998 起重机.驾驶室.第4部分:旋臂式起重机Cranes - Cabins - Jib cranesBS ISO9926-3-2005 起重机.司机培训.塔式起重机Cranes - Training of drivers - TowercranesBS MA 81-1980 船用起重机配件规范Specification for ships' derrick fittingsKIT 176-2005 BS EN 13001:起重机安全设计汇编BS EN 13001: Crane safety design kit 编号中文名称英文名称返回德国起重机标准(DIN crane standards)ANSI| BS| DIN| EN| GB| ISO| JIS| NF| DIC 编号中文名称英文名称DIN 1055-10-2004 结构物的设计基础和作用.第10部分:起重机和机械引起的作用Basis of design and action onstructures - Part 10: Actionsinduced by cranes and machineryDIN 15001-1-1973 起重机.第1部分:词汇、按型号的分类Cranes; Vocabulary, classification according to typeDIN 15001-2-1975 起重机:第2部分:词汇.按用途分类Cranes; Vocabulary, classification according to applicationDIN 15002-1980 起重机.承载装置.词汇Lifting appliances; Load carrying devices; VocabularyDIN 15018-1-1984 起重机.钢结构.验证和计算Cranes; steel structures; verification and analysesDIN 15018-2-1984 起重机.钢结构.设计与制造原则Cranes; steel structures; principles of design and constructionDIN 15018-3-1984 起重机.有关钢结构的原理.车载起重Cranes; principles relating to机的计算steel structures; design of craneson vehiclesDIN 15019-1-1979 起重机.第1部分:除无轨安装移动式起重机和浮吊之外的所有起重机的稳定性Cranes; Stability for All CranesExcept Non-rail Mounted MobileCranes and Except Floating CranesDIN 15019-2-1979 起重机.无轨安装移动式起重机的稳定性第2部分:试验载荷与计算Cranes; Stability for NonRail-mounted Mobile Cranes; TestLoading and CalculationDIN 15020-2-1974 起重机.第2部分:钢索传动原则.使用中监视Lifting Appliances; PrinciplesRelating to Rope Drives;Supervision during OperationDIN 15022-1979 起重机.提升高度.作业速度Cranes; lifting hights, operating speedsDIN 15023-1979 起重机.悬臂起重机和带悬臂梁的龙门式起重机.工作半径Cranes; slewing cranes and portalcranes with cantilever, radiiDIN 15024-1968 起重机和系列起重设备.双梁起重机的轨距(中心至中心)Cranes and serial liftingappliances, track gauges (center tocenter) for double girder crabsDIN 15025-1978 起重机.起重机驾驶室内操纵杆的操纵方向和配置Cranes; Direction of actuation andarrangement of controls in cranecabinsDIN 15049-1958 带有电动葫芦或类似提升绞车的起重机.带滑动轴承的轨道轮Cranes with electric hoists orsimilar hoist gear; track wheelswith plain bearingsDIN 15050-1958 人工操作起重机.带滚动轴承的轨道轮Hand-driven cranes; track wheels with roller bearingsDIN 15053-1976 起重机.减速齿轮、连接尺寸、外形规格、输出力矩Cranes; reduction gears, connectingdimensions, contour gauges, outputtorquesDIN 15055-1982 炼钢厂、轧钢机和起重机.用油压的过盈配合.用途、尺寸、结构Steelworks, rolling mills andcranes; interference fits using oilunder pressure; application,dimensions, designDIN 15057-1978 起重机.滚珠和滚柱轴承的盖.连接尺寸Cranes; covers for ball and rollerbearings, connecting dimensionsDIN 15061-1-1977 起重机.绳索槽轮的槽剖面Lifting appliances; groove profiles for wire rope sheavesDIN 15061-2-1977 起重机.钢丝绳卷筒上的槽形Cranes; groove profiles for wire rope drumsDIN 15062-1-1982 起重机.绳轮.选择范围和直径与宽度的配合Cranes; rope pulleys; selectedranges and correlation of diametersand overall widthsDIN 15062-2-1982 起重机.绳轮.轴承和轮毂尺寸Cranes; rope pulleys; dimensions of hubs and bearingsDIN 15070-1977 提升设备.起重机轨道轮的计算Cranes; basic calculation of crane rail wheelsDIN 15071-1977 提升设备.起重机轨道轮的承载的测定Cranes; determination of bearing load of crane rail wheelsDIN 15072-1977 起重机.起重机轨道轮的触轨面轮廓和不同轨轮直径轨道的数据表Cranes; tread profile of crane railwheels and table of rails fordifferent wheel diametersDIN 15073-1977 起重机.导频轨道轮的一览表Cranes; table of crane rail wheelsDIN 15074-1978 起重机..无齿轮带滑动轴承的起重机凸缘导轨轮Cranes; flanged crane rail wheelswith plain bearings, without gearwheelDIN 15075-1977 起重机.带齿轮的装有关节轴承的有法兰的起重机轨道轮Cranes; flanged crane rail wheels,with plain bearings, with gear wheelDIN 15076-1977 起重机.不带齿轮的装有关节轴承的带轮胎的有法兰的起重机轨道轮Cranes; flanged crane rail wheelswith tyre, with plain bearings,without gear wheelDIN 15077-1977 起重机.带滑动轴承和齿轮的带轮箍的起重机凸缘导轨轮.Cranes; flanged crane rail wheelswith tyre, with plain bearings, withgear wheelDIN 15078-1977 起重机.不带齿轮的装有滚子轴承的有法兰的起重机轨道轮Cranes; flanged crane rail wheels,with roller bearings, without gearwheelDIN 15079-1977 起重机.带滚柱轴承和齿轮的起重机带凸缘导轨轮Cranes; flanged crane rail wheels,with roller bearings, with gearwheelDIN 15080-1977 起重机.带滚柱轴承、无齿轮、带轮箍的起重机凸缘导轨轮Cranes; flanged crane rail wheelswith tyre, with roller bearings,without gear wheelDIN 15081-1977 起重机.带滚柱轴承、齿轮、带轮箍的起重机带凸缘导轨轮Cranes; flanged crane rail wheelswith tyre, with roller bearings,with gear wheelDIN 15082-1-1977 起重机.轨道轮.螺旋连接的齿轮Cranes; crane rail wheels, screwed-on gear wheelsDIN 15082-2-1977 起重机.与大齿轮压配合的带滚柱轴承的起重机轨道轮Cranes; crane rail wheels withroller bearings, pressed-on gearwheelsDIN 15083-1977 起重机;起重机导轨轮、机加的轮箍Cranes; crane rail wheels, machined tyresDIN 15084-1977 起重机.带滚柱轴承起重机导轨轮.轴承盖Cranes; crane rail wheels withroller bearings, bearing coversDIN 15086-1977 起重机.装有轴套补偿滚子轴承的起重机轨道轮.Crane; crane rail wheels with rollerbearings, flattening of axle bushesDIN 15090-1982 起重机.驱动轮装置及从动轮装置.组装Cranes; driving wheel units andidler wheel units; assemblyDIN 15091-1982 起重机.主动轮组和从动轮组.走轮轴Cranes; driving wheel units and idler wheel units; travelling wheel shaftsDIN 15092-1982 起重机.驱动轮装置及从动轮装置.密封盖Cranes; driving wheel units andidler wheel units; sealing coversDIN 15093-1982 起重机.主动轮组和从动轮组.走轮Cranes; driving wheel units and idler wheel units; travelling wheelsDIN 15094-1982 起重机.主动轮组和从动轮组.轴承罩环Cranes; driving wheel units andidler wheel units; bearing cageringsDIN 15095-1982 起重机.驱动和转动轴.安全盘、套筒、连接管Cranes; driven and rotating axles;securing discs, bushes, nipplesDIN 15400-1990 起重吊钩.材料、机械特性、承载能力Lifting hooks; materials,和应力mechanical properties, liftingcapacity and stressesDIN 15401-2-1983 起重机用吊钩.单钩.带螺纹轴的成品件Lifting hooks for liftingappliances; Single hooks; Finishedparts with threaded shankDIN 15402-1-1982 起重机用吊钩.(Ramshorn hooks)双钩.毛坯件Lifting hooks for liftingappliances; Ramshorn hooks;Unmaschined partsDIN 15402-2-1983 起重机用吊钩.(Ramshorn hooks)双钩.带螺纹轴的成品Lifting hooks for liftingappliances; Ramshorn hooks;Finished parts with threaded shankDIN 15403-1969 起重机的提升吊钩.圆螺纹Lifting Hooks for Hoists; Knuckle ThreadsDIN 15404-1-1989 起重机吊钩.锻制吊钩交货技术条件Lifting hooks; technical delivery conditions for forged hooksDIN 15404-2-1988 起重机吊钩.轧制吊钩交货技术条件Lifting hooks; technical delivery conditions for laminated hooksDIN 15405-1-1979 起重机用吊钩.第1部分:使用中锻制吊钩的检验Lifting hooks; inspection of forgedhooks in serviceDIN 15405-2-1988 起重机吊钩.轧制吊钩使用中检查Lifting hooks; In-serviceinspection of laminated hooksDIN 15406-1969 起重吊钩.手工锻制吊钩的描绘,指令Lifting hooks; tracing of hand forged hooks, directivesDIN 15407-1-1977 起重机用吊钩.第1部分:插口铁水包、组件用带测点的叠层吊钩.主要尺寸Lifting hooks; laminated hooks witha point for spigot ladles, assembly,principal dimensionsDIN 15408-1982 起重机.双滑轮下滑车.组件Cranes; twin sheave bottom blocks; assemblyDIN 15409-1982 起重机.四滑轮下滑车.组件Cranes; quadruple sheave bottom blocks; assemblyDIN 15412-1-1983 起重机的底座.第1部分:横梁毛坯Bottom blocks for lifting appliances; cross pieces; unmachined partsDIN 15412-2-1983 起重机的底座.第2部分:横梁成品Bottom blocks for lifting appliances; cross pieces; finished partsDIN 15413-1983 起重机的下滑车.提升吊钩螺母Bottom blocks for lifting appliances; lifting hook nutsDIN 15417-1982 起重机.下滑车.带滑动轴承的D型绳索轮Cranes; bottom blocks; type D ropepulleys with plain bearingsDIN 15418-1-1982 起重机.下滑车.无内套带深槽滚珠轴承的C型绳轮Cranes; bottom blocks; type C ropepulleys with deep groove ballbearing, without internal sleeveDIN 15418-2-1982 起重机的下滑车.无内轴套深滚道滚珠轴承的C型绳索滑轮的间隔套Cranes; bottom blocks; spacersleeves for type C rope pulleys withdeep groove ball bearing, withoutinternal sleeveDIN 15418-3-1982 起重机的下滑车.无内轴套深滚道滚珠轴承的C型绳索滑轮的油封盖Cranes; bottom blocks; sealingcovers for type C rope pulleys withdeep groove ball bearing, withoutinternal sleeveDIN 15421-1-1982 起重机的下滑车.带深滚道滚珠轴承和内轴套的B型绳索滑轮Cranes; bottom blocks; type B ropepulleys with deep groove ballbearing and internal sleeveDIN 15421-2-1982 起重机.下滑车.带深滚道滚珠轴承和内套筒的B型绳索轮的内轴套和隔离套Cranes; bottom blocks; internalsleeves and spacer sleeves for typeB rope pulleys with deep groove ballbearing and internal sleeveDIN 15421-3-1982 起重机.下滑车.带深滚道滚珠轴承和内套筒的B型绳索轮的油封盖Cranes; bottom blocks; sealingcovers for type B rope pulleys withdeep groove ball bearing andinternal sleeveDIN 15422-1-1982 起重机.下滑车.带圆柱形滚动轴承和内套筒的A型绳索轮Cranes; bottom blocks; type A ropepulleys with cylindrical rollingbearing and internal sleeveDIN 15422-2-1982 起重机.下滑车.带圆柱形滚动轴承和内套筒的A型绳索轮的内轴套和隔离套Cranes; bottom blocks; internalsleeves and spacer sleeves for typeA rope pulleys with cylindricalrolling bearing and internal sleeveDIN 15422-3-1982 起重机.下滑车.带圆柱形滚动轴承和内套筒的A型绳索轮的油封盖Cranes; bottom blocks; sealingcovers for type A rope pulleys withcylindrical rolling bearing andinternal sleeveDIN 15450-1978 起重机.移动驱动用万向轴的评价Cranes; evaluating of cardan shafts for travelling drivesDIN 15451-1-1978 起重机.万向节轴.第1部分:主要尺寸Cranes; cardan shafts, principle dimensionsDIN 15451-2-1978 起重机.万向节轴.第2部分:法兰连接Cranes; cardan shafts, connection to coupling flangeDIN 15452-1978 起重机.万向轴的连接法兰Cranes; coupling flanges for cardan shaftsDIN 15453-1978 起重机.万向节轴、安装方向、维护、搬运和存放Cranes; cardan shafts, directivesfor installation, maintainance,handling and storageDIN 22400-1990 提升机的控制装置.采矿用起重机和绞车Control units of winding engines;hoists and winches for miningDIN 4132 Bb.1-1981 起重机走道.钢结构.计算、设计与制造原则.说明Craneways; Steel structures,Principles for calculation, designand construction, ExplanationsDIN 4132-1981 起重机走道.钢结构.计算、设计与制造原则Craneways; Steel structures;Principles for calculation, designand constructionDIN 4212-1986 加筋混凝土和预应力混凝土起重机轨道.设计和施工Reinforced concrete and prestressedconcrete craneways; design andconstructionDIN45635-61-1990 机器噪音测量.气载噪声测量.包面法.起重机Measurement of airborne noiseemitted by machines; envelopingsurface method; cranesDIN 536-1-1991 起重机轨道.A型、尺寸、截面特点、带底脚缘的起重机轨道用钢的品种Craine rails; dimensions, sectionalproperties, steel grades for cranerails with foot flange, form ADIN 536-2-1974 F 型(扁形)起重机轨道.第2部分:尺寸、静态值、钢品级Crane Rails, Type F (Flat);Dimensions, Static Values, SteelGradesDIN CEN/TS13001-3-1 Berichtigung 1-2006 起重机.一般设计.第3-1部分:钢结构性能的极限状态和合格检验Cranes - General design - Part 3-1:Limit states and proof of competenceof steel structures; German versionCEN/TS 13001-3-1:2004, Corrigendato DIN CEN/TS 13001-3-1:2005-03;German version CEN/TS13001-3-1:2004/AC:2006DIN CEN/TS 13001-3-1-2005 起重机.一般设计.第3-1部分:钢结构性能的极限状态和检验Cranes - General design - Part 3-1:Limit states and proof of competenceof steel structures; German versionCEN/TS 13001-3-1:2004DIN CEN/TS13001-3-2 Berichtigung 1-2006 起重机.一般设计.第3-2部分:滑轮组中钢索性能的极限状态和检验Cranes - General design - Part 3-2:Limit states and proof of competenceof wire ropes in reeving systems;German version CEN/TS13001-3-2:2004, Corrigenda to DINCEN/TS 13001-3-2:2005-03; Germanversion EN 13001-3-2:2004/AC:2006DIN CEN/TS 13001-3-2-2005 起重机.一般设计.第3-2部分:滑轮组中钢索性能的极限状态和检验Cranes - General design - Part 3-2:Limit states and proof of competenceof wire ropes in reeving systems;German version CEN/TS13001-3-2:2004DIN EN12077-2-2000 起重机安全.健康和安全要求.第2部分:限制和指示装置Cranes safety - Requirements forhealth and safety - Part 2: Limitingand indicating devices; Germanversion EN 12077-2:1998DIN EN 1255-1995 内河航运船只.旋臂起重机Inland navigation vessels - Swing derricks; German version EN 1255:1995DIN EN12644-1-2001 起重机.使用和试验资料.第1部分:说明书Cranes - Information for use andtesting - Part 1: Instructions;German version EN 12644-1:2001DIN EN12644-2-2000 起重机.使用和试验信息.第2部分:标记Cranes - Informations for use andtesting - Part 2: Marking; Germanversion EN 12644-2:2000DIN EN 12999-2003 起重机.装载起重机Cranes - Loader cranes; German version EN 12999:2002DIN EN12999/A1-2004 起重机.负载起重机Cranes - Loader cranes; Germanversion EN 12999:2002/A1:2004DIN EN12999/A2-2007 起重机.装载起重机Cranes - Loader cranes; Germanversion EN 12999:2002/A2:2006DIN EN 13000-2004 起重机.移动式起重机Cranes - Mobile cranes; German version EN 13000:2004DIN EN 13001-1 Berichtigung 1-2006 起重机.一般设计.第1部分:一般原则和要求Cranes - General design - Part 1:General principles andrequirements; German version EN13001-1:2004, Corrigenda to DIN EN13001-1:2005-04; German version EN13001-1:2004/AC:2006DIN EN13001-1-2005 起重机.一般设计.第1部分:总则和要求Cranes - General design - Part 1:General principles andrequirements; German version EN13001-1:2004DIN EN13001-2-2007 起重机.一般设计.第2部分:负载作用Cranes - General design - Part 2:Load actions; German version EN13001-2:2004+AC:2006+A1:2006DIN EN13135-1-2004 起重机.安全.设计.设备要求.第1部分:电工设备Cranes - Safety - Design -Requirements for equipment - Part 1:Electrotechnical equipment; Germanversion EN 13135-1:2003DIN EN 13135-2 Berichtigung 1-2006 起重机.设备.第2部分:非电气化学设备Cranes - Equipment - Part 2:Non-elektrotechnical equipment;German version EN 13135-2:2004,Corrigenda to DIN EN13135-2:2005-02; German version EN13135-2:2004/AC:2005。
起重机规则与标准简介标准一、起重机1、起重机械定义:起重机是指在必定范围内垂直提高和水平搬运重物的多动作起重机械起重机械,是指用于垂直起落或许垂直起落并水平挪动重物的机电设备,其范围规定为额定起重量大于或许等于0.5t 的起落机;额定起重量大于或许等于 3t(或额定起重力矩大于或许等于 40t ·m 的塔式起重机,或生产率大于或许等于300t/h 的装卸桥),且提高升度大于或许等于2m 的起重机;层数大于或许等于 2 层的机械式泊车设备。
(特种设备安全督查条例(国务院令2014年第 114 号)中对起重机械做出明确立义)依据国家质检总局公布的《特种设备目录》,起重机械分为:桥式起重机、门式起重机、塔式起重机、流动式起重机、门座式起重机、起落机、缆索式起重机、桅杆式起重机、机械式泊车设备。
二、起重机有关标准及技术规范1、标准序标准号标准名称实行日期公布单位国别状态号1 FEM-1998 欧洲起重机械设计规范1998 欧盟在用2 GB/T 3811-2008 起重机设计规范2008-11-01 中国在用3 GB 28755-2012 简略起落机安全规程2013-02-01 中国在用4 JB/T 3695-2008电动葫芦桥式起重机2008-11-01中国在用5 JB/T 5663-2008 电动葫芦门式起重机2008-11-01 中国在用6 GB 5144-2006 塔式起重机安全规程2007-10-01 中国在用7 JB/T 1306-2008 电动单梁起重机2008-11-01 中国在用8 JB/T 2603-2008 电动悬挂起重机2008-11-01 中国在用9 JB 8716-1998 汽车起重机和轮胎起重机安1998-07-01 中国在用全规程10 JB/T 9738-2000 汽车起重机和轮胎起重机技中国在用术要求2000-10-0111 JG/T 5055-1994 履带起重机安全规程1995-07-01 中国在用12 JB/T 9008.2-2004 钢丝绳电动葫芦第 2 部分 : 试中国在用验方法2005-04-0113 GB 19154-2003 擦窗机2003-11-01 中国在用14 GB/T 16905-1997 集装箱正面吊运起重机试验1998-02-01 中国在用方法15 JB/T 5317-2007 环链电动葫芦2008-03-01 中国在用16 JG/T 5099-1998 高空作业机械安全规则1998-12-01 中国在用17 GB/T 3811-2008 起重机设计规范2008-11-01 中国在用18 GB 12602-2009 起重机械超载保护装置2010-01-01 中国在用19 JB/T 7688.1-2008 冶金起重机技术条件第 1 部中国在用分 : 通用要求2008-11-0120 JB/T 7688.2-2008 冶金起重机技术条件第 2 部中国在用分 : 料箱起重机2008-11-0121 JB/T 7688.3-2008 冶金起重机技术条件第 3 部中国在用分 : 锻造起重机2008-11-0122 JB/T 7688.6-2008 冶金起重机技术条件第 6 部中国在用分 : 淬火起重机2008-11-0123 JB/T 7688.7-2008 冶金起重机技术条件第 7 部中国在用分 : 料耙起重机2008-11-01总则25 GB 17907-2010 机械式泊车设备通用安全要2011-12-01 中国在用求26 GB/T 起重机安全使用第 1 部2010-01-01 中国在用23723.1-2009 分:总则27 GB/T 起重机安全使用第 3 部分:2011-02-01 中国在用23723.3-2010 塔式起重机28 GB/T起重机检查第 1 部分:总则2010-01-01 中国在用23724.1-200929 GB/T 起重机检查第 3 部分:塔式2011-02-01 中国在用23724.3-2010 起重机中华人民共和国国30 GB/T 18439-2001 港口起重机稳固性基本要求2002-04-01 家质量监中国在用督查验检疫总局31 GB/T 783-2013 起重机械基本型的最大起重2014-03-01国家质检中国在用量系列总局32 GB/T 5031-2008 塔式起重机2009-02-01 中国在用33 JB/T 6392-2008 起重机车轮2008-11-01 国家发改中国在用委34 JB/T 8909-2013 简略起落类机械式泊车设备2014-07-01 中国在用35 JB/T 8910-2013 起落横移类机械式泊车设备2014-07-01 中国在用36 GB/T 30561-2014 起重机刚性桥式和门式起2014-12-01 中国在用重机37 GB 30584-2014 起重机臂架用无缝钢管2015-04-01 中国在用38 GB/T 30027-2013 起重用短环链 VH 级手动链式2014-03-01 中国在用葫芦用高精度链39 GB/T 30026-2013 起重用短环链 TH 级手动链式2014-03-01 中国在用葫芦用高精度链40 GB/T 起重机通道及安全防备设备2010-07-01 中国在用24818.5-2009 第 5 部分 : 桥式和门式起重机41 GB/T 起重机对机构的要求第 5 部2010-07-01 中国在用24809.5-2009 分:桥式和门式起重机桥式和门式起重机43 GB/T 30025-2013 起重机起重机及其零件质量2014-03-01 中国在用的丈量44 GB/T 30024-2013 起重机金属构造能力考证2014-03-01 中国在用45 GB/T 30023-2013 起重机可用性术语2014-03-01 中国在用46 JB/T 10546-2014 汽车专用起落机2014-10-01 中国在用47 GB/T 28756-2012 缆索起重机2013-02-01 中国在用48 无特种设备查验检测人员执业2010-07-06 中国在用注册管理方法中华人民49 JB/T 9008.1 钢丝绳电动葫芦第 1 部分 : 型共和国工中国在用式与基本参数、技术条件2014-10-01业和信息化部50 JB/T 9229-2013 剪叉式起落工作平台2014-07-01 中国在用51 GB/T 14405-2011 通用桥式起重机2011-12-01 中国在用52 GB50256 电气装置安装工程起重机电2015-08-01 中国在用气装置施工及查收规范传动用短节距精细滚子链、套质检总局53 GB/T 1243-2006 2007-05-01 标准化管中国在用筒链、附件和链轮理委员会中华人民共和国国54 JB 6406-2006 电力液压鼓式制动器2007-02-01 家发展和中国在用改革委员会GB/T起重机械用电动机能效测试55 方法第 2 部分 :YZR/YZ 系列2014-01-01 中国在用29562.2-2013三相异步电动机GB/T 起重机械用电动机能效测试56 方法第 1 部分 :YZP 系列变频2014-01-01 中国在用29562.1-2013调速三相异步电动机57 GB10055-2007 施工起落机安全规程2007-10-01 中国在用58 GBT14406-2011 - 通用门式起重机2011-12-01 中国在用59 GB/T5972-2016 起重机钢丝绳养护、保护、2016-6-6 中国在用查验和报废60 GBT19683-2005 轨道式集装箱门式起重机2005-08-01 中国在用GB/T 起重机械用电动机能效测试61 方法第 3 部分 : 锥形转子三相2014-01-01 中国在用29562.3-2013异步电动机62 JB/T 8907-2013 绝缘桥式起重机2013-09-01 中国在用63 JB/T 5897-2014 防爆桥式起重机2014-10-01 中国在用64 GB/T 起重机安全使用第 4 部分:2011-02-01 中国在用23723.4-2010 臂架起重机65 GB/T 起重机司机室第 1 部分 : 总2007-01-01 中国在用20303.1-2006 则66 GB/T 起重机司机室第 2 部分 : 流2007-01-01 中国在用20303.2-2006 动式起重机67 GB/T 起重机司机室第 3 部分 : 塔2007-01-01 中国在用20303.3-2006 式起重机68 GB/T 起重机司机室第 4 部分:臂2007-01-01 中国在用20303.4-2006 架起重机69 GB/T 起重机司机室第 5 部分 : 桥2007-01-01 中国在用20303.5-2006 式和门式起重机70 DB33/T 834-2011 起重机械保护养护管理规范2011-08-26 中国在用71 GB 26469-2011 架桥机安全规程2012-04-01 中国在用72 GB/T 26476-2011 机械式泊车设备 . 术语2011-12-01 中国在用73 GB/T 26559-2011 机械式泊车设备分类2011-12-01 中国在用74 JG/T 5006-1992 桩架技术条件1993-03-01 中国在用75 JB/T 7688.5-2012 冶金起重机技术条件第 5 部2012-11-01 中国在用分:锻造起重机76 GB/T 1955-2008 建筑卷扬机2009-02-01 中国在用77 GB/T 起重吊钩第 1 部分:力学性2011-06-01 中国在用10051.1-2010 能、起重量、应力及资料78 GB/T 起重吊钩第 2 部分:锻造吊2011-06-01 中国在用10051.2-2010 钩技术条件79 GB/T 起重吊钩第 3 部分:锻造吊2011-06-01 中国在用10051.3-2010 钩使用检查80 GB/T 起重吊钩第 5 部分:直柄单2011-06-01 中国在用10051.5-2010 钩81 GB/T 14406-2011 通用门式起重机2011-12-01 中国在用82 GB/T 14743-2009 港口轮胎起重机2010-03-01 中国在用83 GB/T 14783-2009 轮胎式集装箱门式起重机2009-12-20 中国在用84 GB/T 15361-2009 岸边集装箱起重机2010-01-01 中国在用85 GB/T 17495-2009 港口门座起重机2010-03-01 中国在用86 GB/T 17992-2008 集装箱正面吊运起重机安全2008-12-01 中国在用规程87 GB/T 28264-2012 起重机械安全监控管理系统2012-07-01 中国在用88 GB 26557-2011 吊笼有垂直导向的人货两用2012-05-01 中国在用施工起落机89 JT/T 314-2009 港口电动式起重机能源利用2010-04-01 中国在用效率检测方法90 GB/T 起重机车轮及大车和小车轨2011-06-01 中国在用10183.1-2010 道公差第 1 部分:总则91 GB/T 20776-2006 起重机械分类2007-07-01 中国在用92 JB/T 6406-2006 电力液压鼓式制动器2007-02-01 中国在用93 JB/T 7020-2006 电力液压盘式制动器2007-02-01 中国在用94 JB/T 7685-2006 电磁鼓式制动器2007-02-01 中国在用95 GB/T 5905-2011 起重机试验规范和程序2012-06-01 中国在用96 GB/T 10597-2011 卷扬式启闭机2011-12-01 中国在用97 GB/T 14627-2011 液压式启闭机2011-12-01 中国在用98 GB/T 26474-2011 集装箱正面吊运起重机 . 技2011-12-01 中国在用术条件99 GB/T 26475-2011 桥式抓斗卸船机2011-12-01 中国在用100 GB/T 26558-2011 桅杆起重机2011-12-01 中国在用101 GB/T 27545-2011 水平循环类机械式泊车设备2012-05-01 中国在用102 GB/T 27997-2011 造船门式起重机2012-07-01 中国在用103 JB/T 10222-2011 防爆电动葫芦2011-11-01 中国在用104 JIS B8834-2010 起重机 -- 刚度 -- 桥门和龙门2010-03-25 日本在用式起重机105 JB/T 10215-2000 垂直循环类机械式泊车设备2001-01-01 中国在用106 GB/T 22414-2008 起重机速度和时间参数的测2009-04-01 中国在用量107 GB/T 起重机状态监控第 1 部分:2011-02-01 中国在用25196.1-2010 总则108 GB/T 19924-2005 流动式起重机稳固性确实定2006-04-01 中国在用109 GB/T 起重机图形符号第 1 部分:2011-02-01 中国在用25195.1-2010 总则110 GB/T 14560-2011 履带起重机2011-12-01 中国在用112 GB/T 18453-2001 起重机保护手册第 1 部分 :2002-04-01 中国在用总则113 JG/T 5104-1998 桁架式高空作业平台1998-12-01 中国在用114 GB/T 6068-2008 汽车起重机和轮胎起重机试中国在用验规范2009-05-01115 GB/T 21458-2008 流动式起重机额定起重量图中国在用表2008-08-01116 GB/T 起重机械分级第 1 部分 : 总中国在用20863.1-2007 则2007-08-01117 GB/T 21457-2008 起重机和有关设备试验中参中国在用数的丈量精度要求2008-08-01118 GB 28621-2012 安装于现有建筑物中的新电中国在用2013-05-01梯制造与安装安全规范119 JB/T 10219-2011 防爆梁式起重机2011-11-01 中国在用120 GB/T 26470-2011 架桥机通用技术条件2012-04-01 中国在用121 GB 15052-2010 起重机安全标记和危险图形中国在用符号总则2011-12-01122 GB/T 起重吊钩第 11 部分:吊钩螺中国在用10051.11-2010 母防松板2011-06-01GB/T 起重吊钩第 12 部分:吊钩闭123 10051.12-2010 锁装置2011-06-01 中国在用124 JGJ/T 189-2009 建筑起重机械安全评估技术中国在用规程 ( 附条则说明 ) 2010-08-01125 GB/T 27996-2011 全地面起重机2012-07-01 中国在用126 GB/T 26471-2011 塔式起重机 . 安装与拆卸规中国在用则2011-12-01127 GB/T 26473-2011 起重机 . 随车起重机安全要中国在用求2011-12-01128 GB/T 13752-1992 塔式起重机设计规范1993-05-01 中国在用129 GB/T 5972-2009 起重机钢丝绳养护、保护、中国在用安装、查验和报废2010-07-01130 GB/T 6974.2-2010 起重机术语第 2 部分:流动中国在用式起重机2011-02-01131 GB/T 6974.3-2008 起重机术语第 3 部分 : 塔式中国在用起重机2009-02-01132 GB/T 起重机车轮及大车和小车轨中国在用10183.4-20102011-06-01道公差第 4 部分:臂架起重机133 GB/T 29560-2013 门座起重机2014-01-01 中国在用134 GB/T 29561-2013 港口固定式起重机2014-01-01 中国在用135 GB/T 6974.1-2008 起重机术语第 1 部分 : 通用2009-04-01 中国在用术语136 GB/T 6974.5-2008 起重机术语第 5 部分 : 桥式2009-04-01 中国在用和门式起重机137 GB/T 26945-2011 集装箱空箱堆高机2012-02-01 中国在用138 GB/T 30222-2013 起重机械用电力驱动起升机2014-07-01 中国在用构能效测试方法139 GB/T 30223-2013 起重机械用电力驱动运转机2014-07-01 中国在用构能效测试方法140 GB/T 30028-2013 电动葫芦能效测试方法2014-03-01 中国在用141 JB/T 10381-2013 柔性组合式悬挂起重机2013-09-01 工业和信在用中国息化部142 JG/T 5102-1998 套筒油缸式高空作业平台1998-12-01 中国在用货用施工起落机第 2 部分 : 运143 GB 10054.2-2014 载装置不行进人的倾斜式升2014-12-01 中国在用降机2、技术规范TSG起重机械安全技术督查规程 -- 桥式起重机2008-08-01 中3 在用Q0002-2008 国TSG起重机械按期查验规则2009-04-01 中4 在用Q7015-2008 国TSG起重机械安装改造重要维修督查查验规则2009-04-01 中5 在用Q7016-2008 国TSG 特种设备制造、安装、改造、维修质量保证系统2007-10-01 中6基本要求在用Z0004-2007 国TSG特种设备查验检测机构批准规则2004-12-03 中11 在用Z7001-2004 国TSG特种设备查验检测机构判定评审细则2004-12-03 中12 在用Z7002-2004 国13TSG 特种设备查验检测机构质量管理系统要求2004-12-03中 在用Z7003-2004 国35TSG 铁路起重机型式试验细则2007-08-01 中 在用Q7006-2007 国36TSG 缆索起重机型式试验细则2007-08-01 中 在用Q7009-2007 国37 TSG 桅杆起重机型式试验细则 2007-08-01 中在用 Q7010-2007 国 38TSG 机械式泊车设备型式试验细则2006-10-27中 在用Q7013-2006 国39TSG 流动式起重机型式试验细则2008-04-30 中 在用Q7005-2008 国40 TSG 门式起重机型式试验细则 2007-10-01 中在用 Q7003-2007 国 41TSG 门座起重机型式试验细则2007-10-01中 在用Q7007-2007 国42TSG 起重机械安全保护装置型式试验细则2008-06-01 中 在用Q7014-2008 国43 TSG 桥式起重机型式试验细则 2007-10-01 中在用 Q7002-2007 国 44 TSG轻小型起重设备型式试验细则2008-04-30中在用Q7012-2008国45TSG 起落机型式试验细则2007-08-01 中 在用Q7008-2007 国46TSG 塔式起重机型式试验细则2006-10-27 中 在用Q7004-2006 国47 TSG旋臂式起重机型式试验细则2006-10-27中 在用Q7011-2006国59TSG 起重机械使用管理规则2010-01-01 中 在用Q5001-2009 国57TSG 特种设备制造、安装、改造、维修允许判定评审 2007-10-01中 在用Z0005-2007 细则国61TSG 特种设备查验检测机构批准规则2004-12-03 中 在用 Z7001-2004 国78 TSG特种设备事故检查办理导则2010-05-01中 在用Z0006-2009国。
吊机安全评估标准
吊机安全评估标准可以根据各国吊机安全标准进行评估,以下是一些常见的吊机安全评估标准:
1. 欧洲标准:根据EN 13000标准进行评估,包括吊机的设计、制造和使用的安全要求。
2. 美国标准:根据ASME B30.5标准进行评估,该标准规定了对于吊机的设计、制造和使用的安全要求。
3. 国际标准:根据ISO 4309标准进行评估,该标准规定了钢
丝绳的检验和维护的要求,这对于吊机的安全至关重要。
4. 工业标准:根据工业行业的特定需求制定的标准进行评估,如建筑行业的Cranes and Derricks Standard。
除了以上标准,还有一些其他的吊机安全评估标准,如国家标准、地区标准和行业协会标准等。
根据各个国家和地区的具体法规和标准来选择适用的吊机安全评估标准。
起重机国际标准(一)发布时间:2008-07-02 点击率:1770ISO/TC96起重机标准编号标准名称ISO 2734:1983 起重机械——基本型的最大起重量范围ISO 4301-1:1986 起重机和起重机械——分级——第1部分:总则ISO 4301-2:1985 起重机械——分级——第2部分:流动式起重机ISO 4301-3:1993 起重机——分级——第3部分:塔式起重机ISO 4301-4:1989 起重机和相关设备——分级——第4部分:臂架式起重机ISO 4301-5:1991 起重机——分级——第5部分:桥式和门式起重机ISO 4302:1981 起重机——风载荷估算ISO 4304:1987 除流动式和浮式起重机以外的起重机——稳定性基本要求ISO 4305:1991 流动式起重机——稳定性的确定ISO 4306-1:1990 起重机——名词术语——第1部分:总则ISO 4306-2:1994 起重机——名词术语——第2部分:流动式起重机ISO 4306-3:1991 起重机——名词术语——第3部分:塔式起重机ISO 4308-1:1986 起重机和起重机械——钢丝绳选择——第1部分:总则ISO 4308-2:1988 起重机和起重机械——钢丝绳选择——第2部分:流动式起重机——利用系数ISO 4309:1990 起重机——钢丝绳——检查和报费实用规范ISO 4310:1981 起重机——试验规范和程序ISO 7296-1:1991 起重机——图形符号——第1部分:总则ISO 7296-1/Amd:1996 起重机——图形符号——第1部分:总则修改件1ISO 7296-2:1996 起重机——图形符号——第2部分:流动式起重机ISO 7363:1986 起重机和起重机械——技术性能和验收文件ISO 7752-1:1983 起重机械——控制装置——布置形式和特性——第1部分:一般原则ISO 7752-2:1985 起重机械——控制装置——布置形式和特性——第2部分:流动式起重机基本布置和要求ISO 7752-2/Add:1986 起重机械——控制装置——布置形式和特性——第2部分:流动式起重机基本布置和要求补充件1ISO 7752-3:1993 起重机械——控制装置——布置形式和特性——第3部分:塔式起重机ISO 7752-4:1989 起重机械——控制装置——布置形式和特性——第4部分:臂架起重机ISO 7752-5:1985 起重机械——控制装置——布置形式和特性——第5部分:桥式和门式起重机ISO 8087:1985 流动式起重机——卷筒和滑尺寸ISO 8306:1985 起重机——桥式和门式起重机——起重机和轨道公差ISO 8566-1:1992 起重机——司机室——第1部分:总则ISO 8566-2:1995 起重机——司机室——第2部分:流动式起重机ISO 8566-3:1992 起重机——司机室——第3部分:塔式起重机ISO 8566-4:1998 起重机——司机室——第4部分:臂架式起重机ISO 8566-5:1992 起重机——司机室——第5部分:桥式和门式起重机ISO 8686-1:1989 起重机——载荷和载荷组合设计原则——第1部分:总则ISO 8686-5:1992 起重机——载荷和载荷组合设计原则——第5部分:桥式和门式起重机ISO 9373:1989 起重机和相关设备——试验中参数的测量精度要求ISO 9374-1:1989 起重机——供需双方所需提供的资料——第1部分:总则ISO 9274-4:1989 起重机——供需双方所需提供的资料——第4部分:臂架式起重机ISO 9374-5:1991 起重机——供需双方所需提供的资料——第5部分:桥式和门式起重机ISO 9926-1:1990 起重机——司机培训——第1部分:总则ISO 9927-1:1994 起重机——检修——第1部分:总则ISO 9928-1:1990 起重机——起重机操作手册——第1部分:总则ISO 9942-1:1994 起重机——信息标牌——第1部分:总则ISO 10245-1:19894 起重机——限制器和指示器——第1部分:总则ISO 10245-2:1994 起重机——限制器和指示器——第2部分:流动式起重机ISO 10245-5:1995 起重机——限制器和指示器——第5部分:桥式和门式起重机ISO 10972-1:1998 起重机——各机构的要求——第1部分:总则ISO 10973:1995 起重机——备件手册ISO 11630:1997 起重机——车轮位置的测量ISO 11660-2:1994 起重机——走道,扶手的护栏——第2部分:流动式起重机ISO 11661-1:1995 流动式起重机——根据试验确定起重机性能——第1部分:倾翻载荷和半径ISO 11994:1997 起重机——可用性——术语ISO 12478-1:1997 起重机——维护手册——第1部分:总则ISO 12480-1:1997 起重机——安全作用——第1部分:总则ISO 12482-1:1995 起重机——状态监控——第1部分:总则ISO 13200:1995 起重机——安全标志和危险图示——总则ISO/TC101 连续机械搬运设备ISO 1049:1975 松散物料连续搬运设备——矩形槽或梯形糟振动输送机和给料机ISO 1050:1975 松散物料连续搬运设备——螺旋输送机ISO 1535:1975 松散物料连续搬运设备——槽形带式输送机(携带式输送机除外)——输送带ISO 1536:1975 松散物料连续搬运设备——槽形带式输送机(携带式输送机除外)——输送带滚筒ISO 1537:1975 松散物料连续搬运设备——槽形带式输送机(携带式输送机除外)——托辊ISO 1807:1975 松散物料连续搬运设备——矩形槽或梯形槽摆输送机和摇动或往复给料机ISO 1815:1975 松散物料连续搬运设备——管式振动给料机和输送机ISO 1816:1975 松散物料成件货物连续搬运设备——带式输送机——电动滚筒的基本特征ISO 1819:1977 松散物料搬运设备——安全规范——总则ISO 2109:1975 松散物料搬运设备——松散物料用轻型带式输送机ISO 2139:1975 松散物料连续搬运设备——管式摆输送机和摇动或往复给料机ISO 2140:1975 松散物料连续搬运设备——鳞板输送机ISO 2148:1974 松散物料搬运设备——术语ISO 2326:1972 松散物料连续搬运设备——空气滑槽ISO 2327:1972 松散物料气力输送装置——输送管ISO 2406:1974 松散物料搬运设备——移动式和携带式输送机——结构规范ISO 3265:1974 松散物料连续搬运设备——铁路货车翻车机(回转式、侧卸式和端部卸载式)——安全规范ISO 3284:1974 松散物料连续搬运设备——气力输送用弯管尺寸ISO 3435:1977 连续搬运设备——松散物料的分类和符号表示ISO 3569:1976 连续搬运设备——成件货物的分类ISO 4123:1979 带式输送机——承载托辊缓冲环和回程托辊圆盘——主要尺寸ISO 5031:1977 松散物料连续搬运设备——气力输送接头和软管——安全规范ISO 5032:1977 松散物料连续搬运设备——气力输送用旋转给料机——安全规范ISO 5033:1977 松散物料连续搬运设备——旋转圆筒式给料机和旋转叶轮式给料机——安全规范ISO 5034:1977 松散物料连续搬运设备——手控机械铲——安全规范ISO 5041:1977 成件货物连续搬运设备——用于平底成件输送的双平面箱型链式输送机——安全规范ISO 5042:1977 成件货物连续搬运设备——平板链式输送机——安全规范ISO /TR5045:1979 成件货物连续搬运设备——带式输送机安全规范——挤压部位防护实例ISO /TR5046:1977 连续搬运设备——链式输送机和提升机的安全规范——挤压部位的防护实例ISO /TR5047:1982 连续搬运设备——带承载装置或载荷承载器的链式输送机——防止由承载器引起损伤的保护实例ISO 5048:1989 连续搬运设备——带承载托辊的带式输送机——运行功率和张力的计算ISO 5049-1:1994 移动式散料连续搬运设备——第1部分:钢结构设计规范ISO 5050:1981 连续搬运设备——校准圆环链垂直斗式提升机——一般特性ISO 5051:1981 连续搬运设备——斗式提升机的平后壁深料斗——主要尺寸ISO 7119:1981 连续搬运设备——螺旋输送机——驱动率设计规则ISO 7149:1982 连续搬运设备——安全规范——专用规则ISO 7189:1983 连续搬运设备——鳞板输送机——设计规则ISO 7190:1981 连续搬运设备——斗式提升机——分类ISO /TR8435:1984 连续搬运设备——带式输送机安全规范——托辊上挤压点保护实例ISO 8456:1985 散状物料用贮存设备——安全规范ISO /TR9172:1987 连续搬运设备——螺旋输送机安全规范——挤压及剪切点防护实例ISO 9851:1990 连续搬运设备——电动单轨悬挂输送机——定义和安全规范ISO/TC110 机动工业车辆ISO 509:1996 托盘搬运车——基本尺寸ISO 938:1975 手动托盘搬运车——基本尺寸ISO 1044:1993 工业车辆——电动车牵引用铅酸蓄电池——优先选用的电压ISO 1074:1991 平衡重式叉车——稳定性试验ISO 1084:1975 工业用牵引车——定义和额定功率ISO 1756:1975 工业车辆——托盘的连接尺寸ISO 2163:1975 工业车辆——车轮和脚轮——术语ISO 2175:1981 非机动设备用工业车轮——尺寸和额定承载能力ISO 2184:1972 工业用脚轮——盖板尺寸——第1部分:四螺也矩形盖板ISO 2328:1993 叉车——挂钩型货叉和货叉架——安装尺寸ISO 2330:1995 叉车——货叉——技术要求和试验ISO 2331:1974 叉车——挂钩型货叉——术语ISO 3101:1981 车和脚轮——三个紧固螺栓孔的三角形上盖板ISO 3102:1981 非机动设备用车轮和脚轮——加转脚轮的偏心距ISO 3184:1974 前移式和插腿式叉车——稳定性试验ISO 3287:1978 机动工业车辆——控制符号ISO 3691:1980 机动工业车辆——安全规范ISO 3691/Amd:1983 机动工业车辆——安全规范修改件ISO 5053:1987 机动工业车辆——术语ISO 5057:1993 工业车辆——叉车货叉的检查和修复ISO 5766:1990 托盘堆垛车和高起升平台车——稳定性试验ISO 5767:1992 工业车辆在门架前倾条件下堆垛作业——附加稳定性试验ISO 6055:1997 乘驾式高起升叉车——护顶架——技术要求和试验方法ISO 6292:1996 机动工业车辆和牵引车——制动器性能和零件强度ISO 10525:1997 6m及6m以上长度平衡重式集装箱搬运车——附加稳定性试验ISO 10658:1996 工业车辆在由动力装置侧移载荷条件下堆垛作业——附加稳定性试验ISO/TC111 钢制圆环链,起重吊钩和附件ISO 1834:1984 起重用短环链——验收总则ISO 1835:1980 起重用短环链——吊链等用M(8)级非校准链条ISO 1837:1973 起重吊钩——术语ISO 2262:1984 一般用途钢丝绳套环——技术要求ISO 2308:1972 起重能力30t以下的货物集装箱吊钩——基本要求ISO 2415:1987 起重用锻造卸扣——D形和弓形卸扣ISO 3056:1986 非校准起重圆环链和吊链——使用和维护ISO 3075:1980 起重用短环链——吊链等用S(6)级非校准链条ISO 3076:1984 起重用短环链——吊链等用T(8)级非校准链条ISO 3077:1985 起重用短环链——用于葫芦和其它起重设备的T(8)级校准链条ISO 3189-1:1985 普通钢丝绳用套管——第1部分:一般特性和验收条件ISO 3189-2:1985 普通钢丝绳用套管——第2部分:锻造或机加工套管的特殊要求ISO 3189-3:1985 普通钢丝绳用套管——第3部分:锻造套管的特殊要求ISO 3266:1984 一般起重用吊环螺钉ISO 4778:1981 M(4)、S(6)和T(8)级接吊钩ISO 4779:1986 M(4)级链条配用的锻制环眼起重吊钩ISO 7592:1983 起重钢制圆环校准链——正确使用和维护导则ISO 7593:1986 T(8)级非接吊链ISO 7597:1987 T(8)级链条配用的锻制环眼吊钩ISO 8539:1986 使用T(8)级链条的锻造吊具美国国家标准(ANSI)ANSI/ASME B20.1-1993 输送机和相关设备安全标准ANSI/ASME B29.4M-1994 双节距输送机滚子链,附件和链轮ANSI/ASME B29.15M-1995 钢辊子型输送机链条,附件和链轮齿ANSI/ASME B29.17M-1994 铰接式平板输送机链条和链轮齿ANSI/ASME B29.24M-1992 葫芦以子起重链ANSI/ASME B29.25M-1996 开式鼓形钢销型输送链,附件和链轮ANSI/ASME B30.1-1992 千斤顶安全标准ANSI/ASME B30.2-1996 桥式和门式起重机安全标准ANSI/ASME B30.3-1996 塔式起重机安全标准ANSI/ASME B30.4-1990 门座、塔式和立柱式起重机安全标准ANSI/ASME B30.5-1994 流动式和机车起重机安全标准ANSI/ASME B30.6-1995 桅杆起重机安全标准ANSI/ASME B30.7-1994 座式卷扬机安全标准ANSI/ASME B30.8-1993 浮式起重机和浮式桅杆起重机安全标准ANSI/ASME B30.9-1996 吊具安全标准ANSI/ASME B30.10-1993 吊钩安全标准ANSI/ASME B30.11-1993 单轨和悬挂起重机安全标准ANSI/ASME B30.12-1992 直升飞机吊运货物安全标准ANSI/ASME B30.13-1996 仓储机械及相关设备安全标准ANSI/ASME B30.14-1996 带侧面起升臂架的牵引车安全标准ANSI/ASME B30.16-1993 电动葫芦安全标准ANSI/ASME B30.17-1992 葫芦单梁桥门式起重机安全标准ANSI/ASME B30.18-1993 桥式堆垛起重机安全标准ANSI/ASME B30.19-1993 缆索起重机安全标准ANSI/ASME B30.20-1993 用于吊钩以下的取物装置安全标准ANSI/ASME B30.21-1989 手动式葫芦安全标准ANSI/ASME B30.22-1993 铰接臂架式起重机安全标准ANSI/ASME B56.1-1993 低起升和高起升车辆安全标准ANSI/ASME B56.5-1993 无人驾驶工业车辆和有人驾驶工业车辆安全标准ANSI/ASME B56.6-1992 越野叉车安全标准ANSI/ASME B56.7-1987 工业汽车式起重机ANSI/ASME B56.9-1992 司机控制的工业牵引车安全标准ANSI/ASME B56.10-1992 人工驱动的高起升工业车辆安全标准ANSI/ASME B56.11.3-1992 机动工业车辆载荷搬运符号ANSI/ASME B56.11.4-1992 机动工业车辆挂钩型货叉和货叉架ANSI/ASME B56.11.5-1992 低起升、高起升和越野式机动工业车辆噪声的测量ANSI/ASME B56.11.6-1996 机动工业车辆视野的估算ANSI/ASME HST-1M-1989 环链电动葫芦(1995年确认)ANSI/ASME HST-2M-1989 手拉葫芦(1995年确认)ANSI/ASME HST-3M-1991 环链手板葫芦(1995年确认)ANSI/ASME HST-4M-1991 钢丝绳电动葫芦(1995年确认)ANSI/ASME HST-5M-1991 环链气动葫芦(1995年确认)ANSI/ASME HST-6M-1986 气动葫芦(1995年确认)ANSI/ASME MH1.1.2-1996 覆盖托盘和相关结构的定义和术语ANSI/ASME MH1.2.2M-1989 托盘尺寸ANSI/ASME MH1.4.1M-1996 托盘试验程序ANSI/ASME MH1.6-1996 木质托盘耐久性测定标准规程ANSI/ASME MH1.7M-1996 托盘和相关结构装配用驱动扣件ANSI/ASME MH1.8M-1996 木质托盘ANSI/ASME MH1.9M-1993 出口托盘ANSI/ASME NOG-1-1989 桥式和门式起重机构造规则ANSI/ASME NUM-1-1996 单轨起重机和葫芦构造规则ANSI/ASME PALD-1-1993 轻便式自动提升设备ANSI/CEMA 102-1994 输送机术语和定义ANSI/CEMA 300-1988 螺旋输送机尺寸标准ANSI/CEMA 350-1988 螺旋输送机ANSI/CEMA 401-1994 成件货物搬运输送机辊子输送机ANSI/CEMA 402-1992 成件货物搬运输送机带式输送机ANSI/CEMA 403-1985 成件货物搬运输送机带传动辊子输送机ANSI/CEMA 404-1985 成件货物搬运输送机链传动辊子输送机ANSI/CEMA 405-1985 包装搬运输送机板式输送机ANSI/CEMA 501.1-1988 焊接钢翼托辊规范ANSI/CEMA B105.1-1992 输送机焊接钢滚筒规范ANSI/MH 10.8-1993 物料搬运设备单元货物和输送包裹用条形码ANSI/MH 16.2-1984 工业和商业有和钢制仓储货架实用安全规范ANSI/MH 26.1-1991 工业用集装箱规范ANSI/MH 27.1-1981 悬挂起重机和架空单轨系统规范ANSI/MH 29.1-1994 工业用剪叉式升降台安全要求ANSI/MH 30.1-1993 装卸货平台高低调整板安全性能和试验规范ANSI/SAE J220-1991 起重机臂架防倒装置ANSI/SAE J376-1985 起重机使用中的载荷指示装置ANSI/SAE J765-1990 起重机载荷稳定性试验规范ANSI/SAE J820-1980 起重机线性起升速度和功率试验规范ANSI/SAE J881-1980 起重机滑轮和卷筒尺寸ANSI/SAE J983-1980 起重机和绳铲挖掘机基本操作控制设备ANSI/SAE J987-1991 起重机结构——试验方法ANSI/SAE J959-1980 起重机钢丝绳强度系数ANSI/SAE J1028-1989 起重机臂式吊车脱开装置ANSI/SAE J1063-1980 悬臂起重机结构——试验方法德国工业标准(DIN )DIN 685/1-1985 钢制圆环校准链试验术语DIN 685/2-1981 钢制圆环校准链安全要求DIN 685/3-1981 钢制圆环校准链试验方法DIN 685/4-1981 钢制圆环校准链识别标志和试验验证DIN 695-1986 带吊钩或环形端头附件的2级吊链DIN 762/1-1992 连续输送机用节距为5d的2级钢制圆环校准链DIN 762/2-1992 连续输送机用节距为5d的3级钢制圆环校准链DIN 764/1-1992 连续输送机用节距为3.5d的2级钢制圆环校准链DIN 764/2-1992 连续输送机用节距为3.5d的3级钢制圆环校准链DIN 766-1986 3级钢制圆环校准链DIN 766/1-1990 钢制圆非环校准链DIN 766/2-1990 2级钢制圆环校准链DIN 766/3-1990 输送机用2级钢制圆环校准链DIN 3088-1993 起重用钢丝绳绳具安全要求和试验DIN 3095/1-1988 带钢箍的线匝索环钢箍安全要求和试验DIN 3095/2-1988 带钢箍的线匝索环型式、安全要求和试验DIN 4132-1981 起重机轨道承载梁钢结构设计和结构计算原则DIN 4212-1986 起重机轨道承罢梁钢筋混凝土或预应力混凝土设计和结构DIN 5984/1-1984 起重用5级钢制圆环校准链条DIN 5684/2-1984 起重用6级钢制圆环校准链条DIN 5684/3-1984 起重用8级钢制圆环校准链条DIN 5688/1-1986 带吊钩或环形端头附件的5级链式吊索DIN 5688/3-1986 带吊钩或环形端头附件的8级链式吊索和环形吊索DIN 5691-1990 连接用锻造吊具零件术语、技术要求和试验DIN 5699-1994 带钢制圆环链的斗式提升机链斗DIN 6651/1-1994 气力管道输送系统操作系统公称尺寸DIN 6651/2-1991 气力管道输送系统术语DIN 6654-1996 气力管道输送系统图示符号DIN 6656-1995 气力管道输送系统气力管道输送系统用钢和不锈钠部件DIN 6657-1988 气力管道输送系统冷拉钢输送管道用套管和轴套DIN 6660-1996 气力管道输送系统示增塑PVC-U输送管道、输送管弯道和轴套DIN 6662-1988 气力管道输送系统增增塑PVC-U气力管道线用部件供货技术条件DIN 6666-1985 气力管道输送系统弯曲90度的钢输送管尺寸输送技术条件DIN 6899-1988 纤维绳用钢套管DIN 7355-1970 系列起重设备千斤顶DIN 7540-1970 5级环眼吊钩DIN 7541-1980 起重机械5级大眼吊钩DIN 8153/2-84 输送机用板链链轮齿截面尺寸DIN 8165/1-1992 整体轴承销式FV输送机链条单支和双支链条DIN 8165/2-1992 整体轴承销式FV输送机链条焊接板DIN 8165/3-1992 带厚板的整体轴取销式FV输送机链条DIN 8166-199492 带整体轴承销式FV和FVT型输送机链条用滚子DIN 8167/1-86 带整体销的ISO 型M输送机链条DIN 8167/2-1986 带整体销的ISO 型M输送机链条附件材料和连接尺寸DIN 8167/3-1986 带整体销的ISO 型MT输送机链条DIN 8168/1-1986 带空心销的ISO 型MC输送机链条单支链DIN 8168/2-1986 带空心销的ISO 型MC输送机链条附件材料和连接尺寸DIN 8168/3-1986 带空心销和厚板的ISO 型MC输送机链条DIN 8169-1986 带带整体销和空心销的ISO 型M.MT.MC.和MCT输送机链条用滚子DIN 8175-1980 输送机链条重型套筒输送链DIN 8176-1980 输送机链条输送系统用套筒输送链DIN 8458-1981 工业车辆固定脚轮和回转脚轮主要尺寸DIN 15001/1-1973 起重机一般概念(按结构型式分类)DIN 15001/2-1975 起重机一般概念(按用途分类)DIN 15002-1980 起重机械吊挂装置术语DIN 15003-1970 起重机械吊挂装置载荷和力的定义DIN 15004-1978 汽车起重机主要部分名称DIN 15006-1981 汽车起重机控制器的布置和操作方向DIN 15012-1992 起重机械控制符号DIN 15018/1-1984 起重机钢结构验证和分析DIN 15018/2-1984 起重机钢结构设计和构造原则DIN 15018/3-1984 流动式起重机钢结构计算原则DIN 15019/1-1979 起重机稳定性DIN 15019/2-1979 流动式起重机(无轨式) 稳定性试验载荷和计算DIN 15020/1-1974 起重机械钢丝绳传动设计和计算的基本原则DIN 15020/2-1974 起重机钢丝绳传动设计和计算的基本原则DIN 15021-1979 起重机起重量DIN 15022-1979 起重机起升高度和工作速度DIN 15023-1979 悬臂式起重机及门座起重机回转半径DIN 15024-1968 起重机和系列起重设备双轨小车轨距DIN 15025-1978 起重机司机室内控制器的操作方向和布置DIN 15026-1978 起重机危险部位标志DIN 15030-1977 起重机起重机安装验收试验规则DIN 15055-1982 冶金和轧钢厂设备与起重机压力油过盈联接的应用、尺寸及设计DIN 15057-1974 起重机球轴承和滚子轴承盖连接尺寸DIN 15058-1977 起重机轴端挡板DIN 15061/1-1982 起重机钢丝绳滑轮绳槽断面DIN 15061/2-1982 起重机钢丝绳卷筒绳槽断面DIN 15062/1-1982 起重机钢丝绳滑轮直径和总宽度尺寸的选用系列与匹配DIN 15062/2-1982 起重机钢丝绳滑轮轮毂和支座尺寸DIN 15063-1977 起重机钢线绳滑轮供货技术条件DIN 15069-1977 起重机垫圈DIN 15070-1977 起重机车轮计算基本原理DIN 15071-1977 起重机车轮轴承载荷的计算DIN 15072-1977 起重机车轮踏面形状及起重机轨道与车轮直径的匹配DIN 15073-1977 起重机车轮一览表DIN 15074-1978 起重机带轮缘和滑动轴承无齿圈的车轮DIN 15075-1977 起重机带轮缘和滑动轴承有齿圈的车轮DIN 15076-1977 起重机带轮缘和轮箍及滑动轴承无齿圈的车轮DIN 15077-1977 起重机带轮缘和轮箍及滑动轴承有齿圈的车轮DIN 15078-1977 起重机带轮缘和滚动轴承无齿圈的车轮DIN 15079-1977 起重机带轮缘和滚动轴承有齿圈的车轮DIN 15080-1977 起重机带轮缘和轮箍及滚动轴承无齿圈的车轮DIN 15081-1977 起重机带轮缘和轮箍及滚动轴承有齿圈的车轮DIN 15082/1-1977 起重机车轮用法兰连接的齿圈DIN 15082/2-1977 起重机带滚动轴承车轮压装齿圈DIN 15083-1977 起重机带加工轮箍的车轮DIN 15084-1977 起重机带滚动轴承的车轮挡盖DIN 15085-1977 起重机车轮供货技术条件DIN 15086-1977 起重机带滚动轴承车轮内衬扁销DIN 15090-1982 起重机主动和从动车轮组总成DIN 15091-1982 起重机主动和从动车轮组轮轴DIN 15092-1982 起重机主动和从动车轮组挡盖DIN 15093-1982 起重机主动和从动车轮组轮轮DIN 15094-1982 起重机主动和从动车轮组保持架轴承环DIN 15095-1982 起重机主动和从动车轮组安全挡圈、轴套和接头DIN 15100-1967 系列化轻小型起重设备名称DIN 15105-1985 起重机械用吊钩带环单钩DIN 15106-1982 起重吊钩单钩钩口闭锁装置DIN 15120-1976 系列起重设备载人用活动平台基本计算准则和稳定性DIN 15126-1989 物料搬运用装卸货平台计算、设计和电力液压装置DIN 15134-1992 工业车辆气动轮胎用拼合轮安全要求和试验DIN 15136-1957 工业车辆堆垛机和装载车属具名称DIN 15137-1982 工业车辆托盘搬运车额定起重量和主要尺寸DIN 15138/1-1963 工业车辆稳定性一般原则DIN 15138/2-1963 工业车辆带倾斜门架的站驾式和司机控制的叉车稳定性DIN 15160/1-1989 自行式工业车辆安全要求和试验DIN 15160/2-1989 自行式工业车辆坐驾式操纵踏板的构造和布置规则DIN 15170-1987 工业车辆拖车车钩连接尺寸、技术要求和试验DIN 15172-1988 机动工业车辆牵引施车用牵引车和其他车辆牵引力和拖车载荷DIN 15173-1986 工业车辆叉车货叉架和属具与ISO 货叉呆的安装尺寸DIN 15174-1988 工业车辆带ISO 叉架的高起升叉车的货叉主要尺寸DIN 15178-1986 工业车辆带ISO 叉架的高起升叉车货叉挂钩和定位锁DIN 15184-1991 机动工业车辆高架加用车辆安全要求和试验DIN 15185/1-1991 仓库系统用导向式工业车辆关于地面、仓库的要求和其他要求DIN 15185/2-1993 仓库系统用机动工业车辆在窄巷道里操纵从车辆时人员的保护实用规范、安全要求和试验DIN 15201/1-1994 连续搬运设备术语DIN 15201/2-1981 连续搬运设备输助设备术语和符号DIN 15207/1-1988 连续搬运设备输送松散物料的带式输送机托辊主要尺寸DIN 15207/2-1988 连续搬运设备件货用带式输送机托辊主要尺寸DIN 15209-1984 连续搬运设备带式输送机承载托辊用缓冲环DIN 15210-1984 连续搬运设备带式输送机回程托辊用圆环DIN 15220-1982 连续搬运设备带式输送机挤夹部位保护装置的保护实例DIN 15221-1978 连续搬运设备输送机和提升机挤夹保护装置的保护实例DIN 15222-1978 连续搬运设备带载荷承载器和推料装置的链式输送机防止推料装置或侧板受损伤保护实例DIN 15223-1978 连续搬运设备带式输送机托辊上挤压点保护实例DIN 15224-1983 连续搬运设备螺旋输送机挤压剪切点保护实例DIN 15231-1980 连续搬运设备斗式提升机的浅斗DIN 15232-1980 连续搬运设备斗式提升机的浅圆斗DIN 15233-1980 连续搬运设备斗式提升机的中深斗DIN 15234-1980 连续搬运设备斗式提升机的平后壁深斗DIN 15235-1980 连续搬运设备斗式提升机的弯后壁深斗DIN 15236/1-1980 连续搬运设备斗式提升机的在胶带上的固定DIN 15236/4-1980 连续搬运设备半式提升机的圆环链的连接DIN 15237-1980 连续搬运设备用于输送带上固定构件的盘形螺钉和碟形垫圈DIN 15261/1-1986 松散物料连续搬运设备螺旋输送机连接尺寸DIN 15261/2-1986 松散物料连续搬运设备螺旋输送机螺旋式叶处片DIN 15262-1983 连续搬运设备散料用螺旋输送机计算基本原则DIN 15283-1980 连续搬运设备悬挂输送机可拆链DIN 15350-1992 有轨巷道堆垛起重机钢结构计算规范DIN 15400-1990 起重吊钩材料机械性能、起重能力和应力DIN 15401/1-1982 起重吊钩单钩毛坯件DIN 15401/2-1983 起重吊钩带螺纹柄单钩DIN 15402/1-1982 起重吊钩双钩毛坯件DIN 15402/2-1983 起重吊钩带螺纹柄双钩DIN 15403-1969 葫芦用起重吊钩圆螺纹DIN 15404/1-1989 起重吊钩锻造吊钩供货技术条件DIN 15404/2-1988 起重吊钩片式吊钩供货技术条件DIN 15405/1-1979 起重吊钩锻造吊钩的使用检查DIN 15405/2-1988 起重吊钩片式吊钩的使用DIN 15406-1969 起重吊钩手锻吊钩的打样要求DIN 15407/1-1977 起重吊钩钢铁浇注盛钢桶用片式单钩装配及主要尺寸DIN 15407/2-1989 起重吊钩钢铁浇注盛钢桶用片式单钩零件DIN 15408-1982 起重机双轮式动滑轮组总成DIN 15409-1982 起重机四轮式动滑轮组总成DIN 15410-1982 系列化起重设备用于电动葫芦的单轮、双轮动滑轮组总成DIN 15411-1983 起重机械有轮用的吊钩悬挂装置DIN 15412/1-1983 起重机械用动滑轮组吊钩横梁毛坯件DIN 15412/2-1983 起重机械用动滑轮组吊钩横梁DIN 15413-1983 起重机械用动滑轮组吊钩螺母DIN 15414-1983 起重机械用动滑轮组防松件DIN 15417-1982 起重机动滑轮组带滑动轴承的D型钢丝绳滑轮DIN 15418/1-1982 起重机动滑轮组带向心球轴承无内轴套的C型钢线绳滑轮DIN 15418/2-1982 起重机动滑轮组带向心球轴承无内轴套的C型钢丝绳滑轮用隔套DIN 15418/3-1982 起重机动滑轮组带向心球轴承无内轴套的C型钢丝绳滑轮用挡盖DIN 15421/1-1982 起重机动滑轮组带向心球轴承和内轴套的B型钢丝绳滑轮DIN 15421/2-1982 起重机动滑轮组带向心球轴承和内轴套的B型钢丝绳滑轮用内轴套和隔套DIN 15421/3-1982 起重机动滑轮组带向心球轴承和内轴套的A型钢丝绳滑轮用挡盖DIN 15422/1-1982 起重机动滑轮组带向心球轴承和内轴套的A型钢丝绳滑轮DIN 15422/2-1982 起重机动滑轮组带向心球轴承和内轴套的A型钢丝绳滑轮用内轴套及隔套DIN 15422/3-1982 起重机动滑轮组带向心球轴承和内轴套的A型钢丝绳滑轮用挡盖DIN 15428-1978 起重设备吊挂装置供货技术条件DIN 15429-1978 起重设备吊挂装置使用检查DIN 15433/1-1980 动力传动工程盘式制动器连接尺寸DIN 15433/2-1992 动力传动工程盘式制动器制动衬带DIN 15434/1-1989 动力传动工程鼓式和盘式制动器计算原则DIN 15434/2-1989 动力传动工程鼓式和盘式制动器使用中的维护原则DIN 15434/3-1991 动力传动工程鼓式和盘式制动器紧急停车制动器安全要求DIN 15435/1-1992 动力传动工程鼓式制动器连接尺寸DIN 15435/2-1992 动力传动工程鼓式制动器制动瓦块DIN 15435/3-1992 动力传动工程鼓式制动器制动衬垫DIN 15436-1989 动力传动工程块式和盘式制动器制动衬垫技术要求DIN 15437-1989 动力传动工程制动鼓和制动盘供货技术条件DIN 15450-1978 起重机万向轴的计算DIN 15451/1-1978 起重机万向轴的连接尺寸DIN 15451/2-1978 起重机万向轴法兰盘连接DIN 15452-1978 起重机万向轴连接法兰盘DIN 15453-1978 起重机万向轴的安装、维修、运输和存放的指导性文件DIN 15460-1979 建筑材料用吊箱安全要求DIN 20597-1992 矿井用悬挂单轨齿形盘DIN 20622-1990 道夹紧器的轨道悬挂装置和接合点处的许用力DIN 20629/1-1990 矿井用悬挂单轨机车驱动悬挂单轨安装规则DIN 20633-1992 矿井架空单轨安装用双端叉形螺丝接头DIN 20635-1990 动力传动工程悬挂卸扣DIN 21386-1988 钢丝绳附件钢丝绳套环DIN 22100/1-1992 井下煤矿用合成材料纺织加强输送带安全要求、试验和标记DIN 22100/2-1991 井下煤矿用合成材料钢制加强输送带安全要求、试验和标记DIN 22101-1982 连续搬运设备输送散料的带式输送机计算及设计基础DIN 22102/1-1991 散货用织物输送带尺寸、技术要求和标记DIN 22102/2-1991 散货用织物输送带试验方法DIN 22102/3-1991 散货用织物输送带永久连接接头DIN 22103-1994 阻燃型钢绳芯输送带技术要求和试验方法DIN 22107-1984 连续搬运设备松散物料用带式输送机托辊配置主要尺寸DIN 22109/1-1988 煤矿用织物输送带井下用PVG、PVC单层输送带尺寸和技术要求DIN 22109/2-1988 煤矿用织物输送带井下用二层橡胶或PVC输送带尺寸和技术要求DIN 22109/4-1988 煤矿用织物输送带地面用橡胶输送带尺寸和技术要求DIN 22109/5-1988 煤矿用织物输送带标记DIN 22109/6-1988 煤矿用织物输送带试验方法DIN 22110/1-1991 输送带接头试验方法织物输送带接头处破断载荷的确定DIN 22110/2-1991 输送带接头试验方法疲劳运行试验织物输送带接间运行时间的确定DIN 22110/3-1993 输送带接头试验方法输送带接头时间强度的确定(动载试验方法) DIN 22111-1990 井下煤矿用带式输送机轻型机架DIN 22112/1-1996 井下煤矿用带式输送机托辊第1部分:尺寸DIN 22112/2-1996 井下煤矿用带式输送机托辊第2部分:技术要求DIN 22112/3-1996 井下煤矿用带式输送机托辊第3部分:试验方法DIN 22114-1993 井下煤矿用带式输送机重型支架DIN 22115-1990 井下煤矿用带式输送机涂层托辊技术要求和试验方法DIN 22116-1994 井下煤矿用带式输送机加压滚子DN159 尺寸、技术要求和标志DIN 22117-1988 井下煤矿用输送带氧气系数的确定DIN 22118-1991 煤矿用织物输送带、耐火试验DIN 22120-1991 坚硬煤矿里的带式输送机用合成像胶刮板DIN 22121/1-1988 煤矿用织物输送带实心编织带永久连接接头DIN 22121/2-1988 煤矿用织物输送带二层输送带永久连接接头DIN 22129/1-1988 井下煤矿用钢绳芯输送带尺寸和技术要求DIN 22129/2-1988 井下煤矿用钢绳芯输送带标记DIN 22129/3-1988 井下煤矿用钢绳芯输送带试验方法DIN 22129/4-1991 井下煤矿用钢绳芯输送机输送带接头尺寸和技术要求DIN 22131/1-1988 用于提升和输送的钢绳芯输送带尺寸和技术要求DIN 22131/2-1988 用于提升和输送的钢绳芯输送带标记DIN 22131/3-1988 用于提升和输送的钢绳芯输送带试验方法DIN 22131/4-1988 用于提升和输送的钢绳芯输送带连接接头尺寸和技术要求DIN 22200-1994 连续搬运设备链板输送机的计算基本原则。
起重机规则与标准简介标准
一、起重机
1、起重机械定义:
起重机是指在一定范围内垂直提升和水平搬运重物的多动作起重机
械
起重机械,是指用于垂直升降或者垂直升降并水平移动重物的机电设备,其范围规定为额定起重量大于或者等于0。
5t的升降机;额定起重量大于或者等于3t(或额定起重力矩大于或者等于40t·m的塔式起重机,或生产率大于或者等于300t/h的装卸桥),且提升高度大于或者等于2m 的起重机;层数大于或者等于2层的机械式停车设备.(特种设备安全监察条例(国务院令2014年第114号)中对起重机械做出明确定义)
根据国家质检总局颁布的《特种设备目录》,起重机械分为:桥式起重机、门式起重机、塔式起重机、流动式起重机、门座式起重机、升降机、缆索式起重机、桅杆式起重机、机械式停车设备.
二、起重机相关标准及技术规范
1、标准
2、技术规范。