防疫保健工作人员绩效考核表
- 格式:doc
- 大小:43.00 KB
- 文档页数:4
防疫机构工作绩效考核管理文件及表格一、机构绩效考核指标评分标准
二、防疫基本信息统计表
2、辖区人口资料
3、辖区社会经济资料
4、辖区医疗卫生机构统计表
5、疾病预防控制中心人员年龄结构
6、辖区疾病预防控制机构人员学历构成
7、辖区疾病预防控制机构人员职称构成
9、辖区疾病预防控制中心基础建设情况
10、辖区疾病预防控制中心实验室建设达标情况
三、机构疾病预防控制工作量化数据表
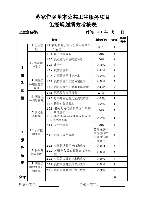
1.1.1疫情报告综合评价指数(省、市、县指标)
1.1.2医疗机构传染病漏报率(省、市、县指标)
1.3.6特定人群艾滋病病毒感染率
1.3.11性病疫情报表及疫情分析情况评价
1.3.11性病漏报率
2.2.2应急物品储备齐全率
4.1.1职业健康监护项目开展率
4.3.1食品污染监测率
4.3.2人群合理膳食指导覆盖率---
论文发表清单:
7.3.2科研项目及成果获奖综合评分
下基层进行专业指导清单:
现场流行病学调查人员清单:
机构收入、支出明细:
8.2.8基本建设达标率。
---------------------------------------------------------------最新资料推荐------------------------------------------------------ 疾病预防控制工作区域绩效考核指标任务分解表疾病预防控制工作区域绩效考核指标任务分解表类别指标数评价指标指标要求分值责任科室1. 传染病预防控制 3 1. 1 规划控制传染病达标率100% 70 流病科 1. 2 传染病总发病率与自身前五年平均发病率纵向比较,有控制 50 流病科 1. 3 儿童疫苗接种率达到国家免疫规划的要求 60 免疫科 2. 非传染性疾病预防控制 3 2. 1 全民健康生活方式行动覆盖率:全民健康生活方式行动覆盖率慢性病综合防控示范区覆盖率2. 2 慢性病综合干预覆盖率:城乡居民健康档案建档合格率慢性病规范管理率管理人群血压、血糖控制率儿童口腔疾病预防干预的学校覆盖率口腔疾病预防干预的儿童覆盖率 2. 3. 重性精神疾病患者管理率重性精神疾病患者管理率重性精神疾病患者检出率3. 1 突发公共卫生事件报告及时率 3. 2 突发公共卫生事件规范处置指数 4. 1 健康危害因素监测与干预覆盖率 50% 达规划目标 50 健教所、慢病科达到医改要求达规划目标 60% 60% 30% 60 慢病科、基层科 70% 2019 2019 2019 20192. 5 3 3. 5 450 慢病科 3. 突发公共卫生事件处置 2 100% 50 应急办省级0. 85、市级0. 80、县级0. 70 60 应急办 4. 健康危害因素监测评价与干预3 100% 40 公卫科、职防所 4. 2 新建改(扩)建项目卫生学评价率 100% 30 公卫科、职防所 4. 3 农村改水改厕普及率:1/ 8农村安全饮用水覆盖率农村无害化厕所普及率 90% 80%东部中部西部 80% 70% 60% 85% 75% 65% 50 爱卫办 5. 健康教育和健康促进 2 5. 1 居民基本卫生防病知识知晓率:农村城市 5. 2 居民基本卫生防病行为形成率:农村城市 40 健教所东部中部西部 70% 60% 50% 75% 65% 55% 50 健教所类别指标数评价指标指标要求分值责任科室6. 运行保障 5 6. 1 疾病预防控制经费投入占地方财政经常性支出的比例逐年增加,且不低于当地财政支出增长比例 160 财务科 6. 2 疾病预防控制机构建设达标单位比例 90% 60 业务办 6.3 人力综合素质指数:省级市级县级 6. 70 5. 97 4. 93 50 人事科 6.4 实验室检验能力达标单位比例 95% 40 质管科 6.5 信息网络直报正常运行率:疾病预防控制机构县及以上医疗卫生机构乡镇\街道基层卫生机构 100% 100% 95% 30 流病科疾病预防控制机构绩效考核指标任务分解表类别项目指标指标要求分值责任科室1. 疾病预防与控制 1. 1 传染病预防控制 1. 1. 1 疫情报告综合评价指数按实际值评分 5 流病科 1. 1. 2 医疗机构传染病漏报率(1)横向与纵向比较有下降;(2)无漏报 4 流病科 1. 1. 3 传染病监测完成率 100% 13 流病科 1. 1. 4 暴发疫情规范处置指数 0. 8 6 流病科 1. 1. 5 暴发疫情调查率 100% 6 流病科 1. 1. 6 疫情报告督导覆盖率 100% 6 流病科 1. 2. 2 疫苗接种率达到国家免疫规划---------------------------------------------------------------最新资料推荐------------------------------------------------------ 的要求 5 免疫科 1. 2. 3 规范接种门诊覆盖率 90% 6 免疫科 1. 2.4 疑似预防接种异常反应规范处置率 90% 3 免疫科 1. 2.5 适龄儿童建证率 95% 4 免疫科 1. 2.6 入托、入学儿童接种证查验率95% 3 免疫科 1. 2.7 儿童预防接种信息系统覆盖率100% 6 免疫科 1.2. 8 疑似预防接种异常反应监测合格率 100% 3 免疫科 1. 2. 9 接种监测报告覆盖率 100% 3 免疫科 1. 2. 10 人群抗体水平监测完成率 100% 3 免疫科 1. 3 艾滋病预防控制 1.3. 1 特定人群艾滋病病毒抗体阳性率纵向比较有控制 2 性艾科 1. 3. 2 艾滋病病毒感染者和病人接受抗病毒治疗的比例 80% 3 性艾科 1. 3. 3 艾滋病高危人群干预措施覆盖率艾滋病高危人群检测结果知晓率 90% 70% 3 性艾科 1. 3. 4 艾滋病病毒感染者和病人随访干预的比例 90% 3 性艾科 1. 3. 5 未接受抗病毒治疗的艾滋病病毒感染者和病人 CD4 细胞检测比例 75% 3 性艾科 1. 3. 6 艾滋病病毒感染者和病人的配偶或固定性伴艾滋病病毒抗体检测率70% 2 性艾科 1. 3. 7 梅毒疫情报告准确率 90% 2 性艾科 1. 3. 8 高危人群梅毒咨询检测率 60% 2 性艾科类别项目指标指标要求分值责任科室 1. 4 结核病麻风病预防控制 1.4. 1 DOTS 覆盖率 1. 4. 2 报告肺结核患者和疑似肺结核患者的总体到位率 1. 4. 3 肺结核筛查率:艾滋病病毒感染者结核病的筛查率(省)涂阳肺结核患者密切接触者筛查率(市县) 1. 4. 4 新涂阳病人治愈率 1. 4. 6 结核病痰涂片镜检室间质量保证体系盲法复检覆盖率 100% 2 结防科3/ 890% 4 结防科 90% 95% 85% 3 结防科 4 结防科 100% 3 结防科1. 4. 7 新发现麻风病患者畸残比达到全国消除麻风病危害规划目标 95% 3 1. 4. 8 麻风病患者规则治疗率 1. 4. 9 麻风病患者密切接触者年检查率麻风病患者细菌检查率 1. 5. 1 新生儿首剂乙肝疫苗及时接种率 4 95% 100% 2 1. 5 乙肝预防控制以县为单位: 90% 8 免疫科 1. 5. 3 十二月龄儿童乙肝疫苗全程接种率以县为单位90% 10 免疫科 1. 6 血吸虫病预防控制 1. 6. 1 血吸虫病人群查病受检率 100% 3 1. 6. 2 灭螺质量控制覆盖率 90% 3 1. 6.3 晚期血吸虫病病人规范管理率新发晚期血吸虫病发病率 100% 不超过 1/10 万 2 1. 6.4 急性血吸虫病病例规范治疗管理率 100% 2 1. 7 虫媒及自然疫源性疾病控制 1. 7. 1 病媒生物监测完成率 100% 7 流病科 1. 7. 2 虫媒及自然疫源性相关疾病规范处置指数 0. 805 流病科 1. 7. 4 病媒生物抗药性监测完成率 100% 3 流病科 1. 8 寄生虫病预防控制 1. 8. 1 寄生虫病防治规划目标实现率达到国家规划要求 4 公卫科 1. 8. 2 包虫病防治规划目标实现率达到国家规划要求 2 公卫科 1. 8. 3 重点寄生虫病监测完成率不低于辖区内 10%的县级 4 公卫科 1. 9 地方病预防控制 1. 9.1 碘缺乏病监测完成率 100% 3 氟病科 1. 9.2 地方性氟(砷) 中毒监测完成率100%3 氟病科 1. 9. 3 大骨节病监测完成率 100% 3 氟病科 1. 9.4 克山病监测完成率 100% 3 氟病科类别项目指标指标要求分值责任科室 1. 10 慢性非传染性疾病预防控制1. 10. 1 全人群死因监测覆盖率:---------------------------------------------------------------最新资料推荐------------------------------------------------------ 人群死因报告粗死亡率死因规范登记报告率死因报告规范达标县比例 1. 10. 2 慢性病危险因素监测覆盖率:县级覆盖率监测任务完成率 1. 10. 3 全民健康生活方式行动工作任务达标率 6 80% 90% 100% 100% 10 慢病科 15 慢病科 100% 6 健教所 1. 10. 4 儿童口腔疾病预防干预措施覆盖率:干预学校覆盖率儿童覆盖率 60% 30% 5 慢病科 1. 11 疟疾预防控制 1. 11. 1 疟疾年发热病人血检率达国家消除疟疾技术方案要求 4 1. 11. 2 疟疾病例规范治疗率 100% 4 2. 突发公共卫生事件应急处置 2. 1 应急预案 2. 1. 1 预案体系完整率100% 25 应急办 2. 2 应急准备 2. 2. 1 模拟演练指数 0. 9 13 应急办 2. 2. 2 应急物品储备齐全率省级市级县级 2.3. 1 规范处置指数:省级市级县级 85% 80% 75% 0. 85 0. 80 0. 70 20 应急办 2. 3 应急处置 25 应急办 2. 3. 2 事件原因查明率:省级市级 80% 70% 23 应急办 3. 信息管理 3. 1 硬件基础建设 3. 1. 1 信息化建设评价指数 0. 9 25 业务办 3. 2 信息收集 3. 2. 1 数据报告及时性和完整性评价指数 0. 95 10 流病科 3.2. 2 国际、国内疾病相关信息检索评价指数 0. 9 10 公卫科3. 3 信息分析 3. 3. 1 数据分析评价指数 0. 9 20 流病科 3. 4 信息利用 3.4. 1 发病趋势预测评价指数 0. 9 15 流病科 3. 4. 2 信息利用率 90% 20 业务办类别项目指标指标要求分值责任科室5/ 84. 健康危害因素监测与控制 4. 1 职业病危害因素监测与控制4. 1. 1 职业健康监护开展率 90% 10 职防所 4. 1. 2 重点职业危害因素监测覆盖率100% 10 职防所 4. 1. 3 职业病危害卫生学评价指数 0. 9 8 职防所 4. 2 放射危害因素控制 4. 2. 1 放射性本底监测项目开展率 80% 6 职防所 4. 2. 2 放射性职业危害卫生学评价指数 0. 9 5 职防所 4. 2. 3 放射工作人员个人剂量检测率100% 8 职防所 4. 3 食源性疾病预防控制 4. 3. 1 食品安全风险监测完成率 95% 13 公卫科 4. 3. 2 人群合理膳食指导覆盖率:县级覆盖率社区覆盖率 100% 90% 10 公卫科 4.4 环境危害因素控制 4. 4. 1 生活饮用水监测率 100% 10 公卫科 4. 4. 2 农村改水改厕项目技术指导覆盖率 100% 10 爱卫办 4. 4.3 公共场所监测率 100% 10 公卫科 4. 5 学生常见病和相关危害因素控制 4. 6 消毒质量监测 4. 5. 1 学生常见病防治督导和教学环境监测覆盖率:学生常见病防治督导覆盖率教学环境卫生监测覆盖率 90% 100% 15 公卫科 4. 6. 1 消毒质量监测覆盖率 100% 15 公卫科 5. 实验室检验 5. 1 实验室检验能力 5. 1. 1 实验室检验项目开展率85% 25 检验科 5. 1. 2 检验设备达标率 90% 20 检验科 5. 1. 3 仪器设备正常运行率 95% 15 检验科 5. 2 实验室安全 5. 2. 1 实验室安全管理无实验室安全事故 25 检验科 5. 3 实验室管理 5. 3.1 实验室质控覆盖率 85% 25 质管科 6. 健康教育与健康促进 6.1 社会公众健康教育 6.2 目标人群健康教育 6. 1. 1 主要卫生---------------------------------------------------------------最新资料推荐------------------------------------------------------ 宣传活动次数 10 次 30 业务办 6. 2. 1 目标人群重点卫生防病知识知晓率 75% 30 慢病科 6. 2. 2 目标人群行为干预指数 0. 7 40 慢病科类别项目指标指标要求分值责任科室7. 技术指导与应用研究 7. 1 技能培训 7. 1. 1 岗位技能培训率 100% 20 业务办 7. 1. 2 对下级单位专业培训率 100% 15 业务办 7. 2 继续医学教育 7. 2. 1 继续医学教育合格率 90% 16 业务办 7. 3. 3 专业人员年人均论文发表数:省级市级县级 7. 3. 4 科研项目及成果获奖综合评分:市级县级 7. 4. 1 专业人员下基层指导人均天数:省级市级县级 0. 50 0. 30 0. 15 10 业务办 10 5 15 业务办 7. 4 技术指导 20 30 60 20 业务办 7. 4. 2 下基层专业指导覆盖率 100% 16 业务办 8. 综合指标 8. 1 满意度调查 8.1. 1 单位职工满意度 90% 8 党办 8. 1. 2 社会公众满意度 90% 10 党办 8. 1. 3 相关部门满意度 85% 10 党办 8. 2 机构综合保障能力 8.2. 1 人力综合素质指数:省级市级县级 8. 2. 2 现场流行病学调查人员比例:省级市级县级 8. 2. 3 能力资质综合评分:省级市级县级 6. 83 6. 05 4. 99 20% 30% 40% 10 4 2 10 人事科 5 流病科 8 质管科 8. 2. 4 指令性工作完成率 100% 10 业务办 8. 2. 5 财政拨款占年度支出的比例 100% 20 财务科 8.2. 6 职工年人均拨款数较上年增加,递增率地方财政经常性支出7/ 8的递增率 10 财务科 8. 2. 7 项目预算完成率 100% 6 业务办 8. 2.8 基本建设达标率达到国家建设标准 15 办公室。
疾病预防控制绩效考核指标汇总表一、区域绩效考核指标指类别标评价指标指标要求权重分值数1.1儿童疫苗接种率达到国家免疫规划的要求 0.1048 1052 1。
传染病预防控制 1.2传染病总发病率与自身前五年发病率作纵0。
0467 47 向比较,持平或下降2.1居民健康档案建档覆盖率辖区县覆盖率100, 0.0565 57 人口覆盖率60% 2。
慢性非传染性疾病2 预防控制 2.2慢性病病人规范管理率辖区县覆盖率100, 0.0703 70 慢性病人规范管理率60%3.1突发公共卫生事件报告及100% 0。
0784 78 时率 3。
突发公共卫生事件2 处置 3.2突发公共卫生事件规范处0.0870 87 ?0.85 置指数4。
1健康危害因素监测与干预100, 0。
0251 25 覆盖率4。
2新建改(扩)建项目卫生学4.健康危害因素监测100% 0.0315 32 4 评价率评价与干预0.0285 28.5 4。
3农村安全饮用水覆盖率 ?90,0.0285 28.5 4.4农村无害化厕所普及率 ?80,5.1居民基本卫生防病知识知地区东中西部晓率农村?80% ?70% ?60%城0。
0532 53市?85% ?75%?65% 5。
健康教育和健康促2 进 5.2居民基本卫生防病行为形地区东中西部0。
0744 74 成率农村?70% ?60% ?50%城市?75% ?65% ?55%6.1疾病预防控制经费投入占逐年增加,且不低于当地0。
1604 160 地方财政经常性支出的比例财政支出增长比例6。
2基础设施和仪器设备达标0。
0326 33 ?80% 单位比例6.3人力综合素质指数省级?6.70,市级?5.97,0。
0563 56 县级?4.93 5 6。
运行保障 6.4实验室检验能力达标单位?95% 0.0312 31 比例6.5信息网络正常运行率(1)辖区所有信息网络直报用户?80%; 0。
0346 35 (2)乡镇级?80%,县以上医疗卫生机构100% 17 1。
机关事业单位工作人员新冠肺炎新冠肺炎疫情防控专项考核表(中小学教师)
襄阳市机关事业单位工作人员新冠肺炎疫情防控专项考核表姓名@@ 性别男出生年月政治面貌中共党员单位及职务职级(职称)
@@镇中心学校高级教师履职地(部门)及从事工作教育教学工作疫情防控期间奖惩情况个人小结疫情防控期间带头响应党和政府的号召,带头遵守防疫命令、防疫纪律、规定等,带头居家不外出、带头主动报告行踪、带头做好个人及家庭安全防护、心理疏导,带头当好社区防控志愿者,带头宣传科学防疫知识。
积极帮助教师上好学生线上课程,随时了解家长、学生需求,灵活指导,不增加家长及学生负担。
自觉落实疫情期间教育教学工作,认真做好防疫教育、健康教育、线上学习指导、线下辅导、作业管理,及时评价指导学生学习。
作为一名教师,积极拥抱、适应新变化,做好信息技术能力提升和网络教学能力提升,做网络教学的践行者。
签名:
2020年 4月 20日履职地(部门)评价签名:
2020年 4月 21日单位组织人事部门评价及等次建议签名:
2020年 4 月 21日党组织评定盖章:
2020年年 4月 22日本人意见签名: 2020年 4月 22日备注。
2004年疾病预防控制工作综合考核评分表(一)2004年疾病预防控制工作综合考核评分表(二)2004年疾病预防控制工作综合考核评分表(三)2004年疾病预防控制工作综合考核评分表(四)2004年疾病预防控制工作综合考核评分表(五)2004年疾病预防控制工作综合考核了解内容麻风病防制:1、认真复核,分析并按期上报(季报)麻风病新(复)发病人,及时完成麻风病防治工作年报表;2、新、复发病人的复核率(应达80%以上,查菌率90%以上);3、开展神经炎的监测,及时发现和处理各型麻风反应。
慢性非传染病防制:1、建立市级慢病综合防治示范点;2、完成市级基线调查,并编制社区诊断报告和综合防治规划;3、开展全人群的目标人群健康教育活动,并进行相关危险因素的干预;4、建立一个慢病健康促进综合门诊并开展工作;5、对防治方案的实施进行全过程的质量控制和监测评价。
市疾病预防控制中心建设情况:对照“建设标准”房屋(是、否)达标,未达标的(有、无)明确、详细的建设方案,方案(已、未)立项,计划建设面积(平方),计划投入(万元),市财政投入(万元),缺口(万元)。
县(市、区)病预防控制中心相应情况:对照“建设标准”房屋(是、否)达标,未达标的(有、无)明确、详细的建设方案,方案(已、未)立项,计划建设面积(平方),计划投入(万元),财政投入(万元),缺口(万元)。
县(市、区)病预防控制中心相应情况:对照“建设标准”房屋(是、否)达标,未达标的(有、无)明确、详细的建设方案,方案(已、未)立项,计划建设面积(平方),计划投入(万元),财政投入(万元),缺口(万元)。
县(市、区)病预防控制中心相应情况:对照“建设标准”房屋(是、否)达标,未达标的(有、无)明确、详细的建设方案,方案(已、未)立项,计划建设面积(平方),计划投入(万元),财政投入(万元),缺口(万元)。
县(市、区)病预防控制中心相应情况:对照“建设标准”房屋(是、否)达标,未达标的(有、无)明确、详细的建设方案,方案(已、未)立项,计划建设面积(平方),计划投入(万元),财政投入(万元),缺口(万元)。