叉车孔设计参考
- 格式:doc
- 大小:155.00 KB
- 文档页数:2
手动叉车的设计摘要手动叉车是一种用于原料和商品的高效流动和组织的设备。
它们使一个人能够高质量高速度提升运输自己不能独自运输的产品。
此外,手动叉车可以用最大限度地提高空间和时间使用的方式有序、可控地安置和存储产品。
它手动叉车适用于工厂、车间、仓库、储运等部门的搬运装卸作业,更适用于有防火、防爆要求的场合。
本文概要地介绍了手动叉车的用途,进行了方案的设计选择,着重设计了手动叉车的结构。
关键词:手动叉车Design of the Manual forkliftAbstractManual forklift is a machine used for raw materials and goods flowing and organizing efficiency. They enable a person to transport products which they cann't transport alone in a high quality and high speed . In addition, manual forklift can be used to maximize space and time using way of orderly, controllable placement and storage products. It is applicable to factories, workshops, warehouses, storage and Transportation Department of transportation loading and unloading operations, more suitable for fire prevention, explosion-proof requirements of the occasion.This paper briefly introduces the manual forklift uses, the design selection, focused on the design of the manual forklift structure.Key words: manual; forklift目录中文中文摘要 (I)英文摘要 (II)1.1课题的背景 (1)1.2本课题的国内外现状及发展趋势 (1)1.3我国叉车行业所存在的问题 (3)第二章手动叉车的总体方案设计 (4)2.1方案的制定原则 (4)2.2叉车基本参数 (4)2.3方案设计选择 (4)2.3.1传动方案设计 (4)2.3.2提升方案选择 (5)2.3.3制动方案设计 (6)第三章手动叉车各部分结构设计 (7)3.1叉车工作装置的结构设计 (7)3.1.1货叉的设计 (7)3.1.2叉架的结构设计 (8)3.1.3钢丝绳及滑轮的结构设计 (9)3.1.4车架的结构设计 (11)3.2手摇动力箱的结构设计 (11)3.2.1手摇手柄的结构设计 (11)3.2.2传动比的选择与分配 (11)3.2.3计算各级转矩 (12)3.2.4齿轮的设计 (12)3.2.5轴的设计 (18)3.2.6齿轮结构及尺寸设计 (20)3.2.7螺纹快速离合自锁装置的设计 (22)3.2.8润滑方式的选择 (24)第四章手动叉车结构校核 (25)4.1输出轴的校核 (25)4.2轴承的校核 (28)4.3键的校核 (34)4.4货叉的强度校核 (34)4.5上横梁强度校核 (35)4.6下横梁强度校核 (35)4.7立柱稳定性校核 (36)第五章总结 (38)参考文献 (39)致谢 (40)第一章绪论1.1课题的背景叉车是指对成件托盘货物进行机械化装卸、堆垛和短距离运输作业的各种轮式搬运车,过去被称为叉式装卸车或铲车。
关于合力电动叉车选型及充电机布置方案书【物流中心仓库】目录充电机布置方案 (3)1. 充电房的说明 (4)2. 建筑结构 (4)2.1 位置 (4)2.2 充电房的平面布置 (4)2.3 地面等条件 (6)3. 充电机 (7)3.1 安装 (7)3.2 数量 (7)3.3 安全事项 (5)3.4 充电机参数表 (8)3.5 充电要求 (8)4. 电气安装 (9)4.1 充电机视在功率的计算 (9)4.2 充电机电源插座 (9)4.3 充电房要求有照明(可选配)和风扇 (11)5. 通风116. 室温和气候 (11)7. 蒸馏水 (11)8. 搬运电池 (12)9. 标识和规定 (12)10. 其他注意事项 (12)充电机布置方案【说明】合力公司目前使用的合力充电机是为合力电动叉车完美匹配的理念而量身开发的,基于目前合力充电机技术的提升,采用脉冲充电方式有效的降低了蓄电池的温升以及水损失,提升了蓄电池的使用寿命,合力电动叉车适应于干式的(不需要空冷或者水冷)充电方式。
目前依据客户的场地以及设备投入情况的差异性,合力电动叉车的充电可以分为分散式的充电和集约式充电两大类。
分散式充电适用于2-3台叉车在不低于45m3的开放式空间,采用停车位就地充电的一种充电方式,不需要单独建立充电房投入设备、占用场地,成本低、操作方便、使用快捷。
集约式充电方式适用于5台以上叉车,需要建立独立的充电房,便于设备的维护和统一管理,现场整洁污染小。
现根据客户的需求情况提供相应的方案供参考。
【集约式充电方案-充电房】见充电房计划书1. 充电房的说明充电房是为满足蓄电池日常补充充电及存储维护的需要而构建的。
2. 建筑结构2.1 位置:蓄电池的充电区域与工作车蓄电池的调换(适用叉车吊装)区域集中合并。
2.2 充电房的平面布置根据用户提供的效果图以及三维图的信息,对充电房的布局进行详细的设计。
具体见效果图。
充电房效果图备注:充电房的进出口根据用户实际需要设计的。
关于合力电动叉车选型及充电机布置方案书【物流中心仓库】目录充电机布置方案 (3)1.充电房的说明 (4)2.建筑结构 (4)2.1位置 (4)2.2充电房的平面布置 (4)2.3地面等条件 (6)3.充电机 (7)3.1安装 (7)3.2数量 (7)3.3 安全事项 (5)3.4充电机参数表 (8)3.5充电要求 (8)4.电气安装 (9)4.1充电机视在功率的计算 (9)4.2充电机电源插座 (9)4.3充电房要求有照明(可选配)和风扇 (11)5.通风 (11)6.室温和气候 (11)7.蒸馏水 (11)8.搬运电池 (12)9.标识和规定 (12)10.其他注意事项 (12)充电机布置方案【说明】合力公司目前使用的合力充电机是为合力电动叉车完美匹配的理念而量身开发的,基于目前合力充电机技术的提升,采用脉冲充电方式有效的降低了蓄电池的温升以及水损失,提升了蓄电池的使用寿命,合力电动叉车适应于干式的(不需要空冷或者水冷)充电方式。
目前依据客户的场地以及设备投入情况的差异性,合力电动叉车的充电可以分为分散式的充电和集约式充电两大类。
分散式充电适用于2-3台叉车在不低于45m³的开放式空间,采用停车位就地充电的一种充电方式,不需要单独建立充电房投入设备、占用场地,成本低、操作方便、使用快捷。
集约式充电方式适用于5台以上叉车,需要建立独立的充电房,便于设备的维护和统一管理,现场整洁污染小。
现根据客户的需求情况提供相应的方案供参考。
【集约式充电方案-充电房】见充电房计划书1.充电房的说明充电房是为满足蓄电池日常补充充电及存储维护的需要而构建的。
2.建筑结构2.1位置:蓄电池的充电区域与工作车蓄电池的调换(适用叉车吊装)区域集中合并。
2.2充电房的平面布置根据用户提供的效果图以及三维图的信息,对充电房的布局进行详细的设计。
具体见效果图。
充电房效果图备注:充电房的进出口根据用户实际需要设计的。
2.3地面等条件地板上应涂有一层防酸材料或者铺设耐酸橡胶皮垫。
叉车设计参数和性能叉车是一种用于搬运和堆垛货物的工业设备。
下面将详细介绍叉车的设计参数和性能。
1.载重能力:叉车的载重能力是指其能够承受的最大货物重量。
通常以吨作为单位进行衡量,常见的载重能力有1吨、2吨、3吨等。
叉车的载重能力应根据使用环境和工作需求进行合理选择。
2.高度提升能力:叉车的高度提升能力是指其能够将货物提升到的最大高度。
这个参数对于需要堆垛化存储的场所来说非常重要。
常见的高度提升能力有3米、5米、10米等。
需要注意的是,高度提升能力和载重能力有一定的关联,提升重量较大时,提升高度较低,反之亦然。
3.货叉长度:货叉是叉车上用于托举货物的部分,其长度会影响到叉车的使用范围。
一般来说,货叉的长度与叉车的载重能力成正比,以适应不同长度的货物。
货叉长度通常为1.2米、1.5米、1.8米等。
4.轴距:叉车的轴距是指前轮轴中心和后轮轴中心之间的距离。
轴距的大小会影响到叉车的稳定性和转弯半径。
一般来说,较大的轴距可以提高叉车的稳定性,但会牺牲一定的机动性。
5.最小转弯半径:最小转弯半径是指叉车在进行转弯时所需要的最小半径。
转弯半径越小,叉车的机动性越好。
一般来说,电动叉车的最小转弯半径要小于内燃叉车。
6.最大爬坡度:最大爬坡度是指叉车在爬坡时所能承受的最大坡度。
这个参数对于需要在不平地形上操作的场所来说非常重要。
较大的爬坡度可以提升叉车的通过能力。
7.速度:叉车的速度是指其移动的最大速度。
一般来说,叉车的速度与其载重能力有关,载重能力较大时,速度较慢。
叉车的速度常常根据使用环境和工作需求进行调整。
8.动力类型:叉车的动力类型可以分为电动和内燃两种。
电动叉车通常采用电池供电,不产生排放物,适用于室内使用;内燃叉车通常采用汽油或柴油作为燃料,适用于室外使用。
选择动力类型时需要考虑使用场所的环境和工作需求。
综上所述,叉车的设计参数和性能包括载重能力、高度提升能力、货叉长度、轴距、最小转弯半径、最大爬坡度、速度和动力类型等。
货架叉车常规通道的设计叉车的作业通道宽度:无固定计算公式,是根据各种叉车本身的宽度参数以及作业需求宽度确定的一定范围,根据设计需要选择适合的宽度。
下面列出几种仓库常用叉车的作业通道宽度:手动液压拖车货架通道宽度设计为1.5m提升高度在3.6m 手推电动式叉车货架通道宽度设计为1.9m~2.0m提升高度在3.9m 电走电升式叉车货架通道宽度设计为2.0m~2.3m 叉货重量1.5T提升高度在3.9m 电走电升式叉车货架通道宽度设计为2.0m~2.3m 叉货重量1.5T平衡重式叉车货架通道宽度设计为3.0m~3.5m 承载重量1.5T 电动堆垛机(跨立式叉车)货架通道宽度设计为2.3m~2.8m前移式叉车货架通道宽度设计为2.2m~3.2m 承载重量2-3T窄通道叉车/高架叉车/无轨巷道堆垛机:货架通道宽度设计为1.6m~1.8m以上数据由三思得货架整理,仅做参考之用,不作为设计规范依据。
托盘的选择及其与货架、叉车的匹配一、托盘规格尺寸的选定:选用塑料托盘的时候,根据所要求的项目不同,所选的规格也会不同。
1.首先考虑货物的包装规格及在塑料托盘上的摆放方式。
例如:欧洲标准周转箱尺寸是600*400mm,在1200*1000mm的托盘一层放置5个,在1200*800mm 的托盘一层放置4个,一般堆放5层。
2.考虑托盘装载工具的情况(如集装箱、货车等)。
例如:如果是往返周转或一次性使用,需要优先考虑对船运集装箱宽度2300mm的整合性,对1200*1000mm的托盘,要用长1200mm和宽1000mm的组合摆放,必须选用4向进叉。
对1200*800mm的托盘,用800mm宽度的方向两组并排摆放。
而对1100*1100mm 的托盘用1100mm宽度,摆放2列,2向进叉或4向进叉都可以。
3.如在仓库货架上使用,要考虑货架的宽度及进深的尺寸,通常选取式货架每层每个货位摆放两块托盘,并留出200mm左右的存取活动空间。
前言本次设计的课题是对叉车大小头孔的动力装置的设计。
通过我们在内江峨嵋厂叉车生产车间的实际参观和对叉车技术材料的分析,以及老师的讲解,我们对叉车有了足够的认识。
叉车是中非常重要的一个部件,它连接了活塞与曲轴,把作用在活塞顶面的气体膨胀的力传给了曲轴,使活塞的往复运动变为了曲轴的旋转运动。
叉车在工作中承受着剧烈变化的动载荷,承受着瞬变的旋转压力。
叉车在运动中形成的惯性力和离心力相当大,在这样的工作条件下,要求叉车有强度高、重量轻、刚性好、韧性强、使用寿命长的特点。
从峨柴厂的实习中我们可以发现,叉车的生产中,动力大小头孔的工艺相当的落后。
在金刚镗床上镗削后在采用手工动力大小头孔。
这种方法存在着很大的弊端。
1.手工动力的动力余量不好把握,使叉车的大小头孔的动力余量不均匀,影响了工件的精度及使用性能。
2.手工动力的生产效率低,只适应于小批量生产,不能满足大批量生产的需要,阻碍了产品生产规模的扩大。
为了解决以上问题,本次设计的任务就是要设计一台可以代替手工动力的专用装置。
为了保证大小头孔的相对位置精度,专用磨床要可以实现两孔同时加工,并且具备结构简单、加工精度高、成本低、自动化程度高、操作简单等特点,以满足产品大批量生产的需要。
摘要叉车是中非常重要的一个部件,它连接了活塞与曲轴,把作用在活塞顶面的气体膨胀的力传给了曲轴,使活塞的往复运动变为了曲轴的旋转运动。
叉车在工作中承受着剧烈变化的动载荷,承受着瞬变的旋转压力。
叉车在运动中形成的惯性力和离心力相当大,在这样的工作条件下,要求叉车有强度高、重量轻、刚性好、韧性强、使用寿命长的特点。
叉车大小头孔在金刚镗床上加工后进行手动滚压小头孔,这种加工只适应于小批量生产,然而在大批量的生产中就没有实际的意义,因为这种加工不容易达到精度和表面粗糙度要求。
为了解决这一问题,需要在加工方法上进行改进,使用能同时动力大小头孔的专用装置,以提高生产率,减轻劳动强度,提高加工精度。
叉车孔标准尺寸规格叉车孔是指一种用于在运输过程中将货物装卸到叉车上的装卸孔。
叉车孔的标准尺寸规格可以根据具体应用的需要而有所不同。
下面是一些常见的叉车孔标准尺寸规格,供参考:1.孔的尺寸:叉车孔的尺寸主要由孔的长度、宽度和深度来定义。
一般来说,叉车孔的长度应根据货物的尺寸来确定,以便叉车可以方便地将货物装卸到孔中。
常见的孔长度有800mm、1000mm、1200mm等。
孔的宽度通常与货物的宽度相等或略大一些,以确保叉车可以顺利地将货物装卸到孔中。
常见的孔宽度有800mm、1000mm、1200mm等。
孔的深度取决于所需要装卸的货物的高度。
一般来说,孔的深度应该略大于货物的高度,以确保货物可以安全地放置在孔中。
2.孔的形状:叉车孔的形状可以根据具体应用的需要而有所不同。
常见的孔形状包括矩形孔、方形孔和圆形孔等。
矩形孔适用于长形货物的装卸,方形孔适用于方形货物的装卸,圆形孔适用于圆形货物的装卸。
根据货物的形状选择适合的孔形状可以提高叉车的装卸效率。
3.孔的材质:叉车孔通常由钢铁材料制成,以确保孔具有足够的强度和耐久性。
钢铁材料具有良好的承重能力和抗冲击性,能够承受叉车装卸过程中的压力和冲击。
此外,钢铁材料还具有耐腐蚀性,能够在不同的环境条件下使用。
4.孔的安全措施:为了保证叉车孔的安全使用,通常需要在孔的周围设置一些安全措施。
例如,可以在孔的边缘设置护栏或护栏门,防止工人或货物不慎滑落。
此外,还可以在孔的边缘设置标志或警示标识,提醒工人注意孔的存在。
总之,叉车孔的标准尺寸规格应根据具体应用的需要来确定。
在设计和使用叉车孔时,需要考虑货物的尺寸和重量,以及叉车的规格和性能,以确保安全有效地完成货物的装卸作业。
叉车充电桩距离的标准设计全文共四篇示例,供读者参考第一篇示例:叉车充电桩距离的标准设计是在仓储和物流行业中非常重要的一项工作。
叉车是仓库中必不可少的设备,而充电桩的设计和位置则直接影响了叉车的使用效率和生产效率。
在设计叉车充电桩时,需要考虑到多种因素,如叉车的种类、使用频率、充电时间等。
本文将探讨关于叉车充电桩距离的标准设计。
要考虑的是叉车的种类和尺寸。
不同种类的叉车在使用时需要不同的充电时间和充电设备。
一般来说,电动叉车需要的充电桩比燃油叉车要多,因为电动叉车需要更频繁地充电。
不同大小的叉车需要不同大小的充电桩,以保证充电的效率和安全性。
需要考虑叉车的使用频率和工作时间。
如果一个仓库中的叉车使用频率很高,那么就需要更多的充电桩,以确保叉车能够随时进行充电。
而如果叉车的工作时间很长,那么充电桩的位置就需要更加方便,以减少叉车在充电时的停工时间。
还需要考虑叉车充电桩之间的距离。
在设计叉车充电桩的位置时,需要考虑到叉车在充电时的使用范围和移动性。
充电桩之间的距离应该足够合适,以便叉车能够方便地从一个充电桩到另一个充电桩移动,同时避免不必要的停顿和等待时间。
需要考虑充电桩的布局和安全性。
充电桩的位置应该能够最大程度地减少叉车在充电时的转弯和移动次数,从而提高叉车的使用效率。
充电桩的位置也需要考虑到安全性的问题,避免叉车在充电时与其他设备或人员发生碰撞。
叉车充电桩距离的标准设计需要考虑到叉车的种类和尺寸、使用频率和工作时间、充电桩之间的距离以及布局和安全性等多个因素。
只有综合考虑这些因素,才能设计出最优化的叉车充电桩布局,提高叉车的使用效率和生产效率。
希望本文对您有所帮助。
第二篇示例:随着现代物流行业的发展,叉车在货物搬运作业中发挥着重要作用。
而叉车作为电动设备,充电是其正常运行的关键。
设计合理的叉车充电桩距离,对于提高叉车作业效率和保障电动车辆的正常运行是非常重要的。
下面将介绍一份关于叉车充电桩距离的标准设计。
检具叉车孔设计标准1、目的通过叉车能便于检具整体移动。
2、范围本标准适用于为检具叉车孔设计的依据和基本要求。
3、术语叉车孔:在检具底座上开的两个槽孔,并使用叉车插入槽孔,对检具进行搬运的孔,被称为叉车孔。
4、内容4.1 叉车的基本数据4.1.1 2T-3T叉车叉脚尺寸:叉脚长度为:1000-1800mm叉脚宽度为:120mm叉脚活动的水平距离A:1070mm叉脚水平调节距离:240mm-1070mm叉脚厚度从最小部分到最大部分值为:10-40mm4.1.2 5T叉车叉脚尺寸:叉脚长度为:1200mm-2400mm叉脚宽度为:150mm叉脚活动的水平距离D:1700mm叉脚水平调节距离:300-1700mm叉脚厚度从最小部分到最大部分值为:15-60mm4.2 检具底座:双层平台式底座(即采用槽钢加钢板结构),底座上层钢板最终厚度≥10-30mm,底座应施予适当热处理以消除焊接内应力,底座的构造应具有充分的强度,在正常使用下不得产生任何弯曲变形。
1.长+宽(600~1200mm),底座上层钢板最终厚度10-15mm;2.长+宽(1200~1800mm),底座上层钢板最终厚度20-25mm;3.长+宽(1800mm以上),底座上层钢板最终厚度25-30mm。
5. 叉车孔设计标准5.1 底座:长+宽(600~1200mm)叉车孔尺寸为:长:150mm之间宽:50mm之间两个叉车孔间距:间距在0-200mm之间,采用2T-3T叉车叉运检具5.2 底座:长+宽(600~1200mm)叉车孔尺寸为:长:150mm之间宽:50mm之间两个叉车孔间距:间距在100-600mm之间,采用2T-3T叉车叉运检具5.3 底座:长+宽(1800mm以上)叉车孔尺寸为:长:200mm之间宽:70mm之间两个叉车孔间距:间距在200-600mm之间,采用2T-3T,5T叉车叉运检具。
在进行设计时,按照设计标准进行设计,同时,也要考虑叉车孔在检具底板的合理性,对称性,美观性!文案编辑词条B 添加义项?文案,原指放书的桌子,后来指在桌子上写字的人。
叉车工作装置液压系统设计叉车作为一种流动式装卸搬运机械,由于具有很好的机动性和通过性,以及很强的适应性,因此适合于货种多、货量大且必须迅速集散和周转的部门使用,成为港口码头、铁路车站和仓库货场等部门不可缺少的工具。
本章以叉车工作装置液压系统设计为例,介绍叉车工作装置液压系统的设计方法及步骤,包括叉车工作装置液压系统主要参数的确定、原理图的拟定、液压元件的选择以及液压系统性能验算等。
3.1概述叉车也叫叉式装卸机、叉式装卸车或铲车,属于通用的起重运输机械,主要用于车站、仓库、港口和工厂等工作场所,进行成件包装货物的装卸和搬运。
叉车的使用不仅可实现装卸搬运作业的机械化,减轻劳动强度,节约大量劳力,提高劳动生产力,而且能够缩短装卸、搬运、堆码的作业时间,加速汽车和铁路车辆的周转,提高仓库容积的利用率,减少货物破损,提高作业的安全程度。
3.1.1叉车的结构及基本技术按照动力装置不同,叉车可分为内燃叉车和电瓶叉车两大类;根据叉车的用途不同,分为普通叉车和特种叉车两种;根据叉车的构造特点不同,叉车又分为直叉平衡重式叉车、插腿式叉车、前移式叉车、侧面式叉车等几种。
其中直叉平衡重式叉车是最常用的一种叉车。
叉车通常由自行的轮式底盘和一套能垂直升降以及前后倾斜的工作装置组成。
某型号叉车的结构组成及外形图如图3-1所示,其中货叉、叉架、门架、起升液压缸及倾斜液压缸组成叉车的工作装置。
1-货叉2-叉架3-门架及起升液压缸4-倾斜液压缸5-方向盘6-操纵杆7-底盘及车轮图3-1 叉车的结构及外形叉车的基本技术参数有起重量、载荷中心矩、起升高度、满载行驶速度、满载最大起升速度、满载爬坡度、门架的前倾角和后倾角以及最小转弯半径等。
其中,起重量(Q)又称额定起重量,是指货叉上的货物中心位于规定的载荷中心距时,叉车能够举升的最大重量。
我国标准中规定的起重量系列为:0.50,0.75,1.25,1.50,1.75,2.00,2.25,2.50,2.75,3.00,3.50,4.00,4.50,5.00,6.00,7.00,8.00,10.00…….吨。
叉车-叉车叉车-正文以门架和货叉为工作装置的自行式装卸搬运机械。
可用于装卸、堆放成件货物。
更换工作装置后,也能用于特种物品和散料的装卸搬运作业。
叉车由动力装置、轮式底盘和工作装置三个主要部分组成(见彩图),工作装置包括门架、链条、叉架、货叉和液压缸等。
门架为伸缩结构,铰接在车轴或车架上,通过倾斜液压缸可前后倾斜,以便于装卸货物和带货行驶。
起升液压缸通过链条传动使装有货叉的叉架沿内门架升降,内门架叉以外门架为导轨上下伸缩,使叉车能以较低的门架高度,把货物举升到较高的高度。
根据动力装置分电瓶叉车和内燃叉车两种。
根据叉车的构造特点分直叉平衡重式、插腿式、前移式、侧叉式以及各种特殊用途的特种叉车等。
其中直叉平衡重式叉车应用最为普遍。
①直叉平衡重式叉车。
货叉装在车体前端,伸出前轮中心线外。
为了平衡货物重量产生的倾覆力矩,在车体尾部装有平衡重,作业时依靠叉车前后移动进行叉卸货物。
②插腿式叉车。
两条臂状的支腿伸向前方,支腿前端装有小直径的车轮,作业时货叉连同支腿一起插入货物底部,然后使货叉起升。
由于货物位于车轮的支承面内,所以整车稳定性好。
③前移式叉车。
是插腿式叉车的变型,其货叉可在叉车纵向前后移动,装卸货物时货叉伸出,行驶时则退回到车体中部,整车稳定性好。
④侧叉式叉车。
门架和货叉面向叉车一侧,位于车体中部,并可横向一起移动,适用于搬运长件货物,叉车行驶时,货物置于车体平台上,整车稳定性好。
叉车的主要技术参数是额定载重量和最大起升高度。
叉车不但工效高,而且换装方便,近年来发展较快,已广泛采用的可换装的工作装置有30余种。
例如换装侧夹装置可搬运油桶、捆包;换装串杆装置可搬运钢卷、水泥管;换装起重臂、吊钩可吊装各种重物;换装铲斗可装卸搬运散料等。
叉车机动灵活,适应性好,作业效率高,应用叉车可实现装卸、搬运作业机械化,减少货物破损,提高仓库容积的利用率和作业安全程度,故为各部门所广泛采用。
叉车开放分类:机械、物流设备、搬运机械、仓储设备叉车叉车在企业的物流系统中扮演着非常重要的角色,是物料搬运设备中的主力军。
西藏叉车设计方案西藏叉车设计方案一、设计背景西藏地处高原山区,气候恶劣,地理条件复杂,交通不发达。
由于地形起伏大、陡峭,并且有大量的高山和峡谷,传统的叉车难以适应西藏的特殊环境,存在许多不便和困难。
为了满足西藏地区物流业的发展需求,设计一款适应西藏特殊环境的叉车具有重要意义。
二、设计要求1. 抗寒能力强:能够在零下30℃的低温环境下正常工作;2. 能够适应陡峭地形:具备良好的爬坡和下坡能力;3. 具备越野能力:能够通过复杂的地形和路况;4. 动力系统稳定可靠:具备强劲的动力输出和高效的能源利用效率;5. 操作简便:方便用户上手操作,提高工作效率;6. 安全性能高:避免事故发生,保护用户和货物安全。
三、设计方案考虑到西藏的特殊环境,设计一款液化天然气动力的四轮驱动叉车。
具体设计方案如下:1.动力系统叉车采用液化天然气动力系统,具备良好的低温启动和运行能力,适应西藏恶劣气候条件。
液化天然气作为清洁能源,排放的尾气和噪音较少,环保性能优良。
2.底盘系统底盘采用四轮驱动设计,能够适应陡峭的山地地形,并具备优秀的爬坡和下坡能力。
底盘结构采用坚固的钢材制作,提高叉车的抗冲击性和承载能力。
3.越野能力设计采用大直径的越野轮胎,并增加对地面的接触面积,提高对复杂地形的通过能力。
底盘同时具备良好的悬挂系统,能够减小对车身的震动和冲击。
4.驾驶室驾驶室采用舒适的人体工学设计,提供舒适的工作环境。
驾驶台面板布局合理,便于操作,配备方向盘、油门、制动等基本控制设备,方便用户上手使用。
5.安全系统为了提高叉车的安全性能,设计配备刹车系统、避震系统,并加装安全带和防滑设施,防止驾驶员在恶劣地形中滑落。
另外,叉车配备灯光和警报装置,方便夜间工作和提醒周围人员。
四、设计效果通过以上设计方案的实施,能够有效提高叉车在西藏地区的适应性和工作效率。
该叉车具备抗寒、越野、安全等特点,能够提供稳定可靠的运输服务,满足西藏物流业的发展需求。
叉车孔间距
叉车孔间距是指叉车的叉子之间的距离,也称为叉距。
这个距离对于叉车的使用非常重要,因为它决定了叉车能够搬运的货物的大小和重量。
在叉车的设计和制造过程中,叉车孔间距是一个非常重要的考虑因素。
叉车孔间距的大小通常是根据叉车的使用需求来确定的。
对于一些轻型的叉车,叉距可能只有几英寸,而对于一些重型的叉车,叉距可能会达到几英尺。
这个距离的大小对于叉车的使用非常重要,因为它决定了叉车能够搬运的货物的大小和重量。
叉车孔间距的大小还会影响到叉车的稳定性和安全性。
如果叉距太小,叉子之间的距离就会太小,这会导致叉车在搬运货物时不够稳定,容易发生倾覆的情况。
如果叉距太大,叉子之间的距离就会太大,这会导致叉车在搬运货物时不够稳定,容易发生货物掉落的情况。
叉车孔间距的大小还会影响到叉车的适用范围。
如果叉距太小,叉车只能搬运一些轻型的货物,而无法搬运一些重型的货物。
如果叉距太大,叉车可以搬运一些重型的货物,但是在搬运轻型货物时就会显得笨重和不灵活。
叉车孔间距是叉车设计和制造过程中非常重要的考虑因素。
它决定了叉车能够搬运的货物的大小和重量,影响到叉车的稳定性和安全
性,以及叉车的适用范围。
在选择叉车时,我们需要根据自己的需求来选择合适的叉距,以确保叉车的使用效果和安全性。
叉车货叉结构形式及受力分析引言货叉是叉车最基本和最通用的取物装置;是叉车的重要物件,其受力大,要求截面小、重量轻,需用低合金钢、中碳钢等材料制造,还需适当的热处理(如调质)以增加其水平段的硬度,提高耐磨性能.对其怎样设计制造与结构形式的详尽了解及其受力分析,对于货叉的安全使用,对于检验检测都有其实际的指导意义。
一货叉结构形式及与叉架的联接货叉装在叉架上,它的外型是一个“L"型杆件,分为垂直段和水平段两部分,最为常见的是整体式货叉(见图—1a 图-1b)。
有的小吨位叉车货叉的水平段和垂直段分别制成,用销轴连接起来,水平段既可平置,又可折叠,称为折叠式货叉(见图—2)。
它可减少空车长度,便于运输,但制造较为麻烦。
货叉与叉架的联接,根据联接形式的不同,可分为挂钩型(见图-1a 图—2所示)和铰接型(见图-1b所示)两种,挂钩型货叉垂叉的制造过程是先锻造(或辊锻)成长条坯,在镦锻弯成“L”型,再焊接上下两个钩,之后进行热处理;这种货叉制造较为容易,也方便安装和拆卸,适用于中小吨位的叉车。
铰接型货叉的垂直段上端较厚,中心为销轴孔。
货叉通过此孔安装在叉架的支承光轴上。
允许光轴转动,在重力作用下,货叉垂直段下部背面支靠在滑架的下横梁上。
这种货叉安装拆卸不太方便,适用于大吨位叉车.二货叉的设计与受力验算货叉不管是自己设计,还是选用标准尺寸的货叉,必须保证它的强度和刚度,因此要对它进行合理的设计和验算。
货叉设计的主要尺寸有水平段长度—“L”,垂直段高度、截面尺寸、挂钩尺寸、销轴尺寸等。
水平段长度主要决定于载荷中心距“C",一般取值L >2C,也可稍小于2C,L按标准选取。
垂直段高度主要与门架的离地间隙及叉架的尺寸有关。
截面尺寸及挂钩尺寸决定于起重量及载荷中心距.(一)货叉的计算简图根据货叉和叉架的联接形式不同,其支承的情况是不同的。
铰接型货叉可简化为支承在两个铰接支座上的静定刚架(见图-3)挂钩型货叉,由于上支承既不便移动,又不便自由转动,可简化为固定支座,下支承可简化为活动铰接支座,货叉成为一次超静定刚架(见图-4)。
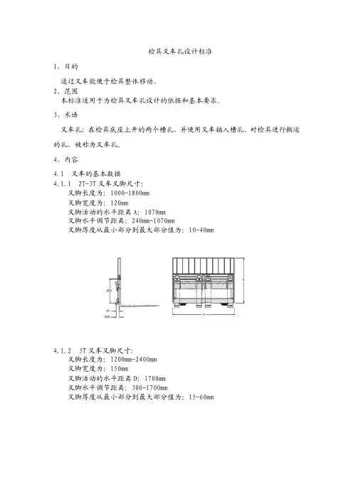
检具叉车孔设计标准
1、目的
通过叉车能便于检具整体移动。
2、范围
本标准适用于为检具叉车孔设计的依据和基本要求。
3、术语
叉车孔:在检具底座上开的两个槽孔,并使用叉车插入槽孔,对检具进行搬运的孔,被称为叉车孔。
4、内容
4.1 叉车的基本数据
4.1.1 2T-3T叉车叉脚尺寸:
叉脚长度为:1000-1800mm
叉脚宽度为:120mm
叉脚活动的水平距离A:1070mm
叉脚水平调节距离:240mm-1070mm
叉脚厚度从最小部分到最大部分值为:10-40mm
4.1.2 5T叉车叉脚尺寸:
叉脚长度为:1200mm-2400mm
叉脚宽度为:150mm
叉脚活动的水平距离D:1700mm
叉脚水平调节距离:300-1700mm
叉脚厚度从最小部分到最大部分值为:15-60mm
4.2 检具底座:双层平台式底座(即采用槽钢加钢板结构),底座上层钢板最终
厚度≥10-30mm,底座应施予适当热处理以消除焊接内应力,底座的构造应具有充分的强度,在正常使用下不得产生任何弯曲变形。
1.长+宽(600~1200mm),底座上层钢板最终厚度10-15mm;
2.长+宽(1200~1800mm),底座上层钢板最终厚度20-25mm;
3.长+宽(1800mm以上),底座上层钢板最终厚度25-30mm。
5. 叉车孔设计标准
5.1 底座:长+宽(600~1200mm)
叉车孔尺寸为:长:150mm之间
宽:50mm之间
两个叉车孔间距:间距在0-200mm之间,采用2T-3T叉车叉运检具5.2 底座:长+宽(600~1200mm)。