第六章_结构低周反复加载静力试验
- 格式:ppt
- 大小:5.00 MB
- 文档页数:39
低周反复荷载是一种对结构或结构构件施加多次往复循环作用的静力试验,也称为静力试验或拟静力试验。
这种方法通过模拟地震时结构在往复振动中的受力特点和变形特点,用静力方法求得结构振动时的效果。
在试验中,结构或构件会在正反两个方向重复加载和卸载,用以模拟地震作用下的受力情况。
这种方法可以帮助研究人员更好地了解结构在地震等极端情况下的性能和安全性。
低周反复荷载试验可以揭示结构在强震下的非线性性能,如强度、刚度、滞回特性和耗能能力等。
这些性能指标对于评估结构的抗震性能具有重要意义。
通过低周反复荷载试验,可以对结构的抗震性能进行定性和定量的评估,从而为结构的抗震设计和加固提供科学依据。
全国2002年10月高等教育自学考试建筑结构试验试题课程代码:02448一、单项选择题(在每小题的四个备选答案中选出一个正确答案,并将其号码填在题干的括号内。
每小题1分,共15分)1.对相同强度等级的混凝土,用回弹仪测定混凝土强度时,下列说法正确的是( A )A.自然养护的混凝土构件回弹值高于标准养护的混凝土B.自然养护的混凝土构件回弹值等于标准养护的混凝土C.自然养护的混凝土构件回弹值小于标准养护的混凝土D.自然养护的混凝土构件回弹值近似于标准养护的混凝土2.结构试验时,固定铰支座可以使用于( )A.连续梁结构的一端B.简支梁的两端C.悬臂梁结构的一端D.柱或墙板构件的两端3.混凝土结构试验时,从加载结束到下一级开始加载,每级荷载的持荷时间不应少于( D )A.1分钟B.3分钟C.5分钟D.10分钟4.离心力加载是根据旋转质量产生的离心力对结构施加(B )荷载。
A.自由振动B.简谐振动C.阻尼振动D.弹性振动5.当使用砂石等松散颗粒材料加载时,如果将材料直接堆放于结构表面,将会造成荷载材料本身的( C ),而对结构产生卸荷作用。
A.沉降B.变形C.起拱D.挤压6.钻芯法检测混凝土强度,芯样抗压试件的高度和直径之比应在( )的范围内。
A.1~2B.2~3C.3~4D.2~47.结构试验中常用生产性试验解决的问题是( )A.验证结构计算理论的假定B.综合鉴定建筑物的设计与施工质量C.为制定设计规范提供依据D.为发展和推广新结构、新材料与新工艺提供实践经验8.结构非破坏试验中,承载力检验法一般加载到小于( A )的某一预定荷载值,检测结构受载后的反应。
A.极限荷载B.设计荷载C.开裂荷载D.屈服荷载9.弹簧加载法常用于构件的( )试验。
A.持久荷载B.交变荷载C.短期荷载D.循环荷载10.结构试验中,能够将若干个加载点的集中荷载转换成均布荷载施加于试件端面的装置是(C)A.杠杆B.分配梁C.卧梁D.反力架11.为检验已建结构性能而需在现场唯一使用的荷载试验方法是( )A.原位试验B.反位试验C.正位试验D.异位试验12.一般的试验,要求测量结果的相对误差不超过( )A.1%B.2%C.3%D.5%13.对观测数字,26.2350和-32250分别修约到0.01和3位有效数字,则正确的结果是( )A.26.24和-32300B.26.24和-32200C.26.23和-32200D.26.23和-3230014.有关结构动力特性的说法正确的是( )A.在振源的作用下产生的B.与外荷载无关C.可以用静力试验法测定D.可以按结构动力学的理论精确计算15.在结构抗震恢复力特性试验中当对一个构件的性能不太了解,作为探索性的研究,或者在确定恢复力模型的时候多用( )来研究强度、变形和耗能的性能。
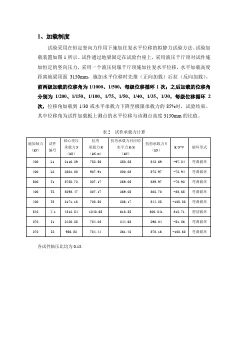
1、加载制度
试验采用在恒定竖向力作用下施加往复水平位移的拟静力试验方法。
试验加载装置如图1所示。
试件通过地梁固定在试验台座上,采用液压千斤顶对试件施加恒定的竖向压力,采用一个液压伺服千斤顶施加往复水平位移,水平加载高度距离地梁顶面3150mm,施加水平位移时先推(正向加载)后拉(反向加载)。
前两级加载的位移角为1/1000、1/500,每级位移循环1次;之后加载的位移角分别为1/200、1/150、1/100、1/75、1/50、1/40、1/35、1/30,每级位移循环2次,位移角加载到1/30或水平承载力下降至极限承载力的85%时,试验结束。
其中位移角为试件加载板上测点的水平位移与该测点高度3150mm的比值。
表2 试件承载力计算
各试件轴压比均为0.13.。
1简述结构试验的任务。
在结构物或试验对象(实物或模型)上,使用仪器设备为工具,利用各种实验技术为手段,在荷载(重力、机械扰动力、地震力、风力……)或其他因素(温度、变形)作用下,通过量测与结构工作性能有关的各种参数(变形、挠度、应变、振幅、频率……)从强度(稳定)刚度和抗裂性以及结构实际破坏形态来判明建筑结构的实际工作性能,估计结构的承载能力,确定结构对使用要求的符合程度,并用以检验和发展结构的计算理论。
2按试验目的的不同,结构试验可分为哪两类?生产性试验和科学研究性试验。
3简述生产性试验的目的。
○1结构的设计和施工通过试验进行鉴定;○2工程改建或加固,通过试验判断具体结构的实际承载能力;○3处理工程事故,通过试验鉴定提供技术根据;○4已建结构的可靠性检验,通过试验推断和估计结构的剩余寿命;○5鉴定预制构件产品的质量。
4简述科研性试验的目的。
○1验证结构计算理论的假定;○2为制订设计规范提供依据;○3为发展和推广新结构新材料与新工艺提供实践经验。
5试对比真型试验与模型试验。
(按试验对象)真型试验:试验对象是实际结构(实物)或者是按实物结构足尺复制的结构或构件,对于实物试验一般均用于生产性试验。
模型试验:试验对象是仿照真型(真实结构)并按照一定比例关系复制而成的试验代表物即模型,它具有实际结构的全部或部分特征,但尺寸却可以比真型小得多的缩尺结构。
6简述静力试验与动力试验的不同。
(按荷载性质)静力试验:加载设备相对比较简单,荷载可以逐步施加,还可以停下来仔细观察结构变形的发展;不能反映应变速率对结构的影响。
动力试验:加载设备和测试手段比静力试验复杂得多;能够反映应变速率对结构的影响。
7简述短期试验与长期试验的区分。
(按试验时间)短期试验:限于试验条件、时间和基于解决问题的步骤,仅进行几十分钟,几小时或者几天。
长期试验:连续进行几个月或几年时间,通过试验以获得结构的变形随时间变化的规律。
8说明试验室试验与现场试验的不同。
第四节结构低周反复加载静力试验结构承受的地震荷载实质上是承受多次反复的水平荷载作用,由于结构是依靠本身的变形来消耗地震输给的能量,所以结构抗震试验的特点是荷载作用反复、结构变形很大,试验要求做到结构构件屈服以后,进入非线性工作阶段直至完全破坏。
由于设备和试验条件的限制,国内外大量的结构抗震试验都是采用低周反复加载的试验方法,即假定在第一振型(倒三角形)条件下给试验对象施加低周反复循环作用的位移或力(图18—4—1),由于低周反复加载时每一加载的周期远远大于结构自身的基本周期,所以这实质上还是用静力加载方法来近似模拟地震作用。
为此人们又称低周反复静力加载试验为伪静力或拟静力试验。
低周反复加载静力试验的不足之处在于试验的加载历程是事先由研究者主观确定的,荷载是按位移或力对称反复施加,因此与任一次确定性的非线性地震反应相差很远,不能反映出应变速率对结构的影响。
一、结构低周反复加载静力试验的加载制度(一)单向反复加载1.控制位移加载法控制位移加载法是在加载过程中以位移为控制值,或以屈服位移的倍数作为加载的控制值、这里位移的概念是广义的,它可以是线位移,也可以是转角、曲率或应变等相应的参数。
当试验对象具有明确有屈服点时,一般都以屈服位移的倍数为控制值。
当构件不具有明确的屈服点时(如轴力大的柱子)或干脆无屈服点时(无筋砌体),则由研究者主观制订一个认为恰当的位移标准值δ0来控制试验加载。
在控制位移的情况下,又可分为变幅加载、等幅加载和变幅等幅混合加载。
(1)变幅加载控制位移的变幅加载如图18—4—1(a)所示。
图中纵坐标是延性系数μ或位移值,横坐标为反复加载的周次,每一周以后增加位移的幅值。
用变幅加载来确定恢复力模型,研究强度、变形和耗能的性能。
(2)等幅加载控制位移的等幅加载如图18—4—2所示。
这种加载制度在整个试验过程中始终按照等幅位移施加,主要用于研究构件的强度降低率和刚度退化规律。
(3)变幅等幅混合加载混合加载制度是将变幅、等幅两种加载制度结合起来如图18—4—3所示。
建筑结构试验复习整理第一章:结构试验概要一、结构工程发展依靠结构试验、结构理论和数值计算三部分组成;结构试验是检验理论与计算正确与否的重要手段;二、结构试验的任务就是在结构物或试验对象上,使用仪器设备为工具,利用各种实验技术为手段,在荷载重力、机械扰动力、地震力和风作用下,以及其它因素作用下温度、腐蚀等通过测量结构工作性能有关的各种参数强度、变形、挠度、应变、振幅、频率从强度、刚度以及结构变形等实际破坏状态来判断建筑结构的实际工作性能,估计结构的承载能力,确定结构对使用要求的符合程度,并用以检验和发展新的结构计算理论;对象、荷载、参数、性能三、结构试验的目的根据不同的试验目的,结构试验归纳为两大类:一类为工程鉴定性试验,另一类为科学研究性试验;工程鉴定性试验:一般具有直接生产目的,以实际建筑物或结构构件为鉴定对象,经过试验对具体结构作出正确的技术结论,如结构承载力是否足够,变性能力是否达到设计要求等;生产性试验一般解决以下问题:1. 结构设计和施工通过试验进行鉴定主要对一些重要建筑,在设计阶段要做一些试验来判断设计是否存在不足,如东方明珠电视塔、目前新建的国际金融大厦,都作了振动台试验,考察设计结构的抗震性能;有一些结构建成后,通过试验鉴定其质量的可靠度,如一些大桥,南浦大桥、杨浦大桥和刚建成的东海大桥,都在建成后经过实际车辆施压,验证其可靠性; 2. 工程改建或加固、通过试验判断具体结构的实际承载能力;对旧有建筑进行改造加固,由于旧有建筑材料性能的变化、环境的影响、使用过程中受荷历史、基础的变化等因素,使的很难单凭理论计算确定其实际承载力,所以有的时候需要通过试验来确定结构的实际能力;3. 处理工程事故、通过试验鉴定提供技术依据;只要指建筑在建造使用过程发现有严重缺陷,包括新建建筑,都要通过一系列试验来确定事故的主要原因;另外一些遭受地震、火灾以及爆炸等受损的结构,为了估计其剩余承载力,为了加固改造作准备,也往往需要通过试验来确定结构的性能,如承载能力,结构动力特性等;4. 已建结构的可靠性鉴定、通过试验推断估计结构的剩余寿命;主要是结构随着使用时间的增加,结构逐步会出现老化现象,使用功能发生退化,为了保证建筑安全使用,有必要鉴定建筑的安全性,预测其剩余使用寿命;往往需要实际观察,测定建筑材料的实际强度以及破坏情况如构件裂缝、钢筋锈蚀情况、重要构件挠度、整体结构的垂直度等参数,结合计算分析对推断结构的剩余寿命; 5. 鉴定预制构件产品的质量主要针对构件厂或现场生产的钢筋混凝土预制构件,按照预制构件的质量检验评定标准和试验规程的要求,通过少量试验推断成批产品的质量;科学研究性试验:验证结构设计计算的各种假定,通过制定各种设计规范,发展新的设计理论,改进设计计算方法;为发展和推广结构新材料和新工艺提供理论和实践经验;一般解决的问题为:1.验证结构计算理论的假定为了计算方便,对结构构件的计算模式和本构关系做一些假定,而这些假定合理与否,一般通过试验来验证;如平截面假定,钢筋混凝土梁抗弯计算假定、抗剪计算假定等;2. 为制定规范提供依据在实际观察,理论分析和试验等大量研究成果基础上,编制了结构设计规范,也体现了最新可实用的研究成果;这些成果的取得,往往需要大量的试验提供可靠的基本资料和试验数据;如基本荷载的确定、构件的承载能力、结构的整体变形能力等;3. 为发展和推广新材料和新工艺提供实践经验;由于一个新材料的应用、一个新结构的设计以及新工艺的施工,没有实际观察结果、没有合适的计算理论,所以需要多次的科学试验和工程实践,积累资料,逐步改进设计计算理论,使设计更可靠合理和简便;四、建筑结构试验分类建筑结构试验除了按照试验目的分为生产性试验和科学研究性试验;还经常以试验对象、荷载性质、试验场和、试验时间等不同因素进行分类;1、按试验对象分为真型试验和模型试验;真型试验的试验对象是实际结构或者按照实物结构足尺复制的结构或构件;实际结构一般用于生产性试验:如一些结构的整体非破坏性的承载力试验,一些建筑实测动力特性等;足尺复制的结构或结构构件,一般指一跟梁、柱、板等构件,进行静动力试验;整体结构的试验相对较少,不过随着抗震研究发展,一些足尺试验也在进行,如1979年同济大学进行的五层硅酸盐砌体房屋抗震破坏试验;日本完成七层钢筋混凝土房屋的足尺试验等;模型试验:由于真型试验投资大,周期长,在物质和技术上存在困难,大部分试验都采用模型试验;模型一般是仿照真实结构按照一定比例复制成的试验代表物;具有实际结构的全部或部分特征,但尺寸要比真实结构小;模型设计、荷载以及分析结果要求相似理论来确定;但在实际中,要做到严格相似如几何相似、材料相似和力学相似比较困难,所以一般采用部分相似,如采用真实结构所小比例的试验代表物,将模型试验结果与理论计算对比,用以研究结构性能,验证设计假定和计算方法正确性,并把这些一般规律和计算理论推广到设计结构中去;2、静力试验和动力试验1. 静力试验:采用静力荷载完成的试验;由于大部分结构工作时承受的是静力荷载,所以静力试验是最基本的试验;加载过程一般是荷载从零一直增加直到结构破坏;➢特点是加载设备简单,荷载可以逐步施加,加载过程中可以停下来观察结构变形的情况,给明确清晰的破坏概念,所以一些承受动力荷载的结构也采用静力方式模拟;如结构抗震性能研究很多采用低周反复静力加载试验来研究;➢缺点是不能反应应变速率对结构的影响,不能反应结构的动力性能;2动力试验:在一些情况下,为了了解结构在动力下下的性能 ,如厂房在吊车作用下的动力性能、吊车梁的疲劳强度和寿命,建筑物在风、地震以及爆炸作用下的性能,为了真实了解结构性能,通过动力加载设备在结构上直接施加动力荷载是最合适的;如模拟地震作用的振动台试验,模拟风荷载的风洞试验等;3、短期荷载试验和长期荷载试验➢尽管结构承受的静力荷载大都是长期作用的,但是由于试验条件、时间等限制,一般采用短期荷载进行试验,整个加载过程控制在较短的时间内;即疲劳荷载也往往在几天内完成;这样试验与结构实际受力有一定的影响,这些在分析结果中要加以考虑;➢长期荷载试验研究结构在长期作用下的性能,如混凝土徐变,预应力钢筋松弛,混凝土腐蚀研究等,这样试验一般需要几个月甚至几年,需要长期的观察才能获得有效的数据;4、试验室试验和现场试验➢建筑结构和构件的试验可以有专门的设备在实验室内进行,也可以在现场进行试验;➢不同之处是,试验室有良好的工作条件,测试仪器受环境影响小;而现场试验受场地条件以及环境影响,选用测试方法一定要结合现场的条件,结合实际工程来进行;第二章结构试验设计一、结构实验的试件设计1、试件形状:试件形状设计目的是造成与设计目的相一致的应力状态;对静定系统的单一构件,一般比较容易满足要求;对整体中取出部分,尤其是复杂超静定结构,必须注意边界条件的模拟,使其能反应该构件的实际工作状态;2、试件尺寸:3、试件数目二、结构试验的模型设计几何相似质量相似荷载相似物理相似时间相似边界条件相似初始条件相似三、试验结构荷载设计试验荷载图式试验荷载装置加载制度第三章结构试验的荷载设备一、静力实验重力加载法液压加载法液压千斤顶、液压试验机机械加载法四、动力实验电液伺服加载系统地震模拟振动台惯性力加载环境随机激振第四章结构实验的数据采集和测量仪器1、结构试验对仪器设备的使用要求:(1)测量仪器影不影响结构的工作(2)测量仪器应该有合适的灵敏度和量程(3)安装方便,稳定性和重复性好(4)廉价耐用,可重复使用,安全可靠,维修容易;(5)多功能,多用途2、电阻应变计的黏贴;(1)测点基地平整、清洁、干燥(2)黏贴剂的电绝缘性、化学稳定性、工艺性良好,蠕变小、黏贴强度高、温湿影响小(3)同一组应变计规格型号应相同;(4)黏贴牢固,方位准确,不含气泡;第五章结构单调加载静力实验1、预载的目的:1使结构进入正常的工作状态;2可以检查实验组织工作人员和人员工作的情况,检查全部实验装置和荷载设备的可靠性;预载试验所用的荷载一般是分级荷载的1-2级;由于混凝土结构构件抗裂试验的结果离散型较大,因此预载加载值不宜超过改试件开裂荷载计算值的70%; 3通过预载检查现场试验装置、荷载设备以及数据采集系统的工作情况;2、荷载分级3、荷载间歇时间4、荷载恒载第六章结构低周反复加载静力试验1、结构抗震试验的特点是荷载作用反复、结构变性很大;主要研究结构在地震作用下的性能;采用假定在第一振型条件下,给试验对象施加低周反复循环的力或位移;2、试验目的:(1)研究结构在地震作用下的恢复力特性,确定结构构件的恢复力计算模型; (2)通过实验可以从强度、变形和能量等三个方面判别和鉴定结构的抗震性能; (3)通过试验研究结构构件的破坏机理,为改进现行抗震设计方法和修改所设计规范提供依据;3、优缺点:优点:试验过程中可以随时停下来观察结构的开裂和破坏状态,可根据试验需要修正和改变加载历程;不足之处是:加载历程是事先由试验者确定的,与地震记录不发生关系;由于荷载在是按照力或位移对称反复加载,与实际地震反应相差很远,另外不能反映应变速率对结构的影响;4、单向反复加载制度1控制位移加载等幅加载、变幅加载、变幅等幅混合加载2控制力加载3控制力和位移混合加载5、双向反复加载XY轴双向同步加载XY轴双向非同步加载第九章结构现场检测和鉴定1、安全性:是指结构在规定的条件下应能承受可能出现的各种作用荷载或变形,偶然作用下也能保持整体的稳定性;2、适用性:指建筑物在正常使用时,应能满足预定的使用要求,如不能过大的变形和裂缝等;3、耐久性:指建筑物在正常使用和正常维护的条件下,材料性能随时间推移而变化,但仍能满足预定的功能;4、可靠性包括安全性、适用性和耐久性;5、致建筑物不能满足预定功能的原因6、1结构在使用过程中,不同程度发生老化;7、2遭受地震、火等灾害荷载受到损伤;8、3设计不周或有误;如对场地的了解不够、荷载计算有误、以及计算简图与实际不符等;9、4施工质量低劣;10、5使用不当或改造不合理,如随意加层或改造,以及增大使用荷载、拆除承重墙等;11、6使用环境恶化,如受高温、振动、化学腐蚀等;12、检测方法:(1)非破损检测混凝土强度:回弹法、超声法、回弹超声法(2)半破损检测混凝土强度:钻芯法、拔出法(3)非破损检测混凝土内部缺陷:超声脉冲法;13、回弹法检测:(1)回弹法基本原理:是通过测量混凝土表面硬度来推算混凝土强度;通过回弹仪弹击混凝土表面时,并测得重锤反弹的距离,以反弹距离与弹簧初始长度之比为回弹值,由它与混凝土强度的相互关系来推定混凝土强度;(2)测点布置:每一试件测区数目不少于10个;每一测区大小宜为200Cm2,相邻测区间距不大于2m,能容纳16个测点为宜;测点均匀布置,两点净距不小于2mm;选用混凝土浇筑的侧面,侧面要平整;(3)回弹法适用条件:不适用表面或内部质量有明显差异,或内部存在缺陷的混凝土;对表面冻结或湿润的混凝土,应该解冻或风干在检测;14、超声回弹法检测混凝土强度(1)回弹法的回弹值反应了混凝土表面的弹性性质,同时在一定程度上也反应了混凝土的塑性性质,但他只能反应黁凝土表面约3cm左右厚度的状态;超声法反应了混凝土内部的材料性质;故综合法既能反应混凝土弹性,又能反应混凝土塑性,既能反应混凝土表层状态,又能反应混凝土内部构造,能够较好的反映混凝土强度;(2)测点布置:超声测点与回弹测定布置在同一测区内,先进行回弹检测,然后进行超声检测,声速探头不应与回弹击点重合;15、混凝土缺陷和裂缝检测混凝土裂缝检测对于开裂深度小于或等于500mm的裂缝:平测法和斜测法;裂缝中不允许有积水或泥浆;平测法:结构的裂缝部位只有一个可测表面时;将发射和接受换能器布置在裂缝两侧,测得其时间;将发射和接受换能器布置在完好的的混凝土表面测得其时间;斜测法:结构的裂缝部位有两个相互平行的可测表面时;采用该方法测量时,裂缝要无积水和泥浆;当有钢筋穿过裂缝时,换能器的布置要使其轴线离开钢筋轴线或成一定的角度,要是钢筋太密无法避开,则不能采用超声波检测裂缝的深度;:对于开裂深度大于500mm的裂缝,采用钻孔探测;钻孔探测:1两侧钻孔距离宜为2000mm.’(3)测试前向测控中注入清水;(4)将两换能器自上而下同步移动,读出数据;(5)测试无裂缝混凝土声学参数做对比;混凝土内部空洞缺陷检测结构具有两对相互平行测试面采用对测法;结构具有一对相互平行的测试面采用斜测法;当测试距离较大时,可以在测区适当部位钻孔,直径为45-50mm,换能器布置见上图;16、混凝土结构钢筋位置和钢筋锈蚀的监测(1)钢筋位置钢筋位置测试仪是通过电磁感应原理进行检测;由于钢筋的存在,使的感应电流的相位与原来交流电的相位产生偏移,该变化值是钢筋与探头的距离和钢筋直径的函数;(2)钢筋锈蚀必要性:由于钢筋锈蚀,导致钢筋受力面积减小,混凝土保护层胀裂、剥落,直接影响混凝土结构的承载能力和寿命,故对已建结构进行鉴定和可靠性鉴定时,需要进行钢筋锈蚀检测;产生锈蚀原因:混凝土为碱性材料,在混凝土中的钢筋周围产生一层钝化膜,在正常情况下对钢筋提供了良好的保护;但由于结构开裂,氧气、水分等侵入,产生电化学腐蚀现象,造成钢筋锈蚀;另外,混凝土碳化,也会降低混凝土的PH值,破坏了混凝土对钢筋的钝化状态,使之发生锈蚀;一般采用自然电位法;检测方法:利用电化学原理来定性判断混凝土中钢筋锈蚀程度的一种方法;当混凝土中的钢筋锈蚀时,钢筋表面会有腐蚀电流,钢筋表面和混凝土表面存在电位差;电位差的大小和腐蚀程度有关,运用电位测量装置,可大致判断钢筋的锈蚀范围和其严重程度;17、已有建筑物的可靠性鉴定(1)计算和验算的内容:(2) 1需要进行结构承载力验算,有时要验算结构的倾覆和滑移;(3) 2对地震区结构,要进行结构抗震验算;(4) 3对使用上要求控制变形的结构构件,还应该进行变形验算;(5) 4有些直接承受疲劳荷载,需要进行疲劳验算;(6) 5根据裂缝控制等级的要求,对混凝土裂缝控制情况进行验算;(7)已有建筑物的鉴定方法:传统经验法实用鉴定法步骤:1初步调查:包括调查建筑概况、建设规模、图纸资料、环境、结构形式和鉴定目标;2调查建筑物的地基基础、建筑材料、和建筑结构结构尺寸、变形、裂缝、损伤、抗震能力等;3结构计算分析以及试验室进行模型试验;概率法:考虑不确定因素的影响;(8)结构设计与可靠性鉴定的不同:1设计基准期和目标使用期结构设计时考虑的设计基准期,而结构可靠性鉴定一般考虑下一个目标使用期;设计基准期:为确定可变作用及时间相关的材料性能的而选用的时间参数;目标使用期:根据国民经济和社会发展状况,工艺更新,服役结构技术状况等综合确定;2设计荷载和验算荷载进行结构设计时采用的设计荷载;根据规范取值;而验算荷载根据服役结构在使用期间内的实际荷载,并考虑荷载规范的基本原则确定的;3抗力计算依据4可靠性控制级别:设计时,以规范为依据,一般分为满足与不满足;而鉴定时,一般以某个等级指标给出的;4民用建筑可靠性鉴定:可靠性鉴定安全性鉴定和使用性鉴定5鉴定评级层次和等级划分:安全性鉴定按构件、子单元和鉴定单元三个层次,每个层次又分为四个等级进行鉴定;构件可以是一个单件,如一根梁或柱,也可以是一个组合件,如组合柱和桁架;也可以是一片墙或一段条形基础;构件的可靠性鉴定是最基本的鉴定单位;子单元是由构件组成,民用建筑可靠性鉴定标准是按地基基础、上部承重结构、维护结构系统分为三个子单元;鉴定单元由子单元组成,根据鉴定建筑物的构造特点和承重体系的种类,可将该建筑物划分位一个或几个可独立进行鉴定的区段,这样每个区段就是一个鉴定单元;使用性鉴定分为三个层次,每个分为三个等级可靠性鉴定:按构件、子单元和鉴定单元三个层次,每个层次分四个等级进行鉴定;各层次可靠性鉴定评级,以该层次的安全性和使用性的评定结果为依据综合确定;民用建筑可靠性鉴定评级各层次分级标准如下:Ⅰ——可靠性符合标准要求,具有正常的承载能力和使用功能,可不采取措施;Ⅱ——可靠性略低于标准要求,尚不显着影响承载能力和使用功能,有些构件需要在使用性上采取适当措施,有些需要在安全性上采取适当措施;Ⅲ——可靠性不符合标准要求,影响正常承载能力和使用功能;应采取措施;Ⅳ——可靠性严重不符合要求,已危机安全,应停止使用,必须立即采取措施;9、构件鉴定构件安全性鉴定一混凝土结构构件包括承载能力、构造、不适合继续承载的位移和裂缝四各检查项目;承载能力项目一般有抗弯与抗剪取最的一级作为该项目的评定等级小表;构造检查项目按下表分别评定两个内容等级,然后取较低一级作为该项目的评定等级;构件使用性鉴定正常使用性鉴定应以现场调查和检测结果为基本依据;在下列情况下,还需要按照正常使用极限状态的要求进行计算分析和验算:检测结果需要与计算值比较;检测只得到部分数据,还需要进行计算分析进行鉴定,为改变建筑用途、使用条件或使用要求而进行的鉴定;验算时弹性模量、剪切模量和泊松比等物理性能指标,可以根据鉴定确定的材料品种和强度等级,按现行规范采用;验算结果按现行规范限值进行评级;如验算合格,按照验算结果和实际完好程度评为a级或b级;如果不合格,就定为C级;混凝土构件正常使用鉴定包括位移和裂缝两个检查项目;其中位移项目包括受弯构件挠度和柱顶水平位移;受弯构件挠度的评级为:检测值小计算值或现行设计规范限值为a级;若检测值大于计算值,但是小于现行规范限值为b ,当检测值大于现行设计规范限值时为 c级;裂缝宽度的正常使用性评定为:检测值小计算值或现行设计规范限值为a级;若检测值大于计算值,但是小于现行规范限值为b当检测值大于现行设计规范限值时为 c 级;沿主筋方向出现的锈蚀裂缝,应直接评为 c 级;若一种构件出现两种裂缝应分别评级,取较低一级作为该构件的裂缝等级;18、子单元地基、上部承重结构鉴定、维护结构子单元安全性鉴定子单元适用性鉴定。
全国2002年10月高等教育自学考试建筑结构试验试题课程代码:02448一、单项选择题(在每小题的四个备选答案中选出一个正确答案,并将其号码填在题干的括号内。
每小题1分,共15分)1.对相同强度等级的混凝土,用回弹仪测定混凝土强度时,下列说法正确的是( A )A.自然养护的混凝土构件回弹值高于标准养护的混凝土B.自然养护的混凝土构件回弹值等于标准养护的混凝土C.自然养护的混凝土构件回弹值小于标准养护的混凝土D.自然养护的混凝土构件回弹值近似于标准养护的混凝土2.结构试验时,固定铰支座可以使用于( )A.连续梁结构的一端B.简支梁的两端C.悬臂梁结构的一端D.柱或墙板构件的两端3.混凝土结构试验时,从加载结束到下一级开始加载,每级荷载的持荷时间不应少于( D )A.1分钟B.3分钟C.5分钟D.10分钟4.离心力加载是根据旋转质量产生的离心力对结构施加(B )荷载。
A.自由振动B.简谐振动C.阻尼振动D.弹性振动5.当使用砂石等松散颗粒材料加载时,如果将材料直接堆放于结构表面,将会造成荷载材料本身的( C ),而对结构产生卸荷作用。
A.沉降B.变形C.起拱D.挤压6.钻芯法检测混凝土强度,芯样抗压试件的高度和直径之比应在( )的范围内。
A.1~2B.2~3C.3~4D.2~47.结构试验中常用生产性试验解决的问题是( )A.验证结构计算理论的假定B.综合鉴定建筑物的设计与施工质量C.为制定设计规范提供依据D.为发展和推广新结构、新材料与新工艺提供实践经验8.结构非破坏试验中,承载力检验法一般加载到小于( A )的某一预定荷载值,检测结构受载后的反应。
A.极限荷载B.设计荷载C.开裂荷载D.屈服荷载9.弹簧加载法常用于构件的( )试验。
A.持久荷载B.交变荷载C.短期荷载D.循环荷载10.结构试验中,能够将若干个加载点的集中荷载转换成均布荷载施加于试件端面的装置是(C)A.杠杆B.分配梁C.卧梁D.反力架11.为检验已建结构性能而需在现场唯一使用的荷载试验方法是( )A.原位试验B.反位试验C.正位试验D.异位试验12.一般的试验,要求测量结果的相对误差不超过( )A.1%B.2%C.3%D.5%13.对观测数字,26.2350和-32250分别修约到0.01和3位有效数字,则正确的结果是( )A.26.24和-32300B.26.24和-32200C.26.23和-32200D.26.23和-3230014.有关结构动力特性的说法正确的是( )A.在振源的作用下产生的B.与外荷载无关C.可以用静力试验法测定D.可以按结构动力学的理论精确计算15.在结构抗震恢复力特性试验中当对一个构件的性能不太了解,作为探索性的研究,或者在确定恢复力模型的时候多用( )来研究强度、变形和耗能的性能。
低周反复荷载的解释
低周反复荷载试验
静力试验又称低周反复荷载试验,是指对结构或结构构件施加多次往复循环作用的静力试验,是使结构或结构构件在正反两个方向重复加载和卸载的过程,用以模拟地震时结构在往复振动中的受力特点和变形特点。
这种方法是用静力方法求得结构振动时的效果,因此称为拟静力试验,或伪静力试验。
结构的拟静力试验是目前研究结构或结构构件受力及变形性能时应用最广泛的方法之一。
它采用一定的荷载控制或位移控制对试件进行低周反复循环的加载方法,使试件从开始受力到破坏的一种试验方法,由此获得结构或结构构件非弹性的荷载—变形特性,因此又称为恢复力特性试验。
该方法的加载速率很低,因此由于加载速率而引起的应力、应变的变化速率对于试验结果的影响很小,可以忽略不计。
同时该方法为循环加载,也称为周期性加载。
进行结构拟静力试验的主要目的,首先是建立结构在地震作用下的恢复力特性,确定结构构件恢复力的计算模型,通过试验所得的滞回曲线和曲线所包围的面积求得结构的等效阻尼比,衡量结构的耗能能力,同时还可得到骨架曲线,结构的初始刚度及刚度退化等参数。
由此可以进一步从强度、变形和能量等三个方面判断和鉴定结构的抗震性能。
最后可以通过试验研究结构构件的破坏机制,为改进现行结构抗震设计方法及改进结构设计的构造措施提供依据。