年11月机械工程师资格考试试题及答案
- 格式:pdf
- 大小:16.96 MB
- 文档页数:24
机械工程师资格考试题及答案机械工程师是一个具备相关专业知识和技术能力的职业,其资格考试涵盖了广泛的机械工程领域。
在本文中,我将为您介绍一些机械工程师资格考试中的问题及其答案。
请注意,由于限制条件的限制,本文只能提供部分题目及答案。
题目1: 什么是机械工程学科的基础知识?答案: 机械工程学科的基础知识主要包括力学、材料学、热学、流体力学、电气工程等。
这些知识是机械工程师在日常工作中所必需的基础。
题目2: 什么是机械设计?答案: 机械设计是指按照一定的设计原则和方法,根据产品的使用要求以及一些特定的技术要求,通过运用机械工程学科的知识和技能,进行产品形态、尺寸、结构、功能和性能等方面的设计。
题目3: 请简要介绍机械工程师在机械设计中的角色。
答案: 机械工程师在机械设计中起着关键的角色。
他们负责产品的整体设计,包括绘制设计草图、进行结构分析和强度计算、选择合适的材料和加工工艺等。
他们还需要与其他工程师、制造商和客户进行沟通协作,以保证产品的设计满足需求。
题目4: 什么是机械加工工艺?答案: 机械加工工艺是指通过机械化的方法将原材料加工成为所需的产品。
它包括了很多不同的加工方法,如切削、冲压、焊接、铸造等。
机械工程师需要了解并掌握不同的加工工艺,以便选择最适合的方法来制造产品。
题目5: 请介绍一下机械传动系统。
答案: 机械传动系统是指通过机械装置将动力从一个位置传递到另一个位置的系统。
常见的机械传动系统包括齿轮传动、皮带传动、链条传动等。
这些传动系统用于转动或传递力量,并在机械设备中起着关键的作用。
以上是机械工程师资格考试中的一些问题及其答案。
机械工程师需要具备扎实的机械工程学科知识、熟练的设计和加工技能以及良好的沟通能力,以胜任其工作。
希望以上内容对您有所帮助。
如需更多题目及答案,请参考相关教材和考试指南。
机密 启用前2016年11月机械工程师资格考试综合素质与技能(第一单元)(共120分)注意事项:第一单元包含单项选择题和简答题两种题型,全部为必答题。
考试时间为180分钟。
请用签字笔或钢笔将答案写在答题纸的相应位置。
一、单项选择题(1~40题,每小题1分,41~60题,每小题2分,共计80分,请将答案写在答题纸上)1.箱体零件孔的横剖面中心线,绘制的线型及中心点要求是A)双点划线及两细线相交B)细实线及短线相交C)点划线及两线相交D)点划线及短线相交2.装配图上,允许用示意图表示的螺旋弹簧,其型材直径或厚度应小于A)2mm B)3mmC)4mm D)5mm3.在直径为16mm钢珠的零件图上,其直径标注为A)φ16 B)Sφ16C)R8 D)SR164.花键轴向视图中,工作长度的终止端和尾端长度的末端应采用的线型是A)均为粗实线B)均为细实线C)粗实线和细实线D)细实线和虚线5.机床主轴箱中,用键连接的圆柱直齿轮孔和轴的配合多采用A)H7/k6 B)H8/f7C)H9/h9 D)H7/h66.箱体的主轴孔与主轴直齿轮传动的轴孔,其轴线的形位公差一般应标注A)位置度B)倾斜度C)平行度D)同轴度7.对经常拆卸的φ20圆柱定位销,其公差等级为IT8时,所推荐的轴和孔表面粗糙度Ra是A)均≤0.8μm B)≤0.8μm和≤1.6μmC)≤0.4μm和≤0.8μm D)均≤1.6μm8.零件图中表示形状公差的一组项是A)圆柱度、直线度B)圆度、同轴度C)平行度、垂直度D)平面度、倾斜度9.在零件图中,机加工的工艺结构是A)起模斜度、越程槽B)顶尖孔、退刀槽C)圆角、空刀槽D)键槽、定位孔10.我国职业健康安全和污染物排放国家标准的代号和属性是A)GB/T和推荐性B)JB和强制性C)ISO和推荐性D)GB和强制性11.玻璃钢属于A)陶瓷材料B)复合材料C)高分子材料D)金属材料12.下列说法正确的是A)精密测量工具应选用膨胀系数较大的金属材料制造B)金属材料的物理性能包括密度、熔点、磁性、塑性等C)布氏硬度试验数据稳定、重复性好,可广泛用于成品检验D)制造散热器等零件应选用导热性好的材料13.某母材为6061铝合金焊接件需要检查焊缝表面缺陷,应采用的方法是A)X射线探伤法B)着色探伤法C)磁粉探伤法D)超声波探伤法14.下列关于工艺性能的说法正确的是A)高碳钢的焊接性能比低碳钢的好B)06Cr19Ni10的切削加工性能比Y45的好C)确定锻造温度时,应使钢处于奥氏体状态,便于塑性变形D)铸钢的铸造性能比共晶成分铸铁的铸造性能好15.用42CrMo制作M20、级别为12.9级的螺栓,淬火后应进行A)中温回火B)低温回火C)高温回火D)去应力退火16.下列关于热处理的说法正确的是A)感应加热淬火用于单件、小批量生产B)ZL104缸体应进行固溶、时效处理C)活塞销应选用中碳钢制造,并进行调质处理D)用CrWMn钢制作精密量具时,应进行淬火、高温回火17.为提高机械系统的效率,减少机械中的摩擦损耗,设计时可考虑A)提高系统强度、定时润滑B)提高系统刚度、降低温度C)选用同种金属材料配对、恒定温度D)选用金属和陶瓷材料配对、合理润滑18.变速箱中,传递大扭矩的斜齿轮组,其变速机构采用A)滑移齿轮结构B)齿型离合器结构C)摩擦片离合器结构D)拉键式结构19.设计中小型卧式车床时,其床身导轨和刀架导轨的型式一般采用A)双矩形组合和双V形组合B)凸三角平形组合和燕尾形C)凹三角平形组合和双圆形组合D)双V形组合和双圆形组合20.下列用于齿轮与轴连接的标准件中,有利于实现无间隙传动的是A)切向键B)弹性销C)圆锥销D)紧定螺栓21.目前生产100t以上特大型铸件的唯一工艺方法是A)熔模铸造B)低压铸造C)砂型铸造D)消失模铸造22.下列材料中,可实现无冒口铸造(即不用冒口补缩)的铸造合金是A)灰铸铁B)球墨铸铁C)合金铸钢D)铝硅合金23.金属材料经塑性变形后,有所降低的一项力学性能是A)强度B)硬度C)刚度D)塑性24.下列金属中,常作为制造发动机连杆的材料是A)低碳钢B)中碳钢C)灰铸铁D)高锰钢25.采用二氧化碳气体保护焊的结构件前处理简单、焊后变形小和A)焊接成本高、生产率高B)焊接成本高、生产率低C)焊接成本低、生产率高D)焊接成本低、生产率低26.从焊接结构强度的角度来看,比较理想的接头形式是A)对接接头B)角接接头C)搭接接头D)丁字接头27.切削用量中,对切削温度影响由大到小的排序是A)切削速度-进给量-背吃刀量(切削深度)B)进给量-背吃刀量(切削深度)-切削速度C)背吃刀量(切削深度)-进给量-切削速度D)背吃刀量(切削深度)-切削速度-进给量28.图示为在立轴转塔车床上,同时用3把刀车削工件3个不同表面,称此加工为29.关于特种加工,下列说法正确的是A)线切割加工一般采用负极性加工B)电火花加工适用于绝缘材料加工C)激光加工适用于金属和非金属材料加工D)超声加工容易引起变形30.关于表面处理,下列说法正确的是A)磷化膜的特点之一是具有较好的润滑性能B)发蓝后皂化处理的目的是提高工件的减摩性C)镀铬层对钢铁基体起到电化学保护作用D)镀铜层通常作为阳极性镀层使用31.环境管理体系的控制对象和管理核心是A)环境因素B)危险源C)节能降耗D)污染物达标排放32.环境因素/危险源综合治理的有效控制途径是A)源头预防,采用节能减排/健康安全的技术B)全程控制,减轻环境因素/危险源的有害后果C)末端治理,采用有效的污染及风险治理措施D)以上全部33.容易诱发铸工尘肺病的铸造工艺是A)压力铸造B)低压铸造C)砂型铸造D)离心铸造34.容易诱发焊工尘肺病的焊接工艺是A)电阻焊B)电弧焊C)摩擦焊D)钎焊35.下列知识产权中依法受终身保护的是A)外观设计专利B)企业商标C)计算机软件D)集成电路布图设计36.各国通常的反倾销制裁措施主要有反壁垒措施和A)修改协议、征收反倾销税B)中止协议、征收反倾销税C)诉诸法律、提高反倾销税D)中止协议、提高反倾销税37.测量轴零件圆度时可采用的器具是A)三坐标测量机和圆度仪B)千分表和工具显微镜C)自准直仪和激光干涉仪D)轮廓仪和测微仪38.机械产品的检测程序中应包括A)设计测量精度B)确定计量单位C)确定测量器具D)设计被测值39.数控机床坐标系用右手定则来表示,食指、中指、拇指分别表示为A)XYZ B)YZXC)ZXY D)ZYX40.位置检测元件安装在伺服电机上时,一般称机床的位置反馈为A)开环B)半闭环C)全闭环D)双闭环41.钢在Ac1和Ac3之间加热、淬火后的金相组织为A)马氏体+铁素体B)针状马氏体C)板条马氏体D)马氏体+碳化物42.制作气门弹簧时,宜选用A)20Cr渗碳淬火+低温回火B)50CrV淬火+中温回火C)40Cr淬火+高温回火D)45钢正火处理43.高转速及重载的传动轴两端用角接触滚动轴承支承时,轴承内、外圈的轴向固定应采用A)紧固档圈及锁紧圆螺母B)弹性档圈及轴、孔肩面C)端盖止口及轴肩面D)紧定隔套及轴档44.选用各种电动机的防护等级IP值的有关因素是A)易燃性、制动性B)易爆性、调速性C)污染性、过载性D)液体、灰尘45.顺序阀在液压系统中作卸荷阀用时,应选用A)内控内泄B)内控外泄C)外控内泄D)外控外泄46.生产最小壁厚达0.5mm黑色金属复杂铸件的铸造工艺方法是A)熔模铸造B)压力铸造C)低压铸造D)金属型铸造47.工程中常用的金属型材采用A)横轧成形B)纵轧成形C)辊轧成形D)斜轧成形48.下列焊接方法中,焊接烟尘与有害气体较少的两种是A)焊条电弧焊、埋弧焊B)埋弧焊、熔化极氩弧焊C)熔化极氩弧焊、钨极氩弧焊D)埋弧焊、钨极氩弧焊49.活塞与活塞销在冷态装配时要求有0.0025~0.0075mm的过盈量,其装配适于采用A)直接选配法B)分组选配法C)修配装配法D)调整装配法50.内燃机汽缸套内腔宜采用的镀铬类型是A)镀硬铬B)松孔镀铬(多孔铬)C)黑铬D)乳白铬51.空压机运行产生的噪声主要属于A)机械噪声B)空气动力噪声C)电磁噪声D)非稳态噪声52.金属工件阳极氧化、化学氧化产生的大气污染物应遵守的排放标准是A)大气污染物综合排放标准B)工业炉窑大气污染物排放标准C)电镀污染物排放标准D)恶臭污染物排放标准53.《国民经济和社会发展第十三个五年规划纲要》中指出,2016~2020年,我国单位国内生产总值二氧化碳排放量累计下降A)40%B)30%C)18%D)8%54.零件制造过程中能判定一批产品质量和估算不合格率的统计图表是A)因果图B)波动图C)排列图D)直方图55.产品性能的静刚度试验时,其中用到的测量器具有A)水平仪和工具显微镜B)千分表和游标卡尺C)游标卡尺和测力仪D)电感比较仪和加力仪56.机械制造企业建立ISO9001质量管理体系的主要工作之一是A)建立环境和职业健康安全管理体系B)管理体系的内外审核和认证C)建立质量管理体系文件D)鉴定和认证产品质量57.下列程序段执行的结果是M6T6G54 G90 G00 X0 Y0 Z0……A)当前主轴上的刀是6号刀B)当前主轴上的刀不一定是6号刀C)刀库上待换刀位上的刀是6号刀D)刚刚换到刀库的刀是6号刀58.现场总线的特征是串行、数字式和A)多点通信B)多任务集中控制C)分散式控制D)一对一控制59.在CAD三维实体设计中,要生成一条三维空间的螺旋线,至少要给出A)参考点、螺旋角、螺旋线长度B)参考圆、螺旋线螺距、圈数C)参考平面、螺旋升角、圈数D)螺旋线半径、螺旋线高度、圈数60.逻辑代数运算式A(B+B—)+A—(B+B—)的值为A)0 B)1C)空D)不确定二、简答题(61~68题,每小题5分,共计40分,请将答案写在答题纸上)61.图示为支承座零件的主视和俯视图,画出该零件的右视图,并指出原视图画法错误处。
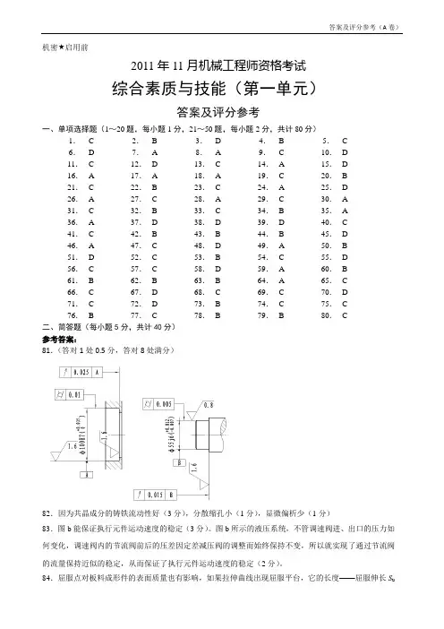
机密 启用前2011年11月机械工程师资格考试综合素质与技能(第一单元)答案及评分参考一、单项选择题(1~20题,每小题1分,21~50题,每小题2分,共计80分)1. C 2. B 3. D 4. B 5. C6. D 7. A 8. A 9. C 10. D11. C 12. D 13. C 14. A 15. D16. A 17. A 18. A 19. C 20. B21. C 22. B 23. C 24. A 25. D26. A 27. C 28. A 29. C 30. A31. C 32. B 33. C 34. B 35. A36. A 37. D 38. D 39. D 40. C41. C 42. B 43. B 44. B 45. D46. A 47. C 48. D 49. A 50. B51. D 52. C 53. B 54. C 55. D56. C 57. C 58. D 59. A 60. B61. B 62. B 63. B 64. A 65. C66. C 67. D 68. C 69. C 70. D71. C 72. D 73. B 74. C 75. C76. B 77. C 78. B 79. B 80. C二、简答题(每小题5分,共计40分)参考答案:81.(答对1处0.5分,答对8处满分)82.因为共晶成分的铸铁流动性好(3分),分散缩孔小(1分),显微偏析少(1分)83.图b能保证执行元件运动速度的稳定(3分)。
图b所示的液压系统,不管调速阀进、出口的压力如何变化,调速阀内的节流阀前后的压差因定差减压阀的调整而始终保持不变,所以就实现了通过节流阀的流量保持近似的稳定,从而保证了执行元件运动速度的稳定(2分)。
84.屈服点对板料成形件的表面质量也有影响,如果拉伸曲线出现屈服平台,它的长度——屈服伸长S u较大,板料在屈服伸长之后,表面会出现明显的滑移线痕迹,导致零件表面粗糙(3分)。
机械工程师资格考试试题及解析答案技能资格考试一、单项选择题(1~20题,每小题1分,21~50题,每小题2分,共计80分,请将正确选项填在题后空格处)1.在轴向视图中螺纹有效的终止界限(螺纹终止线)的表示应采用( D )。
A.细实线B.虚线C.点划线D.粗实线2.图样中虚线与点画线重叠时应画( B )。
A.点画线B.虚线C.不划线D.粗实线3.对同一表面进行粗糙度测定时,评定参数Ra、Ry、Rz的数值大小关系是( D )。
A.Ra>Ry>Rz B.Ra<Ry<Rz C.Rz>Ra>Ry D.Ry>Rz>Ra 4.表示轴类零件几何形状的误差项是(C )。
A.同轴度B.平行度C.圆柱度D.倾斜度5.冲击功的法定计量单位符号是( C )。
A.erg(尔格)B.eV(电子伏)C.J(焦耳)D.cal(卡)6.常见于测定钢件淬火后硬度的仪器是(D )。
A.布氏硬度计B.维氏硬度计C.显微硬度计D.洛式硬度计7.为了不过于严重削弱轴和轮毂的强度,两个切向键一般应布置成( C )。
A.在轴的同一母线上B.相互错开170°~180°C.相互错开120°~130°D.相互错开80°~90°8.变频调速的方法适用于( A )。
A.异步电动机B.直流电动机C.同步电动机D.伺服电动机9.印刷线路板上通孔应采用( C )。
A.镀锌层B.镀镍层C.镀铜层D.镀铬层10.下列铸造合金中,线收缩率最小的是( A )。
A.灰铸铁B.碳钢C.奥氏体钢D.青铜11.影响切削力波动最小的切屑形态是( A )。
A.带状切屑B.单元切屑C.挤裂切屑D.崩碎切屑12.夹具上工件定位元件所能限制的工件自由度少于按照相关工艺规程要求所必须限制的自由度,称为(C )。
A.完全定位B.不完全定位C.欠定位D.过定位13.属于预测性保养特征的是( A )。
技能资格考试单项选择题( 1~20 题,每小题 1分,21~50 题,每小题 2分,共计 空格处) 在轴向视图中螺纹有效的终止界限(螺纹终止线)的表示应采用( D )A .细实线B .虚线C .点划线D .粗实线图样中虚线与点画线重叠时应画( BA .点画线C .不划线对同一表面进行粗糙度测定时,评定参数 A . Ra>Ry>RzC . Rz>Ra>Ry 表示轴类零件几何形状的误差项是( CA .同轴度C .圆柱度 冲击功的法定计量单位符号是( C )A . erg (尔格) C .J (焦耳)常用于测定钢件淬火后硬度的仪器是(A .布氏硬度计 C .显微硬度计B .虚线 D .粗实线Ra 、 Ry 、 Rz 的数值大小关系是( D )B . Ra<Ry<RzD . Ry>Rz>Ra)。
B .平行度 D .倾斜度。
B .eV (电子伏) D . cal (卡)D )。
B .维氏硬度计D .洛式硬度计为了不过于严重削弱轴和轮毂的强度,两个切向键一般应布置成( C ).夹具上工件定位元件所能限制的工件自由度少于按照相关工艺规程要求所必须限制的自由度,称为 ( C )。
A .完全定位B .不完全定位C .欠定位D .过定位.属于预测性保养特征的是( A )。
A .使用各种传感器监测设备机件的磨损状况B .制订设备调整计划C .制订设备检查计划1. 2. 3. 4.5. 6.7. 8. 9. 10 11 121380 分,请将正确选项填在题后 A .在轴的同一母线上C .相互错开 120°~ 130° 变频调速的方法适用于( A ) A .异步电动机C .同步电动机 印刷线路板上通孔应采用( C )A .镀锌层C .镀铜层 .下列铸造合金中,线收缩率最小的是(A .灰铸铁 C .奥氏体钢.影响切削力波动最小的切屑形态是(A .带状切屑 C .挤裂切屑B .相互错开 170°~ 180 D .相互错开 80°~ 90° B .直流电动机 D .伺服电动机 B .镀镍层 D .镀铬层A )。
绪论1、机器的基本组成要素是什么?【答】机械系统总是由一些机构组成,每个机构又是由许多零件组成。
所以,机器的基本组成要素就是机械零件。
2、什么是通用零件?什么是专用零件?试各举三个实例。
【答】在各种机器中经常能用到的零件称为通用零件。
如螺钉、齿轮、弹簧、链轮等。
在特定类型的机器中才能用到的零件称为专用零件。
如汽轮机的叶片、内燃机的活塞、曲轴等。
3、在机械零件设计过程中,如何把握零件与机器的关系?【答】在相互连接方面,机器与零件有着相互制约的关系;在相对运动方面,机器中各个零件的运动需要满足整个机器运动规律的要求;在机器的性能方面,机器的整体性能依赖于各个零件的性能,而每个零件的设计或选择又和机器整机的性能要求分不开。
机械设计总论1、机器由哪三个基本组成部分组成?传动装置的作用是什么?【答】机器的三个基本组成部分是:原动机部分、执行部分和传动部分。
传动装置的作用:介于机器的原动机和执行部分之间,改变原动机提供的运动和动力参数,以满足执行部分的要求。
2、什么叫机械零件的失效?机械零件的主要失效形式有哪些?【答】机械零件由于某种原因丧失工作能力或达不到设计要求的性能称为失效。
机械零件的主要失效形式有1)整体断裂;2)过大的残余变形(塑性变形);3)零件的表面破坏,主要是腐蚀、磨损和接触疲劳;4)破坏正常工作条件引起的失效:有些零件只有在一定的工作条件下才能正常工作,如果破坏了这些必要的条件,则将发生不同类型的失效,如带传动的打滑,高速转子由于共振而引起断裂,滑动轴承由于过热而引起的胶合等。
3、什么是机械零件的设计准则?机械零件的主要设计准则有哪些?【答】机械零件的设计准则是指机械零件设计计算时应遵循的原则。
机械零件的主要设计准则有:强度准则、刚度准则、寿命准则、振动稳定性准则、可靠性准则4、绘出浴盆曲线并简述其含义?答】浴盆曲线是失效率曲线的形象化称呼,表示了零件或部件的失效率与时间的关系,一般用实验方法求得。
绪论1、机器的基本组成要素是什么?【答】机械系统总是由一些机构组成,每个机构又是由许多零件组成。
所以,机器的基本组成要素就是机械零件。
2、什么是通用零件?什么是专用零件?试各举三个实例。
【答】在各种机器中经常能用到的零件称为通用零件。
如螺钉、齿轮、弹簧、链轮等。
在特定类型的机器中才能用到的零件称为专用零件。
如汽轮机的叶片、内燃机的活塞、曲轴等。
3、在机械零件设计过程中,如何把握零件与机器的关系?【答】在相互连接方面,机器与零件有着相互制约的关系;在相对运动方面,机器中各个零件的运动需要满足整个机器运动规律的要求;在机器的性能方面,机器的整体性能依赖于各个零件的性能,而每个零件的设计或选择又和机器整机的性能要求分不开。
机械设计总论1、机器由哪三个基本组成部分组成?传动装置的作用是什么?【答】机器的三个基本组成部分是:原动机部分、执行部分和传动部分。
传动装置的作用:介于机器的原动机和执行部分之间,改变原动机提供的运动和动力参数,以满足执行部分的要求。
2、什么叫机械零件的失效?机械零件的主要失效形式有哪些?【答】机械零件由于某种原因丧失工作能力或达不到设计要求的性能称为失效。
机械零件的主要失效形式有1)整体断裂;2)过大的残余变形(塑性变形);3)零件的表面破坏,主要是腐蚀、磨损和接触疲劳;4)破坏正常工作条件引起的失效:有些零件只有在一定的工作条件下才能正常工作,如果破坏了这些必要的条件,则将发生不同类型的失效,如带传动的打滑,高速转子由于共振而引起断裂,滑动轴承由于过热而引起的胶合等。
3、什么是机械零件的设计准则?机械零件的主要设计准则有哪些?【答】机械零件的设计准则是指机械零件设计计算时应遵循的原则。
机械零件的主要设计准则有:强度准则、刚度准则、寿命准则、振动稳定性准则、可靠性准则4、绘出浴盆曲线并简述其含义?【答】浴盆曲线是失效率曲线的形象化称呼,表示了零件或部件的失效率与时间的关系,一般用实验方法求得。
机械工程师职称考试题及参考答案一、填空题(每题2分,共20分)1. 以下哪一项不是机械设计的主要任务_________。
A. 确定机械的工作原理和结构形式B. 分析机械的动态性能C. 选择合适的材料和制造工艺D. 确定机械的使用寿命2. 在机械设计过程中,以下哪一项不是设计原则_________。
A. 确保机械的安全性B. 提高机械的效率C. 使机械结构尽量复杂D. 满足使用功能的前提下,简化机械结构3. 以下哪一项不是机械设计中的限制条件_________。
A. 机械的尺寸限制B. 机械的负载能力限制C. 机械的制造成本限制D. 机械的运行速度限制4. 以下哪种设计方法不是机械创新设计的方法_________。
A. 改进现有产品B. 采用新技术和新原理C. 提出全新的产品D. 增加机械的零部件数量5. 以下哪种不是机械设计的评价指标_________。
A. 机械的可靠性B. 机械的寿命周期成本C. 机械的制造成本D. 机械的使用性能二、选择题(每题2分,共20分)1. 以下哪项是机械设计的主要任务?A. 确定机械的使用寿命B. 分析机械的动态性能C. 选择合适的材料和制造工艺D. 确定机械的工作原理和结构形式答案:D2. 在机械设计过程中,以下哪项是设计原则?A. 确保机械的安全性B. 提高机械的效率C. 使机械结构尽量复杂D. 满足使用功能的前提下,简化机械结构答案:D3. 以下哪项是机械设计中的限制条件?A. 机械的尺寸限制B. 机械的负载能力限制C. 机械的制造成本限制D. 机械的运行速度限制答案:A4. 以下哪种设计方法是机械创新设计的方法?A. 改进现有产品B. 采用新技术和新原理C. 提出全新的产品D. 增加机械的零部件数量答案:B5. 以下哪种是机械设计的评价指标?A. 机械的可靠性B. 机械的寿命周期成本C. 机械的制造成本D. 机械的使用性能答案:A三、简答题(每题10分,共30分)1. 简述机械设计的主要任务。
2015年11月机械工程师资格考试综合素质与技能(第一单元)(共120分)注意事项:第一单元包含单项选择题和简答题两种题型,全部为必答题。
考试时间为180分钟。
请用签字笔或钢笔将答案写在答题纸的相应位置。
一、单项选择题(1~40题,每小题1分,41~60题,每小题2分,共计80分,请将答案写在答题纸上)1.外螺纹牙顶圆和齿轮分度圆在投影图上的线条采用A )细实线和点划线B )粗实线和虚线C )细实线和虚线D )粗实线和点划线2.齿轮箱主视图位置确定后,其俯视图和右视图的位置应配置在主视图的A )上方和右方B )上方和左方C )下方和左方D )下方和右方3.加工中心主轴7:24锥度在零件图中标注为ABC )∠7:24,其符号方向与锥度一致D )∠7:24,其符号方向与锥度相反4.下列传动螺旋中,其螺牙形状及其标注代号均为正确的是A )矩形、MB )滚珠型、RcC )锯齿形、TrD )梯形、Tr5.通用减速箱中,齿轮轴上的轴承内圈与轴颈配合、轴承外圈与箱体孔配合,一般采用的配合标注是A )js6、P7B )f7、JS7C )js6、H7D )K7、n66.轴颈相对于基准A 的跳动允差0.005,其在图样上的形位公差框格标注应采用ABCD 7. 55的阀套与滑柱配合,其公差等级为IT6时,所推荐的孔和轴表面粗糙度R a 是A )≤1.6和≤1.6B )≤1.6和≤0.8C )≤0.4和≤0.8D )≤0.2和≤0.88.机床主轴零件图上,某轴颈的圆度公差0.002mm 应标注在A )轴颈的任意横截面位置上B )轴颈的中心线上C )轴颈的尺寸线上D )轴颈尺寸的延长线上9.在装配图中,同一零件在主视图和俯视图的剖面线应A )方向相同,间隔不同B )方向不同,间隔相同C )方向相同,间隔相同D )方向不同,间隔不同10.机械制造企业使用的推荐性国家标准,其标准代号是A)GB/Z B)JBC)JB/T D)GB/T11.某化工压力容器由06Cr19Ni10焊接而成,检查焊缝表面缺陷应选用A)X射线探伤法B)着色探伤法C)磁粉探伤法D)超声波探伤法12.用冷轧钢板制造承受拉力的零件,为充分发挥钢板力学性能,零件承受拉力的方向应A)平行于钢板轧制方向B)垂直于钢板轧制方向C)与轧制方向成45°角D)沿钢板任意方向13.某机床主轴需经渗氮处理,适合制造该主轴的材料是A)H59-1 B)45C)38CrMoAl D)ZL10414.下列材料中焊接性能最好的是A)低碳钢B)HT200C)铝合金D)W18Cr4V15.在过共析钢的室温平衡组织中,随着含碳量的提高,数量逐渐减少的是A)铁素体B)珠光体C)渗碳体D)残余奥氏体16.对球墨铸铁零件进行正火处理,可以改变铸铁中的A)石墨形态和基体组织B)基体组织C)石墨分布和基体组织D)石墨分布17.汽车发动机气门顶杆的运动为简谐规律变化的往复移动,其机构应设计为A)齿条机构B)螺旋机构C)曲柄滑块机构D)凸轮机构18.要求实现精度较高的定比传动时,应采用A)平带传动B)多楔带传动C)同步带传动D)V带传动19.重型机床结构件在满足外形尺寸的条件下,其设计的第一要素应是A)耐磨性B)刚度C)工艺性D)强度20.选用牙嵌离合器连接两传动轴,其条件是A)传递转矩较小,接合速度较低B)传递转矩较大,接合速度较低C)传递转矩较大,接合速度较高D)传递转矩较小,接合速度较高21.生产最小壁厚为0.8mm的铝合金铸件时,应采用的铸造工艺是A)离心铸造B)砂型铸造C)金属型铸造D)压力铸造22.铸件牌号为QT350-22,其中350代表的力学性能是A)抗拉强度B)屈服强度C)剪切强度D)抗压强度23.金属或合金静态再结晶与结晶的过程基本相同,但必须有一定的A)熔点B)加热速度C)保温时间D)预变形量24.一般情况下,板料弯曲后的卸载回弹量与A)弹性模量成反比B)屈服强度成反比C)抗拉强度成反比D)塑性模量成反比25.焊接结构件焊后热处理的主要目的是A)改变材料的性能B)消除焊接残余应力C)提高材料强度和韧性D)改变材料金相组织26.检测焊接结构件焊缝内部缺陷的一般方法是A)目测B)切开检查C)超声波、X射线无损检测D)着色检测27.切削用量中,对切削力影响最大的是A)切削速度B)进给量C)背吃刀量(切削深度)D)切削宽度28.采用部分互换装配法(大数互换装配法)按A)极值法求解装配尺寸链B)平均法求解装配尺寸链C)概率法求解装配尺寸链D)近似法求解装配尺寸链29.下列材料中,不能用电火花加工而可以用超声加工的材料是A)ZL101 B)TC4C)W6Mo5Cr4V2 D)玻璃30.为防止产生脆性,高强度钢磷化后应进行A)去氢处理B)皂化处理C)酸洗处理D)浸油处理31.实施职业健康安全管理体系依据的标准是A)ISO14001标准B)ISO18001标准C)ISO9001标准D)OHSAS18001标准32.电镀作业排放的主要大气污染物是A)粉尘B)酸雾C)烟尘D)恶臭33.机械工业生产中,对操作员工危害最严重的粉尘是A)矽尘(石英粉尘)B)木粉尘C)砂轮磨尘D)石墨粉尘34.下列固体废弃物属于危险废物的是A)废包装B)金属切屑C)废旧型砂D)高温盐浴热处理废盐35.合同法的基本原则是自愿原则、公平原则、守法和不损害公共利益原则以及A)科学原则、平等原则B)平等原则、诚信原则C)责权分明原则、平等原则D)诚信原则、责权分明原则36.下列几种零件工作表面中,疲劳磨损主要发生在A)开式齿轮箱齿轮轮齿啮合面B)机床主轴箱齿轮轮齿啮合面C)交变载荷下螺纹连接表面D)农业机械的耕作机具37.机械零件测量时,通常除考虑最短测量链和减少被测零件变形之外,还应考虑的是A)效率和成本B)阿贝封闭原则和统一基准C)成本和误差分析D)效率和统一基准38.油缸长度尺寸是900mm±0.2mm,应选用的检测器具是A)平板及百分表B)测长仪C)米尺或卷尺D)游标卡尺39.要实现数控车床G代码中G96恒线速度切削,应调整的是A)进给量B)主轴转速C)进给量和主轴转速D)切削深度40.数控机床G代码中,与G00是同组模态指令的是A)G03 B)G04C)G43 D)G4441.T10钢在Ac1和Ac cm之间加热、淬火后的金相组织为A)马氏体+铁素体B)针状马氏体+残余奥氏体C)板条马氏体+残余奥氏体D)针状马氏体+碳化物+残余奥氏体42.制造 50mm的轴,要求心部具有良好的综合力学性能、表面耐磨,应选用A)40Cr调质、表面高频淬火B)60Si2Mn淬火+中温回火C)T8钢正火D)45钢正火43.设计高速长轴组件,当采用滚动轴承组合支承时,其组合型式一般是A)两端均双向固定B)两端均单向游动C)一端双向固定,另一端游动D)一端单向固定,另一端游动44.选用减速传动箱的驱动电动机时,一般考虑电动机类型和技术参数是A)直流电动机,功率、额定转速B)交流异步电动机,额定转矩、启动转矩C)伺服电动机,转速、负载D)交流异步电动机,功率、额定转速45.液压变量泵可调的参数是A)流量B)排量C)压力D)转速46.铸件冒口的凝固时间应A)早于铸件的凝固B)与铸件同时凝固C)晚于铸件的凝固D)与铸件凝固时间无关47.金属塑性变形时,可使屈服强度提高的参数是A)温度B)拉力C)剪切力D)应变速率48.为保证钢结构焊接性良好且焊接冷裂纹倾向小,应选择钢材碳当量为A)<0.4%B)0.4%~0.5%C)0.5%~0.6%D)>0.6%49.如图所示零件以孔定位安装在普通车床三爪卡盘上车外圆和端面。
机械工程师考试试题及答案1. 试题一:题目:车辆动力学中,提高车辆行驶平稳性和操控性的措施有哪些?答案:为了提高车辆的行驶平稳性和操控性,可以采取以下措施:1)调整悬挂系统:通过改变悬挂系统的刚度和阻尼,可以使车辆在行驶过程中更加稳定。
较硬的悬挂系统可以减少车身的俯仰和横摇,提高车辆的平稳性。
适当的减震阻尼可以提高车辆的操控性。
2)优化转向系统:转向系统的设计和调整对车辆的操控性能有很大影响。
通过调整转向系统的几何参数和功率传递机构,可以提高车辆的操控灵活性和精确度。
3)增加车轮抓地力:车轮抓地力的大小直接影响车辆的操控性能。
通过采用合适的轮胎规格、胎纹设计和胎压调节,可以提高车轮与地面之间的摩擦力,增加车辆的抓地力。
4)减小质量惯性矩:质量惯性矩越小,车辆的加速和转向性能越好。
因此,减小车辆的质量惯性矩可以提高车辆的操控性。
5)改进制动系统:制动系统的性能对车辆的平稳性和操控性能有重要影响。
通过采用更高效的制动器、优化制动液路和提高反馈性能,可以提高车辆的制动效果和操控灵敏度。
2. 试题二:题目:机械工程师在设计传动系统时需要考虑哪些因素?答案:在设计传动系统时,机械工程师需要考虑以下因素:1)传动效率:传动效率是衡量传动系统转换效果的重要指标。
机械工程师需要选择合适的传动方式,根据工作条件和性能需求来提高传动效率。
2)传动比:传动比是指输入轴和输出轴的转速比。
机械工程师需要根据实际需求选择合适的传动比,以满足所设计系统的性能要求。
3)传动稳定性:传动系统的稳定性对于正常工作和寿命都至关重要。
机械工程师需要在设计过程中考虑传动件的尺寸、材料选择和制造工艺,以保证传动系统的稳定性。
4)传动寿命:传动系统的寿命与材料选择、润滑方式和工作条件等因素密切相关。
机械工程师需要根据实际工况和使用要求来选择合适的材料和设计参数,以提高传动系统的寿命。
5)传动系统的安全性和可靠性:传动系统的安全性和可靠性是机械工程师设计过程中需要高度关注的因素。
机械工程师应聘笔试试题姓名分数一填空(35分)1、为了使机构具有确定的运动,则机构的原动件的数目应等于机构自由度的数目,当机构的原动件数小于机构的自由度时,机构的运动将不确定;当机构的原动件数大于机构的自由度时,将导致机构中最薄弱的环节损坏。
2、按照所承受的载荷不同,弹簧可以分为拉伸弹簧、压缩弹簧、扭转弹簧、弯曲弹簧四种;为了使弹簧能够可靠地工作,弹簧材料必须具有高的弹性极限和疲劳极限,同时应具有足够的韧性和塑性,以及良好的可热处理性。
3、钢的常规热处理主要有:淬火、退火、正火、回火,主要的化学热处理有渗碳、氮化、碳氮共渗等。
4、代表的含义为:表面用去除材料的方法获得,且所有的表面具有相同的粗糙度。
5、Q235是低碳钢(低碳钢/中碳钢/高碳钢),235的含义为屈服强度数值。
6、金属的硬度按试验方法不同,可用布氏硬度()、洛氏硬度()、维氏硬度()和肖氏硬度等表示。
7、在机械制图中,1︰2的比例是缩小的比例,如果实物种有一个结构的长度尺寸为20,那么在制图时应画10 ,在标注这一尺寸时应标尺寸为20 。
二选择(可多选30分)1、下列螺纹类型中,起联接作用的是A D ,起传动作用的是 B C 。
A 米制锥螺纹B 矩形螺纹C 锯齿形螺纹D 管螺纹2、为了保证螺纹联接的安全可靠,设计时必须采用有效的防松措施,防松措施主要有摩擦防松、机械防松以及铆冲防松等,下列哪几种方法属于摩擦防松措施A D 。
A 设置弹簧垫圈B 放置止动垫圈C 加设串联钢丝D 设置对顶螺母3、尺寸公差是指 DA 允许的最大极限尺寸B 允许的最小极限尺寸C 尺寸的上、下偏差D 允许尺寸的变动量4、请选择正确的左视图 B 。
5、制作零件工艺过程时,首先研究和确定的基准是C 。
A 设计基准B 工序基准C 定位基准D 测量基准6、冲压工艺使用的原材料多属于 B 较好的金属材料,如普通低碳钢、铜、铝合金的板材和带材等。
A 强度B 可塑性C 韧性D 弹性7、磁场B中运动的电荷会受到洛仑磁力F的作用,F与B的关系为 CA 同向平行B 反向平行C 互相垂直D 无确定关系8、电路的三种状态是。
机密 启用前2014年11月机械工程师资格考试综合素质与技能(第一单元)(共120分)注意事项:第一单元包含单项选择题和简答题两种题型,全部为必答题。
考试时间为180分钟。
请用签字笔或钢笔将答案写在答题纸的相应位置。
一、单项选择题(1~80题,每小题1分,共计80分,请将答案写在答题纸上)1.以剖视图表示内、外螺纹的连接时,外螺纹的牙顶圆和内螺纹的牙底圆线型分别是A)粗实线和虚线B)粗实线和细实线C)粗实线和点划线D)细实线和粗实线2.在零件图中,角度数值的标注方向是A)水平B)垂直C)垂直、水平均可D)与尺寸线一致3.一般减速箱中,用键连接的齿轮孔与轴的常用配合为A)B)C)D)4.普通圆柱螺旋压缩弹簧的外径?36,内径?30,在装配图上一般标注为A)?36×3 B)?33×3 C)?30×3 D)?33×65.高精度机床主轴锥孔和顶尖圆锥面的表面粗糙度推荐值为A)和B)和C)和D)和6.孔公差带位于轴公差带之上时,轴与孔的装配关系是A)间隙配合B)过渡配合C)过盈配合D)以上三种配合均有可能7.?600-0.03的柱塞长150,圆柱度公差值可取为A)0.05 B)0.03 C)0.02 D)0.01 8.曲轴主轴颈?60h6,长80,其圆度及圆柱度推荐标注为A)B)C)D)9.装配图的技术要求应包括A)基本件、标准件的外购件要求B)热处理、调整和检验要求C)装配、检验和使用要求D)加工、调整和装配要求10.机械行业中,使用国家标准、国际标准和国际单位标准的代号分别为A)GB、ISO和IEC B)GB、ISO和SIC)JB、IEC和CE D)JB、ISO和SI11.检查铸件中的白点、夹渣、缩孔等缺陷,宜选用A)X射线探伤法B)磁粉探伤法C)着色探伤法D)超声波探伤法12.检查合金中组成相的显微硬度,宜选用A)洛氏硬度B)维氏硬度C)布氏硬度D)里氏硬度13.下列选项中可以提高钢制零件强度但又不降低塑性的措施是A)细晶强化B)形变强化C)固溶强化D)淬火强化14.根据铁碳合金相图,T10钢室温下的平衡组织是A)莱氏体B)铁素体+珠光体 C)珠光体+渗碳体 D)珠光体15.纯铁的磁性转变温度为A)室温B)527℃C)768℃D)912℃16.为使中碳钢零件的综合力学性能较好,淬火后应A)低温回火B)中温回火C)高温回火D)球化退火17.为保证ZL104缸体的力学性能,应采用A)扩散退火B)去应力退火C)再结晶退火D)固溶、时效18.制造船用螺旋桨的常用材料是A)45钢B)铝黄铜C)ZL109 D)耐蚀铸铁19.可以进行压力加工的材料是A)硬质合金B)ZL101 C)HT200 D)10F 20.常用于制造汽车方向盘、仪表盘等的材料是A)聚碳酸酯B)ABS塑料C)聚四氟乙烯D)酚醛塑料21.平面机构运动副中,齿轮啮合副和滑块导杆副A)分别是高副和低副B)两者都是低副C)两者都是高副D)分别是低副和高副22.设计齿轮箱体上盖时,其铸件外形一般采用A)B)C)D)23.设计传动轴与齿轮的键连接时,选取键截面尺寸的依据是A)传递转矩的大小B)传递功率的大小C)齿轮的宽度D)传动轴直径24.与传动丝杠相比较,用于连接的普通螺纹的主要设计要求是A)强度高B)自锁性好C)效率高D)耐磨性好25.机械设计中,满足输入和输出的转动方向相同的一级传动装置是A)摩擦轮传动B)齿形带传动C)斜齿轮副传动D)蜗杆传动26.设计较短的轴支承时,满足两端支承固定,可选用的滚动轴承是A)圆锥滚子轴承和圆锥滚子轴承B)双列短圆柱轴承和推力球轴承C)角接触球轴承和调心球轴承D)滚针轴承和推力轴承27.设计销连接时,满足定位精度高和具有自锁能力的标准件是A)圆柱销B)安全销C)开口销D)圆锥销28.设计无级调速用的机械传动,其驱动源装置可选用A)发电机、风机B)伺服电机、多级电机C)异步电动机、汽轮机D)直流电动机、直线电机29.定量液压泵的理论排量决定于A)几何容积B)容积系数C)实际转速D)角速度30.机床液压系统中,通常采用液压缸差动连接来实现A)工进运动B)快进运动C)匀速运动D)微量进给31.成批大量生产形状复杂、精度要求高的中小铸铝件的最合宜铸造工艺是A)砂型铸造B)压力铸造C)离心铸造D)金属型铸造32.热裂及残余应力倾向最大的铸造合金是A)可锻铸铁B)铝硅合金C)合金铸钢D)灰铸铁33.成本最低廉、使用最广泛的砂型铸造工艺是A)黏土砂湿型B)黏土砂干型C)自硬树脂砂型D)水玻璃砂型34.铸造合金的流动性主要取决于A)浇注温度B)浇注速度C)合金种类和成分D)充型压力35.金属塑性成形时的变形量不宜超过A)断后伸长率B)断面收缩率C)硬化指数D)弹性极限变形量36.为了保证制件的形状和尺寸精度,以凸模为基准的工艺方法是A)落料B)冲孔C)修边D)切断37.把金属薄板制成圆筒形零件的成形效率最高的工艺方法是A)拉深B)胀形C)锻压D)挤压38.金属材料在拉伸试验达到最大载荷时的应力是A)屈服强度B)抗拉强度C)断裂强度D)疲劳强度39.下列弧焊电源中,节能效果最为显着的是A)弧焊发电机B)弧焊整流器C)逆变弧焊机D)弧焊变压器40.工艺灵活、适应性强,可进行各种位置焊接和不同结构形状构件焊接的是A)焊条电弧焊B)氩弧焊C)埋弧焊D)电阻焊41.下列金属材料件中,宜采用氧气切割的是A)T8 B)不锈钢C)防锈铝合金D)中碳钢42.焊缝中含有较多的氢时,焊接接头容易产生A)热裂纹B)再热裂纹C)冷裂纹D)弧坑裂纹43.车削外圆表面时,已知切削深度(背吃刀量)a p、进给量f和主偏角κr,切削层面积等于A)a p×f B)a p×f×sinκr C)a p×f×cosκr D)a p×f/sinκr44.在车床上就地车削(或磨削)三爪卡盘的卡爪是为了A)提高主轴回转精度B)降低卡盘卡爪面的表面粗糙度C)提高装夹稳定性D)保证卡盘卡爪面与主轴回转轴线同轴45.用极值法计算尺寸链,尺寸链封闭环的公差等于各组成环公差A)最大值B)最小值C)平均值D)之和46.机群式布置的优点之一是A)零件周转次数少B)设备利用率高C)生产周期短D)加工效率高47.下列材料能用电火花线切割加工的是A)玻璃钢B)钛板C)酚醛塑料D)氮化硅陶瓷48.高强度钢48.磷化处理后必须进行A)去氢处理B)低温处理C)去应力退火处理D)酸洗处理49.为提高金属零件表面耐磨性,应采用的表面处理是A)发蓝B)涂漆C)镀铬D)镀锌50.连杆经喷丸处理后可以提高A)疲劳强度B)表面拉应力C)塑性D)抗拉强度51.ISO14001标准是A)企业控制污染物排放的依据B)企业建立、审核环境管理体系的依据C)企业建立职业健康安全管理体系的依据D)企业控制产品环境性能的依据52.机械工厂车间中“锰及其化合物”的职业危害主要来源于A)铸造B)热处理C)电弧焊接D)电镀53.机械工厂常用的特种设备有:锅炉、起重机和A)电焊机、压力容器等B)电焊机、厂内机动车等C)电焊机、木工机床等D)压力容器、厂内机动车等54.机械工厂大气污染物主要来源于A)转炉、热处理炉、喷漆间等B)炼焦炉、电弧焊机、电弧炉等C)电弧炉、热处理炉、电弧焊机等D)平炉、电弧焊机、电弧炉等55.治理空压机噪声的常用方法是A)阻尼减振B)设置隔声墙C)设置吸声板D)使用消声器56.双手启动开关可以有效防止A)脚部机械伤害B)触电伤害C)手掌机械伤害D)头部机械伤害57.下述生产条件下,宜实施看板管理的是A)单件小批量生产B)流水线生产C)机群式布置的车间 D)新产品试制车间58.下列零/部件中,必须采用定期维修方式的是A)普通车床丝杠-螺母传动副B)汽车轮胎C)数控车床主轴箱D)飞机起落架59.下列知识产权中,到期前可以申请续展的是A)发明专利权B)实用新型专利权C)注册商标权D)计算机程序着作权60.根据成本总额对业务量(生产量或销售量)总数的依存关系,企业的总成本可划分为A)生产成本、销售成本和管理成本B)可变成本和固定成本C)生产成本、制造费用和销售费用D)材料成本、工人工资和管理成本61.价值工程中的价值含义是A)功能/成本B)功能/价格C)价格/功能D)成本/功能62.合同法的基本原则是A)平等、互惠、公平、合理、诚信和不损害公共利益B)平等、自愿、公平、诚信、守法和不损害公共利益C)平等、自愿、合理、诚信、守法和不损害公共利益D)公开、公平、互惠、诚信、守法和不损害公共利益63.用千分表测量轴颈的方法属于A)相对测量B)绝对测量C)综合测量D)动态测量64.可直接测出长度值的一组器具是A)千分尺、百分表、气动量仪B)游标卡尺、千分表、万能测量仪C)三坐标测量机、工具显微镜、线纹尺D)高度游标尺、平尺、三坐标测量机65.工厂用的平板,衡量其平面的质量标准是A)平面度和平行度B)表面粗糙度和平面跳动C)平面度和平面跳动D)平面度和表面粗糙度66.图示游标卡尺的示值读数是A)52.35 B)52.40C)52.45 D)52.5067.按图示要求测量垂直度误差,千分表显示的数值最大为0.02,最小为0.01,其垂直度误差是A)0.02 B)0.015 C)0.01 D)0.005 68.轴类零件加工后,分析加工缺陷产生原因(质量影响因素)的统计技术方法是A)波动图法B)直方图法C)散点图法D)因果图法69.测量机械零件时,除应注意阿贝封闭原则和统一基准外,还应注意的问题是A)温度和零件变形B)效率和测量链C)温度和效率D)测量链和零件的变形70.加工一批零件的 500-0.04尺寸时,工序能力指数是1.33,其标准偏差应是A)0.003 B)0.004 C)0.005 D)0.006 71.数控机床闭环进给伺服系统与半闭环进给伺服系统的主要区别在于A)执行单元B)检测单元C)伺服单元D)控制单元72.影响开环数控机床定位精度的主要因素是A)刀具安装误差B)传动误差C)检测误差D)主轴回转误差73.普通数控铣床改造为数控加工中心,应加装A)刀库和准停装置B)刀库和换刀装置C)换刀装置和准停装置D)机械手和换刀装置74.数控机床中,C轴回转所绕的直线轴代号为A)X或P B)Z或W C)Y或R D)Y或Q 75.机械制造中,计算机辅助制造(CAM)的主要应用方面包括A)手工编程、刀具选择、质量控制B)工件准备、程序编制、质量控制C)加工编程、过程仿真、质量检测D)工件准备、生产控制、质量控制76.数控机床中,主轴以300r/min顺时针方向旋转的程序段是A)G96S300 B)M03S300 C)G96F300 D)M04S30077.企业管理自动化的核心是A)作业自动化B)办公自动化C)通讯自动化D)信息自动化78.编制数控机床加工程序时,程序代码S250的数值单位是A)m/min B)mm/min C)mm/r D)r/min 79.现代数控机床与外置设备之间的连接电路,最常用接口是A)RS-485 B)DTR C)RS-232 D)USB 80.下列功能中,属于M功能的是A)直线插补和刀具直线位移B)切削液开停和程序暂停C)换刀和程序结束D)加减速和准停二、简答题(每小题5分,共计40分,请将答案写在答题纸上)81.图示轴类零件,补充标注形位公差:①?32h6圆柱面对两?20js6圆柱面公共轴线的圆跳动公差0.02。