实验二、他励直流电动机(一)
- 格式:doc
- 大小:146.50 KB
- 文档页数:3
本文部分内容来自网络整理,本司不为其真实性负责,如有异议或侵权请及时联系,本司将立即删除!== 本文为word格式,下载后可方便编辑和修改! ==电动机实验报告篇一:电机电机学实验报告电机学实验报告实验一直流他励电动机机械特性一.实验目的了解直流电动机的各种运转状态时的机械特性二.预习要点1.改变他励直流电动机械特性有哪些方法?2.他励直流电动机在什么情况下,从电动机运行状态进入回馈制动状态?他励直流电动机回馈制动时,能量传递关系,电动势平衡方程式及机械特性又是什么情况?3.他励直流电动机反接制动时,能量传递关系,电动势平衡方程式及机械特性。
三.实验项目1.电动及回馈制动特性。
2.电动及反接制动特性。
3.能耗制动特性。
四.实验设备及仪器1.MEL系列电机系统教学实验台主控制屏。
2.电机导轨及转速表(MEL-13、MEL-14) 3.三相可调电阻900Ω(MEL-03) 4.三相可调电阻90Ω(MEL-04)5.波形测试及开关板(MEL-05) 6、直流电压、电流、毫安表(MEL-06)7.电机起动箱(MEL-09)五.实验方法及步骤1.电动及回馈制动特性接线图如图5-1直流电流表mA1、A1分别为220V可调直流稳压电源自带毫安表、安倍表; mA2、A2分别选用量程为200mA、5A的毫伏表、安培表(MEL-06) R1选用900Ω欧姆电阻(MEL-03)R2选用180欧姆电阻(MEL-04中两90欧姆电阻相串联) R3选用3000Ω磁场调节电阻(MEL-09)R4选用2250Ω电阻(用MEL-03中两只900Ω电阻相并联再加上两只900Ω电阻相串联)开关S1、S2选用MEL-05中的双刀双掷开关。
按图5-1接线,在开启电源前,检查开关、电阻等的设置;(1)开关S1合向“1”端,S2合向“2”端。
(2)电阻R1至最小值,R2、R3、R4阻值最大位置。
(3)直流励磁电源船形开关和220V可调直流稳压电源船形开关须在断开位置。
实验一他励直流电动机(认识)实验、实验目的1、认识DDSZ-1型电机及电气技术实验装置,了解电机拖动实验的基本要求与安全操作规程。
2、认识和了解在电机拖动实验中所用的电源、开关、仪表、挂件、电机等组件及使用方法。
3、熟悉他励直流电动机的接线、起动、(固有、人为)机械特性、改变转向与调速的基本方法。
二、实验项目1、了解DD01电源控制屏及电枢电源、励磁电源、变阻器、直流电压表、电流表、直流测速发电机转速表的使用方法;了解校正直流测功电动机、普通直流电动机的铭牌参数及要求。
2、直流他励电动机的连线、起动准备、起动;测试机械特性直流他励电动机的调速及改变转向。
三、实验设备及控制屏上挂件排列顺序1、实验设备:DD03-DJ23-DJ15 D31、D42、D31、D44 D51、D55-1。
2、控制屏上挂件排列顺序:D31、D42 D31、D44 D51、D55-1。
四、实验说明及操作步骤1、由指导人员介绍DDSZ-1型电机及电气技术实验装置面板布置及使用方法。
图1 -1他励直流电动机接线图断开控制屏上的电源,按图1-1接线。
直流他励电动机用DJ15 (其额定功率P N=185W额定电枢电压U=220V,额定电流I N=1.2A,额定转速n N=1600r/min, 额定励磁电压U F N=220V,额定励磁电流I fN V0.13A)。
校正直流测功机MG乍为发电机使用。
TG为测速发电机。
直流电表选用D31 (含直流电压表,直流安培表,直流毫安表各一块)。
M励磁回路串接的电阻R f1选用D44的1800Q阻值,MG励磁回路串接的电阻Fh选用D42的1800Q阻值,M的起动电阻R选用D44的180 Q阻值,MG勺负载电阻R2选用D42的2250Q阻值(采用串并联接法:900Q与900Q串联加上900 Q 与900并联)。
接好线后,检查M MG及TG之间是否用联轴器联接好。
2、他励直流电动机起动步骤(1)起动准备:检查接线是否正确,直流电表的极性、量程选择是否正确。
实验一他励直流电动机特性以及调速运行一、实验目的1.了解他励直流电动机的基本原理和结构;2.掌握他励直流电动机的特性曲线及其调速方法;3.通过实验研究,掌握生产过程中如何实现合理的调速运行。
二、实验原理电动机是将电能转换为机械能的机械装置。
其构成包括定子和转子两个部分。
定子为不可移动部分,包括电控系统和一个磁场。
转子为可动部分,通常包括电枢和磁极,磁极的极性可以根据需要改变。
当通入可变直流电流时,电枢内产生电磁场与磁极产生的磁场相互作用,使电枢开始转动。
2.调速运行原理他励直流电动机的调速可以通过改变电枢电流、定子电流、磁极电流等方式实现。
其调速原理基于电机理论和电气控制原理,根据负载要求设定输出转矩或转速目标值,然后通过电器控制手段,调整电机输出、电机参数变化来完成调速。
三、实验设备数字万用表、直流电动机、直流电源、变阻器、稳压电源、转速计、电阻箱、实验箱、电压表、电流表、按键板等。
四、实验步骤1.将直流电动机与直流稳压电源接通,检测电动机运行状态是否正常。
2.测量电动机的空载电压和空载电流,在此基础上绘制空载特性曲线。
3.通过调节变阻器中的电阻,改变电动机的负载电路,测量电动机各负载点的电流和电压,然后绘制负载特性曲线。
4.利用变阻器调节直流稳压电源输出电压,测量不同电压下电动机转速,并绘制调速特性曲线。
5.掌握电流和电压的比例关系,通过调整调速器中的电阻值,控制稳压电源输出电压,从而控制电动机的转速。
6.掌握电枢电流和输出转矩的关系,通过改变电枢电流改变电动机的输出转矩,进而控制电动机的输出功率。
五、实验结果分析通过实验,我们可以得到电动机的空载特性曲线、负载特性曲线和调速特性曲线。
通过这些特性曲线,我们可以了解该电动机的电流、电压、负载情况和运行状态。
在生产实际中,需要根据实际需要调节电动机输出的功率和转速。
六、实验注意事项1.实验前,需要仔细查看电动机和稳压电源的连接方式及电路图。
2.操作时,需仔细确认电路连接是否正确,不得错误接线。
实验二直流他励电动机机械特性测定一、实验目的掌握直流电动机机械特性的测定方法。
二、实验项目1、固有机械特性测定2、电枢回路串电阻人为机械特性测定3、降低电枢电源电压人为机械特性测定三、实验设备该实验是在DDSZ-1型电机及电气技术实验装置上完成的。
本次实验使用设备包括:1、DD01电源控制屏2、两个D31挂件3、D44挂件4、D51挂件5、D42挂件6、D55-1挂件7、DD03测试台、直流发电机和直流电动机本次实验使用DD01电源控制屏下方的直流励磁电源和直流电枢电源。
D31挂件由直流数字电压表、直流数字毫安表、直流数字安培表组成,本次实验使用两块毫安表和两块安培表。
D44挂件由可调电阻器R1、R2,电容器C1、C2和开关S1、S2组成,本次实验使用R1作为直流电动机电枢绕组串联电阻,R2作为直流电动机励磁绕组串联电阻。
D51挂件,由波形测试部分和开关S1、S2、S3组成,本次实验只使用开关S1 。
D42挂件,由三只相同的可调电阻器R1、R2、R3组成。
R1、R2串并联后,作为发电机的负载电阻R L,R3作为发电机励磁绕组串联电阻。
D55-1挂件,由数字转矩表、数字转速表和数字输出功率表组成。
并有转速输入端口和电枢电流输入端口以及5个功能按键。
5个功能按键分别是:复位键、功能鍵、确定键、数位键和数据键。
DD03测试台包括导轨、测速发电机和指针式转速表直流发电机和直流电动机之间是用联轴器直接联接好的,直流电动机,电枢绕组有两个接线端,励磁绕组有两个接线端。
直流发电机,电枢绕组有两个接线端,励磁绕组有两个接线端。
四、实验接线接线之前:开启电源总开关,按下绿色“启动”按钮,将电源控制屏下方的直流电压指示开关切换到电枢电压一侧,接通电枢电源开关,调节“电压调节”旋钮,将电枢电压调到220V后,关断电枢电源开关,按下红色“停止”按钮直流他励电动机机械特性测定实验接线图。
图3-1 直流他励电动机机械特性测定实验接线图直流电动机按他励电动机接线。
他励直流电动机的额定功率公式(一)
他励直流电动机的额定功率公式
引言
在电机领域中,他励直流电动机是一种重要的驱动设备。
为了计算和评估电动机的性能,我们需要了解其额定功率公式。
本文将介绍他励直流电动机的额定功率公式,并举例解释说明。
什么是他励直流电动机?
他励直流电动机是一种以直流电源为驱动源的电动机。
其特点是通过外部的励磁电流来产生磁场,进而驱动电机转动。
他励直流电动机广泛应用于工业生产中,例如动力传动、电动机械控制等。
额定功率公式
他励直流电动机的额定功率公式可以表示为:
额定功率公式(
其中: - [P_{}]( 是额定功率,单位为瓦特(W)。
-
[V_{}]( 是额定电压,单位为伏特(V)。
- [I_{}]( 是额定励磁电流,单位为安培(A)。
额定功率公式表示了他励直流电动机在额定工况下所消耗的电功率,这对于电机的选型和工作条件的设计非常重要。
举例解释
假设某台他励直流电动机的额定电压为230V,额定励磁电流为2A,我们可以使用额定功率公式计算其额定功率。
根据公式,我们得到:
[P_{}=230=460](
因此,这台他励直流电动机的额定功率为460瓦特。
结论
他励直流电动机的额定功率公式能够帮助我们计算电机的额定功率,从而指导电机的选型和设计工作条件。
在实际应用中,我们可以
根据额定功率公式进行计算,以确保电动机能够正常运行并满足工作
要求。
希望本文对你了解他励直流电动机的额定功率公式有所帮助!。
他励直流电动机实验报告
实验报告
标题:他励直流电动机实验报告
作者:
目的:
本实验旨在测试和分析直流电动机的特性及其性能参数,进一步了解他励直流电动机的工作原理和电气特性。
理论基础:
电动机是一种将电能转化为机械能的装置。
他励直流电动机是一种常见的直流电动机,它的励磁绕组与旋转绕组相互独立,励磁电流通过稳压电源提供,可以提供一定的额定励磁磁场,从而使电动机在额定负载下工作。
电动机通过转动来完成实际工作,旋转的速度和负载有着直接的关系。
实验设备与测量仪器:
1.他励直流电动机
2.电动机转速表
3.电压表
4.电流表
实验步骤:
1.将直流电动机连接在直流电源上
2.根据要求选择不同的工作条件,如不同的负载和励磁电流
3.使用电压表和电流表测量电动机的电压和电流
4.使用转速表测量电动机的实际转速
5.根据测量数据计算电动机的性能参数,如输出功率、效率、电动机常数、反电动势等
实验结果:
实验结果表明,他励直流电动机的工作性能优良,转速和负载有着线性相关,且在额定负载下,电动机的效率最高。
结论:
本实验通过测试和测量,进一步了解和理解了直流电动机的特性和性能参数,加深了对他励直流电动机的工作原理和电气特性的认识,为实际应用和调试提供了参考和指导。
参考文献:
1.《电机学教程》,王德林,机械工业出版社,2008年
2.《直流电机及其控制》,张军,机械工业出版社,2010年
3.《电力传动控制技术》,谢俊杰,国防工业出版社,2009年。
一、实验目的1. 理解他励直流电动机的结构和工作原理。
2. 掌握他励直流电动机的接线方法。
3. 学习测量他励直流电动机的起动电流、额定电流和额定电压。
4. 熟悉他励直流电动机的调速方法。
二、实验原理他励直流电动机是一种将直流电能转换为机械能的电动机,其工作原理是基于电磁感应定律。
当直流电源给电动机的电枢绕组供电时,电枢绕组中产生电流,进而产生磁场。
该磁场与固定磁场相互作用,产生电磁转矩,驱动电动机转动。
三、实验器材1. 他励直流电动机一台2. 直流电源一台3. 电流表、电压表各一台4. 电阻器一台5. 导线若干6. 电位计一台四、实验步骤1. 搭建实验电路:将直流电源、电流表、电压表、电阻器、电位计和电动机连接成闭合回路。
2. 调整电阻器阻值:将电阻器串联在电动机电枢回路中,调整电阻器阻值,使电动机电枢回路总电阻约为额定电阻的1/2。
3. 测量起动电流:闭合电路,逐渐增加直流电源电压,观察电流表读数,记录电动机起动电流。
4. 测量额定电流和额定电压:继续增加直流电源电压,当电动机转速稳定时,记录电流表和电压表读数,分别得到电动机的额定电流和额定电压。
5. 调速实验:将电阻器阻值调至较小值,观察电动机转速变化;将电阻器阻值调至较大值,观察电动机转速变化。
6. 改变电动机转向:将电动机电枢接线柱中的一个与直流电源负极相连,另一个与正极相连,观察电动机转向变化。
五、实验结果与分析1. 起动电流:实验中测得起动电流约为额定电流的1.5倍,说明电动机在启动过程中电流较大。
2. 额定电流和额定电压:实验中测得电动机的额定电流为IN,额定电压为UN,符合电动机铭牌参数。
3. 调速实验:实验中发现,减小电阻器阻值,电动机转速增加;增大电阻器阻值,电动机转速降低。
这说明通过改变电枢回路电阻,可以实现对电动机转速的调节。
4. 改变电动机转向:实验中发现,改变电动机电枢接线柱中一个与直流电源负极相连,另一个与正极相连,可以改变电动机转向。
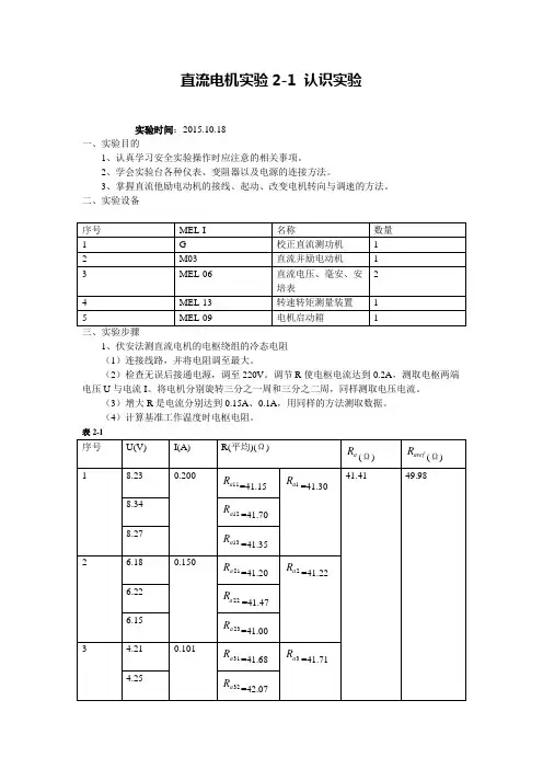
直流电机实验2-1 认识实验实验时间:2015.10.18 一、实验目的1、认真学习安全实验操作时应注意的相关事项。
2、学会实验台各种仪表、变阻器以及电源的连接方法。
3、掌握直流他励电动机的接线、起动、改变电机转向与调速的方法。
二、实验设备 序号 MEL-I 名称数量 1 G 校正直流测功机 1 2 M03 直流并励电动机 1 3 MEL-06 直流电压、毫安、安培表2 4 MEL-13 转速转矩测量装置 1 5MEL-09电机启动箱1三、实验步骤1、伏安法测直流电机的电枢绕组的冷态电阻 (1)连接线路,并将电阻调至最大。
(2)检查无误后接通电源,调至220V 。
调节R 使电枢电流达到0.2A ,测取电枢两端电压U 与电流I 。
将电机分别旋转三分之一周和三分之二周,同样测取电压电流。
(3)增大R 是电流分别达到0.15A 、0.1A ,用同样的方法测取数据。
(4)计算基准工作温度时电枢电阻。
表2-1序号 U(V) I(A) R(平均)(Ω)a R (Ω)arefR (Ω)18.23 0.20011a R =41.15 1a R =41.3041.4149.988.34 12a R =41.70 8.2713a R =41.352 6.18 0.15021a R =41.20 2a R =41.226.22 22a R =41.47 6.1523a R =41.003 4.21 0.10131a R =41.68 3a R =41.714.2532a R =42.074.1833a R =41.392、他励直流电动机的起动(1)选择合适的电压表、电流表、电机与变阻器。
(2)正常接线。
检查极性、量程、接线是否牢固。
电枢调节电阻调到最大,磁场调节电阻调至最小,转矩设定电位器逆时针调到底。
(3)开启电源,逐步调整电枢调节电阻、磁场调节电阻、转矩设定电位器,调节电机转速。
四、思考题1、画出直流他励电动机电枢串电阻起动时的接线图。
实验一他励直流电动机机械特性的测定一.实验目的1.掌握用实验方法测取他励直流电动机的工作特性和机械特性。
2.掌握他励直流电动机的调速方法。
二.预习要点1.什么是直流电动机的工作特性和机械特性?2.直流电动机调速原理是什么?三.实验设备及仪器1.SMCL电力电子及电气传动教学实验台的主控制屏。
2.电机导轨及涡流测功机、转矩转速测量(NMEL-13F)。
3.可调直流稳压电源(含直流电压、电流、毫安表)。
4.直流电压、毫安、安培表(NMEL-06)。
5. 直流励磁及电源(NMEL-18A)。
6.他励直流电动机M03。
7.开关板(NMEL-05B)。
8.三相可调电阻900Ω(NMEL-03)。
四.实验内容1.学习起动直流电动机。
2.测定他励直流电动机固有机械特性。
3.测定改变电源电压及串电阻的人为机械特性。
五.实验方法1 . 他励直流电动机固有机械特性的测定M03为他励直流电动机U N=220V,I N=1.1A,n N=1600r/min,P N=185W;励磁电压U f=220V,励磁电流I f≤0.080A。
直流电压表V为220V可调直流稳压电源自带;直流电流表mA1、A1分别为220V可调直流稳压电源自带毫安表、安倍表;按图1-1接线,在开启电源前,检查开关、电阻等的设置。
实验步骤:(1)R2电阻位于NMEL-09中间电阻,顺时针调到底(最小);(2)R1电阻位于NMEL-04最上面电阻,逆时针调到底(最大);(3)R4电阻位于NMEL -03最上面电阻,逆时针调到底(最大); (4)NMEL-05B 开关S 1合向“1”端(5)按下绿色“闭合”电源开关按钮(左下方主电源开关); (6)调节电压调节电位器,使电压输出显示(V )显示220V ; (7)按下NMEL-18复位按钮,电机起动后将R1顺时针调至底;(8)调节NMEL -09上中间励磁电阻,使转速显示为1500转,读取电枢电流,转速(n=1500n/min );(9)在不串电阻的情况下,调节测功机“转速转矩给定”,使电枢电流在额定内的变化,读取8组数据:(Ia=0.1,0.15,0.2,0.25,0.3,0.35,0.4,0.45)记录电流I a ,转速n ,转矩T 2;(10)保持U=U N ,I f =I fN 不变的条件下,逐次减小电动机的负载,即逆时针调节“转矩设定”电位器,测取电动机电枢电流I a 、转速n 和转矩T 2,共取数据8组填入表1-1中。
直流电机实验报告电机实验报告电⽓1209⾼树伦12292002实验⼀:他励直流发电机⼀、实验电路图按图接线:图中直流发电机G 选⽤DJ15,其额定值P N=100W,U N=180V,I N=0.5A,n N=1600r/min。
校正直流测功机MG 作为G 的原动机(按他励电动机接线)。
MG、G 及TG 由联轴器直接连接。
开关S 选⽤D51组件。
R f1 选⽤D44 的1800Ω变阻器,R f2 选⽤D42 的900Ω变阻器,并采⽤分压器接法。
R1 选⽤D44 的180Ω变阻器。
R2 为发电机的负载电阻选⽤D42,采⽤串并联接法(900Ω与900Ω电阻串联加上900Ω与900Ω并联),阻值为2250Ω。
当负载电流⼤于0.4 A 时⽤并联部分,⽽将串联部分阻值调到最⼩并⽤导线短接。
直流电流表、电压表选⽤D31、并选择合适的量程。
⼆、实验器材三、实验步骤(1)测空载特性1)把发电机G 的负载开关S 打开,接通控制屏上的励磁电源开关,将R f2 调⾄使G 励磁电流最⼩的位置。
2)使MG 电枢串联起动电阻R1 阻值最⼤,R f1 阻值最⼩。
仍先接通控制屏下⽅左边的励磁电源开关,在观察到MG 的励磁电流为最⼤的条件下,再接通控制屏下⽅右边的电枢电源开关,起动直流电动机MG,其旋转⽅向应符合正向旋转的要求。
3)电动机MG 起动正常运转后,将MG 电枢串联电阻R1 调⾄最⼩值,将MG 的电枢电源电压调为220V,调节电动机磁场调节电阻R f1,使发电机转速达额定值,并在以后整个实验过程中始终保持此额定转速不变。
4)调节发电机励磁分压电阻R f2,使发电机空载电压达U0=1.2U N 为⽌。
5)在保持n=n N=1600r/min 条件下,从U0=1.2U N 开始,单⽅向调节分压器电阻R f2 使发电机励磁电流逐次减⼩,每次测取发电机的空载电压U0 和励磁电流I f,直⾄I f=0(此时测得的电压即为电机的剩磁电压)。
实验二直流发电机特性测定(他励、并励、复励)一.实验目的1.掌握用实验方法测定直流发电机的运行特性,并根据所测得的运行特性评定该被试电机的有关性能。
2.通过实验观察并励发电机的自励过程和自励条件。
二.预习要点1.什么是发电机的运行特性?对于不同的特性曲线,在实验中哪些物理量应保持不变,而哪些物理量应测取。
2.做空载试验时,励磁电流为什么必须单方向调节?3.并励发电机的自励条件有哪些?当发电机不能自励时应如何处理?4.如何确定复励发电机是积复励还是差复励?三.实验项目1.他励发电机(1)空载特性:保持n=n N,使I=0,测取Uo=f(I f)。
(2)外特性:保持n=n N,使If =I f N,测取U=f(I)。
(3)调节特性:保持n=n N,使U=U N,测取I f =f(I)。
2.并励发电机(1)观察自励过程(2)测外特性:保持n=n N,使R f2 =常数,测取U=f(I)。
3.复励发电机积复励发电机外特性:保持n=n N,使R f=常数,测取U=f(I)。
四.实验设备及仪器Array 1.实验台主控制屏2.电机导轨(NMEL-14C)3.直流电机仪表、电源(MMEL-18)(位于实验台主控制屏的下部)4.电机起动箱(NMEL-09)5.直流电压、毫安、安培表(NMEL-06A)6.旋转指示灯及开关板(NMEL-05B)7.三相可调电阻1800Ω(NMEL-03)8.转速、转矩、功率测量(NMEL-13C)9.直流电动机M0310.直流发电机M01。
五.实验说明及操作步骤图1-3 直流他励发电机接线图1.他励发电机。
按图1-3接线G:直流发电机M01,P N=100W,U N=200V,I N=0.5A,N N=1600r/minM:直流电动机M03,按他励接法S1、S2:双刀双掷开关,位于NMEL-05BR1:电枢调节电阻100Ω/1.22A,位于NMEL-09。
R f1:磁场调节电阻3000Ω/200mA,位于NMEL-09。
他励直流电动机机械特性的测定实验报告实验报告:直流电动机机械特性的测定引言:直流电动机是一种常见的电动机类型,广泛应用于工业生产中。
机械特性是指电动机在不同负载条件下的转速、转矩和功率之间的关系。
通过测定直流电动机的机械特性,可以了解电动机在不同负载下的性能指标,为电动机的选择和应用提供参考。
实验目的:1.测定直流电动机的转速-负载特性曲线;2.测定直流电动机的转速-电机电枢电流特性曲线;3.测定直流电动机的效率。
实验原理:1.转速-负载特性曲线实验原理:通过改变电动机的负载,测量不同负载下的转速和转矩,并计算功率,得到转速-负载特性曲线。
2.转速-电机电枢电流特性曲线实验原理:通过改变电动机的电枢电流,测量不同电流下的转速和转矩,并计算功率,得到转速-电机电枢电流特性曲线。
3.效率测定原理:根据直流电动机的输入功率(电源电压×电机电枢电流)和输出功率(机械功率),计算出直流电动机的效率。
实验步骤:1.测定转速-负载特性曲线:(1)将电动机空载转动,通过转速计测量电动机的空载转速;(2)依次添加不同的负载,分别测量旋钮开度、载荷质量、电机输出转矩;(3)根据测得的数据,计算负载对应的转速和功率;(4)绘制转速-负载特性曲线。
2.测定转速-电机电枢电流特性曲线:(1)设置电动机的负载为一定值,将旋钮开度调至合适位置;(2)改变电动机电枢电流的大小,使用电流表测量电枢电流;(3)测量电动机的转速和转矩;(4)根据测得的数据,计算电枢电流对应的转速和功率;(5)绘制转速-电机电枢电流特性曲线。
3.测定效率:(1)选择一个转速和负载,测量相应的电机电枢电流、输入功率和输出功率;(2)根据测得的数据,计算出效率。
实验结果和数据处理:1.转速-负载特性曲线:[插入转速-负载特性曲线图]2.转速-电机电枢电流特性曲线:[插入转速-电机电枢电流特性曲线图]3.效率测定:根据测得的数据计算得到效率为XX%。
他励直流电机实验报告实验目的:通过实验,了解直流电机的基本结构、工作原理与特性,掌握直流电机的运转条件及其调速原理。
熟练掌握测定直流电机电动势、工作特性及调速特性的方法和技术手段。
实验原理:直流电机的基本结构是由电动机主体、电刷、电刷架、转子、轴承、端盖、上下盖板、绕组以及电气接线等部分组成。
直流电机在工作时,电刷将电磁铁磁场中变化的磁通量切割,形成电动势并作用在转子上产生转矩,使直流电机旋转。
直流电机有两种调速方式:1. 增加电源电压,可以使直流电机的转速加快;2. 改变磁通量产生的力矩或者铁心中的磁场分布,调节转矩、速度以改变转速。
实验器材:电动励磁台、电流表、电压表、转速表、直流电机。
实验步骤:1. 将电动励磁台并联某一个稳压稳流电源,计算电路参数,使得直流电机的额定电压和额定电流分别为 $V_r$ 和 $I_r$。
2. 调节电动励磁台电压 $U_e$,使得直流电机的空载转速 $n_0$ 等于设定的转速$n_d$。
a. 直流电机的额定电压 $V_r$;4. 根据实验数据,计算出直流电机的电动势 $E_a$、电枢电阻 $R_a$、电机负载转矩 $T_L$、电机效率 $\eta$ 等物理量,并绘制出电机的负载特性及其调速特性曲线。
实验结果:1. 直流电机的额定电压 $V_r$ 为 $220V$,额定电流为 $2A$。
4. 测得直流电机在不同负载下,电流、电压、转速等物理量如下表所示:| 负载电流 $I_L$ | 负载电压 $V_L$ | 转速 $n$ || --- | --- | --- || 0.3A | 218V | 1415r/min || 0.6A | 215V | 1410r/min || 0.9A | 207V | 1403r/min || 1.2A | 195V | 1387r/min |5. 根据上述数据计算得到直流电机的电动势 $E_a$ 为 $120V$,电枢电阻$R_a$ 为$2.3Ω$,电机负载转矩 $T_L$ 在不同负载下分别为$3.82N·m$、$7.68N·m$、$11.05N·m$、$14.38N·m$,电机效率 $\eta$ 在不同负载下分别为 $66.4\%$、$67.9\%$、$68.1\%$、$67.3\%$。
他励直流电动机实验报告
本次实验是关于直流电动机的实验探究。
直流电动机是一种将电
能转换为机械能的装置,它广泛应用于工业、交通等领域。
在本次实
验中,我们通过一系列操作,探究了直流电动机的性能及其工作原理。
首先,我们将电动机转子和电机轴连接在一起,并在电机上加上
电源。
随着电机转速的增加,我们观察到转子的转速也在增加,这证
明电动机在输出机械能的同时也在消耗电能。
随后,在实验室老师的指导下,我们将电流表和电压表分别连接
到电机端子上,观察其电流和电压的数值变化。
我们发现,电机端子
电流和电压的变化与电机转速的变化是相互关联的。
当电机转速增加时,电机端子的电流和电压也会随之增加。
通过实验,我们还发现了直流电动机的基本工作原理。
当电机端
口连接电源时,会产生磁场,然后转子受到磁场的影响开始旋转。
当
转子旋转时,电刷接触到转子端子时,会改变传递给电动机的电流方向,从而使转子能够不断地旋转。
在本次实验中,我们还了解到直流电动机在实际应用中的一些问题。
例如,在运行过程中,电动机容易发热,这可能会导致电动机故障。
此外,电路中的电阻,导线的长度和截面积等因素也会影响电动机的性能和功率。
总之,通过本次实验,我们深入了解了直流电动机的性能和工作原理,也了解到了电动机在实际应用中需要注意的问题。
这对我们今后的工作和学习都有重要的指导意义。
一、实验目的1. 了解并掌握他励直流电动机的结构、工作原理和运行特性。
2. 熟悉他励直流电动机的接线方法、起动与调速方法。
3. 通过实验验证他励直流电动机的机械特性,分析其运行规律。
4. 培养动手操作能力和实验数据分析能力。
二、实验原理他励直流电动机是一种直流电动机,其励磁绕组和转子绕组分别由不同的电源供电。
他励直流电动机具有调速范围宽、起动转矩大、响应速度快等优点,广泛应用于各种场合。
三、实验设备1. 他励直流电动机一台2. 交流电源一台3. 直流电源一台4. 调速电阻一组5. 电流表、电压表、转速表各一台6. 导线若干四、实验步骤1. 电动机接线:根据电动机铭牌参数,正确连接励磁绕组和转子绕组,并连接电源、电流表、电压表和转速表。
2. 起动电动机:闭合开关,启动电动机,观察电动机的起动过程,并记录起动电流、起动电压和起动时间。
3. 调速实验:1. 采用电枢串电阻调速:将调速电阻串联在电枢回路中,逐步增加电阻值,观察电动机的转速变化,并记录不同电阻值下的转速、电流和电压。
2. 采用降低电源电压调速:逐步降低电源电压,观察电动机的转速变化,并记录不同电压值下的转速、电流和电压。
4. 机械特性实验:保持电动机的磁通不变,逐步增加负载,观察电动机的转速、电流和电压变化,并记录不同负载下的运行数据。
5. 数据处理与分析:对实验数据进行整理和分析,绘制电动机的机械特性曲线,分析其运行规律。
五、实验结果与分析1. 起动过程:电动机起动时,电流较大,电压较高,转速较低。
随着电动机转速的升高,电流逐渐减小,电压逐渐降低。
2. 调速实验:1. 电枢串电阻调速:随着电阻值的增加,电动机的转速逐渐降低,电流逐渐增大,电压基本保持不变。
2. 降低电源电压调速:随着电源电压的降低,电动机的转速逐渐降低,电流逐渐增大,电压基本保持不变。
3. 机械特性实验:电动机的机械特性曲线呈下降趋势,表明电动机的转速随着负载的增加而降低。
实验二直流并励电动机实验(一)
一、实验目的
1、掌握用实验方法测取直流并励电动机的工作特性和机械特性。
二、预习要点
1、什么是直流电动机的工作特性和机械特性?
三、实验项目
1、工作特性和机械特性
保持U=U N和I f=I fN不变,测取n、T2、η=f(I a)、n=f(T2)。
四、实验方法
1
2、屏上挂件排列顺序
D31、D42、D51、D31、D44、D55-3
3、并励电动机的工作特性和机械特性
1)按图2-1接线。
校正直流测功机 MG按他励发电机连接,在此作为直流电动机M的
负载,用于测量电动机的转矩和输出功率。
R
f1选用D44的1800Ω阻值。
R
f2
选用D42
的900Ω串联900Ω共1800Ω阻值。
R
1用D44的180Ω阻值。
R
2
选用D42的900Ω串
联900Ω再加900Ω并联900Ω共2250Ω阻值。
2)检查接线是否正确。
选择好各电压表和电流表的量程。
将M的磁场调节电阻R f1调至最小值,电枢串联起动电阻R1调至最大值,测功机的励磁电阻Rf2调到最大,R2调到最大。
对D55-3挂件进行功能选择。
闭合开关S后进行电机的起动。
图2-1 直流并励电动机接线图
3)M 起动正常后,将其电枢串联电阻R 1调至零,调节电枢电源的电压为220V ,调节校正直流测功机的励磁电流I f2为校正值(100 mA ),再调节其负载电阻R 2和电动机的磁场调节电阻R f1,使电动机达到额定值:U =U N ,I =I N ,n =n N 。
此时M 的励磁电流I f 即为额定励磁电流I fN 。
4)保持U =U N ,I f =I fN ,I f2为校正值不变的条件下,逐次减小电动机负载(增加R2),
直到空载(断开开关S )。
测取电动机M 的电枢电流I a ,转速n ,转矩T2、输出功率P2和校正电机的负载电流I F 。
共取数据9-10组,记录于表7-1中。
五、实验报告
1、由表2-1计算出P 1和η,并绘出n 、T
2、η=f (I a )及n =f (T 2)的特性曲线。
电枢电源
励磁电源I 2
电动机输入功率: P 1=UI 输入电流: I=I a +I fN
电动机效率:
2、由工作特性求出转速变化率:
3、并励电动机的转速特性n =f (I a )为什么是略微下降?是否会出现上翘现象?为什
么?上翘的转速特性对电动机运行有何影响?
%
1001
2⨯=P P η%100n n n %n N
N
0⨯-=∆。