钢结构雨篷设计计算书.
- 格式:doc
- 大小:148.50 KB
- 文档页数:19
钢结构雨棚设计计算书一、计算依据:1.《建筑结构荷载规》2.《钢结构设计规》GB50017-20033.《玻璃幕墙工程技术规》4.《建筑抗震设计规》二、计算基本参数: 1.本工程位于市,基本风压ω0=0.700(kN/m2),考虑到结构的重要性,按50年一遇考虑乘以系数1.1,故本工程基本风压ω=1.1x0.7=0.77(kN/m2)。
2. 地面粗糙度类别按C类考虑,风压高度变化系数取5.0米处(标高最高处),查下页表1-1知,该处风压高度变化系数为:z=0.74。
依据《玻璃幕墙工程技术规》,风荷载体形系数,对于挑檐风荷载向上取μs=2.0,瞬时风压的阵风系数βz=2.25 。
3. 本工程耐火等级一级,抗震设防七度。
三、结构受力分析该处雨棚是以钢架作为承重结构的悬臂体系。
四、设计荷载确定原则:作用于垂直雨棚平面的荷载主要是风荷载、地震作用及雨棚结构自重,其中风荷载引起的效应最大。
在进行雨棚构件、连接件承载力计算时,必须考虑各种荷载和作用效应的分项系数,即采用其设计值;进行位移和挠度计算时,各分项系数均取1.0,即采用其标准值。
1、风荷载根据《玻璃幕墙工程技术规》,垂直于雨棚平面上的风荷载标准值,按下列公式(1.1)计算:W k = z s z Wo ················(1.1)式中: W k ---风荷载标准值 (kN/m2);z---瞬时风压的阵风系数;βz=2.25s---风荷载体型系数;向上取μs=2.0z---风荷载高度变化系数,并与建筑的地区类别有关;按《建筑结构荷载规》GBJ9-87取值;W o---基本风压(kN/m2) 按《技术要求》W o =1.1x0.700=0.770(kN/m2)按《玻璃幕墙工程技术规》要求,进行建筑幕墙构件、连接件和锚固件承载力计算时,风荷载分项系数应取γw= 1.4表1-1高度(m) z(C 类)5 0.74 10 0.74 15 0.74 200.85即风荷载设计值为: W= γW W K = 1.4W K ··············(1.2)2、地震作用雨棚平面外地震作用标准值计算公式如下: qEK =Emax Gk A·················(1.3)雨棚平面地震作用标准值计算公式如下: PE =E max G ·················(1.4)式中, qEK 为垂直雨棚平面的分布地震作用;(kN/m2) PE 为平行于雨棚平面的集中地震作用;(kN) E 为地震动力放大系数;取E=3.0max 为水平地震影响系数最大值;取max=0.08(7度抗震设计) G 为幕墙结构自重(kN)Gk A 为单位面积的幕墙结构自重(kN/m2) ;取GkA=0.4kN/m2按规要求,地震作用的分项系数取γE= 1.3,即地震作用设计值为:qE=γEqEK = 1.3 qEK ·············(1.5)3、雨棚结构自重按规要求,幕墙结构自重的分项系数取γG=1.2。
钢结构雨棚设计计算书一、计算依据:1.《建筑结构荷载规》2.《钢结构设计规》GB50017-20033.《玻璃幕墙工程技术规》4.《建筑抗震设计规》二、计算基本参数: 1.本工程位于市,基本风压ω0=0.700(kN/m2),考虑到结构的重要性,按50年一遇考虑乘以系数1.1,故本工程基本风压ω=1.1x0.7=0.77(kN/m2)。
2. 地面粗糙度类别按C类考虑,风压高度变化系数取5.0米处(标高最高处),查下页表1-1知,该处风压高度变化系数为:μz=0.74。
依据《玻璃幕墙工程技术规》,风荷载体形系数,对于挑檐风荷载向上取μs=2.0,瞬时风压的阵风系数βz=2.25 。
3. 本工程耐火等级一级,抗震设防七度。
三、结构受力分析该处雨棚是以钢架作为承重结构的悬臂体系。
四、设计荷载确定原则:作用于垂直雨棚平面的荷载主要是风荷载、地震作用及雨棚结构自重,其中风荷载引起的效应最大。
在进行雨棚构件、连接件承载力计算时,必须考虑各种荷载和作用效应的分项系数,即采用其设计值;进行位移和挠度计算时,各分项系数均取1.0,即采用其标准值。
1、风荷载根据《玻璃幕墙工程技术规》,垂直于雨棚平面上的风荷载标准值,按下列公式(1.1)计算:W k = βz μs μz Wo ················(1.1)式中: W k ---风荷载标准值 (kN/m2);βz---瞬时风压的阵风系数;βz=2.25μs---风荷载体型系数;向上取μs=2.0μz---风荷载高度变化系数,并与建筑的地区类别有关;按《建筑结构荷载规》GBJ9-87取值;W o---基本风压(kN/m2) 按《技术要求》W o =1.1x0.700=0.770(kN/m2)按《玻璃幕墙工程技术规》要求,进行建筑幕墙构件、连接件和锚固件承载力计算时,风荷载分项系数应取γw= 1.4表1-1即风荷载设计值为: W= γW W K = 1.4W K ··············(1.2)2、地震作用雨棚平面外地震作用标准值计算公式如下: qEK =βE αmax GkA·················(1.3)雨棚平面地震作用标准值计算公式如下: PE =βE αmax G ·················(1.4)式中, qEK 为垂直雨棚平面的分布地震作用;(kN/m2) PE 为平行于雨棚平面的集中地震作用;(kN) βE 为地震动力放大系数;取βE=3.0αmax 为水平地震影响系数最大值;取αmax=0.08(7度抗震设计) G 为幕墙结构自重(kN)Gk A 为单位面积的幕墙结构自重(kN/m2) ;取GkA=0.4kN/m2按规要求,地震作用的分项系数取γE= 1.3,即地震作用设计值为:qE=γEqEK = 1.3 qEK ·············(1.5)3、雨棚结构自重按规要求,幕墙结构自重的分项系数取γG=1.2。
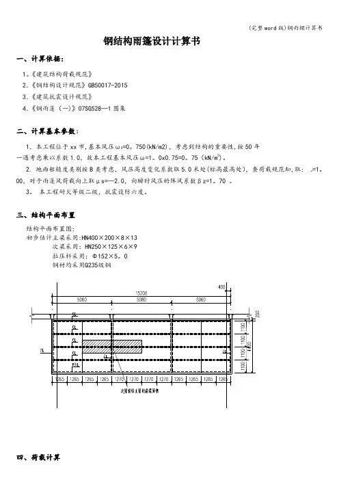
钢结构雨篷设计计算书一、计算依据:1.《建筑结构荷载规范》2.《钢结构设计规范》GB50017-20033.《建筑抗震设计规范》4.《钢雨篷(一)》07SG528-1图集二、计算基本参数: 1.本工程位于xx市,基本风压ω0=0.750(kN/m2),考虑到结构的重要性,按50年一遇考虑乘以系数1.0,故本工程基本风压ω=1.0x0.75=0.75(kN/m2)。
2. 地面粗糙度类别按B类考虑,风压高度变化系数取5.0米处(标高最高处),查荷载规范知,取: z=1.00,对于雨篷风荷载向上取μs=-2.0,向瞬时风压的阵风系数βz=1.70 。
3. 本工程耐火等级二级,抗震设防六度。
三、结构平面布置结构平面布置图:初步估计主梁采用:HN400×200×8×13次梁采用:HN250×125×6×9拉压杆采用:Φ152×5.0钢材均采用Q235级钢四、荷载计算1、风荷载垂直于雨篷平面上的风荷载标准值,按下列公式(1.1)计算:W k = βz μs μz Wo ················(1.1)式中: W k ---风荷载标准值 (kN/m2);βz---瞬时风压的阵风系数;βz=1.70μs---风荷载体型系数;参照07GSG528-1图集说明5.1.4条,向上取μs=-2.0,向下取μs=1.0。
μz---风荷载高度变化系数;按《建筑结构荷载规范》GB5009-2012取值μz=1.0;W o---基本风压(kN/m2) ,查荷载规范,北海市风压取 W o =0.750(kN/m2)正风:Wk+=1.70×1.0×1.0×0.75=1.28 kN/m2负风:Wk-=1.70×(-2.0)×1.0×0.75=-2.55 kN/m2简化为作用在主梁上的集中荷载,荷载作用面积A=5.08×1.1=5.59㎡正风时,W k1=1.28×5.59=7.12 kN/m负风时,W k2=-2.55×5.59=-14.25kN/m2、恒荷载07GSG528-1图集说明5.1.1条,正风时,雨篷玻璃永久荷载0.8 kN/m2,负风时取0.3 kN/m2。
钢结构雨篷设计计算书一、计算依据:1。
《建筑结构荷载规范》2.《钢结构设计规范》GB50017-20153.《建筑抗震设计规范》4.《钢雨篷(一)》07SG528—1图集二、计算基本参数:1.本工程位于xx市,基本风压ω0=0。
750(kN/m2),考虑到结构的重要性,按50年一遇考虑乘以系数1.0,故本工程基本风压ω=1。
0x0.75=0。
75(kN/m2)。
2. 地面粗糙度类别按B类考虑,风压高度变化系数取5.0米处(标高最高处),查荷载规范知,取:z=1。
00,对于雨篷风荷载向上取μs=—2.0,向瞬时风压的阵风系数βz=1。
70 。
3。
本工程耐火等级二级,抗震设防六度。
三、结构平面布置结构平面布置图:初步估计主梁采用:HN400×200×8×13次梁采用:HN250×125×6×9拉压杆采用:Φ152×5。
0钢材均采用Q235级钢四、荷载计算1、风荷载垂直于雨篷平面上的风荷载标准值,按下列公式(1.1)计算:W k = z s z Wo ················(1。
1)式中: W k —--风荷载标准值 (kN/m2);z—--瞬时风压的阵风系数;βz=1。
70s--—风荷载体型系数;参照07GSG528-1图集说明5.1。
4条,向上取μs=-2。
0,向下取μs=1。
0。
z——-风荷载高度变化系数;按《建筑结构荷载规范》GB5009-2012取值μz=1.0;W o———基本风压(kN/m2) ,查荷载规范,北海市风压取 W o =0.750(kN/m2)正风:Wk+=1.70×1.0×1。
0×0。
75=1。
28 kN/m2负风:Wk-=1.70×(—2。
钢结构雨棚计算书XXX中学玻璃雨篷设计计算书设计:校对:审核:批准:二〇一〇年十月三十一日目录1 计算引用的规范、标准及资料 (1)1.1 幕墙设计规范: (1)1.2 建筑设计规范: (1)1.3 玻璃规范: (1)1.4 钢材规范: (2)1.5 胶类及密封材料规范: (2)1.6 相关物理性能等级测试方法: (3)1.7 《建筑结构静力计算手册》(第二版) (3)1.8 土建图纸: (3)2 基本参数 (3)2.1 雨篷所在地区 (3)2.2 地面粗糙度分类等级 (3)3 雨篷荷载计算 (4)3.1 玻璃雨篷的荷载作用说明 (4)3.2 风荷载标准值计算 (4)3.3 风荷载设计值计算 (6)3.4 雪荷载标准值计算 (6)3.5 雪荷载设计值计算 (6)3.6 雨篷面活荷载设计值 (6)3.7 雨篷构件恒荷载设计值 (7)3.8 选取计算荷载组合 (7)4 雨篷杆件计算 (8)4.1 结构的受力分析 (8)4.2 选用材料的截面特性 (10)4.3 梁的抗弯强度计算 (10)4.4 拉杆的抗拉(压-稳定性)强度计算 (10)4.5 梁的挠度计算 (11)5 雨篷焊缝计算 (11)5.1 受力分析 (11)5.2 焊缝校核计算 (11)6 玻璃的选用与校核 (12)6.1 玻璃板块荷载组合计算 (12)6.2 玻璃板块荷载分配计算 (13)6.3 玻璃的强度计算 (14)6.4 玻璃最大挠度校核 (15)7 雨篷埋件计算(后锚固结构) (15)7.1 校核处埋件受力分析 (15)7.2 锚栓群中承受拉力最大锚栓的拉力计算 (16)7.3 群锚受剪内力计算 (16)7.4 锚栓钢材破坏时的受拉承载力计算 (17)7.5 混凝土锥体受拉破坏承载力计算 (17)7.6 锚栓钢材受剪破坏承载力计算 (19)7.7 混凝土楔形体受剪破坏承载力计算 (20)7.8 混凝土剪撬破坏承载能力计算 (21)7.9 拉剪复合受力承载力计算 (21)8 附录常用材料的力学及其它物理性能 (23)钢结构雨篷设计计算书1 计算引用的规范、标准及资料1.1幕墙设计规范:《铝合金结构设计规范》 GB50429-2007《玻璃幕墙工程技术规范》 JGJ102-2003《点支式玻璃幕墙工程技术规程》 CECS127-2001《点支式玻璃幕墙支承装置》 JG138-2001《吊挂式玻璃幕墙支承装置》 JG139-2001《建筑玻璃应用技术规程》 JGJ113-2009《建筑幕墙》 GB/T21086-2007《建筑玻璃采光顶》 JG/T231-20071.2建筑设计规范:《地震震级的规定》 GB/T17740-1999《钢结构设计规范》 GB50017-2003《高层建筑混凝土结构技术规程》 JGJ3-2002《高处作业吊蓝》 GB19155-2003《工程抗震术语标准》 JGJ/T97-95《混凝土结构后锚固技术规程》 JGJ145-2004《混凝土结构设计规范》 GB50010-2002《混凝土用膨胀型、扩孔型建筑锚栓》 JG160-2004《建筑表面用有机硅防水剂》 JC/T902-2002《建筑防火封堵应用技术规程》 CECS154:2003《建筑钢结构焊接技术规程》 JGJ81-2002《建筑隔声评价标准》 GB/T50121-2005《建筑工程抗震设防分类标准》 GB50223-2008《建筑工程预应力施工规程》 CECS180:2005《建筑结构荷载规范》 GB50009-2001(2006年版、局部修订) 《建筑结构可靠度设计统一标准》 GB50068-2001《建筑抗震设计规范》 GB50011-2001(2008年版)《建筑设计防火规范》 GB50016-2006《建筑物防雷设计规范》 GB50057-94(2000年版)《冷弯薄壁型钢结构设计规范》 GB50018-2002《预应力筋用锚具、夹具和连接器应用技术规程》JGJ85-20021.3玻璃规范:《镀膜玻璃第1部分:阳光控制镀膜玻璃》 GB/T18915.1-2002《镀膜玻璃第2部分:低辐射镀膜玻璃》 GB/T18915.2-2002《防弹玻璃》 GB17840-1999《平板玻璃》 GB11614-2009《建筑用安全玻璃第3部分:夹层玻璃》 GB15763.3-2009《建筑用安全玻璃第2部分:钢化玻璃》 GB15763.2-2005《建筑用安全玻璃防火玻璃》 GB15763.1-2009《幕墙用钢化玻璃与半钢化玻璃》 GB17841-2008《热弯玻璃》 JC/T915-2003《压花玻璃》 JC/T511-2002《中空玻璃》 GB/T11944-20021.4钢材规范:《建筑结构用冷弯矩形钢管》 JG/T178-2005《不锈钢棒》 GB/T1220-2007《不锈钢冷加工钢棒》 GB/T4226-2009《不锈钢冷轧钢板及钢带》 GB/T3280-2007《不锈钢热轧钢板及钢带》 GB/T4237-2007《不锈钢丝》 GB/T4240-2009《建筑用不锈钢绞线》 JG/T200-2007《不锈钢小直径无缝钢管》 GB/T3090-2000《彩色涂层钢板和钢带》 GB/T12754-2006《低合金钢焊条》 GB/T5118-1995《低合金高强度结构钢》 GB/T1591-2008《建筑幕墙用钢索压管接头》 JG/T201-2007《耐候结构钢》 GB/T4171-2008《高碳铬不锈钢丝》 YB/T096—1997《合金结构钢》 GB/T3077-1999《金属覆盖层钢铁制品热镀锌层技术要求》 GB/T13912-2002《冷拔异形钢管》 GB/T3094-2000《碳钢焊条》 GB/T5117-1999《碳素结构钢》 GB/T700-2006《碳素结构钢和低合金结构钢热轧薄钢板及钢带》GB/T912-2008《碳素结构钢和低合金结构钢热轧厚钢板及钢带》GB/T3274-2007《优质碳素结构钢》 GB/T699-1999《预应力筋用锚具、夹具和连接器》 GB/T14370-20001.5胶类及密封材料规范:《丙烯酸酯建筑密封膏》 JC484-2006《幕墙玻璃接缝用密封胶》 JC/T882-2001《彩色涂层钢板用建筑密封胶》 JC/T884-2001《丁基橡胶防水密封胶粘带》 JC/T942-2004《干挂石材幕墙用环氧胶粘剂》 JC887-2001《工业用橡胶板》 GB/T5574-1994《混凝土建筑接缝用密封胶》 JC/T881-2001《建筑窗用弹性密封剂》 JC485-2007《建筑密封材料试验方法》 GB/T13477.1~20-2002《建筑用防霉密封胶》 JC/T885-2001《建筑用硅酮结构密封胶》 GB16776-2005《建筑用岩棉、矿渣棉绝热制品》 GB/T19686-2005《建筑用硬质塑料隔热条》 JG/T174-2005《建筑装饰用天然石材防护剂》 JC/T973-2005《聚氨酯建筑密封胶》 JC/T482-2003《聚硫建筑密封胶》 JC/T483-2006《绝热用岩棉、矿棉及其制品》 GB/T11835-2007《硫化橡胶或热塑性橡胶撕裂强度的测定》 GB/T529-1999《石材用建筑密封胶》 JC/T883-2001《橡胶袖珍硬度计压入硬度试验方法》 GB/T531-1999《修补用天然橡胶胶粘剂》 HG/T3318-2002《中空玻璃用弹性密封胶》 JC/T486-2001《中空玻璃用丁基热熔密封胶》 JC/T914-20031.6相关物理性能等级测试方法:《玻璃幕墙工程质量检验标准》 JGJ/T139-2001《玻璃幕墙光学性能》 GB/T18091-2000《彩色涂层钢板和钢带试验方法》 GB/T13448-2006《钢结构工程施工质量验收规范》 GB50205-2001《混凝土结构工程施工质量验收规范》 GB50204-2002《建筑防水材料老化试验方法》 GB/T18244-2000《建筑幕墙气密、水密、抗风压性能检测方法》 GB/T15227-2007《建筑幕墙抗震性能振动台试验方法》 GB/T18575-2001《建筑幕墙平面内变形性能检测方法》 GB/T18250-2000《建筑装饰装修工程施工质量验收规范》 GB50210-2001《金属材料室温拉伸试验方法》 GB/T228-20021.7《建筑结构静力计算手册》(第二版)1.8土建图纸:2 基本参数2.1雨篷所在地区北京地区;2.2地面粗糙度分类等级按《建筑结构荷载规范》(GB50009-2001)A类:指近海海面和海岛、海岸、湖岸及沙漠地区;B类:指田野、乡村、丛林、丘陵以及房屋比较稀疏的乡镇和城市郊区; C类:指有密集建筑群的城市市区;D类:指有密集建筑群且房屋较高的城市市区;依照上面分类标准,本工程按C类地形考虑。
钢结构雨棚设计计算书一、计算依据:1.《建筑结构荷载规范》2.《钢结构设计规范》GB50017-20033.《玻璃幕墙工程技术规范》4.《建筑抗震设计规范》二、计算基本参数: 1.本工程位于深圳市,基本风压ω0=0.700(kN/m2),考虑到结构的重要性,按50年一遇考虑乘以系数1.1,故本工程基本风压ω=1.1x0.7=0.77(kN/m2)。
2. 地面粗糙度类别按C类考虑,风压高度变化系数取5.0米处(标高最高处),查下页表1-1知,该处风压高度变化系数为:μz=0.74。
依据《玻璃幕墙工程技术规范》,风荷载体形系数,对于挑檐风荷载向上取μs=2.0,瞬时风压的阵风系数βz=2.25 。
3. 本工程耐火等级一级,抗震设防七度。
三、结构受力分析该处雨棚是以钢架作为承重结构的悬臂体系。
四、设计荷载确定原则:作用于垂直雨棚平面的荷载主要是风荷载、地震作用及雨棚结构自重,其中风荷载引起的效应最大。
在进行雨棚构件、连接件承载力计算时,必须考虑各种荷载和作用效应的分项系数,即采用其设计值;进行位移和挠度计算时,各分项系数均取1.0,即采用其标准值。
1、风荷载根据《玻璃幕墙工程技术规范》,垂直于雨棚平面上的风荷载标准值,按下列公式(1.1)计算:W k = βz μs μz Wo ················(1.1)式中: W k ---风荷载标准值 (kN/m2);βz---瞬时风压的阵风系数;βz=2.25μs---风荷载体型系数;向上取μs=2.0μz---风荷载高度变化系数,并与建筑的地区类别有关;按《建筑结构荷载规范》GBJ9-87取值;W o---基本风压(kN/m2) 按《技术要求》W o =1.1x0.700=0.770(kN/m2)按《玻璃幕墙工程技术规范》要求,进行建筑幕墙构件、连接件和锚固件承载力计算时,风荷载分项系数应取γw= 1.4表1-1即风荷载设计值为: W= γW W K = 1.4W K ··············(1.2)2、地震作用雨棚平面外地震作用标准值计算公式如下: qEK =βE αmax GkA·················(1.3)雨棚平面内地震作用标准值计算公式如下: PE =βE αmax G ·················(1.4)式中, qEK 为垂直雨棚平面的分布地震作用;(kN/m2) PE 为平行于雨棚平面的集中地震作用;(kN) βE 为地震动力放大系数;取βE=3.0αmax 为水平地震影响系数最大值;取αmax=0.08(7度抗震设计) G 为幕墙结构自重(kN)Gk A 为单位面积的幕墙结构自重(kN/m2) ;取GkA=0.4kN/m2按规范要求,地震作用的分项系数取γE= 1.3,即地震作用设计值为:qE=γEqEK = 1.3 qEK ·············(1.5)3、雨棚结构自重按规范要求,幕墙结构自重的分项系数取γG=1.2。
钢结构雨篷设计计算书1基本参数1.1雨篷所在地区:苏州地区;1.2地面粗糙度分类等级:按《建筑结构荷载规范》(GB50009-2012)A类:指近海海面和海岛、海岸、湖岸及沙漠地区;B类:指田野、乡村、丛林、丘陵以及房屋比较稀疏的乡镇和城市郊区;C类:指有密集建筑群的城市市区;D类:指有密集建筑群且房屋较高的城市市区;依照上面分类标准,本工程按B类地形考虑。
2雨篷荷载计算2.1玻璃雨篷的荷载作用说明:玻璃雨篷承受的荷载包括:自重、风荷载、雪荷载以及活荷载。
(1)自重:包括玻璃、连接件、附件等的自重,可以按照400N/m2估算:(2)风荷载:是垂直作用于雨篷表面的荷载,按GB50009采用;(3)雪荷载:是指雨篷水平投影面上的雪荷载,按GB50009采用;(4)活荷载:是指雨篷水平投影面上的活荷载,按GB50009,可按500N/m2采用;在实际工程的雨篷结构计算中,对上面的几种荷载,考虑最不利组合,有下面几种方式,取用其最大值:A:考虑正风压时:a.当永久荷载起控制作用的时候,按下面公式进行荷载组合:Sk+=1.35Gk+0.6×1.4wk+0.7×1.4Sk(或Qk)b.当永久荷载不起控制作用的时候,按下面公式进行荷载组合:Sk+=1.2Gk+1.4×wk+0.7×1.4Sk(或Qk)B:考虑负风压时:按下面公式进行荷载组合: Sk-=1.0Gk+1.4wk2.2风荷载标准值计算:按建筑结构荷载规范(GB50009-2012)计算:wk+=βgzμzμs1+w……7.1.1-2[GB50009-2012 2006年版]wk-=βgzμzμs1-w上式中:wk+:正风压下作用在雨篷上的风荷载标准值(MPa);wk-:负风压下作用在雨篷上的风荷载标准值(MPa);Z:计算点标高:4m;βgz:瞬时风压的阵风系数;根据不同场地类型,按以下公式计算(高度不足5m按5m计算):βgz =K(1+2μf)其中K为地面粗糙度调整系数,μf为脉动系数A类场地:βgz =0.92×(1+2μf) 其中:μf=0.387×(Z/10)-0.12B类场地:βgz =0.89×(1+2μf) 其中:μf=0.5(Z/10)-0.16C类场地:βgz =0.85×(1+2μf) 其中:μf=0.734(Z/10)-0.22D类场地:βgz =0.80×(1+2μf) 其中:μf=1.2248(Z/10)-0.3对于B类地形,5m高度处瞬时风压的阵风系数:βgz=0.89×(1+2×(0.5(Z/10)-0.16))=1.8844μz:风压高度变化系数;根据不同场地类型,按以下公式计算:A类场地:μz=1.379×(Z/10)0.24当Z>300m时,取Z=300m,当Z<5m时,取Z=5m;B类场地:μz=(Z/10)0.32当Z>350m时,取Z=350m,当Z<10m时,取Z=10m;C类场地:μz=0.616×(Z/10)0.44当Z>400m时,取Z=400m,当Z<15m时,取Z=15m;D类场地:μz=0.318×(Z/10)0.60当Z>450m时,取Z=450m,当Z<30m时,取Z=30m;对于B类地形,5m高度处风压高度变化系数:μz=1.000×(Z/10)0.32=1μs1:局部风压体型系数,对于雨篷结构,按规范,计算正风压时,取μs1+=2;计算负风压时,取μs1-=-2.0;另注:上述的局部体型系数μs1(1)是适用于围护构件的从属面积A 小于或等于1m 2的情况,当围护构件的从属面积A 大于或等于10m 2时,局部风压体型系数μs1(10)可乘以折减系数0.8,当构件的从属面积小于10m 2而大于1m 2时,局部风压体型系数μs1(A)可按面积的对数线性插值,即:μs1(A)=μs1(1)+[μs1(10)-μs1(1)]logA在上式中:当A ≥10m 2时取A=10m 2;当A ≤1m 2时取A=1m 2;w 0:基本风压值(MPa),根据现行<<建筑结构荷载规范>>GB50009-2012附表 D.4(全国基本风压分布图)中数值采用,按重现期50年,苏州地区取0.00045MPa ;(1)计算构件的风荷载标准值:构件的从属面积:A=3×1.5=4.5m 2LogA=0.653μsA1+(A)=μs1+(1)+[μs1+(10)-μs1+(1)]logA=1.739μsA1-(A)=μs1-(1)+[μs1-(10)-μs1-(1)]logA=1.739w kA+=βgz μz μsA1+w 0=1.8844×1×1.739×0.00045=0.001474MPaw kA-=βgz μz μsA1-w 0=1.8844×1×1.739×0.00045=0.001474MPa(2)计算面板部分的风荷载标准值:面板构件的从属面积:A=1.5×1.5=2.25m 2LogA=0.352μsB1+(A)=μs1+(1)+[μs1+(10)-μs1+(1)]logA=1.859μsB1-(A)=μs1-(1)+[μs1-(10)-μs1-(1)]logA=1.859wkB+=βgzμzμsB1+w=1.8844×1×1.859×0.00045 =0.001576MPawkB-=βgzμzμsB1-w=1.8844×1×1.859×0.00045=0.001576MPa2.3风荷载设计值计算:wA+:正风压作用下作用在雨篷上的风荷载设计值(MPa);wkA+:正风压作用下作用在雨篷上的风荷载标准值(MPa);wA-:负风压作用下作用在雨篷上的风荷载设计值(MPa);wkA-:负风压作用下作用在雨篷上的风荷载标准值(MPa);wA+=1.4×wkA+=1.4×0.001802 =0.002523MPawA-=1.4×wkA-=1.4×0.001802=0.002523MPawB+:正风压作用下作用在雨篷玻璃上的风荷载设计值(MPa);wkB+:正风压作用下作用在雨篷玻璃上的风荷载标准值(MPa);wB-:负风压作用下作用在雨篷玻璃上的风荷载设计值(MPa);wkB-:负风压作用下作用在雨篷玻璃上的风荷载标准值(MPa);wB+=1.4×wkB+=1.4×0.001927 =0.002698MPawB-=1.4×wkB-=1.4×0.001927=0.002698MPa2.4雪荷载标准值计算:Sk:作用在雨篷上的雪荷载标准值(MPa)S:基本雪压,根据现行<<建筑结构荷载规范>>GB50009-2012取值,苏州地区50年一遇最大积雪的自重:0.0002MPa.μr :屋面积雪分布系数,按表6.2.1,为2.0。
钢结构⾬棚计算书XXX中学玻璃⾬篷设计计算书设计:校对:审核:批准:⼆〇⼀〇年⼗⽉三⼗⼀⽇⽬录1 计算引⽤的规范、标准及资料 (1)1.1 幕墙设计规范: (1)1.2 建筑设计规范: (1)1.3 玻璃规范: (1)1.4 钢材规范: (2)1.5 胶类及密封材料规范: (2)1.6 相关物理性能等级测试⽅法: (3)1.7 《建筑结构静⼒计算⼿册》(第⼆版) (3)1.8 ⼟建图纸: (3)2 基本参数 (3)2.1 ⾬篷所在地区 (3)2.2 地⾯粗糙度分类等级 (3)3 ⾬篷荷载计算 (4)3.1 玻璃⾬篷的荷载作⽤说明 (4)3.2 风荷载标准值计算 (4)3.3 风荷载设计值计算 (6)3.4 雪荷载标准值计算 (6)3.5 雪荷载设计值计算 (6)3.6 ⾬篷⾯活荷载设计值 (6)3.7 ⾬篷构件恒荷载设计值 (7)3.8 选取计算荷载组合 (7)4 ⾬篷杆件计算 (8)4.1 结构的受⼒分析 (8)4.2 选⽤材料的截⾯特性 (10)4.3 梁的抗弯强度计算 (10)4.4 拉杆的抗拉(压-稳定性)强度计算 (10) 4.5 梁的挠度计算 (11)5 ⾬篷焊缝计算 (11)5.1 受⼒分析 (11)5.2 焊缝校核计算 (11)6 玻璃的选⽤与校核 (12)6.1 玻璃板块荷载组合计算 (12)6.2 玻璃板块荷载分配计算 (13)6.3 玻璃的强度计算 (14)6.4 玻璃最⼤挠度校核 (15)7 ⾬篷埋件计算(后锚固结构) (15)7.1 校核处埋件受⼒分析 (15)7.2 锚栓群中承受拉⼒最⼤锚栓的拉⼒计算 (16) 7.3 群锚受剪内⼒计算 (16)7.4 锚栓钢材破坏时的受拉承载⼒计算 (17)7.5 混凝⼟锥体受拉破坏承载⼒计算 (17)7.6 锚栓钢材受剪破坏承载⼒计算 (19)7.7 混凝⼟楔形体受剪破坏承载⼒计算 (20)7.8 混凝⼟剪撬破坏承载能⼒计算 (21)7.9 拉剪复合受⼒承载⼒计算 (21)8 附录常⽤材料的⼒学及其它物理性能 (23)钢结构⾬篷设计计算书1 计算引⽤的规范、标准及资料1.1幕墙设计规范:《铝合⾦结构设计规范》 GB50429-2007《玻璃幕墙⼯程技术规范》 JGJ102-2003《点⽀式玻璃幕墙⼯程技术规程》 CECS127-2001《点⽀式玻璃幕墙⽀承装置》 JG138-2001《吊挂式玻璃幕墙⽀承装置》 JG139-2001《建筑玻璃应⽤技术规程》 JGJ113-2009《建筑幕墙》 GB/T21086-2007《建筑玻璃采光顶》 JG/T231-20071.2建筑设计规范:《地震震级的规定》 GB/T17740-1999《钢结构设计规范》 GB50017-2003《⾼层建筑混凝⼟结构技术规程》 JGJ3-2002《⾼处作业吊蓝》 GB19155-2003《⼯程抗震术语标准》 JGJ/T97-95《混凝⼟结构后锚固技术规程》 JGJ145-2004《混凝⼟结构设计规范》 GB50010-2002《混凝⼟⽤膨胀型、扩孔型建筑锚栓》 JG160-2004《建筑表⾯⽤有机硅防⽔剂》 JC/T902-2002《建筑防⽕封堵应⽤技术规程》 CECS154:2003《建筑钢结构焊接技术规程》 JGJ81-2002《建筑隔声评价标准》 GB/T50121-2005《建筑⼯程抗震设防分类标准》 GB50223-2008《建筑⼯程预应⼒施⼯规程》 CECS180:2005《建筑结构荷载规范》 GB50009-2001(2006年版、局部修订) 《建筑结构可靠度设计统⼀标准》 GB50068-2001《建筑抗震设计规范》 GB50011-2001(2008年版)《建筑设计防⽕规范》 GB50016-2006《建筑物防雷设计规范》 GB50057-94(2000年版)《冷弯薄壁型钢结构设计规范》 GB50018-2002《预应⼒筋⽤锚具、夹具和连接器应⽤技术规程》JGJ85-20021.3玻璃规范:《镀膜玻璃第1部分:阳光控制镀膜玻璃》 GB/T18915.1-2002《镀膜玻璃第2部分:低辐射镀膜玻璃》 GB/T18915.2-2002《防弹玻璃》 GB17840-1999《平板玻璃》 GB11614-2009《建筑⽤安全玻璃第3部分:夹层玻璃》 GB15763.3-2009《建筑⽤安全玻璃第2部分:钢化玻璃》 GB15763.2-2005《建筑⽤安全玻璃防⽕玻璃》 GB15763.1-2009《幕墙⽤钢化玻璃与半钢化玻璃》 GB17841-2008《热弯玻璃》 JC/T915-2003《压花玻璃》 JC/T511-2002《中空玻璃》 GB/T11944-20021.4钢材规范:《建筑结构⽤冷弯矩形钢管》 JG/T178-2005《不锈钢棒》 GB/T1220-2007《不锈钢冷加⼯钢棒》 GB/T4226-2009《不锈钢冷轧钢板及钢带》 GB/T3280-2007《不锈钢热轧钢板及钢带》 GB/T4237-2007《不锈钢丝》 GB/T4240-2009《建筑⽤不锈钢绞线》 JG/T200-2007《不锈钢⼩直径⽆缝钢管》 GB/T3090-2000《彩⾊涂层钢板和钢带》 GB/T12754-2006《低合⾦钢焊条》 GB/T5118-1995《低合⾦⾼强度结构钢》 GB/T1591-2008《建筑幕墙⽤钢索压管接头》 JG/T201-2007《耐候结构钢》 GB/T4171-2008《⾼碳铬不锈钢丝》 YB/T096—1997《合⾦结构钢》 GB/T3077-1999《⾦属覆盖层钢铁制品热镀锌层技术要求》 GB/T13912-2002《冷拔异形钢管》 GB/T3094-2000《碳钢焊条》 GB/T5117-1999《碳素结构钢》 GB/T700-2006《碳素结构钢和低合⾦结构钢热轧薄钢板及钢带》GB/T912-2008《碳素结构钢和低合⾦结构钢热轧厚钢板及钢带》GB/T3274-2007《优质碳素结构钢》 GB/T699-1999《预应⼒筋⽤锚具、夹具和连接器》 GB/T14370-20001.5胶类及密封材料规范:《丙烯酸酯建筑密封膏》 JC484-2006《幕墙玻璃接缝⽤密封胶》 JC/T882-2001《彩⾊涂层钢板⽤建筑密封胶》 JC/T884-2001《丁基橡胶防⽔密封胶粘带》 JC/T942-2004《⼲挂⽯材幕墙⽤环氧胶粘剂》 JC887-2001《⼯业⽤橡胶板》 GB/T5574-1994《混凝⼟建筑接缝⽤密封胶》 JC/T881-2001《建筑窗⽤弹性密封剂》 JC485-2007《建筑密封材料试验⽅法》 GB/T13477.1~20-2002《建筑⽤防霉密封胶》 JC/T885-2001《建筑⽤硅酮结构密封胶》 GB16776-2005《建筑⽤岩棉、矿渣棉绝热制品》 GB/T19686-2005《建筑⽤硬质塑料隔热条》 JG/T174-2005《建筑装饰⽤天然⽯材防护剂》 JC/T973-2005《聚氨酯建筑密封胶》 JC/T482-2003《聚硫建筑密封胶》 JC/T483-2006《绝热⽤岩棉、矿棉及其制品》 GB/T11835-2007《硫化橡胶或热塑性橡胶撕裂强度的测定》 GB/T529-1999《⽯材⽤建筑密封胶》 JC/T883-2001《橡胶袖珍硬度计压⼊硬度试验⽅法》 GB/T531-1999《修补⽤天然橡胶胶粘剂》 HG/T3318-2002《中空玻璃⽤弹性密封胶》 JC/T486-2001《中空玻璃⽤丁基热熔密封胶》 JC/T914-20031.6相关物理性能等级测试⽅法:《玻璃幕墙⼯程质量检验标准》 JGJ/T139-2001《玻璃幕墙光学性能》 GB/T18091-2000《彩⾊涂层钢板和钢带试验⽅法》 GB/T13448-2006《钢结构⼯程施⼯质量验收规范》 GB50205-2001《混凝⼟结构⼯程施⼯质量验收规范》 GB50204-2002《建筑防⽔材料⽼化试验⽅法》 GB/T18244-2000《建筑幕墙⽓密、⽔密、抗风压性能检测⽅法》 GB/T15227-2007《建筑幕墙抗震性能振动台试验⽅法》 GB/T18575-2001《建筑幕墙平⾯内变形性能检测⽅法》 GB/T18250-2000《建筑装饰装修⼯程施⼯质量验收规范》 GB50210-2001《⾦属材料室温拉伸试验⽅法》 GB/T228-20021.7《建筑结构静⼒计算⼿册》(第⼆版)1.8⼟建图纸:2 基本参数2.1⾬篷所在地区北京地区;2.2地⾯粗糙度分类等级按《建筑结构荷载规范》(GB50009-2001)A类:指近海海⾯和海岛、海岸、湖岸及沙漠地区;B类:指⽥野、乡村、丛林、丘陵以及房屋⽐较稀疏的乡镇和城市郊区; C类:指有密集建筑群的城市市区;D 类:指有密集建筑群且房屋较⾼的城市市区;依照上⾯分类标准,本⼯程按C 类地形考虑。
钢结构雨棚计算书范本
1. 引言
在建筑工程中,钢结构雨棚是一种常见的构筑物,具有承载荷载、遮挡风雨等功能。
本文将根据典型的钢结构雨棚设计要求,提供一份计算书范本,以指导工程师进行钢结构雨棚的设计计算。
2. 荷载计算
2.1 风荷载计算
根据《建筑结构荷载规范》,钢结构雨棚的风荷载计算应考虑风速、风向等因素。
采用公式:
$$F_{wind} = C_f \\times A \\times P$$
其中,F wind为风荷载,C f为风压系数,A为风压面积,P为大气压。
2.2 雨荷载计算
雨荷载为钢结构雨棚在雨天积聚水的重量,根据设计排水能力计算。
3. 结构计算
钢结构雨棚的结构计算主要包括主梁、次梁、支撑等元件的受力分析和强度验算。
按照受力平衡原理和钢结构设计规范计算各构件的截面尺寸及钢材强度要求。
4. 连接设计
钢结构雨棚的连接设计需要考虑连接件的承载能力和连接方式的可靠性。
根据设计荷载和构件受力情况,选择适当的连接方式和规格,并计算连接件的极限承载能力。
5. 其他要求
除上述要素外,钢结构雨棚设计还需考虑防腐防锈、防雷、抗震等特殊要求,
确保钢结构雨棚在使用过程中安全可靠。
结语
通过本文提供的钢结构雨棚计算书范本,设计人员可以遵循其中的步骤和方法,进行钢结构雨棚的设计计算工作,确保结构的安全稳定性。
愿本文对您有所帮助!。
悬挑雨蓬设计计算书计算软件:TSZ结构设计系列软件TS-MTS2023Ver6.8.0.0计算时间:2023年03月12日19:02:29一.设计资料1设计规范《建筑结构荷载规范》GB50009-2012《钢结构设计标准》GB50017-20172计算参数3平面图表达雨蓬的节点编号和杆件编号3.1节点编号图3.2杆件编号图4立面图表达雨蓬的节点编号和杆件编号4.1拉杆节点编号图4.2拉杆杆件编号图5荷载计算根据荷载规范公式7.1.1-2:风荷载标准值3∣t=B"XU sι×μz×ω0=1.7*2*1*0.4=1.36kN∕m 根据荷载规范公式6.1.1:雪荷载标准值S k=μ1×So=1*O=OkN∕m2<O.5kN∕m"活载6平面图表达雨蓬的荷载简图6.1恒载简图6.2活载(风载)简图6.3风载简图8.1基本组合1.3D+1.511.3D+1.51-0.9W1.0D+1.51-0.9W1.3D+1.051-1.5W1.0D+1.051-1.5W1.0D-1.5W二.验算结果1雨蓬内力简图(平面图表达方式)1.1轴力1.2剪力0.001.3弯矩2主梁验算(最不利的主梁)主梁计算 杆件号 控制工况数值限值结果 受弯强度 11.30D+1.051+1.50WpX 6.21806 215 通过 受剪强度 1 1.30D+1.051+1.50WpX 0.465889 125 通过 挠度11.00D+1.0010.01135112.475通过2. 1受弯强度杆件号:1控制工况:130D+1.051+1.50TVpX弯矩计算结果:Mmax=1.151kN*m(有限元计算结果)σ=Mmax/(γx*W)=1151229.343/(1.05*176326.4) =6.218N∕mm -<215N/mm 满足1.430.711.43Om251/////Oa25/////2.2受剪强度杆件号:1控制工况:1.30D+1.051+150WpX剪力计算结果:Vmax=1.163kN(有限元计算结果)τ=1.5*Vmax/A=1.5*1162.859/3744=0.466N/mm2<125N/mm;满足3.3整体稳定计算φχ:双轴对称截面:ηb=o等截面工字形简支梁Bb计算:受压翼缘无支撑长度:I1=IOOOmm受压翼缘宽度:b1=88mm受压翼缘厚度:tι=t1-12mmξ=(11*tO/(b1*h)=(1000X12)/(88X160)=0.852跨中无侧向支承,均布荷载作用在上翼缘ξ<=2.0,Bb=0.69+0.13X0.852=0.801φb=βI,*(4320/λy2)*(A*h∕W0*{[1+(λy*t1)7(4.4*h)-2]0∙5+∏b}*(235∕fy)=0.801X(4320/52.0392)X(3744X160/176326.4)X{[1+(52.039X12),7(4.4×160)2]o∙5+O)X(235/235)=5.801Φ∣,>0.6:Φ1∕=1.07-0.282∕Φb=1.07-0.282/5.801=1取Φt∙=Φb=1计算Y:YX=105Yy=12验算整稳:Φb=1Yy=12。
雨蓬钢结构计算书一、工程概述本雨蓬钢结构位于_____建筑的_____位置,其主要功能是为建筑物入口或窗口提供遮风挡雨的保护。
雨蓬的平面尺寸为长_____米,宽_____米,悬挑长度为_____米。
二、设计依据1、相关的建筑设计规范,如《建筑结构荷载规范》(GB 50009-2012)、《钢结构设计标准》(GB 50017-2017)等。
2、建筑设计图纸及相关要求。
三、荷载取值1、恒载雨蓬钢结构自重,根据所选钢材的规格和型号,通过计算得出。
雨蓬面板自重,根据面板材料的密度和厚度计算。
2、活载均布活荷载:考虑人员活动和积雪等因素,取值为_____kN/m²。
风荷载:根据建筑物所在地区的基本风压、地面粗糙度等参数,按照规范计算风荷载标准值。
3、地震作用本地区的抗震设防烈度为_____度,设计基本地震加速度为_____g,根据规范确定地震作用的计算方法和取值。
四、材料选择1、钢材:选用_____牌号的钢材,其屈服强度为_____MPa,抗拉强度为_____MPa,具有良好的力学性能和焊接性能。
2、焊条:选用与钢材相匹配的焊条型号。
五、结构布置1、雨蓬的主钢梁采用_____截面形式,钢梁的间距为_____米。
2、次梁采用_____截面形式,与主梁连接方式为_____。
3、支撑体系:设置_____支撑,以增强结构的稳定性。
六、内力计算1、恒载作用下的内力根据结构布置和荷载分布,计算恒载作用下主梁和次梁的弯矩、剪力和轴力。
2、活载作用下的内力采用最不利布置原则,计算活载作用下结构的内力。
3、风荷载作用下的内力根据风荷载的分布情况,计算结构在风荷载作用下的内力。
4、地震作用下的内力按照抗震设计规范的要求,计算地震作用下结构的内力。
七、强度验算1、钢梁的强度验算分别验算主梁和次梁在最不利组合工况下的正应力、剪应力和局部承压应力,确保其强度满足规范要求。
2、连接节点的强度验算对钢梁与柱、钢梁与次梁等连接节点进行强度验算,包括焊缝强度和螺栓连接强度。
XXX中学玻璃雨篷设计计算书设计:校对:审核:批准:二〇一〇年十月三十一日目录1 计算引用的规范、标准及资料 (1)1.1 幕墙设计规范: (1)1.2 建筑设计规范: (1)1.3 玻璃规范: (1)1.4 钢材规范: (2)1.5 胶类及密封材料规范: (2)1.6 相关物理性能等级测试方法: (3)1.7 《建筑结构静力计算手册》(第二版) (3)1.8 土建图纸: (3)2 基本参数 (3)2.1 雨篷所在地区 (3)2.2 地面粗糙度分类等级 (3)3 雨篷荷载计算 (4)3.1 玻璃雨篷的荷载作用说明 (4)3.2 风荷载标准值计算 (4)3.3 风荷载设计值计算 (6)3.4 雪荷载标准值计算 (6)3.5 雪荷载设计值计算 (6)3.6 雨篷面活荷载设计值 (6)3.7 雨篷构件恒荷载设计值 (7)3.8 选取计算荷载组合 (7)4 雨篷杆件计算 (8)4.1 结构的受力分析 (8)4.2 选用材料的截面特性 (10)4.3 梁的抗弯强度计算 (10)4.4 拉杆的抗拉(压-稳定性)强度计算 (10)4.5 梁的挠度计算 (11)5 雨篷焊缝计算 (11)5.1 受力分析 (11)5.2 焊缝校核计算 (11)6 玻璃的选用与校核 (12)6.1 玻璃板块荷载组合计算 (12)6.2 玻璃板块荷载分配计算 (13)6.3 玻璃的强度计算 (14)6.4 玻璃最大挠度校核 (15)7 雨篷埋件计算(后锚固结构) (15)7.1 校核处埋件受力分析 (15)7.2 锚栓群中承受拉力最大锚栓的拉力计算 (16)7.3 群锚受剪内力计算 (16)7.4 锚栓钢材破坏时的受拉承载力计算 (17)7.5 混凝土锥体受拉破坏承载力计算 (17)7.6 锚栓钢材受剪破坏承载力计算 (19)7.7 混凝土楔形体受剪破坏承载力计算 (20)7.8 混凝土剪撬破坏承载能力计算 (21)7.9 拉剪复合受力承载力计算 (21)8 附录常用材料的力学及其它物理性能 (23)钢结构雨篷设计计算书1 计算引用的规范、标准及资料1.1幕墙设计规范:《铝合金结构设计规范》 GB50429-2007《玻璃幕墙工程技术规范》 JGJ102-2003《点支式玻璃幕墙工程技术规程》 CECS127-2001《点支式玻璃幕墙支承装置》 JG138-2001《吊挂式玻璃幕墙支承装置》 JG139-2001《建筑玻璃应用技术规程》 JGJ113-2009《建筑幕墙》 GB/T21086-2007《建筑玻璃采光顶》 JG/T231-20071.2建筑设计规范:《地震震级的规定》 GB/T17740-1999《钢结构设计规范》 GB50017-2003《高层建筑混凝土结构技术规程》 JGJ3-2002《高处作业吊蓝》 GB19155-2003《工程抗震术语标准》 JGJ/T97-95《混凝土结构后锚固技术规程》 JGJ145-2004《混凝土结构设计规范》 GB50010-2002《混凝土用膨胀型、扩孔型建筑锚栓》 JG160-2004《建筑表面用有机硅防水剂》 JC/T902-2002《建筑防火封堵应用技术规程》 CECS154:2003《建筑钢结构焊接技术规程》 JGJ81-2002《建筑隔声评价标准》 GB/T50121-2005《建筑工程抗震设防分类标准》 GB50223-2008《建筑工程预应力施工规程》 CECS180:2005《建筑结构荷载规范》 GB50009-2001(2006年版、局部修订) 《建筑结构可靠度设计统一标准》 GB50068-2001《建筑抗震设计规范》 GB50011-2001(2008年版)《建筑设计防火规范》 GB50016-2006《建筑物防雷设计规范》 GB50057-94(2000年版)《冷弯薄壁型钢结构设计规范》 GB50018-2002《预应力筋用锚具、夹具和连接器应用技术规程》JGJ85-20021.3玻璃规范:《镀膜玻璃第1部分:阳光控制镀膜玻璃》 GB/T18915.1-2002《镀膜玻璃第2部分:低辐射镀膜玻璃》 GB/T18915.2-2002《防弹玻璃》 GB17840-1999《平板玻璃》 GB11614-2009《建筑用安全玻璃第3部分:夹层玻璃》 GB15763.3-2009《建筑用安全玻璃第2部分:钢化玻璃》 GB15763.2-2005《建筑用安全玻璃防火玻璃》 GB15763.1-2009《幕墙用钢化玻璃与半钢化玻璃》 GB17841-2008《热弯玻璃》 JC/T915-2003《压花玻璃》 JC/T511-2002《中空玻璃》 GB/T11944-20021.4钢材规范:《建筑结构用冷弯矩形钢管》 JG/T178-2005《不锈钢棒》 GB/T1220-2007《不锈钢冷加工钢棒》 GB/T4226-2009《不锈钢冷轧钢板及钢带》 GB/T3280-2007《不锈钢热轧钢板及钢带》 GB/T4237-2007《不锈钢丝》 GB/T4240-2009《建筑用不锈钢绞线》 JG/T200-2007《不锈钢小直径无缝钢管》 GB/T3090-2000《彩色涂层钢板和钢带》 GB/T12754-2006《低合金钢焊条》 GB/T5118-1995《低合金高强度结构钢》 GB/T1591-2008《建筑幕墙用钢索压管接头》 JG/T201-2007《耐候结构钢》 GB/T4171-2008《高碳铬不锈钢丝》 YB/T096—1997《合金结构钢》 GB/T3077-1999《金属覆盖层钢铁制品热镀锌层技术要求》 GB/T13912-2002《冷拔异形钢管》 GB/T3094-2000《碳钢焊条》 GB/T5117-1999《碳素结构钢》 GB/T700-2006《碳素结构钢和低合金结构钢热轧薄钢板及钢带》GB/T912-2008《碳素结构钢和低合金结构钢热轧厚钢板及钢带》GB/T3274-2007《优质碳素结构钢》 GB/T699-1999《预应力筋用锚具、夹具和连接器》 GB/T14370-20001.5胶类及密封材料规范:《丙烯酸酯建筑密封膏》 JC484-2006《幕墙玻璃接缝用密封胶》 JC/T882-2001《彩色涂层钢板用建筑密封胶》 JC/T884-2001《丁基橡胶防水密封胶粘带》 JC/T942-2004《干挂石材幕墙用环氧胶粘剂》 JC887-2001《工业用橡胶板》 GB/T5574-1994《混凝土建筑接缝用密封胶》 JC/T881-2001《建筑窗用弹性密封剂》 JC485-2007《建筑密封材料试验方法》 GB/T13477.1~20-2002《建筑用防霉密封胶》 JC/T885-2001《建筑用硅酮结构密封胶》 GB16776-2005《建筑用岩棉、矿渣棉绝热制品》 GB/T19686-2005《建筑用硬质塑料隔热条》 JG/T174-2005《建筑装饰用天然石材防护剂》 JC/T973-2005《聚氨酯建筑密封胶》 JC/T482-2003《聚硫建筑密封胶》 JC/T483-2006《绝热用岩棉、矿棉及其制品》 GB/T11835-2007《硫化橡胶或热塑性橡胶撕裂强度的测定》 GB/T529-1999《石材用建筑密封胶》 JC/T883-2001《橡胶袖珍硬度计压入硬度试验方法》 GB/T531-1999《修补用天然橡胶胶粘剂》 HG/T3318-2002《中空玻璃用弹性密封胶》 JC/T486-2001《中空玻璃用丁基热熔密封胶》 JC/T914-20031.6相关物理性能等级测试方法:《玻璃幕墙工程质量检验标准》 JGJ/T139-2001《玻璃幕墙光学性能》 GB/T18091-2000《彩色涂层钢板和钢带试验方法》 GB/T13448-2006《钢结构工程施工质量验收规范》 GB50205-2001《混凝土结构工程施工质量验收规范》 GB50204-2002《建筑防水材料老化试验方法》 GB/T18244-2000《建筑幕墙气密、水密、抗风压性能检测方法》 GB/T15227-2007《建筑幕墙抗震性能振动台试验方法》 GB/T18575-2001《建筑幕墙平面内变形性能检测方法》 GB/T18250-2000《建筑装饰装修工程施工质量验收规范》 GB50210-2001《金属材料室温拉伸试验方法》 GB/T228-20021.7《建筑结构静力计算手册》(第二版)1.8土建图纸:2 基本参数2.1雨篷所在地区北京地区;2.2地面粗糙度分类等级按《建筑结构荷载规范》(GB50009-2001)A类:指近海海面和海岛、海岸、湖岸及沙漠地区;B类:指田野、乡村、丛林、丘陵以及房屋比较稀疏的乡镇和城市郊区; C类:指有密集建筑群的城市市区;D 类:指有密集建筑群且房屋较高的城市市区; 依照上面分类标准,本工程按C 类地形考虑。
钢结构雨篷设计计算书11基本参数1.1雨篷所在地区:苏州地区;1.2地面粗糙度分类等级:按《建筑结构荷载规范》(GB50009-2022)A类:指近海海面和海岛、海岸、湖岸及沙漠地区;B类:指田野、乡村、丛林、丘陵以及房屋比较稀疏的乡镇和城市郊区;C类:指有密集建筑群的城市市区;D类:指有密集建筑群且房屋较高的城市市区;依照上面分类标准,本工程按B类地形考虑。
22雨篷荷载计算2.1玻璃雨篷的荷载作用说明:玻璃雨篷承受的荷载包括:自重、风荷载、雪荷载以及活荷载。
(1)自重:包括玻璃、连接件、附件等的自重,可以按照400N/m2估算:(2)风荷载:是垂直作用于雨篷表面的荷载,按GB50009采用;(3)雪荷载:是指雨篷水平投影面上的雪荷载,按GB50009采用;(4)活荷载:是指雨篷水平投影面上的活荷载,按GB50009,可按500N/m2采用;在实际工程的雨篷结构计算中,对上面的几种荷载,考虑最不利组合,有下面几种方式,取用其最大值:A:考虑正风压时:a.当永久荷载起控制作用的时候,按下面公式进行荷载组合:Sk+=1.35Gk+0.6某1.4wk+0.7某1.4Sk(或Qk)b.当永久荷载不起控制作用的时候,按下面公式进行荷载组合:Sk+=1.2Gk+1.4某wk+0.7某1.4Sk(或Qk)B:考虑负风压时:按下面公式进行荷载组合:Sk-=1.0Gk+1.4wk2.2风荷载标准值计算:按建筑结构荷载规范(GB50009-2022)计算:wk+=βgzμzμ1+w0……7.1.1-2[GB50009-20222006年版]wk-=βgzμzμ1-w0上式中:wk+:正风压下作用在雨篷上的风荷载标准值(MPa);wk-:负风压下作用在雨篷上的风荷载标准值(MPa);Z:计算点标高:4m;βgz:瞬时风压的阵风系数;根据不同场地类型,按以下公式计算(高度不足5m按5m计算):βgz=K(1+2μf)其中K为地面粗糙度调整系数,μf为脉动系数A类场地:βgz=0.92某(1+2μf)其中:μf=0.387某(Z/10)-0.12B类场地:βgz=0.89某(1+2μf)其中:μf=0.5(Z/10)-0.16C类场地:βgz=0.85某(1+2μf)其中:μf=0.734(Z/10)-0.22D类场地:βgz=0.80某(1+2μf)其中:μf=1.2248(Z/10)-0.3对于B类地形,5m高度处瞬时风压的阵风系数:βgz=0.89某(1+2某(0.5(Z/10)-0.16))=1.8844μz:风压高度变化系数;根据不同场地类型,按以下公式计算:A类场地:μz=1.379某(Z/10)0.24当Z>300m时,取Z=300m,当Z<5m时,取Z=5m;B类场地:μz=(Z/10)0.32当Z>350m时,取Z=350m,当Z<10m时,取Z=10m;C类场地:μz=0.616某(Z/10)0.44当Z>400m时,取Z=400m,当Z<15m时,取Z=15m;D类场地:μz=0.318某(Z/10)0.60当Z>450m时,取Z=450m,当Z<30m时,取Z=30m;对于B类地形,5m高度处风压高度变化系数:μz=1.000某(Z/10)0.32=1μ1:局部风压体型系数,对于雨篷结构,按规范,计算正风压时,取μ1+=2;计算负风压时,取μ1-=-2.0;另注:上述的局部体型系数μ1(1)是适用于围护构件的从属面积A小于或等于1m2的情况,当围护构件的从属面积A大于或等于10m2时,局部风压体型系数μ1(10)可乘以折减系数0.8,当构件的从属面积小于10m2而大于1m2时,局部风压体型系数μ1(A)可按面积的对数线性插值,即:μ1(A)=μ1(1)+[μ1(10)-μ1(1)]logA在上式中:当A≥10m2时取A=10m2;当A≤1m2时取A=1m2;w0:基本风压值(MPa),根据现行<<建筑结构荷载规范>>GB50009-2022附表D.4(全国基本风压分布图)中数值采用,按重现期50年,苏州地区取0.00045MPa;(1)计算构件的风荷载标准值:构件的从属面积:A=3某1.5=4.5m2LogA=0.653μA1+(A)=μ1+(1)+[μ1+(10)-μ1+(1)]logA=1.739μA1-(A)=μ1-(1)+[μ1-(10)-μ1-(1)]logA=1.739wkA+=βgzμzμA1+w0=1.8844某1某1.739某0.00045=0.001474MPawkA-=βgzμzμA1-w0=1.8844某1某1.739某0.00045=0.001474MPa(2)计算面板部分的风荷载标准值:面板构件的从属面积:A=1.5某1.5=2.25m2LogA=0.352μB1+(A)=μ1+(1)+[μ1+(10)-μ1+(1)]logA=1.859μB1-(A)=μ1-(1)+[μ1-(10)-μ1-(1)]logA=1.859wkB+=βgzμzμB1+w0=1.8844某1某1.859某0.00045=0.001576MPawkB-=βgzμzμB1-w0=1.8844某1某1.859某0.00045=0.001576MPa2.3风荷载设计值计算:wA+:正风压作用下作用在雨篷上的风荷载设计值(MPa);wkA+:正风压作用下作用在雨篷上的风荷载标准值(MPa);wA-:负风压作用下作用在雨篷上的风荷载设计值(MPa);wkA-:负风压作用下作用在雨篷上的风荷载标准值(MPa);wA+=1.4某wkA+=1.4某0.001802=0.002523MPawA-=1.4某wkA-=1.4某0.001802=0.002523MPawB+:正风压作用下作用在雨篷玻璃上的风荷载设计值(MPa);wkB+:正风压作用下作用在雨篷玻璃上的风荷载标准值(MPa);wB-:负风压作用下作用在雨篷玻璃上的风荷载设计值(MPa);wkB-:负风压作用下作用在雨篷玻璃上的风荷载标准值(MPa);wB+=1.4某wkB+=1.4某0.001927=0.002698MPawB-=1.4某wkB-=1.4某0.001927=0.002698MPa2.4雪荷载标准值计算:Sk:作用在雨篷上的雪荷载标准值(MPa)S0:基本雪压,根据现行<<建筑结构荷载规范>>GB50009-2022取值,苏州地区50年一遇最大积雪的自重:0.0002MPa.μr:屋面积雪分布系数,按表6.2.1,为2.0。
钢结构雨篷设计计算书1基本参数1.1雨篷所在地区:苏州地区;1.2地面粗糙度分类等级:按《建筑结构荷载规范》(GB50009-2012)A类:指近海海面和海岛、海岸、湖岸及沙漠地区;B类:指田野、乡村、丛林、丘陵以及房屋比较稀疏的乡镇和城市郊区; C类:指有密集建筑群的城市市区;D类:指有密集建筑群且房屋较高的城市市区;依照上面分类标准,本工程按B类地形考虑。
2雨篷荷载计算2.1玻璃雨篷的荷载作用说明:玻璃雨篷承受的荷载包括:自重、风荷载、雪荷载以及活荷载。
(1)自重:包括玻璃、连接件、附件等的自重,可以按照400N/m2估算:(2)风荷载:是垂直作用于雨篷表面的荷载,按GB50009采用;(3)雪荷载:是指雨篷水平投影面上的雪荷载,按GB50009采用;(4)活荷载:是指雨篷水平投影面上的活荷载,按GB50009,可按500N/m2采用;在实际工程的雨篷结构计算中,对上面的几种荷载,考虑最不利组合,有下面几种方式,取用其最大值:A:考虑正风压时:a.当永久荷载起控制作用的时候,按下面公式进行荷载组合:Sk+=1.35Gk+0.6×1.4wk+0.7×1.4Sk(或Qk)b.当永久荷载不起控制作用的时候,按下面公式进行荷载组合:Sk+=1.2Gk+1.4×wk+0.7×1.4Sk(或Qk)B:考虑负风压时:按下面公式进行荷载组合: Sk-=1.0Gk+1.4wk2.2风荷载标准值计算:按建筑结构荷载规范(GB50009-2012)计算:wk+=βgzμzμs1+w……7.1.1-2[GB50009-2012 2006年版]wk-=βgzμzμs1-w上式中:wk+:正风压下作用在雨篷上的风荷载标准值(MPa);wk-:负风压下作用在雨篷上的风荷载标准值(MPa);Z:计算点标高:4m;βgz:瞬时风压的阵风系数;根据不同场地类型,按以下公式计算(高度不足5m按5m计算):βgz =K(1+2μf)其中K为地面粗糙度调整系数,μf为脉动系数A类场地:βgz =0.92×(1+2μf) 其中:μf=0.387×(Z/10)-0.12B类场地:βgz =0.89×(1+2μf) 其中:μf=0.5(Z/10)-0.16C类场地:βgz =0.85×(1+2μf) 其中:μf=0.734(Z/10)-0.22D类场地:βgz =0.80×(1+2μf) 其中:μf=1.2248(Z/10)-0.3对于B类地形,5m高度处瞬时风压的阵风系数:βgz=0.89×(1+2×(0.5(Z/10)-0.16))=1.8844μz:风压高度变化系数;根据不同场地类型,按以下公式计算:A类场地:μz=1.379×(Z/10)0.24当Z>300m时,取Z=300m,当Z<5m时,取Z=5m;B类场地:μz=(Z/10)0.32当Z>350m时,取Z=350m,当Z<10m时,取Z=10m;C类场地:μz=0.616×(Z/10)0.44当Z>400m时,取Z=400m,当Z<15m时,取Z=15m;D类场地:μz=0.318×(Z/10)0.60当Z>450m时,取Z=450m,当Z<30m时,取Z=30m;对于B类地形,5m高度处风压高度变化系数:μz=1.000×(Z/10)0.32=1μs1:局部风压体型系数,对于雨篷结构,按规范,计算正风压时,取μs1+=2;计算负风压时,取μs1-=-2.0;另注:上述的局部体型系数μs1(1)是适用于围护构件的从属面积A小于或等于1m2的情况,当围护构件的从属面积A大于或等于10m2时,局部风压体型系数μs1(10)可乘以折减系数0.8,当构件的从属面积小于10m2而大于1m2时,局部风压体型系数μs1(A)可按面积的对数线性插值,即:μs1(A)=μs1(1)+[μs1(10)-μs1(1)]logA在上式中:当A≥10m2时取A=10m2;当A≤1m2时取A=1m2;w:基本风压值(MPa),根据现行<<建筑结构荷载规范>>GB50009-2012附表D.4(全国基本风压分布图)中数值采用,按重现期50年,苏州地区取0.00045MPa;(1)计算构件的风荷载标准值:构件的从属面积:A=3×1.5=4.5m2LogA=0.653μsA1+(A)=μs1+(1)+[μs1+(10)-μs1+(1)]logA=1.739μsA1-(A)=μs1-(1)+[μs1-(10)-μs1-(1)]logA=1.739wkA+=βgzμzμsA1+w=1.8844×1×1.739×0.00045 =0.001474MPawkA-=βgzμzμsA1-w=1.8844×1×1.739×0.00045 =0.001474MPa(2)计算面板部分的风荷载标准值:面板构件的从属面积:A=1.5×1.5=2.25m2LogA=0.352μsB1+(A)=μs1+(1)+[μs1+(10)-μs1+(1)]logA=1.859μsB1-(A)=μs1-(1)+[μs1-(10)-μs1-(1)]logA=1.859wkB+=βgzμzμsB1+w=1.8844×1×1.859×0.00045 =0.001576MPawkB-=βgzμzμsB1-w=1.8844×1×1.859×0.00045=0.001576MPa2.3风荷载设计值计算:wA+:正风压作用下作用在雨篷上的风荷载设计值(MPa);wkA+:正风压作用下作用在雨篷上的风荷载标准值(MPa);wA-:负风压作用下作用在雨篷上的风荷载设计值(MPa);wkA-:负风压作用下作用在雨篷上的风荷载标准值(MPa);wA+=1.4×wkA+=1.4×0.001802 =0.002523MPawA-=1.4×wkA-=1.4×0.001802=0.002523MPawB+:正风压作用下作用在雨篷玻璃上的风荷载设计值(MPa);wkB+:正风压作用下作用在雨篷玻璃上的风荷载标准值(MPa);wB-:负风压作用下作用在雨篷玻璃上的风荷载设计值(MPa);wkB-:负风压作用下作用在雨篷玻璃上的风荷载标准值(MPa);wB+=1.4×wkB+=1.4×0.001927 =0.002698MPawB-=1.4×wkB-=1.4×0.001927=0.002698MPa2.4雪荷载标准值计算:Sk:作用在雨篷上的雪荷载标准值(MPa)S:基本雪压,根据现行<<建筑结构荷载规范>>GB50009-2012取值,苏州地区50年一遇最大积雪的自重:0.0002MPa.μr:屋面积雪分布系数,按表6.2.1,为2.0。
根据<<建筑结构荷载规范>>GB50009-2012公式 6.1.1屋面雪荷载标准值为:Sk =μr×S=2.0×0.0002=0.0004MPa2.5雪荷载设计值计算:S:雪荷载设计值(MPa);S=1.4×Sk=1.4×0.0004=0.00056MPa2.6雨篷面活荷载设计值:Q:雨篷面活荷载设计值(MPa);Qk:雨篷面活荷载标准值取:500N/m2Q=1.4×Qk=1.4×500/1000000=0.0007MPa因为Sk ≤Qk,所以计算时活荷载参与正压组合!2.7雨篷构件恒荷载设计值:G+:正压作用下雨篷构件恒荷载设计值(MPa);G-:负压作用下雨篷构件恒荷载设计值(MPa);Gk:雨篷结构平均自重取0.0004MPa;因为Gk与其它可变荷载比较,不起控制作用,所以:G+=1.2×Gk=1.2×0.0004 =0.00048MPaG-=Gk=0.0004MPa2.8选取计算荷载组合:(1)正风压的荷载组合计算:SkA+:正风压作用下的荷载标准值组合(MPa);SA+:正风压作用下的荷载设计值组合(MPa);SkA+=Gk+wkA++0.7Qk=0.002552MPaSA+=G++wA++0.7Q=0.003493MPaSkB+:正风压作用下的玻璃的荷载标准值组合(MPa);SB+:正风压作用下的玻璃的荷载设计值组合(MPa);SkB+=Gk+wkB++0.7Qk=0.002677MPaSB+=G++wB++0.7Q=0.003668MPa(2)负风压的荷载组合计算:SkA-:负风压作用下的荷载标准值组合(MPa);SA-:负风压作用下的荷载设计值组合(MPa);SkA-=Gk+wkA-=0.001402MPaSA-=G-+wA-=1.0Gk +1.4wkA-=0.002123MPaSkB-:负风压作用下的玻璃的荷载标准值组合(MPa);SB-:负风压作用下的玻璃的荷载设计值组合(MPa);SkB-=Gk+wkB-=0.001527MPaSB-=G-+wB-=1.0Gk +1.4wkB-=0.002298MPa(3)最不利荷载选取:SkA:作用在构件上的最不利荷载标准值组合(MPa);SA:作用在构件上的最不利荷载设计值组合(MPa);按上面2项结果,选最不利因素(正风压情况下出现):S=0.002552MPakA=0.003493MPaSA:作用在玻璃上的最不利荷载标准值组合(MPa);SkB:作用在玻璃上的最不利荷载设计值组合(MPa);SB按上面2项结果,选最不利因素(正风压情况下出现):S=0.002677MPakB=0.003668MPaSB3雨篷杆件计算基本参数:1:计算点标高:4m;2:力学模型:悬臂梁;3:荷载作用:均布荷载(无拉杆作用);4:悬臂总长度:L=1500mm6:分格宽度:B=1250mm7:悬臂梁用200*200*8*10 T型钢,材质:Q235;8:埋板用300*250*12mm厚钢板本处杆件按悬臂梁力学模型进行设计计算,受力模型如下:3.1结构的受力分析:(1)荷载集度计算::组合荷载作用下的线荷载集度标准值(按矩形分布)(N/mm); qkq:组合荷载作用下的线荷载集度设计值(按矩形分布)(N/mm); Sk:组合荷载标准值(MPa);S:组合荷载设计值(MPa);B:分格宽度(mm);qk =SkB=0.002552×1500=3.828N/mmq=SB=0.003493×1500=5.24N/mm(2)拉杆轴力计算:由于拉杆在雨篷外力作用下在铰接点产生的位移量在垂直方向上的矢量代数和等于拉杆在轴力作用下产生的位移量在垂直方向上的矢量即:P:拉杆作用力在垂直方向上的分力(N);qL4(3-4a/L+(a/L)4)/24EI-Pb3/3EI=PL拉杆/EAE:材料的弹性模量,为206000MPa;3.2选用材料的截面特性:(1)悬臂的截面特性:材料的抗弯强度设计值:f=215MPa;材料弹性模量:E=206000MPa;主力方向惯性矩:I=15260000mm4;主力方向截面抵抗矩:W=181000mm3;塑性发展系数:γ=1.05;材料弹性模量:E=206000MPa;3.3梁的抗弯强度计算:抗弯强度应满足:NL /A+Mmax/γW≤f上式中:NL:梁受到的轴力(N); A:梁的截面面积(mm3);Mmax:悬臂梁的最大弯矩设计值(N·mm); W:在弯矩作用方向的净截面抵抗矩(mm3);γ:塑性发展系数,取1.05;f:材料的抗弯强度设计值,取215MPa;则:NL=Pctgα=13551.688NNL /A+Mmax/γW=13551.688/2867+4031812.5/1.05/181000=25.941MPa≤215MPa悬臂梁抗弯强度满足要求。