消防设施图形符号及工程图例-消防箱图例
- 格式:docx
- 大小:37.39 KB
- 文档页数:3
消防设施图形符号及工程图例-消防箱图例引言概述:消防设施图形符号及工程图例在消防工程设计中起着非常重要的作用。
消防箱图例是消防设施图形符号中的一种,用于表示消防箱的位置、类型和功能。
本文将从五个大点出发,详细阐述消防箱图例的相关内容。
正文内容:1. 消防箱图例的定义和作用1.1 消防箱图例的定义消防箱图例是消防设施图形符号中的一种,用于标识消防箱的位置以及箱内所存放的消防器材。
1.2 消防箱图例的作用消防箱图例能够提供消防设施的位置信息,使消防人员能够快速找到消防箱,并获取所需的消防器材。
2. 消防箱图例的常见符号和标识2.1 消防箱位置标识消防箱位置标识普通使用一个方框表示,方框内标注“消防箱”字样,并在方框上方或者下方标注箱号,以便于消防人员准确找到。
2.2 消防箱类型标识消防箱类型标识使用不同的图形符号表示不同类型的消防箱,例如使用正方形表示灭火器箱,使用圆形表示水带箱等。
2.3 消防箱功能标识消防箱功能标识使用不同的图形符号表示消防箱内所存放的消防器材,例如使用火焰图形表示灭火器,使用水滴图形表示水带等。
3. 消防箱图例的绘制要求3.1 符号的大小和比例消防箱图例中的符号应根据实际情况确定大小和比例,以确保在图纸上的清晰可见。
3.2 符号的粗细和线型消防箱图例中的符号应使用适当的线型和粗细,以便于区分不同的符号和标识。
3.3 符号的颜色消防箱图例中的符号应使用明显的颜色,如红色、黄色等,以便于在图纸上快速辨认。
4. 消防箱图例的应用场景4.1 消防工程设计在消防工程设计中,消防箱图例可以匡助设计人员准确标注消防箱的位置和功能,确保消防设施的布置合理。
4.2 消防设施维护在消防设施维护过程中,消防箱图例可以匡助维护人员了解消防箱的位置,及时检查和更换消防器材。
4.3 消防事故应急在消防事故应急情况下,消防箱图例可以匡助消防人员快速找到消防箱,获取所需的消防器材,以便及时处置火灾。
总结:消防箱图例是消防设施图形符号中的一种,用于标识消防箱的位置、类型和功能。
消防设施图形符号及工程图例-消防箱图例引言概述:消防设施图形符号在建造工程设计中起着至关重要的作用,它们是设计师、施工人员和消防人员之间有效沟通的桥梁。
消防箱作为消防设施之一,在工程图纸中有着特殊的图例表示。
本文将详细介绍消防箱的图形符号及工程图例,匡助读者更好地理解和应用。
一、消防箱的图形符号1.1 消防箱的外形符号:消防箱在图纸中通常用一个长方形或者正方形表示,上面标有“FIRE HOSE CABINET”字样,以及消防箱内部存放的消防设备的符号。
1.2 消防箱的尺寸符号:消防箱的尺寸在图纸中也需要标注清晰,包括高度、宽度和深度等尺寸参数,以确保消防箱的设计符合规范要求。
1.3 消防箱的位置符号:消防箱在建造平面图中的位置也需要有特殊的符号表示,通常用箭头指向具体位置,并标注距离墙壁或者门的距离。
二、消防箱的工程图例2.1 消防箱的平面图例:消防箱在建造平面图中的位置和布置需要清晰标注,包括消防箱的尺寸、门的开启方向、消防设备的存放方式等。
2.2 消防箱的立面图例:消防箱在建造立面图中也需要有特殊的图例表示,包括消防箱的高度、门的形式、门的开启方式等细节。
2.3 消防箱的剖面图例:消防箱的剖面图例可以展示消防箱内部结构和消防设备的布置情况,匡助设计人员和施工人员更好地理解消防箱的构造。
三、消防箱的材料符号3.1 消防箱的材质符号:消防箱的材质普通为金属或者塑料,需要在图纸中用特殊的符号表示,以便施工人员根据材质选择合适的施工方法。
3.2 消防箱的涂装符号:消防箱的涂装颜色也需要在图纸中标注清晰,普通是红色或者白色,以符合消防设施的标准颜色要求。
3.3 消防箱的表面处理符号:消防箱的表面处理普通需要符合防火、防腐蚀等要求,需要在图纸中标注清晰,以确保消防箱的使用寿命和安全性。
四、消防箱的安装符号4.1 消防箱的安装高度符号:消防箱的安装高度需要符合相关规范要求,需要在图纸中标注清晰,以确保消防箱的使用效果和便捷性。
消防设施图形符号及工程图例-消防箱图例引言概述:消防设施图形符号及工程图例在消防工程设计中起着重要的作用。
消防箱图例是消防工程中常见的一种图例,用以标识消防箱的位置和功能。
本文将从四个方面详细介绍消防箱图例的内容,包括消防箱的标识、消防箱的位置、消防箱的功能以及消防箱的规格。
一、消防箱的标识1.1 消防箱的图形符号消防箱图例中常用的图形符号是一个正方形,内部有一个火焰图标。
这个图标代表着消防设备的位置。
1.2 消防箱的颜色标识消防箱图例中常用的颜色是红色。
红色是消防设备的标准颜色,用以提醒人们注意消防设备的位置和功能。
1.3 消防箱的文字标识在消防箱图例中,通常会标注消防箱的名称和编号。
这些文字标识有助于人们快速了解消防箱的具体信息。
二、消防箱的位置2.1 消防箱的室内位置消防箱通常放置在易于被人们发现和接近的地方,如大厅、走廊等位置。
这样可以确保在紧急情况下人们能够快速找到消防箱并使用其中的设备。
2.2 消防箱的室外位置在一些特殊场所,如高层建筑、大型商场等,消防箱还会设置在室外。
这样可以方便消防人员在火灾发生时快速找到消防设备并进行救援。
2.3 消防箱的高度位置为了方便人们使用消防箱,通常会将消防箱设置在较低的位置,如地面高度。
这样即使是身高较矮的人也能够轻松接触到消防设备。
三、消防箱的功能3.1 消防箱的灭火功能消防箱通常会配备灭火器等灭火设备,用以应对突发的火灾。
这些设备能够帮助人们在火灾初期进行灭火,保护生命和财产安全。
3.2 消防箱的报警功能除了灭火设备,消防箱还会配备报警设备,如火灾报警器等。
这些设备能够在火灾发生时及时发出警报,提醒人们采取相应的应急措施。
3.3 消防箱的逃生功能在一些紧急情况下,人们可能需要通过消防设备进行逃生。
消防箱中通常会配备逃生工具,如绳子、救生锤等,以帮助人们安全逃生。
四、消防箱的规格4.1 消防箱的尺寸规格消防箱的尺寸规格通常根据具体使用场所和消防设备的数量来确定。
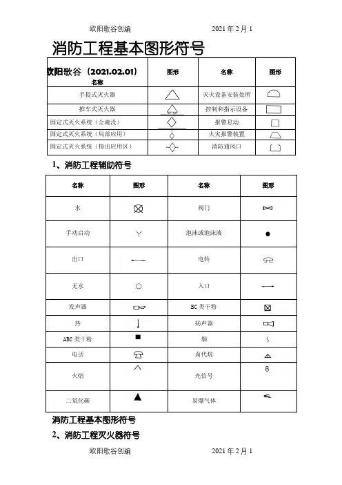
消防工程基本图形符号名称图形名称图形手提式灭火器灭火设备安装处所推车式灭火器控制和指示设备固定式灭火系统(全淹没)报警息动固定式灭火系统(局部应用)火灾报警装置固定式灭火系统(指出应用区)消防通风口1、消防工程辅助符号名称图形名称图形水阀门手动启动泡沫或泡沫液出口电铃无水入口发声器BC类干粉热扬声器ABC类干粉烟电话卤代烷火焰光信号二氧化碳易爆气体消防工程基本图形符号2、消防工程灭火器符号名称图形名称图形清水灭火器卤代烷灭火器推车式ABC类干粉灭火器泡沫灭火器二氧化碳灭火器推车式卤代烷灭火器BC类干粉灭火器推车式泡沫灭火器水桶ABC类干粉灭火器推车式BC类干粉灭火器沙桶3、消防管路及配件符号名称图形名称图形干式立管消防水管线干式立管消防水罐(池)干式立管泡沫混合液管线报警阀干式立管消火栓开式喷头干式立管消防泵闭式喷头干式立管泡沫比例混合器水泵结合器湿式立管泡沫产生器泡沫混合器立管泡沫液管消防工程基本图形符号4、消防工程固定灭火器系统符号名称图形名称图形水灭火系统(全淹没)ABC类干粉灭火系统手动控制灭火系统泡沫灭火系统(全淹没)卤代烷灭火系统BC类干粉灭火系统二氧化碳灭火系统5、消防工程灭火设备安装处符号名称图形名称图形二氧化碳瓶站ABC干粉罐泡沫罐站BC干粉灭火罐站消防泵站6、消防工程自动报警设备符号名称图形名称图形消防控制中心火灾报警装置温感探测器感光探测器手动报警装置烟感探测器气体探测器报警电话火灾警铃火灾报警扬声器火灾报警发声器火灾光信号装置。
消防设施图形符号及工程图例-消防箱图例引言概述:消防设施图形符号在建筑工程设计中起着至关重要的作用,它们是设计师、施工人员和消防人员之间有效沟通的桥梁。
消防箱作为消防设施之一,在工程图纸中有着特殊的图例表示。
本文将详细介绍消防箱的图形符号及工程图例,帮助读者更好地理解和应用。
一、消防箱的图形符号1.1 消防箱的外形符号:消防箱在图纸中通常用一个长方形或正方形表示,上面标有“FIRE HOSE CABINET”字样,以及消防箱内部存放的消防设备的符号。
1.2 消防箱的尺寸符号:消防箱的尺寸在图纸中也需要标注清楚,包括高度、宽度和深度等尺寸参数,以确保消防箱的设计符合规范要求。
1.3 消防箱的位置符号:消防箱在建筑平面图中的位置也需要有特殊的符号表示,通常用箭头指向具体位置,并标注距离墙壁或门的距离。
二、消防箱的工程图例2.1 消防箱的平面图例:消防箱在建筑平面图中的位置和布置需要清晰标注,包括消防箱的尺寸、门的开启方向、消防设备的存放方式等。
2.2 消防箱的立面图例:消防箱在建筑立面图中也需要有特殊的图例表示,包括消防箱的高度、门的形式、门的开启方式等细节。
2.3 消防箱的剖面图例:消防箱的剖面图例可以展示消防箱内部结构和消防设备的布置情况,帮助设计人员和施工人员更好地理解消防箱的构造。
三、消防箱的材料符号3.1 消防箱的材质符号:消防箱的材质一般为金属或塑料,需要在图纸中用特殊的符号表示,以便施工人员根据材质选择合适的施工方法。
3.2 消防箱的涂装符号:消防箱的涂装颜色也需要在图纸中标注清楚,一般是红色或白色,以符合消防设施的标准颜色要求。
3.3 消防箱的表面处理符号:消防箱的表面处理一般需要符合防火、防腐蚀等要求,需要在图纸中标注清楚,以确保消防箱的使用寿命和安全性。
四、消防箱的安装符号4.1 消防箱的安装高度符号:消防箱的安装高度需要符合相关规范要求,需要在图纸中标注清楚,以确保消防箱的使用效果和便捷性。
消防工程基本图形符号之樊仲川亿创作创作时间:贰零贰壹年柒月贰叁拾日图形名称图形名称手提式灭火器灭火设备装置处所推车式灭火器控制和指示设备固定式灭火系统(全淹没)报警息动固定式灭火系统(局部应用)火灾报警装置固定式灭火系统(指出应用区)消防通风口1、消防工程辅助符号名称图形名称图形水阀门手动启动泡沫或泡沫液出口电铃无水入口发声器BC类干粉热扬声器ABC类干粉烟电话卤代烷火焰光信号二氧化碳易爆气体消防工程基本图形符号2、消防工程灭火器符号名称图形名称图形清水灭火器卤代烷灭火器推车式ABC类干粉灭火器泡沫灭火器二氧化碳灭火器推车式卤代烷灭火器BC类干粉灭火器推车式泡沫灭火器水桶ABC类干粉灭火器推车式BC类干粉灭火器沙桶3、消防管路及配件符号名称图形名称图形干式立管消防水管线干式立管消防水罐(池)干式立管泡沫混合液管线报警阀干式立管消火栓开式喷头干式立管消防泵闭式喷头干式立管泡沫比例混合器水泵结合器湿式立管泡沫发生器泡沫混合器立管泡沫液管消防工程基本图形符号4、消防工程固定灭火器系统符号名称图形名称图形水灭火系统(全淹没)ABC类干粉灭火系统手动控制灭火系统泡沫灭火系统(全淹没)卤代烷灭火系统BC类干粉灭火系统二氧化碳灭火系统5、消防工程灭火设备装置处符号名称图形名称图形二氧化碳瓶站ABC干粉罐泡沫罐站BC干粉灭火罐站消防泵站6、消防工程自动报警设备符号名称图形名称图形消防控制中心火灾报警装置温感探测器感光探测器手动报警装置烟感探测器气体探测器报警电话火灾警铃火灾报警扬声器火灾报警发声器火灾光信号装置创作时间:贰零贰壹年柒月贰叁拾日。
名称图形名称图形手提式灭火器灭火设备安装处所推车式灭火器控制和指示设备固定式灭火系统(全淹没)报警息动固定式灭火系统(局部应用)火灾报警装置固定式灭火系统(指出应用区)消防通风口1、消防工程辅助符号名称图形名称图形水阀门手动启动泡沫或泡沫液出口电铃无水入口发声器BC类干粉热扬声器ABC类干粉烟电话卤代烷火焰光信号二氧化碳易爆气体消防工程基本图形符号2、消防工程灭火器符号名称图形名称图形清水灭火器卤代烷灭火器推车式ABC类干粉灭火器泡沫灭火器二氧化碳灭火器推车式卤代烷灭火器BC类干粉灭火器推车式泡沫灭火器水桶ABC类干粉灭火器推车式BC类沙桶干粉灭火器3、消防管路及配件符号名称图形名称图形干式立管消防水管线干式立管消防水罐(池)干式立管泡沫混合液管线报警阀干式立管消火栓开式喷头干式立管消防泵闭式喷头干式立管泡沫比例混合器水泵结合器湿式立管泡沫产生器泡沫混合器立管泡沫液管消防工程基本图形符号4、消防工程固定灭火器系统符号名称图形名称图形水灭火系统(全淹没)ABC类干粉灭火系统手动控制灭火系统泡沫灭火系统(全淹没)卤代烷灭火系统BC类干粉灭火系统二氧化碳灭火系统5、消防工程灭火设备安装处符号名称图形名称图形二氧化碳瓶站ABC干粉罐泡沫罐站BC干粉灭火罐站消防泵站6、消防工程自动报警设备符号名称图形名称图形消防控制中心火灾报警装置温感探测器感光探测器手动报警装置烟感探测器气体探测器报警电话火灾警铃火灾报警扬声器火灾报警发声器火灾光信号装置。
消防设施图形符号及工程图例-消防箱图例引言概述:消防设施图形符号及工程图例在建筑设计和消防工程中起着至关重要的作用,能够有效指导消防设施的布置和使用。
其中,消防箱图例是其中的重要组成部分,用于标识建筑物内消防设备的位置和类型。
本文将详细介绍消防箱图例的相关内容。
一、消防箱图例的基本概念1.1 消防箱图例是指在消防工程图纸上用统一的符号和标识表示消防设备的位置和类型的图例。
1.2 消防箱图例通常包括消防栓、灭火器、灭火器箱、消防水带等消防设备的标识。
1.3 消防箱图例的设计应符合相关的消防标准和规范,确保消防设备布置合理、清晰可见。
二、消防箱图例的常见符号2.1 消防栓的图例通常为一个立方体,上面标有“消火栓”字样,周围有箭头指示位置。
2.2 灭火器的图例为一个矩形,内部有灭火器的图标和编号,周围有虚线框。
2.3 消防水带的图例为一个弯曲的线条,两端分别标有“消防水带”字样。
三、消防箱图例的布置原则3.1 消防箱图例应根据建筑物的结构和功能合理布置,确保消防设备能够覆盖到所有区域。
3.2 消防箱图例应尽量靠近易燃物料和人员密集区域,方便及时使用。
3.3 消防箱图例应避免与其他设备或物品遮挡,保持清晰可见。
四、消防箱图例的设计要点4.1 消防箱图例的大小应根据实际情况和消防设备的尺寸进行合理设计,不宜过大或过小。
4.2 消防箱图例的颜色应选择醒目的红色或黄色,以便在紧急情况下容易识别。
4.3 消防箱图例的标识文字应清晰、简洁,避免出现歧义或误解。
五、消防箱图例的更新和维护5.1 消防箱图例应定期进行检查和更新,确保符合最新的消防标准和规范。
5.2 消防箱图例在使用过程中如有损坏或遮挡,应及时修复或更换。
5.3 消防箱图例的维护责任应明确分工,确保消防设备始终处于良好状态。
结语:消防箱图例是消防设施图形符号及工程图例中的重要组成部分,对于建筑物的消防安全至关重要。
设计和使用消防箱图例时,应遵循相关的标准和规范,确保消防设备能够有效发挥作用,保障人员生命财产安全。
消防工程基本图形符号欧阳歌谷(2021.02.01)图形名称图形名称手提式灭火器灭火设备安装处所推车式灭火器控制和指示设备固定式灭火系统(全淹没)报警息动固定式灭火系统(局部应用)火灾报警装置固定式灭火系统(指出应用区)消防通风口1、消防工程辅助符号名称图形名称图形水阀门手动启动泡沫或泡沫液出口电铃无水入口发声器BC类干粉热扬声器ABC类干粉烟电话卤代烷火焰光信号二氧化碳易爆气体消防工程基本图形符号2、消防工程灭火器符号名称图形名称图形清水灭火器卤代烷灭火器推车式ABC类干粉灭火器泡沫灭火器二氧化碳灭火器推车式卤代烷灭火器BC类干粉灭火器推车式泡沫灭火器水桶ABC类干粉灭火器推车式BC类干粉灭火器沙桶3、消防管路及配件符号名称图形名称图形干式立管消防水管线干式立管消防水罐(池)干式立管泡沫混合液管线报警阀干式立管消火栓开式喷头干式立管消防泵闭式喷头干式立管泡沫比例混合器水泵结合器湿式立管泡沫产生器泡沫混合器立管泡沫液管消防工程基本图形符号4、消防工程固定灭火器系统符号名称图形名称图形水灭火系统(全淹没)ABC类干粉灭火系统手动控制灭火系统泡沫灭火系统(全淹没)卤代烷灭火系统BC类干粉灭火系统二氧化碳灭火系统5、消防工程灭火设备安装处符号名称图形名称图形二氧化碳瓶站ABC干粉罐泡沫罐站BC干粉灭火罐站消防泵站6、消防工程自动报警设备符号名称图形名称图形消防控制中心火灾报警装置温感探测器感光探测器手动报警装置烟感探测器气体探测器报警电话火灾警铃火灾报警扬声器火灾报警发声器火灾光信号装置。
消防工程基本图形符号名称图形名称图形手提式灭火器灭火设备安装处所推车式灭火器控制和指示设备固定式灭火系统(全淹没)报警息动固定式灭火系统(局部应用)火灾报警装置固定式灭火系统(指出应用区)消防通风口1、消防工程辅助符号名称图形名称图形水阀门手动启动泡沫或泡沫液出口电铃无水入口发声器BC类干粉热扬声器ABC类干粉烟电话卤代烷火焰光信号二氧化碳易爆气体2、消防工程灭火器符号名称图形名称图形清水灭火器卤代烷灭火器推车式ABC类干粉灭火器泡沫灭火器二氧化碳灭火器推车式卤代烷灭火器BC类干粉灭火器推车式泡沫灭火器水桶ABC类干粉灭火器推车式BC类干粉灭火器沙桶3、消防管路及配件符号名称图形名称图形干式立管消防水管线干式立管消防水罐(池)干式立管泡沫混合液管线报警阀干式立管消火栓开式喷头干式立管消防泵闭式喷头干式立管泡沫比例混合器水泵结合器湿式立管泡沫产生器泡沫混合器立管泡沫液管4、消防工程固定灭火器系统符号名称图形名称图形水灭火系统(全淹没)ABC类干粉灭火系统手动控制灭火系统泡沫灭火系统(全淹没)卤代烷灭火系统BC类干粉灭火系统二氧化碳灭火系统5、消防工程灭火设备安装处符号名称图形名称图形二氧化碳瓶站ABC干粉罐泡沫罐站BC干粉灭火罐站消防泵站6、消防工程自动报警设备符号名称图形名称图形消防控制中心火灾报警装置温感探测器感光探测器手动报警装置烟感探测器气体探测器报警电话火灾警铃火灾报警扬声器火灾报警发声器火灾光信号装置。
消防设施图形符号及工程图例-消防箱图例引言概述:消防设施图形符号及工程图例是消防工程设计中非常重要的一部分。
它们通过简洁明了的图形符号和图例,传达了消防设施的位置、类型和功能等信息,为消防工程的施工和维护提供了重要的参考依据。
本文将从六个大点出发,详细阐述消防箱图例的相关内容。
一、消防箱图例的定义与作用1.1 消防箱图例的定义消防箱图例是消防设施图中用来标示和说明消防箱的图形符号和图例。
1.2 消防箱图例的作用消防箱图例通过清晰简洁的图形符号和图例,帮助消防工程师和施工人员准确理解消防箱的位置、类型和功能,为消防设施的安装和使用提供指导。
二、消防箱图例的常见图形符号2.1 消防箱的外观图形符号消防箱的外观图形符号通常采用简单的矩形或长方形表示,符号内部标注箱子的编号或名称。
2.2 消防箱的开启方式图形符号消防箱的开启方式图形符号常用不同的线型和箭头表示,如实线表示可直接打开,虚线表示需用工具打开。
2.3 消防箱的材质图形符号消防箱的材质图形符号通常采用不同的填充方式表示,如水平线表示金属材质,斜线表示木质材料。
2.4 消防箱的尺寸图形符号消防箱的尺寸图形符号通常采用标注尺寸的方式表示,如在符号上方或下方标注箱子的长、宽、高等尺寸信息。
三、消防箱图例的常见图例说明3.1 消防箱的编号图例说明消防箱的编号图例说明通常在图例旁边或下方标注箱子的编号,以便快速识别和查找。
3.2 消防箱的功能图例说明消防箱的功能图例说明通常在图例旁边或下方标注箱子内部存放的消防设备或器材,如灭火器、水枪等。
3.3 消防箱的位置图例说明消防箱的位置图例说明通常在图例旁边或下方标注箱子所在的具体位置,如楼层、房间号等。
四、消防箱图例的使用注意事项4.1 消防箱图例的一致性消防箱图例应在整个消防设施图中保持一致,以避免混淆和误解。
4.2 消防箱图例的清晰性消防箱图例应具备清晰明了的特点,以便快速识别和理解。
4.3 消防箱图例的标注准确性消防箱图例中的标注信息应准确无误,以避免引发错误的操作和判断。
消防设施图形符号及工程图例-消防箱图例引言概述:消防设施图形符号及工程图例是消防工程设计中非常重要的一部分,它们通过图形符号和图例的方式,将消防设备、设施和管线等信息清晰地展示出来,方便消防工程师和施工人员进行理解和操作。
本文将详细介绍消防箱图例的相关内容。
一、消防箱图例的作用1.1 提供消防设施的位置信息消防箱图例通过图形符号和文字说明,准确标示出各类消防设施箱的位置,如灭火器箱、消防栓箱等。
这些信息对于消防设备的维护和使用非常重要。
1.2 显示消防设施的类型和规格消防箱图例中会注明不同类型和规格的消防设施,如不同型号的灭火器、不同规格的水带等。
这些信息有助于消防人员在紧急情况下快速选择和使用相应的设备。
1.3 提供消防设施的使用说明消防箱图例中还会包含消防设施的使用说明,如灭火器的使用方法、消防栓的操作步骤等。
这些说明可以帮助普通人员在火灾发生时正确使用消防设备,保障人员的生命安全。
二、消防箱图例的常见符号和图例2.1 灭火器箱灭火器箱在消防箱图例中一般用一个正方形表示,内部标有字母“F”表示灭火器。
图例中还会标注灭火器的型号、容量和使用方法。
2.2 消防栓箱消防栓箱在消防箱图例中一般用一个长方形表示,内部标有字母“H”表示消防栓。
图例中还会标注消防栓的规格、安装位置和操作步骤。
2.3 水带箱水带箱在消防箱图例中一般用一个长方形表示,内部标有字母“W”表示水带。
图例中还会标注水带的长度、直径和使用方法。
三、消防箱图例的绘制要求3.1 符号的准确性消防箱图例中的符号需要准确地表示出不同的消防设施,避免产生歧义。
符号的大小和比例也需要符合实际情况,便于工程师和施工人员理解。
3.2 文字说明的清晰性消防箱图例中的文字说明应该清晰易懂,字体要求工整,字号要适中,避免出现模糊或难以辨认的情况。
同时,文字的位置和对齐也需要符合规范,方便阅读。
3.3 图例的完整性消防箱图例需要包含所有相关的消防设施信息,不得遗漏任何一个重要的项目。
消防设施图形符号及工程图例-消防箱图例引言概述:消防设施图形符号及工程图例在消防工程设计中起着非常重要的作用。
消防箱图例是消防设施图形符号中的一种,用于表示消防箱的位置、类型和功能。
本文将从五个大点出发,详细阐述消防箱图例的相关内容。
正文内容:1. 消防箱图例的定义和作用1.1 消防箱图例的定义消防箱图例是消防设施图形符号中的一种,用于标识消防箱的位置以及箱内所存放的消防器材。
1.2 消防箱图例的作用消防箱图例能够提供消防设施的位置信息,使消防人员能够快速找到消防箱,并获取所需的消防器材。
2. 消防箱图例的常见符号和标识2.1 消防箱位置标识消防箱位置标识一般使用一个方框表示,方框内标注“消防箱”字样,并在方框上方或下方标注箱号,以便于消防人员准确找到。
2.2 消防箱类型标识消防箱类型标识使用不同的图形符号表示不同类型的消防箱,例如使用正方形表示灭火器箱,使用圆形表示水带箱等。
2.3 消防箱功能标识消防箱功能标识使用不同的图形符号表示消防箱内所存放的消防器材,例如使用火焰图形表示灭火器,使用水滴图形表示水带等。
3. 消防箱图例的绘制要求3.1 符号的大小和比例消防箱图例中的符号应根据实际情况确定大小和比例,以确保在图纸上的清晰可见。
3.2 符号的粗细和线型消防箱图例中的符号应使用适当的线型和粗细,以便于区分不同的符号和标识。
3.3 符号的颜色消防箱图例中的符号应使用明显的颜色,如红色、黄色等,以便于在图纸上快速辨认。
4. 消防箱图例的应用场景4.1 消防工程设计在消防工程设计中,消防箱图例可以帮助设计人员准确标注消防箱的位置和功能,确保消防设施的布置合理。
4.2 消防设施维护在消防设施维护过程中,消防箱图例可以帮助维护人员了解消防箱的位置,及时检查和更换消防器材。
4.3 消防事故应急在消防事故应急情况下,消防箱图例可以帮助消防人员快速找到消防箱,获取所需的消防器材,以便及时处置火灾。
总结:消防箱图例是消防设施图形符号中的一种,用于标识消防箱的位置、类型和功能。
消防设施图形符号及工程图例-消防箱图例引言概述:消防设施图形符号在建筑设计中起着至关重要的作用,可以帮助人们快速了解建筑内的消防设施布置情况,提高火灾应急处置效率。
其中,消防箱图例是消防设施图形符号中的重要一环,本文将详细介绍消防箱图例的相关内容。
一、消防箱图例的基本概念1.1 消防箱的定义:消防箱是指用于存放灭火器等消防设备的箱体,通常安装在建筑物的易燃易爆场所或者人员密集场所。
1.2 消防箱的作用:消防箱是消防设施的重要组成部分,能够提供灭火器等设备的存放位置,便于人们在火灾发生时及时取用。
1.3 消防箱的种类:消防箱根据材质和形状的不同,可以分为金属消防箱、塑料消防箱、玻璃钢消防箱等多种类型。
二、消防箱图例的设计要点2.1 清晰明了:消防箱图例应该设计得清晰明了,能够一目了然地显示消防箱的位置和形状。
2.2 符合规范:消防箱图例的设计应符合相关的消防标准和规范要求,确保消防设施图形符号的准确性和规范性。
2.3 细节完善:消防箱图例的设计要注意细节完善,包括消防箱的尺寸、颜色、标识等方面,确保图例的完整性和可读性。
三、消防箱图例的常见符号3.1 灭火器符号:灭火器符号是消防箱图例中常见的符号之一,通常表示消防箱内存放有灭火器。
3.2 消防栓符号:消防栓符号表示消防箱内存放有消防栓,用于供水灭火。
3.3 护栏符号:护栏符号表示消防箱周围有护栏保护,防止消防设备被损坏或被挡住。
四、消防箱图例的应用场景4.1 建筑设计:消防箱图例在建筑设计中起着重要作用,可以帮助建筑师和设计人员合理布置消防设施。
4.2 消防演练:消防箱图例也常用于消防演练中,帮助参与者快速了解消防设施的位置和使用方法。
4.3 消防培训:消防箱图例还可以用于消防培训教材中,帮助学员学习消防设施的相关知识和技能。
五、消防箱图例的未来发展趋势5.1 智能化设计:随着科技的发展,消防箱图例可能会向智能化设计方向发展,结合物联网技术实现远程监控和管理。
消防设施图形符号及工程图例-消防箱图例引言概述:消防设施图形符号及工程图例是指在建筑设计中,用于标示消防设施和设备的图形符号和图例。
它们在消防工程中起着非常重要的作用,能够帮助消防人员快速准确地了解建筑物内部的消防设施和设备的位置和功能,为火灾应急救援提供有力的支持。
本文将详细介绍消防箱图例的相关内容。
一、消防箱图例的定义和作用1.1 消防箱图例的定义消防箱图例是指用于标示建筑物内部消防箱的图形符号和图例,用于指示消防箱的位置和功能。
1.2 消防箱图例的作用消防箱图例能够帮助消防人员快速准确地找到建筑物内部的消防箱,并了解其所存放的消防设备和用途,提高火灾应急救援的效率。
1.3 消防箱图例的标准化消防箱图例需要按照相关标准进行设计和标示,以确保其在不同建筑物中的一致性和可读性。
二、消防箱图例的常见符号和图例2.1 消防箱位置标示符号常见的消防箱位置标示符号包括一个正方形或长方形的图形,内部标有字母“F”表示消防箱的位置。
2.2 消防箱功能图例消防箱功能图例用于标示消防箱内部存放的消防设备和用途,常见的图例包括灭火器、消防栓、消防水带等。
2.3 消防箱图例的颜色标示消防箱图例通常采用红色表示,以突出其重要性和紧急性。
三、消防箱图例的设计要求3.1 易识别性消防箱图例应具有良好的可识别性,消防人员能够迅速辨认出其位置和功能。
3.2 易理解性消防箱图例应具有简洁明了的设计,消防人员能够快速理解其含义和用途。
3.3 标准化消防箱图例应按照相关标准进行设计和标示,以确保其在不同建筑物中的一致性和可读性。
四、消防箱图例的应用范围4.1 商业建筑消防箱图例广泛应用于商业建筑,如购物中心、办公楼等,以指示消防箱的位置和功能。
4.2 住宅建筑消防箱图例也适用于住宅建筑,如公寓楼、别墅等,以提醒居民和消防人员消防设备的位置和用途。
4.3 公共场所公共场所如学校、医院等也需要使用消防箱图例,以便消防人员在紧急情况下快速找到消防设备。
消防工程基本图形符号名称图形名称图形手提式灭火器灭火设备安装处所推车式灭火器控制和指示设备固定式灭火系统(全淹没)报警息动固定式灭火系统(局部应用)火灾报警装置固定式灭火系统(指出应用区)消防通风口1、消防工程辅助符号名称图形名称图形水阀门手动启动泡沫或泡沫液出口电铃无水入口发声器BC类干粉热扬声器ABC类干粉烟电话卤代烷火焰光信号二氧化碳易爆气体2、消防工程灭火器符号名称图形名称图形清水灭火器卤代烷灭火器推车式ABC类干粉灭火器泡沫灭火器二氧化碳灭火器推车式卤代烷灭火器BC类干粉灭火器推车式泡沫灭火器水桶ABC类干粉灭火器推车式BC类干粉灭火器沙桶3、消防管路及配件符号名称图形名称图形干式立管消防水管线干式立管消防水罐(池)干式立管泡沫混合液管线报警阀干式立管消火栓开式喷头干式立管消防泵闭式喷头干式立管泡沫比例混合器水泵结合器湿式立管泡沫产生器泡沫混合器立管泡沫液管4、消防工程固定灭火器系统符号名称图形名称图形水灭火系统(全淹没) ABC类干粉灭火系统手动控制灭火系统泡沫灭火系统(全淹没)卤代烷灭火系统BC类干粉灭火系统二氧化碳灭火系统5、消防工程灭火设备安装处符号名称图形名称图形二氧化碳瓶站ABC干粉罐泡沫罐站BC干粉灭火罐站消防泵站6、消防工程自动报警设备符号名称图形名称图形消防控制中心火灾报警装置温感探测器感光探测器手动报警装置烟感探测器气体探测器报警电话火灾警铃火灾报警扬声器火灾报警发声器火灾光信号装置。
消防设施图形符号及工程图例-消防箱图例引言概述:
消防设施图形符号在建筑工程设计中起着至关重要的作用,它们是设计师、施工人员和消防人员之间有效沟通的桥梁。
消防箱作为消防设施之一,在工程图纸中有着特殊的图例表示。
本文将详细介绍消防箱的图形符号及工程图例,帮助读者更好地理解和应用。
一、消防箱的图形符号
1.1 消防箱的外形符号:消防箱在图纸中通常用一个长方形或正方形表示,上面标有“FIRE HOSE CABINET”字样,以及消防箱内部存放的消防设备的符号。
1.2 消防箱的尺寸符号:消防箱的尺寸在图纸中也需要标注清楚,包括高度、宽度和深度等尺寸参数,以确保消防箱的设计符合规范要求。
1.3 消防箱的位置符号:消防箱在建筑平面图中的位置也需要有特殊的符号表示,通常用箭头指向具体位置,并标注距离墙壁或门的距离。
二、消防箱的工程图例
2.1 消防箱的平面图例:消防箱在建筑平面图中的位置和布置需要清晰标注,包括消防箱的尺寸、门的开启方向、消防设备的存放方式等。
2.2 消防箱的立面图例:消防箱在建筑立面图中也需要有特殊的图例表示,包括消防箱的高度、门的形式、门的开启方式等细节。
2.3 消防箱的剖面图例:消防箱的剖面图例可以展示消防箱内部结构和消防设备的布置情况,帮助设计人员和施工人员更好地理解消防箱的构造。
三、消防箱的材料符号
3.1 消防箱的材质符号:消防箱的材质一般为金属或塑料,需要在图纸中用特殊的符号表示,以便施工人员根据材质选择合适的施工方法。
3.2 消防箱的涂装符号:消防箱的涂装颜色也需要在图纸中标注清楚,一般是红色或白色,以符合消防设施的标准颜色要求。
3.3 消防箱的表面处理符号:消防箱的表面处理一般需要符合防火、防腐蚀等要求,需要在图纸中标注清楚,以确保消防箱的使用寿命和安全性。
四、消防箱的安装符号
4.1 消防箱的安装高度符号:消防箱的安装高度需要符合相关规范要求,需要在图纸中标注清楚,以确保消防箱的使用效果和便捷性。
4.2 消防箱的固定方式符号:消防箱的固定方式一般有墙壁固定和地面固定两种方式,需要在图纸中标注清楚,以确保消防箱的稳固性和安全性。
4.3 消防箱的使用标识符号:消防箱在图纸中也需要标注使用标识,包括消防设备的使用方法、注意事项等,以便使用人员正确使用消防设备。
五、消防箱的维护保养符号
5.1 消防箱的维护周期符号:消防箱需要定期维护保养,需要在图纸中标注维护周期,以确保消防设备的正常使用和有效性。
5.2 消防箱的维护内容符号:消防箱的维护内容包括清洁、检查、更换消防设备等,需要在图纸中标注清楚,以确保消防设备的长期使用。
5.3 消防箱的维护责任符号:消防箱的维护责任需要明确分配给相关人员,需要在图纸中标注清楚,以确保消防设备的维护工作有序进行。
结语:
消防箱作为重要的消防设施之一,在建筑工程设计中具有重要意义。
通过本文对消防箱的图形符号及工程图例的详细介绍,希望读者能够更好地理解和应用消防箱的设计要求,确保消防设施的有效性和安全性。
消防设施的规范设计和施工对于保障人们的生命财产安全至关重要,希望设计师、施工人员和消防人员能够共同努力,为建筑安全保驾护航。