水轮机型号
- 格式:docx
- 大小:13.05 KB
- 文档页数:3
水轮机型号1. 引言水轮机是一种将水能转换成机械能的设备,广泛应用于水电站发电、灌溉和工业生产中。
不同型号的水轮机适用于不同的水力条件和功率要求。
本文将介绍几种常见的水轮机型号及其特点。
2. 斜流式水轮机斜流式水轮机又称为“Kaplan水轮机”,它是一种能够适应较大水头和较小流量的水轮机。
斜流式水轮机的叶片具有可调节的可变导叶,通过改变导叶的角度,可以控制水流进入叶轮的流速和流向。
斜流式水轮机具有高效率、运行稳定和灵活调节的特点。
特点:•适应大水头和小流量的水力条件•可调节叶片和可变导叶,灵活调节水流流速和流向•高效率和运行稳定3. 轴流式水轮机轴流式水轮机是一种适用于大流量和较小水头的水轮机。
它的叶轮和导叶间距小,使得水流通过叶轮时的速度变化较小,因此轴流式水轮机的出口速度与进口速度相差较小,能够更好地利用水能。
轴流式水轮机适用于涡轮发电机组和排灌用途。
特点:•适应大流量和较小水头的水力条件•出口速度与进口速度相差较小,能够更好地利用水能•适用于涡轮发电机组和排灌用途4. 超高速水轮机超高速水轮机是一种转速高达10000转/分钟以上的水轮机。
由于转速很高,超高速水轮机的叶片设计要考虑到离心力的影响,以防止叶片的损坏。
超高速水轮机适用于高压高速发电机组、氢分子制取设备等领域。
特点:•转速高达10000转/分钟以上•叶片设计要考虑离心力的影响,防止叶片损坏•适用于高压高速发电机组、氢分子制取设备等领域5. 混流式水轮机混流式水轮机是一种介于轴流式水轮机和斜流式水轮机之间的一种设计。
它的叶片既有轴流式水轮机叶片的特点,又有斜流式水轮机叶片的特点。
混流式水轮机适用于中水头和中流量的水力条件。
它具有结构简单、效率较高和运行稳定的特点。
特点:•介于轴流式水轮机和斜流式水轮机之间的设计•适应中水头和中流量的水力条件•结构简单、效率较高和运行稳定6. 级联水轮机级联水轮机是将两台或多台水轮机串联起来使用的一种方式。
水轮机的型号(转)根据我国“水轮机型号编制规则”规定,水轮机的型号由三部分组成,每一部分用短横线“—”隔开。
第一部分由汉语拼音字母与阿拉伯数字组成,其中拼音字母表示水。
轮机型式,阿拉伯数字表示转轮型号,入型谱的转轮的型号为比转速数值,未入型谱的转轮的型号为各单位自己的编号,旧型号为模型转轮的编号;可逆式水轮机在水轮机型式后加“N”表示。
第二部分由两个汉语拼音字母组成,分别表示水轮机主轴布置形式和引水室的特征;第三部分为水轮机转轮的标称直径以及其它必要的数据。
水轮机型号中常见的代表符号如表1-2所示。
对于冲击式水轮机,上述第三部分应表示为:转轮标称直径(cm)/每个转轮上的喷嘴数×射流直径(cm)。
表1-2水轮机型号的代表符号各种型式水轮机的转轮标称直径(简称转轮直径,常用表示)规定如下(参见图1-12所示):1.混流式水轮机转轮直径是指其转轮叶片进水边的最大直径;2.轴流式、斜流式和贯流式水轮机转轮直径是指与转轮叶片轴线相交处的转轮室内径;3.冲击式水轮机转轮直径是指转轮与射流中心线相切处的节圆直径。
水轮机型号示例:1.HL220-LJ-250,表示转轮型号为220的混流式水轮机,立轴、金属蜗壳,转轮直径为250cm。
2.ZZ560-LH-500,表示转轮型号为560的轴流转桨式水轮机,立轴、混凝土蜗壳,转轮直径为500cm。
3.GD600-WP-300,表示转轮型号为600的贯流定桨式水轮机,卧轴、灯泡式引水,转轮直径为300cm。
4.2CJ20-W-120/2×10,表示转轮型号为20的水斗式水轮机,一根轴上装有2个转轮,卧轴、转轮直径为120cm,每个转轮具有2个喷嘴,射流直径为10cm。
主题:[水力发电设备]水轮发电机[b]一、发电机类型及传力方式[/b][b](一) 悬挂式发电机[/b]推力轴承位于转子上方,支承在上机架上。
发电机的传力方式为:转动部分重量(发电机转子、励磁机转子、水轮机转轮)——推力头——推力轴承——定子外壳——机座;固定部分重量(推力轴承、上机架、发电机定子、励磁机定子)——定子外壳——机座。
全国水轮机标准一、水轮机分类与型号水轮机按照工作原理可分为冲击式水轮机和反击式水轮机两大类。
冲击式水轮机根据喷嘴数量和布置方式又分为单喷嘴、双喷嘴和多喷嘴几种,反击式水轮机则根据转轮叶片形状和布置方式分为轴流式、混流式、斜流式和贯流式四种。
型号是水轮机在标准额定工况下的性能参数和尺寸规格的简称,由机组的额定转速、额定流量、额定功率、吸出高度等参数组合而成。
如冲击式水轮机的型号是“HLI36-L21/1000”,其中H表示水轮机,L表示立式,I表示单喷嘴,36表示设计序号,L2表示转轮叶片进口位置相对于下止水面高度为2米,1000表示额定转速为1000转/分钟。
反击式水轮机型号是“HL123-L7.7/2250”,其中H表示水轮机,L表示立式,123表示设计序号,L7.7表示转轮叶片进口位置相对于下止水面高度为7.7米,2250表示额定转速为2250转/分钟。
二、水轮机设计规范设计规范是进行水轮机设计的准则和基础,包括水轮机的结构形式选择、过流通道设计、转轮叶片设计、导水机构设计、接力器设计、调速器设计等方面。
在设计中应充分考虑设备的适用性、高效性、可靠性和经济性,以满足不同工况下的性能要求。
三、水轮机材料标准水轮机材料应具有足够的强度、耐腐蚀性和耐磨性,以保证在运行过程中不发生断裂、变形和磨损等现象。
常用的材料包括铸钢、铸铁、合金钢、不锈钢等。
对于不同材料的使用范围和使用条件应严格执行相应的标准规范。
四、水轮机制造与装配标准制造与装配标准是保证水轮机产品质量的关键环节,包括制造工艺流程、装配工艺流程、质量检验等方面的规定。
在制造过程中应严格控制材料的质量和加工精度,保证转轮叶片与导叶的配合精度以及各部件之间的连接牢固可靠。
在装配过程中应按照规定的顺序和步骤进行组装,确保设备的正确性和可靠性。
五、水轮机性能试验与评价方法性能试验与评价是对水轮机性能的全面检测和评估,包括效率试验、空化试验、动平衡试验等方面。
机组运行参数
1水轮发电机组技术参数
1.1水轮机技术参数
1.2发电机技术参数
1.2.2水轮发电机各部温度整定
1推力轴承双螺杆泵及高压减载装置基本参数
3发电机中性点接地变参数
2调速器系统主要技术参数
2.1调速柜设备主要参数:
2.2调速器技术参数
4主变技术参数
1.1.主变技术参数
1.1.1.主变主要技术参数
1.1.
2.冷却条件变化时负载特性表
1.1.3.主变分接开关技术参数。
1.1.4.主变冷却器主要技术参数
1.2.18kV 干式变主要技术参数1.2.1.18kV 干式变额定值
5.1快速闸门
5.2 快速闸门液压系统见表1-2
6压缩空气系统主要技术参数
7技术供水减压阀
7.2泄压安全阀
7.3滤水器主要参数
8、10kV 干式变参数
1.2.3.10kV 干式变额定值
1.2.4.干式变压器过负荷能力。
1.2.5.干式变线圈温度与风机运行状态关系表
1.2.6.照明变有载调压装置主要技术参数
1设备主要技术参数
1.1500kV GIS设备主要参数。
1.1.1SF6气室中含水量PPM参数(见表1):
1.1.2500kV GIS组合电器设备参数(见表3):
1.1.3隔离开关、检修接地开关、快速接地开关、电压互感器、电流互感器、SF6/空气出线套管性能参数(见表3~表6)
1.2发电机出口断路器GCB主要技术参数
1.3封闭母线IPB。
水轮机分类和结构一、水轮机分类1、按能量方式转换的不同,它可分为反击式和冲击式两类。
反击式利用水流的压能和动能,冲击式利用水流动能。
反击式中又分为混流式、轴流式、斜流式和贯流式四种。
冲击式中又分为水斗式、斜击式和双击式三种。
2、混流式:水流从四周沿径向进入转轮,近似轴向流出。
应用水头范围:30m~700m。
特点:结构简单、运行稳定且效率高。
3、轴流式:水流在导叶与转轮之间由径向运动转变为轴向流动。
应用水头:3~80m。
特点:适用于中低水头,大流量水电站。
分类:轴流定桨、轴流转桨4、冲击式:转轮始终处于大气中,来自压力钢管的高压水流在进入水轮机之前已经转变为高速射流,冲击转轮叶片作功。
水头范围:300~1700m。
适用于高水头,小流量机组。
5、水轮机主轴布置形式分类(1)水轮机按主轴的布置形式又可分为卧式和立式两种(也称横轴和立轴)。
立式布置得水轮发电机分为悬式和伞式两种。
(2)悬式发电机的推力轴承位于发电机转子上部的上机架上或上机架中。
伞式发电机的推力轴承位于转子下部的下机架中,或用支架支承在水轮机顶盖上。
伞式发电机又分普通伞式(其上、下导轴承分别位于上、下机架中),半伞式(只用上导轴承,它布置在上机架中,无下导轴承;我厂机组为此类型)和全伞式(只有下导轴承,它布置在下机架中,无上导轴承)。
二、水轮机主要基本参数1、工作水头H是指水轮机进、出口断面处单位重量水体的能量差,单位是米(m),典型工作水头有以下:(1)最大水头(Hmax):水轮机运行范围内允许出现的最大净水头。
(2)最小水头(Hmin):水轮机运行范围内允许出现的最小净水头。
(3)设计水头(H设):水轮发电机组发出额定功率时的最小水头。
2、流量Q是指单位时间内,通过水轮机某一既定过流断面的水量,单位是立方米/秒。
3、出力N是指水流在单位时间内所做的功(功率),其大小与水轮机的水头,流量有关,单位为千瓦。
计算公式:N=9.81QHn4、效率是指水轮机总效率,是水轮机输入功率与输出功率之比,其值总是小于1,因为水轮机在工作过程中不可避免地要产生一些能量损失,主要包括:(1)水力损失:即水流经过蜗壳、导水机构、转轮、尾水管的水头损失。
水轮发电机组主要参数设计第一节水轮机型号的选择一、选择水轮机机型及电站装置方式1.水轮机机型的选择:由所给出的原始数据判断,水轮机的运行水头范围为:68-95m,故可供选择的水轮机形式有混流式、斜流式。
混流式水轮机具有结构紧凑、运行可靠、效率高,能适应很高的水头范围等特点,应用最广泛的水轮机机型,斜流式虽然效率高,但运行经验少且使用的厂家也少,同时由于本次设计的电站水头变化范围较宽,且负荷较为稳定,故决定采用混流式(HL)水轮机。
2.水轮机型号的选择:根据该电站的最大水头为95m,查《混流式水轮机转轮型谱参数表》,经过初步比较,同时考虑到单位转速高、单位流量大、转轮直径小、效率高、空蚀系数小等判断选择的九个型号见下表:表1-1-1 初选模型机转轮型谱参数表经过对各机型参数的初步比较,可以看出HL A285-46、HL A248-35及HLD74 -35在最优工况下的效率比较高,且单位流量n10、单位转速Q10以及限制工况点的单位流量Q11均比较高,可使原型机获得较高的转速和较大的通过流量,从而在相同出力的情况下缩小机组的尺寸,同时模型机的气蚀系数бm较小,有利于电站的稳定运行。
故选取上述三个水轮机进行计算,其具体参数如下表:表1-1-2 初选三个水轮机型号参数表3.机组台数的选择:由原始资料可知, 系统总装机容量150.7万kw ,本水电站的装机容量为58.7万kw ,根据规定电站的单机容量不允许超过系统总容量的10%,否则在电站机组发生故障时,会将整个系统拖垮甚至瓦解,故采用4台、5台机组的设计方案进行计算比较。
4.电站装置方式的确定水轮机的装置方式可分为卧轴和立轴两种。
卧轴布置方式布置简单,不需向下开挖但占地面积较大,一般用于小型电站或水头较低的贯流式水电站。
立轴布置方式具有占地面积小的特点,但需向下进行较大的土石开挖,增加土建投资成本。
为缩小厂房面积,高水头大型电站一般均采用立轴布置方式。
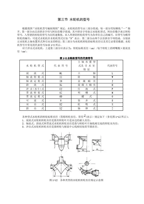
第三节水轮机的型号根据我国“水轮机型号编制规则”规定,水轮机的型号由三部分组成,每一部分用短横线“—”隔开。
第一部分由汉语拼音字母与阿拉伯数字组成,其中拼音字母表示水轮机型式,阿拉伯数字表示转轮型号,入型谱的转轮的型号为比转速数值,未入型谱的转轮的型号为各单位自己的编号,旧型号为模型转轮的编号;可逆式水轮机在水轮机型式后加“N”表示。
第二部分由两个汉语拼音字母组成,分别表示水轮机主轴布置形式和引水室的特征;第三部分为水轮机转轮的标称直径以及其它必要的数据。
水轮机型号中常见的代表符号如表1-2所示。
对于冲击式水轮机,上述第三部分应表示为:转轮标称直径(cm)/每个转轮上的喷嘴数×射流直径(cm)。
各种型式水轮机的转轮标称直径(简称转轮直径,常用表示)规定如下(参见图1-12所示):1.混流式水轮机转轮直径是指其转轮叶片进水边的最大直径;2.轴流式、斜流式和贯流式水轮机转轮直径是指与转轮叶片轴线相交处的转轮室内径;3.冲击式水轮机转轮直径是指转轮与射流中心线相切处的节圆直径。
图1-12 各种类型的水轮机转轮直径规定示意图反击式水轮机转轮标称直径的尺寸系列规定如表1-3。
注:表中括号内的数字仅适用于轴流式水轮机。
水轮机型号示例:1.HL220-LJ-250,表示转轮型号为220的混流式水轮机,立轴、金属蜗壳,转轮直径为250cm。
2.ZZ560-LH-500,表示转轮型号为560的轴流转桨式水轮机,立轴、混凝土蜗壳,转轮直径为500cm。
3.GD600-WP-300,表示转轮型号为600的贯流定桨式水轮机,卧轴、灯泡式引水,转轮直径为300cm。
4.2CJ20-W-120/2×10,表示转轮型号为20的水斗式水轮机,一根轴上装有2个转轮,卧轴、转轮直径为120cm,每个转轮具有2个喷嘴,射流直径为10cm。
编者按:为了方便水利水电设备需求者更好地选择水利水电设备,本网编辑精心制作了水利水电典型设备型号说明专题,专题中将水轮机、闸门、启闭机、滴头、微灌管、微喷头、水文仪器等典型水利水电设备的普通型号说明一一列出,希望可以对您选型、购买有所帮助。
中小型水轮机选型和配套手册1我公司除已生产原部颁(jb/t6310-92)中小型轴流式、混流式水轮机转轮系列型谱规定的zd760、zz600、zz560a、zz560、zz500、zz450/d32b和hl240/123、hl260/a244、hl260/d74、hl240/d41、hl220/a153、hl180/a194、hl180/d06a、hl160/d46、hl110/129、hl120/a41、hl90/d54产品外,还能提供近年来国内外大公司、科研院所研制并已经在电站实际运行的一批优秀转轮产品。
这些转轮的特点是:适用水头范围宽、效率高(较传统转轮效率提高2-5%)、过流量大、抗汽蚀性能好、运行稳定、使用寿命长。
公司在材料选用、加工工艺上做了进一步改善,采取了许多强化措施,并购置了一批精度高的大型机械加工设备,为用户提供性能先进、质量可靠的新型产品,现汇总如下:新型转轮基本情况:水轮发电机组及辅助设备表明一、中小型水轮机水轮机就是一种将水能切换为转动机械能的机器。
按其水流促进作用原理和结构特征可以分成为两类:一类为仅利用水流动能的,称作冲击式水轮机;另一类为同时利用水流动能和势能的,称作反击式水轮机。
属这两大类的各种型式水轮机存有:轴流定桨式轴流式反击式轴流转桨式斜流式全贯流式水轮机贯流式灯泡式半贯流式轴伸式水斗式竖井式冲击式斜击式双击式除了上述各种机型外,随着蓄能、潮汐电站的开发,出现了可逆式水轮机。
常见的可逆式水轮机有混流式、斜流式、轴流式等。
水轮机的型号由三部分代号共同组成,各部分之间用短横线分离。
第一部分代表水轮机的型式及转轮型号。
水轮机型式用汉语拼音字母则表示,转轮型号用阿拉伯数字则表示,使用统一按比输出功率规定的代号。
第二部分则表示水轮机主轴的布置形式及输水室特征。
第三部分则表示转轮的标称直径(以cm计)。
可逆式水轮机在代号后加“n”表示。
1)型号的第一部分,由水轮机型式及转轮代号共同组成。
水轮机型号选择根据已知的水能参数初选水轮机型号最大工作水头:H max=Z上max-Z 下min-△h=609.86-573.12-1.732=35 m 最小工作水头:H min=Z 上min-Z 下max-△h=607.78-574.27-1.732=31.77m平均水头:1 1H a= (H max+H min)= X (35.85+31.35)=33.4 m2 2查水电站机电设备手册根据我国小型反击式水轮机适应范围参考表初选水轮机型号。
初选水轮机型号:HL240-LJ-140水轮机类型混流式转轮型号HL240最大水头35m最小水头31.77m设计水头33m出力3400kw校核机组的稳定性水轮机主要参数的计算:HL240-LJ-140型水轮机方案主要参数的计算转轮直径计算Nr=3400/0.95=3368.42kw Hr=33.4mD i=,——Nr—(1-3).9.81Q i Hr 2M式中:Nr-为水轮机的额定出力(kw)D 1 -为水轮机的转轮直径(mn M-为水轮机的效率Hr-为设计水头(m)Q 1'--为水轮机的单位流量(m/s)由水力机械课本附表1中查得Q'=12.4 L/s=1.24m3/s,同时在附表1中查得水轮机模型在限制工况下的效率 n 沪90.4%,由此可初步假定水轮机在该工况的效率为92.0%将 Nr=3400kw, Q i '=1.24 m 3/s, Hr=33.4m,n M =92%#3368.429.81 1.24 33.4320.92选择与之接近而偏大的标准直径 D=1.40m 效率的修正值计算由水力机械课本附表1查得水轮机模型在最优工况下的效率 型转轮直径Di M =0.46m,则原型水轮机的最高效率n max ,即:式中:n max --为原型水轮机的最高效率n Mma --为水轮机模型在最优工况下的效率D 1M --为模型转轮直径 (m D 1 --为原型转轮直径(m将 n Mma =91.0% , Di M =0.46m, D 1=1.4m 带入得:n Mma =1- ( 1- n max ) 5 nD 1=92.8%考虑到制造工艺水平的情况取 & 1=1%由于水轮机所应用的蜗壳和尾水管的型式与模型基本相似,故认为& 2=0,则效率修正值△ n 为:△ n = n ma - n Mmax - £ 1式中:△ n --为效率修正值n max --为原型水轮机的最咼效率 n Mma --为水轮机模型在最优工况下的效率 将 n max=0.928, n Mmax=0.91 £ 1= 0.01 带入上式得:= 1.12mn Mma =89.6%,模n ma =1- (1-4)D 1M =1- (1-0.91 )0.46 1.4(1- n Mma )D 1 MD 1△ n = n max-n Max- & 1=0.928-0・91-0.01=0・008由此求得水轮机在限制工况的效率为:n =n M +^ n =0.904+0.008=0.912 (与原来假定的数值相近) 转速的计算n 。
水轮机的型号(转)根据我国“水轮机型号编制规则”规定,水轮机的型号由三部分组成,每一部分用短横线“—”隔开。
第一部分由汉语拼音字母与阿拉伯数字组成,其中拼音字母表示水。
轮机型式,阿拉伯数字表示转轮型号,入型谱的转轮的型号为比转速数值,未入型谱的转轮的型号为各单位自己的编号,旧型号为模型转轮的编号;可逆式水轮机在水轮机型式后加“N”表示。
第二部分由两个汉语拼音字母组成,分别表示水轮机主轴布置形式和引水室的特征;第三部分为水轮机转轮的标称直径以及其它必要的数据。
水轮机型号中常见的代表符号如表1-2所示。
对于冲击式水轮机,上述第三部分应表示为:转轮标称直径(cm)/每个转轮上的喷嘴数×射流直径(cm)。
表1-2水轮机型号的代表符号各种型式水轮机的转轮标称直径(简称转轮直径,常用表示)规定如下(参见图1-12所示):1.混流式水轮机转轮直径是指其转轮叶片进水边的最大直径;2.轴流式、斜流式和贯流式水轮机转轮直径是指与转轮叶片轴线相交处的转轮室内径;3.冲击式水轮机转轮直径是指转轮与射流中心线相切处的节圆直径。
水轮机型号示例:1.HL220-LJ-250,表示转轮型号为220的混流式水轮机,立轴、金属蜗壳,转轮直径为250cm。
2.ZZ560-LH-500,表示转轮型号为560的轴流转桨式水轮机,立轴、混凝土蜗壳,转轮直径为500cm。
3.GD600-WP-300,表示转轮型号为600的贯流定桨式水轮机,卧轴、灯泡式引水,转轮直径为300cm。
4.2CJ20-W-120/2×10,表示转轮型号为20的水斗式水轮机,一根轴上装有2个转轮,卧轴、转轮直径为120cm,每个转轮具有2个喷嘴,射流直径为10cm。
主题:[水力发电设备]水轮发电机[b]一、发电机类型及传力方式[/b][b](一) 悬挂式发电机[/b]推力轴承位于转子上方,支承在上机架上。
发电机的传力方式为:转动部分重量(发电机转子、励磁机转子、水轮机转轮)——推力头——推力轴承——定子外壳——机座;固定部分重量(推力轴承、上机架、发电机定子、励磁机定子)——定子外壳——机座。
水轮机型号
1. 导言
水轮机是一种利用水流动能转换为机械能的装置,被广泛应用于水力发电和水资源利用的领域。
水轮机的种类繁多,每种型号都有其独特的特点和适用范围。
本文将介绍一些常见的水轮机型号及其特点。
2. 垂直轴水轮机
垂直轴水轮机是水轮机的一种常见型号。
它的主要特点是水流与轴线垂直,可以分为斜流式和直流式两种。
2.1 斜流式垂直轴水轮机
斜流式垂直轴水轮机是一种高效率的水轮机。
其水流流经引导叶片后,与叶片成45度斜角进入转子,从而减小了水流与叶片的冲击。
斜流式垂直轴水轮机适用于水量较少的场合,并具有低转速、大批量生产等特点。
2.2 直流式垂直轴水轮机
直流式垂直轴水轮机是一种低转速、大功率的水轮机。
其与斜流式相比,转子上的直流片更多,使得转子能够承受更大
的水力冲击。
直流式垂直轴水轮机适用于水流较大的场合,并具有高效率、稳定性好等特点。
3. 水平轴水轮机
水平轴水轮机是另一种常见的水轮机型号。
它的主要特点是水流与轴线平行,可以分为反击式和作用式两种。
3.1 反击式水平轴水轮机
反击式水平轴水轮机是一种高压高速水轮机。
其特点是水流从叶片进入转子后产生反击力,转子因反击力而转动。
反击式水平轴水轮机适用于水量较大、水头较高的场合,并具有高效率、节省空间等特点。
3.2 作用式水平轴水轮机
作用式水平轴水轮机是一种低压低速水轮机。
其特点是水流与转子叶片的作用力直接作用于转子,使转子转动。
作用式水平轴水轮机适用于水量较大、水头较低的场合,并具有简单结构、可靠性高等特点。
4. 斜板水轮机
斜板水轮机是一种特殊的水轮机型号。
其特点是水流经过斜板后产生反作用力,使得转子转动。
斜板水轮机适用于水量较大、水头较小的场合,并具有结构简单、安装方便的特点。
5. 混流水轮机
混流水轮机是一种综合了斜流式和直流式水轮机优点的型号。
其特点是水流在流经叶片时既产生径向力也产生轴向力,使得转子得到更好的能量转换。
混流水轮机适用于水量较大、水头较小的场合,并具有高效率、运行稳定等特点。
6. 结论
以上介绍了常见的几种水轮机型号及其特点。
不同型号的水轮机适用于不同的水力条件,在水力发电和水资源利用方面都起到了重要作用。
选择适合的水轮机型号可以提高能源利用效率,降低能源消耗。
希望本文对读者了解水轮机型号有所帮助。
参考文献: 1. 张晓红,水轮机型号选择方法研究,现代机械装备2017年第11期。
2. 王国华,水轮机型号及其应用导则,中国机械工程2018年第12期。