标准砂标定
- 格式:pdf
- 大小:36.03 KB
- 文档页数:2
标准砂试验规程标准砂试验规程标准砂是统一检验水泥强度用的材料,是加工后符合标准规定的石英砂,用以按标准方法测试水泥胶砂强度,是检验水泥强度必需的通用材料。
标准砂要求其化学成分、物理性质必须符合规定指标,才能使不同实验室测试结果有良好的可比性,从而达到准确鉴定水泥标号的目的。
标准砂的粒度一般分单级和多级两类。
中国标准砂源为福建平潭,通称平潭标准砂,是SiO2>96%的天然石英质海砂。
经水洗、筛分加工成符合国家标准(GB178-77)要求的标准砂。
国际标准化组织提出的标准砂(ISO R679~68)由粗、中、细三级配成。
[1]标准砂是以福建省平潭县芦洋浦的天然石英海砂经筛洗等加工制成。
一、品质指标1.二氧化硅(SiO2)含量大于96%。
2.烧失量不得超过0.40%。
3.含泥量(包括可溶性盐类)不得超过0.20%。
4.粒度(见下表):━━━━━━━━━━━━━━━━━━┯━━━━━━━━━━━━━━━━━━方孔筛孔径,毫米│累计筛余量,%──────────────────┼────────────────── 0.65│<3──────────────────┼────────────────── 0.40│ 40±5──────────────────┼────────────────── 0.25│>94━━━━━━━━━━━━━━━━━━┷━━━━━━━━━━━━━━━━━━二、标准砂实验方法5.二氧化硅及烧失量的测定按附录一进行。
6.含泥量及粒度的测定按附录二进行。
三、标准砂验收规则7.标准砂出厂一吨为一编号。
每一编号应取三个有代表性的样品,分别测定粒度,测定结果均须符合规定。
8.凡不符合本标准第一章中任何一项规定时,均不得出厂。
四、标准砂包装及贮运9.包装袋应结实牢固,每袋净重25公斤。
袋中须附有合格证,注明生产日期及编号。
贮运过程中要防止受潮与漏散。
附录一二氧化硅及烧失量的化学分析方法一、标准砂试验方法适用于水泥强度试验用标准砂以及允许用本标准方法的各种石英砂。
标准砂标定台账
标准砂标定是指将某一种规格的标准砂放在一定的装置中加以震动,测定所得数据,以便为工程施工提供更加准确的材料数据。
而对于这项标定工作,必须记录以下内容:
1. 标准砂的种类
标准砂的种类应该与工程所需的砂类相同。
在进行标定之前需要记录下标准砂的厂家、产地、等级等信息。
2. 标准砂的粒径分布
标准砂的粒径分布是指标准砂中,每个粒径级别的占比。
在进行标定之前,需要进行筛分实验、称重等操作,测定出标准砂的粒径分布。
3. 标定所用的装置
标定所用的装置是指标准砂振动筛和计算机联网控制的控温装置。
记录这些信息可以方便后续进行反演计算。
4. 标定参数
包括标准砂振动时间、振动频率、振幅、装置温度、湿度等信息。
5. 实验过程
在进行标定过程中,应当记录每一次标准砂振动筛选后得到的筛分数据,并记录砂的温湿度等物理参数。
6. 计算结果
计算结果是指计算机对标定过程中收集到的数据进行反演计算后得出的标准砂数据,包括标准砂密度、饱和密度、孔隙度、抗压强度、抗拉强度、弹性模量等数据。
这些数据通常用于材料选型和行业标准制定。
7. 备注
备次栏主要记录标定过程中的特殊情况,如发生设备故障或样品污染等。
,标准砂标定台账是记录标准砂标定过程中各项重要信息的必备文档。
标定精度和流程规范是保证基于标准砂数据的建设项目正常进行的前提。
灌砂法标准砂标定灌砂法是一种常用的土壤密实度测试方法,通过对土壤进行灌砂实验,可以得到土壤的密实度参数,为工程设计和施工提供重要依据。
而在进行灌砂法测试之前,首先需要进行砂标定,即确定所使用的标准砂的密度和粒径分布。
本文将介绍灌砂法标准砂标定的相关内容。
1. 标准砂的选择。
标准砂是进行灌砂法测试的重要材料,其物理性质应符合相关标准要求。
一般来说,标准砂应具有以下特点:粒径分布均匀,符合规范要求;砂粒表面光滑,无明显颗粒破碎和磨损;密度稳定,不易变形和堆积;含水率适中,能够在灌砂过程中保持一定的流动性。
2. 标准砂的密度测定。
标准砂的密度是进行灌砂法测试时必须准确掌握的参数之一。
密度的测定可以采用密度瓶法或者称重法。
在进行密度测定时,需要注意以下几点:保证标准砂样品的干燥状态,避免含水率对密度测定结果的影响;严格按照相关标准规范进行密度测定操作,保证测定结果的准确性;进行多次测定,取平均值作为最终的密度数值。
3. 标准砂的粒径分布测定。
标准砂的粒径分布对于灌砂法测试的准确性有着重要的影响。
粒径分布的测定可以采用筛分法或者激光粒度分析法。
在进行粒径分布测定时,需要注意以下几点:选择合适的筛孔尺寸,保证能够有效地分离标准砂的不同粒径颗粒;严格按照相关标准规范进行粒径分布测定操作,保证测定结果的准确性;进行多次测定,取平均值作为最终的粒径分布曲线。
4. 标准砂的筛分性能测定。
标准砂的筛分性能对于灌砂法测试的稳定性和可重复性有着重要的影响。
筛分性能的测定可以采用震动筛分法或者振动筛分法。
在进行筛分性能测定时,需要注意以下几点:选择合适的筛分设备和参数,保证能够有效地进行标准砂的筛分分离;严格按照相关标准规范进行筛分性能测定操作,保证测定结果的准确性;进行多次测定,取平均值作为最终的筛分性能指标。
5. 结语。
标准砂的密度和粒径分布是进行灌砂法测试的基础,其准确性和可靠性直接影响着测试结果的准确性和可信度。
因此,在进行灌砂法测试之前,必须对所使用的标准砂进行严格的标定和检测,确保其符合相关规范要求,为后续的测试工作奠定可靠的基础。
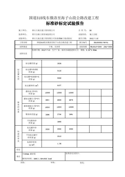
1
231
装入筒内砂的质量m1(g)2
罐砂筒移至玻璃板前筒内砂质量m5(g)3
罐砂筒移走玻璃板后筒内砂质量m6(g)4
填满筒下部圆锥体砂的质量m2=m 5-m 6(g)5
填满筒下部圆锥体砂的质量平均值m2(g)
6
标定罐质量m7(g)7
标定罐加水的总质量m8(g)8
标定罐的容积v=m 8-m 79
标定罐容积的平均值v(ml)10
灌砂入标定罐后,筒内剩余砂的质量m3(g)11
筒内剩余砂的质量平均值m3(g)12
填满标定罐所需砂的质量ma=m 1-m 2-m 3(g)13量砂的密度ps =m a /v 14备注
试验人: 试验日期:复核人:标准砂密度标定试验记录表
圆锥体内砂质量标定罐的容积量砂的密度序号试验项目试验次数。
确定标准砂密度的步骤标准砂密度是指通过一系列试验方法测量得到的砂的密度值,它是评估砂的物理性质和质量的一个重要参数。
下面将介绍确定标准砂密度的步骤。
步骤一:材料准备1.选取一种适合的砂。
标准砂密度测试通常采用圆形粒状石英砂作为试样。
这种砂具有均匀的颗粒大小和形状,因此可以减少误差。
2.准备所需的实验器材,包括砂密度试验器、砂密度计、砂桶、千分尺等。
3.根据实际需要,选择合适的拌和水和湿度。
步骤二:准备试验样品1.将砂样本收集到一个干净的容器中。
2.根据砂密度试验的要求,确定砂样的质量或体积。
3.将砂样按照所需质量或体积拌匀,确保其中的颗粒分布均匀。
步骤三:进行砂密度试验1.将砂样倒入砂密度试验器中,注意不要超过试验器的容量。
2.用千分尺等工具测量砂密度试验器中砂样的质量。
3.根据标准砂密度试验方法的要求,进行相应的砂密度试验操作。
4.记录试验数据,包括砂样的质量、砂样的体积、试验器的容积等。
步骤四:计算砂密度根据试验数据,可以计算得到砂的密度值。
1.计算砂样的体积密度,可以使用以下公式:体积密度 = 砂样的质量 / 砂样的体积2.计算砂样的相对密度(相对于水),可以使用以下公式:相对密度 = 体积密度 / 水的密度3.计算砂样的标准密度(相对于标准砂密度),可以使用以下公式:标准密度 = 相对密度 * 标准砂密度4.根据所采用的标准砂密度值,可以判断砂样的质量和物理性质是否符合要求。
步骤五:数据分析和结果评估根据试验结果,对砂样的质量和物理性质进行评估和分析。
1.比较标准砂密度与试验结果,判断砂样密度是否达到标准要求。
2.通过对试验数据的分析,评估砂样的均匀性、颗粒分布和含水量等性质。
3.根据分析结果,对砂样进行合理的选择和使用。
总结通过以上步骤,可以确定标准砂密度并对砂的质量和性质进行评估。
标准砂密度测试可以提供有关砂的物理性质和质量的重要信息,为砂的选型和工程设计提供依据。
在进行砂密度测试时,需要严格按照试验方法和步骤进行操作,以确保测试结果的准确性和可靠性。