常用金属比重表
- 格式:doc
- 大小:171.50 KB
- 文档页数:14
常用金属材料的比重参考表名称或牌号密度g/cm3 名称或牌号密度g/cm3 灰口铸造6.6~7.4 锰脱氧铜8.89白口铸造7.4~7.7 96黄铜8.85可锻铸造7.2~7.4 90黄铜8.73工业纯铁7.87 85黄铜8.7钢材7.85 80黄铜8.66铸钢7.8 68黄铜8.5低碳钢(含碳0.1%)7.85 65黄铜8.5中碳钢(含碳0.4%)7.82 63黄铜8.45高碳钢(含碳1%)7.81 62黄铜8.5高速钢(含钨9%)8.3 59黄铜8.4高速钢(含钨18%)8.7 64-2铅黄铜8.5不锈钢(含铬13%)7.75 63-0.1铅黄铜8.5铜材8.9 63-3铅黄铜8.5一号铜、二号铜8.9 60-3铅黄铜8.5三号铜、四号铜8.89 59-1铅黄铜8.5加磷二号铜8.89 59-1A铅黄铜8.5一号、二号无氧铜8.9 90-1锡黄铜8.8磷脱氧铜8.89 70-1锡黄铜8.5462-1锡黄铜8.54 1.9铍青铜8.2360-1锡黄铜8.45 1-3硅青铜8.677-2铝黄铜8.6 3-1硅青铜8.477-2A铝黄铜8.6 3.5-3-1.5硅青铜8.8 77-2B铝黄铜8.6 3.5-3-1.5硅铁青铜8.8 67-2.5铝黄铜8.5 1.5锰青铜8.860-1-1铝黄铜8.4 5锰青铜8.659-3-2铝黄铜8.4 1.0镉青铜8.866-6-3-2铝黄铜8.5 0.5铬青铜8.958-2锰黄铜8.5 0.2锆青铜8.957-3-1锰黄铜8.5 0.4锆青铜8.955-3-1锰黄铜8.5 0.6白铜8.959-1-1铁黄铜8.5 5白铜8.958-1-1铁黄铜8.5 19白铜8.980-3硅黄铜8.6 30白铜8.965-5镍黄铜8.65 3-12锰白铜8.44-3锡青铜8.8 40-1.5锰白铜8.94-4-2.5锡青铜8.75 40-0.5锰白铜8.94-4-4锡青铜8.9 30-1-1铁白铜8.96.5-0.1锡青铜8.8 5-1铁白铜8.96.5-0.4锡青铜8.8 15-20锌白铜8.67-0.2锡青铜8.8 13-3铝白铜8.54-0.3锡青铜8.9 6-1.5铝白铜8.75铝青铜8.2 四号镍8.97铝青铜7.8 六号镍8.859-2铝青铜7.6 七号镍8.859-4铝青铜7.5 八号镍8.8510-3-1.5铝青铜7.5 一号阳极镍8.8510-4-4铝青铜7.7 二号阳极镍8.852.5铍青铜8.23 三号阳极镍8.852铍青铜8.3 0.19镍硅合金8.852.15铍青铜8.3 0.2镍硅合金8.851.7铍青铜8.23 0.1镍硅合金8.8528-2.5-1.5镍铜合金8.85 钨19.3铝板2.73钴8.9二号防锈铝2.67 钛4.51五号防锈铝2.65 3钨钴合金(细)15.0~15.3 二十一号防锈铝2.73 3钨钴合金14.9~15.3 一号硬铝2.75 4钨钴合金(粗)14.9三号硬铝2.73 6钨钴合金14.6~15.0十一号硬铝2.84 6钨钴合金(细)14.6~15.0 十二号硬铝2.8 8钨钴合金14.5~14.9十四号硬铝2.8 8钨钴合金(粗)14.35二号锻铝2.69 11钨钴合金(粗)14.0~14.4 四号锻铝2.65 15钨钴合金13.9~14.2五号锻铝2.75 20钨钴合金13.4~13.7八号锻铝2.8 25钨钴合金12.9~13.2九号锻铝2.8 30钨钛钴合金9.3~9.70十号锻铝2.8 15钨钛钴合金11.05~11.30四号超硬铝2.8 14钨钛钴合金11.20~12.00五号铸造铝合金2.55 5钨钛钴合金12.50~13.20六号铸造铝合金2.60 含钽(铌)钨钴合金(TA6)14.6~15.0 七号铸造铝合金2.65 通用合金12.6~13.5十三号铸造铝合金2.67 能用合金2号12.4~13.5十五号铸造铝合金2.95 不含钴镍钼做胶结剂的合金≥6.30工业镁1.74 (YN10)锌板7.2 10锡铅焊料7.6锌阳极板7.15 39锡铅焊料8.85铸锌6.86 50锡铅焊料9.210-5锌铝合金6.3 58-2锡铅焊料9.54-3铸锌铝合金6.75 68-2锡铅焊料9.724-1铸造铝合金6.9 80-2锡铅焊料10.35锡7.3 90-6锡铅焊料8.9铅板11.37 汞13.6锡基轴承合金7.34~7.75 锰7.43铅基轴承合金9.33~10.67 铬7.19钒6.11 碲6.24钼10.20 钍11.5铌8.57 银10.5 锇22.5 金19.3 锑6.62 铂21.4 镉8.64 钾0.86 钡3.5 钠0.97 铍1.85 钙1.55 铋9.84 硼2.34 铱22.4 硅2.33 铈6.9 硒4.84 钽16.6 砷5.7。
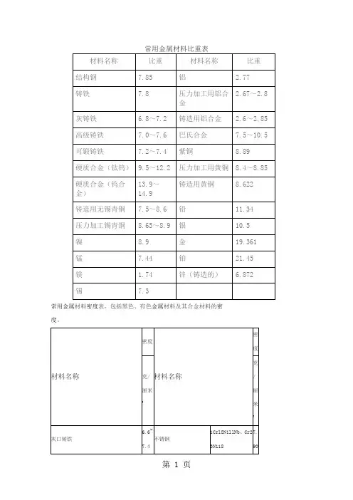
常用金属比重表材料名称比重材料名称比重结构钢7.85 铝 2.772.67~2.8 铸铁7.8 压力加工用铝合金灰铸铁 6.8~7.2 铸造用铝合金 2.6~2.85 高级铸铁7.0~7.6 巴氏合金7.5~10.5 可锻铸铁7.2~7.4 紫铜8.89硬质合金(钛钨)9.5~12.2 压力加工用黄铜8.4~8.85 硬质合金(钨合金)13.9~铸造用黄铜8.62214.9铸造用无锡青铜7.5~8.6 铅11.34压力加工锡青铜8.65~8.9 银10.5镍8.9 金19.361锰7.44 铂21.45镁 1.74 锌(铸造的) 6.872锡7.3常用金属材料密度表,包括黑色、有色金属材料及其合金材料的密度。
材料名称密度材料名称密度克/厘米3克/厘米3灰口铸铁 6.6~7.4不锈钢1Crl8NillNb、Cr23Ni187.90白口铸铁7.4~7.72Cr13Ni4Mn98.50 可锻铸铁7.2~7.43Cr13Ni7Si28.00 铸钢7.80 纯铜材8.90 工业纯铁7.87 59、62、65、68黄铜8.50 普通碳素钢7.85 80、85、90黄铜8.70 优质碳素钢7.85 96黄铜8.80 碳素工具钢7.85 59-1、63-3铅黄铜8.50 易切钢7.85 74-3铅黄铜8.70 锰钢7.81 90-1锡黄铜8.80 15CrA铬钢7.74 70-1锡黄铜8.54 20Cr、30Cr、40Cr铬钢7.82 60-1和62-1锡黄铜8.50 38CrA铬钢7.80 77-2铝黄铜8.60 铬钒、铬镍、铬镍钼、铬锰、硅、铬锰硅7.85 67-2.5、66-6-3-2、60-1-1铝黄铜8.50镍、硅锰、硅铬钢镍黄铜8.50 铬镍钨钢7.80 锰黄铜8.50 铬钼铝钢7.65 硅黄铜、镍黄铜、铁黄铜8.50 含钨9高速工具钢8.30 5-5-5铸锡青铜8.80 含钨18高速工具钢8.70 3-12-5铸锡青铜8.69 高强度合金钢7.82 6-6-3铸锡青铜8.82 轴承钢7.81 7-0.2、6.5-0.4、6.5-0.1、4-3锡青铜8.80不锈钢0Cr13、1Cr13、2Cr13、3Cr13、4Cr13、Cr17Ni2、Cr18、9Cr18、Cr25、Cr287.75 4-0.3、4-4-4锡青铜8.90 Cr14、Cr177.70 4-4-2.5锡青铜8.75 0Cr18Ni9、1Cr18Ni9、Cr18Ni9Ti、2Cr18Ni97.85 5铝青铜8.201Cr18Ni11Si4A1Ti7.52锻铝LD8 2.777铝青铜7.80 LD7、LD9、LD10 2.80 19-2铝青铜7.60 超硬铝 2.85 9-4、10-3-1.5铝青铜7.50 LT1特殊铝 2.75 10-4-4铝青铜7.46 工业纯镁 1.74铍青铜8.30变形镁MB1 1.763-1硅青铜8.47 MB2、MB8 1.78 1-3硅青铜8.60 MB3 1.79 1铍青铜8.80 MB5、MB6、MB7、MB15 1.80 0.5镉青铜8.90 铸镁 1.80 0.5铬青铜8.90 工业纯钛(TA1、TA2、TA3) 4.501.5锰青铜8.80钛合金TA4、TA5、TC6 4.455锰青铜8.60 TA6 4.40白铜B5、B19、B30、BMn40-1.58.90 TA7、TC5 4.46 BMn3-128.40 TA8 4.56 BZN15-208.60 TB1、TB2 4.89BA16-1.5 8.70 TC1、TC2 4.55 BA113-3 8.50 TC3、TC4 4.43 纯铝2.70 钛合金TC7 4.40 防锈铝LF2、LF43 2.68TC8 4.48 LF3 2.67 TC9 4.52 LF5、LF10、LF11 2.65 TC104.53 LF6 2.64 纯镍、阳极镍、电真空镍 8.85 LF212.73 镍铜、镍镁、镍硅合金 8.85 硬铝 LY1、LY2、LY4、LY6 2.76 镍铬合金8.72 LY32.73 锌锭(Zn0.1、Zn1、Zn2、Zn3) 7.15 LY7、LY8、LY10、LY11、LY142.80 铸锌6.86 LY9、LY12 2.78 4-1铸造锌铝合金 6.90 LY16、LY17 2.84 4-0.5铸造锌铝合金 6.75 锻铝 LD2、LD30 2.70 铅和铅锑合金 11.37 LD42.65 铅阳极板 11.33LD52.75常用金属材料的比重参考表名称或牌号密度 g/cm3名称或牌号密度 g/cm3灰口铸造 6.6~7.4 锰脱氧铜8.89白口铸造7.4~7.7 96黄铜8.85可锻铸造7.2~7.4 90黄铜8.73工业纯铁7.87 85黄铜8.7钢材7.85 80黄铜8.66铸钢7.8 68黄铜8.5低碳钢(含碳0.1%)7.85 65黄铜8.5中碳钢(含碳0.4%)7.82 63黄铜8.45高碳钢(含碳1%)7.81 62黄铜8.5高速钢(含钨9%)8.3 59黄铜8.4高速钢(含钨18%)8.7 64-2铅黄铜8.5不锈钢(含铬13%)7.75 63-0.1铅黄铜8.5铜材8.9 63-3铅黄铜8.5一号铜、二号铜8.9 60-3铅黄铜8.5三号铜、四号铜8.89 59-1铅黄铜8.5加磷二号铜8.89 59-1A铅黄铜8.5 一号、二号无氧铜8.9 90-1锡黄铜8.8 磷脱氧铜8.89 70-1锡黄铜8.54 62-1锡黄铜8.54 1.9铍青铜8.23 60-1锡黄铜8.45 1-3硅青铜8.6 77-2铝黄铜8.6 3-1硅青铜8.4 77-2A铝黄铜8.6 3.5-3-1.5硅青铜8.8 77-2B铝黄铜8.6 3.5-3-1.5硅铁青铜8.8 67-2.5铝黄铜8.5 1.5锰青铜8.8 60-1-1铝黄铜8.4 5锰青铜8.6 59-3-2铝黄铜8.4 1.0镉青铜8.8 66-6-3-2铝黄铜8.5 0.5铬青铜8.9 58-2锰黄铜8.5 0.2锆青铜8.9 57-3-1锰黄铜8.5 0.4锆青铜8.9 55-3-1锰黄铜8.5 0.6白铜8.9 59-1-1铁黄铜8.5 5白铜8.9 58-1-1铁黄铜8.5 19白铜8.9 80-3硅黄铜8.6 30白铜8.9 65-5镍黄铜8.65 3-12锰白铜8.4 4-3锡青铜8.8 40-1.5锰白铜8.9 4-4-2.5锡青铜8.75 40-0.5锰白铜8.9 4-4-4锡青铜8.9 30-1-1铁白铜8.9 6.5-0.1锡青铜8.8 5-1铁白铜8.9 6.5-0.4锡青铜8.8 15-20锌白铜8.67-0.2锡青铜8.8 13-3铝白铜8.54-0.3锡青铜8.9 6-1.5铝白铜8.75铝青铜8.2 四号镍8.97铝青铜7.8 六号镍8.859-2铝青铜7.6 七号镍8.859-4铝青铜7.5 八号镍8.8510-3-1.5铝青铜7.5 一号阳极镍8.8510-4-4铝青铜7.7 二号阳极镍8.852.5铍青铜8.23 三号阳极镍8.852铍青铜8.3 0.19镍硅合金8.852.15铍青铜8.3 0.2镍硅合金8.851.7铍青铜8.23 0.1镍硅合金8.8528-2.5-1.5镍铜合金8.85 钨19.3铝板 2.73 钴8.9二号防锈铝 2.67 钛 4.51五号防锈铝 2.65 3钨钴合金(细)15.0~15.3 二十一号防锈铝 2.73 3钨钴合金14.9~15.3 一号硬铝 2.75 4钨钴合金(粗)14.9三号硬铝 2.73 6钨钴合金14.6~15.0 十一号硬铝 2.84 6钨钴合金(细)14.6~15.0 十二号硬铝 2.8 8钨钴合金14.5~14.9 十四号硬铝 2.8 8钨钴合金(粗)14.35二号锻铝 2.69 11钨钴合金(粗)14.0~14.4 四号锻铝 2.65 15钨钴合金13.9~14.2五号锻铝 2.75 20钨钴合金13.4~13.7 八号锻铝 2.8 25钨钴合金12.9~13.2 九号锻铝 2.8 30钨钛钴合金9.3~9.70十号锻铝 2.8 15钨钛钴合金11.05~11.30 四号超硬铝 2.8 14钨钛钴合金11.20~12.00 五号铸造铝合金 2.55 5钨钛钴合金12.50~13.2014.6~15.0 六号铸造铝合金 2.60 含钽(铌)钨钴合金(TA6)七号铸造铝合金 2.65 通用合金12.6~13.5 十三号铸造铝合金 2.67 能用合金2号12.4~13.5≥6.30十五号铸造铝合金 2.95 不含钴镍钼做胶结剂的合金工业镁 1.74 (YN10)锌板7.2 10锡铅焊料7.6锌阳极板7.15 39锡铅焊料8.85铸锌 6.86 50锡铅焊料9.210-5锌铝合金 6.3 58-2锡铅焊料9.54-3铸锌铝合金 6.75 68-2锡铅焊料9.724-1铸造铝合金 6.9 80-2锡铅焊料10.35锡7.3 90-6锡铅焊料8.9铅板11.37 汞13.6锡基轴承合金7.34~7.75 锰7.43铅基轴承合金9.33~10.67 铬7.19钒 6.11 碲 6.24钼10.20 钍11.5 铌8.57 银10.5 锇22.5 金19.3 锑 6.62 铂21.4 镉8.64 钾0.86 钡 3.5 钠0.97 铍 1.85 钙 1.55 铋9.84 硼 2.34 铱22.4 硅 2.33 铈 6.9 硒 4.84 钽16.6 砷 5.7。
常用金属比重表常用金属材料比重表材料名称比重材料名称比重结构钢 7.85 铝 2.77 铸铁 7.8 压力加工用铝合2.67,2.8金灰铸铁 6.8,7.2 铸造用铝合金 2.6,2.85 高级铸铁 7.0,7.6 巴氏合金7.5,10.5 可锻铸铁 7.2,7.4 紫铜 8.89 硬质合金(钛钨) 9.5,12.2 压力加工用黄铜 8.4,8.85 硬质合金(钨合金) 13.9,铸造用黄铜 8.62214.9铸造用无锡青铜 7.5,8.6 铅 11.34 压力加工锡青铜 8.65,8.9 银 10.5 镍8.9 金 19.361 锰 7.44 铂 21.45 镁 1.74 锌(铸造的) 6.872 锡 7.3Subsequently, the Anhui Army military Special Branch, in Shanghai's Central Intelligence Organization and the Communist party organizationin Western Zhejiang Province, sent party backbone, respectively, went to Wu Jiangyan opened the Tomb, Tomb of heroic people, under the leadership of the Communist Party, fear no sacrifice and persevering, goal of the anti-Japanese revolutionary struggle. (A) stationed in Taoyuan area (Tomb of) 1, the new army of the Communist Party of China underground organization in September 1938, the CPC Zhuang Shaozhen (Zhuang Zhen, Nanxun people) by the Deputy Director of the political Department of the army on Deng Zihui's dispatch, operating from Jing County, Anhui Province, the Lake reached the Tomb, its tasks are: looking for reliable object, introduce them to the new, to expand the new team. Zhuang Shaozhen KMT-CPC cooperation as an opportunity, after classmates Yao Bi(Nanxun people, Ren Zhuxi force staff Director), introduced into the Kuomintang government political team, and as a political leader. He used this opportunity to invite progressive youth Hong Haiquan form apolitical team, at this point, the County Government has just been established, local school, unemployed youth are more quickly absorbed sheng, zhenze, Miaogang, Nanxun, huzhou, more than 20 more thanrequired-Japanese youth. In order to raise the level of political players and the ability to work, Zhuang Shaozhen Xu Temple, is for the establishment of "youth ... Political activities will soon attract the attention of the Kuomintang. Is early Zhuang Shaozhen indicating Hong Haiquan to scoop the first elementary school, teacher's identity as a cover, carry out the party's work. However, County Director of education comes into action. To常用金属材料密度表,包括黑色、有色金属材料及其合金材料的密度。
常用金属材料比重表普通碳素钢7.85 80、85、90黄铜8.7优质碳素钢7.85 96黄铜8.8碳素工具钢7.85 59-1、63-3铅黄铜8.5易切钢7.85 74-3铅黄铜8.7锰钢7.81 90-1锡黄铜8.815CrA铬钢7.74 70-1锡黄铜8.5420Cr、30Cr、40Cr铬钢7.82 60-1和62-1锡黄铜8.538CrA铬钢7.80 77-2铝黄铜8.6铬钒、铬镍、铬镍钼、铬锰、硅、铬锰硅镍、硅锰、硅铬钢7.85 67-2.5、66-6-3-2、60-1-1铝黄铜8.5 镍黄铜8.5铬镍钨钢7.80 锰黄铜8.5铬钼铝钢7.65 硅黄铜、镍黄铜、铁黄铜8.5含钨9高速工具钢8.3 5-5-5铸锡青铜8.8含钨18高速工具钢8.7 3-12-5铸锡青铜8.69高强度合金钢7.82 6-6-3铸锡青铜8.82轴承钢7.81 7-0.2、6.5-0.4、6.5-0.1、4-3锡青铜8.8不锈钢0Cr13、1Cr13、2Cr13、3Cr13、4Cr13、Cr17Ni2、Cr18、9Cr18、Cr25、Cr28 7.75 4-0.3、4-4-4锡青铜8.9 Cr14、Cr17 7.7 4-4-2.5锡青铜8.750Cr18Ni9、1Cr18Ni9、Cr18Ni9Ti、2Cr18Ni9 7.85 5铝青铜8.21Cr18Ni11Si4A1Ti 7.52 锻铝LD8 2.777铝青铜7.8 LD7、LD9、LD10 2.819-2铝青铜7.6 超硬铝2.859-4、10-3-1.5铝青铜7.5 LT1特殊铝2.7510-4-4铝青铜7.46 工业纯镁1.74铍青铜8.3 变形镁MB1 1.763-1硅青铜8.47 MB2、MB8 1.781-3硅青铜8.6 MB3 1.791铍青铜8.8 MB5、MB6、MB7、MB15 1.80.5镉青铜8.9 铸镁1.80.5铬青铜8.9 工业纯钛(TA1、TA2、TA3)4.51.5锰青铜8.8 钛合金TA4、TA5、TC6 4.455锰青铜8.6 TA6 4.4白铜B5、B19、B30、BMn40-1.5 8.9 TA7、TC5 4.46 BMn3-12 8.4 TA8 4.56BZN15-20 8.6 TB1、TB2 4.89BA16-1.5 8.7 TC1、TC2 4.55BA113-3 8.5 TC3、TC4 4.43纯铝2.7 TC7 4.4防锈铝LF2、LF43 2.68 TC8 4.48LF3 2.67 TC9 4.52LF5、LF10、LF11 2.65 TC10 4.53LF6 2.64 纯镍、阳极镍、电真空镍8.85LF21 2.73 镍铜、镍镁、镍硅合金8.85硬铝LY1、LY2、LY4、LY6 2.76 镍铬合金8.72 LY3 2.73 锌锭(Zn0.1、Zn1、Zn2、Zn3)7.15 LY7、LY8、LY10、LY11、LY14 2.8 铸锌6.86LY9、LY12 2.78 4-1铸造锌铝合金6.9LY16、LY17 2.84 4-0.5铸造锌铝合金6.75锻铝LD2、LD30 2.7 铅和铅锑合金11.37LD4 2.65 铅阳极板11.33LD5 2.75。
常用金属材料容重表名称容重(公斤/米3)名称容重(公斤/米3)铝钢铸铁青铜黄铜紫铜镍2670785072208800860089208900锡汞(水银)铅锌锰铬银7310136001133771407200710010500常用工业材料比重表材料名称比重(克/厘米3)材料名称比重(克/厘米3)灰口铸铁白口铸铁可锻铸铁工业纯铁钢材铸钢低碳钢(含碳0.1%) 中碳钢(含碳0.4%) 高碳钢(含碳1%)高速钢(含钨9%)高速钢(含钨18%)不锈钢(含铬13%)62-1锡黄铜60-1锡黄铜77-2铝黄铜60-1-1铝黄铜58-2锰黄铜59-1-1铁黄铜80-3硅黄铜4-3锡青铜4-4-2.5锡青铜4-4-4锡青铜6.5~0.1锡青铜4~0.3锡青铜五号防锈铝廿一号防锈铝一号硬铝三号硬铝十一号硬铝十二号硬铝十四号硬铝6.6~7.47.4~7.77.2~7.47.877.857.87.857.827.818.38.77.758.458.458.68.28.58.58.68.88.798.98.88.92.652.732.752.732.842.82.8铜材(紫铜材)96黄铜90黄铜85黄铜80黄铜68黄铜62黄铜74-3铅黄铜63-3铅黄铜59-1铅黄铜90-1锡黄铜70-1黄铜锡3-12-5铸锡青铜5-5-5铸锡青铜6-6-3铸锡青铜5铝青铜7铝青铜9-2铝青铜9-4铝青铜10-3-1.5铝青铜2铍青铜3-1硅青铜铝板二号防锈铝二号锻铝四号超硬铝五号铸造铝合金六号铸造铝合金七号铸造铝合金十三号铸造铝合金十五号铸造铝合金8.9~9.08.858.808.758.658.608.508.708.58.58.88.548.698.88.828.27.87.637.67.58.238.472.732.672.82.82.552.602.652.672.95二号锻铝四号锻铝五号锻铝八号锻铝九号锻铝4-1铸锌铝合金锡铅板工业镍15-20锌白铜43-0.5锰白铜40-1.5锰白铜28-2.5-1.5镍铜合金9镍铬合金锡基轴承合金铅基轴承合金钨铌锇锑镉钡铍铋铱铈钽碲钍马尾松云南松红皮云杉兴安落叶松长白落叶松四川红杉臭冷杉铁杉杉木柏木水曲柳(柃木)大叶榆(榆木)熟石灰水泥普通粘土砖2.692.652.752.82.86.97.3~7.511.378.98.68.898.908.88.727.34~7.759.33~10.6719.38.5722.56.628.643.51.859.8422.46.916.66.2411.50.5330.5880.4170.6250.5940.4580.3840.5000.3760.5880.6860.5481.21.21.7工业镁锌板铸锌10-5锌铝合金4-3铸锌铝合金钴钛3钨钴合金6钨钴合金8钨钴合金5钨钴钛合金15钨钴钛合金汞锰铬钒钼银金铂钾钠钙硼硅硒砷华山松红松桦木山杨楠木柞栎(柞木)软木胶合板刨花板竹材木炭石墨石膏生石灰砂岩石英天然浮石1.747.26.866.36.758.94.5114.9~15.314.6~15.014.4~14.812.3~13.211.0~11.713.67.437.196.1110.2010.519.321.40.860.971.552.342.334.845.70.4370.4400.6150.4860.610.7660.1~0.40.560.400.900.3~0.51.9~2.12.3~2.41.12.2~2.52.5~2.80.4~0.9粘土耐火砖硅质耐火砖镁质耐火砖镁铬质耐火砖高铬质耐火砖大理石花岗石石灰石石板石石蜡纤维蛇纹石石棉角内石石棉纯橡胶平胶板皮革纤维纸板平板玻璃实验室用器皿玻璃耐高温玻璃石英玻璃2.101.8~1.92.62.82.2~2.52.6~2.72.6~3.02.6~2.82.7~2.90.902.2~2.43.2~3.30.931.6~1.80.4~1.21.32.52.452.232.2滑石金刚石金刚砂普通刚玉白刚玉碳化硅云母地蜡地沥青碳化钙(电石)电木(胶木)电玉聚氯乙烯聚苯乙烯聚乙烯赛璐珞有机玻璃泡沫塑料硬聚氯乙烯板陶瓷2.6~2.83.5~3.64.03.85~3.903.903.102.7~3.10.960.9~1.52.221.3~1.41.45~1.551.35~1.400.910.92~0.951.35~1.41.180.201.35~1.2.3~2.45。
常用金属材料比重表普通碳素钢7.85 80、85、90黄铜8.7优质碳素钢7.85 96黄铜8.8碳素工具钢7.85 59-1、63-3铅黄铜8.5易切钢7.85 74-3铅黄铜8.7锰钢7.81 90-1锡黄铜8.815CrA铬钢7.74 70-1锡黄铜8.5420Cr、30Cr、40Cr铬钢7.82 60-1和62-1锡黄铜8.538CrA铬钢7.80 77-2铝黄铜8.6铬钒、铬镍、铬镍钼、铬锰、硅、铬锰硅镍、硅锰、硅铬钢7.85 67-2.5、66-6-3-2、60-1-1铝黄铜8.5 镍黄铜8.5铬镍钨钢7.80 锰黄铜8.5铬钼铝钢7.65 硅黄铜、镍黄铜、铁黄铜8.5含钨9高速工具钢8.3 5-5-5铸锡青铜8.8含钨18高速工具钢8.7 3-12-5铸锡青铜8.69高强度合金钢7.82 6-6-3铸锡青铜8.82轴承钢7.81 7-0.2、6.5-0.4、6.5-0.1、4-3锡青铜8.8不锈钢0Cr13、1Cr13、2Cr13、3Cr13、4Cr13、Cr17Ni2、Cr18、9Cr18、Cr25、Cr28 7.75 4-0.3、4-4-4锡青铜8.9 Cr14、Cr17 7.7 4-4-2.5锡青铜8.750Cr18Ni9、1Cr18Ni9、Cr18Ni9Ti、2Cr18Ni9 7.85 5铝青铜8.21Cr18Ni11Si4A1Ti 7.52 锻铝LD8 2.777铝青铜7.8 LD7、LD9、LD10 2.819-2铝青铜7.6 超硬铝2.859-4、10-3-1.5铝青铜7.5 LT1特殊铝2.7510-4-4铝青铜7.46 工业纯镁1.74铍青铜8.3 变形镁MB1 1.763-1硅青铜8.47 MB2、MB8 1.781-3硅青铜8.6 MB3 1.791铍青铜8.8 MB5、MB6、MB7、MB15 1.80.5镉青铜8.9 铸镁1.80.5铬青铜8.9 工业纯钛(TA1、TA2、TA3)4.51.5锰青铜8.8 钛合金TA4、TA5、TC6 4.455锰青铜8.6 TA6 4.4白铜B5、B19、B30、BMn40-1.5 8.9 TA7、TC5 4.46 BMn3-12 8.4 TA8 4.56BZN15-20 8.6 TB1、TB2 4.89BA16-1.5 8.7 TC1、TC2 4.55BA113-3 8.5 TC3、TC4 4.43纯铝2.7 TC7 4.4防锈铝LF2、LF43 2.68 TC8 4.48LF3 2.67 TC9 4.52LF5、LF10、LF11 2.65 TC10 4.53LF6 2.64 纯镍、阳极镍、电真空镍8.85LF21 2.73 镍铜、镍镁、镍硅合金8.85硬铝LY1、LY2、LY4、LY6 2.76 镍铬合金8.72 LY3 2.73 锌锭(Zn0.1、Zn1、Zn2、Zn3)7.15 LY7、LY8、LY10、LY11、LY14 2.8 铸锌6.86 LY9、LY12 2.78 4-1铸造锌铝合金6.9LY16、LY17 2.84 4-0.5铸造锌铝合金6.75锻铝LD2、LD30 2.7 铅和铅锑合金11.37LD4 2.65 铅阳极板11.33LD5 2.75重量单位及其换算公制重量单位表(1)单位名称旧名称代号对主单位的比毫克厘克分克克十克百克公斤公担吨公丝公毫公厘公分公钱公两公斤,千克公担公吨mgcgdggdaghgkgqt0.000001公斤0.00001公斤0.0001公斤0.001公斤0.01公斤0.1公斤主单位100公斤1000公斤常用英美制重量单位表(2)1英吨(长吨,ton)=2240磅 1美吨(短吨,sh.ton)=2000磅1磅(1b)=16盎司(oz)常用重量单位换算表(3)压力单位换算表(4)公斤/厘米2 大气压水银柱高度(毫米)水柱高度(米)毫巴磅/寸2英寸水柱公斤/厘米2大气压水银柱高度(毫米)水柱高度(米)毫巴磅/寸2英寸水柱11.03330.001360.100.001020.07030.002540.967810.001310.09680.0009870.06800.00246735.56760.00173.5560.7686351.7151.8710.0010.33330.013610.01020.7030.0254981.001013.251.333298.10168.952.4914.22314.6960.01931.42230.0145110.0361395.00407.50.53539.400.40227.721常用长度单位换算表(5)米厘米毫米市尺英尺英寸米 1 100 1000 3 3.28084 39.3701厘米0.01 1 10 0.03 0.03281 0.3937毫米0.001 0.1 1 0.003 0.003281 0.03937市尺0.33333 33.333 333.33 1 1.0936 13.1234英尺0.3048 30.48 304.8 0.9144 1 12英寸0.0254 2.54 25.4 0.0762 0.08333 1英寸与毫米对照表(6)寸毫米寸毫米寸毫米寸毫米寸毫米寸毫米1/16 1/8 3/16 1/4 5/16 3/8 7/16 1/2 1.5883.1754.7636.3507.9389.52511.11312.7009/165/811/163/413/167/815/16114.2915.8817.4619.0520.6422.2323.8125.417/169/819/165/421/1611/823/163/226.9928.5830.1631.7533.3434.9336.5138.1025/1613/827/167/429/1615/831/16239.6941.2842.8644.4546.0447.6349.2150.8017/89/419/85/221/811/423/8353.9857.1560.3363.566.6869.8573.0376.225/813/427/87/229/815/431/8479.3882.5585.7388.992.0895.2598.43101.6常用容量单位换算表(7)升(市升)立方英寸英加仑美加仑(液量)美加仑(干量)升(市升) 1 61.0237 0.2200 0.2642 0.2270立方英寸0.0164 1 0.0036 0.0043 0.0037英加仑 4.5460 277.274 1 1.2009 1.0321美加仑(液量) 3.7853 231 0.8327 1 0.8594美加仑(干量) 4.4048 268.803 0.9689 101636 1二、常用化学元素符号表(8)元素名称符号元素名称符号元素名称符号铬镍硅锰铝CrNiSiMnAl铌钽氢碳氧NbTaHCO铝铋锕铈铍PbBiAcCeBe磷钨钼钒钛铜铁硼钴氮PWMoVTCuFeBCoN钠镁硫氯钾锌银锡锑金NaMgSClKZnAgSnSbAu铯锆镧钡汞钙碘溴氟烯土SeZrLaBaHgCaIBrFRe三、常用金属材料容重表(9)名称容重(公斤/米3)名称容重(公斤/米3)铝钢铸铁青铜黄铜紫铜镍2670785072208800860089208900锡汞(水银)铅锌锰铬银7310136001133771407200710010500四、常用工业材料比重表(10)材料名称比重(克/厘米 3 )材料名称比重(克/厘米3 )灰口铸铁白口铸铁6.6~7.47.4~7.7铜材(紫铜材)96黄铜8.9~9.08.85可锻铸铁工业纯铁钢材铸钢低碳钢(含碳0.1%) 中碳钢(含碳0.4%) 高碳钢(含碳1%)高速钢(含钨9%)高速钢(含钨18%)不锈钢(含铬13%)62-1锡黄铜60-1锡黄铜77-2铝黄铜60-1-1铝黄铜58-2锰黄铜59-1-1铁黄铜80-3硅黄铜4-3锡青铜4-4-2.5锡青铜4-4-4锡青铜6.5~0.1锡青铜4~0.3锡青铜7.2~7.47.877.857.87.857.827.818.38.77.758.458.458.68.28.58.58.68.88.798.98.88.990黄铜85黄铜80黄铜68黄铜62黄铜74-3铅黄铜63-3铅黄铜59-1铅黄铜90-1锡黄铜70-1黄铜锡3-12-5铸锡青铜5-5-5铸锡青铜6-6-3铸锡青铜5铝青铜7铝青铜9-2铝青铜9-4铝青铜10-3-1.5铝青铜2铍青铜3-1硅青铜铝板二号防锈铝8.808.758.658.608.508.708.58.58.88.548.698.88.828.27.87.637.67.58.238.472.732.67五号防锈铝廿一号防锈铝一号硬铝三号硬铝十一号硬铝十二号硬铝十四号硬铝二号锻铝四号锻铝五号锻铝八号锻铝九号锻铝4-1铸锌铝合金锡铅板工业镍15-20锌白铜43-0.5锰白铜40-1.5锰白铜28-2.5-1.5镍铜合金9镍铬合金锡基轴承合金2.652.732.752.732.842.82.82.692.652.752.82.86.97.3~7.511.378.98.68.898.908.88.727.34~7.75二号锻铝四号超硬铝五号铸造铝合金六号铸造铝合金七号铸造铝合金十三号铸造铝合金十五号铸造铝合金工业镁锌板铸锌10-5锌铝合金4-3铸锌铝合金钴钛3钨钴合金6钨钴合金8钨钴合金5钨钴钛合金15钨钴钛合金汞锰铬2.82.82.552.602.652.672.951.747.26.866.36.758.94.5114.9~15.314.6~15.014.4~14.812.3~13.211.0~11.713.67.437.19铅基轴承合金钨铌锇锑镉钡铍铋铱铈钽碲钍马尾松云南松红皮云杉兴安落叶松长白落叶松四川红杉臭冷杉铁杉9.33~10.6719.38.5722.56.628.643.51.859.8422.46.916.66.2411.50.5330.5880.4170.6250.5940.4580.3840.500钒钼银金铂钾钠钙硼硅硒砷华山松红松桦木山杨楠木柞栎(柞木)软木胶合板刨花板竹材6.1110.2010.519.321.40.860.971.552.342.334.845.70.4370.4400.6150.4860.610.7660.1~0.40.560.400.90杉木柏木水曲柳(柃木)大叶榆(榆木)熟石灰水泥普通粘土砖粘土耐火砖硅质耐火砖镁质耐火砖镁铬质耐火砖高铬质耐火砖大理石花岗石石灰石石板石石蜡纤维蛇纹石石棉角内石石棉纯橡胶平胶板皮革0.3760.5880.6860.5481.21.21.72.101.8~1.92.62.82.2~2.52.6~2.72.6~3.02.6~2.82.7~2.90.902.2~2.43.2~3.30.931.6~1.80.4~1.2木炭石墨石膏生石灰砂岩石英天然浮石滑石金刚石金刚砂普通刚玉白刚玉碳化硅云母地蜡地沥青碳化钙(电石)电木(胶木)电玉聚氯乙烯聚苯乙烯聚乙烯0.3~0.51.9~2.12.3~2.41.12.2~2.52.5~2.80.4~0.92.6~2.83.5~3.64.03.85~3.903.903.102.7~3.10.960.9~1.52.221.3~1.41.45~1.551.35~1.400.910.92~0.95纤维纸板平板玻璃实验室用器皿玻璃耐高温玻璃石英玻璃陶瓷1.32.52.452.232.22.3~2.45赛璐珞有机玻璃泡沫塑料硬聚氯乙烯板1.35~1.41.180.201.35~1.60不锈钢比重:●铬不锈钢取7.75吨/M3●铬镍不锈钢取7.93吨/M3●铁取7.87吨/M3不锈钢板理论重量计算公式钢品理论重量重量(kg)=厚度(mm)×宽度(mm)×长度(mm)×密度值密度钢种7.93 201,202,301,302,304,304L,305,3217.75 405,410,4207.98 309S,310S,316S, 316L,347不锈钢元棒,钢丝,理论计算公式★直径×直径×0.00609=kg/m(适用于410 420420j2 430 431)例如:¢50 50×50×0.00609=15.23Kg/米★直径×直径×0.00623=kg/m(适用于301 303 304 316 316L 321)例如:¢50 50×50×0.00623=15.575Kg/米不锈钢型材,理论计算公式◆六角棒对边×对边×0.0069=Kg/米◆方棒边宽×边宽×0.00793=Kg/米不锈钢管,理论计算公式○(外径-壁厚)×壁厚×0.02491=Kg/米例如¢57×3.5 (57-3.5)×3.5×0.02491=4.66Kg/米不锈钢管重量计算公式管子(外径–壁厚)X壁厚X0.02491=每米重量圆钢外径X外径X0.00623=每米重量管子压力=壁厚※外径X416=兆帕X9.8=公斤用30%¤65管坯¤68X4.8 (60以下)¤75管坯¤78X5.5(60——89X3)¤90管坯¤94X6.5(79——108X3)¤100管坯¤105X7(89——133)¤120管坯¤125X10-9(159——219X5)¤130管坯¤140X14-13(219——273X8)方管的计算公式是:0.0246615*(边长*4÷3.14 - 厚度)*厚度。