风管施工技术规范-橡塑保温材料
- 格式:pdf
- 大小:3.18 MB
- 文档页数:14
风管保温工程施工技术要求1风管的保温1)施工工艺流程图1. 2. 29风管保温工艺流程图2)施工方法(1)材料:采用铝箔离心玻璃棉板。
(2)保温钉的粘结:保温钉粘结前将风管表面污物清理干净,保温钉粘上12-24小时后再铺设保温材料。
(3)风管保温棉安装:保温棉下料准确,切割面平齐,端面与水平面垂直,无拉伤或散乱现象。
保温棉接头处用保温胶带粘结,在进行了保温周长的计算后将胶带一次性截取,避免出现多个接头,胶带搭接重叠宽度为20mm,胶带与风管粘结严密、平实。
2":图1. 2. 30保温棉铺设示意图施工要点:保温棉铺设以大边包小边,如需拼缝,则设于顶面,并保证纵横缝错开铺设。
厂朦保温棉//—|_50X50言;.一E (浸1沥者)i 板图1.2.31风管过楼板保温示意法兰接头保温:首先进行风管的大面积保温,其次进行法兰接头的保温,铺设方法详见下图。
图1. 2. 32 法兰保温示意图保温棉施工要点:保温严密,不规则的小间隙用边角余料填满。
2水管的保温空调冷热水管采用橡塑保温。
1)一般说明(1)保温、保冷材料要符合设计要求,有产品合格证。
严禁受潮。
(2)设备、管道按规定进行了强度试验或气密性试验,且试验合格。
特殊情况下,如工期、环境、气候等原因必须提前进行保温施工,所有焊缝两侧要留出一块保温预制块的距离或至少250mm的长度,端面做防水处理。
(3)进行保温、保冷施工前需完成:按设计要求设置的绝热用固定件、支撑环、支吊架、紧固螺栓等准备齐全;设备、管道的支座、吊耳、爬梯、平台以及支架、接管、仪表测试管等附件均安装完毕。
清除设备、管道表面的污物,按规定涂刷完防腐油漆。
雨天室外施工,准备良好的防雨措施。
保温层的表面平整、圆滑、干燥。
2)保温保冷层的施工(1)按技术规范选择保温棉的厚度。
(2)管壳安装时要错缝,水平管道上管壳的纵向接缝在侧面,垂直管道上必须自下而上的进行施工。
(3)立式设备和垂直管道应设置支撑环,环间距3m,环下留25mm的间隙,用松散的、导热系数相近的软质保温材料。
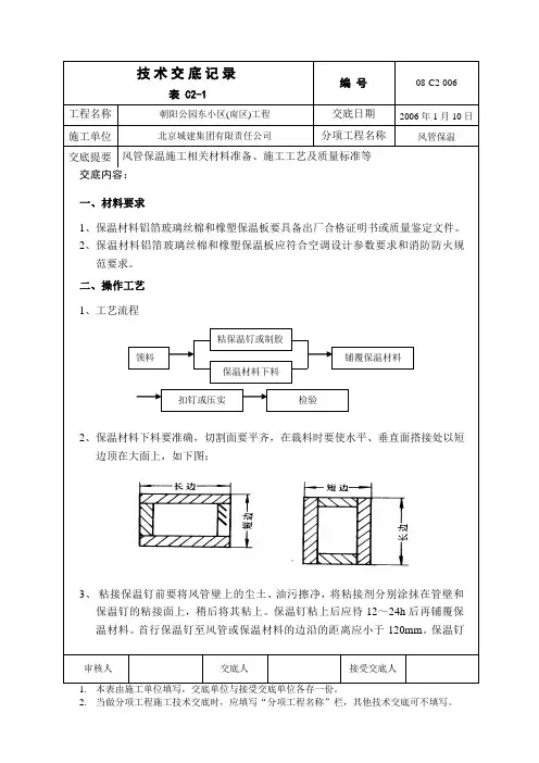
审核人 交底人 接受交底人表 C2-1编 号 08-C2-006 工程名称 朝阳公园东小区(南区)工程 交底日期 2006年1月10日施工单位 北京城建集团有限责任公司分项工程名称风管保温交底提要 风管保温施工相关材料准备、施工工艺及质量标准等交底内容: 一、材料要求1、保温材料铝箔玻璃丝棉和橡塑保温板要具备出厂合格证明书或质量鉴定文件。
2、保温材料铝箔玻璃丝棉和橡塑保温板应符合空调设计参数要求和消防防火规范要求。
二、操作工艺 1、工艺流程2、保温材料下料要准确,切割面要平齐,在裁料时要使水平、垂直面搭接处以短边顶在大面上,如下图:3、 粘接保温钉前要将风管壁上的尘土、油污擦净,将粘接剂分别涂抹在管壁和保温钉的粘接面上,稍后将其粘上。
保温钉粘上后应待12~24h 后再铺覆保温材料。
首行保温钉至风管或保温材料的边沿的距离应小于120mm 。
保温钉领料粘保温钉或制胶保温材料下料铺覆保温材料扣钉或压实检验编号08-C2-006表 C2-1工程名称朝阳公园东小区(南区)工程交底日期2006年1月10日施工单位北京城建集团有限责任公司分项工程名称风管保温交底提要风管保温施工相关材料准备、施工工艺及质量标准等交底内容:粘接密度见下表:保温钉隔热材料侧面、下面在风管上面玻璃棉保温层16只/㎡8只/㎡4、保温材料铺覆应使纵、横缝错开保温材料5、小块保温材料尽量铺覆在水平面上。
保温材料每块之间的搭头采取下图做法。
下压50mm三、质量标准1、保温材料的材质、规格及防火性能必须符合设计和防火要求。
电加热器及其前后800mm范围内的风管保温层和穿越放火隔墙两侧2m范围内风管保温层用非燃烧材料。
要查验材料合格证明或做燃烧试验。
检验方法:观察检查和检查材料合格证或做燃烧试验。
审核人交底人接受交底人编号08-C2-006表 C2-1工程名称朝阳公园东小区(南区)工程交底日期2006年1月10日施工单位北京城建集团有限责任公司分项工程名称风管保温交底提要风管保温施工相关材料准备、施工工艺及质量标准等交底内容:2、风管与空调设备的接头处以及产生凝结水的部位,必须保温良好、严密、无缝隙。
一、施工工艺(一)施工作业条件:管道及设备试压、管道及设备防腐工程施工验收合格后方可施工保温层。
(二)施工工艺流程管壳剖割→管道涂刷胶水→安装管壳→接合贴接→外观检查验收(三)施工作业要点1、安装工具1.1 1″-2″的毛刷:毛刷不应太大,刷毛应剪断,使刷毛便硬,以保证上胶均匀。
1.2 圆规、卡钳、卡钢尺、刀片。
1.3 长刀、介刀、锯刀、磨刀石、刀片。
1.4 盛胶水的小罐或小桶。
2、胶水的使用2.1使用胶水之前摇动容器,使胶水均匀,在实际安装中,用小罐胶水以防止其挥发得太快,如有必要,可将大罐得倒入小罐中使用,不用时将罐口密封。
2.2不涂胶水时,刷子不要浸泡在胶水中2.3在需要粘接的材料表面涂刷胶水时应该保证薄而均匀,待胶水干化到以手触摸不粘手为最好粘结效果。
胶水自然干化时间为3-8分钟,时间的长短取决于施工环境的温度和相对湿度。
2.4如果胶水已干透,要重新上胶再粘接。
如果干胶超过两次,必须把老胶水清除,再可上胶粘结。
2.5胶水的用量:每升胶水可安装3-4平方米板材或15-18米管材。
2.6胶水的使用范围为:5‴-70‴。
3、直管的安装取一段合适长度的管材包在管道上,在开口管材的开口处涂上胶水、待胶水干化后,先粘接开口管材的两端,再粘合管材的中点,之后又由两段向中间粘合,直至全部封合。
如下图所示:4、变径管的安装a 小变径管选择与变径管最大直径一致的管材,并切取所需长度;测量,并在管材上做标记以保证管材修剪后小端管径与变径管最小直径一致;以管的开缝为始端沿着所做标记切出四块同样尺寸的楔型用胶水将切口粘合,只保留开口缝;待切口粘牢后,将管材套在变径管上,用胶水粘和接口,并与管道粘接。
如下图所示:b 大变径管量出变径管两头的管径并加上两倍板材厚度,得到最大、最小直径及渐缩部分的高度。
将量得的尺寸标在板材上,按如图所示方法作图。
用相同厚度的RPEFLEX 细条量出大管径端的周长,沿A ′、B ′、C ′、D′切割;安装到变径管,用胶水粘和切面,并与两端直管粘牢。
一、施工工艺(一)施工作业条件:管道及设备试压、管道及设备防腐工程施工验收合格后方可施工保温层。
(二)施工工艺流程管壳剖割→管道涂刷胶水→安装管壳→接合贴接→外观检查验收(三)施工作业要点1、安装工具1.1 1″-2″的毛刷:毛刷不应太大,刷毛应剪断,使刷毛便硬,以保证上胶均匀。
1.2 圆规、卡钳、卡钢尺、刀片。
1.3 长刀、介刀、锯刀、磨刀石、刀片。
1.4 盛胶水的小罐或小桶。
2、胶水的使用2.1使用胶水之前摇动容器,使胶水均匀,在实际安装中,用小罐胶水以防止其挥发得太快,如有必要,可将大罐得倒入小罐中使用,不用时将罐口密封。
2.2不涂胶水时,刷子不要浸泡在胶水中2.3在需要粘接的材料表面涂刷胶水时应该保证薄而均匀,待胶水干化到以手触摸不粘手为最好粘结效果。
胶水自然干化时间为3-8分钟,时间的长短取决于施工环境的温度和相对湿度。
2.4如果胶水已干透,要重新上胶再粘接。
如果干胶超过两次,必须把老胶水清除,再可上胶粘结。
2.5胶水的用量:每升胶水可安装3-4平方米板材或15-18米管材。
2.6胶水的使用范围为:5℃-70℃。
3、直管的安装取一段合适长度的管材包在管道上,在开口管材的开口处涂上胶水、待胶水干化后,先粘接开口管材的两端,再粘合管材的中点,之后又由两段向中间粘合,直至全部封合。
如下图所示:4、变径管的安装a)小变径管选择与变径管最大直径一致的管材,并切取所需长度;测量,并在管材上做标记以保证管材修剪后小端管径与变径管最小直径一致;以管的开缝为始端沿着所做标记切出四块同样尺寸的楔型用胶水将切口粘合,只保留开口缝;待切口粘牢后,将管材套在变径管上,用胶水粘和接口,并与管道粘接。
如下图所示:b)大变径管量出变径管两头的管径并加上两倍板材厚度,得到最大、最小直径及渐缩部分的高度。
将量得的尺寸标在板材上,按如图所示方法作图。
用相同厚度的RPEFLEX细条量出大管径端的周长,沿A′、B′、C′、D′切割;安装到变径管,用胶水粘和切面,并与两端直管粘牢。
通风空调管道保温的几种方法和规范做法通风空调管道及各种水管的保温材料主要有:聚氨酯泡沫塑料保温、高级橡塑保温、酚醛泡沫塑料保温等。
现对以上材料的特性、适用范围、施工要点等作一介绍,以供各位借鉴。
1、聚氨酯泡沫塑料保温该材料用于直埋管段的保温。
在工程中的直埋保温防腐管道,简称管中管,是指在钢管外壁涂覆防腐层、保温层与抗压层的复合管材。
它具有热损失小,抗压性能强,防腐防水性能好等特点,特别适合地下水位高的地区。
它与传统的地沟敷设管道相比,具有保温性能好、防腐、绝缘性能好、使用寿命长、施工安装简便、占地面积小、工程造价低等一系列优点,已经广泛用于集中供热、输油、化工、制冷及高寒地区供水等工程,本文不做详细介绍。
2、高级橡塑保温该材料是一种较为理想的绝热材料,其保温材料绝热效果好,对相同管道所使用的保温厚度薄、用量少;同时是整体成型保温材料,工艺较为简单、进度快;此外高级橡塑属于绿色、环保、清洁型保温材料,施工中的废弃物较少,对健康无害。
该材料以突出的优点被越来越广泛地应用在空调制冷系统的载冷剂管道、冷凝水管道的保温上。
2.1材料性能高级橡塑属于天然无机类整体成型保温材料,采用丁晴橡胶(NBR)和聚氯乙烯(PVC),经过工艺发泡而成。
适用于介质温度为零下5O℃~l20℃,其闭孔式结构具有较为优良的绝热性能和较低的防潮吸水率。
高级橡塑保温材料主要有以下优点:绝热效果好,防结露效果显著,宜作为保温管道的最外层;阻燃防烟、安全可靠;外观匀整、高档美观;安装方便、施工快捷。
2.2 适用范围该材料主要应用于民用建筑的中央空调及家用空调制冷系统的制冷剂和载冷剂管道保温;冷凝水管道保温;汽车空调管道保温;热水管道温;各类工业大口径管道保温以及船舶、航空、城市热网等的隔热、隔冷系统等。
2.3施工工序管道在保温之前要进行水管压力试验,在水压试验合格后进行试压与保温工作的工序交接,以防止将未进行试压的水管保温,避免工作的冲突。
橡塑保温版本 2.0页码 2 of 10发行日期2015.07.25 生效日期2015.07.24 复审日期1编制目的1.1指导管道橡塑保温的施工作业2适用范围2.1适用于水管及风管需要进行橡塑保温的系统3引用的标准及编制依据3.1GB50738-2011《通风与空调工程施工规范》3.2GB50243-2002《通风与空调工程施工质量验收规范》3.3GB50126-2008《工业设备及管道绝热工程施工规范》3.4GB50185-2010《工业设备及管道绝热工程施工质量验收规范》3.508K507-1,08R418-1《管道与设备绝热-保温》图集3.608K507-2,08R418-2 《管道与设备绝热-保冷》图集4施工准备4.1作业条件环境整洁,不起灰,作业环境温度不低于5℃。
地面铺设垫板和塑料膜,不得直接在地面上切割保温材料。
风管保温工作需在系统严密性检验合格后(漏光及漏风试验合格后)进行。
水管保温工作需要在系统压力试验合格后进行。
4.2技术准备根据图纸和规范要求确定保温材料的种类、规格。
4.3主要机具1寸~2寸的毛刷:毛刷不应太大,刷毛应剪断,使刷毛偏硬,以保证上胶均匀。
圆规、卡钳、卡钢尺、刀片、长刀、介刀、锯刀、磨刀石。
保温材料切割工作台橡塑保温版本 2.0页码 3 of 10 发行日期2015.07.25生效日期2015.07.24复审日期5工艺流程6操作流程及技术要求 6.1 胶水的准备和使用使用胶水之前摇动容器,使胶水均匀,在实际安装中,用小罐胶水以防止其挥发得太快,如有必要,可将大罐的倒入小罐中使用,不用时将罐口密封。
不涂胶水时,刷子不要浸泡在胶水中。
在需要粘接的材料表面涂刷胶水时应该保证薄而均匀,待胶水干化到以手接触不沾手为最好粘接效果。
胶水自然干化时间为3至8分钟,时间的长短取决于施工环境的温度和相对湿度。
如果胶水已干透,要重新上胶再粘接。
如果干胶超过两次,必须把老胶水清除,再可上胶粘接。
通风空调管道保温的几种方法和规范做法通风空调管道及各种水管的保温材料主要有:聚氨酯泡沫塑料保温、高级橡塑保温、酚醛泡沫塑料保温等。
现对以上材料的特性、适用范围、施工要点等作一介绍,以供各位借鉴。
1、聚氨酯泡沫塑料保温该材料用于直埋管段的保温。
在工程中的直埋保温防腐管道,简称管中管,是指在钢管外壁涂覆防腐层、保温层与抗压层的复合管材。
它具有热损失小,抗压性能强,防腐防水性能好等特点,特别适合地下水位高的地区。
它与传统的地沟敷设管道相比,具有保温性能好、防腐、绝缘性能好、使用寿命长、施工安装简便、占地面积小、工程造价低等一系列优点,已经广泛用于集中供热、输油、化工、制冷及高寒地区供水等工程,本文不做详细介绍。
2、高级橡塑保温该材料是一种较为理想的绝热材料,其保温材料绝热效果好,对相同管道所使用的保温厚度薄、用量少;同时是整体成型保温材料,工艺较为简单、进度快;此外高级橡塑属于绿色、环保、清洁型保温材料,施工中的废弃物较少,对健康无害。
该材料以突出的优点被越来越广泛地应用在空调制冷系统的载冷剂管道、冷凝水管道的保温上。
2.1材料性能高级橡塑属于天然无机类整体成型保温材料,采用丁晴橡胶(NBR)和聚氯乙烯(PVC),经过工艺发泡而成。
适用于介质温度为零下5O℃~l20℃,其闭孔式结构具有较为优良的绝热性能和较低的防潮吸水率。
高级橡塑保温材料主要有以下优点:绝热效果好,防结露效果显著,宜作为保温管道的最外层;阻燃防烟、安全可靠;外观匀整、高档美观;安装方便、施工快捷。
2.2 适用范围该材料主要应用于民用建筑的中央空调及家用空调制冷系统的制冷剂和载冷剂管道保温;冷凝水管道保温;汽车空调管道保温;热水管道温;各类工业大口径管道保温以及船舶、航空、城市热网等的隔热、隔冷系统等。
2.3施工工序管道在保温之前要进行水管压力试验,在水压试验合格后进行试压与保温工作的工序交接,以防止将未进行试压的水管保温,避免工作的冲突。
橡塑保温板安装技术规定科技精准化的今日,好商品的创造离不开精细的设备和的原资料。
橡塑世界化原资料生产厂家的设备确保,铸就了*优势的商品。
导热系数是衡量保温资料隔热作用的紧要目标,导热系数越低,隔热功能就越好。
平均温度为0℃时,本资料导热系数为0.034w/m.k,而它的表面放热系数高,因此在一样的外界条件下,运用厚度相对薄的本商品,便能到达传统保温资料一样的保温作用。
阻燃功能好依照《修建设计防火规范》和《高层民用修建防火设计规范》需求用于管道及设备的保温资料须采纳不燃或难燃资料。
而本资料中含有很多阻燃减烟质料,焚烧时发生的烟浓度极低,并且遇火不熔化,不会滴下着火的火球,资料具有自熄来特征。
抗震功能好橡塑绝热资料具有很高的弹性,因而能zui大极限地削减冷冻水和热水管道在运用过程中的振荡和共振。
闭孔式发泡、防潮功能好橡塑保温资料具有完善的闭孔布局,一切泡孔彼此独立,互不联通的气泡构成密闭的空气层,有用进步商品的隔热功能,橡塑独立的密闭汽泡布局,能对水汽分子构成多重隔绝,即使资料表层受损,也能避开水汽渗透到资料内部,然后可以坚持商品隔热作用长时间平稳。
在一样条件下,水的导热系数比空气的导热系数高24倍,而非闭孔布局的资料一旦表皮受损,水汽即可进入资料内部,致使资料更新损失保温作用。
柔韧功能好因本商品富柔韧性,装置简便便利。
管道装置:可套上后一同装置,也可将本管资料纵向切开后再用胶水粘合而成。
对阀门、三通、弯*紊乱部件,可将板材裁剪后,按不一样形状包上粘合,确保整个体系的严密性,然后确保了整个体系的保温性。
又因本资料表面有橡胶的润滑平坦,以及它本身的优良功能,不需另加隔汽层,防护层,削减了施工中的费事,也确保了外形美丽、平坦。
橡塑保温板优点:闭泡式结构,湿阻因子大:橡塑海绵为闭泡式结构,具有*的抗水汽渗透本领,湿阻因子值大于等于3000,构成“内置”的防水汽层,外界空气中的水汽很难渗透到材料之中,保冷保温层外表面不必再添加隔汽层。
铝箔橡塑保温风管施工技术摘要:风管保温是通风专业施工工序中的重要工序之一,本文通过施工中遇到的板材下料不正、切面变形,接缝结合不自然、风管部件、法兰处、横担处保温不美观等实际问题,阐述了铝箔橡塑风管保温的细部处理方法以及实际操作中应当注意的问题。
关键词:铝箔橡塑保温材料;防腐垫木;防晃固定支架;法兰;铝箔胶带1前言通风系统风管的保温是通风专业施工工序中的重要工序之一,是优质工程验收评比的重要施工项目。
带铝箔橡塑保温材料是一种近几年空调工程中保温使用的新型材料,由于这种材料比以往常用的岩棉板、玻璃纤维板等材料环保、保温效果好且板材厚度小,进而节省建筑空间,因此在空调专业系统中推广应用广泛。
但由于这种材料质地较柔软,施工人员对板材进行下料切割时很难保证其方正,很多通风工程,在进行风管保温这道工序时,做出的效果都很不理想,给通风专业验收评比优质工程留下了隐患。
许多技术管理人员在做施工技术指导时也无从下手,因为在对这种材质的有关施工方法及工艺标准的资料查询中,几乎没有明确的标准及工艺指导。
现场所具有的条件也只不过是厂家所提供的非常简单的介绍,对施工操作并无太大的指导意义,厂家在销售产品时,不会提及其负面因素,而是单纯强调其优点。
本人作为一名通风专业的技术管理人员,在指导北京移动通信综合楼工程通风与空调专业的施工中,为了达到验收鲁班奖的质量目标,对铝箔橡塑风管保温的美观在细部处理上总结了一些经验,希望对铝箔橡塑保温风管的施工有所启示或帮助。
2适用工程概况空调系统风管保温采用铝箔橡塑保温板。
3施工条件3.1风管严密性试验已合格。
3.2风管安装、风管加固、风管支吊架、固定支架已全部调整完毕:首先核对图纸,确保系统构成及走向无误,确保部件的安装位置无误,确保风管支架、吊架、固定支架的设置已合理,风管制作、加固措施已符合施工验收规范要求。
3.3土建地面、顶面、墙面已施工完毕,空间环境已干净无杂物无灰尘,其他专业已施工调整完毕。
空调通风管道保温的几种方法和规范通风空调管道及各种水管的保温材料主要有:聚氨酯泡沫塑料保温、高级橡塑保温、酚醛泡沫塑料保温等。
现对以上材料的特性、适用范围、施工要点等作一介绍,以供各位借鉴。
1、聚氨酯泡沫塑料保温该材料用于直埋管段的保温。
在工程中的直埋保温防腐管道,简称管中管,是指在钢管外壁涂覆防腐层、保温层与抗压层的复合管材。
它具有热损失小,抗压性能强,防腐防水性能好等特点,特别适合地下水位高的地区。
它与传统的地沟敷设管道相比,具有保温性能好、防腐、绝缘性能好、使用寿命长、施工安装简便、占地面积小、工程造价低等一系列优点,已经广泛用于集中供热、输油、化工、制冷及高寒地区供水等工程,本文不做详细介绍。
2、高级橡塑保温该材料是一种较为理想的绝热材料,其保温材料绝热效果好,对相同管道所使用的保温厚度薄、用量少;同时是整体成型保温材料,工艺较为简单、进度快;此外高级橡塑属于绿色、环保、清洁型保温材料,施工中的废弃物较少,对健康无害。
该材料以突出的优点被越来越广泛地应用在空调制冷系统的载冷剂管道、冷凝水管道的保温上。
2.1材料性能高级橡塑属于天然无机类整体成型保温材料,采用丁晴橡胶 (NBR)和聚氯乙烯 (PVC),经过工艺发泡而成。
适用于介质温度为零下5O℃~l20℃,其闭孔式结构具有较为优良的绝热性能和较低的防潮吸水率。
高级橡塑保温材料主要有以下优点:绝热效果好,防结露效果显著,宜作为保温管道的最外层;阻燃防烟、安全可靠;外观匀整、高档美观;安装方便、施工快捷。
2.2 适用范围该材料主要应用于民用建筑的中央空调及家用空调制冷系统的制冷剂和载冷剂管道保温;冷凝水管道保温;汽车空调管道保温;热水管道温;各类工业大口径管道保温以及船舶、航空、城市热网等的隔热、隔冷系统等。
2.3施工工序管道在保温之前要进行水管压力试验,在水压试验合格后进行试压与保温工作的工序交接,以防止将未进行试压的水管保温,避免工作的冲突。
一、施工工艺(一)施工作业条件:管道及设备试压、管道及设备防腐工程施工验收合格后方可施工保温层。
(二)施工工艺流程管壳剖割→管道涂刷胶水→安装管壳→接合贴接→外观检查验收(三)施工作业要点1、安装工具1.1 1″-2″的毛刷:毛刷不应太大,刷毛应剪断,使刷毛便硬,以保证上胶均匀。
1.2 圆规、卡钳、卡钢尺、刀片。
1.3 长刀、介刀、锯刀、磨刀石、刀片。
1.4 盛胶水的小罐或小桶。
2、胶水的使用2.1使用胶水之前摇动容器,使胶水均匀,在实际安装中,用小罐胶水以防止其挥发得太快,如有必要,可将大罐得倒入小罐中使用,不用时将罐口密封。
2.2不涂胶水时,刷子不要浸泡在胶水中2.3在需要粘接的材料表面涂刷胶水时应该保证薄而均匀,待胶水干化到以手触摸不粘手为最好粘结效果。
胶水自然干化时间为3-8分钟,时间的长短取决于施工环境的温度和相对湿度。
2.4如果胶水已干透,要重新上胶再粘接。
如果干胶超过两次,必须把老胶水清除,再可上胶粘结。
2.5胶水的用量:每升胶水可安装3-4平方米板材或15-18米管材。
2.6胶水的使用范围为:5‴-70‴。
3、直管的安装取一段合适长度的管材包在管道上,在开口管材的开口处涂上胶水、待胶水干化后,先粘接开口管材的两端,再粘合管材的中点,之后又由两段向中间粘合,直至全部封合。
如下图所示:4、变径管的安装a 小变径管选择与变径管最大直径一致的管材,并切取所需长度;测量,并在管材上做标记以保证管材修剪后小端管径与变径管最小直径一致;以管的开缝为始端沿着所做标记切出四块同样尺寸的楔型用胶水将切口粘合,只保留开口缝;待切口粘牢后,将管材套在变径管上,用胶水粘和接口,并与管道粘接。
如下图所示:b 大变径管量出变径管两头的管径并加上两倍板材厚度,得到最大、最小直径及渐缩部分的高度。
将量得的尺寸标在板材上,按如图所示方法作图。
用相同厚度的RPEFLEX 细条量出大管径端的周长,沿A ′、B ′、C ′、D′切割;安装到变径管,用胶水粘和切面,并与两端直管粘牢。
一、施工工艺(一)施工作业条件:管道及设备试压、管道及设备防腐工程施工验收合格后方可施工保温层。
(二)施工工艺流程管壳剖割→管道涂刷胶水→安装管壳→接合贴接→外观检查验收(三)施工作业要点1、安装工具1。
1 1″-2″的毛刷:毛刷不应太大,刷毛应剪断,使刷毛便硬,以保证上胶均匀。
1.2 圆规、卡钳、卡钢尺、刀片。
1。
3 长刀、介刀、锯刀、磨刀石、刀片。
1.4 盛胶水的小罐或小桶.2、胶水的使用2。
1使用胶水之前摇动容器,使胶水均匀,在实际安装中,用小罐胶水以防止其挥发得太快,如有必要,可将大罐得倒入小罐中使用,不用时将罐口密封.2.2不涂胶水时,刷子不要浸泡在胶水中2。
3在需要粘接的材料表面涂刷胶水时应该保证薄而均匀,待胶水干化到以手触摸不粘手为最好粘结效果.胶水自然干化时间为3-8分钟,时间的长短取决于施工环境的温度和相对湿度。
2.4如果胶水已干透,要重新上胶再粘接。
如果干胶超过两次,必须把老胶水清除,再可上胶粘结.2。
5胶水的用量:每升胶水可安装3—4平方米板材或15—18米管材.2.6胶水的使用范围为:5‴—70‴。
3、直管的安装取一段合适长度的管材包在管道上,在开口管材的开口处涂上胶水、待胶水干化后,先粘接开口管材的两端,再粘合管材的中点,之后又由两段向中间粘合,直至全部封合.如下图所示:4、变径管的安装a 小变径管选择与变径管最大直径一致的管材,并切取所需长度;测量,并在管材上做标记以保证管材修剪后小端管径与变径管最小直径一致;以管的开缝为始端沿着所做标记切出四块同样尺寸的楔型用胶水将切口粘合,只保留开口缝;待切口粘牢后,将管材套在变径管上,用胶水粘和接口,并与管道粘接.如下图所示:b 大变径管量出变径管两头的管径并加上两倍板材厚度,得到最大、最小直径及渐缩部分的高度。
将量得的尺寸标在板材上,按如图所示方法作图。
用相同厚度的RPEFLEX 细条量出大管径端的周长,沿A ′、B ′、C ′、D′切割;安装到变径管,用胶水粘和切面,并与两端直管粘牢.如下页图所示:5、直角弯头的安装a 原理:垂直切下一小块管材,放在管材上,记下管材的外径,并且在记号上画下它的切面,如图所示:沿A-B 线切下一个45度的管面,颠倒一个管面,使其与管面的另一部分粘和即可.b 工序:取一段合适长度的管材,按所示原理从中间切开;在两个切面上涂上胶水,粘和成90度弯头;将弯头套在管道上;从两端向中间粘和管材的开口缝,直至封合.如下页图所示6、大径管道的安装a 原理:在管材上切下一小段,用来做管材的直径标准。
目录第一章工程及专业概况ﻩ错误!未定义书签。
1。
1工程概况.......................................... 错误!未定义书签。
1。
2专业概况......................................... 错误!未定义书签。
第二章编制依据的标准及规范ﻩ错误!未定义书签。
第三章施工准备ﻩ错误!未定义书签。
3.1技术准备............................................ 错误!未定义书签。
3。
2材料准备.......................................... 错误!未定义书签。
3。
3主要设备、工具.................................... 错误!未定义书签。
3。
4施工作业条件...................................... 错误!未定义书签。
3.5人员准备ﻩ错误!未定义书签。
第四章施工工艺ﻩ错误!未定义书签。
4。
1工艺流程........................................... 错误!未定义书签。
4.2操作要点........................................... 错误!未定义书签。
4.3根据不同的感到情况具体做法 ........................ 错误!未定义书签。
4。
4风管保温......................................... 错误!未定义书签。
第五章质量标准............................................ 错误!未定义书签。
5.1主控项目ﻩ错误!未定义书签。
5。
2基本项目........................................... 错误!未定义书签。