液压机机技术协议
- 格式:doc
- 大小:37.50 KB
- 文档页数:5
液压技术协议书甲方(委托方):_________________________地址:___________________________________法定代表人:___________________________联系电话:_____________________________乙方(受托方):_________________________地址:___________________________________法定代表人:___________________________联系电话:_____________________________鉴于甲方需要对液压技术进行研究、开发和应用,乙方具备相应的技术能力和经验,双方本着平等互利、诚实信用的原则,就液压技术合作事宜达成如下协议:## 第一条合作内容1.1 乙方根据甲方的要求,提供液压技术相关的咨询、设计、研发和技术支持服务。
1.2 甲方负责提供液压技术研究开发所需的资金、场地和相关资源。
1.3 双方共同确定液压技术研究开发的具体目标、计划和时间表。
## 第二条合作期限2.1 本协议自________年____月____日起至________年____月____日止,有效期为____年。
2.2 如双方同意,可根据项目进展情况延长合作期限。
## 第三条技术成果归属3.1 双方合作期间产生的所有技术成果,包括但不限于专利、技术秘密、设计图纸、技术文档等,其知识产权归甲乙双方共同所有。
3.2 双方应共同维护技术成果的知识产权,未经对方书面同意,任何一方不得单独对外转让或许可使用。
## 第四条费用及支付方式4.1 甲方应按照本协议约定向乙方支付技术服务费,具体金额和支付方式由双方另行协商确定。
4.2 乙方在完成技术服务后,应向甲方提供相应的费用明细和发票。
## 第五条保密条款5.1 双方应对在合作过程中知悉的对方商业秘密和技术秘密负有保密义务。
液压技术协议书范本《液压技术协议书》甲方:___________乙方:___________根据《中华人民共和国合同法》及相关法律法规的规定,甲乙双方在平等、自愿、公平、诚信的原则基础上,就甲方购买乙方液压技术产品及服务的事宜,达成如下协议:一、产品及服务内容1.1 乙方根据甲方的需求,提供液压技术产品及相应的技术支持与服务。
1.2 产品名称、型号、规格、数量、质量标准等详见附件。
二、技术支持与服务2.1 乙方应对甲方提供的液压技术产品进行安装、调试,并确保产品正常运行。
2.2 乙方应在产品交付后一年内,提供免费的技术支持和售后服务。
2.3 乙方应对甲方操作人员进行技术培训,确保甲方能独立操作和维护产品。
三、交货及验收3.1 乙方应按照甲方的要求,在约定的时间内将产品送达甲方指定的地点。
3.2 甲方应对收到的产品进行验收,确认产品数量、质量无误后进行签收。
四、价格与支付4.1 产品价格、运费、税费等详见附件。
4.2 甲方应按照约定的付款方式及时支付合同款项。
五、违约责任5.1 任何一方违反协议的,应承担违约责任,向守约方支付违约金,并赔偿因此给对方造成的损失。
六、争议解决6.1 双方在履行协议过程中发生的争议,应首先通过友好协商解决;协商不成的,可以向有管辖权的人民法院提起诉讼。
七、附则7.1 本协议自双方签字(或盖章)之日起生效,有效期为____年。
7.2 本协议一式两份,甲乙双方各执一份,具有同等法律效力。
甲方(盖章):___________ 乙方(盖章):___________代表(签名):___________ 代表(签名):___________签订日期:___________。
液压系统技术协议1. 引言本技术协议旨在对液压系统的设计、运作原理、维护和安全要求进行规范,以确保液压系统在工程和机械设备中的可靠性、安全性和高效性。
本协议适用于各种液压系统的设计、制造、安装、调试、维修和保养。
2. 目的和范围2.1 目的•确保液压系统的安全性和可靠性•提高液压系统的运行效率和维护效果2.2 范围液压系统技术协议适用于以下方面:•液压系统的设计、制造和安装•液压系统的运行和维护•液压系统的安全控制和紧急处理3. 设计要求3.1 工作参数要求•系统压力范围:10 MPa 至 40 MPa•流量范围:1 L/min 至 1000 L/min•温度范围:-20°C 至 60°C•油液粘度范围:10 cSt 至 100 cSt3.2 结构要求•液压系统应包括液压泵、液压阀、液压缸等组件•液压系统应具备可拓展性,方便后续的系统升级和改造3.3 安全措施要求•液压系统应配备过载保护装置,以防止系统超负荷运行•液压系统应具备紧急停止装置,用于紧急情况下的系统停止和排除故障•液压系统应采用可靠的泄漏检测装置,及时发现和修复泄漏问题4. 运行原理液压系统基于帕斯卡原理,通过液压泵将液体油推送到液压缸、液压马达等执行部件,从而产生运动或施加力。
液体油在系统中的压力和流量由液压阀控制,通过开启和关闭阀门来实现不同的工作方式和动作。
5. 维护和保养5.1 维护周期液压系统的维护周期应根据设备使用情况和工作环境来确定。
一般来说,液压系统的维护周期为每半年或每一年一次。
5.2 维护内容•定期更换液压油,清洗和更换液压过滤器•检查和紧固液压连接件,防止松动和泄漏•检查液压泵、阀门和缸体的工作状态,及时修复故障和更换磨损部件•检查液压系统的安全措施,确保过载保护装置和紧急停止装置正常工作5.3 保养要求•液压系统的油液应处于适当的温度范围内,并保持清洁•定期检查和清洁液压系统的管路和油箱,防止积尘和杂质进入系统•保持液压系统的密封件和橡胶件良好的状态,及时更换老化和破损的密封件6. 安全要求6.1 操作安全•操作人员应经过专门培训,了解液压系统的工作原理和操作规程•操作人员应戴防护眼镜和手套,并穿戴合适的防护服和安全鞋•操作人员应按照系统的安全规范和操作步骤进行操作,不得擅自更改系统参数和工作方式6.2 紧急情况处理•在液压系统发生故障或异常情况时,操作人员应立即停止系统运行,并按照紧急处理程序进行处理•紧急处理包括断电、切断液压源和排空系统等6.3 系统安全控制•液压系统应配置过载保护装置,当系统超负荷运行时,自动切断液压源•液压系统应配置紧急停止装置,可手动或自动切断液压源,用于紧急情况下的系统停止•液压系统应定期检查和测试安全控制装置,确保其正常工作7. 总结液压系统技术协议通过对液压系统的设计、运行原理、维护和安全要求进行规范,旨在确保液压系统在工程和机械设备中的可靠性、安全性和高效性。
液压系统技术协议书范本甲方:(公司名称)乙方:(公司名称)鉴于甲方需求液压系统技术支持,与乙方达成以下协议:一、协议目的本协议旨在明确双方在液压系统技术方面的合作关系,确保液压系统技术支持的有效交付和实施。
二、项目描述1. 乙方将根据甲方提供的液压系统技术需求,为甲方提供技术支持和解决方案。
2. 甲方需向乙方提供详细的液压系统要求和相关技术参数,并提供合适的技术测试环境和设备。
三、技术支持内容1. 乙方将根据甲方提供的液压系统要求,为甲方提供液压系统设计和优化解决方案。
2. 乙方将指导甲方在液压系统技术实施中遇到的问题,并提供技术支持和培训。
四、费用和支付方式1. 甲方应向乙方支付相关技术支持费用,支付方式为xx方式,具体金额根据实际工作量和协商结果确定。
2. 技术支持费用应在协议签署后xx天内支付。
五、保密条款1. 双方同意在本协议期限内以及解约后保守对方提供的技术信息和商业秘密,不得向任何第三方披露。
2. 双方同意采取一切合理措施,保护对方的技术和商业信息的机密性。
六、知识产权1. 乙方向甲方提供的液压系统技术支持解决方案中的知识产权归甲方所有。
2. 甲方不得将乙方提供的技术支持解决方案用于商业用途或向第三方提供。
七、验收标准甲方应在乙方完成技术支持和解决方案后进行验收。
双方应协商并一致同意验收标准,并书面记录。
八、协议变更任何本协议的变更或修改应经双方协商一致,并以书面形式确认生效。
九、合同期限本协议自双方签署之日起生效,有效期为xx年,到期后可协商续签。
十、争议解决双方在履行本协议过程中发生的任何争议应通过友好协商解决,协商不成的,均应向有管辖权的法院提起诉讼。
十一、协议终止1. 双方协商一致解除本协议的,应提前xx天书面通知对方,并履行相关解约手续。
2. 任何一方未能履行本协议项下的义务,经提出书面通知并在xx 天内未加以纠正的,对方有权解除本协议。
本协议一式两份,甲方和乙方各执一份,自双方签字盖章之日起生效。
液压技术协议书1. 背景随着工业的发展,液压技术在各个行业中得到广泛应用。
为了确保液压设备的稳定性和可靠性,我们召开了此次液压技术协议书会议。
本协议旨在规范液压技术的应用,保证设备的安全运行和提高工作效率。
2. 定义液压技术是利用液体的流动和压力传递来完成工业机械能的传递与控制的一种技术。
3. 目标本协议的目标是确保液压技术的安全性和有效性,提高设备的使用效率,减少故障率,并为相关行业提供一个统一的标准。
4. 协议内容4.1 设备安全性液压设备的安全性是本协议的首要考虑。
各方应确保设备的选型、安装、使用和维护符合国家标准,并进行定期的安全检查和维修。
4.2 设备质量液压设备的质量直接影响到设备的稳定性和使用寿命。
各方应确保设备的质量符合相关标准,并承诺在保修期内提供免费的维修服务。
4.3 工作效率液压技术的应用旨在提高工作效率。
各方应通过合理的系统设计和优化液压元件来提高设备的工作效率,并在设备安装和使用过程中提供操作指导。
4.4 油液选择和维护液压系统的油液对设备的运行起到重要的作用。
各方应确保油液的选择和维护符合相关标准,定期更换油液并进行油液分析,以保证设备的正常运行。
4.5 环境保护液压技术的应用需要注重环境保护。
各方应确保液压设备的设计符合环保要求,并采取措施减少液压系统的排放和能源消耗。
4.6 培训与技术支持液压技术的应用需要相关人员具备一定的技术能力。
各方应提供液压技术培训,并提供技术支持,以保证液压设备的正常使用。
5. 承诺与责任5.1 各方的承诺各方应严格遵守本协议的内容,并承诺为此次液压技术的应用提供必要的支持和配合。
5.2 责任的界定各方应明确各自的责任范围,并建立有效的沟通机制,及时处理涉及到液压技术的问题和意见。
6. 争议解决涉及到液压技术的争议应通过友好协商的方式解决。
如协商不成,可以依法通过仲裁或诉讼的方式解决。
7. 协议生效与修改本协议经各方签字盖章后生效,并具有法律效力。
液压技术服务合同6篇篇1液压技术服务合同甲方:(委托方)乙方:(服务方)鉴于甲方需要液压技术服务,经双方友好协商,就液压技术服务事宜达成如下协议,以兹信守:第一条服务内容1.1 乙方将为甲方提供液压技术服务,包括但不限于液压系统设计、安装、调试、维护等服务。
1.2 乙方应保证提供的服务符合法律法规的要求,质量达到国家标准,并且能满足甲方的技术要求。
第二条服务期限2.1 本合同自双方签署之日起生效,至乙方完成服务并经甲方验收合格为止。
2.2 服务期限为______年,自______年______月______日起至______年______月______日止。
第三条服务费用3.1 甲方应按照本合同约定支付服务费用,服务费用为______元/项目,共计______元。
3.2 服务费用支付方式为______,具体支付时间为______。
第四条保密条款4.1 双方均应将在履行本协议过程中所获得的对方的商业秘密和技术资料视为机密信息,并承诺予以保密。
4.2 未经对方同意,任何一方不得将涉及对方商业秘密的信息披露给第三方。
第五条违约责任5.1 在合同履行过程中,如一方违反本合同的约定,应承担相应的违约责任。
5.2 如因一方的违约行为给对方造成损失的,违约方应承担赔偿责任。
第六条争议解决6.1 本合同履行过程中发生争议,双方应友好协商解决。
6.2 若协商不成,争议应提交______仲裁委员会仲裁,仲裁裁决是最终的、对双方均具有约束力的。
第七条其他规定7.1 本合同自双方签署之日起生效。
7.2 本合同一式______份,甲、乙双方各执______份。
甲方(盖章): 乙方(盖章):法定代表人(签字): 法定代表人(签字):日期:______年______月______日日期:______年______月______日本合同正本,甲、乙双方各执______份,具备同等法律效力。
篇2液压技术服务合同甲方(服务方):单位名称:______________法定代表人:______________联系地址:______________电话:______________传真:______________邮箱:______________乙方(需求方):单位名称:______________法定代表人:______________联系地址:______________电话:______________传真:______________邮箱:______________因甲方具有丰富的液压技术经验和专业技术团队,乙方需要液压技术服务,双方经友好协商一致,达成以下服务合同:一、服务内容1. 为乙方提供液压系统设计、改进、维护等方面的技术服务;2. 为乙方提供液压设备和零部件的选型、采购、安装、调试等技术支持服务;3. 为乙方提供液压系统故障排查、维修、保养、培训等全方位的技术服务;4. 其他乙方委托的液压技术服务工作。
液压技术服务合同(第一篇)此文档协议是通用版本,可以直接使用,符号*表示空白。
甲方(托付方):********合同编号:*********法定代表人:**********签订地址:*********乙方(服务方):********签订日期:***年**月*日法定代表人:**********甲乙双方本着诚恳信用、共同受益的原则,经过友好协商,依据《民法典》的有关规定,就液压技术服务事宜,在互惠互利的基础上达成以下合同,并承诺共同遵守。
第一条服务内容,方式和要求由乙方供应型液压支架个及其他有关资料和技术服务,派遣工程技术人员对甲方的技术工作人员进行技术培训。
其次条工作条件和协作事项甲方应负责供应使用型支架的工作场地和良好的工作环境,供应培训人员,乐观协作乙方的技术服务工作。
第三条履行期限和地点乙方应在甲方供应的工作场地,安装、调试设备,向工作人员讲解,传授使用方法及留意事项。
履行期限由**年*月*日至*年***月**日。
第四条验收标准和方式1.技术服务或者技术培训按行业标准执行并验收,由甲方出具服务或者培训项目验收证明。
2.本合同服务项目的保证期为*年。
在保证期内发觉服务质量缺陷的,乙方应当负责返工或者实行补救措施。
但因甲方使用、保管不当引起的问题除外。
第五条酬劳及其支付方式1.本项目酬劳为服务费或培训费万元。
乙方完成专业技术工作,解决技术问题需要的经费,由甲方负担。
2.支付方式:分期支付。
(1)第一期**万元,支付时间:**年*月*日;(2)其次期**万元,支付时间:**年*月*日。
第六条违约责任1.技术服务(或培训、中介)违反本合同商定,违约方应当按合同法的规定,担当违约责任。
2.违反本合同其次条和第五条商定,甲方应当担当违约责任,担当方式和违约金额如下:支付乙方在服务期间的一切费用及由此造成的损失。
3.违反本合同第一条商定,乙方应当担当违约责任,担当方式和违约金额如下:若甲方平均月产量低于万吨,乙方对甲方的欠产部分按市场价格应得利润进行补偿。
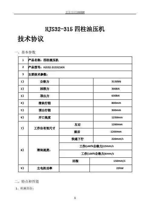
HJS32-315四柱油压机技术协议一、基本参数二、特点和性能1、机械部份:1)机身采用三梁四柱式结构,上梁、工作台通过立柱和紧固螺母、调整螺母结合成一个固定机架,机架精度靠调节螺母调整,具有良好的强度、刚度和精度保持性,上梁、工作台、滑块等大件为钢板焊接件,材料为Q235-B,经计算机优化设计,采用二氧化碳气体保护焊,焊后消除应力,焊缝经打磨,无焊渣和流疤现象,机身外观平整,无明显凹凸现象。
2)滑块采用四柱导向方式,具有良好的导向性能和精度保持性,滑块下方布有T形槽,用于安装模具,立柱为45#钢,导向表面热处理硬度为HRC45-50。
3)上梁为箱形结构件,经计算机优化设计,上梁内装有主工作油缸,上面装有充液油箱。
4)工作台为箱形结构件,经计算机优化设计,工作台面上方布有T形槽。
5)主油缸为一只活塞缸,布置在上横梁孔内,油缸体的材料为45号锻钢。
2、液压系统:1)液压动力机构安装在机身右方,由泵、电机、阀集成块,油箱等组成,动力机构中包括油液过滤,油温油位显示等多种装置,主油泵为恒功率轴向柱塞泵,输出流量可随压力的变化而变化。
2)液压系统采用二通插装阀,具有体积小、结构紧凑、流阻小、流量大、动作灵敏、工作可靠、密封性能好等特点。
主缸下腔有二级支承系统,确保在某一元件突然失灵的情况下滑块不会下落。
主缸和顶出缸压力可在5MPa~25MPa间调节,系统中设有安全阀,以限制液压系统的最高压力。
3)油箱为钢板焊接结构,油箱侧面开有清洗窗口,设有油标。
空气滤清器、阀集成块等在油箱盖板上方有序排列。
4)主要液压管路设有布局合理的抗震管夹,以防止高压管道的震动和泄漏,管道安装前进行酸洗和钝化处理,以保证油液的清洁度。
3、电气系统:1)设有独立的电气控制柜,按钮集中控制。
本机电源为AC380V,50HZ;控制电源为AC220V;先导阀电磁铁电源为DC24V。
2)采用PLC可编程序控制器。
在PLC输出点与电磁阀之间,通过中间继电器连接3)提供湖机液压机运行控制软件V1.0。
液压技术协议一、引言。
液压技术作为一种广泛应用于机械制造和工程领域的技术,已经成为现代工业中不可或缺的一部分。
液压技术的应用范围涵盖了各个领域,从航空航天到日常生活中的家用电器,都可以看到液压技术的身影。
为了确保液压技术在各个领域的应用能够达到最佳效果,制定液压技术协议是非常必要的。
二、协议内容。
1. 技术标准。
液压技术协议首先需要明确的是技术标准。
这包括液压系统的工作压力、温度范围、流体介质、密封件材料、连接方式等方面的标准。
只有明确了技术标准,液压系统的设计、制造和维护才能得到有效的保障。
2. 设备选型。
液压技术协议还需要规定液压设备的选型标准。
这包括液压泵、阀门、缸体、油箱等设备的选用标准,以及设备的技术参数和性能要求。
通过设备选型的规范,可以确保液压系统的各个部件能够协调配合,达到最佳的工作效果。
3. 安全标准。
液压技术协议中还需要包括液压系统的安全标准。
这包括液压系统的安全阀、溢流阀、压力表等安全装置的设置要求,以及液压系统在使用过程中的安全操作规范。
只有确保了液压系统的安全性,才能避免因操作不当而导致的事故发生。
4. 维护保养。
液压技术协议还需要规定液压系统的维护保养标准。
这包括液压系统的定期检查、液压油的更换、密封件的更换等维护保养工作的要求。
通过规范的维护保养,可以延长液压系统的使用寿命,保证系统的稳定性和可靠性。
5. 质量控制。
液压技术协议最后需要包括液压系统的质量控制标准。
这包括液压系统在制造过程中的质量检验、试验和验收标准,以及液压系统在使用过程中的质量监控要求。
只有严格控制液压系统的质量,才能保证系统的性能稳定和可靠性。
三、结语。
液压技术协议的制定和执行,对于液压技术的应用和发展具有重要意义。
只有通过规范的协议,才能保证液压系统在各个领域的应用能够达到最佳效果,为现代工业的发展和进步提供有力支持。
希望各个行业能够重视液压技术协议的制定和执行,共同推动液压技术的发展,为社会的进步做出更大的贡献。
液压机维修技术协议书范本甲方(客户):____________________乙方(维修方):____________________鉴于甲方拥有液压机设备,需要进行定期或非定期的维修保养;乙方拥有相应的维修技术和资质,能够提供专业的液压机维修服务。
甲乙双方经协商一致,就液压机维修服务事宜,达成如下协议:第一条维修服务内容1.1 乙方负责对甲方的液压机进行维修保养,包括但不限于检查、维修、更换部件、调试等。
1.2 乙方应根据甲方的设备状况和维修需求,制定详细的维修计划,并经甲方确认。
1.3 乙方应保证维修后的液压机设备能够达到正常的工作状态,并符合甲方的使用要求。
第二条维修服务期限2.1 维修服务期限自本协议生效之日起至维修服务完成之日止。
2.2 如因乙方原因导致维修服务延期,乙方应提前通知甲方,并承担由此给甲方造成的损失。
第三条维修费用及支付方式3.1 维修费用根据实际维修工作量和材料成本计算,具体金额由甲乙双方协商确定。
3.2 甲方应在乙方提供维修服务前支付预付款,金额为维修费用的___%。
3.3 维修服务完成后,甲方应在验收合格后的___个工作日内支付剩余款项。
第四条质量保证4.1 乙方应保证维修工作的质量,维修后的液压机设备应符合国家或行业的相关标准。
4.2 乙方对维修后的液压机设备提供___个月的质量保证期,自维修完成之日起计算。
4.3 在质量保证期内,如因乙方维修原因导致设备出现故障,乙方应负责免费维修或更换部件。
第五条保密条款5.1 甲乙双方应对在本协议履行过程中知悉的对方商业秘密和技术秘密负有保密义务。
5.2 未经对方书面同意,任何一方不得向第三方披露、使用或允许他人使用上述秘密。
第六条违约责任6.1 如甲方未按约定支付维修费用,应按逾期金额的___%向乙方支付违约金。
6.2 如乙方未按约定提供维修服务或服务质量不符合要求,应承担相应的违约责任,并赔偿甲方因此遭受的损失。
第七条争议解决7.1 本协议在履行过程中如发生争议,双方应首先通过友好协商解决。
液压机服务技术协议参考样本液压机服务技术协议甲方:乙方:一、设备信息:二、液压机服务的主要工作内容:1、更换液压机主缸(三套)内的全部密封圈,并检查油缸内部零配件的完好性。
2、更换液压垫缸(三套)内的全部密封圈,并检查油缸内部的零配件的完好性。
3、更换底座部件内4套夹紧油缸内的全部密封圈。
4、更换底座部件内4套提升油缸内的全部密封圈。
5、更换二套锁持缸内的全部密封圈。
6、更换缓冲缸(二套)内的全部密封圈,并检查零配件的完好性。
7、阀集成保养,更换内部密封圈,检修或更换阀集成的不良液压配件。
8、各泵组连接及传动部件检查,更换油泵出油管的密封圈。
9、油箱内部彻底清理,液压油过滤或更换。
10、电器部件主配电柜内部元件检查维修,更换不良配件。
11、各发讯元件的可靠性和完好性检查。
12、更换电磁阀到动力站分线盒之间的控制线。
13、滑块对工作台平行度测量及调整。
14、调整滑块动导轨与边柱静导轨之间的间隙。
15、整机各压力调节点压力调整调试。
16、整机性能调节调试。
三、双方责任:1、甲方负责提供液压油储油桶、抽油设备及缺少的液压油。
2、甲方免费提供保养需要的天车、铲车、电焊机等设备。
3、乙方负责保养需要的一般性工具及专用工具。
4、乙方在施工时,其安全责任除甲方原因外,由乙方自己承担。
四、服务时需更换配件的约定:1、甲方负责提供液压机保养所需的全部密封圈。
2、保养时需要更换的其他液压件,根据保养情况,由甲方确认后更换,费用单独计算,不包含在本协议施工合同金额之内;或者由甲方按要求负责提供后更换。
3、保养过程中,如发现其他隐蔽部分零部件的损坏,需要修理或更换的,其材料费及工时费,双方另行协商,不包含在本施工内容及价格之内。
五、液压机服务后验收及质保:1、液压机保养完成后,甲方应及时根据乙方的要求,组织验收。
2、验收的依据为双方签署的技术协议,液压机滑块对工作台的平行度度、系统及主缸压力等参数,原则上需要优于保养前的数据。
液压技术服务合同6篇篇1甲方(委托方):____________________乙方(服务方):____________________鉴于甲方需要乙方提供液压技术服务,双方在平等、自愿、公平的基础上,根据《中华人民共和国合同法》等相关法律法规的规定,就本次液压技术服务合作事宜,经友好协商,达成如下协议:一、服务内容1. 乙方提供的服务内容:液压系统的安装、调试、维护、故障诊断与排除、技术培训等。
2. 服务涉及的设备及范围:____________(具体设备清单及范围)。
二、服务期限本合同服务期限自____年____月____日起至____年____月____日止。
三、服务费用及支付方式1. 服务费用:人民币______元(大写:______元整)。
2. 支付方式:甲方在合同签订后___日内支付乙方服务费用的___%作为预付款,服务结束后___日内支付剩余款项。
四、双方义务与责任1. 甲方义务与责任:(1)确保现场具备服务的必要条件,如电源、工具等。
(2)提供必要的资料和设备支持。
(3)按照约定支付服务费用。
2. 乙方义务与责任:(1)按照本合同约定提供液压技术服务。
(2)确保服务质量,达到甲方的合理要求。
(3)提供技术支持和咨询,解决甲方在使用过程中遇到的问题。
(4)遵守现场安全规定,确保服务过程中的安全。
五、服务标准与验收1. 乙方提供的服务应符合相关行业标准及规范。
2. 服务完成后,乙方应向甲方提供详细的服务报告。
3. 甲方应在收到服务报告后___日内组织验收,并出具验收报告。
4. 如甲方对服务质量有异议,应在验收后___日内以书面形式提出,乙方应及时处理。
六、保密条款1. 双方应对涉及本合同的所有技术资料和信息予以保密,未经对方同意,不得向第三方泄露。
2. 保密信息的保密期限为自本合同签订之日起___年。
3. 任何一方违反保密条款的约定,应承担相应的法律责任。
1. 液压泵:例如齿轮泵、叶片泵、柱塞泵等。
液压技术服务合同5篇篇1液压技术服务合同甲方:(委托方)地址:联系人:电话:乙方:(服务方)地址:联系人:电话:鉴于甲方为了实现液压系统的正常运行及维护,特聘请乙方提供液压技术服务,双方友好协商,达成如下协议:一、服务内容1. 乙方将提供液压系统的维护保养、故障排除、技术咨询等服务,确保液压系统正常运行。
2. 乙方将根据液压系统的具体情况,制定针对性的维护计划,并定期进行检查和保养。
3. 乙方将提供液压技术方面的培训,以提高甲方员工对液压系统的运行维护能力。
4. 乙方将对甲方的液压系统进行定期检测和评估,提供优化方案和改进意见。
二、服务费用及支付方式1. 甲方应按照乙方提供的服务方案及其费用标准支付服务费用,具体金额约定如下:(1)维护保养费用:每次¥(金额),次(次数)(2)故障排除费用:每次¥(金额),次(次数)(3)技术咨询费用:每次¥(金额),次(次数)2. 服务费用应在每月(或每季度、每半年、每年)定期支付,具体支付方式为(银行转账、现金支付等)。
三、服务期限本合同自双方签订之日起生效,具体服务期限为(具体日期),服务期限届满后,可根据需要双方友好协商续签。
四、责任及争议解决1. 乙方应尽最大努力提供优质的液压技术服务,保障甲方液压系统的正常运行。
2. 甲方应按约定时间及时支付服务费用,否则应承担滞纳金等相关费用。
3. 如因不可抗力导致服务无法继续,乙方应及时通知甲方并协商解决方案。
4. 双方在履行本合同过程中发生争议,应友好协商解决。
协商不成时,可向有关部门申请调解或仲裁。
五、其他1. 本合同一式两份,甲乙双方各执一份,具有同等法律效力。
2. 本合同内容如有修改或补充,需经双方协商一致并签署书面协议。
3. 本合同自签订之日起生效,有效期至服务期限结束。
甲方(盖章):乙方(盖章):签订日期:签订日期:篇2液压技术服务合同合同编号:HY-2021-001甲方(服务提供方):XX液压技术有限公司法定代表人:XXX联系方式:XXX乙方(服务接受方):XX工程机械制造有限公司法定代表人:XXX联系方式:XXX一、服务内容甲方将为乙方提供液压技术相关的服务,包括但不限于液压系统的设计、安装、维护、升级等;液压设备的保养、维修、改造等;液压产品的销售、配件供应等。
液压技术协议书范本甲方(委托方):________________________乙方(受托方):________________________签订日期:____年____月____日鉴于甲方需要乙方提供液压技术相关的服务,乙方同意按照甲方的要求提供服务,双方本着平等互利的原则,经协商一致,签订本协议书。
第一条服务内容1.1 乙方应根据甲方的要求,提供液压系统的设计、制造、安装、调试、维修、技术咨询等专业服务。
1.2 乙方应确保提供的服务满足甲方的技术要求和行业标准。
第二条服务标准2.1 乙方提供的液压系统应符合国家及行业相关标准,并通过甲方的验收。
2.2 乙方应保证提供的服务在合同期内有效,且在服务期内提供必要的技术支持。
第三条服务期限3.1 本协议自____年____月____日起至____年____月____日止。
3.2 如甲方需要延长服务期限,应提前____天书面通知乙方,双方另行协商确定。
第四条服务费用及支付方式4.1 服务费用总额为人民币(大写)______________________元整(¥______________________)。
4.2 甲方应在合同签订后____天内支付乙方总费用的____%作为预付款。
4.3 乙方完成服务后,甲方应在验收合格之日起____天内支付剩余款项。
第五条违约责任5.1 如乙方未能按时提供服务或服务不符合约定标准,应向甲方支付违约金,违约金为服务费用的____%。
5.2 如甲方未按时支付服务费用,应向乙方支付违约金,违约金为逾期付款金额的____%。
第六条保密条款6.1 双方应对在合作过程中获悉的对方的商业秘密和技术秘密负有保密义务。
6.2 未经对方书面同意,任何一方不得向第三方泄露、提供或允许第三方使用上述秘密。
第七条争议解决7.1 因执行本协议所发生的任何争议,双方应通过友好协商解决。
7.2 协商不成时,任何一方均可向甲方所在地人民法院提起诉讼。
液压系统技术协议书范本甲方(买方):_____________________乙方(卖方):_____________________鉴于甲方需求液压系统一套,乙方具备提供该系统的能力,双方本着平等互利的原则,经过友好协商,达成如下技术协议:第一条系统概述1.1 本液压系统应满足甲方的特定工艺要求,包括但不限于压力、流量、控制精度等。
1.2 系统应包括所有必要的液压元件,如泵、阀、缸、管路等,以及相应的电气控制系统。
第二条技术规格2.1 乙方应提供详细的技术规格书,包括系统配置、性能参数、尺寸图、接口定义等。
2.2 技术规格书应作为本协议不可分割的一部分。
第三条质量保证3.1 乙方保证提供的液压系统符合国家及行业相关标准,并提供相应的质量证明文件。
3.2 系统应通过乙方的出厂测试,并在甲方现场进行安装调试后进行验收测试。
第四条交货期限4.1 乙方应在合同签订后____天内完成液压系统的生产,并在____天内交付至甲方指定地点。
4.2 如遇不可抗力因素导致交货延期,乙方应及时通知甲方,并提供相应的证明材料。
第五条安装与调试5.1 乙方负责液压系统的现场安装与调试工作,确保系统达到技术规格书所列的性能要求。
5.2 甲方应提供必要的协助,包括但不限于场地、电源、工具等。
第六条培训与技术支持6.1 乙方应提供至少一次的系统操作培训给甲方指定的操作人员。
6.2 乙方应提供至少一年的免费技术支持服务。
第七条售后服务7.1 乙方应提供至少一年的免费维修服务,对于非人为因素造成的损坏,乙方应负责修复或更换。
7.2 超出免费维修期后,乙方应提供有偿维修服务,并保证配件的供应。
第八条违约责任8.1 如乙方未能按时交付系统或系统不符合技术规格,甲方有权要求乙方赔偿相应的损失。
8.2 如甲方未能按时支付货款,乙方有权要求甲方支付违约金。
第九条争议解决9.1 本协议项下发生的任何争议,双方应首先通过友好协商解决。
9.2 如协商不成,可提交至乙方所在地人民法院进行诉讼。
甲方(以下简称“甲方”):乙方(以下简称“乙方”):鉴于甲方拥有液压机设备,因日常使用或故障需要维修,乙方具备液压机维修的专业技术和经验,为明确双方的权利义务,经双方友好协商,特订立本协议如下:一、维修范围1. 甲方液压机设备的日常维修、故障排除、定期保养等服务。
2. 乙方负责对甲方液压机设备进行检测、维修、更换零部件、调试等全面服务。
二、维修责任1. 乙方应严格按照甲方提供的液压机设备型号、规格、技术参数进行维修,确保维修质量。
2. 乙方在维修过程中,如因自身原因造成设备损坏或故障,应承担相应的维修责任,并负责修复或更换。
3. 乙方应确保维修过程中的安全,避免发生意外事故。
三、维修期限1. 乙方应在接到甲方维修通知后,尽快安排维修人员进行现场维修。
2. 乙方应确保在规定的时间内完成维修工作,如因特殊情况无法按时完成,应提前与甲方协商,并取得甲方同意。
四、维修费用1. 乙方维修费用包括但不限于人工费、材料费、配件费等。
2. 双方协商确定维修收费标准,并在本协议中明确列出。
3. 甲方应在维修完成后支付乙方维修费用,支付方式为现金或银行转账。
五、保密条款1. 乙方在维修过程中,应对甲方液压机设备的有关技术资料、工艺流程等信息予以保密。
2. 未经甲方同意,乙方不得向任何第三方泄露上述信息。
六、违约责任1. 如乙方未按约定时间完成维修工作,甲方有权要求乙方承担相应的违约责任。
2. 如乙方在维修过程中造成甲方液压机设备损坏,乙方应承担赔偿责任。
3. 如双方发生争议,应友好协商解决;协商不成的,可向有管辖权的人民法院提起诉讼。
七、其他1. 本协议自双方签字盖章之日起生效,有效期为____年。
2. 本协议一式两份,甲乙双方各执一份。
甲方(盖章):乙方(盖章):签订日期:____年____月____日。
20XX 标准合同模板范本PERSONAL RESUME甲方:XXX乙方:XXX液压设备维修技术支持服务协议本合同目录一览第一条协议定义1.1 定义1.2 双方含义第二条服务内容2.1 服务范围2.2 服务方式2.3 服务时间第三条技术支持团队3.1 技术支持人员资质3.2 技术支持团队构成第四条设备维修质量4.1 维修标准4.2 维修质量保证4.3 维修质量监督第五条技术培训5.1 培训内容5.2 培训方式5.3 培训时间安排第六条技术资料与信息共享6.1 技术资料提供6.2 信息共享方式第七条费用与支付7.1 服务费用7.2 费用支付方式7.3 费用调整机制第八条保密条款8.1 保密内容8.2 保密期限8.3 保密泄露责任第九条违约责任9.1 违约行为9.2 违约责任承担第十条争议解决10.1 争议解决方式10.2 争议解决地点10.3 法律适用第十一条合同的生效、变更与终止11.1 合同生效条件11.2 合同变更11.3 合同终止条件第十二条通知与送达12.1 通知方式12.2 送达地址第十三条其他条款13.1 附加服务13.2 不可抗力13.3 第三方受益第十四条双方签字盖章14.1 甲方签字盖章14.2 乙方签字盖章第一部分:合同如下:第一条协议定义1.1 本协议是指甲方(设备所有方)与乙方(设备维修服务提供方)之间,就液压设备维修技术支持服务达成的一致协议。
1.2 在本协议中,“甲方”指合同签订一方,拥有设备所有权并接受乙方维修服务的一方;“乙方”指合同签订另一方,提供液压设备维修技术支持服务的一方。
第二条服务内容2.1 乙方提供的服务范围包括但不限于:液压设备的维修、更换零部件、故障诊断、技术咨询等。
2.2 乙方提供的服务方式包括现场服务、远程诊断、电话支持等,具体服务方式根据甲乙双方协商确定。
2.3 乙方应按照甲方提出的服务时间安排提供技术支持服务,如遇特殊情况,乙方应提前通知甲方,双方协商调整服务时间。
HJS32-315四柱油压机
技术协议
一、基本参数
二、特点和性能
1、机械部份:
1)机身采用三梁四柱式结构,上梁、工作台通过立柱和紧固螺母、调整螺母结合成一个固定机架,机架精度靠调节螺母调整,具有良好的强度、刚度和精度保持性,上梁、工作台、滑块等大件为钢板焊接件,材料为 Q235-B,经计算机优化设计,采用二氧化碳气体保护焊,焊后消除应力,焊缝经打磨,无焊渣和流疤现象,机身外观平整,无明显凹凸现象。
2)滑块采用四柱导向方式,具有良好的导向性能和精度保持性,滑块下方布有 T 形槽,用于安装模具,立柱为 45#钢,导向表面热处理硬度为 HRC45-50。
3)上梁为箱形结构件,经计算机优化设计,上梁内装有主工作油缸,上面装有充液油箱。
4)工作台为箱形结构件,经计算机优化设计,工作台面上方布有T 形槽。
5)主油缸为一只活塞缸,布置在上横梁孔内,油缸体的材料为45号锻钢。
2、液压系统:
1)液压动力机构安装在机身右方,由泵、电机、阀集成块,油箱等组成,动力机构中包
括油液过滤,油温油位显示等多种装置,主油泵为恒功率轴向柱塞泵,输出流量可随压力
的变化而变化。
2)液压系统采用二通插装阀,具有体积小、结构紧凑、流阻小、流量大、动作灵敏、工作可靠、密封性能好等特点。
主缸下腔有二级支承系统,确保在某一元件突然失灵的情况下滑块不会下落。
主缸和顶出缸压力可在 5MPa~25MPa 间调节,系统中设有安全阀,以限制液
压系统的最高压力。
3)油箱为钢板焊接结构,油箱侧面开有清洗窗口,设有油标。
空气滤清器、阀集成块等在
油箱盖板上方有序排列。
4)主要液压管路设有布局合理的抗震管夹,以防止高压管道的震动和泄漏,管道安装前进行酸洗和钝化处理,以保证油液的清洁度。
3、电气系统:
1)设有独立的电气控制柜,按钮集中控制。
本机电源为 AC380V,50HZ;控制电源为 AC220V;先导阀电磁铁电源为 DC24V。
2)采用 PLC 可编程序控制器。
在 PLC 输出点与电磁阀之间,通过中间继电器连接
3)提供湖机液压机运行控制软件 V1.0。
4、操作系统:
1)可实现调整、手动和半自动三种操作方式。
调整(点动):操作相应的功能按钮完成相应的动作,每按一次按钮完成相应动作的一次点
动,主要用于设备调整及更换模具时。
手动:按压相应的操作按钮完成相应的工艺动作,当按静止按钮或到动作的行程限位时运动停止。
半自动:按压双手工作按钮,完成一次工艺循环。
半自动动作顺序如下:
滑块快下→ 滑块慢下压制→ 滑块加压延时及泄压→ 滑块回程。
滑块行程由行程控制装置调整。
2)主缸和顶缸压力由远程调压阀进行调压。
3)保压时间由时间继电器设定。
5、安全装置:
1)静止及急停按钮:发生异常时按“静止”按钮,动作停止。
按“急停”按钮,包括电机停止运行。
2)双手操作按钮:双手按下时同步时限 0.5~1S。
主缸下腔二级支承回路,任何一级支承回路的单独失灵不会引起滑块下落。
3)液压系统回路设有安全阀。
6、配套件供货厂:
1)、高压油泵:邵阳维克柱塞泵
2)、二通插装阀集成块济宁泰丰
3)、油缸密封圈广研所
4)、PLC可编程控制器日本光洋(无锡)有限公司
7、执行标准
8、备品备件及技术资料
1)、提供管接头处密封件壹套。
2)、提供地脚螺栓、螺母及压机专用工具壹套。
3)、提供壹套使用说明书。
说明书满足使用、维护、保养、操作、安装、调整的需要、装订整齐规范。
内容包括:用途和特点、主要技术参数,结构概述,液压系统概述,电气系统概述,安装试车,故障与排除方法,维护保养,安全操作规程等。
4)、说明书附图:总装配图、主要部件简图、滑块仰视图、工作台俯视图,液压原理图、电气原理图、电气互联图、电器接线图、主要油缸示意图等。
5)、出厂合格证明壹份。
6)、装箱单壹份。