不合格品评审处置记录表格格式
- 格式:docx
- 大小:10.91 KB
- 文档页数:2
不合格品评审处置记录日期:[日期]参与人员:[参与人员]一、评审背景在[具体事项]过程中,发现了[不合格品名称],根据公司质量管理制度的规定,对不合格品进行评审处置,本次会议旨在对不合格品进行全面评审,制定相应的处置方案,确保产品质量和客户满意度。
二、评审内容1.不合格品详情-不合格品名称:-编号/批次:-规格:-数量:-不合格原因:-对公司经营和客户的影响:-报告人:2.不合格原因分析针对不合格品的具体原因,进行详细的分析和探讨,列举了可能的原因:-设计问题:是否产品设计存在缺陷或工程参数设置不合理;-材料问题:材料选择是否合理,原材料是否符合要求;-制造过程问题:制造过程中是否存在操作失误或工艺控制不到位;-设备问题:是否设备故障或设备维护不及时;-人员问题:操作人员是否操作规范、技术要求是否满足。
3.可能的处置方案结合不合格品的具体情况,提出以下可能的处置方案:-返工修复:如果不合格品存在可修复的问题,可以返工修复,确保符合质量要求;-报废处理:如果不合格品无法修复或修复成本过高,则可以选择报废处理,防止继续流入市场;-材料更换:如果不合格品存在材料问题,可以考虑材料更换,以确保质量合格;-工艺调整:针对制造过程问题,可以对工艺进行调整,保证产品质量;-设备维护和更新:如果设备存在问题,及时进行维护或更新设备,以确保生产质量。
4.所需资源和时间估计根据具体的处置方案,明确所需的资源和时间估计,包括人力、物力和时间,以便进行后续的工作安排和跟进。
三、决策和行动计划根据评审讨论的结果,决定采取[具体处置方案]来处理不合格品,具体行动计划如下:1.负责人和责任部门:指定负责人和责任部门,明确责任人必须根据行动计划执行;2.行动步骤和时间安排:具体列出处置不合格品的步骤和时间,明确每个步骤的时间节点;3.所需资源:列出所需的人力、物力和时间资源,并确保能够及时获取;4.风险评估和预防措施:针对处置过程中可能出现的风险进行评估,并提出相应的预防措施,确保处置过程顺利进行;5.反馈和沟通机制:明确沟通和反馈机制,确保各个相关人员能够及时了解处置进展和结果。
不合格供应商评审处置记录表
1. 供应商信息
- 供应商名称:
- 地址:
- 联系人:
- 联系
- 评审日期:
- 评审人员:
2. 评审内容
2.1 评审背景:
(简要说明为何对该供应商进行评审)
2.2 评审目的:
(简要说明评审的目标和意义)
2.3 评审标准:
(列出评审的具体标准和要求)
2.4 评审结果:
(列出该供应商在每个评审标准下的评审结果)
3. 处置措施
3.1 是否采取处置措施:
(是/否)
3.2 处置方式:
(简要描述采取的处置方式,如终止合作、挂起合作、限制订单等)
3.3 处置原因:
(简要说明采取该处置方式的原因)
3.4 处置期限:
(设定执行处置措施的期限)
3.5 处置人员:
(列出负责执行处置措施的人员姓名)
4. 备注
(可以记录评审过程中的任何特殊说明或其他备考信息)
5. 评审确认
5.1 评审负责人确认(签字):
5.2 评审结果会签(签字):
5.3 处置结果会签(签字):
请根据实际情况填写以上内容,并在所需的部分进行补充说明。
不合格品评审处置记录表格格式
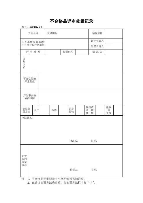
不合格品评审处置记录
不合格品发生
□采购产品 □过程在制品 □成品 □交付或开始使用后产品
不合格品名称 型号规格 发生单位、部门
验证或检验者 发生日期 本批数量 不 合 格 性 质
生产批号 不合格数量
□一般不合格 □严重不合格
不合格现象描述:
检验员:
评审
意见
会签
供销部 工程部 生产部 品质部
□返工或返修 □报废处理 □降级改作他用 □调换符合要求产品 □让步放行或接收 签名: □返工或返修 □报废处理 □降级改作他用 □调换产品 □让步放行或接收 签名: □返工或返修 □报废处理 □降级改作他用 □调换产品 □让步放行或接收 签名: □返工或返修
□报废处理
□降级改作他用
□调换产品
□让步放行或接收
签名:
不合格品
处置结论
□返工或返修 □降级改作他用 □调换产品
□让步放行或接收 □拒收 □报废
返工后重新检验结果
□合格(数量) □不合格(数量)
不合格品评审处置记录表格格式
检验部门 检验员 年 月 日 批准 年 月 日