高压测试作业指导书
- 格式:doc
- 大小:29.50 KB
- 文档页数:3
变电站新建工程高压试验作业指导书变电工程项目部批准:审核:编制:目录第一章高压绝缘部分第二章高压设备特性部分第三章GIS 试验第四章电流互感器局部放电试验第五章变电站接地第一章高压绝缘部分1、绝缘电阻的测量1.1选用的设备:兆欧表(1000V、2500V、5000V)。
1.2测试方法及注意事项:1.2.1断开被试品的电源,拆除或断开对外的一切连线,并将其对地放电,对电容量较大的被试品更应充分放电。
1.2.2用干燥清洁柔软的布擦去被试品表面的污垢,必要时可先用汽油或其它适当的去垢剂洗净套管表面的积污。
1.2.3将兆欧表放稳,驱动兆欧表达额定转速,此时兆欧表的指针应指“∞”,再用导线短接兆欧表的“火线”与“地线”端头,其指针应指零。
然后接至被试品测量。
1.2.4在湿度较大的条件下进行测量时,可在被试品表面加等电位屏蔽。
1.3测试的内容:1.3.1电力变压器的绝缘电阻的测试:1.3.1.1选用直流2500V兆欧表。
(或依据厂家相同等级的兆欧表)测量绕组连同套管的绝缘电阻、吸收比或极化指数应符合下列规定:a、绝缘电阻值不应低于产品出厂试验值的70%。
b、当测量温度与产品出厂试验时的温度不符合时,要换算到同一温度时的数值进行比较。
c、变压器电压等级为35KV及以上,且容量在4000KVA及以上时,应测量吸收比。
吸收比与产品出厂值相比应无明显差别。
35~60KV级变压器吸收比不低于1.2,110~330KV级的变压器在常温下不应小于1.3。
d、变压器电压等级为220KV及以上且容量为120MVA及以上时,宜测量极化指数,测得值与产品出厂值相比,应无明显差别。
当绝缘电阻介质温度为10~30℃范围时,极化指数不低于1.5。
1.3.2互感器绝缘电阻的测试1.3.2.1选用直流2500V兆欧表。
1.3.2.2测量绕组的绝缘电阻,应符合下列规定:a、测量一次绕组对二次绕组及外壳、各二次绕组及其对外壳的绝缘电阻b、低压等级为500KV的电流互感器亦应测量一次绕组间的绝缘电阻,但由于结构原因而无法测量时可不进行。
高压测试作业指导书高压测试作业指导书(第一部分)目录一、前言二、测试目的三、测试范围四、测试方法五、测试步骤六、测试结果分析七、测试结论八、测试注意事项九、测试安全措施十、测试设备和工具十一、测试记录十二、测试报告格式十三、常见问题及解答十四、测试人员职责十五、测试时间安排十六、测试改进措施十七、附件一、前言欢迎使用本测试作业指导书,本指导书为高压测试作业提供详细的步骤和注意事项,旨在帮助测试人员进行高压测试,确保测试的安全、准确和有效。
二、测试目的高压测试主要用于验证电气设备能否在承受额定电压下正常工作,以检测设备的耐电压能力和绝缘性能。
测试目的包括:1. 确定电气设备在额定电压下是否能正常工作;2. 检测设备的绝缘性能,判断绝缘是否合格;3. 发现潜在缺陷,及时采取措施进行修复或更换;4. 提高设备可靠性和安全性。
三、测试范围高压测试适用于各类电气设备,包括但不限于变压器、电动机、开关设备、电力电缆等。
测试范围根据不同设备的要求和标准进行确定。
四、测试方法根据设备的特点和测试要求,高压测试可以采用以下几种方法之一:1. 直流高压测试:指定测试电压,连接带有限流装置的高压电源,将电压施加在设备上的特定部位,观察其工作状态和绝缘情况。
2. 交流高压测试:指定测试电压、频率和工作时间,连接高压电源和设备,将交流电压施加在设备上,观察其工作状态和绝缘情况。
五、测试步骤1. 准备工作:清理测试区域,检查测试设备和工具是否完好,确认测试电源和限流装置的连接是否正确。
2. 连接设备:根据设备接线图,正确连接测试设备和高压电源。
确保接线牢固可靠,避免短路、漏电等情况发生。
3. 调试设备:根据设备的工作要求,将设备调至测试状态,确保电气设备处于正常工作状态。
4. 施加电压:根据测试目的和测试要求,选择合适的电压和工作时间,将电压施加在设备上。
同时,观察设备的工作状态和绝缘情况,记录相关数据。
5. 结束测试:根据测试结果,判断设备是否合格。
高压试验作业指导书高压试验作业指导书一、作业目的帮助学生理解高压试验的概念、方法和设备,掌握高压试验的操作流程和注意事项。
二、作业内容1. 阅读课本关于高压试验的章节,了解高压试验的基本原理和设备。
2. 了解高压试验时需注意的安全事项,如电气设备投入运行前的各项准备工作、操作时的安全防护措施、高压设备的日常维护保养等。
3. 熟悉高压试验仪器的使用方法和操作流程,了解高压试验仪器的种类及其特点,包括交流绝缘电阻测试仪、直流绝缘电阻测试仪、需要增加电容的电气设备介电损耗测试仪等。
4. 独立完成一次高压试验的实验,包括选择测试仪器、准备测试设备、设置测试参数、操作测试仪器、记录测试结果等,同时记录测试时其它注意事项。
5. 组织学生归纳总结高压试验的基本原理、设备和操作流程,提出自己的见解和经验。
三、作业要求1. 认真阅读课本中关于高压试验的内容,准确理解高压试验的基本原理和设备。
2. 关注高压试验时的安全和注意事项,确保自己和他人的安全。
3. 认真实施一次高压试验,熟悉测试仪器的使用方法和操作流程,积累实践经验。
4. 在实验过程中认真记录测试参数和测试结果,注意及时处理测试数据,并记录下测试过程中需要注意的细节和事项。
5. 在实验结束后,及时汇总分析实验数据,并结合自己的经验和理解,归纳总结高压试验的基本原理、设备和操作流程,提出自己的见解和建议。
四、注意事项1. 高压试验涉及到高电压和高电流,操作前必须了解和掌握使用高压试验仪器的基本方法和要点,严格按照操作流程和安全规定,确保自己和他人的人身安全。
2. 在实验前,对测试设备进行全面检查和准备,确保电气设备和高压试验仪器的正常运行,并做好必要的防护措施。
3. 在测试过程中,注意调整测试仪器的测试参数,选择合适的测试方法和测试电压,获取准确的测试数据。
4. 在实验结束后,及时汇总分析实验数据,并对实验流程、测试方法和测试结果进行总结和评价。
5. 操作高压试验设备时要保持集中注意力,避免出现疏漏或错误操作。
6.3 高压试验作业指导书6.3.1结构由封面、范围、引用文件、试验准备、试验程序、试验总结、指导书执行情况评估和附录八项内容组成。
6.3.2内容及格式6。
3.2。
1封面a)内容由试验名称、编号、编制人及时间、审核人及时间、批准人及时间、试验负责人、试验工期、编写单位八项内容组成。
1)试验名称包含:试验地点、设备的电压等级、编号和试验的性质.如:“×××变电站×××kV×××线×××断路器大修试验指导书”。
2)编号应具有唯一性和可追溯性,便于查找。
可采用企业标准编号,Q/×××,位于封面的右上角。
3)编制人及时间负责作业指导书的编写.在指导书编写人一栏内签名,并注明编制时间。
4)审核人及时间负责作业指导书的审批,对编写的正确性负责。
在指导书审批人一栏内签名,并注明审核时间.5)批准人及时间作业指导书执行的许可人.在指导书批准人一栏内签名,并注明批准时间。
6)试验负责人组织执行作业指导书,对试验的安全准确负责.在指导书试验负责人一栏内签名。
7)试验工期现场作业具体工作时间.8)编制部门指作业指导书的具体编写单位。
b)格式6.3。
2.2范围对作业指导书的应用范围做出具体的规定。
如:本作业指导书针对×××变电站×××kV××线×××断路器大修试验工作,仅适用于该断路器的大修试验工作.6。
3.2.3引用文件明确编写作业指导书所引用的法规、规程、标准、设备说明书及企业管理规定和文件(按标准格式列出)。
6。
3.2.4试验前准备6。
3。
2.4.1准备工作安排a)内容1)明确作业项目、确定作业人员并组织学习作业指导书.2)明确准备检修所需仪器仪表的时间和要求;3)核定工作票的时间和要求;b)格式6。
高压绝缘测试作业指导书
一、检测设备
W/I高压测试仪
二、试验步骤及方法
1.将高压仪通电开机.
2.将绝缘强度和绝缘阻抗测试时间设置为1分钟.
3.设置绝缘阻抗高压为500V,漏电流为2mA.
4.设置从"W→I"自动测试.
5.连接测试机,将正极红色端接电源插头两脚短路之间,负极黑色端接天线端子或地线上.
6.检查W/I高压仪是否复位,各项设置是否符合测试要求.
7.按"TEST"键开始测试,调节电压旋钮,设置绝缘强度高压3KV.
三、判定基准
绝缘强度高压3KV时,测试1分钟,无报警及其它异常情况即OK.
绝缘阻抗高压DC500V,测试阻抗值>100mΩ即合格.
四、备注
在测试过程中,一定要注意安全操作,不可碰触各高压输出部分.
日本"电取法"中绝缘强度高压为1KV.。
高压试验作业指导书(企业标准编号)工程名称:施工周期:目录1施工准备阶段 ............................................ 错误!未指定书签。
1.1人员组织 ....................................................................................... 错误!未指定书签。
1.2准备工作 ....................................................................................... 错误!未指定书签。
1.3技术交底 ....................................................................................... 错误!未指定书签。
2施工阶段............................................................................................ 错误!未指定书签。
2.1作业(或每个工作日)开工 ....................................................... 错误!未指定书签。
2.2试验电源的使用 ........................................................................... 错误!未指定书签。
2.3施工步骤、方法及标准 ............................................................... 错误!未指定书签。
500kV变压器试验 .................................. 错误!未指定书签。
变压器高压试验标准作业指导书一、引言变压器高压试验是对变压器的绝缘性能进行检测的重要环节,用于验证变压器的安全可靠性。
本标准作业指导书旨在规范变压器高压试验的操作流程和要求,确保测试结果的准确性和可靠性。
二、术语和定义1. 变压器:将电能从一电压等级传输到另一电压等级的电气设备。
2. 高压试验:对变压器进行额定电压以上的电气测试。
3. 绝缘电阻:指变压器绝缘部分的电阻值。
4. 绝缘电阻测试仪器:用于测量变压器绝缘电阻的设备。
三、设备和材料1. 变压器高压试验仪器:包括高压发生器、绝缘电阻测试仪器等。
2. 绝缘测试电源:提供高压试验所需的电源。
3. 安全防护设备:包括绝缘手套、绝缘靴、绝缘帽等。
四、测试前准备1. 检查变压器:确保变压器外观无损坏,绝缘部分无渗漏现象。
2. 检查测试仪器:确认测试仪器工作正常,校准日期有效。
3. 准备电源:连接绝缘测试电源,确保电源电压稳定。
4. 安装安全防护设备:佩戴绝缘手套、绝缘靴、绝缘帽等。
五、测试操作流程1. 连接测试仪器:将高压试验仪器与变压器绝缘部分连接,确保连接牢固。
2. 设置测试参数:根据变压器的额定电压和绝缘电阻要求,设置测试仪器的电压和时间参数。
3. 开始测试:启动测试仪器,开始进行高压试验。
4. 监测测试过程:在测试过程中,实时监测测试仪器的显示数值,确保测试过程正常进行。
5. 记录测试结果:记录测试仪器显示的绝缘电阻数值,并记录测试时间。
6. 停止测试:测试时间到达设定值后,停止测试仪器的工作。
7. 断开连接:断开测试仪器与变压器的连接,确保安全。
8. 处理测试结果:根据测试结果判断变压器的绝缘性能是否合格。
六、测试注意事项1. 安全第一:在进行高压试验时,必须佩戴好安全防护设备,确保人身安全。
2. 严格按照操作流程进行:按照标准的操作流程进行测试,确保测试结果准确可靠。
3. 注意测试环境:测试环境应保持干燥、无尘、无其他电气干扰。
4. 防止过压过流:测试时要根据变压器的额定电压设置合适的测试电压,避免过压过流。
高压测试作业指导书1. 简介高压测试是指对电气设备和电力系统的绝缘性能进行测试的一种方法。
通过高压测试可以检测设备或系统中的绝缘故障,并确定其绝缘性能是否符合要求。
本文档将为您提供高压测试作业的指导,包括测试前准备、测试方法、测试注意事项等内容。
2. 测试前准备2.1 设备检查在进行高压测试之前,必须检查测试设备和测试样品是否符合要求。
如果测试设备存在故障或损坏,就不能进行高压测试。
对于测试样品,在进行测试之前应当检查其结构是否完好,是否存在损坏或异物等现象。
2.2 测试环境检查在进行高压测试之前,应当检查测试环境是否符合要求,包括测试场地的清洁度、通风情况、温度和湿度等因素。
如果测试环境不符合要求,就可能影响测试结果,甚至危及测试人员的安全。
2.3 测试人员准备在进行高压测试之前,应当对测试人员进行培训和指导,使其熟悉测试流程和操作步骤。
测试人员在进行测试之前应当穿戴好防护衣物和安全帽,并使用绝缘手套和绝缘鞋。
3. 测试方法3.1 高压测试仪器的选择高压测试仪器是进行高压测试的关键设备,其种类繁多,需要根据测试要求选择相应的设备。
在选择高压测试仪器时,应当考虑测试电压、电流、频率等因素,并保证测试仪器的精度和可靠性。
常用的高压测试仪器包括交流高压测试仪、直流高压测试仪、接地电阻测试仪等。
3.2 测试设备的配置在进行高压测试之前,应当配置好测试设备。
一般包括测试仪器、测试样品、配套绝缘强度测试电缆、绝缘手套、绝缘鞋、安全帽、防护眼罩、防护服等。
3.3 测试过程的控制在进行高压测试时,应当注意测试过程的控制,包括测试时间的控制、测试电压的选择和控制、测试频率的选择和控制等。
测试时应当严格按照测试流程和操作步骤进行,不得有疏漏和违规行为。
3.4 测试结果的评价高压测试结束后,应当对测试结果进行评价。
评价的主要指标包括绝缘强度、接地电阻、泄漏电流等。
根据评价结果可以得出测试样品的绝缘性能是否符合要求。
高压测试仪作业指导书一、概述高压测试仪是一种用于测试电气设备绝缘强度和耐压能力的仪器。
本作业指导书旨在帮助操作人员正确、安全地使用高压测试仪,并提供相应的操作步骤和注意事项。
二、安全注意事项1. 请确保在使用高压测试仪之前已经具备相关电气知识,并熟悉仪器的操作手册。
2. 在进行高压测试之前,请务必断开设备的电源,并使用接地线将设备接地。
3. 在进行高压测试时,请确保测试环境干燥、通风良好,并避免有可燃物质存在。
4. 在测试期间,严禁触摸高压测试仪的高压端子,以免发生电击事故。
同时,请确保测试人员穿戴防静电手套和防静电鞋。
5. 如果测试中发现任何异常或故障,请立即停止测试并联系维修人员进行处理。
6. 请勿在高压测试仪外部进行任何修改或维修,以免引起设备损坏或危险。
三、操作步骤1. 准备工作a. 确保高压测试仪已正确连接至电源,并接地正确。
b. 确保被测试设备已断开电源,并使用接地线将设备接地。
c. 检查测试仪器的绝缘状态,并进行必要的清洁和维护。
d. 确保测试仪器的测量范围和设置值与被测试设备的要求相匹配。
2. 连接设备a. 将高压测试仪的高压输出端子与被测试设备的绝缘部分连接。
b. 将测试仪器的接地线与设备的接地部分连接,确保接地良好。
3. 设置参数a. 按照被测试设备的要求,设置测试仪器的输出电压、测试时间等参数。
b. 根据需要,选择测试模式,如直流高压或交流高压。
4. 开始测试a. 按下测试仪器上的启动按钮,开始进行高压测试。
b. 观察测试仪器上的显示屏,记录测试结果。
5. 结束测试a. 在测试完成后,释放高压输出并断开测试仪器与被测试设备之间的连接。
b. 关闭高压测试仪的电源。
四、常见问题与故障解决1. 高压测试仪无法正常启动。
a. 检查电源连接是否正确。
b. 检查电源是否正常,并确保电源压力符合要求。
2. 高压测试结果异常。
a. 检查设备的绝缘部分是否存在损坏或污染。
b. 检查测试仪器的测试参数是否设置正确。
高压测试仪作业指导书引言:高压测试仪是一种用于检测和测量高压电器设备的工具。
它被广泛应用于电力行业、工业生产和实验室等领域,用于确保电器设备的正常运行和安全。
本作业指导书将为操作高压测试仪的人员提供详细的操作步骤和注意事项,以确保使用的安全性和准确性。
一、安全措施在操作高压测试仪之前,请务必严格遵守以下安全措施,以防止意外事故的发生:1. 佩戴防护眼镜和绝缘手套,以保护眼睛和手部免受高压电流的伤害。
2. 在操作高压测试仪时,确保周围环境干燥,避免雨天等湿润环境。
3. 避免将高压测试仪暴露在高温或极端寒冷的环境中。
4. 仔细阅读并理解高压测试仪的用户手册,并严格按照说明进行操作。
二、高压测试仪的组装在进行高压测试之前,需要正确组装高压测试仪。
按照以下步骤进行:1. 注意事项:a. 确保所有组装工作在无压状态下进行。
b. 仔细检查所有组件的完整性,如电缆、探头等。
c. 确保所有连接紧固,并没有松动或脱落。
2. 将探头插入高压测试仪,并确保插头牢固连接。
3. 将测试仪的电缆连接到电源,确保电源稳定并符合要求。
4. 检查电缆的完整性,如有破损或裸露的电线,请及时更换。
三、高压测试仪的操作在进行高压测试之前,请按照以下步骤操作高压测试仪:1. 将高压测试仪置于平稳的工作台上,并确保工作台干燥平整。
2. 打开高压测试仪的电源开关,等待设备的预热时间。
3. 设置测试仪的需要测试的电压范围,并确保设备的调节准确。
4. 将待测设备连接到测试仪上,确保连接牢固。
5. 缓慢通过调节旋钮增加电压,注意观察被测设备的反应。
6. 在测试完成后,缓慢减小电压并将电压调节旋钮调至最低档位。
7. 关闭高压测试仪的电源开关,待设备冷却后可以拔下电源线。
四、维护和保养为了确保高压测试仪的长期使用和准确性,应当注意维护和保养:1. 定期清洁高压测试仪的外表面,使用干净的布进行擦拭。
2. 检查电缆和探头的完整性,如有破损需立即更换。
3. 定期校准高压测试仪,确保测量的准确性。
中国3000万经理人首选培训网站
更多免费资料下载请进: 好好学习社区
灯饰高压测试标准作业指导书
1、所有带电部件必须测试高压。
2、只要高压机关机后再开机.就要检查仪表设备是否正常.试机时电压归“0”后试机。
3、手严禁触摸到高压输出端。
4、测试时高压输出端严禁在灯体上拉弧,即来回游动。
5、测试点是消费者经常可触摸到的地方。
6、吊灯测最远距离的灯头部位和金属部份。
7、桌灯.落地灯测插头、电线、开关两接口及金属螺丝处和灯头部份。
8、测试员要经专业培训方可操作,.高压机操作台下方要放胶垫以防高压漏电伤人。
9、欧规及CCC 高压测试:
桌灯、落地灯3750V 0.5MA1-3秒 。
吊灯、壁灯、吸顶灯1750V 1MA 1-3秒。
美规:桌灯、落地灯、吊灯、壁灯、吸顶灯、打高压1250V 0.5MA 1-3秒
沙特及中东亚至世界各国:220V 电压区为欧规标准
110V 电压区为美规标准。
高压电动机试验作业指导书1. 危害辨识1.1 误入其它带电回路而被电击;1.2 误碰周围配电柜断路器控制元件(或分闸机构),引起该回路跳闸;1.3 电缆高压试验时,现场电缆头防护不当(或监护不到位)引起人体电击。
1.4 直流、交流耐压试验时操作失误,导致电机绝缘击穿。
2. 准备阶段2.1 物资:高压验电器一个、安全警示牌2块、遮挡线10米(必要时)。
2.2 工具:高压绝缘电阻表一块、直流耐压设备一套、交流耐压设备一套(必要时)、直流电阻测试仪(或QJ44电桥)一台、电源盘一个、接地线10米、电工工具一套。
2.3 人员:2名(其中至少1名熟练的校验人员)。
2.4 作业前的联系工作:联系总降值班班长,办理《高压设备停电校验操作票》;2.5方案:根据以上内容制定详细的试验方案;2.6 安全学习:根据试验方案,组织参与试验的人员进行安全学习。
3. 实施阶段3.1 验电,确认本电机高配电柜已可靠停电;3.2 拆除避雷器(或过电压吸收器);3.3 拆除电机侧的高压电缆头(电机和电缆需做分体试验时);3.4 按《电机、开关柜试验报告》要求,逐项作以下试验:3.4.1 测电机的三相直流电阻,必要时分相测试;3.4.2 测电机的绝缘电阻(或吸收比),必要时分相测试;3.4.3 测电机的直流泄漏, 必要时分相测试;3.4.4 电机交流耐压试验, 必要时分相测试;3.5 电缆试验:3.5.1 拆除高压柜内的接地线;3.5.2 分别测电缆各相对地及屏蔽层的绝缘电阻(或吸收比);3.5.3 拆除各相电缆的接地线并将其悬空,分别测各根电缆(对多根电缆)屏蔽层对芯线及地的绝缘电阻;3.5.4 分别测电缆各相对地及屏蔽层的直流泄漏;3.6 分析试验结果,若结果合格,则进行以下二项:3.6.1恢复主回路接线;3.6.2通知总降值班班长,本次试验已经完成,本电机可以投入运行。
否则, 进行以下二项:3.6.3通知相关人员进行详细检查、维修;3.6.4重复进行相关项目试验,直至合格(对于以上试验中部分指标不合格、经详细分析为非严重故障的,请示相关领导后,可以适当放宽要求)。
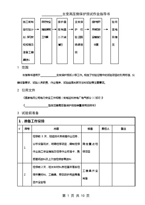
绝缘子盐密测试作业指导书绝缘子盐密测试作业指导书1.目的制定本指导书的目的是规范试验操作,保证试验结果的准确性,为设备运行、监督、检修提供依据。
2.适用范围本作业指导书适用于电力设备外绝缘盐密测量,规定了电力设备预防性试验、检修过程中的盐密测量试验项目的引用标准、仪器设备要求、作业程序、试验结果判断方法和试验注意事项等。
3. 规范性引用文件3.1 DL/596-1996《电力设备预防性试验规程》3.2 Q/CSG 1 0007-2004《电力设备预防性规程》3.3 Q/GXD 126.01-2006《电力设备交接和预防性试验规程》3.4 GB/T16434-1996《高压架空线路和发电厂、变电所环境分区污级及外绝缘选择标准》4. 支持文件4.1试验原始数据记录本4.2上一次试验数据6.试验准备6.1人员需求●高压试验人员2~3人;●所有工作人员需通过每年一次的DL409-91《电业安全工作规程》(发电厂和变电所电气部分)年度考试;·高压试验人员应取得“高压试验”特种资格证书。
6.2 试验设备及工器具清单6.3作业条件·绝缘子盐密取样时间应安排在11月至来年3月之间,在晴天下进行,且空气相对湿度一般不高于80%,遇雷雨天气时,应立即停止工作。
·取样绝缘子不带电,试验场地应保持清洁。
7.试验周期试验项目:绝缘子表面污秽物的等值盐密测量试验周期:1年8.工期定额一串绝缘子半天(包括现场取样及试验室测试)。
9.作业流程试验要求:线路和发电厂、变电所设备外绝缘各污秽等级和对应的盐密按下表规定划分。
12. 试验记录表格(见附录A)附录A绝缘子盐密测量原始数据记录表注:使用直读式盐密仪时,记录的污液电导率为换算至20︒C的值;使用电导率仪时,记录的污液电导率为污液温度下的值。
试验员:记录:校核:。
仪器名称Name:仪器编号NO.123451231HV-DC高压测试2测试电流 2.9mA 制作Made by 审核Confirmed by 日期Date 版本Rev 3测试电压2200V 4测试时间3秒5如测量结果显示为红灯亮,需立即隔离此产品,交工程师维修,分析测试完成后,将测试杆移开,取下产品的插头,将检验结果记录于<高压漏电测试记录>中.测试杆的测试头测试时需点在产品的金属表面,如产品表面无金属件,需用锡纸裹住产品,然后测试点点在锡纸上接通高压漏电测试仪的电源,仪器会自检如(图一)作业员必须经过培训合格后才可操作此高压测试仪测试参数异常处理(Abnormity processing )测试员需站在防静电的胶板上,戴上绝缘手套作检测测试参数为默认设置,除工程师外任何人不可擅自调整测试参数.身体的任一位置不可接触检测杆的测试头,高压危险点检发现不合格,需立即停止测量,并需通知品管部的工程师进行检测,如属机器问题,送计量站进行维修与校定,并追溯之前检测之产品,及全部重检仪器规格/型号Spec/Type 附图Attached drawing :操作方法、步骤(Work process )05033101修理后的产品需再次检查确认注意事项(Notice Item )将图一与高压测试仪连接的点检模拟器上三个黑色按扭(分别为;HV,IS,AI),打入Pass方向,拿起测试杆用测试头点击点检模拟器上的两个黄色铜接触点按下测试杆上的测试按钮,测试结果应该为OK。
再将第一个"HV"打至"Fail"(如箭头A所示)点击两个黄色铜接触点测试结果应该为NG.(每次开机前需进行此点检并记录于高压测试仪点检记录表中)点检合格后,将自检模拟器取下。
将需检测产品卡在夹具上,并将产品的插头接到高压漏电测试仪上手握检测杆,用测试头点击产品表面(见注意事项一),按下测试杆上的测试按钮(见B ),绿灯亮即为合格,亮红灯即为不合格3301K Hight Voltage Tester Working Instruction高压测试仪操作指导书目的:规范高压测试仪的操作,确保测试结果的可靠性。
高压测试作业指导书:一、引言高压测试是一种常用的工程测试方法,用于测试电力设备或电路的绝缘性能和耐受能力。
在进行高压测试时,需要特别注意安全规范和操作流程,以确保测试过程的安全有效。
本指导书将从测试前准备、仪器设备选用、操作步骤和测试结果分析等方面,详细介绍高压测试的作业流程及注意事项。
二、测试前准备1. 确定测试对象:根据具体测试的需要,确定要测试的电力设备或电路。
2. 安全评估:进行安全评估,评估测试所涉及的电压、电流和功率等参数,判断其对人身安全和设备安全的风险。
根据评估结果,制定相应的安全防护措施。
3. 选择测试仪器:根据测试对象的特点和测试要求,选择合适的测试仪器。
测试仪器应符合相关国家标准,并具备合格证书。
4. 检查仪器设备:在进行测试前,应检查测试仪器的状态和使用情况,确保仪器正常工作。
如发现异常,应及时进行维修或更换。
5. 安装测试设备:根据测试对象的特点和测试要求,安装好测试设备。
确保测试设备与电源、地线等连接正确,并接地良好。
6. 准备测试记录表:准备好相应的测试记录表,用于记录测试过程和测试结果。
三、操作步骤1. 现场清理:在进行测试前,应对测试现场进行清理,将有可能影响测试的杂物和障碍物清除。
确保测试现场的环境整洁、无尘和通风良好。
2. 连接测试设备:根据测试对象的特点和测试要求,将测试设备与测试对象进行连接。
连接过程中,应注意连接线的长度和绝缘性能,确保连接稳定可靠。
3. 设置测试参数:根据测试要求,设置好测试仪器的参数。
包括测试电压、测试时间、测试方式等。
参数设置应根据具体情况和要求进行,确保测试结果的准确性。
4. 开始测试:确认测试设备和测试对象的连接正确,进行测试前的安全检查。
然后,按照设定的测试参数,启动测试设备进行测试。
测试过程中,应密切观察测试指示器和仪器显示,确保测试过程安全有效。
5. 记录测试数据:在测试过程中,及时记录测试数据,包括测试电压、测试时间、测试结果等。
电力10kV及以上高压电缆试验作业指导书1 适用范围本指导书适用于10kV高压电缆试验作业。
2 编制依据2.1《铁路电力管理规则》和《铁路电力安全工作规程》(铁运〔1999〕103号)2.2《高速铁路电力管理规则》(铁总运[2015]49号)2.3《铁路电力安全工作规程补充规定》(铁总运[2015]51号)2.4《杭州供电段高速铁路电力设备运行管理细则》2.5《杭州供电段高速铁路电力设备检修管理细则》2.6《杭州供电段普速铁路电力设备运行管理细则》2.7《杭州供电段普速铁路电力设备检修管理细则》3 安全风险提示3.1 风险识别3.1.1 电缆试验过程中存在触电伤害。
3.1.2 电缆试验过程中存在车辆伤害。
3.2 管控措施3.2.1电缆试验过程中必须执行“三戴二穿”制度,合理安排作业人员,做好必要的防护工作。
3.2.2 电缆试验过程中,对于必须停电的高压设备停电要彻底,并在有可能来电的方向设置接地封线,悬挂“禁止合闸,有人工作!”的标示牌。
3.2.3电缆试验需要进入铁路栅栏内的,试验时不得在道心内行走、坐卧,应尽量靠近线路外侧,以免触及断落导线。
3.2.4 电力电缆试验必须在绝缘垫上进行,作业人员必须穿绝缘靴穿工作服,高压试验须两人及以上,一人操作、一人监护。
试验仪器的接线必须正确,防止仪器烧坏,工作人员与使用中的仪器及设备保持足够的安全距离,高压电缆试验结束后试验电缆必须放电。
3.2.7雷雨天气不得进行高压电缆试验作业。
3.2.8高压试验尽可能在室内进行,无关人员不得逗留。
若条件所限,不能在室内进行时,应在离试验高压部位3米处设置围栏,挂“止步,高压危险!”标示牌并设专人监护,禁止无关人员靠近。
4 作业程序4.1试验前准备4.1.1 执行“三戴二穿”制度,合理安排作业人员,作业人员明确所分担的作业任务和作业安全事项。
4.1.2 准备好作业所需的工具材料,如工具包、高低压验电笔、对讲机、照明设备等。
高压测试作业指导书
1.0目的
规范高压测试规程,确保产品的电气安全性能符合要求。
2.0范围
适用于本厂有电气安全要求的材料和成品灯具的高压测试。
3.0品管部指定设备操作规程并负责制定年度校核计划,负责培训员工上岗,装配车间
负责日常使用时的保养与自校。
4.0测试步骤
4.1测试前准备
4.1.1测试前先检查耐压测试仪器各电气部件是否完好,确认OK后打开电源开关,电源指示灯亮。
4.1.2按测试要求设定参数,打开电源,调节高压输出100V,短接两测试笔,观察机器是否报警,电流表是否有指示,若有异常报品管部请专
人维修核校。
4.1.3输出高压的设定:将定时器开关置于“关”的位置,按下启动钮,测试灯亮时,然后将电压调节到所需的测试范围。
4.1.4准备状态已设定好后可进行测试。
4.2测试方法
4.2.1测试电压
4.2.1.1美观灯具耐压1.5KV/S漏电流设置0.5MA。
4.2.1.2欧规I类灯具耐压1.5KV/S漏电流设置1MA。
4.2.1.3欧规II类灯具耐压3750V/S漏电流设置1MA。
4.2.2手动测试:
A 将定时开关置于“关”的位置,按下启动钮,测试灯亮此时仪器高压
部分工作。
B 测试时间2-5秒。
C 当被测物漏电电流大于设定电流时,则仪器自动切断电源同时蜂鸣器报警,超漏指示灯亮,此时被测物不合格,按下复位键,回到准备状态。
4.2.3自动测试
A 自动测试与定时测试结合使用。
B 将定时开关置于“开”的位置,并将定时器设定在所需测试时间。
C 按下自动开关,仪器能自动启动,这时“启动”钮不工作。
D 测试设定时间到时,测试电源被切断,数秒钟后仪器再次启动。
E 若被测物不合格,仪器会自动切断输出高压发出蜂呜报警,此时先断
开被测物,再按下复位钮,仪器可回到自动启动状态。
4.3按要求每隔1小时,自校核机器一次。
确保接线可靠,机器无故障。
5.0品质判定
通过以上测试,当出现蜂鸣器尖叫报警及红色指示灯亮时,则被测
物耐压测试不合格。
反之则OK。
6.0注意事项
6.1测试时,高压棒不能靠近他人及自己。
6.2测试时,不能用手触摸测试件或戴绝缘手套进行。
6.3测试时,不能用高压棒来按动键钮。
6.4不准将输出地线与交流电源线短路,避免外壳带有高压造成危险。
6.5仪器不要在高温,潮湿多尘的环境中使用和存放,避免阳光正面直射。
6.6如高压仪器发生故障,不得私自修理。
6.7未经培训人员,不能操作高压机。
7.0 经测试后的物品需作测试记录并保存。