电缆沟检验批
- 格式:doc
- 大小:176.00 KB
- 文档页数:7
分项工程质量报验申请单工程名称:渝涪二线鱼嘴110kV牵引变外部供电工程编号:01定位及高程控制分项工程质量验收记录编号:01SXMX13:通用报审表单位工程定位放线报审表工程名称:渝涪二线鱼嘴110kV牵引变外部供电工程编号:SXMX13-SG01-001注:本表一式份,由施工项目部填报,业主项目部、监理项目部各存一份,施工项目部存份。
单位工程定位放线检验批质量验收记录编号:表1.1.1分项工程质量报验申请单工程名称:渝涪二线鱼嘴110kV牵引变外部供电工程编号:02注:本表一式六份,由施工项目部填报,业主项目部、监理项目部各一份,施工项目部存四份。
土方开挖分项工程质量验收记录编号:02SXMX13:通用报审表土方开挖报审表工程名称:渝涪二线鱼嘴110kV牵引变外部供电工程编号:SXMX13-SG01-002注:本表一式份,由施工项目部填报,业主项目部、监理项目部各存一份,施工项目部存份。
土方开挖工程检验批质量验收记录编号:表1.1.2分项工程质量报验申请单工程名称:渝涪二线鱼嘴110kV牵引变外部供电工程编号:03注:本表一式六份,由施工项目部填报,业主项目部、监理项目部各一份,施工项目部存四份。
基础垫层分项工程质量验收记录编号:03SXMX13:通用报审表水泥混凝土垫层报审表工程名称:渝涪二线鱼嘴110kV牵引变外部供电工程编号:SXMX13-SG01-003注:本表一式份,由施工项目部填报,业主项目部、监理项目部各存一份,施工项目部存份。
水泥混凝土垫层检验批质量验收记录编号:0102 表1.1.3分项工程质量报验申请单工程名称:渝涪二线鱼嘴110kV牵引变外部供电工程编号:04注:本表一式六份,由施工项目部填报,业主项目部、监理项目部各一份,施工项目部存四份。
基础模板分项工程质量验收记录编号:04SXMX13:通用报审表基础模板安装报审表工程名称:渝涪二线鱼嘴110kV牵引变外部供电工程编号:SXMX13-SG01-004注:本表一式份,由施工项目部填报,业主项目部、监理项目部各存一份,施工项目部存份。
分项工程质量报验申请单工程名称:永和阁西垣沿黄提水35kV变电站新建工程编号:致山西科能电力工程建设监理有限公司监理项目部:我单位已完成了屋外电缆沟土方回填分项工程质量验收记录工作,现报审,请予以审核。
附件:土方回填分项工程质量验收记录施工项目部(章):项目经理:日期:监理项目部审查意见:监理项目部(章):专业监理工程师:日期:注:本表一式四份,由施工项目部填报,业主项目部、监理项目部各一份,施工项目部存两份。
编号:表单位(子单位)工程名称屋外电缆沟分部(子分部)工程名称土石方工程检验批数 2施工单位山西华禧电力工程有限公司项目经理李永青项目技术负责人郭陆军分包单位/ 分包单位负责人/ 分包项目经理/序号检验批及部位、区段施工单位检查结果监理(建设)单位验收结论1 0.6*0.6室外电缆沟土方回填检查评定合格合格2 1.0*1.0室外电缆沟土方回填检查评定合格合格34检验批验收记录完整性核查完整完整备注施工单位检查结果项目专业质量检查员:项目专业技术负责人:年月日监理(建设)单位验收结论专业监理工程师:(建设单位项目专业技术负责人) 年月日编号:表单位(子单位)工程名称屋外电缆沟分部(子分部)工程名称土石方工程分项工程名称土方回填验收部位0.6*0.6室外电缆沟土方回填施工单位山西华禧电力工程有限公司项目经理李永青施工执行标准名称及编号《变电(换流)站土建工程施工质量验收规范》(Q/GDW 1183—2012)《建筑地基基础工程施工质量验收规范》GB50202-2002专业工长(施工员)郭陆军分包单位/ 分包项目经理/类别序号检查项目质量标准单位施工单位自检记录监理(建设)单位验收记录1 基底处理采用素土回填基底采用素土回填,回填前清理干净,无杂物。
主控项目2分层压实系数☆土方回填应填筑压实,且压实系数必须≥0.95。
当采用分层回填时,应在下层的压实系数经试验合格后,才能进行上层施工符合规范要求3 边坡坡度现场基坑边坡尺寸为1:1.2边坡根据施工措施要求设置,现场基坑边坡尺寸为1:1.2。
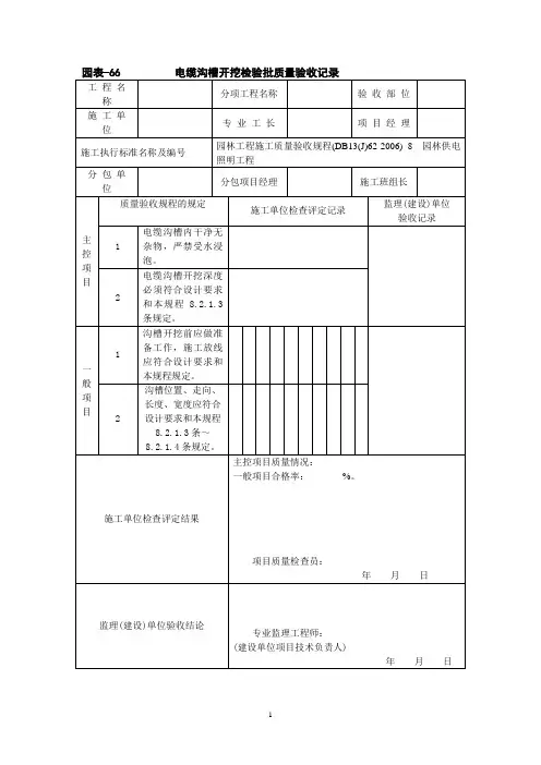
表5.2 直埋电缆沟槽开挖检验批质量验收记录
编号:####
填表说明:
1.本表用于检验批的质量验收,检验批的划分应符合验收范围表的规定。
2.编号由15位数字组成,自左向右分别为单位工程、子单位工程、分部工程、子分部工程、分项工程、检验批序号和流水号组成,流水号3位,其它2位。
3.“检查记录”由项目部质检员在检验批验收时根据检查情况按实填写。
4.“检查结果”由专业监理工程师在检验批验收时根据检查情况手工填写“合格”
或“不合格”。
5.“验收结论”由监理工程师根据主控项目及一般项目的检查验收情况,填写“验收合格”或“验收不合格”。
验收不合格的检验批,监理项目部应签发检查整改通知单,施工项目部组织整改或返工处理后应重新进行验收,并在备注中予以记录。
6.有关验收内容如在表中的检查项目中未包含,应在备注栏进行说明。
分项工程质量报验申请单工程名称:永和阁西垣沿黄提水35kV变电站新建工程编号:致山西科能电力工程建设监理有限公司监理项目部:我单位已完成了屋外电缆沟土方回填分项工程质量验收记录工作,现报审,请予以审核。
附件:土方回填分项工程质量验收记录施工项目部(章):项目经理:日期:监理项目部审查意见:监理项目部(章):专业监理工程师:日期:注:本表一式四份,由施工项目部填报,业主项目部、监理项目部各一份,施工项目部存两份。
编号:表单位(子单位)工程名称屋外电缆沟分部(子分部)工程名称土石方工程检验批数 2施工单位山西华禧电力工程有限公司项目经理李永青项目技术负责人郭陆军分包单位/ 分包单位负责人/ 分包项目经理/序号检验批及部位、区段施工单位检查结果监理(建设)单位验收结论1 0.6*0.6室外电缆沟土方回填检查评定合格合格2 1.0*1.0室外电缆沟土方回填检查评定合格合格34检验批验收记录完整性核查完整完整备注施工单位检查结果项目专业质量检查员:项目专业技术负责人:年月日监理(建设)单位验收结论专业监理工程师:(建设单位项目专业技术负责人) 年月日编号:表单位(子单位)工程名称屋外电缆沟分部(子分部)工程名称土石方工程分项工程名称土方回填验收部位0.6*0.6室外电缆沟土方回填施工单位山西华禧电力工程有限公司项目经理李永青施工执行标准名称及编号《变电(换流)站土建工程施工质量验收规范》(Q/GDW 1183—2012)《建筑地基基础工程施工质量验收规范》GB50202-2002专业工长(施工员)郭陆军分包单位/分包项目经理/类别序号检查项目质量标准单位施工单位自检记录监理(建设)单位验收记录1 基底处理采用素土回填基底采用素土回填,回填前清理干净,无杂物。
主控项目2分层压实系数☆土方回填应填筑压实,且压实系数必须≥0.95。
当采用分层回填时,应在下层的压实系数经试验合格后,才能进行上层施工符合规范要求3 边坡坡度现场基坑边坡尺寸为1:1.2边坡根据施工措施要求设置,现场基坑边坡尺寸为1:1.2。
砖砌电缆沟砌筑工程检验批质量验收记录一、项目概况项目名称:砖砌电缆沟砌筑工程工程位置:(填写具体位置)工程开工日期:(填写开工日期)工程竣工日期:(填写竣工日期)总工程造价:(填写总工程造价)二、工程质量验收情况1.砌筑材料验收(1)砖石材料:按照合同规定,从正规供应商购买的砖石材料,规格尺寸符合要求,外观无明显破损。
(2)砂浆料:按照合同规定,从正规供应商购买的砂浆料,配制过程符合技术要求,砂浆拌合均匀,无结块现象。
2.施工工艺验收(1)基坑开挖:基坑开挖符合设计要求,坑底平整,四周立面垂直且平整。
(2)基础处理:基础处理符合设计要求,基础底部平整,表面无明显凹凸。
(3)砖石砌筑:砖石砌筑按照图纸要求进行,水平、垂直度符合规范要求。
(4)砂浆配比:砂浆配比符合设计要求,拌合均匀,外观均匀。
(5)砂浆浇注:砂浆浇注均匀,未出现严重渗漏现象,浇注高度符合要求。
(6)砌筑工艺:砌筑工艺符合施工规范要求,砖石之间接触紧密,无空鼓现象。
三、现场质量检查1.检查人员:(填写检查人员名称)2.检查时间:(填写检查时间)3.检查内容:(1)砖石材料:检查砖石材料规格尺寸是否符合要求,外观是否有明显破损。
(2)砌筑工艺:检查砖石砌筑质量,水平度、垂直度是否符合规范要求,是否存在空鼓现象。
(3)砂浆配比:检查砂浆配比是否符合设计要求,拌合均匀,外观均匀。
(4)验收标准:根据相关规范和合同要求进行验收。
四、质量验收结论根据现场检查情况和相关验收标准,对砖砌电缆沟砌筑工程进行质量验收,结论如下:1.砖石砌筑材料符合要求,规格尺寸合格,外观无明显破损。
2.施工工艺符合设计要求,砖石之间接触紧密,无空鼓现象。
3.砂浆配比符合设计要求,拌合均匀,外观均匀。
4.砖砌电缆沟砌筑工程通过质量验收,达到了合同要求和相关规范的要求。
五、质量改进措施根据质量验收情况,总结出以下质量改进措施:1.继续加强对砌筑材料的质量检查,确保材料符合要求。
SG—A021 电缆沟内和电缆井内电缆敷设安装工程检验批质量验收记录四川省建设厅制SG—A021填写说明一、本表适用于各种高压电缆、低压电缆、动力电缆、控制电缆等在电缆沟和电缆竖井内敷设的安装工程施工质量验收。
二、该工程的检验批可按电缆井道和电缆的系统和区段来划分。
三、主控项目:1.金属电缆支架、电缆导管必须接地或接零可靠。
2.电缆敷设严禁有绞拧、铠装压扁、护层断裂和表面严重划伤等缺陷。
四、一般项目:1.电缆在支架上敷设最小允许弯曲半径为:①元铅包钢铠护套橡皮绝缘电力电缆≥10D;②有钢铠护套橡皮绝缘电力电缆≥20D;③聚氯乙烯绝缘电力电缆≥10D;④交联聚氯乙烯绝缘电力电缆≥15D;⑤多芯控制电缆≥10D。
2.电缆的首端、末端和分支处应设标志牌。
检查方法:见本规范笫28、0、7条。
下面红色为工作计划模板,不需要的下载后可以编辑删除!谢谢工作计划一、近期今年是在新的工作岗位工作的年,是熟悉工作,履职,方法,积累经验的一年,年中“转变,”,即转变工作角色,工作职责。
转变工作角色:参加工作近十年了,从事的工作一直都单一,以至于对行业的工作所知甚少,以至陌生,县办公室全县的核心机构,工作涉及到全县各行各业,对此,在思考问题,事情时,跳出以前在的思维,摆正的位置,全局意识,转变工作角色。
工作职责:办公室对工作安排,尽快熟悉的工作和职责,熟悉县办公室的规章制度,工作要求;熟悉县办公室总体工作及年初工作,工作任务;三虚心办公室同志的,善于学习、勤于思考,在干中学、学中干,工作的运行和问题的程序;四要与科室同志总结前期工作,工作努力方向。
二、中期在工作职责、工作任务,熟悉工作方的前提下,明年,自身锤炼,政治素质、能力、工作绩效“三个提升”。
提升政治素质:要善于从政治角度看问题。
面临的情况多么,要从政治角度分析判断问题,清醒头脑。
二要政治敏锐性。
密切关注时事、时事,网络、报刊、电视等,敏锐把握方针政策动向,工作的性。
报审/验表
工程名称:国家种质麻类资源圃建设项目建筑安装与田间工程编号:
排水渠槽开挖与地基处理检验批质量验收记录表
编号:__________
模板安装工程检验批质量验收记录表
水泥混凝土垫层检验批质量验收记录表
编号:
混凝土原材料检验批质量验收记录
混凝土配合比设计检验批质量验收记录
混凝土施工检验批质量验收记录
隐蔽工程质量验收记录
市政质检.0.12
工程名称国家种质麻类资源圃建设项目建筑
安装与田间工程
承包单位湖南新宇建筑工程有限公司
单位工程名称排水渠工程分包单位/ 施工部位PSQ-2排水渠KO+000~KO+87检查项目排水渠
检查
内容
及检
查情
况
PSQ-2排水渠KO+000~KO+87段完成情况如下图:
承包
单位
自检
意见
质检员:项目技术负责人:年月日
监理
单位
意见
监理工程师:年月日。