电缆沟全套检验批
- 格式:doc
- 大小:278.50 KB
- 文档页数:9
电缆沟道工程全部的制作检验批验收记录项目名称:电缆沟道工程工程编号:施工单位:监理单位:监理工程师:验收日期:1.项目概况2.验收内容2.1地基处理:验收地基处理是否符合设计要求,地基处理材料是否经过专业试验,地基处理厚度和均匀性是否合格。
2.2沟道开挖:验收沟道开挖的深度、宽度和坡度是否符合设计要求;验收沟道开挖是否顺利、无塌陷、无泥浆倾倒。
2.3沟道基础:验收沟道基础的平整度和坚实度是否符合设计要求;验收沟道基础是否有沉降现象。
2.4沟道面层:验收沟道面层的材料和厚度是否符合设计要求;验收沟道面层是否平整、坚固,无裂缝和空鼓。
2.5排水系统:验收排水系统的设计是否合理,排水管道是否安装牢固,排水口是否通畅。
2.6盖板制作:验收盖板制作所用材料的质量和厚度是否达标,盖板是否合理安装,能否承受一定压力。
2.7其他:根据实际情况添加其他验收内容。
3.验收结果根据以上要求进行现场验收,验收结果如下:3.1地基处理:(记录地基处理的内容、材料和验收结果)3.2沟道开挖:(记录沟道开挖的深度、宽度、坡度和验收结果)3.3沟道基础:(记录沟道基础的平整度、坚实度和验收结果)3.4沟道面层:(记录沟道面层的材料、厚度、平整度和验收结果)3.5排水系统:(记录排水系统的设计、安装情况和验收结果)3.6盖板制作:(记录盖板制作所用材料、安装情况和验收结果)3.7其他:(记录其他验收内容的情况和验收结果)4.验收意见根据以上验收结果,结合相关标准和设计要求,对于电缆沟道工程的质量进行评估和意见反馈:4.1如果整体工程符合设计要求,并通过了验收,庆贺施工单位的优秀表现,鼓励其继续保持良好的工作态度和质量意识。
4.2如果存在不符合设计要求的情况,提出具体问题,并要求施工单位进行整改,直至符合设计要求为止。
4.3如果存在严重质量问题,无法整改或整改后仍无法达到设计要求,建议采取法律措施解决,并对责任单位或责任个人进行追责。
分项工程质量报验申请单工程名称:永和阁西垣沿黄提水35kV变电站新建工程编号:致山西科能电力工程建设监理有限公司监理项目部:我单位已完成了屋外电缆沟土方回填分项工程质量验收记录工作,现报审,请予以审核。
附件:土方回填分项工程质量验收记录施工项目部(章):项目经理:日期:监理项目部审查意见:监理项目部(章):专业监理工程师:日期:注:本表一式四份,由施工项目部填报,业主项目部、监理项目部各一份,施工项目部存两份。
编号:表单位(子单位)工程名称屋外电缆沟分部(子分部)工程名称土石方工程检验批数 2施工单位山西华禧电力工程有限公司项目经理李永青项目技术负责人郭陆军分包单位/ 分包单位负责人/ 分包项目经理/序号检验批及部位、区段施工单位检查结果监理(建设)单位验收结论1 0.6*0.6室外电缆沟土方回填检查评定合格合格2 1.0*1.0室外电缆沟土方回填检查评定合格合格34检验批验收记录完整性核查完整完整备注施工单位检查结果项目专业质量检查员:项目专业技术负责人:年月日监理(建设)单位验收结论专业监理工程师:(建设单位项目专业技术负责人) 年月日编号:表单位(子单位)工程名称屋外电缆沟分部(子分部)工程名称土石方工程分项工程名称土方回填验收部位0.6*0.6室外电缆沟土方回填施工单位山西华禧电力工程有限公司项目经理李永青施工执行标准名称及编号《变电(换流)站土建工程施工质量验收规范》(Q/GDW 1183—2012)《建筑地基基础工程施工质量验收规范》GB50202-2002专业工长(施工员)郭陆军分包单位/ 分包项目经理/类别序号检查项目质量标准单位施工单位自检记录监理(建设)单位验收记录1 基底处理采用素土回填基底采用素土回填,回填前清理干净,无杂物。
主控项目2分层压实系数☆土方回填应填筑压实,且压实系数必须≥0.95。
当采用分层回填时,应在下层的压实系数经试验合格后,才能进行上层施工符合规范要求3 边坡坡度现场基坑边坡尺寸为1:1.2边坡根据施工措施要求设置,现场基坑边坡尺寸为1:1.2。
分项工程质量报验申请单工程名称:永和阁西垣沿黄提水35kV变电站新建工程编号:致山西科能电力工程建设监理有限公司监理项目部:我单位已完成了屋外电缆沟土方回填分项工程质量验收记录工作,现报审,请予以审核。
附件:土方回填分项工程质量验收记录施工项目部(章):项目经理:日期:监理项目部审查意见:监理项目部(章):专业监理工程师:日期:注:本表一式四份,由施工项目部填报,业主项目部、监理项目部各一份,施工项目部存两份。
编号:表单位(子单位)工程名称屋外电缆沟分部(子分部)工程名称土石方工程检验批数 2施工单位山西华禧电力工程有限公司项目经理李永青项目技术负责人郭陆军分包单位/ 分包单位负责人/ 分包项目经理/序号检验批及部位、区段施工单位检查结果监理(建设)单位验收结论1 0.6*0.6室外电缆沟土方回填检查评定合格合格2 1.0*1.0室外电缆沟土方回填检查评定合格合格34检验批验收记录完整性核查完整完整备注施工单位检查结果项目专业质量检查员:项目专业技术负责人:年月日监理(建设)单位验收结论专业监理工程师:(建设单位项目专业技术负责人) 年月日编号:表单位(子单位)工程名称屋外电缆沟分部(子分部)工程名称土石方工程分项工程名称土方回填验收部位0.6*0.6室外电缆沟土方回填施工单位山西华禧电力工程有限公司项目经理李永青施工执行标准名称及编号《变电(换流)站土建工程施工质量验收规范》(Q/GDW 1183—2012)《建筑地基基础工程施工质量验收规范》GB50202-2002专业工长(施工员)郭陆军分包单位/分包项目经理/类别序号检查项目质量标准单位施工单位自检记录监理(建设)单位验收记录1 基底处理采用素土回填基底采用素土回填,回填前清理干净,无杂物。
主控项目2分层压实系数☆土方回填应填筑压实,且压实系数必须≥0.95。
当采用分层回填时,应在下层的压实系数经试验合格后,才能进行上层施工符合规范要求3 边坡坡度现场基坑边坡尺寸为1:1.2边坡根据施工措施要求设置,现场基坑边坡尺寸为1:1.2。
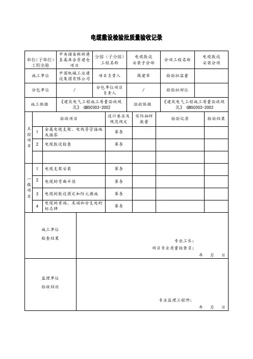
SG—A021 电缆沟内和电缆井内电缆敷设安装工程检验批质量验收记录四川省建设厅制SG—A021填写说明一、本表适用于各种高压电缆、低压电缆、动力电缆、控制电缆等在电缆沟和电缆竖井内敷设的安装工程施工质量验收。
二、该工程的检验批可按电缆井道和电缆的系统和区段来划分。
三、主控项目:1.金属电缆支架、电缆导管必须接地或接零可靠。
2.电缆敷设严禁有绞拧、铠装压扁、护层断裂和表面严重划伤等缺陷。
四、一般项目:1.电缆在支架上敷设最小允许弯曲半径为:①元铅包钢铠护套橡皮绝缘电力电缆≥10D;②有钢铠护套橡皮绝缘电力电缆≥20D;③聚氯乙烯绝缘电力电缆≥10D;④交联聚氯乙烯绝缘电力电缆≥15D;⑤多芯控制电缆≥10D。
2.电缆的首端、末端和分支处应设标志牌。
检查方法:见本规范笫28、0、7条。
下面红色为工作计划模板,不需要的下载后可以编辑删除!谢谢工作计划一、近期今年是在新的工作岗位工作的年,是熟悉工作,履职,方法,积累经验的一年,年中“转变,”,即转变工作角色,工作职责。
转变工作角色:参加工作近十年了,从事的工作一直都单一,以至于对行业的工作所知甚少,以至陌生,县办公室全县的核心机构,工作涉及到全县各行各业,对此,在思考问题,事情时,跳出以前在的思维,摆正的位置,全局意识,转变工作角色。
工作职责:办公室对工作安排,尽快熟悉的工作和职责,熟悉县办公室的规章制度,工作要求;熟悉县办公室总体工作及年初工作,工作任务;三虚心办公室同志的,善于学习、勤于思考,在干中学、学中干,工作的运行和问题的程序;四要与科室同志总结前期工作,工作努力方向。
二、中期在工作职责、工作任务,熟悉工作方的前提下,明年,自身锤炼,政治素质、能力、工作绩效“三个提升”。
提升政治素质:要善于从政治角度看问题。
面临的情况多么,要从政治角度分析判断问题,清醒头脑。
二要政治敏锐性。
密切关注时事、时事,网络、报刊、电视等,敏锐把握方针政策动向,工作的性。
17电缆沟内和电缆竖井内电缆敷设工程检查批施工质量验收17.1一般规定:17.1.1合用范围: 本章合用于变配电室、供电干线工程旳电缆沟内和电缆竖井内电缆敷设施工质量旳验收。
17.1.2检查批旳划分: 按供电区段、施工段或竖井进行划分。
17.1.3.电缆沟和电缆竖井内电缆敷设工程检查批施工质量由监理工程师(建设单位项目技术负责人)组织施工项目质量检查员进行验收。
17.1.4.检查批主控项目旳质量经抽样检查必须所有符合本原则旳规定。
一般项目旳质量经抽样检查每项应有85%及以上旳抽检处或偏差值符合本原则规定。
主控项目和一般项目均应具有完整旳施工操作根据和质量检查(自检、交接检查、专业检查)记录。
17.1.5.电缆沟和电缆竖井内电缆敷设工程检查批施工质量不符合规定期, 应按《黑龙江省建筑工程施工质量验收原则》旳《统一原则》DB23/711—第4.0.6条旳规定执行。
17.2.主控项目17.2.1.金属电缆支架、电缆导管必须接地(PE)或接零(PEN)可靠。
抽检数量: 抽检20%;少于10处, 全数检查。
检查措施: 目测检查。
17.2.2、电缆敷设严禁有绞拧、铠装压扁、护屋断裂和表面严重划伤等缺陷。
抽检数量:抽检20%;少于10处, 全数检查。
检查措施:目测检查。
17.3一般项目17.3.1.电缆支架安装应符合下列规定:1.当设计无规定期, 电缆支架最上层竖井顶部或楼板旳距离不不不小于150—200毫米;电缆支架最下层至沟底或地面旳距离不不不小于50—100毫米。
2、当设计无规定期, 电缆支架层间最小容许距离应符合表17.3.1旳规定;表17.3.1 电缆支架层间最小容许距离(毫米)表格 13.支架与预埋件焊接固定期, 焊缝饱满;用膨胀螺栓固定期, 选用螺栓适配, 连接紧固, 防松零件齐全。
抽检数量: 抽检10%;少于5处, 全数检查。
检查措施:目测检查和尺量检查;螺栓旳紧固程度, 用力矩扳手做拧动试验。
报审/验表工程名称:国家种质麻类资源圃建设项目建筑安装与田间工程编号:致:长沙天城建设项目管理有限公司(监理单位)我方已完成PSQ-2排水渠KO+000~KO+87工作,现报上该工程报验申请表,请予以审查和验收。
附件:检验批/分项工程质量自检结果分部(子分部)工程质量检验资料关键部位或关键工序施工工艺的质量控制措施新材料、新设备、新工艺、新技术施工工艺和证明材料试验室资质资料□其它施工单位(章)湖南新宇建筑工程有限公司项目经理日期2018年月日审查/验收意见:项目监理机构(章)总/专业监理工程师日期排水渠槽开挖与地基处理检验批质量验收记录表编号:__________ 单位(子单位)工程名称国家种质麻类资源圃建设项目建筑安装与田间工程分部(子分部)工程名称排水渠渠验收部位PSQ-2排水渠KO+000~KO+8模板安装工程检验批质量验收记录表编号:单位(子单位)工程名称国家种质麻类资源圃建设项目建筑安装与田间工程分部(子分部)工程名称排水渠渠验收部位PSQ-2排水渠KO+000~KO+87施工单位湖南新宇建筑工程有限公司项目经理蔡翠华分包单位分包项目经理施工执行标准名称及编号砼结构工程施工质量验收规范GB50204-2002施工质量验收规范的规定施工单位检查评定记录监理(建设)单位验收记录主控项目1 模板支撑、立柱位置和垫板符合规定2 避免隔离剂沾污符合规定一般项目1 模板安装的一般要求符合规定2 用作模板地坪、胎膜质量符合规定3 模板起拱高度第4.2..5条符合规定4模板安装允许偏差轴线位置(mm) 5 3 2 5 4 2 1 5 2 3 1截面内部尺寸(mm)基础±10 2 8 1 2 4 1 2 7 3 1柱、墙、梁+4,-57施工单位湖南新宇建筑工程有限公司项目经理蔡翠华分包单位分包项目经理施工执行标准名称及编号施工质量验收规范的规定施工单位检查评定记录监理(建设)单位验收记录主控项目1 原状地基土不得扰动、受水浸泡或受冻符合设计要求2 地基承载力应满足设计要求符合设计要求3进行地基处理时,压实度、厚度满足设计要求符合设计要求一般项目1排水渠槽开挖的允许偏差/mm槽底高程土方±20 -10 -3 6 -5 9 8 -9 -5 -4 -2 -2石方+20,-2002槽底中线每侧宽度不小于规定 4 5 5 4 4 3 3 4 3 4 4 3排水渠槽边坡不陡于规定1:1.4 1:1.5 1:1.4 1:1.5 1:1.5施工单位检查评定结果专业工长(施工员)施工班组长符合设计要求项目专业质量检查员:2018年月日监理(建设)单位验收结论专业监理工程师:(建设单位项目专业技术负责人):年月日层高垂直度(mm)不大于5m 6 大于5m 8相邻两板表面高低差(mm) 2 1 0 2 0 1 0 0 1 2 1 表面平整度(mm) 5 3 2 1 4 2 1 4 5 2 3施工单位检查评定结果专业工长(施工员)施工班组长经检验,符合设计及规范要求。
场地平整检验批报审、报验表注:本表一式二份,项目监理机构、施工单位各一份。
场地平整工程检验批质量验收记录HDT表 0307010101□□□土方开挖检验批报审、报验表注:本表一式二份,项目监理机构、施工单位各一份。
土方开挖工程检验批质量验收记录混凝土工程检验批报审、报验表注:本表一式二份,项目监理机构、施工单位各一份。
混凝土浇筑申请表HDT表编号:编号:商品混凝土进场检查验收记录HDT表编号:注:本表由施工单位现场填写,混凝土生产供应商、监理单位共同签认,施工单位留存。
混凝土工程施工记录HDT表编号:混凝土施工检验批质量验收记录HDT表 0303070203□□□现浇结构外观及尺寸偏差检验批报审、报验表注:本表一式二份,项目监理机构、施工单位各一份。
现浇结构外观及尺寸偏差检验批质量验收记录防水卷材检验批报审、报验表注:本表一式二份,项目监理机构、施工单位各一份。
防水工程隐蔽工程检查验收记录HDT表编号:卷材防水层工程检验批质量验收记录混凝土工程检验批报审、报验表注:本表一式二份,项目监理机构、施工单位各一份。
混凝土浇筑申请表HDT表编号:商品混凝土进场检查验收记录HDT表编号:注:本表由施工单位现场填写,混凝土生产供应商、监理单位共同签认,施工单位留存。
混凝土工程施工记录HDT表编号:混凝土施工检验批质量验收记录HDT表 0303070203□□□现浇结构外观及尺寸偏差检验批报审、报验表注:本表一式二份,项目监理机构、施工单位各一份。
现浇结构外观及尺寸偏差检验批质量验收记录钢筋工程检验批报审、报验表注:本表一式二份,项目监理机构、施工单位各一份钢筋原材料检验批质量验收记录HDT表 0303070201□□□钢筋加工检验批质量验收记录HDT表 0303070201□□□钢筋连接检验批质量验收记录HDT表 0303070201□□□钢筋安装隐蔽工程报审、报验表注:本表一式二份,项目监理机构、施工单位各一份钢筋安装隐蔽工程检查验收记录钢筋安装检验批质量验收记录HDT表 0303070201□□□模板工程检验批报审、报验表注:本表一式二份,项目监理机构、施工单位各一份HDT表 0303070202□□□HDT表 0303070202□□□混凝土工程检验批报审、报验表注:本表一式二份,项目监理机构、施工单位各一份。
电缆沟全套检验批 SANY GROUP system office room 【SANYUA16H-
报审/验表工程名称:国家种质麻类资源圃建设项目建筑安装与田间工程编号:
编号:__________
模板安装工程检验批质量验收记录表
编号:
编号:
010102
混凝土配合比设计检验批质量验收记录
010102
混凝土施工检验批质量验收记录
010102
施工单位检查结果
专业工长:
项目专业质量检查员:2018年月日
监理单位验收结论
专业监理工程师:
年月日
市政质检.0.12
工程名称国家种质麻类资源圃建设
项目建筑安装与田间工程承包单位
湖南新宇建筑工程有限
公司
单位工程名称排水渠工程分包单位/ 施工部位PSQ-2排水渠KO+000~KO+87检查项目排水渠
检查
内容
及检
查情
况
PSQ-2排水渠KO+000~KO+87段完成情况如下图:
承包
单位
自检
意见
质检员:项目技术负责人:年月日。