粉煤灰三氧化硫含量作业指导书
- 格式:doc
- 大小:32.50 KB
- 文档页数:3
粉煤灰三氧化硫查验作业指导书检测依照:GB/T176-2017《水泥化学剖析方法》硫酸盐三氧化硫的测定——硫酸钡重量法(基准法)。
试样制备:采纳四分法将试样缩分至约 100g,经 150μ m 方孔筛筛析后,除掉杂物,用磁铁吸去筛余物中的金属铁。
将筛余物经过研磨后使其所有经过孔径为 150μm 方孔筛,充足混匀,装入干净、干燥的试样瓶中,密封,进一步混匀供测试用。
提示:尽可能快的进行试样制备,以防吸潮。
试剂制备:①盐酸 1+1:将 50mL 的水加入干净的适当容积的烧杯中,而后加入50mL 的市售盐酸(浓度36%),边加边搅拌。
而后转移入试剂瓶中。
②氯化钡溶液( 100g/L ):将 100g 氯化钡( BaCl2· 2H2O)溶于水中,加水稀释至 1L,必需时过滤后使用。
③硝酸银溶液( 5g/L):将 5g 硝酸银(AgNO3)溶于水中,加入1mL 硝酸,加水稀释至 100mL,储存于棕色瓶中。
试验步骤:1、称取约试样( m1),精准至,置于 200mL 的烧杯中,加入 40mL 的水搅拌试样使其完整分别。
2、在搅拌下加入10mL 的盐酸( 1+1)①,用平头玻璃棒压碎块状物,慢慢的加热溶液直至水泥完整分解。
3、将溶液加热微沸5-10min ,用中速滤纸过滤,用热水清洗10-12次,滤液及洗液采集与400mL 烧杯中。
加水稀释至250mL,玻璃棒底部压一小片定量滤纸,盖上表面皿,加热煮沸,在微沸下从杯口迟缓逐滴加入10mL 热的氯化钡溶液②,持续微沸数分钟使沉淀优秀地形成,而后在常温下静置12h-24h, 溶液的体积应保持在约 200mL。
4、将静置过的溶液用慢速滤纸过滤,用热水清洗,用胶头擦棒和定量滤纸片擦洗烧杯及玻璃棒,清洗至查验无氯离子为止(用水冲刷一下漏斗的下端,持续用水清洗滤纸和积淀,将滤液采集于试管中,加几滴硝酸银溶液③,察看试管中的溶液能否污浊。
假如污浊,持续清洗并查验,直至用硝酸银查验不再污浊为止)。
粉煤灰检测试验作业指导书
一.取样
粉煤灰进场时,物设部必须填写委托单,连同供应商提供的质量证明文件,委托试验室进行检验。
每厂家、每品种、每批号检查供应商提供的质量证明文件包括细度、烧失量、含水率、需水量比、三氧化硫含量、碱含量、氯离子含量等指标。
对任何新选货源或同厂家、同批号、同品种、同出厂日期达3个月的粉煤灰进行细度、烧失量、含水率、需水量比、三氧化硫含量、碱含量、氯离子含量等指标进行抽样检测。
进行粉煤灰细度、需水量、烧失量、三氧化硫含量等试验。
按同批号、同品种、同出厂日期的粉煤灰不超过200t抽检一次,不足200t时按一批计。
技术要求如下:
二、检测依据
《用于水泥和混凝土中的粉煤灰》(GB1596—2005);
《粉煤灰混凝土应用技术规范》(GBJ146—90);
《粉煤灰在混凝土和砂浆中应用技术规程》(JGJ28—86)
三、技术要求
四、试验方法:
细度按气流筛法测定;烧失量、三氧化硫含量和含水量应按现行国家标准《水泥化学分析法》测定、需水比按GBJ146-90附录二规定的实验方法测定。
五、验收要求:
每批粉煤灰应有供货单位的出厂合格证,包括:厂名、合格证编号、等级、批号及出厂日期、数量及质量检验结果等;取样按以下规定进行:散装灰从每批不同部位取15份试样,每份不少于1kg,混拌均匀,按四分法缩取出比用量大一倍的试样;袋装灰的取样从每批中任抽10袋,每袋各取试样不少于1kg,混拌均匀,按四分法缩取试样。
粉煤灰的质量检测应满足上表要求,当有一项指标达不到要求时应重新从同一批中加倍取样进行复检,复检后仍达不到要求时,该批粉煤灰应判为不合格品处理。
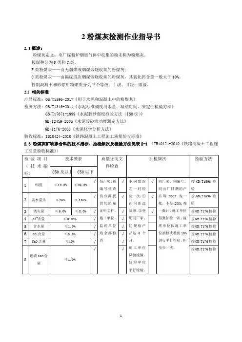
2粉煤灰检测作业指导书2.1概述:粉煤灰定义:电厂煤粉炉烟道气体中收集的粉末称为粉煤灰。
按煤种分为F类和C类。
F类粉煤灰——由无烟煤或烟煤煅烧收集的粉煤灰;C类粉煤灰——由褐煤或次烟煤煅烧收集的粉煤灰,其氧化钙含量一般大于10%。
拌制混凝土和砂浆用粉煤灰分为三个等级:Ⅰ级、Ⅱ级、Ⅲ级。
2.2 相关标准产品标准:GB/T1596-2017《用于水泥和混凝土中的粉煤灰》检测方法:GB/T1346-2011《水泥标准稠度用水量、凝结时间、安定性检验方法》GB/T17671-1999《水泥胶砂强度检验方法(ISO法)》GB/T2419-2005《水泥胶砂流动度测定方法》GB/T176-2008《水泥化学分析方法》验收标准:TB10424-2010《铁路混凝土工程施工质量验收标准》2.3 粉煤灰矿物掺合料的技术指标、抽检频次及检验方法见表2-1(TB10424-2010《铁路混凝土工程施工质量验收标准》)2.4 所用到的仪器设备见表2-2:2.5、环境要求 试验室温度为 20℃±2℃,相对湿度应不低于 50%; 2.6 试验方法(操作规程): 2.6.1 细度,采用标准:GB/T 1345-2005称取烘干试样10.00g ,置于45um 负压筛中,将负压筛放到筛座上,调整负压筛析仪的负压在4000—6000Pa 之间,开动机器连续筛析3min ,如有试样附着在筛盖上,可轻敲筛盖,筛完称量筛余物, 准确至0.01g 。
注:负压筛使用10次后需进行清洗一次,每使用150次后需进行修正,修正系数在0..80-1.20之间。
结果计算:F =%1001⨯G G ;式中:F ——45um 方孔筛筛余,单位为百分数(%);G1——筛余物的质量,单位为克(g ); G ——称取试样的质量, 单位为克(g )。
计算至0.1%。
2.6.2 需水量比,采用标准:GB/T1596-2017 对比试样:称取水泥250g ,标准砂750g ,水125g ,试样:水泥175g ,粉煤灰75g ,标准砂750g ,水按流动度达到对比胶砂流动度±2mm 调整试验前先用湿布擦拭搅拌锅和叶片,将125g 水加入锅中,加入水泥,将搅拌锅上升到搅拌位置,将750g 标准砂装入漏斗内,启动机器,低速搅拌30s ,再第二个30s 内将砂子均匀的加入锅中,再高速搅拌30s ,停拌90s ,用刮具将锅壁上的胶砂刮下,再高速搅拌60s ,停止。
检测作业指导书(粉煤灰的物理性能检验)文件编号:ZJH\ZY—2010-04版本:第B版修改状态:第0次修改颁布日期:2010年2月1日文件受控状态:受控号:编制:审核:批准:200年月日200年月日200年月日1、目的为了有效地进行粉煤灰的物理性能检验工作,统一检验方法,确保可操作性和检验数据的准确性、可靠性。
2、适用范围本作业指导书适用于拌制混凝土和砂浆时作为掺合料的粉煤灰物理性能的测定。
3、检验依据(1)GB/T1596—2005 用于水泥和混凝土中的粉煤灰(2)GB/T 176—1996 水泥化学分析方法(3)GB/T 1346—2001 水泥标准稠度用水量、凝结时间、安定性检验方法4、试验条件粉煤灰安定性检验的试验条件:试验室温度为20±2℃,相对湿度≥50%;水泥试样、粉煤灰试样、拌和水、仪器和用具的温度应与试验室一致;标准养护箱的温度为20±1℃,相对湿度≥90%。
5、粉煤灰的检测频率、取样方法及检验项目(1)检验频率:进厂的每车粉煤灰均须由试验人员取样检测。
(2)取样方法:按GB12573进行。
取样应有代表性,样品总量至少3Kg。
①在散装车上取样时,首先打开全部装料口检查各装料口位置的粉煤灰是否一样,然后用粉煤灰取样器抽取各装料口下面中部的粉煤灰,观察表里是否一致。
当各部位粉煤灰基本一致时,可取一混合样品进行试验。
必要时,还可要求从吹送管吹送出少量粉煤灰进行检查。
②当对仓内正在使用的粉煤灰有怀疑时,可从仓下螺旋输送机下打开盖板取样。
此情况必须通知控制室操作人员配合,注意安全。
(3)检验项目:每次检测至少应进行含水量、细度、需水量比、烧失量检验。
C 类灰还应进行f-CaO 及安定性检验。
每季度应测定SO 3一次。
如对其它指标合格性有怀疑时,应予检验。
对颜色有异、未使用过的粉煤灰,除以上指标外,还应做粉煤灰、水泥、减水剂之间的适应性试验。
6、检验操作方法与步骤(一)粉煤灰含水量的测定:(1)需用仪器:天平(分度值不大于0.05g ),电热干燥箱,蒸发皿。
粉煤灰检验作业指导书标题:粉煤灰检验作业指导书引言概述:粉煤灰是煤燃烧后产生的一种灰状物质,广泛应用于建造、道路、水泥等领域。
为了确保粉煤灰的质量符合标准要求,进行检验是非常重要的。
本文将详细介绍粉煤灰检验的作业指导书,匡助相关人员进行规范的检验操作。
一、检验前准备1.1 确认检验方法:根据国家标准或者相关规范,确定粉煤灰检验的方法和要求。
1.2 准备检验设备:准备好各种必要的检验设备,如天平、研磨机、烘箱等。
1.3 样品处理:将采集到的粉煤灰样品进行标识、研磨、筛分等处理,确保样品代表性。
二、粉煤灰外观检验2.1 观察颜色和形态:用肉眼观察粉煤灰的颜色、颗粒形态等特征,初步判断其质量。
2.2 测定比表面积:利用比表面积仪等设备,测定粉煤灰的比表面积,了解其细度和活性。
2.3 检查杂质:通过目测或者显微镜观察,检查粉煤灰中是否有明显的杂质。
三、粉煤灰化学成份检验3.1 硅酸盐含量测定:采用化学分析方法,测定粉煤灰中的SiO2含量。
3.2 氧化铁含量测定:通过酸浸法等方法,测定粉煤灰中的Fe2O3含量。
3.3 硫酸盐含量测定:利用滴定法或者光度法,测定粉煤灰中的SO3含量。
四、物理性能检验4.1 密度测定:利用密度计等设备,测定粉煤灰的密度,评估其堆积密度和真实密度。
4.2 吸水性测定:通过浸水试验等方法,测定粉煤灰的吸水性,了解其抗渗透性能。
4.3 粒度分析:采用筛分法或者激光粒度仪,对粉煤灰进行粒度分析,确定其颗粒大小分布。
五、检验结果处理5.1 数据统计:将检验得到的数据进行整理和统计,准确记录各项检验结果。
5.2 结果分析:根据检验结果,评估粉煤灰的质量是否符合标准要求,提出改进建议。
5.3 报告编制:编写检验报告,详细描述检验过程、结果和结论,确保检验结果的可靠性和准确性。
结语:通过本文的介绍,相信读者对粉煤灰检验作业有了更清晰的了解。
在进行粉煤灰检验时,务必严格按照检验方法和要求进行操作,确保检验结果的准确性和可靠性,为粉煤灰的质量控制提供有力支持。
粉煤灰检验作业指导书一、引言粉煤灰是一种重要的工业废弃物,广泛应用于建筑材料、水泥制造、路面铺设等领域。
为了确保粉煤灰的质量和安全性,进行粉煤灰检验是必不可少的工作。
本作业指导书旨在提供粉煤灰检验的标准操作步骤,以确保检验结果准确可靠。
二、检验目的粉煤灰检验的目的是评估粉煤灰的物理性质、化学成分和环境影响,以确定其适用性和安全性。
主要检验项目包括粉煤灰的粒度分布、比表面积、化学成分、重金属含量等。
三、检验设备和试剂1. 粒度分析仪:用于测量粉煤灰的粒度分布;2. 比表面积仪:用于测量粉煤灰的比表面积;3. 化学分析仪器:用于测量粉煤灰的化学成分,如碳含量、氧含量等;4. 重金属分析仪器:用于测量粉煤灰中重金属元素的含量;5. 试剂:包括标准溶液、酸碱溶液、指示剂等。
四、检验步骤1. 粒度分布检验:a. 取一定质量的粉煤灰样品,通过粒度分析仪进行粒度分布测试;b. 记录测试结果,包括颗粒大小、颗粒分布曲线等。
2. 比表面积检验:a. 取一定质量的粉煤灰样品,通过比表面积仪进行比表面积测试;b. 记录测试结果,包括比表面积值等。
3. 化学成分检验:a. 取一定质量的粉煤灰样品,通过化学分析仪器进行化学成分测试;b. 测量碳含量、氧含量、硫含量等指标;c. 记录测试结果,包括各项化学成分含量。
4. 重金属含量检验:a. 取一定质量的粉煤灰样品,通过重金属分析仪器进行重金属含量测试;b. 测量铅、镉、汞等重金属元素的含量;c. 记录测试结果,包括各项重金属元素含量。
五、数据处理与分析1. 对于粒度分布数据,可以绘制颗粒分布曲线,分析粉煤灰的颗粒大小分布情况;2. 对于比表面积数据,可以评估粉煤灰的活性和反应性;3. 对于化学成分数据,可以判断粉煤灰的化学性质和适用性;4. 对于重金属含量数据,可以评估粉煤灰的环境影响和安全性。
六、结果报告根据检验结果,编制粉煤灰检验报告,包括样品信息、检验项目、测试结果、数据分析和结论等内容。
粉煤灰检验作业指导书一、引言粉煤灰是在燃烧煤炭时产生的固体废弃物,其化学成分和物理性质对于煤炭的质量和燃烧效果有着重要影响。
为了确保粉煤灰的质量符合相关标准和要求,进行粉煤灰的检验工作是必要的。
本作业指导书旨在提供一套标准的操作流程和方法,以确保检验结果的准确性和可靠性。
二、检验设备和试剂准备1. 粉煤灰检验设备的准备:- 粒度分析仪- 灰分测定仪- 水分测定仪- 硫分测定仪- 碳含量测定仪- X射线荧光光谱仪- 热重分析仪2. 试剂的准备:- 硝酸- 盐酸- 硫酸- 高纯水- 标准物质三、检验项目和方法1. 粒度分析:- 将粉煤灰样品通过筛网进行分级,记录不同粒径的质量百分比。
- 使用粒度分析仪进行粒度分布的测定和分析。
2. 灰分测定:- 将粉煤灰样品放入预称重的瓷盘中,置于炉中加热,直至样品完全燃烧。
- 将燃烧后的瓷盘冷却并称重,计算出灰分的质量百分比。
3. 水分测定:- 将粉煤灰样品放入预称重的烘干皿中,置于烘箱中加热,直至样品质量不再变化。
- 将烘干后的烘干皿冷却并称重,计算出水分的质量百分比。
4. 硫分测定:- 将粉煤灰样品与硝酸和盐酸混合,进行预处理。
- 使用硫分测定仪进行硫含量的测定和分析。
5. 碳含量测定:- 将粉煤灰样品与硝酸和硫酸混合,进行预处理。
- 使用碳含量测定仪进行碳含量的测定和分析。
6. 其他检验项目:- 使用X射线荧光光谱仪进行元素成分的分析。
- 使用热重分析仪进行热重曲线的测定和分析。
四、数据处理和结果分析1. 数据处理:- 对于每个检验项目,记录原始数据和测量结果。
- 进行数据校正和修正,确保数据的准确性和可靠性。
2. 结果分析:- 将各项检验结果进行统计和分析,得出粉煤灰的质量指标。
- 将检验结果与相关标准进行对比,评估粉煤灰的质量是否符合要求。
五、质量控制1. 样品的采集和保存:- 采集样品时应遵循规范的取样方法和取样点。
- 样品在取样后应妥善保存,避免受到外界污染和湿气的影响。
粉煤灰检验作业指导书一、引言粉煤灰是煤炭燃烧产生的固体废弃物,广泛应用于建筑材料、水泥生产、路面铺设等领域。
为确保粉煤灰的质量和安全性,进行粉煤灰的检验是必要的。
本作业指导书旨在提供粉煤灰检验的标准操作流程和相关要求,以确保检验的准确性和可靠性。
二、检验目的粉煤灰检验的主要目的是评估其化学成分、物理特性和质量指标,以确定其适用性和安全性。
三、检验范围1. 粉煤灰的化学成分分析;2. 粉煤灰的物理性质测试;3. 粉煤灰的质量指标检验。
四、检验设备和试剂1. 化学分析设备:包括电子天平、烘箱、石英瓶、滴定管、分析天平等;2. 物理性质测试设备:包括筛分仪、比表面积仪、密度计等;3. 试剂:包括硫酸、盐酸、硝酸、氢氧化钠等。
五、检验方法1. 粉煤灰的化学成分分析1.1 硫分析:取一定质量的粉煤灰样品,加入硝酸和过量的氢氧化钠,加热至沸腾,滴加稀盐酸至中性,然后用硫酸滴定,记录滴定所需的硫酸体积,计算硫的含量;1.2 灰分析:取一定质量的粉煤灰样品,加热至600℃,然后称量残渣质量,计算灰分含量;1.3 主要元素分析:采用化学分析方法,如原子吸收光谱法、火焰光度法等,测定粉煤灰中主要元素的含量。
2. 粉煤灰的物理性质测试2.1 粒度分析:使用筛分仪,将粉煤灰样品按照一定的筛孔直径进行筛分,记录每个筛孔中的残渣质量,并计算粒度分布;2.2 比表面积测试:使用比表面积仪,测定粉煤灰的比表面积,以评估其活性;2.3 密度测试:使用密度计,测定粉煤灰的密度,以评估其堆积性能。
3. 粉煤灰的质量指标检验根据粉煤灰的应用领域和相关标准,对其质量指标进行检验,如水泥中粉煤灰掺量、路面铺设中粉煤灰颗粒大小等。
六、检验结果与判定根据检验方法得到的数据,与相关标准进行对比,以判定粉煤灰是否符合要求。
如果超出规定的范围,需要进行进一步的分析和评估。
七、记录与报告对于每次检验,应记录检验方法、仪器设备、试剂使用情况、样品信息、检验结果等内容。
粉煤灰检验作业指导书本作业指导书参照GB/T1596—2005《用于水泥和混凝土中的粉煤灰》、GB/T176—1996《水泥化学分析方法》、GB/T2419—2005《水泥胶砂流动度测定方法》、GB/T8077—2000《外加剂匀质性检验方法》编制。
一、检验批以连续进厂同厂家、同等级200t为一验收批,不足200t按一批计。
对初使用厂家的粉煤灰,厂家应出具型式检验报告,本公司对粉煤灰应检验:细度、烧失量、含水量和需水量比。
每批检验项目为:细度、烧失量和含水量。
每车检验项目为:细度。
二、取样应从不同部位取15份试样,每份试样不少于1kg,混合拌匀,按四分法,缩取出比试验所需量大一倍的试样。
三、细度1、仪器1.1、负压筛析仪及0.045mm方孔筛。
1.2、天平:精度0.01g2、试验程序2.1、称取试样10g精确至0.01g,倒入0.045mm方孔筛筛网上,将筛子置于筛座上,盖上筛盖。
2.2、接通电源,将定时开关开到3min,开始筛析。
2.3、开始工作后,观察负压表,使负压稳定在4000Pa—6000Pa。
若负压小于4000Pa,则应停机,清理收尘收器中的积灰后再进行筛析。
2.4、在筛析过程中,可用轻质木棒或硬橡胶棒轻轻敲打筛盖,以防吸附。
2.5、3min后筛析自动停止,停机后观察筛余物,如出现颗粒成球、粘筛或有细颗粒沉积在筛框边缘,用毛刷将细颗粒轻轻刷开,将定时开关固定在手动位置,再筛析1min—3min直至筛分彻底为止。
将筛网内的筛余物收集并称量,准确到0.01g。
3、结果计算筛余百分数X(%)按下式计算:F=(G1/G)×100 结果:F C=F.K筛网校正系数K=m0/m (m0-标准样品筛余标准值;m-标准样品筛余实测值)式中:F——45um方孔筛筛余,单位为百分数(%);G1——筛余物的质量,单位为克(g);G——称取试样的质量,单位为克(g)。
四、烧失量1、仪器1.1、天平:不应低于四级,精确至0.0001g1.2、坩埚:带盖,容量15~30mL。
粉煤灰检验作业指导书标题:粉煤灰检验作业指导书引言概述:粉煤灰是一种重要的工业废弃物,其检验工作对于保障环境和人体健康具有重要意义。
本文将详细介绍粉煤灰检验作业的指导书,帮助检验人员准确、规范地进行检验工作。
一、准备工作1.1 确定检验项目:在进行粉煤灰检验前,首先需要确定检验项目,包括粒度分析、化学成分分析、物理性能测试等。
1.2 准备检验设备:根据检验项目的要求,准备好各种检验设备,如筛分仪、化学分析仪器、物理性能测试仪器等。
1.3 制定检验计划:根据检验项目和设备的准备情况,制定详细的检验计划,包括检验流程、时间安排等。
二、取样和样品制备2.1 取样方法:在取样过程中要遵循规范的取样方法,确保取样的代表性和准确性。
2.2 样品制备:根据检验项目的要求,对取得的样品进行制备处理,如研磨、干燥等,以保证检验结果的准确性。
2.3 样品保存:对制备好的样品进行正确的保存,避免受到外界环境的影响,确保检验结果的可靠性。
三、检验过程3.1 粒度分析:使用筛分仪等设备进行粒度分析,按照标准程序进行操作,记录结果并进行数据处理。
3.2 化学成分分析:使用化学分析仪器进行化学成分分析,注意操作规范和安全措施,确保结果准确可靠。
3.3 物理性能测试:使用物理性能测试仪器进行吸水性、抗压强度等性能测试,按照标准程序进行操作,记录结果并进行分析。
四、数据处理与分析4.1 数据记录:将检验过程中得到的数据记录在检验报告中,确保数据的完整性和准确性。
4.2 数据分析:对记录的数据进行分析,比对标准要求,评估检验结果的合格性,并对不合格项目进行分析和处理。
4.3 撰写检验报告:根据检验结果编写检验报告,包括检验项目、方法、结果等内容,确保报告的准确性和完整性。
五、质量控制与质量保证5.1 质量控制:在检验过程中要严格执行质量控制措施,包括设备校准、操作规范等,确保检验结果的准确性和可靠性。
5.2 质量保证:建立健全的质量保证体系,包括人员培训、标准操作程序、检验设备维护等,提高检验工作的质量和效率。
粉煤灰检验作业指导书一、引言粉煤灰是燃煤发电厂产生的一种固体废弃物,其化学成份和物理性质对环境和人类健康具有重要影响。
为了保障粉煤灰的质量和安全性,进行粉煤灰检验是必要的。
本作业指导书旨在提供粉煤灰检验的标准操作流程和方法,确保检验结果准确可靠。
二、检验目的粉煤灰检验的主要目的是评估粉煤灰的化学成份、物理性质和环境安全性,以确定其是否符合相关标准和法规的要求。
通过检验,可以为粉煤灰的合理利用和处理提供科学依据。
三、检验范围本检验指导书适合于粉煤灰的常规检验项目,包括但不限于以下内容:1. 粉煤灰的化学成份分析;2. 粉煤灰的物理性质测试;3. 粉煤灰中重金属元素的含量检测;4. 粉煤灰中有害物质的检测。
四、检验设备和试剂1. 检验设备:(1) 粉煤灰样品研磨仪;(2) 粉煤灰样品烘箱;(3) 粉煤灰样品筛分仪;(4) 粉煤灰样品消解仪;(5) 原子吸收光谱仪;(6) 离子色谱仪;(7) 粉煤灰样品分析天平;(8) pH计;(9) 粉煤灰样品分析显微镜。
2. 试剂:(1) 相应浓度的酸碱溶液;(2) 标准物质溶液。
五、检验步骤1. 样品采集和制备:(1) 从燃煤发电厂的粉煤灰堆场中随机采集若干个样品,并进行标识;(2) 将样品送至实验室,进行样品制备,包括研磨、筛分和干燥等步骤。
2. 化学成份分析:(1) 将粉煤灰样品进行消解,得到可溶性物质;(2) 使用原子吸收光谱仪分析样品中金属元素的含量;(3) 使用离子色谱仪分析样品中阴离子的含量。
3. 物理性质测试:(1) 测定粉煤灰的比表面积,使用比表面积测试仪;(2) 测定粉煤灰的颗粒大小分布,使用粒度分析仪;(3) 测定粉煤灰的水分含量,使用烘箱和分析天平。
4. 重金属元素含量检测:(1) 将粉煤灰样品进行消解,得到可溶性物质;(2) 使用原子吸收光谱仪分析样品中重金属元素的含量。
5. 有害物质检测:(1) 测定粉煤灰样品的pH值,使用pH计;(2) 使用显微镜观察粉煤灰样品中的微观结构。
粉煤灰检验作业指导书一、引言粉煤灰是燃煤过程中产生的固体废弃物,广泛应用于建筑材料、混凝土、道路建设等领域。
为了确保粉煤灰的质量和安全性,进行粉煤灰的检验是必要的。
本作业指导书旨在提供粉煤灰检验的标准操作流程,以确保检验结果的准确性和可靠性。
二、检验项目及标准1. 粉煤灰外观检验根据粉煤灰的外观特征,包括颜色、形态等进行检验。
合格的粉煤灰应为灰白色或灰色,颗粒细腻均匀。
2. 粉煤灰化学成分检验检验粉煤灰的化学成分,包括主要元素的含量和氧化物的含量。
检验项目包括:硅酸盐含量、氧化铝含量、氧化铁含量、氧化钙含量、氧化镁含量等。
检验结果应符合相关标准要求。
3. 粉煤灰物理性能检验检验粉煤灰的物理性能,包括比表面积、密度、吸水性等。
检验结果应符合相关标准要求。
4. 粉煤灰热学性能检验检验粉煤灰的热学性能,包括热容、热导率等。
检验结果应符合相关标准要求。
5. 粉煤灰有害物质检验检验粉煤灰中有害物质的含量,包括重金属元素、放射性元素等。
检验结果应符合相关标准要求。
三、检验设备和试剂1. 检验设备包括粉煤灰样品研磨仪、电子天平、测定热容仪、比表面积仪等。
2. 试剂包括盐酸、硝酸、硫酸等化学试剂,以及标准物质。
四、检验操作流程1. 样品采集从粉煤灰生产过程中采集代表性样品,并进行标识。
2. 样品制备将采集到的样品进行研磨,使其颗粒细化,以提高检验的准确性。
3. 外观检验观察样品的颜色、形态等特征,记录检验结果。
4. 化学成分检验a. 准备样品溶液:将样品与适量的酸溶液混合,加热至溶解。
b. 过滤溶液:将样品溶液过滤,去除杂质。
c. 检测溶液中的元素含量:使用化学分析方法,测定样品溶液中各元素的含量。
5. 物理性能检验a. 比表面积测定:使用比表面积仪测定样品的比表面积。
b. 密度测定:使用电子天平测定样品的密度。
c. 吸水性测定:将样品置于水中,测定其吸水量。
6. 热学性能检验a. 热容测定:使用测定热容仪测定样品的热容。
粉煤灰性能试验专业指导书(NTJCZ-TG24)1适用范围本专业指导书适用一般工业与民用建筑及市政道路中粉煤灰性能的试验。
2执行标准《用于水泥和混凝土中的粉煤灰》GB1596-913 技术要求3.3.44.1 烧失量、含水量和三氧化硫按GB176进行。
4.2 细度采用气流筛析仪(又称负压筛析仪)。
主要由筛座、筛子、真空源及收尘器等组成。
利用气流作为筛分的动力和介质,通过旋转的喷嘴喷出的气流作用使筛网里的待测粉状物料呈流态化,并在整个系统负压的作用下将细颗料通过筛网抽走,从而达到筛分的目的。
试验步骤:称取试样50g,精确至0.1g。
倒入0.045mm方孔筛筛网上,将筛子置于筛座上,盖上筛盖。
接通电源,将定时开关开到3min,开始筛析。
开始工作后,观察负压表,负压大于2000Pa时,表示工作正常,若负压小于2000Pa,则应停机,清理收尘器中的积灰后再进行筛析。
在筛析过程中,可用轻质木棒或硬橡胶棒轻轻敲打筛盖,以防吸附。
3min后筛析自动停止,停机后将筛网内的筛余物收信并称量,准确至0.1g。
结果计算:筛余百分数X(%)按式(A1)计算:X=G*2 (A1)式中:G——筛余物重量。
4.3 需水量比本测定方法是依GB2419分别测定试验样品和对比样品达到同一流动度125~135mm范围的加水量之比。
样品:试验样品:90g粉煤灰,210g硅酸盐水泥和750g标准砂。
对比样品:300g硅酸盐水泥,750g标准砂。
试验步骤:按GB2419进行。
分别测定试验样品的流动度达到125~135mm时的需水量W1(mL)和对比样品达到同一流动度时的需水量W2(mL)。
结果计算:粉煤灰需水量比按式(B1)计算:需水量比=W1/W2*100 (B1)计算结果取整数。
4.4 28天抗压强度比方法原理:水泥胶砂抗压强度比按GB177进行,分别测定试验样品的28天抗压强度R1和对比样品的28天抗压强度R2。
试样制备粉煤灰a.含水量小于1%;b.细度(0.08.mm方孔筛筛余)5%~7%。
粉煤灰检验作业指导书1、检验频次任何新选货源或同厂家、同批号、同品种、同出厂日期产品达3个月做一次全面检验;每批不大于120t同厂家、同批号、同品种、同出厂日期粉煤灰做一次现场抽验。
2、检测项目全面检验为细度、烧失量、含水率、需水量比、三氧化硫含量、碱含量、氯离子含量共7项指标;现场抽验时为细度、烧失量、需水量、含水量4项指标。
序项目技术要求(C50及以上混凝土)1 细度(%)≤122 氯离子含量(%)≤0.023 需水量比(%)≤1004 烧失量(%)≤5.05 含水率(%)≤1.0(排灰)6 SO3含量(%)≤3.03、主要试验仪器水泥胶砂搅拌机、水泥流动度测定仪、水泥细度负压筛析仪、高温炉、电子天平等。
4、检测评定依据《用于水泥和混凝土中的粉煤灰》GB/T 1596-2005《水泥化学分析方法》GB/T 176-1996《预制后张法预应力混凝土铁路桥简支T梁技术条件TB》T3043-20055、细度试验⑴、样品制备:从10个以上不同部位取等量样品,总量至少3kg。
将测试用的粉煤灰样品置于105℃~110℃烘干至恒重,取出放在干燥器中冷却至室温。
⑵、称取试样约10g,准确至0.01g,倒入45μm方孔筛筛网上,将筛子置于筛座上,盖上筛盖。
⑶、接通电源,将定时开关固定在3min,开始筛析。
⑷、开始工作后,观察负压表,使负压稳定在4000Pa~6000Pa,若负压小于4000Pa,则应停机,清理收尘器中的积灰后在进行筛析。
⑸、在筛析过程中,可用轻质木棒或硬橡胶棒轻轻敲打筛盖,以防吸附。
⑹、 3min后筛析自动停止,停机后观察筛余物,如出现颗粒成球、粘筛或有细颗粒沉积在筛框边缘,用毛刷将细颗粒轻轻刷开,将定时开关固定在手动位置,再筛析1min~3min直至筛分彻底为止,将筛网内的筛余物收集并称重,准确至0.01g。
⑺、结果计算:45μm方孔筛筛余百分率按下式计算:F=(G1/G)×100(%)式中:F—45μm方孔筛筛余百分率(%)6、需水量试验⑴、胶砂配比:胶砂配比按下表:胶砂种类水泥(g)粉煤灰(g)标准砂(g)加水量(ml)对比胶砂250 —750 125试样胶砂175 75 750按流动度达到130mm~140mm调整⑵、操作步骤:①试样胶砂按GB/T17671规定进行搅拌②搅拌后的试样胶砂按GB/T2419测定流动度,当流动度在130mm~140mm 范围内,记录此时的加水量,当流动度小于130mm或大于140mm时,重新调整加水量,直至流动度达到130mm~140mm为止。
粉煤灰检验作业指导书引言:粉煤灰是燃煤过程中产生的一种固体废弃物,其化学成份和物理性质对工程建设和环境保护具有重要影响。
为了确保粉煤灰的质量和安全性,进行检验是必不可少的。
本文将详细介绍粉煤灰检验的作业指导书,匡助相关人员正确进行检验工作。
一、检验前准备1.1 确认检验标准:在进行粉煤灰检验之前,首先要确认所采用的检验标准,包括国家标准、行业标准或者企业标准。
1.2 准备检验设备:准备好所需的检验设备和仪器,如烘箱、天平、试验砂筛、离心机等。
1.3 样品准备:按照标准要求,采集粉煤灰样品,并进行样品分析和标识。
二、检验项目及方法2.1 粒度分析:采用试验砂筛进行粉煤灰的粒度分析,按照标准要求筛分不同粒径的颗粒。
2.2 化学成份分析:通过化学分析仪器,对粉煤灰中的主要化学成份进行分析,如SiO2、Al2O3、Fe2O3等。
2.3 物理性质测试:测定粉煤灰的比表面积、密度、吸水率等物理性质,以评估其适合性和品质。
三、检验操作流程3.1 样品制备:按照标准要求,对粉煤灰样品进行制备,包括干燥、研磨等操作。
3.2 检验操作:按照检验项目和方法,挨次进行粒度分析、化学成份分析和物理性质测试。
3.3 数据处理:对检验结果进行统计和分析,编制检验报告并保存相关数据。
四、检验结果评定4.1 结果分析:根据检验结果,对粉煤灰的质量和性能进行评定,判断是否符合标准要求。
4.2 异常处理:如果检验结果异常,需要及时进行原因分析,并采取相应的措施进行调整和改进。
4.3 结果报告:编制检验报告,详细记录检验结果、操作过程和评定结论,确保检验工作的可追溯性。
五、检验后工作5.1 结果应用:根据检验结果,及时调整生产工艺和质量控制措施,确保产品质量和安全性。
5.2 设备维护:定期对检验设备进行维护和校准,保证检验结果的准确性和可靠性。
5.3 经验总结:对检验过程中的问题和经验进行总结,为今后的检验工作提供参考和改进方向。
结语:粉煤灰检验作业指导书是保证产品质量和安全的重要工具,正确的检验操作流程和方法能够有效提高检验工作的准确性和可靠性。
粉煤灰三氧化硫检验作业指导书检测依据:GB/T176-2017 《水泥化学分析方法》硫酸盐三氧化硫的测定——硫酸钡重量法(基准法)。
试样制备:采用四分法将试样缩分至约100g,经150卩m方孔筛筛析后,除去杂物,用磁铁吸去筛余物中的金属铁。
将筛余物经过研磨后使其全部通过孔径为150卩m方孔筛,充分混匀,装入干净、干燥的试样瓶中,密封,进一步混匀供测试用。
提示:尽可能快的进行试样制备,以防吸潮。
试剂制备:①盐酸1+1 :将50mL的水加入洁净的适量容积的烧杯中,然后加入50mL的市售盐酸(浓度36%,边加边搅拌。
然后转移入试剂瓶中。
②氯化钡溶液(100g/L ):将100g氯化钡(BaCb • 2HO)溶于水中,加水稀释至1L,必要时过滤后使用。
③硝酸银溶液(5g/L ):将5g硝酸银(AgNO)溶于水中,加入1mL 硝酸,加水稀释至100mL,贮存于棕色瓶中。
试验步骤:1、称取约试样(m)精确至,置于200mL的烧杯中,加入40mL 的水搅拌试样使其完全分散。
2、在搅拌下加入10mL的盐酸(1+1 [①,用平头玻璃棒压碎块状物,慢慢的加热溶液直至水泥完全分解。
3、将溶液加热微沸5-10min ,用中速滤纸过滤,用热水洗涤10-12 次,滤液及洗液收集与400mL烧杯中。
加水稀释至250mL,玻璃棒底部压一小片定量滤纸,盖上表面皿,加热煮沸,在微沸下从杯口缓慢逐滴加入10mL热的氯化钡溶液②,继续微沸数分钟使沉淀良好地形成,然后在常温下静置12h-24h, 溶液的体积应保持在约200mL。
4、将静置过的溶液用慢速滤纸过滤,用热水洗涤,用胶头擦棒和定量滤纸片擦洗烧杯及玻璃棒,洗涤至检验无氯离子为止(用水冲洗一下漏斗的下端,继续用水洗涤滤纸和沉淀,将滤液收集于试管中,加几滴硝酸银溶液③ ,观察试管中的溶液是否浑浊。
如果浑浊,继续洗涤并检验,直至用硝酸银检验不再浑浊为止)。
5、将沉淀及滤纸一并移入灼烧恒量的瓷坩埚中,灰化完全后,放入800-950 C的高温炉内灼烧30min以上。
粉煤灰三氧化硫检验作业指导书
检测依据:
GB/T176-2017《水泥化学分析方法》6.5硫酸盐三氧化硫的测定——硫酸钡重量法(基准法)。
试样制备:
采用四分法将试样缩分至约100g,经150μm方孔筛筛析后,除去杂物,用磁铁吸去筛余物中的金属铁。
将筛余物经过研磨后使其全部通过孔径为150μm方孔筛,充分混匀,装入干净、干燥的试样瓶中,密封,进一步混匀供测试用。
提示:尽可能快的进行试样制备,以防吸潮。
试剂制备:
①盐酸1+1:将50mL的水加入洁净的适量容积的烧杯中,然后加入50mL的市售盐酸(浓度36%),边加边搅拌。
然后转移入试剂瓶中。
②氯化钡溶液(100g/L):将100g氯化钡(BaCl2·2H2O)溶于水中,加水稀释至1L,必要时过滤后使用。
③硝酸银溶液(5g/L):将5g硝酸银(AgNO3)溶于水中,加入1mL 硝酸,加水稀释至100mL,贮存于棕色瓶中。
试验步骤:
1、称取约0.5g试样(m1),精确至0.0001g,置于200mL的烧杯中,加入40mL的水搅拌试样使其完全分散。
2、在搅拌下加入10mL的盐酸(1+1)①,用平头玻璃棒压碎块状物,慢慢的加热溶液直至水泥完全分解。
3、将溶液加热微沸5-10min,用中速滤纸过滤,用热水洗涤10-12次,滤液及洗液收集与400mL烧杯中。
加水稀释至250mL,玻璃棒底部压一小片定量滤纸,盖上表面皿,加热煮沸,在微沸下从杯口缓慢逐滴加入10mL热的氯化钡溶液②,继续微沸数分钟使沉淀良好地形成,然后在常温下静置12h-24h,溶液的体积应保持在约200mL。
4、将静置过的溶液用慢速滤纸过滤,用热水洗涤,用胶头擦棒和定量滤纸片擦洗烧杯及玻璃棒,洗涤至检验无氯离子为止(用水冲洗一下漏斗的下端,继续用水洗涤滤纸和沉淀,将滤液收集于试管中,加几滴硝酸银溶液③,观察试管中的溶液是否浑浊。
如果浑浊,继续洗涤并检验,直至用硝酸银检验不再浑浊为止)。
5、将沉淀及滤纸一并移入灼烧恒量的瓷坩埚中,灰化完全后,放入800-950℃的高温炉内灼烧30min以上。
取出坩埚,置于干燥器中冷却至室温,称量。
反复灼烧,直至恒量后置于干燥器中冷却至室温后称量(m2)。
6、三氧化硫的质量百分数:
ωso3=(m2-m02)×0.343÷m1×100
式中:
ωso3——硫酸盐三氧化硫的质量分数(%);
m2——灼烧后沉淀的质量,单位为克(g);
m02——空白试验灼烧后沉淀的质量,单位为克(g);
m1——试料的质量,单位为克(g);
0.343 ——硫酸钡对三氧化硫的换算系数。
注意事项:
1、试验前必须检查所有仪器设备,确保设备功能使用正常。
2、电子天平必须正确暗访在水平、坚固、稳定、无振动的工作台面上;调节天平平衡,使水平仪内的水平泡位于圆环的中央。
3、注意称量纸是否干燥。
4、恒量:经第一次灼烧、冷却、称量后,通过连续对每次15min 的灼烧,然后冷却,称量的方法来检查恒定质量,当连续两次称量之差小于0.0005g,即达到恒量。
5、接触高温物品时必须戴好干燥的隔热手套。
6、试验结束后应关闭电源,清洁仪器。