稻谷检验记录及检验分析报告
- 格式:doc
- 大小:48.50 KB
- 文档页数:3
水稻谷物品质分析报告段汝顺七星农场北大荒现代农业发展中心一、目的意义品质分析是指利用科学分析手段,对农产品(主要是植物性农产品)的品质进行检测,根据检测结果和国家指标,进行质量评估,进而选育出优良品种,生产出质量合格的农产品。
为了筛选出适合当地种植的优质特色品种,提高种植效益。
2010年对研发中心新种植的23个水稻品种进行品质分析。
二、样品数量和栽培技术(一)样品数量试验品种空育131、龙粳20、龙粳27、龙粳29、龙粳21、绥粳10、绥粳13、龙粳26、垦稻17、垦稻19、龙粳28、龙粳25、垦稻20 、垦稻21、垦粳3号、空育163、绥粳4号、龙粳香1号、莎莎妮、稼禾红玉、稼禾丽稻、龙香稻2号、东农428等23个品种均采集于研发中心试验园区。
(一)样品采集收割前在长势均匀的稻田随机选取3?,人工割晒,三天后脱粒;待水分稳定后参照“GB1350-2009米质测定方法”进行品质分析。
(二)样品前处理在稻谷水分14%?1时,随机取2kg稻谷,采用四分法处理取回的样品,获得500g均匀稻谷。
然后使用法国CHOPIN样品杂质清选分离机1min对500g稻谷清除杂质。
再使用KETT砻谷机磨糙米磨制2次。
最后使用山本有限公司生产的砻谷机VP-32型精米机加工精米磨制1min,过2mm筛孔得到整精米。
三、结果与分析(一)加工品质加工品质是指检测稻米的糙米率、精米率、整精米率、白度等品质。
根据GB1350-200的标准:国家一等米要求出糙率?81%,整精米率?61%。
使用KETT砻谷机磨糙米2次测糙米率。
整精米率用山本有限公司生产的砻谷机VP-32型精米机加工1min测得。
C-300白度计测白度。
表1稻米碾磨品质品种(系) 糙米率(,) 精米率(,) 整精米率(,) 白度空育131 84.4 72.7 68.5 35.1垦稻20 84.9 70.7 66.3 41.3垦稻19 84.0 72.0 66.8 41.6垦稻17 83.3 72.1 68.2 36.4垦稻21 85.4 72.7 68.0 40.2绥粳13 83.1 72.0 68.3 39.5绥粳10 82.4 69.9 68.4 38.4龙粳29 84.8 73.0 71.1 40.4龙粳28 84.3 72.2 69.4 36.1龙粳25 85.3 73.8 70.8 35.8垦粳3号 84.3 69.3 67.2 41.1龙粳20 83.6 71.3 68.0 42.0龙粳27 84.3 71.8 65.9 34.2龙粳26 83.8 70.2 66.0 40.1龙粳21 82.8 70.0 66.3 38.3东农428 82.1 60.6 56.7 37.7空育163 83.4 70.4 68.7 40.8龙香稻2 81.7 71.4 67.7 36.0龙粳香1 82.9 70.2 67.9 38.5绥粳4 83.8 71.1 69.1 41.1稼禾丽稻 82.0 66.6 63.2 44.9稼禾红玉 82.2 68.8 63.3 4.5莎莎妮 83.1 63.7 58.2 41.6从表1中分析得出除东农428和莎莎尼,其它品种的出糙率和整精米率均达到国家一等稻米的要求。
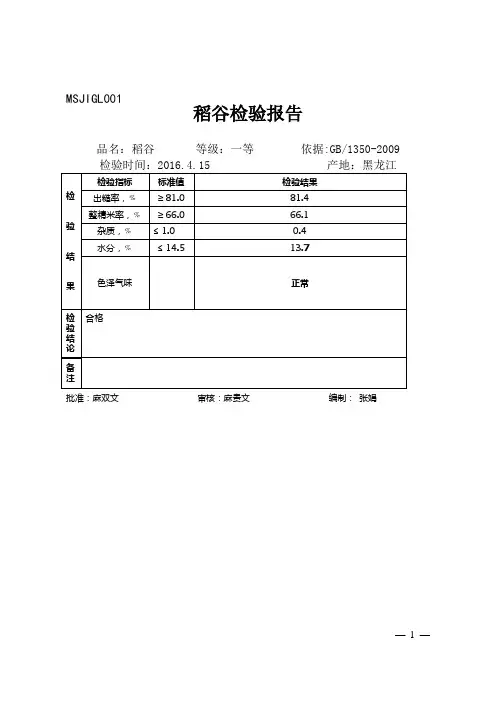
稻谷销售出库检验报告
报告编号:20161111
批准:审核:编制:
国家粮食局统一制订
复印件签字盖章联
填写说明:
1.“报告编号”由检验单位自行编号。
2. 由粮食企业自检的,“检验单位”与“受检单位”相同。
3.“样品类别名称”义指籼稻谷、粳稻谷、糯稻谷等,其他粮食品种同义。
“粮食性质”分为中储粮、地储粮或商品粮。
“粮食产地”填写某省某市某县。
“扦样地点”填写某省某市某县某单位某货位。
“代表数量”填写实际代表数量,以t计。
4.“检验依据”以标准代号表示。
5.“标准值”填写引用标准规定的指标值或文字;需要判定等级的,“标准值”中填写相应等级的标准指标值。
6. 需要检验的指标表中未列出的,可在空白格内加项,空白格不足时可加页。
7.“检验结论”中应做出质量等级判定和水杂、有关卫生等单项指标是否合格的判定。
8.本报告中未填写的空白格,应以横线或“以下空白”填充。
9. 检验报告应当用五号仿宋黑色字体计算机制作(签字除外),也可用黑色墨水填写。
10.“复印件签字盖章联”由中间粮食经销方填制。
11.监督检验机构出具的检验报告必须加盖计量认证章、审查授权章和单位公章/检验报告专用章,企业自检报告必须加盖单位公章;计量认证章、审查授权章加盖在报告正面表格的左上角,单位公章/检验报告专用章加盖在报告日期处。
注意事项:
1. 检验报告无编制人、审核人、批准人签字无效。
2. 检验报告涂改无效。
3. 检验单位应当对检验报告承担法律责任。
稻谷的检验方法和流程
稻谷的检验方法和流程通常包括:
1. 取样
从不同部位抽取代表性稻谷样本。
要求取样数量足够,样本不受污染。
2. 整理分类
将样本平铺在桌面上,去除杂质,分类分级。
3. 食用质量检验
检验糙米的形状、色泽、杂质含量等指标。
4. 理化指标检测
检测蛋白质、淀粉、脂肪、霉变米等理化指标。
5. 疾病快速检测
使用快速检测试纸或仪器检测稻谷的病害情况。
6. 水分测定
使用干燥方法测定稻谷的水分含量。
7. 营养成分测定
进行稻谷的蛋白质、脂肪、维生素、矿物质等营养成分测试。
8. 食用功能检测
测试糙米的糊化度、胶稠度等煮饭食用功能。
9. 记录检验数据
详细记录各项指标的检验结果和数据。
10.出具检验报告
综合分析检验结果,出具检验报告。
通过标准化的检验方法和流程,全面评价稻谷的质量。
稻谷检验记录及检验报告一、检验记录时间:xxxx年xx月xx日地点:xxxx仓库1. 检测目的:对存储于仓库中的xxxx号批次稻谷进行质量检验,确保其符合相关标准。
2.样品采集:从稻谷袋子中随机取出10kg样品,并在每袋样品上注明编号,共计取得20袋稻谷样品。
3.检测项目:(1)外观检验:包括稻谷颜色、大小、形状等。
(2)水分检验:使用电热恒温干燥箱,将稻谷样品置于100℃下烘烤至恒定重量。
(3)杂质检验:检查稻谷中是否有石子、土壤、沙粒等杂质。
(5)脂肪酸值检验:使用氧化镁、调整液、甲醇等试剂进行测定。
(6)酸价检验:使用酸碱滴定法进行测定。
(7)黄曲霉素检验:使用高效液相色谱法进行测定。
4.检验结果:(1)样品外观:稻谷颜色乳白,大小均匀,形状完整,无明显异味。
(3)杂质含量:经过筛选,未发现石子、土壤、沙粒等杂质。
(7)黄曲霉素含量:经检测,样品中未检出任何黄曲霉素。
5.结论:样品中的稻谷质量符合国家标准的要求,可以满足市场需求。
二、检验报告报告编号:xxxx检验机构:xxxx检验中心1.检验目的:对存储于xxxx仓库中的xxxx号批次稻谷进行质量检验,确保其符合相关标准。
2.样品信息:(1)样品名称:稻谷(2) 样品编号:xxxx(3) 样品数量:20袋,每袋10kg3.检验结果:(1)外观检验:稻谷颜色乳白,大小均匀,形状完整,无异味。
(2)水分含量:14.2%(3)杂质含量:未发现石子、土壤、沙粒等杂质。
(4)含杂率:0.8%(5) 脂肪酸值:0.42mg/g(6) 酸价:0.16mg/g(7)黄曲霉素含量:未检出4.结论:样品中的稻谷质量符合国家标准的要求,可以出售和使用。
本检验报告仅适用于本次样品,检验结果具有可靠性。
优质粮食(稻谷)品质测评工作报告优质粮食(稻谷)品质测评工作报告引言•本次报告旨在对优质粮食(稻谷)品质测评工作进行总结和分析,以提供对未来工作的指导和改进方向。
目录1.介绍2.测评工作流程–样本收集–实验设计–数据采集与分析3.结果与讨论–检测指标–样本品质评价结果–品质测评差异原因分析4.改进方向–扩大样本规模–完善实验设计–加强数据分析与模型建立5.结论6.参考文献1. 介绍•说明进行优质粮食(稻谷)品质测评的背景和目的。
•强调优质粮食对于食品安全和国民健康的重要性。
2. 测评工作流程样本收集•说明样本的来源和筛选标准。
•强调样本的代表性和多样性。
实验设计•描述实验的控制组和处理组设置。
•说明实验条件和测评方法。
•强调实验的可重复性和科学性。
数据采集与分析•说明数据采集的方式和指标选择。
•描述数据分析的方法和工具。
3. 结果与讨论检测指标•列举用于评价稻谷品质的检测指标。
•分析各指标在样本中的分布情况。
样本品质评价结果•展示对样本进行品质测评的结果。
•比较各样本间的品质差异。
品质测评差异原因分析•分析不同样本品质差异的可能原因。
•探讨环境因素和栽培管理等因素对稻谷品质的影响。
4. 改进方向扩大样本规模•建议增加样本数量以提高测评结果的可靠性。
•强调增加不同地区和不同产区的样本。
完善实验设计•提出改进实验设计的建议。
•增加对控制组和处理组的数量和比例的考虑。
加强数据分析与模型建立•建议使用更先进的数据分析方法和建模技术。
•强调对稻谷品质影响因素的综合考虑。
5. 结论•对整个测评工作进行总结。
•强调优质粮食(稻谷)品质测评的重要性和实际意义。
6. 参考文献•引用在报告中使用的相关文献和资料。
引言本次报告旨在对优质粮食(稻谷)品质测评工作进行总结和分析,以提供对未来工作的指导和改进方向。
优质粮食的品质测评对于确保食品安全和提高国民健康有着重要意义。
通过本次测评工作,我们希望能够深入了解稻谷品质的特点,并为产品改进和优化提供科学依据。
稻谷检验分析报告1. 引言本报告是关于稻谷的检验分析结果。
稻谷是全球最重要的粮食作物之一,对于保障粮食安全具有重要意义。
本报告旨在通过对稻谷进行检验分析,评估其质量和安全性。
2. 样品信息•样品名称: 稻谷•样品来源: 生产地区•样品数量: XXX 公斤•检验日期: XXXX年XX月XX日3. 检验方法本次检验使用了以下方法和仪器: - 外观检验:通过肉眼观察稻谷外观,包括颜色、形状、杂质等。
- 湿度测定:使用湿度测定仪测定稻谷的湿度含量。
- 官能检验:对稻谷进行官能检验,主要评估其口感、气味和外观特征。
- 化学分析:使用化学分析方法检测稻谷中的营养成分和有害物质。
4. 检验结果4.1 外观检验结果稻谷的外观检验结果如下: - 颜色:白色 - 形状:饱满 - 杂质:未检出4.2 湿度测定结果稻谷的湿度测定结果如下: - 湿度含量:XX%4.3 官能检验结果稻谷的官能检验结果如下: - 口感:香甜、软糯 - 气味:清香 - 外观特征:颗粒饱满、无破损4.4 化学分析结果稻谷的化学分析结果如下: - 蛋白质含量:XX% - 碳水化合物含量:XX% - 脂肪含量:XX% - 纤维素含量:XX% - 矿物质含量:铁、锌、钙等 - 有害物质:未检出农药残留、重金属超标等。
5. 结论根据以上检验结果,本次检验中的稻谷样品通过了外观检验、湿度测定、官能检验和化学分析,符合相关质量标准和安全要求。
稻谷样品的质量良好,无明显的质量问题和安全隐患。
6. 建议为了确保稻谷的质量和安全性,建议在生产过程中注意以下几个方面: 1. 严格控制农药的使用量和使用频率,遵守施药的最佳实践。
2. 加强水资源管理,确保稻谷的灌溉水质符合质量标准。
3. 定期对稻谷进行检验,及时发现和排除质量问题。
7. 参考文献[1] 稻谷质量标准实施细则 (XXX标准化协会, 20XX)以上是稻谷检验分析报告的内容。
本报告通过外观检验、湿度测定、官能检验和化学分析对稻谷进行了全面评估,证明样品符合相关质量标准和安全要求。
水稻谷物品质分析报告段汝顺七星农场北大荒现代农业发展中心一、目的意义品质分析是指利用科学分析手段,对农产品(主要是植物性农产品)的品质进行检测,根据检测结果和国家指标,进行质量评估,进而选育出优良品种,生产出质量合格的农产品。
为了筛选出适合当地种植的优质特色品种,提高种植效益。
2010年对研发中心新种植的23个水稻品种进行品质分析。
二、样品数量和栽培技术(一)样品数量试验品种空育131、龙粳20、龙粳27、龙粳29、龙粳21、绥粳10、绥粳13、龙粳26、垦稻17、垦稻19、龙粳28、龙粳25、垦稻20 、垦稻21、垦粳3号、空育163、绥粳4号、龙粳香1号、莎莎妮、稼禾红玉、稼禾丽稻、龙香稻2号、东农428等23个品种均采集于研发中心试验园区。
(一)样品采集收割前在长势均匀的稻田随机选取3?,人工割晒,三天后脱粒;待水分稳定后参照“GB1350-2009米质测定方法”进行品质分析。
(二)样品前处理在稻谷水分14%?1时,随机取2kg稻谷,采用四分法处理取回的样品,获得500g均匀稻谷。
然后使用法国CHOPIN样品杂质清选分离机1min对500g稻谷清除杂质。
再使用KETT砻谷机磨糙米磨制2次。
最后使用山本有限公司生产的砻谷机VP-32型精米机加工精米磨制1min,过2mm筛孔得到整精米。
三、结果与分析(一)加工品质加工品质是指检测稻米的糙米率、精米率、整精米率、白度等品质。
根据GB1350-200的标准:国家一等米要求出糙率?81%,整精米率?61%。
使用KETT砻谷机磨糙米2次测糙米率。
整精米率用山本有限公司生产的砻谷机VP-32型精米机加工1min测得。
C-300白度计测白度。
表1稻米碾磨品质品种(系) 糙米率(,) 精米率(,) 整精米率(,) 白度空育131 84.4 72.7 68.5 35.1垦稻20 84.9 70.7 66.3 41.3垦稻19 84.0 72.0 66.8 41.6垦稻17 83.3 72.1 68.2 36.4垦稻21 85.4 72.7 68.0 40.2绥粳13 83.1 72.0 68.3 39.5绥粳10 82.4 69.9 68.4 38.4龙粳29 84.8 73.0 71.1 40.4龙粳28 84.3 72.2 69.4 36.1龙粳25 85.3 73.8 70.8 35.8垦粳3号 84.3 69.3 67.2 41.1龙粳20 83.6 71.3 68.0 42.0龙粳27 84.3 71.8 65.9 34.2龙粳26 83.8 70.2 66.0 40.1龙粳21 82.8 70.0 66.3 38.3东农428 82.1 60.6 56.7 37.7空育163 83.4 70.4 68.7 40.8龙香稻2 81.7 71.4 67.7 36.0龙粳香1 82.9 70.2 67.9 38.5绥粳4 83.8 71.1 69.1 41.1稼禾丽稻 82.0 66.6 63.2 44.9稼禾红玉 82.2 68.8 63.3 4.5莎莎妮 83.1 63.7 58.2 41.6从表1中分析得出除东农428和莎莎尼,其它品种的出糙率和整精米率均达到国家一等稻米的要求。
稻谷检验记录及检验报告精编WORD版检验人员:XXX检验时间:2024年X月X日一、检验目的本次检验的目的是对稻谷进行质量检验,确保其符合相关标准,保证产品质量和食用安全。
二、检验方法及设备本次检验采用以下方法和设备:1.外观检验:目视观察稻谷外观,检查是否有虫害、霉变和破损等。
2.水分含量检测:采用电热恒温干燥箱法。
3.糙米率检测:采用制样筛分法。
4.杂质含量检测:采用筛分法。
三、检验过程及结果1.外观检验:在一定数量的稻谷样品中,观察并记录外观情况。
经检查,本批稻谷外观整齐,无虫害、霉变和破损等现象。
2.水分含量检测:取一定数量的稻谷样品,放入电热恒温干燥箱中,设置温度为130℃,干燥至稳定质量。
将干燥后的样品称重,按以下公式计算水分含量:水分含量(%)=(初始重量-干燥后重量)/初始重量×100%经检测,本批稻谷水分含量为12.5%。
3.糙米率检测:取一定数量的稻谷样品,进行制样筛分。
记录去壳后的糙米重量,按以下公式计算糙米率:糙米率(%)=糙米重量/样品总重量×100%经检测,本批稻谷糙米率为88%。
4.杂质含量检测:取一定数量的稻谷样品,进行筛分,记录筛分后的杂质重量,按以下公式计算杂质含量:杂质含量(%)=杂质重量/样品总重量×100%经检测,本批稻谷杂质含量为0.5%。
四、检验结果分析根据检验结果,本批稻谷的水分含量为12.5%,糙米率为88%,杂质含量为0.5%。
水分含量符合相关标准要求,糙米率和杂质含量也在合理范围内。
因此,本批稻谷的质量达到要求,可以正常销售和使用。
五、结论及建议本次检验结果显示本批稻谷的质量符合相关标准,并且没有虫害、霉变和破损等现象,可以放心使用。
建议在产品包装上标明水分含量、糙米率和杂质含量等相关信息,方便消费者了解产品质量。
六、检验报告编制人及日期编制人:XXX日期:2024年X月X日以上为稻谷检验记录及检验报告,共计XX页。
稻谷检验报告模板怎么写简介稻谷是我国重要的经济作物之一,其质量直接关系到我国的国计民生。
稻谷的检验是保障粮食安全的重要环节,而稻谷检验报告是检验的产出结果。
本文将介绍稻谷检验报告模板的写法。
稻谷检验报告模板的各部分稻谷检验报告包括以下几个部分:1. 报告封面报告封面应包括以下内容:•报告标题;•检验日期;•报告编号;•检验机构名称;•检验人员姓名;•报告编写日期。
2. 检验结果检验结果应详细记录每个样品的各项检验指标结果,如水分、杂质、不完善粒、碎米率等等。
3. 结果判定结果判定是依据国家标准、技术规范和实验室质量管理要求对检验结果进行评定。
结果判定应包括优质、一般、不合格等分类,对于不合格的样品,需要注明原因和建议。
4. 结果解释结果解释是对检验结果进行分析和解释,说明结果的意义和价值。
结果解释一般包括样品来源和检验目的,以及检验结果与标准的比较等内容。
5. 报告结论报告结论是对检验结果综合分析的总结,需要明确表述所检测的样品是否符合国家标准以及针对检验结果给出建议和措施。
6. 注意事项注意事项是针对检验的注意事项和实验室质量管理要求的说明,包括分析方法、评定标准、样品的采集和处理、检验过程中的注意事项等。
稻谷检验报告模板的写法稻谷检验报告模板的写法应遵循以下原则:1. 严格按照国家标准和技术规范执行检验稻谷检验报告应严格按照国家标准和技术规范执行检验,确保结果的正确性和可靠性。
2. 采用规范化格式稻谷检验报告应采用规范化格式,保证各项内容的完整性和统一性。
3. 语言简洁明了稻谷检验报告应使用简洁明了、精准清晰的语言,避免使用口语化或行话化的术语和词汇。
4. 用数字说明结果稻谷检验报告中的数字要准确无误,可以通过核对原始数据和前后数据的比较来确保结果的正确性。
5. 合理使用符号和单位稻谷检验报告中应合理使用符号和单位,符合测量规范和计量原理,以便读者容易理解。
小结本文介绍了稻谷检验报告模板的写法,包括检验结果、结果判定、结果解释、报告结论和注意事项等部分的内容和格式要求。
测定指标及其方法总体指标:杂质、不完善粒含量、出糙率、黄粒米、整精米率、(色泽、气味、口味)鉴定、异品种粒、垩白粒率、垩白度、特型长宽比、胶稠度、食味品质、直链淀粉含量、粗蛋白含量(13种)具体方法如下:1.杂质和不完善粒含量杂质:除本种粮粒以外的其他物质,包括以下几种:筛下物:通过直径2.0mm圆孔筛的物质无机杂质:泥土、砂石、砖瓦块及其无机杂质。
有机杂质:无食用价值的稻谷粒、异种谷粒和其他有机物质。
不完善粒:包括以下尚有食用价值的颗粒:未熟粒、虫蚀粒、病斑粒、生芽粒、霉变粒。
1.1仪器与用具天平:精度0.01g、0.1g、1g。
谷物选筛:直径2.0mm电动筛选器分样器或分样板分析盘、镊子等。
1.2 样品制备检验杂质分大样、小样,大样用于检验大样杂质,包括大型杂质和绝对筛层的筛下午;小样是从检验过大样的杂质的样品中分出少量试样,检验与粮粒大小相似的并肩杂质。
按GB 5491的方法,将样品倒在光滑平坦的桌面上或者玻璃板上,用两块分样板将样品摊成正方形,然后从样品左右两边铲起样品约1cm高,对准中心同时倒落,再换一个方向同样操作(中心点不动),如此反复混合4、5次,将样品摊成等厚的正方形,用分样板在样品上划两条对角线,分成4个三角形,取出其中2个对顶三角形的样品,剩下的样品再按上述方法反复分取,直至最后剩下的两个对顶三角形的样品接近所需试样重量为止(约500g)。
1.3 操作步骤1.3.1大样杂质检验将质量标准中规定的筛层套好(大孔筛在上,小孔筛在下,套上筛底),称取制备好的样品 (m)(大约500g,精确至1g)放入筛上,放在电动筛选器上,接通电源,打开开关,筛选自动地向左向右各筛1min(110r/min-120r/min),筛后静止片刻,将筛上物和筛下物分别倒入分析盘中,卡在筛孔中的颗粒属于筛上物。
拣出筛上大型杂质和筛下物合并称重(m1),精确0.01g。
1.3.2小样杂质检验从检验过的大样杂质的试验中,称取小样用量(m2)(约50g),精确至0.1g,倒入分析盘中,按质量标准的规定拣出杂质,称量(m3),精确至0.01g。
水稻品质鉴别报告模板1. 简介水稻是我国重要的粮食作物之一,其品质的鉴别对于粮食质量监控和市场交易非常重要。
本报告旨在对水稻品质进行综合鉴别,包括外观、米粒质量和食味等方面的评估。
2. 鉴别内容2.1 外观评估水稻的外观特征包括稻穗、稻谷和稻壳等部分。
在鉴别水稻品质时,需要对以下几个方面进行评估:- 稻穗:检查稻穗的饱满程度、整齐度和向上生长的状态等。
一般来说,饱满度高、稻穗整齐且向上生长的水稻品质较好。
- 稻谷:观察稻谷的颜色、形状和大小等。
良好的稻谷应具有均匀的白色或黄色,形状规整,大小一致。
- 稻壳:检查稻壳的完整度和干净程度。
较好的水稻应具有完整、无破损和干净的稻壳。
2.2 米粒质量评估米粒质量是衡量水稻品质的重要指标之一。
在鉴别水稻米粒质量时,需要对以下几个方面进行评估:- 米粒形态:观察米粒的形状和大小是否均匀一致。
好的水稻米粒形状规整,大小一致。
- 大小米比例:检查大米和小米的比例。
较好的水稻应包含主要由大米组成,而小米比例较小。
- 营养成分:测定米粒的蛋白质含量、淀粉含量等营养成分。
较好的水稻蛋白质含量高,淀粉含量适中。
- 不完善粒:检查是否存在不完善粒,如碎米、虫蛀粒等。
较好的水稻应无不完善粒。
2.3 食味评估水稻的食味是衡量其品质的重要因素之一。
在鉴别水稻品质时,需要对以下几个方面进行评估:- 味道:品尝水稻的味道,包括咸度、甜度等。
口感好的水稻味道应鲜嫩、糯甜。
- 煮饭质地:观察煮熟后米饭的质地,包括黏性和软硬程度等。
较好的水稻米饭应具有适当的黏性和柔软的口感。
3. 鉴别结果根据对水稻的外观、米粒质量和食味的评估,得出以下结论:- 外观特征:稻穗饱满度高,稻谷颜色均匀,稻壳完整干净。
- 米粒质量:米粒形状规整,大小一致,大米比例较高,蛋白质含量适中,淀粉含量适中,无不完善粒。
- 食味:口感鲜嫩、糯甜,米饭具有适当的黏性和柔软的口感。
综上所述,本次鉴别得出的水稻品质评估结果为优良。