特种作业证代码含义
- 格式:xls
- 大小:26.00 KB
- 文档页数:2
锅炉压力容器压力管道焊工证(特种设备作业人员证)项目代号含义焊工考试项目代号,应按每个焊工、每种焊接方法分别表示。
(一) 手工焊焊工考试项目表示方法为:①一②一③一④一⑤一⑥一⑦,其中:①表示焊接方法代号,见表1,耐蚀堆焊代号加:(N及试件母材厚度)。
②表示试件钢号分类代号,见表2,有色金属材料按相应标准规定的代号。
异种钢号用X/X表示。
③表示试件形式代号,见表3,带衬垫代号加:(K)。
④试件焊缝金属厚度。
⑤试件外径。
⑥焊条类别代号,见表4。
⑦焊接要素代号,见表5。
考试项目中不出现某项时,则不填。
表1 焊接方法及代号表2试件钢号分类及代号表表5焊接要素及代号(二)焊机操作工考试项目表示方法为:①一②一③,其中:①焊接方法代号,见表1,耐蚀堆焊代号加:(N及试件母材厚度)。
②试件形式代号,见表3,带衬垫代号加(K)。
③焊接要素代号,见表5,存在两种以上要素时,用“/”分开。
考试项目中不出现该项时,则不填。
(三)项目代号应用举例如下:(1)厚度为12mm的16MnR钢板对接焊缝平焊试件带衬垫,使用J507焊条手工焊接,试件全焊透,项目代号:SMAW-Ⅱ-lG(K)-12-F3J。
(2)壁厚为8mm、外径为60mm的20g钢管对接焊缝水平固定试件,背面不加衬垫,用手工钨极氩弧焊打底,填充金属为实芯焊丝,焊缝金属厚度为3mm,然后采用J427焊条手工焊填满坡口,项目代号为:GTAW-Ⅰ-5G-3/60—02和SMAW一Ⅰ一5G(K)一5/60一F3J。
(3)板厚为10mm的16MnR钢板立焊试件无衬垫,采用半自动C02气体保护焊,填充金属为药芯焊丝,试件全焊透。
项目代号:GMAW一Ⅱ一3G一10。
(4)管材对接焊缝无衬垫水平固定试件,壁厚为8mm,外径为70mm,钢号为16Mn,采用自动熔化极气体保护焊,使用实芯焊丝,在自动跟踪条件下进行多道焊全焊透,项目代号:GMAW一5G一06/09。
(5)在壁厚为10mm、外径为86mm的16Mn钢制管材垂直固定试件上使用A312焊条手工堆焊,项目代号:SMAW(N10)-Ⅱ-2G-86-F4。
锅炉压力容器压力管道焊工证(特种设备作业人员证)项目代号含义焊工考试项目代锅炉压力容器压力管道焊工证项目代号含义号,应按每个焊工、每种焊接方法分别表示。
(一) 手工焊焊工考试项目表示方法为:①一②一③一④一⑤一⑥一⑦,其中:①表示焊接方法代号,见表1,耐蚀堆焊代号加:(N及试件母材厚度)。
②表示试件钢号分类代号,见表2,有色金属材料按相应标准规定的代号。
异种钢号用X/X表示。
③表示试件形式代号,见表3,带衬垫代号加:(K)。
④试件焊缝金属厚度。
⑤试件外径。
⑥焊条类别代号,见表4。
⑦焊接要素代号,见表5。
考试项目中不出现某项时,则不填。
表1 焊接方法及代号表2试件钢号分类及代号表表3试件形式、位置及代号表4焊条类别、代号及适用范围表5焊接要素及代号(二)焊机操作工考试项目表示方法为:①一②一③,其中:①焊接方法代号,见表1,耐蚀堆焊代号加:(N及试件母材厚度)。
②试件形式代号,见表3,带衬垫代号加(K)。
③焊接要素代号,见表5,存在两种以上要素时,用“/”分开。
考试项目中不出现该项时,则不填。
(三)项目代号应用举例如下:(1)厚度为12mm的16MnR钢板对接焊缝平焊试件带衬垫,使用J507焊条手工焊接,试件全焊透,项目代号:SMAW一Ⅱ一lG(K)一12一F3J。
(2)壁厚为8mm、外径为60mm的20g钢管对接焊缝水平固定试件,背面不加衬垫,用手工钨极氩弧焊打底,填充金属为实芯焊丝,焊缝金属厚度为3mm,然后采用J427焊条手工焊填满坡口,项目代号为:GTAW一Ⅰ一5G一3/60—02和SMAW一Ⅰ一5G(K)一5/60一F3J。
(3)板厚为10mm的16MnR钢板立焊试件无衬垫,采用半自动C02气体保护焊,填充金属为药芯焊丝,试件全焊透。
项目代号:GNAW一Ⅱ一3G一10。
(4)管材对接焊缝无衬垫水平固定试件,壁厚为8mm,外径为70mm,钢号为16Mn,采用自动熔化极气体保护焊,使用实芯焊丝,在自动跟踪条件下进行多道焊全焊透,项目代号:GMAW一5G一06/09。
特种设备焊接作业人员证书资格项目释义一、证书编号方法(共 12 位) ××××××××××××由两个字母和一个数字表示为 TS6 。
2. 作业种类代号由一个字母表示, J 表示焊接作业。
3. 地区代码由三位字母表示,含义是指首次发证部门所在地区的地区代码。
4.顺序号由五位数字表示。
如果超过 99999 ,则用字母与数字混合表示。
如 顺序号为 100020 ,则表示为 A0020 ;顺序号为 110020 ,则表示为 B0020 ; 依次类推。
二、资格项目表示方法及适用范围GTAW-Ⅱ-6G-3/60-02要素代号及适用范围,见表 6 外径及适用范围,见表 5 壁厚及适用范围,见表 4 焊接位置及适用范围,见表 3 材料类别及分类,见表 2焊接方法代号,见表 1顺序号地区代码 作业种类代号证书项目代号1.证书项目代号焊接方法代号备注手工电弧焊SMAW改变焊接方法钨极气体保护焊GTAW要重新考试熔化极气体保护焊(二氧化碳)GMAW型式代号位置简图适用范围板材对接1G平焊1G平焊SMAW-Ⅲ-5G(K)-7/168-F3J焊条药皮代号及适用范围,见表7K 表示带垫板,考试带(K)的不能直接打底焊,应采用氩弧打底或加垫板表 1 本工程常用焊接方法代号表 2 常用钢号分类代号及适用范围代号本工程典型钢号适用范围Ⅰ20,Q235B,A106B, A671CC60,A672C60 碳钢ⅠⅡP1,P11,P22,Q345B, 低合金钢Ⅰ、ⅡⅢP91 马氏体耐热钢Ⅰ、Ⅱ、ⅢⅣTP304H,TP321,TP316,TP347 奥氏体不锈钢Ⅳ表 3 焊接位置及适用范围表 5 手工焊对接焊缝试件适用于金属厚度范围( mm )适用于对接适用于角焊缝试件母材焊缝形式焊件金属厚度金属厚度 厚度 T最小值最大值 厚度范围 ﹤12不限2t厚度不限对接焊缝≥12不限不限厚度不限板材对接 2G 横焊2G 、3G 平焊、横焊板材对接 3G 立焊1G 、3G 平焊、立焊板材对接 4G 仰焊1G 、4G 平焊、仰焊管材对接 1G水平转动 (平焊) 1G 平焊管材对接 2G垂直固定 (横焊) 1G 、2G 平焊、横焊管材对接 5G水平固定 (平立仰) 1G 、5G平焊、立焊、仰焊管材对接 6G45°固定 (全位置)任何位置适用于管材焊件外径范围注:管材考试合格的可以焊接板材, 但应在相应的位置和壁厚范围内表 6 管材对接焊缝试件适用于对接焊缝焊件外径范围( mm )管材焊缝外径 D最小值最大值 ﹤25D 不限 25≤D﹤7625 不限 ≥7676 不限 板材试件600不限表 7 焊条药皮代号及适用范围焊条类别 代号 本工程典型焊条牌号适用范围钛钙型 F1 J422、J502F1钛型、钛钙型 F3 低氢型、碱性 F3JF4 -J427、J507、R307、R407、E8016-B2、E9015-B9A002、A102、A132、A022、 A302、A402F1、F3F1、F3、F3J钛型、钛钙型F4 碱性F4JA107、A137、A307、A407F4F 、4J。
特种设备作业人员证编号方法
特种设备作业人员证编号由顺序号,地区代码,作业种类代号,证书项目代号共12位组成
一、基本格式
二、代号含义
(一)证书项目代号
由两个字母和一个数字表示为TS6。
(二)作业种类代号
(三)地区代码
由三位字母表示,含义是指首次发证部门所在地区的地区代码。
地区代码基本采用GB/T2260-1999《中华人民共和国行政区划代码》中规定的行政区划字母代码(见附录)。
县级质量技术监督部门发证的编号采用所在地市的地区代码,顺序号由市级质量技术监督部门统一分配。
如地区行政区划发生变化,附录中未涵盖,可向我局申请地区代码。
(四)顺序号
由五位数字表示。
按首次发证部门地区所发证的该作业种类人员的顺序编
号。
如果超过99999,则用字母与数字混合表示。
如顺序号为100020,则表示为A0020;顺序号为110020,则表示为B0020;依次类推。
三、举例
如:由北京市质量技术监督局首次发证的特种设备管理人员,总排列顺序为100。
则表示为:TS6ABJS00100
如:由辽宁省质量技术监督局首次发证的特种设备焊接作业人员,总排列顺序为100010。
则表示为:TS6JLNSA0010
如:由北京市东城区质量技术监督局首次发证的电梯作业人员,总排列顺序为120101。
则表示为:TS6EDCQC0101
如:由河北省石家庄市质量技术监督局首次发证的锅炉作业人员,总排列顺序为10001。
则表示为:TS6BSJW10001。
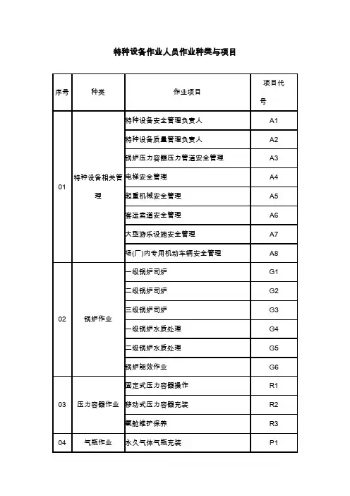
特种设备作业人员作业种类与项目序号种类作业项目项目代号01特种设备相关管理特种设备安全管理负责人A1 特种设备质量管理负责人A2 锅炉压力容器压力管道安全管理A3 电梯安全管理A4 起重机械安全管理A5 客运索道安全管理A6 大型游乐设施安全管理A7 场(厂)内专用机动车辆安全管理A802 锅炉作业一级锅炉司炉G1 二级锅炉司炉G2 三级锅炉司炉G3 一级锅炉水质处理G4 二级锅炉水质处理G5 锅炉能效作业G603 压力容器作业固定式压力容器操作R1 移动式压力容器充装R2 氧舱维护保养R304 气瓶作业永久气体气瓶充装P1序号种类作业项目号液化气体气瓶充装P2溶解乙炔气瓶充装P3液化石油气瓶充装P4车用气瓶充装P505 压力管道作业压力管道巡检维护D1 带压封堵D2 带压密封D306 电梯作业电梯机械安装维修T1 电梯电气安装维修T2 电梯司机T307 起重机械作业起重机械机械安装维修Q1 起重机械电气安装维修Q2 起重机械指挥Q3 桥门式起重机司机Q4 塔式起重机司机Q5 门座式起重机司机Q6 缆索式起重机司机Q7 流动式起重机司机Q8 升降机司机Q9序号种类作业项目号机械式停车设备司机Q1008 客运索道作业客运索道安装S1 客运索道维修S2 客运索道司机S3 客运索道编索S409大型游乐设施作业大型游乐设施安装Y1 大型游乐设施维修Y2 大型游乐设施操作Y3 水上游乐设施操作与维修Y410场(厂)内专用机动车辆作业车辆维修N1 叉车司机N2 搬运车牵引车推顶车司机N3 内燃观光车司机N4 蓄电池观光车司机N511安全附件维修作业安全阀校验F1 安全阀维修F212特种设备焊接作业金属焊接操作(注)非金属焊接操作注:1. 特种设备焊接作业(金属焊接操作和非金属焊接操作)人员代号按照《特种设备焊接操作人员考核细则》的规定执行。
2. 表中A1、A2、A6、A7、G6、R3、D2、D3、S1、S2、S3、S4、Y1、F1、F2项目和金属焊接操作项目中的长输管道、非金属焊接操作项目的考试机构由总局指定,其它项目的考试机构由省局指定。
特种设备证书编号
【原创实用版】
目录
一、特种设备证书编号的重要性
二、特种设备证书编号的管理规定
三、特种设备证书编号的构成
四、特种设备证书编号的注意事项
五、特种设备证书编号的查询方法
正文
一、特种设备证书编号的重要性
特种设备证书编号是标识特种设备安全技术档案的唯一编码,对于确保特种设备的安全运行和管理具有重要意义。
特种设备证书编号可以有效地防止特种设备的误操作、漏检和安全隐患,是特种设备安全管理的基础工作。
二、特种设备证书编号的管理规定
我国《特种设备安全法》对特种设备证书编号进行了明确规定,要求特种设备安全技术档案应当建立特种设备证书编号,并确保其唯一性。
同时,特种设备证书编号应当符合国家标准《特种设备安全技术档案管理规定》的要求。
三、特种设备证书编号的构成
特种设备证书编号由汉字和数字组成,通常包括三部分:前缀部分为特种设备的类别代号,如“TS”代表锅炉,“PD”代表压力容器等;第二部分为地区和年份代码,如“京 2021”代表北京 2021 年;第三部分为序号,由数字组成,如“001”等。
四、特种设备证书编号的注意事项
1.特种设备证书编号应当确保唯一,避免重复;
2.特种设备证书编号中的汉字和数字应当清晰、规范,避免模糊不清;
3.特种设备证书编号应当与特种设备安全技术档案一一对应,确保准确无误。
五、特种设备证书编号的查询方法
查询特种设备证书编号可以登录国家特种设备安全监督管理总局的
官方网站,输入特种设备的类别代号、地区和年份代码等信息进行查询。
建筑施工特种作业操作资格证书编号1. 简介建筑施工特种作业操作资格证书是根据中华人民共和国相关法律法规和行业标准,对从事建筑施工特种作业的人员进行资格认定和管理的证明文件。
该证书的编号是唯一的,用于标识特定人员的资格情况。
2. 证书编号的重要性证书编号在建筑施工特种作业操作资格证书上起着非常重要的作用。
它不仅仅是一个简单的序列号,更是对证书的标识和管理的关键。
以下是证书编号的重要性体现:2.1 标识个人身份证书编号是建筑施工特种作业人员的身份标识,通过编号可以快速区分和识别特定的个人。
在进行施工特种作业时,相关监管部门和其他参与人员可以根据编号来确认该人员是否具备相应的资质和权限。
2.2 资格认定的依据证书编号是对个人资格认定的依据之一。
在申请建筑施工特种作业操作资格证书时,个人需要提供相关的材料和信息,包括个人身份证明、培训证明、工作经验等等。
这些材料会经过严格审核,并最终给予一个唯一的证书编号。
2.3 证书管理和查询证书编号是对建筑施工特种作业操作资格证书进行管理和查询的重要依据。
有了编号,相关部门可以通过电子管理系统或其他方式,便捷地查询到个人的证书信息,包括证书的有效期、证书类型等等。
这对于提高施工现场的管理效率和安全性非常有帮助。
3. 证书编号的构成证书编号是由一串数字和/或字母组成的序列,不同地区和机构可能存在一定差异。
一般而言,证书编号的构成包括以下几个要素:3.1 区域代码证书编号中的区域代码是指发证机构所在的行政区域代码。
它可以标识证书发证的具体地域,方便了解证书持有人所在的地区。
3.2 类别代码证书编号中的类别代码指的是建筑施工特种作业的具体类别。
不同的特种作业领域有不同的代码,例如建筑高处作业、起重机械操作、钢筋工等等。
3.3 个人信息代码证书编号中的个人信息代码通常包括个人的姓名首字母或拼音字母缩写,有些还可能包括个人的性别、出生日期等信息。
通过个人信息代码可以大致了解证书持有人的基本信息。
锅炉压力容器压力管道焊工证(特种设备作业人员证)项目代号含义焊工考试项目代锅炉压力容器压力管道焊工证项目代号含义号,应按每个焊工、每种焊接方法分别表示。
(一)手工焊焊工考试项目表示方法为:①一②一③一④一⑤一⑥一⑦,其中:①表示焊接方法代号,见表1,耐蚀堆焊代号加:(N及试件母材厚度)。
②表示试件钢号分类代号,见表2,有色金属材料按相应标准规定的代号。
异种钢号用X/X 表示。
③表示试件形式代号,见表3,带衬垫代号加:(K)。
④试件焊缝金属厚度。
⑤试件外径。
⑥焊条类别代号,见表4。
⑦焊接要素代号,见表5。
考试项目中不出现某项时,则不填。
表1 焊接方法及代号表2试件钢号分类及代号表表3试件形式、位置及代号表4焊条类别、代号及适用范围表5焊接要素及代号(二)焊机操作工考试项目表示方法为:①一②一③,其中:①焊接方法代号,见表1,耐蚀堆焊代号加:(N及试件母材厚度)。
②试件形式代号,见表3,带衬垫代号加(K)。
③焊接要素代号,见表5,存在两种以上要素时,用“/”分开。
考试项目中不出现该项时,则不填。
(三)项目代号应用举例如下:(1)厚度为12mm的16MnR钢板对接焊缝平焊试件带衬垫,使用J507焊条手工焊接,试件全焊透,项目代号:SMAW一Ⅱ一lG(K)一12一F3J。
(2)壁厚为8mm、外径为60mm的20g钢管对接焊缝水平固定试件,背面不加衬垫,用手工钨极氩弧焊打底,填充金属为实芯焊丝,焊缝金属厚度为3mm,然后采用J427焊条手工焊填满坡口,项目代号为:GTAW一Ⅰ一5G一3/60—02和SMAW一Ⅰ一5G(K)一5/60一F3J。
(3)板厚为10mm的16MnR钢板立焊试件无衬垫,采用半自动C02气体保护焊,填充金属为药芯焊丝,试件全焊透。
项目代号:GNAW一Ⅱ一3G一10。
(4)管材对接焊缝无衬垫水平固定试件,壁厚为8mm,外径为70mm,钢号为16Mn,采用自动熔化极气体保护焊,使用实芯焊丝,在自动跟踪条件下进行多道焊全焊透,项目代号:GMAW一5G一06/09。
建筑施工特种作业操作资格证书编号规则附件4:建筑施工特种作业操作资格证书编号规则1、建筑施工特种作业操作资格证书编号共十四位(对于建筑起重机械司机和安装拆卸工的证书,需增加一位,即第十五位英文代码表示不同的起重机械)。
例如:粤 S YY TTTT AAAAAA Q(6)第十五位用英文代码表示不同的起重机械,塔吊为T,施工升降机为S,物料提升架为W(5)第八至十四位为证书序号,用6个阿拉伯数字标注,从000001开始(4)第五至八位为发证年份,用4个阿拉伯数字标注(3)第三、四位为工种类别代码,用2个阿拉伯数字标注(工种类别代码表见表A)(1)第一位为广东省简称“粤”(2)第二位为组织持证人进行考核的地级市英文代码,参照我省现行汽车号牌编号规则执行,(1)第一位为广东省简称“粤”;(2)第二位为组织持证人进行考核的地级市英文代码,参照我省现行汽车号牌编号规则执行,如“A”代表“广州市”,“B”代表“深圳市”,“C”代表“珠海市”等;(3)第三、四位为工种类别代码,用2个阿拉伯数字标注(工种类别代码表见表A);(4)第五至八位为发证年份,用4个阿拉伯数字标注;(5)第八至十四位为证书序号,用6个阿拉伯数字标注,从000001开始。
(6)对于建筑起重机械司机和安装拆卸工的证书,第十五位用英文代码表示不同的起重机械,塔吊为T,施工升降机为S,物料提升架为W。
2、示例1:粤A012008000001,表示在我省广州市考核合格的建筑电工,2008年取得证书,证书序列号为000001;示例2:粤B052008000001T,表示在我省深圳市考核合格的塔吊安装拆卸工,2008年取得证书,证书序列号为000001。
3、工种类别代码表A序号工种类别代码1建筑电工012建筑架子工023建筑起重信号司索工034建筑起重机械司机045建筑起重机械安装拆卸工05 6高处作业吊篮安装拆卸工0607 7经广东省建设厅认定的其他特种作业。
焊工证上的字母各表示什么各焊工考委会应严格按照国质检办特〔2005〕86号通知要求的基本格式进行证书编号,即:1.基本格式2.代号含义(1) 证书项目代号:由两个字母和一个数字组成,特种设备类表示为“TS6”。
(2) 作业种类代号:由一个字母表示,焊接作业表示为“J”。
(3) 地区代码:由三个字母表示,即是首次发证部门所在地区的行政区划字母代码四、市属的焊考委,地区代码按照所在地市的地区代码,证书顺序号由市技术监督局统一排序,顺序号均从00001起始,顺序号后面加注焊考委代码自定。
指的是你所培训的焊接项目:比如说GMAW:熔化极气体保护电弧焊(Gas Metal Arc Welding)SMAW:焊条电弧焊(Shielded Metal Arc Welding)焊工证上的各种符号各代表什么压力容器等特种设备方面的我国详见《特种设备焊工考试细则》,钢结构考试再下不清楚哪个标准了!A6 焊工操作考试项目代号焊工操作考试项目代号,应按每个焊工、每种焊接方法分别表示。
A6.1 焊工操作考试项目表示方法A6.1.1 手工焊焊工操作考试项目表示方法手工焊焊工操作考试项目表示方法为(1)-(2)-(3)-(4)/(5)-(6)-(7),其含义如下:(1)焊接方法代号,见表A-1,耐蚀堆焊代号加(N与试件母材厚度);(2)试件金属材料分类代号,见表A-2。
试件为异类别金属材料用X/X表示;(3)试件形式代号,见表A-4,带衬垫代号加(K);(4)试件焊缝金属厚度;(5)试件外径;(6)填充金属类别代号,见表A-3;(7)焊接工艺要素代号,见表A-5。
考试项目中不出现某项时,则不填。
举例说明:(1)厚度为14mm的16MnR钢板对接焊缝平焊试件带衬垫,使用J507焊条手工焊接,试件全焊透。
项目代号为SMAW-FeⅡ-1G(K)-14-F3J;欧洲的详见EN287-1GTAW-II-6G-3/89-02.代表氩弧焊水平管全位置焊接(单面焊双面成型)SMAW-II-6G(K)-7/89-F3.代表手把焊水平管全位置焊接(单面焊双面成型)smaw焊条电弧焊二类材料(X60、X70)水平固定位置下向焊管径711X14.2纤维素焊条焊接焊工代码含义焊工证SMAW-Ⅱ-2FG-12/57-F3JSMAW-II-1G-12-F3J SMAW-I-5G(K)5/60-F3J焊接方法代号—材料类别—试件型式—试件厚度—管外径—焊条类型※焊机操作工代号仅有三项:方法、试件形式、焊接要素代号表1焊接方法代号焊接方法代号焊条电弧焊SMAW气焊OFW钨极气体保护焊GTAW熔化极气体保护焊GMAW埋弧焊SAW电渣焊ESW摩擦焊FRW螺柱焊SW表2钢号分类及代号类别代号典型钢号示例碳素钢I Q195 Q215 Q235 10 15 20 25 20R 20g 20G 22g HP245 HP265L175 L210 S205低合金钢II HP295 HP325 HP345 HP365 L245 L290 L320 L360 L415 L450L485 L555 S240 S290 S315 S360 S385 S415 S450 S480 12Mng 16Mn16Mng 16MnR 15MnNIR 15MnV 15MnVR 20MnMo 10MnWVNB 13MnnIMonBR 20MnMonB 07MnCRMoVR 12CrMo 12CrMoG 15CrMo 15CrMor15CrMoG 14Cr1Mo 14Cr1MoR 12Cr1MoV 12Cr1MoVG 12Cr2Mo 12Cr2Mo1 12Cr2Mo1R 12Cr2MoG 12Cr2MoWVTiB 12Cr3MoVSiTiB 09MnD 09MnnID 09MnnIDR 16MnD 16MnDR 15MnNIDR 20MnMoD 07MnnICrMoVDR 08MnnICrMoVD 10nI3MoVD马氏体不锈钢、铁素体不锈钢III 1Cr5Mo 0Cr13 1Cr13 1Cr17 1Cr9Mo1奥氏体不锈钢IV 0Cr19Ni9 0Cr18Ni12Mo2Ti 0Cr23Ni130Cr18Ni9Ti 00Cr17Ni14Mo2 0Cr25Ni200Cr18Ni11Ti 0Cr18Ni12Mo3Ti 00Cr18Ni5Mo3Si200Cr18Ni10 00Cr19Ni13Mo3 1Cr19Ni900Cr19Ni11 0Cr19Ni13Mo3 1Cr19Ni11Ti1Cr23Ni18表3试件形式、位置代号适用于焊件位置试件形式试件位置代号板材与管径大于600㎜的管材板材与管径小于600㎜管材角焊缝位置管板角接头焊件位置板状对接焊缝试件平焊1G 平平平横焊2G 平、横平、横平、横立焊3G 平、立平平、横、立仰焊4G 平、仰平平、横、仰管状对接焊缝试件水平转动1G 平平平垂直固定2G 平、横平、横平、横水平固定向上焊5G 平、立、仰平、立、仰平、立、仰向下焊5GX 平、立向下、仰平、立向下、仰平、立向下、仰45.固定向上焊6G 平、横、立、仰平、横、立、仰平、横、立、仰向下焊6GX 平、立向下、横、仰平、立向下、横、仰平、立向下、横、仰管板角接头试件水平转动2FRG 平、横2FG垂直固定平焊2FG 平、横2FRG、2FG垂直固定仰焊4FG 平、横、仰4FG、2FG水平固定5FG 平、横、立、仰5FG、2FRG、2FG45.固定6FG 平、横、立、仰所有位置螺柱焊平焊1S横焊2S仰焊4S表4手工焊对接焊缝试件适用与对接焊缝焊件焊缝金属厚度范围焊缝形式试件母材厚度适用与焊件焊缝金属厚度最小值最大值对接焊缝<12 不限2×t≥12 不限不限(注)注:t不得小于12㎜,且焊缝不少于3层表5 手工焊管材对接焊缝试件适用于对接焊缝焊件外径范围管材试件外径D 适用于管材焊件外径范围最小值最大值<25 D 不限25≤D<76 25 不限≥76 76 不限≥300(注)76 不限注:管材向下焊试件表5-1手工焊管板角接头试件适用于管板角接头焊件范围管板角接头试件管外径D 适用于焊件范围管外径管壁厚度焊缝金属厚度范围最小值最大值不限最小值最大值<25 D 不限不限当S0≤12时,2t;当S0≥12时(注),不限25≤D<76 25≥76 76注:当S0≥12时,t应不小于12㎜,且焊缝不得少于3层S0为管板厚度表6焊条类、别代号及适用范围焊条类别焊条类别代号相应型号适用焊件的焊条范围相应标准钛钙型F1 E××03 F1 GB/T5117GB/T5118GB/T983(奥氏体、双相钢焊条除外)纤维素型F2 E××10、E××11E××10-X、E××11-X F1、F2钛型、钛钙型F3 E×××(×)-16E×××(×)-17 F1、F3低氢型、碱性F3J E××15、E××16E××18、E××48E××15X、E××16XE××18X 、E××48XE×××(×)-15E×××(×)-16E×××(×)-17 F1、F3、F3J钛型、钛钙型F4 E×××(×)-16E×××(×)-17 F4 GB/T983(奥氏体、双相钢焊条)碱性F4J E×××(×)-15E×××(×)-16E×××(×)-17 F4、F4J表7焊接要素代号焊接要素要素代号手工钨极气体保护填充金属焊丝无01实芯02药芯03机械化焊钨极气体保护自动稳压系统有04无05自动跟踪系统有06无07每面坡口内焊道单道08多道09焊工项目SMAW-I-2FG(K)-12/51-F1是什么意思?焊工项目SMAW-I-5G-3.5/51-F1是什么意思?SMAW-----------焊条电弧焊I--------------碳素钢2FG(K)---------管板垂直固定平焊(带垫板)12/51----------管子的直径/板的厚度F1-------------钛钙型焊条Exx03 5G-------------管的水平固定焊 3.5/51---------管壁厚度/管的直径焊接项目:SMAW-I-1G-12-F1,各个部分的表示含义?SMAW :表示焊条手工电弧焊;I:表示母材为第一组,即碳素钢1G:表示板材对接焊缝试件水平焊接位置或管材对接焊缝试件水平转动位置;12:表示考核试板厚度是12mm;F1:表示使用钛钙型药皮电焊条。
特种作业项目代号(精选可编辑).doc一、特种作业的定义特种作业是指在劳动过程中,涉及到高风险、高难度、特殊环境或者需要特殊技能的操作。
这些操作包括但不限于:电工作业、焊接与热切割作业、高处作业、制冷与空调作业、煤矿安全作业、金属非金属矿山安全作业等。
二、特种作业项目代号1.电工作业:代号E,包括高压电工作业和低压电工作业。
2.焊接与热切割作业:代号S,包括熔化焊接与热切割作业、压力焊作业和钎焊作业。
3.高处作业:代号H,包括登高架设作业和高处安装、维护、拆除作业。
4.制冷与空调作业:代号R,包括制冷与空调设备运行操作作业和制冷与空调设备安装修理作业。
5.煤矿安全作业:代号C,包括煤矿井下电气作业、煤矿井下爆破作业、安全监测监控作业和瓦斯检查作业等。
6.金属非金属矿山安全作业:代号J,包括金属非金属矿山井下电气作业、金属非金属矿山安全检查作业和金属非金属矿山提升机操作作业等。
三、如何查询特种作业项目代号如果想要了解更多关于特种作业项目代号的信息,可以通过以下途径进行查询:1.咨询专业人士:可以向从事特种作业的工程师或技术人员咨询,了解各种特种作业项目及其对应的代号。
2.查阅相关法规和标准:可以查阅国家或地方颁布的特种作业相关法规和标准,了解各种特种作业项目及其对应的代号。
3.在相关网站查询:可以登录国家或地方安全生产监督管理局的网站,查询各种特种作业项目及其对应的代号。
四、总结了解和掌握特种作业项目及其对应的代号是进行特种作业安全管理的重要前提。
在实际工作中,应该根据不同的特种作业项目及其对应的代号,采取相应的安全措施和防护措施,确保操作人员的安全和健康。
同时,也需要不断加强特种作业的安全管理和培训工作,提高操作人员的技能水平和安全意识,预防和减少特种作业事故的发生。
焊工证上的字母各表示什么各焊工考委会应严格按照国质检办特〔2005〕86号通知要求的基本格式进行证书编号,即:1.基本格式2.代号含义(1) 证书项目代号:由两个字母和一个数字组成,特种设备类表示为“TS6”。
(2) 作业种类代号:由一个字母表示,焊接作业表示为“J”。
(3) 地区代码:由三个字母表示,即是首次发证部门所在地区的行政区划字母代码四、市属的焊考委,地区代码按照所在地市的地区代码,证书顺序号由市技术监督局统一排序,顺序号均从00001起始,顺序号后面加注焊考委代码自定。
指的是你所培训的焊接项目:比如说GMAW:熔化极气体保护电弧焊(Gas Metal Arc Welding)SMAW:焊条电弧焊(Shielded Metal Arc Welding)焊工证上的各种符号各代表什么压力容器等特种设备方面的我国详见《特种设备焊工考试细则》,钢结构考试再下不清楚哪个标准了!A6 焊工操作考试项目代号焊工操作考试项目代号,应按每个焊工、每种焊接方法分别表示。
A6.1 焊工操作考试项目表示方法A6.1.1 手工焊焊工操作考试项目表示方法手工焊焊工操作考试项目表示方法为(1)-(2)-(3)-(4)/(5)-(6)-(7),其含义如下:(1)焊接方法代号,见表A-1,耐蚀堆焊代号加(N与试件母材厚度);(2)试件金属材料分类代号,见表A-2。
试件为异类别金属材料用X/X表示;(3)试件形式代号,见表A-4,带衬垫代号加(K);(4)试件焊缝金属厚度;(5)试件外径;(6)填充金属类别代号,见表A-3;(7)焊接工艺要素代号,见表A-5。
考试项目中不出现某项时,则不填。
举例说明:(1)厚度为14mm的16MnR钢板对接焊缝平焊试件带衬垫,使用J507焊条手工焊接,试件全焊透。
项目代号为SMAW-FeⅡ-1G(K)-14-F3J;欧洲的详见EN287-1GTAW-II-6G-3/89-02.代表氩弧焊水平管全位置焊接(单面焊双面成型)SMAW-II-6G(K)-7/89-F3.代表手把焊水平管全位置焊接(单面焊双面成型)smaw焊条电弧焊二类材料(X60、X70)水平固定位置下向焊管径711X14.2纤维素焊条焊接焊工代码含义焊工证SMAW-Ⅱ-2FG-12/57-F3JSMAW-II-1G-12-F3J SMAW-I-5G(K)5/60-F3J焊接方法代号—材料类别—试件型式—试件厚度—管外径—焊条类型※焊机操作工代号仅有三项:方法、试件形式、焊接要素代号表1焊接方法代号焊接方法代号焊条电弧焊SMAW气焊OFW钨极气体保护焊GTAW熔化极气体保护焊GMAW埋弧焊SAW电渣焊ESW摩擦焊FRW螺柱焊SW表2钢号分类及代号类别代号典型钢号示例碳素钢I Q195 Q215 Q235 10 15 20 25 20R 20g 20G 22g HP245 HP265L175 L210 S205低合金钢II HP295 HP325 HP345 HP365 L245 L290 L320 L360 L415 L450L485 L555 S240 S290 S315 S360 S385 S415 S450 S480 12Mng 16Mn16Mng 16MnR 15MnNIR 15MnV 15MnVR 20MnMo 10MnWVNB 13MnnIMonBR 20MnMonB 07MnCRMoVR 12CrMo 12CrMoG 15CrMo 15CrMor15CrMoG 14Cr1Mo 14Cr1MoR 12Cr1MoV 12Cr1MoVG 12Cr2Mo 12Cr2Mo1 12Cr2Mo1R 12Cr2MoG 12Cr2MoWVTiB 12Cr3MoVSiTiB 09MnD 09MnnID 09MnnIDR 16MnD 16MnDR 15MnNIDR 20MnMoD 07MnnICrMoVDR 08MnnICrMoVD 10nI3MoVD马氏体不锈钢、铁素体不锈钢III 1Cr5Mo 0Cr13 1Cr13 1Cr17 1Cr9Mo1奥氏体不锈钢IV 0Cr19Ni9 0Cr18Ni12Mo2Ti 0Cr23Ni130Cr18Ni9Ti 00Cr17Ni14Mo2 0Cr25Ni200Cr18Ni11Ti 0Cr18Ni12Mo3Ti 00Cr18Ni5Mo3Si200Cr18Ni10 00Cr19Ni13Mo3 1Cr19Ni900Cr19Ni11 0Cr19Ni13Mo3 1Cr19Ni11Ti1Cr23Ni18表3试件形式、位置代号适用于焊件位置试件形式试件位置代号板材与管径大于600㎜的管材板材与管径小于600㎜管材角焊缝位置管板角接头焊件位置板状对接焊缝试件平焊1G 平平平横焊2G 平、横平、横平、横立焊3G 平、立平平、横、立仰焊4G 平、仰平平、横、仰管状对接焊缝试件水平转动1G 平平平垂直固定2G 平、横平、横平、横水平固定向上焊5G 平、立、仰平、立、仰平、立、仰向下焊5GX 平、立向下、仰平、立向下、仰平、立向下、仰45.固定向上焊6G 平、横、立、仰平、横、立、仰平、横、立、仰向下焊6GX 平、立向下、横、仰平、立向下、横、仰平、立向下、横、仰管板角接头试件水平转动2FRG 平、横2FG垂直固定平焊2FG 平、横2FRG、2FG垂直固定仰焊4FG 平、横、仰4FG、2FG水平固定5FG 平、横、立、仰5FG、2FRG、2FG45.固定6FG 平、横、立、仰所有位置螺柱焊平焊1S横焊2S仰焊4S表4手工焊对接焊缝试件适用与对接焊缝焊件焊缝金属厚度范围焊缝形式试件母材厚度适用与焊件焊缝金属厚度最小值最大值对接焊缝<12 不限2×t≥12 不限不限(注)注:t不得小于12㎜,且焊缝不少于3层表5 手工焊管材对接焊缝试件适用于对接焊缝焊件外径范围管材试件外径D 适用于管材焊件外径范围最小值最大值<25 D 不限25≤D<76 25 不限≥76 76 不限≥300(注)76 不限注:管材向下焊试件表5-1手工焊管板角接头试件适用于管板角接头焊件范围管板角接头试件管外径D 适用于焊件范围管外径管壁厚度焊缝金属厚度范围最小值最大值不限最小值最大值<25 D 不限不限当S0≤12时,2t;当S0≥12时(注),不限25≤D<76 25≥76 76注:当S0≥12时,t应不小于12㎜,且焊缝不得少于3层S0为管板厚度表6焊条类、别代号及适用范围焊条类别焊条类别代号相应型号适用焊件的焊条范围相应标准钛钙型F1 E××03 F1 GB/T5117GB/T5118GB/T983(奥氏体、双相钢焊条除外)纤维素型F2 E××10、E××11E××10-X、E××11-X F1、F2钛型、钛钙型F3 E×××(×)-16E×××(×)-17 F1、F3低氢型、碱性F3J E××15、E××16E××18、E××48E××15X、E××16XE××18X 、E××48XE×××(×)-15E×××(×)-16E×××(×)-17 F1、F3、F3J钛型、钛钙型F4 E×××(×)-16E×××(×)-17 F4 GB/T983(奥氏体、双相钢焊条)碱性F4J E×××(×)-15E×××(×)-16E×××(×)-17 F4、F4J表7焊接要素代号焊接要素要素代号手工钨极气体保护填充金属焊丝无01实芯02药芯03机械化焊钨极气体保护自动稳压系统有04无05自动跟踪系统有06无07每面坡口内焊道单道08多道09焊工项目SMAW-I-2FG(K)-12/51-F1是什么意思?焊工项目SMAW-I-5G-3.5/51-F1是什么意思?SMAW-----------焊条电弧焊I--------------碳素钢2FG(K)---------管板垂直固定平焊(带垫板)12/51----------管子的直径/板的厚度F1-------------钛钙型焊条Exx03 5G-------------管的水平固定焊 3.5/51---------管壁厚度/管的直径焊接项目:SMAW-I-1G-12-F1,各个部分的表示含义?SMAW :表示焊条手工电弧焊;I:表示母材为第一组,即碳素钢1G:表示板材对接焊缝试件水平焊接位置或管材对接焊缝试件水平转动位置;12:表示考核试板厚度是12mm;F1:表示使用钛钙型药皮电焊条。