园林景观绿化资料表格模板
- 格式:docx
- 大小:132.30 KB
- 文档页数:56
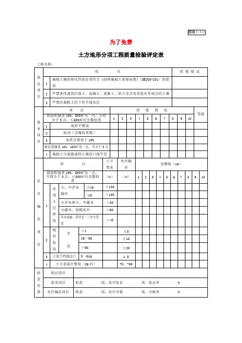
为了免费土方分项工程质量检验评定表灰土、砂石分项工程质量检验评定表砂和三合土工程名称:部位:打(压)桩分项工程质量检验评定表工程名称:部位:年月日防水混凝土结构分项工程质量检验评定表工程名称:部位:年月日水泥砂浆防水层分项工程质量检验评定表工程名称:部位:年月日卷材防水层分项工程质量检验评定表工程名称:部位:年月日模板分项工程质量检验评定表钢筋绑扎分项工程质量检验评定表工程名称:部位:年月日钢筋焊接分项工程质量检验评定表混凝土分项工程质量检验评定表③蜂窝、空洞、露筋、缝隙夹渣等缺陷,在装饰前应按施工规范规定进行修整。
混凝土设备基础分项工程质量检验评定表构件安装分项工程质量检验评定表(一)(用于一般工业与民用建筑)砌砖分项工程质量检验评定表砌石分项工程质量检验评定表木屋架和梁、柱制作分项工程质量检验评定表2、项次4允许偏差系制作时允许挠曲值。
年月日木屋架安装分项工程质量检验评定表工程名称:部位:注: 1、H为屋架、柱的高度,L为构件长度。
年月日2、允许偏差项目项次3的允许偏差系指安装后的弯曲或挠曲值。
钢结构焊接分项工程质量检验评定表工程名称:部位:钢结构螺栓连接分项工程质量检验评定表工程名称:部位:年月日固定式钢梯、栏杆、平台安装分项工程质量检验评定表工程名称:部位:注:L为梁长度;H为柱的高度;h为梁高;HF为直梯高度。
年月日钢结构油漆分项工程质量检验评定表工程名称:部位:年月日地面基层分项工程质量检验评定表整体楼、地面分项工程质量检验评定表板块楼、地面分项工程质量检验评定表木质板楼、地面分项工程质量检验评定表工程名称:部位:年月日厂区道路分项工程质量检验评定表住宅区工程名称:部位:年月日木门窗制作分项工程质量检验评定表木门窗安装分项工程质量检验评定表工程名称:部位:年月日钢门窗安装分项工程质量检验评定表工程名称:部位:年月日铝合金门窗安装分项工程质量检验评定表一般抹灰(室内)分项工程质量检验评定表工程名称:部位:年月日一般抹灰(室外)分项工程质量检验评定表工程名称:部位:年月日水刷石、水磨石、斩假石和干粘石分项工程质量检验评定表工程名称:部位:年月日假面砖、拉条灰、拉毛灰、洒毛灰、仿石和彩色抹灰分项工程质量检验评定表工程名称:部位:年月日喷砂、喷涂、滚涂和弹涂分项工程质量检验评定表工程名称:部位:年月日清水砖墙勾缝分项工程质量检验评定表工程名称:部位:年月日混色油漆(级)分项工程质量检验评定表工程名称:部位:年月日清色油漆(级)分项工程质量检验评定表工程名称:部位:年月日刷浆、喷浆(##)分项工程质量检验评定表工程名称:部位:年月日玻璃安装分项工程质量检验评定表工程名称:部位:裱糊壁纸、墙布等分项工程质量检验评定表工程名称:部位:年月日天然石、人造石饰面板分项工程质量检验评定表饰面砖分项工程质量检验评定表工程名称:部位:。
附表1:园林绿化工程分部、分项工程划分注1:水体绿化、边坡绿化分部内各条文有待细化,实际运用时各暂按一个分项验收。
施工现场质量管理检查记录监(建设单位项目负责人)验收核查,核查后返还施工单位,并签字认可。
单位(子单位)工程质量竣工验收记录园林绿化工程质量控制资料核查记录园林绿化工程质量控制资料核查记录接上表单位(子单位)工程安全和功能检验资料核查及主要功能抽查记录单位(子单位)工程观感质量检查记录检验批质量验收记录织项目专业质量(技术)负责人等进行验收。
附件表分项工程质量验收记录人等进行验收。
分部(子分部)工程验收记录负责人和有关勘察、设计单位项目负责人进行验收。
种植土材料检验批质量验收记录(DB33/T1068—2009)表编号:0101(2)种植土地形整理检验批质量验收记录(DB33/T1068—2010)表编号:0101(3)植物材料(乔木)工程检验批质量验收记录植物材料(棕榈类植物)工程检验批质量验收记录植物材料(灌木、藤本、竹类)工程检验批质量验收记录植物材料(草坪、草花、地被)工程检验批质量验收记录(DB33/T1068—2010)表编号:0102(4)植物修剪检验批质量验收记录(DB33/T1068—2010)表编号:0104乔灌木种植工程检验批质量验收记录(DB33/T1068—2010)表编号:0103(1)草坪种植工程检验批质量验收记录(DB33/T1068—2010)表编号:0103(2)运动型草坪种植工程检验批质量验收记录(DB33/T1068—2010)表编号:0103(3)草花、地被种植工程检验批质量验收记录(DB33/T1068—2010)表编号:0103(4)行道树种植工程检验批质量验收记录(DB33/T1068—2010)表编号:0305(5)(DB33/T1068—2009)表编号:0103(6)地下设施覆土绿化基层处理检验批质量验收记录屋顶绿化基层处理检验批质量验收记录水生植物基本项目检验批质量验收记录(DB33/T1068—2010)表编号:030101垂直绿化植物栽植检验批质量验收记录(DB33/T1068—2009)表编号:040103边坡绿化基本项目检验批质量验收记录(DB33/T1068—2010)表编号:050101(Ⅰ)主控项目边坡绿化植物品种、播植密度应符合设计要求。
为了免费土方分项工程质量查验评定表年月日灰土、砂石分项工程质量查验评定表砂和三合土工程名称:部位:年月日打〔压〕桩分项工程质量查验评定表工程名称:部位:年月日防水混凝土布局分项工程质量查验评定表工程名称:部位:年月日水泥砂浆防水层分项工程质量查验评定表工程名称:部位:年月日卷材防水层分项工程质量查验评定表工程名称:部位:年月日模板分项工程质量查验评定表钢筋绑扎分项工程质量查验评定表工程名称:部位:年月日钢筋焊接分项工程质量查验评定表混凝土分项工程质量查验评定表③蜂窝、空洞、露筋、缝隙夹渣等缺陷,在装饰前应按施工尺度规定进行修整。
混凝土设备根底分项工程质量查验评定表构件安装分项工程质量查验评定表〔一〕〔用于一般工业与民用建筑〕砌砖分项工程质量查验评定表砌石分项工程质量查验评定表板屋架和梁、柱制作分项工程质量查验评定表2、项次4允许偏差系制作时允许挠曲值。
年月日板屋架安装分项工程质量查验评定表工程名称:部位:注: 1、H为屋架、柱的高度,L为构件长度。
年月日2、允许偏差工程项次3的允许偏差系指安装后的弯曲或挠曲值。
钢布局焊接分项工程质量查验评定表钢布局螺栓连接分项工程质量查验评定表工程名称:部位:年月日固定式钢梯、雕栏、平台安装分项工程质量查验评定表工程名称:部位:注:L为梁长度;H为柱的高度;h为梁高;HF为直梯高度。
年月日钢布局油漆分项工程质量查验评定表工程名称:部位:年月日地面基层分项工程质量查验评定表整体楼、地面分项工程质量查验评定表板块楼、地面分项工程质量查验评定表木质板楼、地面分项工程质量查验评定表工程名称:部位:年月日厂区道路分项工程质量查验评定表住宅区工程名称:部位:年月日木门窗制作分项工程质量查验评定表木门窗安装分项工程质量查验评定表工程名称:部位:年月日钢门窗安装分项工程质量查验评定表工程名称:部位:年月日铝合金门窗安装分项工程质量查验评定表一般抹灰〔室内〕分项工程质量查验评定表工程名称:部位:年月日一般抹灰〔室外〕分项工程质量查验评定表工程名称:部位:年月日水刷石、水磨石、斩假石和干粘石分项工程质量查验评定表工程名称:部位:年月日假面砖、拉条灰、拉毛灰、洒毛灰、仿石和彩色抹灰分项工程质量查验评定表工程名称:部位:年月日喷砂、喷涂、滚涂和弹涂分项工程质量查验评定表工程名称:部位:年月日清水砖墙勾缝分项工程质量查验评定表工程名称:部位:年月日混色油漆〔级〕分项工程质量查验评定表工程名称:部位:年月日清色油漆〔级〕分项工程质量查验评定表工程名称:部位:年月日刷浆、喷浆〔##〕分项工程质量查验评定表工程名称:部位:年月日玻璃安装分项工程质量查验评定表工程名称:部位:裱糊壁纸、墙布等分项工程质量查验评定表工程名称:部位:年月日天然石、人造石饰面板分项工程质量查验评定表工程名称:部位:饰面砖分项工程质量查验评定表年月日罩面板安装分项工程质量查验评定表年月日钢木骨架安装分项工程质量查验评定表年月日细木成品分项工程质量查验评定表工程名称:部位:年月日花饰安装分项工程质量查验评定表工程名称:部位:年月日屋面找平层分项工程质量查验评定表工程名称:部位:年月日屋面保温〔隔热〕层分项工程质量查验评定表工程名称:部位:年月日卷材屋面分项工程质量查验评定表工程名称:部位:年月日油膏嵌缝涂料屋面分项工程质量查验评定表。
目录A1 施工现场质量管理检查记录A2施工组织设计报审表A3进场设备报验单A4 施工技术方案报审表A5 施工测量放线报验单A6 施工进度计划报审表A7 施工单位现场施工管理技术人员登记表A7-1 施工单位现场施工管理技术人员登记表A8 材料/构配件/设备报验单A9 分包单位资格报审表A10 工程预付款申请表工程预付款支付证书A11 工程开工报审表A12 园林工程材料报验单A13 技术交底表A13-1 分部(分项)工程与各工种安全技术交底记录A14 报验申请表A15 隐蔽工程报验记录A16 分项(工序)/分部/单位工程质量报验认可单A17 结构工程中间验收记录表A18 假山基础及土方工程验收表A19 监理工程师通知回复单A20 整改复查报审表A21 复工报审表A22 质量(安全)事故报告单A23 质量(安全)事故处理方案报审表A24 设计变更、洽商费用报审表A25 施工单位联系单A26 工程延期报审表A27 费用索赔申请表A28 工程款支付申请表A29 工程款支付证书A30 建筑施工安全检查报验表A31 承包单位通用报审表A32 园林工程质量保证资料核查表园林工程质量保证资料核查表(续)园林工程质量保证资料核查表(续)A33 苗木栽植工程分项报验单A34 苗木栽植工程分项报验单A35 草坪、花坛、草本地被栽植分项工程质量检验评定表A36 树木栽植分项工程质量检验评定表A37 植物材料分项工程质量检验评定表A38 栽植土分项工程质量检验评定表A39 大树移植分项工程质量检验评定表A39-1 大树移植工程观感质量评定表A40 分项工程质量评定表A41 园林建筑及小品单位工程观感质量评定表园林建筑及小品单位工程观感质量评定表(续)A42 假山叠石单位工程观感质量评定表A43 绿化单位工程观感质量评定表A44 工程控制资料自查记录表A45 工程预验申请表A46 竣工计量表A47 工程竣工报验单A48 绿化单位(子单位)工程质量竣工验收记录A49 园林建筑及小品、假山叠石单位(子单位)工程质量竣工验收记录表A50 大树移植记录表A1编号:施工现场质量管理检查记录开工日期:编号:施工组织设计报审表本表一式三份,经监理单位审批后,建设单位、监理单位、承包单位各存一份。
目录A1 施工现场质量管理检查记录A2施工组织设计报审表A3进场设备报验单A4 施工技术方案报审表A5 施工测量放线报验单A6 施工进度计划报审表A7 施工单位现场施工管理技术人员登记表A7—1 施工单位现场施工管理技术人员登记表A8 材料/构配件/设备报验单A9 分包单位资格报审表A10 工程预付款申请表工程预付款支付证书A11 工程开工报审表A12 园林工程材料报验单A13 技术交底表A13—1 分部(分项)工程与各工种安全技术交底记录A14 报验申请表A15 隐蔽工程报验记录A16 分项(工序)/分部/单位工程质量报验认可单A17 结构工程中间验收记录表A18 假山基础及土方工程验收表A19 监理工程师通知回复单A20 整改复查报审表A21 复工报审表A22 质量(安全)事故报告单A23 质量(安全)事故处理方案报审表A24 设计变更、洽商费用报审表A25 施工单位联系单A26 工程延期报审表A27 费用索赔申请表A28 工程款支付申请表A29 工程款支付证书A30 建筑施工安全检查报验表A31 承包单位通用报审表A32 园林工程质量保证资料核查表园林工程质量保证资料核查表(续)园林工程质量保证资料核查表(续)A33 苗木栽植工程分项报验单A34 苗木栽植工程分项报验单A35 草坪、花坛、草本地被栽植分项工程质量检验评定表A36 树木栽植分项工程质量检验评定表A37 植物材料分项工程质量检验评定表A38 栽植土分项工程质量检验评定表A39 大树移植分项工程质量检验评定表A39-1 大树移植工程观感质量评定表A40 分项工程质量评定表A41 园林建筑及小品单位工程观感质量评定表园林建筑及小品单位工程观感质量评定表(续)A42 假山叠石单位工程观感质量评定表A43 绿化单位工程观感质量评定表A44 工程控制资料自查记录表A45 工程预验申请表A46 竣工计量表A47 工程竣工报验单A48 绿化单位(子单位)工程质量竣工验收记录A49 园林建筑及小品、假山叠石单位(子单位)工程质量竣工验收记录表A50 大树移植记录表A1编号:施工现场质量管理检查记录开工日期:编号:施工组织设计报审表本表一式三份,经监理单位审批后,建设单位、监理单位、承包单位各存一份.园林工程用表编号:进场设备报验单编号:施工技术方案报审表编号:施工测量放线报验单工程名称:本表一式二份,经监理单位审批后,监理单位、承包单位各存一份。
园林植物运输和假植质量验收记录表
苗木进场检验记录
检验结论
类别划分:1、常绿乔木2、常绿灌木3、绿篱4、落叶乔木5、落叶灌木6、色块(带)7、花卉8、藤本植物9、水生植物10、竹子11、草坪地被
地形整理质量验收记录表
苗木种植穴、槽质量验收记录表
种植土和肥料质量验收记录表
苗木种植质量验收记录表
大树移栽质量验收记录表
移植苗木修剪质量验收记录表
苗木养护质量验收记录表
花卉种植质量验收记录表
草坪和草本地被植物种植质量验收记录表
15
草坪养护验收记录表
15
斜面护坡绿化质量验收记录表
屋顶绿化(包括地下设施覆土绿化)质量验收记录表
15
15。
园林绿化工程施工管理资料常用表格表式C1-1工程概况表表式C1-2施工现场质量管理检查记录表式C1-3施工日志本表由施工单位填写并保存。
表式C1-4-1工程质量事故调(勘)察记录表式C1-4-2工程质量事故报告书园林绿化工程施工技术资料常用表格表式B2-1施工组织设计(方案)报审表工程名称:表式C2-2图纸会审记录表式C2-3设计交底记录由建设单位整理、汇总,与会单位会签,城建档案馆、建设单位、监理单位、施工单位保存。
表式C2-4技术交底记录表式C2-5工程洽商记录表式C2-6工程设计变更通知单表式C2-7安全交底记录园林绿化工程施工测量资料常用表格表式C3-1工程定位测量记录表式B2-2施工测量放线定点报验表表式C3-2基槽验线记录园林绿化工程施工物资资料常用表格表式C4-1材料、苗木进场检验记录本表由施工单位填写,施工单位、监理单位各保存一份。
表式C4-2设备开箱检查记录表式C4-3设备及管道附件试验记录注:本表由施工单位填写,建设单位、施工单位各保存一份。
表式C4-4主要设备、原材料、构配件质量证明文件及复试报告汇总表本表由供应填写,城建档案馆、建设单位、施工单位各保存一份。
表式C4-5-1半成品钢筋出厂合格证本表由半成品钢筋供应单位提供,建设单位、施工单位各保存一份。
表式C4-5-2预拌混凝土出厂合格证本表由预拌混凝土供应单位提供,建设单位、施工单位各保存一份。
表式C4-5-3预制混凝土构件出厂合格证本表由预制混凝土构件单位提供,建设单位、施工单位各保存一份。
表式C4-5-4钢构件出厂合格证本表由钢构件供应单位提供,建设单位、施工单位各保存一份。
表式C4-7-1材料试验报告(通用)注:本表由试验单位提供,建设单位、施工单位各保存一份。
表式C4-7-2水泥试验报告注:本表由检测单位提供,建设单位、施工单位、城建档案馆各保存一份。
表式C4-7-3砌筑砖(砌块)试验报告注:本表由检测单位提供,建设单位、施工单位、城建档案馆各保存一份。
园林绿化工程资料表格园林绿化工程分部分项名录划分表A1 工程开工/复工报审表工程名称:编号:A2 施工组织设计(方案)报审表山东省建设监理协会统一印制工程名称:编号:A3 分包单位资格报审表山东省建设监理协会统一印制A4 报验申请表A5 工程款支付申请表工程名称:编号:A6 监理工程师通知回复单工程名称:编号:A7 工程临时延期申请表A8 费用索赔申请表工程名称:编号:A9 工程材料/构配件/设备报审表工程名称:编号:A10 工程竣工报验单GB*****―20XX年C1 监理工作联系单工程名称:编号:GB*****―20XX年C2 工程变更单工程名称:编号:工程开工报告园林工程用表施工组织设计审批表园林工程质量控制资料核查表园林程工量控质制资料查核(表)序号续2 245 2 ***** 29 3 03 ***** 4335 36 3 38 7394 40 124工程管理料资电气工程室外排给水工程室内给排水工程项目资名称份料数施单位工核查见核查人监理(意建设单) 位核查意核见人查卫生器具格证合水材上合料格、有证关料检测材报下水告料合格材、证有材料关测检报告上、下水压试验记录通水试验记录力道设管备强焊度检口和严密查性试验记录给材料水格证、合有材料关测报告排水材料检合格、证关材有检料测告报水试验记录通水压力验试记录管道设备度强口焊检和严查性试密验记录主要电气设备材、合格料绝缘、证接地阻电试测录记雷设备避合格单位证程测量工位单定纸图审会记、技录核术单定、计设变更单竣开工告报工组织设计施隐验蔽收记园录工林用程表园林程工量质制资料控查表(核)续序号4 3 444 465 4 ***** 505 1项目料资名称份施单位数工核查意见核查人理监(设)单位建查核意见核查人间验中收单部分分项、评记自录位记桩竣工图录沉观察记降录施工记日质事量故告报预决算书、竣工工图合同程其他控制资料结论监理或(建单设填位写:施工)位技术单责人:施负单位项工经目:总理理监程师工:日建设(位单目负项人)责年月年月日园林程工用表S1编号:施工现场质量管理检查记录开工日期:施工单位现场施工管理技术人员报审表园林工程用表S2-1施工单位现场质量管理技术人员登记表编号:填表日期:施工单位公章:附证书复印件:如施工中途有变动,应事先通报监理组。
附录B.1质量验收分部(子分部)分项名录划分
表B2-1
工程技术文件报审表
表B2-2
施工测量定点放线报验表
本表由施工单位填报,建设单位、监理单位、施工单位各存一份。
表B2-6
工程动工报审表
本表由施工单位填报、建设单位、监理单位、施工单位各存一份。
表B2-8
存。
表B2-25
有见证取样和送检见证人备案书
存。
表B2-27
有见证试验汇总表
本表由施工单位填报,建设单位、监理单位、施工单位各存一份。
表B4-2
程
变
更
单本表由提出单位填报,监理、建设单位会签,并保存一份。
附表C 施工资料用表表
C.1
浇灌水检验批质量验收记录表
树木修剪检验批质量验收记录表
修补树穴检验批质量验收记录表
通气透水
古树保护检验批质量验收记录表
C.1铺笼砖检验批质量验收记录表
表C.1砂石基层检验批质量验收记录表
表C.1碎石基层检验批质量验收记录表
表C.1混凝土基层检验批质量验收记录表
表C.1灰土基层检验批质量验收记录表
卵石面层
表C.1木铺装面层检验批质量验收记录表
路缘石(道牙)
园林护栏
表C.1叠山检验批质量验收记录表
立体花坛
编号:
花卉摆放。
园林绿化工程开工报告。
园林绿化工程停工报告园林绿化工程复工报告施工组织(方案)报审表注:1、设计图纸未经会审不得进行施工,经会审确定后即为正式文件。
2、本“记录”一式份.分送设计、建设、施工等单位份。
3、工程栏“园建工程”和“绿化工程”按面积计,单位:m2,“喷淋工程"按长度计,单位:m。
园林绿化工程技术交底记录年月日园林绿化工程洽商记录年月日园林绿化工程测量复核记录植物材料进场签证记录工程名称:整地质量检查验收记录种植土、肥泥检查验收记录隐蔽工程验收记录树木栽植子分项工程检查验收记录草坪、花坛、地被栽植子分项工程检查验收记录单位工程质量控制资料自检记录(绿化工程)工程名称:施工单位:绿化面积:注:材料检验,化验报告可根据实际情况增加项目.SYL施-5单位工程观感质量自检记录(绿化工程)栽植土分项工程实测实量自检记录(绿化工程)植物材料分项工程实测实量自检记录(绿化工程)工程名称:树木栽植分项工程实测实量自检记录(绿化工程)草坪、花坛、草本地被栽植分项工程实测实量自检记录(绿化工程)园林绿化单位工程质量综合评价表工程名称:开工日期:年月日施工单位:竣工日期:年月日园林绿化工程竣工检查表园林绿化工程保养阶段检查表园林绿化工程质量验收申请表注:此表由施工单位向建设单位申请,可由总包单位填写;或按单项合同分别填写。
附表二十二园林绿化工程竣工验收报告工程名称:验收日期:建设单位(盖章):填写说明1、工程竣工验收报告由建设单位负责填写,向备案机关递交。
2、填写要求内容认真,语言简练,字迹清楚。
3、工程竣工验收报告一式六份,建设单位、监理单位、施工单位、监督站、备案机关和城建档案馆各一份。
园林绿化工程竣工验收报告专项验收情况单位工程质量等级评定汇总表年月日年月日绿化养护管理工程验收记录隐蔽工程验收检查记录年月日简图与说明植物材料进场签证记录工程名称:。
附表1:园林绿化工程分部、分项工程划分子单位工程分部工程分项工程01绿化工程01地面绿化01栽植基础(一般绿地基层处理,地下设施覆土绿化基层处理,种植土,地形整理),02植物材料(乔木,棕榈类植物,灌木、藤本、竹类,草坪、草花、地被),03植物种植(乔灌木种植,一般草坪种植,运动型草坪种植,草花、地被种植,行道树种植,大树移植),04修剪养护2屋顶绿化01栽植基础(基层处理,种植土,地形整理),02植物材料(乔木,棕榈类植物,灌木、藤本、竹类,草坪、草花、地被),03植物种植(乔灌木种植,一般草坪种植,运动型草坪种植,草花、地被种植),04修剪养护03水体绿化01栽植基础(种植泥,水位水质),02植物材料(沿生类水生植物、挺水类水生植物、浮水类水生植物、漂浮类水生植物),03植物种植(埋种,植物栽植)4垂直绿化01栽植基础(基层处理,种植土), 02植物材料,03植物种植,04修剪养护5边坡绿化01栽植基础(基层清理,坡面排水,种植土,防护网安装,挂笼砖),02植物材料(草坪、地被,植生基质),03植物种植(草坪、地被种植,植被喷播),04养护02绿化附属工程01园林建、构筑物工程参照《建筑工程施工质量验收统一标准》GB50300-2001及《古建筑修建工程施工与质量验收规范》JGJ592园路与广场工程01基层,02面层(碎拼花岗岩、卵石、嵌草、混凝土板块、侧石、冰梅、花街铺地、大方砖、压模、透水砖、小青砖、自然块石、水洗石、透水混凝土、透水沥青混凝土、木竹面层)3园林筑山01地基基础,02主体(假山,叠石,塑石),03水电安装4园林小品01栏杆扶手、02水景、03景石、04园凳、05标识牌、06果皮箱、07坐椅、08雕塑镌刻5园林给排水参照《建筑给水排水及采暖工程施工质量验收规范》GB50242-20026园林电气照明参照《建筑电气工程施工质量验收规范》GB50303-2002注1:水体绿化、边坡绿化分部内各条文有待细化,实际运用时各暂按一个分项验收。
注:工程类别分为“园建工程”、“绿化工程”和“喷淋工程”三类
穗园绿施管1— 4
致 ___ 北京中城工程监理有限责任公司 __________
我方已根据施工合同的有关规定完成了
东小口北部地区临时应急供水工程
施工组织设计
(方案)的编制,并经我单位上级技术负责人审查批准,请予审查和批准。
附:施工组织设计(方案)
施工单位:北京燕龙实业工程公司
项目经理:
日 期: 年 月 日
审核意见:
专业监理工程师:
年 月曰
审核意见:
总工监理程师(或总监理代表):
工程名称
东小口北部地区临时应急供 水工程
施工单位 北京燕龙实业工程公司
年月曰
工程名称 地点
工程规模 工程造价 会审时间 地点
穗园绿施管理一5 — 1
建设单位
设计单位
施工单位
单
位 名 称
参加人姓名 (签字)
图
纸
编
号
加 会 审 第1页 参 工程负责人: 注:1、设计图纸未经会审不得进行施工,经会审确定后即为正式文件。
2、 本“记录”一式 份。
分送设计、建设、施工等单位 份。
3、 工程栏“园建工程”和“绿化工程”按面积计,单位: m 2
,“喷淋工程” 按长度计,单位:m 。