山东建筑大学钢结构.
- 格式:ppt
- 大小:1.68 MB
- 文档页数:85
钢结构建筑外立面处理摘要:本文结合目前我国工业建筑设计现状和绿色工业建筑对厂房外立面设计的要求,分别针对建筑外墙设计、建筑外门窗设计、建筑外遮阳设计三个方面探讨在满足厂房使用需求和绿色建筑标准下的轻钢结构工业建筑的外立面设计。
关键词:绿色建筑;工业厂房;外立面设计工业建筑是随着机器生产代替手工业生产而发展起来的。
工业建筑应为生产提供充足必要的空间环境,满足各种生产要求和生产设备的使用需要,在此基础上为从事生产的人们提供舒适的工作环境。
因此现代厂房的发展主要也是伴随着生产工艺设备的革新、生产技术的创新而不断发展的。
而随着经济水平的提高,人们对于工作环境以及工业建筑的形象有了更高要求。
但是,目前我国对于绿色建筑和环境保护方面的重视仍不够,高能耗和环境污染等问题仍亟待解决。
1.工业建筑外立面设计的研究意义随着我国生产行业的发展,各个企业打破其生产局限性,逐渐重视其“企业形象”,试图通过工业建筑的室内外空间环境和建筑形象来展示企业的综合实力和竞争优势。
因此标准化设计和千篇一律的造型已经不适用于时代发展的要求。
但是,在目前的工业建筑的设计创作过程中仍会出现一些问题,例如在追求建筑的外立面设计时,容易与民用建筑设计混为一谈,从而牺牲了工业建筑的基本使用要求;或在设计中使用不恰当的设计手法,从而增加了建筑的整体能耗。
因此对于工业厂房建筑设计策略的研究具有其理论和现实意义,本文仅为“抛砖引玉”,希望今后通过更深入系统的研究,指导我们在科学的设计原则下进行设计创作。
轻钢结构因其抗震性能好,商品化程度高,施工周期短,应用范围广,使用效果好等优点在我国工业建筑中得到了广泛应用。
因此本文主要探讨在满足厂房使用需求和绿色建筑要求下的轻钢结构工业厂房的外立面设计。
2.绿色工业建筑评价标准我国发展面临资源和环境的双重压力,绿色建筑也是我国未来建设的主要方向。
随着我国工业化进程的加快,工业建筑在节能减排方面将有更大的潜力。
绿色工业建筑是绿色建筑的重要组成部分,而《绿色工业建筑评价标准》的评价体系也是从《绿色建筑评价标准》发展而来。
焊接应力与变形1、焊接残余应力与焊接瞬态应力的区别?答:焊接残余应力是焊接后留下的应力,焊接瞬态应力是焊接过程中出现的应力。
2、试分析板中心堆焊及板边缘堆焊的焊接应力的形成过程。
并用图表示其形成过程。
答:①中心堆焊:在板堆焊时,在板厚和长度方向可视为均匀温度,根据平截面假设板条保持平面, 内部中间变形率为负值,产生压应力,两侧变形率为正值,产生拉应力。
②板边堆焊板右边缘堆焊时:按平板假设时,堆焊时,堆焊部位不可能单独伸长,而保持平面,此时两侧受压应力,中间受拉应力,受拉与受压面积相等,整个平板产生了伸长并向左发生弯曲变形。
板左边缘冷却时,冷却后两侧受拉应力,中间受压应力并缩短产生向右的弯曲变形。
3、举例说明焊接应力在生产中主要危害答:①对静载强度的影响:焊接残余应力的存在,将明显降低脆性材料钢结构的静载强度。
②对构件加工尺寸精度的影响③对受压杆件稳定性的影响:残余压应力的存在使工字梁的稳定性明显下降,使局部或整体失稳,产生变形。
④对应力腐蚀裂纹的影响:残余拉应力大小对腐蚀速度有很大的影响,当焊接残余应力与外载荷产生的拉应力叠加后拉应力值越高,产生应力腐蚀裂纹的倾向就越高,发生应力腐蚀开裂的时间就越短。
4、除加热不均匀引起焊接应力外,还有什么因素会引起焊接应力?答:①在加热过程中,金属局部发生相变,使比容增大或减小而引起。
②金属局部发生拉伸或压缩塑性变形后引起5、分析焊接纵向残余应力是如何形成的?答:焊缝冷却时,由于温差不均匀使各部位产生的收缩量不同,焊缝温差大的,产生的收缩量大于周围温差小的部位,但受到周围板的约束产生残余拉应力,而板板对接«i 忖i圆筒环缝对焊T型接头6分析焊接横向应力是如何形成的有何特点。
答:横向残余应力垂直于焊缝,由两部分组成,一是由焊缝及其附近塑性区的纵向收缩引起的横向应力,二是由焊缝及其附近塑性变形区的横向收缩引起的横向应力。
纵向应力会使板件两端存在横向压应力而中间部位存在横向拉应力,先冷却的焊缝限制后冷却焊缝的横向收缩,从而产生了横向应力。
钢结构建筑外围护结构构造技术刍议作者:赵玉东来源:《现代装饰·理论》2012年第08期摘要:从钢结构建筑屋面系统、墙面系统以及门窗系统分别探讨了钢结构建筑外围护构造的相关技术,给钢结构建筑外围护结构构造提供了一个参考。
关键词:钢结构建筑;外围护;结构构造钢结构在建筑中的应用给当前建筑的发展带来了新的活力与发展理念,尤其i是在设计方法以及施工技术方面都带来了新的体验。
随着钢结构理论技术以及工程实践技术的逐年累积,建筑钢结构体系的理论研究以及技术应用方面都得到了逐步的完善与成熟。
但是与结构部分的相对成熟相比,钢结构建筑外围护结构还不够完善,对钢结构建筑的发展产生了对应的限制作用。
因此,有必要对钢结构建筑外围护结构构造进行分析,对相关的技术进行探讨将有积极作用。
一钢结构建筑屋面系统构造技术屋面作为建筑最上层的外围护构件,根据我国当前的建筑规范,建筑屋面应该具有防水、防火、保温和隔热的功能。
尤其是对于一些造型独特的建筑屋面,其经常被作为钢结构建筑的第五立面来进行,因此还必须要具有美观的功能要求。
同时,建筑屋面还是房屋的上层承重结构,所以屋面还必须确保构件的整体强度、刚度以及在空间的稳定性。
而钢结构建筑外围护的连接问题又是钢结构建筑屋面系统的主要技术问题。
在解决屋面连接问题中,需要解决的问题主要包括:屋面外漏螺钉的问题,因为螺钉孔将成为漏雨的原因;温差的变化将导致屋面材料出现热胀冷缩,使得金属屋面出现对应的变形,造成漏雨。
对于那些中小跨度的钢结构建筑而言,对于外露的螺钉孔,可以采用将预制好的密封剂置于槽中来保证密封剂在型板的精确定位。
在通常情况下,施工过程中的自攻螺丝钉机拿过对型板造成对应的冲击作用,出现如下图1中(a)的情况。
这时,密封胶将不会起到密封的作用。
为了改善这种密封缺失的问题,可以按照如下图2(b)中所示的方式,将两板之间的连接长度延长,同时还可以设置一个凹槽,两者的嵌合就可以有效的解决连接过程中的滑移与密封问题,达到有效解决漏雨问题的目的。
山东建筑大学硕士研究生导师简介山东建筑大学硕士研究生指导教师简介(在职)土木工程学院 081401岩土工程孔军、陈启辉、蒋洪胜、薛守义、钟岱辉、张慎河、魏焕卫;孙剑平01工程岩土体稳定性与支护工程02工程结构与地基共同工作及地基土加固技术081402结构工程※※ 傅传国、张鑫、傅日荣、柳峰、逄鲁峰、孙剑平、王新平、张晓杰、赵考重、赵玉星、范夕森、贾留东、贾强、焦红、李安起、李秀领、李志明、林彦、王敦强、王示、王松岩、张爱社、徐茂波(校外导师)、董毓利(校外导师)、王欣;鹿晓阳、周学军、郭兵、孔军、陈启辉、蒋洪胜、薛守义、钟岱辉、刘之春01新型结构体系设计理论及抗灾减灾技术02工程结构安全性诊断与加固改造03钢结构基本理论及空间钢结构04计算结构力学与计算机辅助设计 081405防灾减灾工程及防护工程周学军、郭兵、席丰、刘之春、邵广彪,夏风敏;傅传国、张鑫、柳峰、王新平、赵考重、贾留东、董毓利01工程抗震与隔震、减振02工程结构诊断评估与加固改造03结构火灾行为及性能化设计081406桥梁与隧道工程范伟、亓兴军;陈启辉、蒋洪胜01桥梁结构理论与应用02地下工程设计理论与应用082301道路与铁道工程任瑞波、傅白白、宋传增、史同广、孟飞、毕玉峰、唐勇(校外导师)、范正金(校外导师)、王林(校外导师)01道路路基与路面工程02沥青与沥青混合料03道路CAD 与“3S”技术04城市交通规划与管理管理工程学院120100管理科学与工程沙凯逊、陈起俊、徐友全、李永福、张志刚、桑培东、邢莉燕、赵锦锴、赵雷、陈兆柱、崔晓青、邓晓红、解本政、李爱华、李奇会、亓霞、杨杰、郑生钦、王国富(校外导师)、王天义(校外导师)、许传海(校外导师)、王德东、高妍方、侯延香、孙家坤、武志军、周伟忠、杨莉;王海滋01建设工程管理02城市发展与管理03建设项目投资与融资04房地产经济与管理05信息管理与信息系统06管理理论与工业工程热能工程学院080701工程热物理陈宝明、马金花、钱焕群、王远成;刘学来、张浩01热质传递与应用02流动与燃烧080702热能工程张林华、于明志、刘学来、杨冬、孟扬、云和明;田贯三、许伯彦、崔萍、周守军、钱焕群01新能源与节能技术02能源转换与利用技术080705制冷及低温工程李永安、王强、刘俊红;刁乃仁、曲云霞、楚广明01制冷与热泵技术02冷冻冷藏技术03低温技术与应用081404供热、供燃气、通风及空调工程※刁乃仁、田贯三、曲云霞、刘乃玲、楚广明、王德林、尹纲领、崔永章、李兴泉、宋永明、张增刚、吕东岚、崔萍、谢晓娜、徐琳、张浩、周守军;李永安、陈宝明、张林华01室内空气品质与热湿环境02建筑节能与自动控制03燃气输配与应用市政与环境工程学院081403市政工程※武道吉、王龙、邢丽贞、谭凤训、陈文兵、陈淑芬、李梅、于军亭、张志斌、杜贞栋(校外导师)、贾瑞宝(校外导师)、李福林(校外导师)、孙铁珩(校外导师,因年龄09年起停招);01水处理理论与技术02水系统节能与优化理论与技术03污水资源化理论与技术张克峰、刘建广 083002环境工程张克峰、刘泽常、刘建广、吴俊森、孙友敏、栾兴社、刘静、王洪波、许文、杨义飞、张华、朱丽、母锐敏、杜世勇(校外导师)、张桂芹、张维建;武道吉01水污染控制理论与技术02大气污染控制理论与技术03固体废物污染控制与资源化理论与技术04环境化学与环境监测理论与技术建筑城规学院081301建筑历史与理论邓庆坦、焦铭起01中国近代建筑文化遗产02西方近、现代建筑历史与当代建筑思潮081302建筑设计及其理论※刘甦、张建华、江海涛、仝晖、邵志伟、张勤、赵继龙;赵学义、邓庆坦01公共建筑设计与城市景观环境02当代教育建筑03城市住宅与居住环境081303城市规划与设计※※闫整、张军民、吕学昌、赵健、崔东旭、陈有川、刘兆德、王巍、周宇量(因出国09不招生)、佘丽敏、于静、王新文(校外导师);张建华、傅白白、史同广 01城市土地利用与空间规划02城市设计与公共环境规划03人居环境与住区规划04城市与区域发展081304建筑技术科学王崇杰、崔艳秋、薛一冰、赵学义、纪伟东01太阳能建筑一体化02建筑节能03绿色建筑艺术学院050403美术学李立华、陈天强、崔凤东、张志强、刘慨、赵海波、王磊01中国画创作及理论02油画创作及理论050404设计艺术学※陈华新、周长积、刘玉安、周鲁潍、孙继国、薛娟、张玉明、胡天君、姜波、张炜 01建筑环境艺术设计及其理论02城市公共艺术设施及其理论03园林景观艺术设计及其理论090706园林植物与观赏园艺鲁敏、李成、王胜永、布凤琴、尚红 01园林景观植物应用与生态02园林景观绿地规划与设计机电工程学院080202机械电子工程※许伯彦、宋现春、于复生、董明晓、宋世军、李云江、张蔚波;史宝军、张明勤、郑忠才01机电系统控制及自动化02机器人技术与计算机集成制造080203机械设计及理论史宝军、张明勤、张瑞军、马洪芳、郑忠才、陈清奎、王胜春、程钢、吕志杰、秦月霞、阎玉芹、袁文生、郑明刚、沈孝芹、王晓伟、徐楠、张青;许伯彦、宋现春、于复生、董明晓、宋世军 01工程机械设计及制造方法 02机械设备测试、性能分析与控制 03动力机械的研究与开发信息与电气工程学院0811控制科学与工程鲁守银、段培永、于海鹰、王继忠、韦忠礼、李伟(因年龄09年起停招)、段晨旭、高诺、张宪福、齐保良、王涛、罗明华、张桂青、王树昆、张运楚、谢秀颖、姚庆梅、张永坚、赵秀珍(因年龄09年起停招)、曹建荣、曹立霞、关华、刘兆峰、王少林、李红民、李全民、曲怀敬、赵安兴、杨健、许鸿奎、李成栋、吕红丽、尚芳、石嘉川、汪明商学院120204技术经济及管理姜阵剑、于承新、姜明、高桂平、于春明、王海滋、马瑞华、宋平、孙慧琳、王静、王义华、袁振权、杜波(校外导师)、罗能钧(校外导师)、罗能镇(校外导师)、张庆华(校外导师)、栗志坤、赵莉、赵克杰、桑忠喜;沙凯逊、陈起俊、徐友全01建筑技术经济02房地产技术经济03房地产经营与管理04电子商务技术经济05财务分析与评价材料科学与工程学院080502材料学刘立强、许斌、冯立明、李长龙、刘科高、田清波、范素华、牛玉超、蔡修凯、李静、孙华;马洪芳、孙德明;王修春(校外导师)、律微波(校外导师)、唐守秋(校外导师)、田长文(校外导师) 01金属材料及其表面技术02先进陶瓷材料03功能材料04新型建筑材料080503材料加工工程※孙清洲、王桂青、孙德明、景财年、赵忠魁、初福民、罗辉、张元彬、徐淑波;鹿晓阳、刘立强、许斌、李长龙;王修春(校外导师)、律微波(校外导师)、唐守秋(校外导师)、田长文(校外导师) 01塑性成型工艺及模具优化设计02材料连接及液态成型技术03材料表面改性技术04模具工程计算机科学与技术学院081203计算机应用技术李盛恩、张建、刘浩、杜忠友、马宏伟、李晓峰、夏传良、徐遵义、顾一中(校外导师)01数据库理论及应用02计算机网络技术及应用理学院070205凝聚态物理许福运、赵俊卿、王凤翔、陈莹、季燕菊、庞岩涛、秦希峰、张宁玉、庄桥01低维物理02半导体光电法政学院030501马克思主义基本原理王传剑、韩锋、张培忠、胡宁、隋卫东、王淑华、李少琳、李祥金、张鹏、高岩、李丽、刘海霞、李庆华杨先永01马克思主义与当代世界政治02马克思主义与当代中国经济03马克思主义与当代社会发展04马克思主义法学工程力学研究所080102固体力学王兆清、唐炳涛;鹿晓阳、赵玉星、王新平01固体力学数值分析/模拟方法研究及应用02结构抗震及可靠性研究及其应用080104工程力学鹿晓阳;王兆清、席丰、赵玉星、王新平01结构优化设计与工程弹塑性理论02结构动力学与工程应用注:专业名称后带※※的是山东省“十一五”重点强化建设学科(实验室);专业名称后带※的是山东省“十一五”重点学科(实验室)。
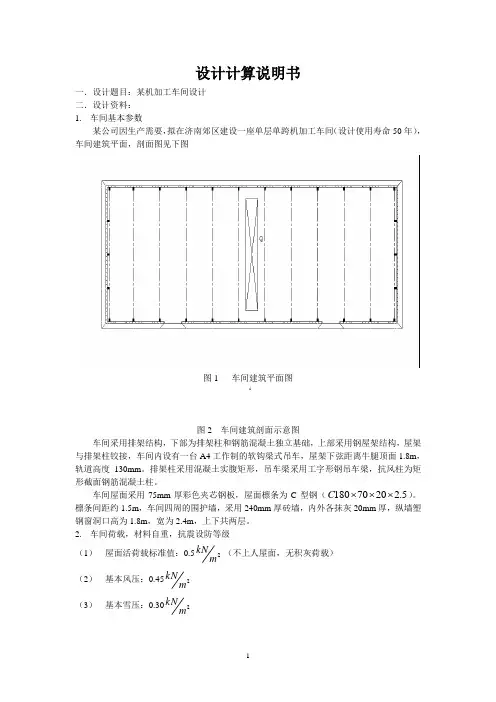
设计计算说明书一.设计题目:某机加工车间设计 二.设计资料: 1. 车间基本参数某公司因生产需要,拟在济南郊区建设一座单层单跨机加工车间(设计使用寿命50年),车间建筑平面,剖面图见下图图1 车间建筑平面图‘图2 车间建筑剖面示意图车间采用排架结构,下部为排架柱和钢筋混凝土独立基础,上部采用钢屋架结构,屋架与排架柱铰接,车间内设有一台A4工作制的软钩梁式吊车,屋架下弦距离牛腿顶面1.8m ,轨道高度130mm 。
排架柱采用混凝土实腹矩形,吊车梁采用工字形钢吊车梁,抗风柱为矩形截面钢筋混凝土柱。
车间屋面采用75mm 厚彩色夹芯钢板,屋面檩条为C 型钢(5.22070180⨯⨯⨯C )。
檩条间距约1.5m ,车间四周的围护墙,采用240mm 厚砖墙,内外各抹灰20mm 厚,纵墙塑钢窗洞口高为1.8m ,宽为2.4m ,上下共两层。
2. 车间荷载,材料自重,抗震设防等级 (1) 屋面活荷载标准值:0.52m kN (不上人屋面,无积灰荷载)(2) 基本风压:0.452m kN (3) 基本雪压:0.302m kN(4) 屋面75mm 厚夹芯钢板及檩条自重标准值:0.252m kN(5) 钢屋架及屋面支撑自重标准值:0.352m kN(6) 钢筋混凝土自重253mkN;砖及抹灰自重203mkN;回填土自重203m kN(7) 抗震设防等级:6度 3. 荷载组合(1) 钢屋架:为简化计算,屋面暂不考虑风荷载作用,首先计算一榀典型简支屋架的内力系数,然后计算在下述三种荷载标准值下的杆件内力:全跨永久荷载,全跨屋面活荷载,半跨屋面活荷载,然后进行内力组合。
(2) 排架柱:不考虑车间的空间作用,将钢屋架简化成刚度无穷大的水平横梁,两端与排架柱铰接连接,然后计算排架在各种荷载下的内力,最后进行内力组合。
4. 地质情况经过勘测,地表土为人工填土,1.2m 厚,不宜作为天然地基土,建议全部挖除;其下为粘土,地基承载力特征值kPa f ak 200=,压缩模量MPa E S 10=,适宜作为地基持力层,场地地下水静止水位埋深10.5m ,可不考虑水质对基础混凝土的侵蚀,最大冻土深度可按0.5m 考虑。
P-SFG体系整体结构模型抗震性能分析周学军;王周泰;郭强;李明洋;魏方帅【摘要】装配式门形支撑铰接钢框架结构P-SFG体系是一种由支撑和钢框架组成的快速建造钢结构抗震体系,其加设支撑的刚接跨承担水平荷载,框架承担竖向荷载,受力明确、构造简单,适合装配化施工及建筑工业化要求.文章采用有限元软件对2层2×3跨模型进行了弹性分析及动力时程分析,验证了其破坏形态,并采用简化计算模型的理论分析结果对有限元分析的合理性进行了验证.结果表明:P-SFG体系适用于设防烈度≤8度的低层房屋,其抗震性能良好;P-SFG体系在罕遇地震烈度下整体弹塑性抗侧性能良好;结构破坏形态符合"强梁柱,弱支撑"的设计理念;有限元分析结果与理论计算结果误差在10%以内,工程应用中可用其进行分析计算.【期刊名称】《山东建筑大学学报》【年(卷),期】2018(033)002【总页数】7页(P1-7)【关键词】装配式;铰接钢框架;有限元分析;时程分析;抗震性能【作者】周学军;王周泰;郭强;李明洋;魏方帅【作者单位】山东建筑大学土木工程学院,山东济南250101;山东建筑大学土木工程学院,山东济南250101;山东建筑大学土木工程学院,山东济南250101;山东建筑大学土木工程学院,山东济南250101;山东建筑大学土木工程学院,山东济南250101【正文语种】中文【中图分类】TU3180 引言近年来,国家大力提倡装配式建筑[1-2],低层钢结构房屋体系得到迅速发展,类型呈现多样化,常见的结构体系有轻钢框架结构、轻钢龙骨结构、无比钢结构、集装箱式结构等,但这些体系大多存在建造成本高、构造连接复杂的问题,推广应用效果不明显[3-4];同时随着我国生态文明建设的稳步推进以及大力实施“乡村振兴战略”,发展装配式钢结构低矮房屋体系势在必行。
因此本课题组提出了一种施工方便、适合于低矮房屋的新型结构体系——装配式门形支撑铰接钢框架结构P-SFG(Prefabricated Steel Frame Houses with Pinned Beam-column Connection and New Gate-shaped Braces)体系[5]。
钢结构设计知到章节测试答案智慧树2023年最新山东建筑大学绪论单元测试1.下列()不是《钢结构原理》课程学习的内容。
参考答案:钢结构的结构体系与设计2.下列关于极限状态设计法的描述中,()是不正确的。
参考答案:结构出现过度塑性变形属于正常使用极限状态3.下列关于构件强度和稳定性的说法中,()是不正确的。
参考答案:强度与钢材牌号有关,稳定性与钢材牌号无关4.下列关于工字形截面梁的说法中,()是不正确的。
参考答案:翼缘能利用屈曲后强度5.下列关于连接的说法中,()是不正确的。
参考答案:高强度螺栓承压型连接的受剪破坏形式与普通螺栓不同第一章测试1.下列关于门式刚架结构的说法中,()是不正确的。
参考答案:可设置起重量不大于5t的悬挂式起重机2.采用楔形柱的门式刚架结构,其柱脚应为()。
参考答案:铰接3.在厂房的每个()内,应分别设置能独立构成空间稳定结构的支撑体系。
参考答案:温度区段4.门式刚架柱间支撑的间距应根据房屋纵向受力情况及安装条件确定,一般取()。
参考答案:30m~45m5.当门式刚架中的檩条兼做刚性系杆时,檩条应满足()的承载力和刚度要求。
参考答案:压弯构件6.下列关于门式刚架荷载组合的说法中,()是不正确的。
参考答案:屋面雪荷载和积灰荷载不同时考虑7.门式刚架斜梁下翼缘受压时,常在受压翼缘两侧布置()作为侧向支撑。
参考答案:隅撑8.下列做法中,()不用于门式刚架斜梁与柱的连接。
参考答案:平齐式端板竖放9.下列关于门式刚架屋面C形檩条计算的陈述中,()是正确的。
参考答案:应验算垂直于屋面方向的挠度10.门式刚架梁、柱腹板利用屈曲后强度时,应按()计算其截面几何特性。
参考答案:有效截面面积11.某单位拟建设一座跨度为21m的双跨轻型车间,每跨均设有两台16t中级工作制吊车,采用门式刚架结构,下列方案中()符合要求。
参考答案:12.某门式刚架轻型厂房,跨度24m,柱距6m,下列()支撑布置图符合规范要求。
装配式钢结构住宅 ALC外墙板施工技术摘要:建筑产业发展的必然趋势是大力推广节能建筑技术即装配式建筑,目前北方地区应用较多的是多层装配式钢结构建筑。
装配率主要以内外墙体、装修、整体式卫生间、集成吊顶与综合管线等方式体现。
其中非砌筑墙体应用成为装配率评价的重要评分项,以北京101中学扩建项目装配式ALC条板外墙实际应用,通过条板与外墙不同施工节点的优劣比选,归纳总结适合本项目的条板外墙节点施工技术。
关键词:装配式建筑;钢结构;外墙条板;ALC条板;施工节点引言目前装配式建筑主要以非砌筑形式的外围护墙、内隔墙、集成式吊顶和综合管线提高装配率。
随着各类装配式建筑的涌现,越来越多的非砌筑墙板应用成为满足装配率的重要评分项,非砌筑外墙和钢结构连接施工过程中体现出来的受力和诸多技术问题也越来越受到重视。
装配式钢结构建筑物一般选用预制轻质板材作为围护体系,为防止冷热桥的出现,外墙板多采用外挂方式与钢梁、钢柱连接。
外墙板与结构的连接节点成为钢结构建筑结构安全的关键部位,其性能直接影响结构体系的刚度、稳定性和承载能力。
目前对于钢结构外挂板的连接方式,国内研究资料相对不多,已有的连接方式形式各异,标准化、集成化尚未成熟。
1工程概况江苏沪宁装配式建筑有限公司研发大楼地上总建筑面积11548.65m2,地下建筑面积约为1600.55m2,建筑层数:地下1层,地上10层。
其中地下部分采用钢混结构;上部采用装配式钢结构、ALC墙板、陶粒板、钢筋桁架楼承板组合结构(见图1)。
本文主要阐述ALC板与钢结构的组合。
2装配式钢结构ALC外墙板半外挂施工2.1方案简述本工程以钢结构梁为依托,在钢结构梁边下翼缘设置角钢组合作为ALC外挂托板固定结构,作为ALC板上节点勾拉持力件;在混凝土楼板边缘设置预埋件,焊接楼板边缘角钢,作为ALC板下节点勾拉持力件,三者共同作用保证外挂ALC墙板受力状况稳定可靠。
再在室内方向内衬较薄ALC板材,与外挂ALC墙板采用膨胀螺栓连接,遮盖室内ALC上下节点,同时加厚ALC墙板总体厚度,保证节能效果,隔绝外侧ALC墙板的渗水、泛潮进入室内装修层;用于高度超过ALC板材墙体高厚比的墙面时,增加构造梁,通过半外挂、半内衬的施工方式,可达到无外露构造梁的效果。
目录:人物简介个人履历开始创业一、人物简介籍贯:山东潍坊学历:本科毕业院校:山东建筑大学座右铭:永做行业精品,推动行业进步王学刚,汉族,男,1975年6月出生,在山东潍坊,现任山东芳林昊天钢结构工程有限公司总经理二、创业历程1997年大学毕业以后,王学刚先生放弃大城市优越的工作、生活环境,为了自己的理想及梦想,开启了艰难的创业之路。
回到老家首先从菱镁土石棉瓦、活动板房的生产与销售做起,产品虽小,但王学刚对产品质量严格把关,不得有半点马虎,正因为王学刚一直坚持质量第一、信誉第一的理念,很快在同行业中脱颖而出,订单接连不断,在给客户提供优质产品的同时自己也获得了人生的第一桶金。
随着市场的不断扩大及社会进步,他意识到菱镁土活动房因为工艺原始、在结构构造和便捷性等方面存在着很多缺点,迟早会被淘汰。
于是他开始到全国各地去考察,发现钢结构复合板活动房有“经济环保,无建筑垃圾,可重复使用,布局灵活,安全可靠,经久耐用”等优点。
在2007年3月便创立了“潍坊铁人钢结构工程有限公司”,主要生产钢结构复合板活动板房,产品一经上市便得到当地客户的抢购。
也正是“铁人钢结构公司”的成立,王学刚从小作坊开始走向了正规公司的发展轨道,一直本着“科技、品质、服务、共赢”的理念去发展企业,企业在发展、市场在壮大,一个“铁人”远远满足不了市场的需求,于2009年王学刚创立了第二家公司“济南昊天集成房屋有限公司”,以省会城市为中心,向周边省份及地区去扩展业务,短短两年时间,市场已经辐射到北京、天津、东三省、内蒙、山西、陕西等地,并分别在各个省份建立办事处,形成一个完整的业务网络。
业务量在扩大,王学刚又有了新的思考,在产品方面不能仅仅局限于活动板房,公司要走多元化发展道路,于是公司走向了集成房屋之路。
在2012年又创建了“山东芳林昊天钢结构工程有限公司”,注册资金追加到5000万,公司主要针对轻钢别墅、集装箱式房、组合型活动房、活动岗亭、活动板房、压花保温板等新型产品的研发与生产。