局部放电缺陷检测典型案例和图谱库
- 格式:doc
- 大小:4.47 MB
- 文档页数:37
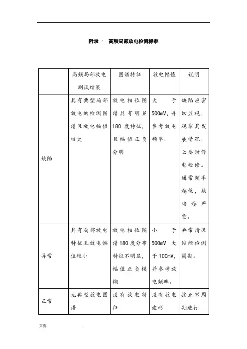
局部放电标准图谱附录一高频局部放电检测标准高频局部放电测试结果图谱特征放电幅值说明缺陷具有典型局部放电的检测图谱且放电幅值较大放电相位图谱具有明显180度特征,且幅值正负分明大于500mV,并参考放电频率。
缺陷应密切监视,观察其发展情况,必要时停电检修。
通常频率越低,缺陷越严重。
异常具有局部放电特征且放电幅值较小放电相位图谱180度分布特征不明显,幅值正负模糊小于500mV大于100mV,并参考放电频率。
异常情况缩短检测周期。
正常无典型放电图谱没有放电特征没有放电波形按正常周期进行附录二高频局部放电检测典型图谱放电类型图谱类型图谱特征电晕放电相位图谱分类图谱单个脉冲时域波形单个脉冲频域波形内部放电相位图谱分类图谱单个脉冲时域波形单个脉冲频域波形沿面放电相位图谱分类图谱附录三GIS超高频局部放电检测典型图谱定义:1、单周期检测数据:检测一个50Hz周期局部放电的峰值与相位角。
2、峰值检测数据:检测50Hz周期的相位角与局部放电信号的峰值和放电速率的关系。
3、PRPD检测数据获取局部放电信号峰值时,数据显示不同大小峰值的局部放电信号个数与50Hz周期相位角的关系。
GIS超高频局部放电典型图谱:电晕放电单周期检测图谱峰值检测图谱PRPD检测图谱自由金属颗粒放电单周期检测图谱峰值检测图谱PRPD检测图谱空隙(空穴、气隙)放电单周期检测图谱峰值检测图谱PRPD检测图谱移动电极局部放电(悬浮放电)单周期检测图谱峰值检测图谱PRPD检测图谱GIS超高频典型干扰图谱:雷达噪音单周期检测图谱峰值检测图谱PRPD检测图谱横轴是幅值,纵轴是相位马达噪音单周期检测图谱峰值检测图谱PRPD检测图谱闪光噪音单周期检测图谱峰值检测图谱PRPD检测图谱移动电话噪音单周期检测图谱峰值检测图谱PRPD检测图谱附录四高压电缆局部放电典型图谱及检测标准序号项目周期标准说明高压电缆局部放电电缆本体及接头局部放电试验1)2年2)必要时正常:无典型放电图谱。
附录一高频局部放电检测标准附录二高频局部放电检测典型图谱放电类型图谱类型图谱特征电晕放电相位图谱分类图谱单个脉冲时域波形单个脉冲频域波形内部放电相位图谱分类图谱单个脉冲时域波形单个脉冲频域波形相位图谱沿面放电分类图谱附录三GIS超高频局部放电检测典型图谱定义:1、单周期检测数据:检测一个50Hz周期局部放电的峰值与相位角。
2、峰值检测数据:检测50Hz周期的相位角与局部放电信号的峰值和放电速率的关系。
3、PRPD检测数据获取局部放电信号峰值时,数据显示不同大小峰值的局部放电信号个数与50Hz周期相位角的关系。
GIS超高频局部放电典型图谱:电晕放电单周期检测图谱峰值检测图谱PRPD检测图谱自由金属颗粒放电单周期检测图谱峰值检测图谱PRPD检测图谱空隙(空穴、气隙)放电单周期检测图谱峰值检测图谱PRPD检测图谱移动电极局部放电(悬浮放电)单周期检测图谱峰值检测图谱PRPD检测图谱GIS超高频典型干扰图谱:雷达噪音单周期检测图谱峰值检测图谱PRPD检测图谱横轴是幅值,纵轴是相位马达噪音单周期检测图谱峰值检测图谱PRPD检测图谱闪光噪音单周期检测图谱峰值检测图谱PRPD检测图谱移动电话噪音单周期检测图谱峰值检测图谱PRPD检测图谱附录四高压电缆局部放电典型图谱及检测标准序号项目周期标准说明高压电缆局部放电电缆本体及接头局部放电试验1)2年2)必要时正常:无典型放电图谱。
正常35kV Q<20pC110kV Q<10pC220kV Q<10pC异常:具有局部放电特征但放电量较小。
异常(I,II)35kV20pC<Q<100pCQ>100pC110kV10pC<Q<40pC40pC<Q<80pC1)曾经发生事故的电缆线路应密切关注,并适当缩短监测周期。
2)与标准图谱(附录B 高频局部放电检测典型图谱)比较,确定局部放电及类型。
3)异常及缺陷应根据处理标准进行处理。
附录D(资料性附录)局部放电高频电流检测法的典型特征图谱D.1主绝缘电树缺陷附图D.1主绝缘电树缺陷D.2主绝缘气泡缺陷附图D.2主绝缘气泡缺陷D.3主绝缘刀痕缺陷附图D.3主绝缘刀痕缺陷D.4悬浮放电缺陷附图D.4悬浮放电缺陷D.5主绝缘半导电电尖刺缺陷附图D.5主绝缘半导电电尖刺缺陷附录E(资料性附录)典型局部放电缺陷的案例分析E.1电缆本体外半导电层放电缺陷电缆本体外半导电层放电缺陷如附图E.1示。
(a)PRPD谱图(b)铜编织网放电烧蚀附图E.1外半导电层放电缺陷的谱图及解体情况E.2电缆终端尾管位置电缆外半导电层爬电缺陷(a)PRPD谱图(b)解体发现的爬电缺陷附图E.2电缆终端尾管位置电缆外半导电层爬电缺陷E.3电缆本体气隙放电缺陷(a)PRPD谱图(b)解体发现的缺陷附图E.3电缆本体气隙放电缺陷E.4电缆终端漏油引发的局部放电缺陷附图E.4电缆终端漏油引发的局部放电缺陷E.5电缆终端应力锥内部裂痕引发的局部放电缺陷附图E.5电缆终端应力锥内部裂痕引发的局部放电缺陷附录F(资料性附录)局部放电高频电流检测的定位方法F.1光纤同步测量法光纤同步测量法是在一段电缆线路上的每个接头处架设HFCT传感器,并同时采集各个传感器上的局放信号。
由于每个传感器信号采集点具有时间同步刻度,通过比较各个接头上局放信号判断出局放源的位置。
其同步性通过在各个接头之间架设光缆实现。
这种方法能够对长距离电缆进行局放定位,且较为精确,但要求每个检测点都能够实现信号同步采集,需要特定的同步方法。
通过测量局部放电电磁波信号到达两个测量点的时间差来计算局部放电位置,公式为:l1=[L-(T N1-T M1)v]/2(F-1)l2=[L-(T M1-T N1)v]/2(F-2)式中:L——相邻两个测试点间的距离;l1、l2——局部放电点分别与两个测试点的距离;T M1、T N1——局部放电信号到达两个测试点的时间;v——局部放电信号在电缆的传播速度。
电缆线路局部放电缺陷检测典型案例(第一版)案例1:高频局放检测发现10kV电缆终端局部放电(1)案例经过2010年5月6日,利用大尺径钳形高频电流传感器配Techimp公司PDchenk 局放仪,在某分界小室内的10kV电缆终端进行了普测,发现1-1路电缆终端存在局部放电信号,随后对不同检测位置所得结果进行对比分析,初步判断不同位置所得信号属于同一处放电产生的局放信号,判断为电缆终端存在局放信号。
2010年6月1日通过与相关部门协调对其电缆终端进行更换,更换后复测异常局放信号消失。
更换下来的电缆终端经解体分析发现其制作工艺不良,是造成局放的主要原因。
(2)检测分析方法测试系统主机和软件采用局放在线检测系统,采用电磁耦合方法作为大尺径高频传感器的后台。
信号采集单元主要有高频检测通道、同步输入及通信接口。
高频检测通道共有3个,同时接收三相接地线或交叉互联线上采集的局部放电信号,采样频率为100 MHz,带宽为16 kHz~30 MHz,满足局部放电测试要求。
同步输入端口接收从电缆本体上采集的参考相位信号,通过光纤、光电转换器与电脑的RS232串口通信,将主机中的数据传送至电脑中,从而对信号进行分离、分类及放电模式识别。
利用局部放电测试系统,在实验电缆中心导体处注入图1-1的脉冲信号,此传感器可直接套在电缆屏蔽层外提取泄漏出来的电磁波信号,在电缆中心导体处注入脉冲信号,耦合到的信号如图1-2所示。
图1-1 输入5 ns脉冲信号图1-2输入5 ns脉冲信号响应信号将传感器放置不同距离时耦合的脉冲信号如图1-3所示。
距电缆终端不同距离耦合的脉冲信号随其距离的增长而减小(见图1-4),这样就可以判断放电是来自开关柜内还是线路侧。
a)距电缆终端0.1 m b)距电缆终端1.5 m图1-3 局部放电系统的耦合信号图1-4 不同位置耦合的脉冲信号2010年5月6日,在某分界小室内的10kV电缆终端进行了普测,在距离1-1路进线电缆0.5 m和1.0 m处分别发现局放信号,测试结果如图1-5及图1-6所示。
附录一高频局部放电检测标准附录二高频局部放电检测典型图谱放电类型图谱类型图谱特征电晕放电相位图谱分类图谱单个脉冲时域波形单个脉冲频域波形部放电相位图谱分类图谱单个脉冲时域波形单个脉冲频域波形相位图谱沿面放电分类图谱附录三GIS超高频局部放电检测典型图谱定义:1、单周期检测数据:检测一个50Hz周期局部放电的峰值与相位角。
2、峰值检测数据:检测50Hz周期的相位角与局部放电信号的峰值和放电速率的关系。
3、PRPD检测数据获取局部放电信号峰值时,数据显示不同大小峰值的局部放电信号个数与50Hz周期相位角的关系。
GIS超高频局部放电典型图谱:电晕放电单周期检测图谱峰值检测图谱PRPD检测图谱自由金属颗粒放电单周期检测图谱峰值检测图谱PRPD检测图谱空隙(空穴、气隙)放电单周期检测图谱峰值检测图谱PRPD检测图谱移动电极局部放电(悬浮放电)单周期检测图谱峰值检测图谱PRPD检测图谱雷达噪音单周期检测图谱峰值检测图谱PRPD检测图谱横轴是幅值,纵轴是相位马达噪音单周期检测图谱峰值检测图谱PRPD检测图谱闪光噪音单周期检测图谱峰值检测图谱PRPD检测图谱移动噪音单周期检测图谱峰值检测图谱PRPD检测图谱附录四高压电缆局部放电典型图谱及检测标准序号项目周期标准说明高压电缆局部放电电缆本体及接头局部放电试验1)2年2)必要时正常:无典型放电图谱。
正常35kV Q<20pC110kV Q<10pC220kV Q<10pC异常:具有局部放电特征但放电量较小。
异常(I,II)35kV20pC<Q<100pCQ>100pC110kV10pC<Q<40pC40pC<Q<80pC220kV10pC<Q<20pC20pC<Q<50pC处理标准3个月复测,观察局部放电变化趋势密切监视(1-2周复测)或者进行在线监测缺陷:具有典型局部放电的检测图谱且放电量较大。
局部放电缺陷检测典型案例和图谱库电缆线路局部放电缺陷检测典型案例(第一版)案例1:高频局放检测发现10kV电缆终端局部放电(1)案例经过2010年5月6日,利用大尺径钳形高频电流传感器配Techimp公司PDchenk局放仪,在某分界小室内的10kV电缆终端进行了普测,发现1-1路电缆终端存在局部放电信号,随后对不同检测位置所得结果进行对比分析,初步判断不同位置所得信号属于同一处放电产生的局放信号,判断为电缆终端存在局放信号。
2010年6月1日通过与相关部门协调对其电缆终端进行更换,更换后复测异常局放信号消失。
更换下来的电缆终端经解体分析发现其制作工艺不良,是造成局放的主要原因。
(2)检测分析方法测试系统主机和软件采用局放在线检测系统,采用电磁耦合方法作为大尺径高频传感器的后台。
信号采集单元主要有高频检测通道、同步输入及通信接口。
高频检测通道共有3个,同时接收三相接地线或交叉互联线上采集的局部放电信号,采样频率为100 MHz,带宽为16 kHz~30 MHz,满足局部放电测试要求。
同步输入端口接收从电缆本体上采集的参考相位信号,通过光纤、光电转换器与电脑的RS232串口通信,将主机中的数据传送至电脑中,从而对信号进行分离、分类及放电模式识别。
利用局部放电测试系统,在实验电缆中心导体处注入图1-1的脉冲信号,此传感器可直接套在电缆屏蔽层外提取泄漏出来的电磁波信号,在电缆中心导体处注入脉冲信号,耦合到的信号如图1-2所示。
图1-1 输入5 ns脉冲信号图1-2输入5 ns脉冲信号响应信号将传感器放置不同距离时耦合的脉冲信号如图1-3所示。
距电缆终端不同距离耦合的脉冲信号随其距离的增长而减小(见图1-4),这样就可以判断放电是来自开关柜内还是线路侧。
a)距电缆终端0.1 m b)距电缆终端1.5 m图1-3 局部放电系统的耦合信号图1-4 不同位置耦合的脉冲信号2010年5月6日,在某分界小室内的10kV电缆终端进行了普测,在距离-1路进线电缆0.5 m和1.0 m处分别发现局放信号,测试结果如图1-5及图1-61所示。
局部放电是指绝缘结构中由于电场分布不均匀、局部场强过高而导致的绝缘介质中局部范围内的放电或击穿现象,是造成绝缘劣化的主要原因,也是劣化的重要征兆和表现形式,与绝缘材料的劣化和击穿密切相关。
因此,对局部放电的有效检测对电力设备的安全稳定运行具有重要意义。
局部放电的检测是以局部放电所产生的各种现象为依据,通过能表述该现象的物理量来表征局部放电的状态及特性。
由于局部放电的过程中会产生电脉冲、电磁辐射、超声波、光以及一些化学生成物,并引起局部过热,相应地出现了脉冲电流法、超高频(UHF)法、超声波法、光测法、化学检测法、红外检测法等多种检测方法。
传统的局部放电检测方法,其测量信号的响应频率一般不超过 1 MHz,易受外界干扰的影响,很难用于电力设备的现场检测。
同传统的检测方法相比,超高频检测技术具有检测频率高、抗干扰性强和灵敏度高等优点,更适合局部放电在线监测,它通过接收电力变压器局部放电产生的超高频电磁波,实现局部放电的检测。
局部放电测量还有助于发现以SF6气体作为绝缘介质的气体绝缘金属封闭开关设备(以下简称GIS,包括HGIS和罐式断路器等)内部的多种绝缘缺陷,是诊断GIS健康状态的重要手段。
在GIS制造、安装、运行和检修的各个环节,凡是具备条件的,都应该进行局部放电检测。
检测原理电气设备在使用过程中,由于某些原因逐步产生缺陷,在局部出现的微小放电的物理状况。
检测局部放电是诊断电力设备绝缘状态的重要办法。
电力变压器内的油纸绝缘,由于自身老化或生产工艺,会导致绝缘缺陷。
绝缘缺陷的存在会造成电场不均匀而产生局部放电,使绝缘介质逐步受到侵蚀和损伤,最终导致变压器出现绝缘性故障,造成巨大的经济损失以及人身伤害。
所以局部放电的检测对电力变压器有着十分重要的意义。
变压器内部的典型局部放电形式有四种,他们分别是油中气隙放电、油纸隔板结构放电、悬浮电极放电和针板电极放电这四种。
我们利用超高频法检测变压器内部的局部放电。
附录一高频局部放电检测标准
附录二高频局部放电检测典型图谱
附录三 GIS超高频局部放电检测典型图谱定义:
1、单周期检测数据:
检测一个50Hz周期局部放电的峰值与相位角。
2、峰值检测数据:
检测50Hz周期的相位角与局部放电信号的峰值和放电速率的关系。
3、PRPD检测数据
获取局部放电信号峰值时,数据显示不同大小峰值的局部放电信号个数与50Hz周期相位角的关系。
GIS超高频局部放电典型图谱:
附录四高压电缆局部放电典型图谱及检测标准
自由颗粒、金属微粒三维图谱(特高频)
超声波脉冲模式
超声波相位模式
机械振动相位模式(超声波)。
附录一高频局部放电检测标准附录二高频局部放电检测典型图谱放电类型图谱类型图谱特征电晕放电相位图谱分类图谱单个脉冲时域波形单个脉冲频域波形内部放电相位图谱分类图谱单个脉冲时域波形单个脉冲频域波形相位图谱沿面放电分类图谱附录三GIS超高频局部放电检测典型图谱定义:1、单周期检测数据:检测一个50Hz周期局部放电的峰值与相位角。
2、峰值检测数据:检测50Hz周期的相位角与局部放电信号的峰值和放电速率的关系。
3、PRPD检测数据获取局部放电信号峰值时,数据显示不同大小峰值的局部放电信号个数与50Hz周期相位角的关系。
GIS超高频局部放电典型图谱:电晕放电单周期检测图谱峰值检测图谱PRPD检测图谱自由金属颗粒放电单周期检测图谱峰值检测图谱PRPD检测图谱空隙(空穴、气隙)放电单周期检测图谱峰值检测图谱PRPD检测图谱移动电极局部放电(悬浮放电)单周期检测图谱峰值检测图谱PRPD检测图谱雷达噪音单周期检测图谱峰值检测图谱PRPD检测图谱横轴是幅值,纵轴是相位单周期检测图谱峰值检测图谱PRPD检测图谱单周期检测图谱峰值检测图谱PRPD检测图谱移动电话噪音单周期检测图谱峰值检测图谱PRPD检测图谱附录四高压电缆局部放电典型图谱及检测标准序号项目周期标准说明高压电缆局部放电电缆本体及接头局部放电试验1)2年2)必要时正常:无典型放电图谱。
正常35kV Q<20pC110kV Q<10pC220kV Q<10pC异常:具有局部放电特征但放电量较小。
异常(I,II)35kV20pC<Q<100pCQ>100pC110kV10pC<Q<40pC40pC<Q<80pC220kV10pC<Q<20pC20pC<Q<50pC处理标准3个月复测,观察局部放电变化趋势密切监视(1-2周复测)或者进行在线监测缺陷:具有典型局部放电的检测图谱且放电量较大。
附录一高频局部放电检测标准附录二高频局部放电检测典型图谱放电类型图谱类型图谱特征电晕放电相位图谱分类图谱单个脉冲时域波形单个脉冲频域波形内部放电相位图谱分类图谱单个脉冲时域波形单个脉冲频域波形相位图谱沿面放电分类图谱附录三GIS超高频局部放电检测典型图谱定义:1、单周期检测数据:检测一个50Hz周期局部放电的峰值与相位角。
2、峰值检测数据:检测50Hz周期的相位角与局部放电信号的峰值和放电速率的关系。
3、PRPD检测数据获取局部放电信号峰值时,数据显示不同大小峰值的局部放电信号个数与50Hz周期相位角的关系。
GIS超高频局部放电典型图谱:电晕放电单周期检测图谱峰值检测图谱PRPD检测图谱自由金属颗粒放电单周期检测图谱峰值检测图谱PRPD检测图谱空隙(空穴、气隙)放电单周期检测图谱峰值检测图谱PRPD检测图谱移动电极局部放电(悬浮放电)单周期检测图谱峰值检测图谱PRPD检测图谱GIS超高频典型干扰图谱:雷达噪音单周期检测图谱峰值检测图谱PRPD检测图谱横轴是幅值,纵轴是相位马达噪音单周期检测图谱峰值检测图谱PRPD检测图谱闪光噪音单周期检测图谱峰值检测图谱PRPD检测图谱移动电话噪音单周期检测图谱峰值检测图谱PRPD检测图谱附录四高压电缆局部放电典型图谱及检测标准序号项目周期标准说明高压电缆局部放电电缆本体及接头局部放电试验1)2年2)必要时正常:无典型放电图谱。
正常35kV Q<20pC110kV Q<10pC220kV Q<10pC异常:具有局部放电特征但放电量较小。
异常(I,II)35kV20pC<Q<100pCQ>100pC110kV10pC<Q<40pC40pC<Q<80pC220kV10pC<Q<20pC20pC<Q<50pC处理标准3个月复测,观察局部放电变化趋势密切监视(1-2周复测)或者进行在线监测缺陷:具有典型局部放电的检测图谱且放电量较大。
10KV开关柜局部放电检测案例汇编前言:10kV开关柜内部局部放电的种类很多,主要分为内部放电和表面放电两种,目前主要采用的非介入方式、带电检测的方法主要为超声波检测和暂态地电压(TEV)两种检测方式,对于一些放电,我们可以同时侦测到超声波信号和TEV信号,而另一些放电情况我们只能检测到两种信号中的一种,因此在实际使用中,我们应该以这两种检测方式互为补充,才能够更好的检测到所有的局部放电情况。
暂态地电压检测原理:局部放电暂态地电压(Transient Earth Voltages)技术是局部放电检测的一种新方法,近年来在国内外得到了较快发展,并在电力设备如GIS、同步电机、变压器、电缆等的检测中得到了应用。
暂态地电压(Transient Earth Voltages)具有外界干扰信号少的特点,因而检测系统受外界干扰影响小,可以极大的提高电气设备局部放电检测,特别是在线检测的可靠性和灵敏度。
用于高压开关柜在线监测有明显的优点,因此这一测量技术发展很快,已在英国和法国的几个400kV变电站中取得经验。
德国一些大学对此技术很感兴趣,经过多年的努力,英国EA公司已经收集了一万多条涵盖所有不同型号的高压设备的暂态地电压(TEV)的数据库,对柜体内器件(如CT、PT)、母线连接处、支持绝缘子表面及开断装置进行了试验验证。
到目前为止,该技术已经在世界多国应用,各国的研究均表明,暂态地电压(Transient Earth Voltages)的在线监测有很好的前景。
对于国内,早期对高压开关柜可靠性的重视度不够,此技术在国内发展较慢,但由于该技术越来越多的得到国内认可,北京、上海、广州等大城市已经开始应用,并且取得了良好的效果。
当高压电气设备发生局部放电时, 放电电量先聚集在与放电点相邻的接地金属部分, 形成电流脉冲并向各个方向传播。
对于内部放电, 放电电量聚集在接地屏蔽的内表面, 因此, 如果屏蔽层是连续时无法在外部检测到放电信号。
附录一高频局部放电检测标准附录二高频局部放电检测典型图谱放电类型图谱类型图谱特征电晕放电相位图谱分类图谱单个脉冲时域波形单个脉冲频域波形内部放电相位图谱分类图谱单个脉冲时域波形单个脉冲频域波形相位图谱沿面放电分类图谱附录三GIS超高频局部放电检测典型图谱定义:1、单周期检测数据:检测一个50Hz周期局部放电的峰值与相位角。
2、峰值检测数据:检测50Hz周期的相位角与局部放电信号的峰值和放电速率的关系。
3、PRPD检测数据获取局部放电信号峰值时,数据显示不同大小峰值的局部放电信号个数与50Hz周期相位角的关系。
GIS超高频局部放电典型图谱:电晕放电单周期检测图谱峰值检测图谱PRPD检测图谱自由金属颗粒放电单周期检测图谱峰值检测图谱PRPD检测图谱空隙(空穴、气隙)放电单周期检测图谱峰值检测图谱PRPD检测图谱移动电极局部放电(悬浮放电)单周期检测图谱峰值检测图谱PRPD检测图谱雷达噪音单周期检测图谱峰值检测图谱PRPD检测图谱横轴是幅值,纵轴是相位马达噪音单周期检测图谱峰值检测图谱PRPD检测图谱闪光噪音单周期检测图谱峰值检测图谱PRPD检测图谱移动电话噪音单周期检测图谱峰值检测图谱PRPD检测图谱附录四高压电缆局部放电典型图谱及检测标准序号项目周期标准说明高压电缆局部放电电缆本体及接头局部放电试验1)2年2)必要时正常:无典型放电图谱。
正常35kV Q<20pC110kV Q<10pC220kV Q<10pC异常:具有局部放电特征但放电量较小。
异常(I,II)35kV20pC<Q<100pCQ>100pC110kV10pC<Q<40pC40pC<Q<80pC220kV10pC<Q<20pC20pC<Q<50pC处理标准3个月复测,观察局部放电变化趋势密切监视(1-2周复测)或者进行在线监测缺陷:具有典型局部放电的检测图谱且放电量较大。
开关柜局部放电检测典型案例--资料
一、问题描述
二、案例描述
本案例案例主要是检测一家电器公司生产的开关柜局部放电情况。
这
家公司的产品质量检测及格,但在使用过程中发现存在较大的局部放电现象,这给用户带来了安全风险,因此必须对产品进行进一步的检测分析,
以确定开关柜局部放电情况。
三、检测过程
1.电晕检测:首先判断开关柜表面是否存在电晕现象,以及是否存在
电晕变化,以判断电晕强度,如果存在电晕,需进行进一步检测确定原因。
2.电弧检测:用特殊仪器对开关柜的各触点进行检测,判断是否存在
电弧现象,如果存在电弧,需进行进一步检测确定原因。
3.电阻检测:使用特殊仪器检测开关柜的各触点,判断各触点间的电
阻值,如果电阻值异常,则有可能存在放电现象,需经过进一步检测以确
定原因。
附录D(资料性附录)局部放电高频电流检测法的典型特征图谱D.1主绝缘电树缺陷附图D.1主绝缘电树缺陷D.2主绝缘气泡缺陷附图D.2主绝缘气泡缺陷D.3主绝缘刀痕缺陷附图D.3主绝缘刀痕缺陷D.4悬浮放电缺陷附图D.4悬浮放电缺陷D.5主绝缘半导电电尖刺缺陷附图D.5主绝缘半导电电尖刺缺陷附录E(资料性附录)典型局部放电缺陷的案例分析E.1电缆本体外半导电层放电缺陷电缆本体外半导电层放电缺陷如附图E.1示。
(a)PRPD谱图(b)铜编织网放电烧蚀附图E.1外半导电层放电缺陷的谱图及解体情况E.2电缆终端尾管位置电缆外半导电层爬电缺陷(a)PRPD谱图(b)解体发现的爬电缺陷附图E.2电缆终端尾管位置电缆外半导电层爬电缺陷E.3电缆本体气隙放电缺陷(a)PRPD谱图(b)解体发现的缺陷附图E.3电缆本体气隙放电缺陷E.4电缆终端漏油引发的局部放电缺陷附图E.4电缆终端漏油引发的局部放电缺陷E.5电缆终端应力锥内部裂痕引发的局部放电缺陷附图E.5电缆终端应力锥内部裂痕引发的局部放电缺陷附录F(资料性附录)局部放电高频电流检测的定位方法F.1光纤同步测量法光纤同步测量法是在一段电缆线路上的每个接头处架设HFCT传感器,并同时采集各个传感器上的局放信号。
由于每个传感器信号采集点具有时间同步刻度,通过比较各个接头上局放信号判断出局放源的位置。
其同步性通过在各个接头之间架设光缆实现。
这种方法能够对长距离电缆进行局放定位,且较为精确,但要求每个检测点都能够实现信号同步采集,需要特定的同步方法。
通过测量局部放电电磁波信号到达两个测量点的时间差来计算局部放电位置,公式为:l1=[L-(T N1-T M1)v]/2(F-1)l2=[L-(T M1-T N1)v]/2(F-2)式中:L——相邻两个测试点间的距离;l1、l2——局部放电点分别与两个测试点的距离;T M1、T N1——局部放电信号到达两个测试点的时间;v——局部放电信号在电缆的传播速度。
附录一高频局部放电检测标准附录二高频局部放电检测典型图谱放电类型图谱类型图谱特征电晕放电相位图谱分类图谱单个脉冲时域波形单个脉冲频域波形内部放电相位图谱分类图谱单个脉冲时域波形单个脉冲频域波形相位图谱沿面放电分类图谱附录三GIS超高频局部放电检测典型图谱定义:1、单周期检测数据:检测一个50Hz周期局部放电的峰值与相位角。
2、峰值检测数据:检测50Hz周期的相位角与局部放电信号的峰值和放电速率的关系。
3、PRPD检测数据获取局部放电信号峰值时,数据显示不同大小峰值的局部放电信号个数与50Hz周期相位角的关系。
GIS超高频局部放电典型图谱:电晕放电单周期检测图谱峰值检测图谱PRPD检测图谱自由金属颗粒放电单周期检测图谱峰值检测图谱PRPD检测图谱空隙(空穴、气隙)放电单周期检测图谱峰值检测图谱PRPD检测图谱移动电极局部放电(悬浮放电)单周期检测图谱峰值检测图谱PRPD检测图谱雷达噪音单周期检测图谱峰值检测图谱PRPD检测图谱横轴是幅值,纵轴是相位单周期检测图谱峰值检测图谱PRPD检测图谱单周期检测图谱峰值检测图谱PRPD检测图谱移动电话噪音单周期检测图谱峰值检测图谱PRPD检测图谱附录四高压电缆局部放电典型图谱及检测标准序号项目周期标准说明高压电缆局部放电电缆本体及接头局部放电试验1)2年2)必要时正常:无典型放电图谱。
正常35kV Q<20pC110kV Q<10pC220kV Q<10pC异常:具有局部放电特征但放电量较小。
异常(I,II)35kV20pC<Q<100pCQ>100pC110kV10pC<Q<40pC40pC<Q<80pC220kV10pC<Q<20pC20pC<Q<50pC处理标准3个月复测,观察局部放电变化趋势密切监视(1-2周复测)或者进行在线监测缺陷:具有典型局部放电的检测图谱且放电量较大。
典型局部放电模型谱图————————————————————————————————作者:————————————————————————————————日期:典型局部放电模型试谱图1. 高压尖刺模型 电压等级PRPD谱图说明9.1K V270°先出现放电,属于尖刺放电的第一阶段11.2KV90°、270°均出现放电现象,属于尖刺放电的第二阶段13.0KV90°、270°放电剧烈,90°出现门型,属于放电的第三阶段2. 低压尖刺模型电压等级P RP D谱图说明13.5KV90°先出现放电,属于尖刺放电的第一阶段16.8KV90°、270°均出现放电现象,属于尖刺放电的第二阶段24.1KV90°放电剧烈,出现门型,属于放电的第三阶段3.悬浮模型电压等级PRPD谱图说明25.8KV0~90°、180~270°之间均出现悬浮空中的放电现象。
悬浮仅加一个电压等级4. 自由金属颗粒模型颗粒类型 电压等级PRPD 谱图说明两个颗粒8.8KV0~360°均有放电,总体趋势呈双山峰状12.3KV一个颗粒9.7KV0~360°均有放电,总体趋势呈双山峰状1 4.5KV5.沿面模型电压等级PRPD谱图说明16.6KV180~270°之间先出现放电,0~90°仅出现少量放电,属于沿面放电的第一阶段21.5KV0~90°、180~270°之间均出现放电现象,0~90°放电较第一阶段明显增加,属于沿面放电的第二阶段24.1KV0~90°、180~270°之间放电剧烈,属于沿面放电的第三阶段6.气隙模型电压等级PRPD谱图说明10.7KV相位发生在电压上升沿(1、3象限),第一象限有翼状图谱形状出现。
12.2KV相位发生在电压上升沿(1、3象限),第一象限翼状图谱形状变窄。
案例1:超声波局部放电检测发现110kV某变电站3911开关柜内电缆终端局部放电§案例简介2020年05月22日18时,检测人员对某站开关柜进行带电检测发现,3911开关柜后下方电缆仓位置超声异常,超声检测数据为42mV,通过耳机可听到连续放电声音,暂态地电压信号正常(基本等于背景噪声),该开关柜后上部及相邻柜体均为环境背景噪声(0.3mV)。
怀疑3911电缆仓内存在沿面放电,当日22时停电后打开后下柜门检查发现A相电缆终端绝缘炭化,绝缘隔板固定螺丝断裂导致绝缘隔板掉落,电缆终端对绝缘隔板放电且有明显放电痕迹。
对电缆终端、绝缘隔板处理后送电,复测放电信号消失。
§检测分析方法(1)带电检测情况:检测人员利用华乘电气科技股份有限公司的PDS-T90手持式局部放电检测仪对开关柜进行了超声波局部放电及暂态地电压局部放电检测,测试数据见表1。
表1 超声波、暂态地电压局部放电检测数据注暂态地电压测试金属背景10dB,超声波局部放电空气背景0.3mV3911开关柜超声波局部放电检测信号最大位置在开关柜后下柜门散热孔处(图1),有效值12.4mV,周期最大值42.6mV,50Hz成分0.4mV,100Hz成分4.4mV,空气背景有效值0.1mV,最大值0.3mV。
超声波幅值图谱见图2。
图1 3911开关柜后下柜门图2 超声波幅值图谱通过表1可以看出,3911开关柜超声波局部放电幅值达到42mV,相当于32dB,大于国网公司运检一[2014]108号文件《变电设备带电检测工作指导意见》规定的缺陷值(15dB)。
超声波测试100Hz成分远大于50Hz成分,暂态地电压测试结果正常,怀疑电缆仓内有严重的局部放电缺陷,缺陷性质为沿面放电。
(2)停电检查情况:当日22时停电检查,发现3911电缆A相电缆终端中部有明显放电痕迹且已经炭化,电缆仓布满黑色粉末状物质,A、B相之间的绝缘隔板固定螺丝断裂(图3),绝缘隔板底部与A相电缆直接接触,接触部位已经发黑,有放电痕迹(图4)。
电缆线路局部放电缺陷检测典型案例(第一版)案例1:高频局放检测发现10kV电缆终端局部放电(1)案例经过2010年5月6日,利用大尺径钳形高频电流传感器配Techimp公司PDchenk 局放仪,在某分界小室内的10kV电缆终端进行了普测,发现1-1路电缆终端存在局部放电信号,随后对不同检测位置所得结果进行对比分析,初步判断不同位置所得信号属于同一处放电产生的局放信号,判断为电缆终端存在局放信号。
2010年6月1日通过与相关部门协调对其电缆终端进行更换,更换后复测异常局放信号消失。
更换下来的电缆终端经解体分析发现其制作工艺不良,是造成局放的主要原因。
(2)检测分析方法测试系统主机和软件采用局放在线检测系统,采用电磁耦合方法作为大尺径高频传感器的后台。
信号采集单元主要有高频检测通道、同步输入及通信接口。
高频检测通道共有3个,同时接收三相接地线或交叉互联线上采集的局部放电信号,采样频率为100 MHz,带宽为16 kHz~30 MHz,满足局部放电测试要求。
同步输入端口接收从电缆本体上采集的参考相位信号,通过光纤、光电转换器与电脑的RS232串口通信,将主机中的数据传送至电脑中,从而对信号进行分离、分类及放电模式识别。
利用局部放电测试系统,在实验电缆中心导体处注入图1-1的脉冲信号,此传感器可直接套在电缆屏蔽层外提取泄漏出来的电磁波信号,在电缆中心导体处注入脉冲信号,耦合到的信号如图1-2所示。
图1-1 输入5 ns脉冲信号图1-2输入5 ns脉冲信号响应信号将传感器放置不同距离时耦合的脉冲信号如图1-3所示。
距电缆终端不同距离耦合的脉冲信号随其距离的增长而减小(见图1-4),这样就可以判断放电是来自开关柜内还是线路侧。
a)距电缆终端0.1 m b)距电缆终端1.5 m图1-3 局部放电系统的耦合信号图1-4 不同位置耦合的脉冲信号2010年5月6日,在某分界小室内的10kV电缆终端进行了普测,在距离1-1路进线电缆0.5 m和1.0 m处分别发现局放信号,测试结果如图1-5及图1-6所示。
可见利用大尺径高频电流传感器,发现在0.5 m处存在局部放电相位特征的放电波形,幅值为190 mV,在1.0 m处存在具有局部放电相位特征的放电波形,幅值为120 mV;在距离电缆终端1.0 m处的局部放电信号相对于0.5 m处的信号有明显衰减;2个信号波形和相位图谱分布相似,有可能属于同一处放电产生的局放信号,初步判断电缆终端存在局放信号。
a)单个脉冲波形b)局部放电信号相位图谱图1-5 距电缆终端0.5 m处测试结果a)单个脉冲波形b)局部放电信号相位图谱图1-6距电缆终端1.0 m处测试结果2010年6月1日通过更换此电缆终端头后,再对该电缆进行复测,放电信号消失。
对该电缆终端头进行解体分析时,发现密封胶涂抹位置不对,半导电层剥削不规整,护套应力锥形状不规整,局部有凸起,电缆终端解体情况如图1-7所示。
a)电缆铠装与接地线涂抹密封胶b)B相半导电层剥削不规整c)C相半导电层剥削不规整d)护套应力锥形状不规整图1-7 电缆终端解体照片(3)经验体会大尺径高频传感器测试法可以在现场较有效地检测出10kV配电电缆终端局放,减少因安装工艺或电缆劣化导致的突发性事故的发生,值得进一步推广应用。
特别是针对配合地电波和超声波带电测试过程中发现异常的开关柜进行检测,可促进安装工艺的提高和避免电缆因长期运行逐渐劣化引起突发性事故的发生。
(本案例由原北京市电力公司试验研究院提供)案例2:多局放方法综合检测出主变变联GIS侧110kV终端接头缺陷(1)案例经过自2001年以来,北京电网中美国G&W公司金属应力锥式的终端共发生4次故障,都发生了强烈的爆炸,甚至引燃外泄的变压器油,造成了较大的损失。
为排查电网中电缆运行的安全隐患,2010年,电缆公司对北京电网在运的G&W电缆终端进行了局放普测。
2010年1月11日,电缆公司使用TechImp局放测试仪对某站3#变变联GIS 侧110kV终端接头进行状态检测时发现,A相接地线上发现异常信号,幅值为680mV,具有放电衰减特征,第二天,电缆公司进行了PDCheck局放测试仪等多种设备联合复测,复测结果显示,该站3#变变联GIS侧110kV终端存在较大局放量。
随后,公司对该接头安排了切改。
(2)检测分析方法2010年1月12日,电缆公司综合应用TechImp局放检测仪、超高频局部放电诊断装置、频谱分析仪、超声波局放探测仪四种手段,对该站3#变变联GIS 侧110kV终端进行局放检测,A相发现较大幅值异常信号,且四种检测设备的测试结果基本一致。
局放测试结果分别如表2-1至表2-4。
表2-1 PDCheck局放测试仪结果信号采集处检测结果结论A相接地线相位图谱分类图谱异常:信号具有180度相位关系和脉冲衰减特征。
等效频率在2MHz~5MHz 区间,单个脉冲在0~10MHz间具有宽频段分布特征。
平均放电量680mV,最大放电量超过2V。
小结:A相幅值最大,平均放电量脉冲波形脉冲频谱680mV,最大放电量超过2V,波形具有脉冲衰减特征。
表2-2 超高频局部放电诊断装置结果相别监测数据结果A相具有明显放电特征表2-3 频谱分析仪结果信号采集处频谱测试特征描述A相频域信号时域信号在0-1.5GHz频段存在高频信号成分,且有时域特征。
表2-4 超声波局放探测仪结果现象位置(示意图)在终端法兰盘与护层保护器的连接螺栓上听到A相有明显的噼啪声,幅值17dB。
B、C相无明显异常。
2010年1月12日,公司对发现局放的终端接头进行切改,并将此接头在北京某实验室进行检测。
该实验室配置PE屏蔽大厅、HAEFFLY耐压和局放试验设备,背景噪音0.1pC。
对A相电缆终端加压,从零逐步升压至1.0Uo (64kV),出现局放现象,PD>800pC。
各种局放测试试验图像如表2-5。
表2-5 测试图像 试验电压及图像试验设备名称Techimp 超高频局部放电诊断装置(DMS )超声 频谱仪分析仪64.2kV(PD>800pC )放电图谱特征图谱放电波形图频图谱专家系统识别图测试数据描述:信号具有180°对应关系,波形具有典型脉冲衰减特性,频率范围分布分别为1-4MHz,12-14MHz ,95%放电量为129mV 。
具有明显放电特征法兰上、下端面螺栓上能听到1dB的明显放电声 频域(0-3GHz ) 时域 (中心频率100MHz )在实验室无干扰的环境下,验证该终端头本体确实存在较大的局放现象。
随后对该电缆终端进行解剖分析,检查终端内油压、密封性、螺栓的紧固度、终端尺寸及各部件安装位置、内部带材等方面,主要发现情况如图2-1~图2-6。
图2-1 密封横膈膜缺口图2-2 PVC带脱落图2-3油中白色絮状物质图2-4 应力锥区段放电点图2-5 补偿海绵情况图2-6 金属护套变形经实验室验证和解剖分析,确认该终端存在局放性质缺陷,也充分说明采用PDCheck等多种手段对电缆进行测试,可以多方验证局放测试结果,有效掌握设备运行状况,进一步指导公司的状态检修。
(3)经验体会1)局放测试能有效排查运行中电缆附件缺陷,并进一步指导生产,确保电缆网运行安全,提升设备检修效益。
2)多元化、多手段检测技术配合使用,可综合诊断多种特征参数,正确判断异常信号,提升状态检修工作的可行性、可靠性。
(本案例由原北京市电力公司电缆公司提供)案例3:高频局放检测出电缆GIS终端应力锥内部缺陷北京市电力公司在总结分析了北京地区G&W终端故障的基础上,于2009年3~4月期间,为查明该金属应力锥结构电缆终端故障原因,结合宣武门变电站2#变变联电缆变压器终端击穿故障,对击穿及部分退出运行的G&W终端进行了实验室测试、解剖,研究分析了局放、结构尺寸、绝缘材料特性等,联系国内历次故障情况,综合气温、油压等相关因素深入查找发生故障的根本原因。
故障统计分析表明,安装在我国北方地区、受气候影响大的环境中的G&W 金属应力锥终端较易发生故障,且故障一般发生在冬季。
我国南方四川、广西、贵州、广东等地也运行有部分该结构终端,但未见有故障记录。
国内其他城市如太原、榆林、南京等我国北方城市发生的16次故障都在12月~3月期间发生,且一、二月份是高危时段。
根据故障统计规律,可以判定:安装在我国北方地区、受气候影响大的环境中的G&W金属应力锥终端较易发生故障;故障线路多是较小截面电缆;且故障一般发生在冬季、初春的低负载率时段;故障点都位于半导电管的上端口;故障伴随有强烈的爆炸。
2010年1月,北京市电力公司组织成立了G&W终端后续分析小组,对牛宣、崇文门3#变、井单一、崇单线路退下的共计18只G&W终端进行跟踪研究。
在电缆厂屏蔽实验室用IEC标准精确地进行定性和定量分析。
对比现场测试结果和试验室内的测试结果,提高对设备的认识、积累经验。
之后将电缆终端解体分析,对终端内的各个组成部分如绝缘油、带材等的检查和分析试验,找到产生局放的部位、研究局放发生的机理,观察不同放电量下电缆终端内材质的表现,总结其运行特点和局放在该终端内的发展过程,为下一步制定G&W终端检修方案打下基础。
现场带电检测:110kV 崇文门3#变(GIS终端)在崇文门GIS侧A相上检测到异常放电信号,信号具有180°对应关系,波形具有典型脉冲衰减特性,频率范围分布分别为2-4MHz,12-14MHz,95%放电量为129mV。
检测图谱如下所示。
图3-1相位图谱、放电脉冲波形以及对应的频图谱试验室对比:110kV 崇文门3#变 (GIS 终端)试验温度在9—9.5℃时,仅加压至1.0U 0(64kV )时A 相GIS 侧终端即有高于800pc 的放电量。
试验室测试结果验证了现场测试得出的结论,即该终端确实存在安全隐患。
终端解剖分析案例:110kV 崇文门3#变经解剖发现:应力锥区段内绝缘,自半导电断口向上38mm ,有一处明显放电点,直径为5mm 。
在半导电管断口向上360mm 范围内有黑色、黑黄色痕迹,且有PVC 包带纹路。
解剖照片如下图所示:(c) 放电波形 (b )分类图谱(d )放电频谱(a )放电图谱图3-1 电缆终端解剖后缺陷部位(本案例由原北京市电力公司试验研究院提供)案例4:超声超高频联合检测出220kV电缆终端连接部放电(1)案例经过2010年6月28日,上海市电力公司下属超高压输变电公司对世博园区内的220kV连云站进行局放例行检测,在220kVGIS 室测试过程中发现室内空间超高频信号明显,经定位分析发现信号来自2#主变220kV电缆筒体B相的筒体与电缆终端连接部位。