设备单位工费率计算表
- 格式:xlsx
- 大小:40.41 KB
- 文档页数:4
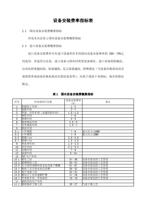
设备安装费率指标表
2.1 国内设备安装费概算指标
详见本办法表1国内设备安装费概算指标
2.2 进口设备安装费概算指标
进口设备安装费率可在进口设备所在车间国内设备安装费率的30%~70%之间选用。
其选用方法是:进口设备与国内同类型设备相比,进口设备的机械化、自动化程度越高的,取值越低;反之取值越高。
特殊情况(当设备价格很高而安装很简单或设备价格很低而安装较复杂等),应低于或高于本指标,视具体情况酌定。
表1 国内设备安装费概算指标
注:利用原有设备的拆迁费一般按该设备原价计算的安装费的50%。
1.摘自:《机械工业建设项目概算编制办法及各项概算指标》(1995年版)。
序号名称表达式费率(%) 合价(元) 序号1定额直接费直接费584.9112 其中:人工费人工费205.0223 其中:材料费材料费370.1134 其中:机械费机械费9.78 45 其中:暂估材料暂估材料5 6临时设施费{1}*费率3.4019.8967现场经费{1}*费率4.20 24.5778直接费小计{1}+{6}+{7}629.3689企业管理费{8}*费率5.6535.56910利润({8}+{9})*费率7.0046.541011税金({8}+{9}+{10})*费率3.4024.191112 工程造价合计{8}+{9}+{10}+{11} 735.66 12 工程取费表(建筑工程) 工程代码: 工程名称:123工程类别:建筑工程编制人: 审核人: 工程工程代码工程类别:装饰工程名称表达式费率(%) 合价(元) 定额直接费直接费338.57 其中:人工费人工费47.54 其中:材料费材料费280.07 其中:机械费机械费10.96 其中:暂估材料暂估材料临时设施费{2}*费率17.008.08现场经费{2}*费率26.00 12.36直接费小计{1}+{6}+{7}359.01企业管理费{2}*费率44.6021.20利润({8}+{9})*费率7.0026.62税金({8}+{9}+{10})*费率3.4013.83工程造价合计{8}+{9}+{10}+{11} 420.66 工程取费表(装饰工程) 程代码: 工程名称:123工程类别:装饰工程编制人: 审核人:。
常见机器设备运杂费率参考指标(占设备基价的%)
生产地费率
当地生产%—%
运输距离100—1000公里%—%
运输距离1000—2000 公里%—%
运输距离2000—2800 公里%—%
运输距离大于2800 公里%—%
常见机器设备安装调试费率参考指标(占设备基价的%)
序号设备类型费率序号设备类型费率(%)(%)
1、轻型通用设备15、变电、配电设备8-15
2、一般机加工设备16、电气设备5-10
3、大型机加工设备5-817、气体压缩机5-12
4、数控机床和精密加工机床2-418、电话总机10-15
5、铸造设备3-619、检测、试验设备1-4
6、锻造、冲压设备4-820、快装锅炉(以锅炉主机价计算) 15-20
7、起重设备4-1021、蒸汽锅炉( 10吨/ 时及以下)(以锅
8、焊接、切割设备炉主机价计算)
、泵站设备
5-1025-35
9
10、制冷、通风设备8-1222、蒸汽锅炉( 20吨/ 时及以下)(以锅
11、集中空调设备8-12炉主机价计算)
12、冷却塔8-1220-30
13、工业炉窑及冶炼设备10-2023、热水锅炉10-15
14、电梯10-1624、电镀、镀装设备5-10
25、热处理设备2-5
26、化工业专用设备6-15注: 1、专用生产线或成套设备试生产过程费用未包括在内;
2、设备基础费用另行加;
3、锅炉安装包括砌炉、炉体保温等工程。