危险化学品使用单位登记表
- 格式:docx
- 大小:25.41 KB
- 文档页数:6
危化品登记表一、危化品登记表的作用和意义1.1 什么是危化品登记表危化品登记表是一种记录危险化学品相关信息的表格,用于管理和监控危险化学品的存储和使用情况。
它包含了危化品的名称、数量、储存位置、安全措施等重要信息。
1.2 危化品登记表的作用危化品登记表的主要作用是保障危险化学品的安全管理。
通过登记表的使用,可以实现以下目标: - 有效监控危化品的存储和使用情况,及时发现和解决潜在的安全风险; - 提供危化品的详细信息,有助于事故发生时的应急处理; - 便于危化品的追溯和溯源,为安全生产提供依据; - 为相关部门的监管和执法提供依据。
二、危化品登记表的内容和要求2.1 危化品的基本信息危化品登记表中必须包含以下基本信息: - 危化品的名称:包括中文名称和英文名称,确保准确无误地标识危化品的身份; - 危化品的数量:记录危化品的数量,便于库存管理和使用控制; - 危化品的储存位置:明确危化品的储存位置,有助于快速找到和管理危化品; - 危化品的安全措施:列出必要的安全措施,包括防火、防爆、通风等,以确保危化品的安全使用。
2.2 危化品的详细信息危化品登记表还应包含以下详细信息: - 危化品的CAS号:CAS号是一种用于唯一标识化学物质的编号,有助于准确识别危化品; - 危化品的危险性等级:根据国家标准,危化品被分为不同的危险性等级,登记表中需标明危化品的等级; -危化品的相关证照:包括危化品经营许可证、危化品安全生产许可证等,确保危化品的合法性和合规性; - 危化品的安全数据表:安全数据表中包含了危化品的物理性质、毒性、危险性等信息,有助于了解和处理危化品的风险。
2.3 危化品的使用记录危化品登记表应包含危化品的使用记录,包括以下内容: 1. 使用日期:记录危化品的使用日期,便于追溯和管理; 2. 使用部门/人员:记录使用危化品的部门或人员,有助于责任追究和事故调查; 3. 使用用途:明确危化品的使用用途,以便合理控制和管理; 4. 使用数量:记录使用的危化品数量,确保使用量的合理控制;5. 使用安全措施:列出使用危化品时所采取的安全措施,如穿戴防护设备、通风等。
危化品登记表【原创实用版】目录一、危化品登记表的重要性二、危化品登记表的内容三、危化品登记表的填写要求四、危化品登记表的作用五、危化品登记表的法律责任正文一、危化品登记表的重要性危化品,即危险化学品,是指具有毒害、腐蚀、爆炸、燃烧、助燃等性质,对人体、设施、环境具有危害的剧毒化学品和其他化学品。
为了加强对危化品的安全管理,我国制定了一系列的法律法规,其中就包括了危化品登记表制度。
危化品登记表是危化品生产、经营、储存、运输、使用和处置等环节中必不可少的文件,对于确保危化品的安全使用和管理具有重要意义。
二、危化品登记表的内容危化品登记表主要包括以下内容:1.危化品名称、别名、化学式、分子量、CAS 编号等基本信息;2.危化品的主要用途和适用范围;3.危化品的物理性质,如颜色、气味、密度、沸点、闪点、溶解性等;4.危化品的毒性特性,包括急性毒性、慢性毒性、致畸、致癌等;5.危化品的生态危害,如对水生环境、土壤、植物、动物的影响;6.危化品的安全措施,包括应急措施、防护措施、储存条件等;7.危化品的法律责任,包括生产、经营、储存、运输、使用和处置等方面的法律规定。
三、危化品登记表的填写要求危化品登记表的填写应遵循以下要求:1.填写内容应真实、准确、完整,不得虚假填写或隐瞒重要信息;2.填写时应使用规范的术语和单位,避免使用俗称或不规范的表述;3.填写时应注意保持表格整洁、字迹清晰,便于查阅和管理;4.危化品登记表应随危化品的生产、经营、储存、运输、使用和处置等环节同步更新,确保信息的及时性和准确性。
四、危化品登记表的作用危化品登记表在危化品的安全管理中具有重要作用,主要表现在以下几个方面:1.提高危化品安全意识,强化危化品生产、经营、储存、运输、使用和处置等环节的安全管理;2.提供危化品相关信息,便于相关部门和单位了解危化品的特性和安全措施,从而采取有效的防护措施;3.指导危化品的应急处置,当发生危化品事故时,危化品登记表可为应急救援人员提供危化品的基本信息和应急措施,提高应急救援效率;4.促进危化品行业的规范化、标准化管理,提高危化品行业的整体安全水平。
易制爆危险化学品单位登记表注:本表由县级公安机关治安部门填写,一式两份,属地派出所和县级公安机关各存一份,可增加行、另附页。
随本表附许可证明文件、单位治安保卫负责人身份证复印件。
易制爆危险化学品从业单位情况统计表填表单位:填表人:审核人:填表日期:填表说明:1、此表由各地治安支队汇总上报;2、易制爆危险化学品的单位类别分为:生产、储存、销售、使用和其他等。
附件3:治安责任承诺书兴唐市公安局:本人系(单位)的法人代表,本单位将严格遵守以下相关规定:一、本单位将认真学习和贯彻执行《危险化学品安全管理条例》等有关法律法规,认真落实剧毒和易制爆危险化学品的治安防范要求,切实杜绝不安全隐患,避免相关事故、案件的发生。
二、在剧毒和易制爆危险化学品的生产、经营、购买、使用、储存各个环节中,如实记录易制爆危险化学品的数量、流向。
三、销、购剧毒和易制爆危险化学品时,依法查验或提供相关证件或证明文件,做好相关记录,并在销售、购买后5日内及时将所销售、购买的剧毒和易制爆危险化学品的品种、数量以及流向信息报所在地县级人民政府公安机关备案,留档备查。
四、不将剧毒和易制爆危险化学品销售给个人。
不转让、出借、丢弃剧毒和易制爆危险化学品,及时将处置方案报公安机关备案。
五、如有违反剧毒和易制爆危险化学品管理的法律法规行为,本单位及本人将负责承担一切法律责任。
单位法人代表(签名、单位盖章):年月日购买易制爆危险化学品流向信息备案表购买单位(盖章):属地派出所:购买经办人:购买日期:年月日注:1、本表由购买单位如实填写,一式二份,一份由购买单位存档,一份由属地县级公安机关治安部门存档。
购买单位应在购买后的5个工作日内将此表上报所在地县级公安机关治安部门。
本表也可以一份纸质由购买单位存档,使用手机APP软件拍照此表并上传公安机关一份电子版。
2、此表保存时间不得少于1年附件2:兴唐市易制爆危险化学品从业人员登记表单位名称(盖章):登记时间:注:1、本表不够填写的可另附页;2、本表一式三份,分别由单位、属地派出所和县级治安部门各自建档备查。
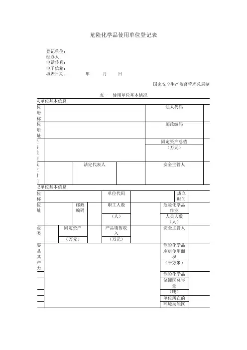
危险化学品
使用单位登记表
登记单位
经办人
电话传真
电子信箱
填表日期年月日
****制
《危险化学品使用单位登记表》填写说明
一、本表由危险化学品的使用单位(指使用剧毒化学品和使用其他危险化学品的数量构成重大危险源的单位)填写。
二、《危险化学品使用单位登记表》由首页、《危险化学品使用单位登记表》填写说明、使用单位基本情况(表一)、使用的危险化学品(表二)和危险化学品登记审查意见表(表三)组成。
三、本表要用钢笔、签字笔填写或用打印机打印,同时要制作电子文档(表三除外)。
四、“使用的危险化学品”是指使用单位使用的剧毒化学品和数量构成重大危险源的其他危险化学品。
五、《危险化学品使用单位登记表》编号由登记办公室按编码规则填写。
六、表一填写方法:
1.登记单位是独立法人单位时,“法人单位基本信息”与“登记单位基本信息”栏中的相应项目的填写内容相同;登记单位是非独立法人单位时,登记单位除填写“登记单位基本信息”外,还应填写其法人单位的“法人单位基本信息”的内容。
2.“单位注册名称”、“单位注册地址”和“法人代码”等应与工商等部门颁发的相关证件的内容一致。
3.“单位代码”由登记办公室统一填写。
4.“固定资产总值”是指填表时上年度的固定资产总值。
5.“职工人数”,以登记单位劳动部门上年度报省(区、市)统计局的统计数字为准。
6.“危险化学品作业人员人数”是指上年度从事危险化学品作业的总人数。
7.“产品销售收入”是指填表时上年度全部产品的销售收入总额。
8.“经济类型”,按“国有”、“合资”、“独资”、“股份”、“集体”、“私营”或“其它”填写。
9.安全主管人是指本单位最高领导层中负责安全工作的负责人。
10.“行业分类”,按“01.农、林、牧、渔业”,“02.采掘业”,“03.制造业”,“04.电力、煤气及水的生产和供应业”,“05.建筑业”,“06.地质勘探业”,“07.水利管理业”,“08.交通运输、仓储及邮电通信业”,“09.批发和零售贸易、餐饮业”,“10.社会服务业”,“11.卫生、体育和社会福利业”,“12.教育、文化艺术
及广播电影电视业”,“13.科学研究和综合技术服务业”或“14.其他行业”标注的代码填写。
11.“主要产品及生产规模”是指登记单位生产的主要产品及实际可以达到的生产总量。
12.“库房使用面积”是指所有库房使用面积的总和;“罐区总容量”是指罐区各储罐最大储量总和。
13.“环境功能区”是指储存单位所处的外部环境类型,按以下类型填写:
(1)工业区:指以工厂为主的工业生产区域。
(2)农业区:指所处环境主要以农田、菜地、果园等农业生产为主的地区。
(3)商业区:指以商业为主的地区。
(4)居民区:指以居民生活为主的地区。
(5)行政办公区:指以行政机关为主的地区。
(6)交通枢纽区:指以铁路及公路为主的交通要道区。
(7)科技文化区:指以学校、科研单位为主的地区。
(8)水源保护区:指以饮用水、堤坝或渔业水源保护区为主的地区。
(9)文物保护区:指以风景名胜、文物保护等为主的地区。
七、表二的填写方法:
1.“剧毒物品编号”是指《危险化学品名录》中的剧毒物品编号;“危规号”是《危险货物品名表》(GB 12268)规定的危险货物编号。
2.“年需要量”是指登记单位每年所需该种化学品的总量。
八、表三由登记单位填写并盖公章,登记办公室和登记中心分别填写审查意见并盖公章。
表一使用单位基本情况
4
表二使用的危险化学品
5
表三危险化学品登记审查意见表
6。