例 +ANSYS桁架结构计算示例
- 格式:pdf
- 大小:287.29 KB
- 文档页数:17
【ANSYS 算例】3.4.2(1) 基于图形界面的桁架桥梁结构分析(step by step)下面以一个简单桁架桥梁为例,以展示有限元分析的全过程。
背景素材选自位于密执安的"Old North Park Bridge" (1904 - 1988),见图3-22。
该桁架桥由型钢组成,顶梁及侧梁,桥身弦杆,底梁分别采用3种不同型号的型钢,结构参数见表3-6。
桥长L=32m,桥高H=5.5m 。
桥身由8段桁架组成,每段长4m 。
该桥梁可以通行卡车,若这里仅考虑卡车位于桥梁中间位置,假设卡车的质量为4000kg ,若取一半的模型,可以将卡车对桥梁的作用力简化为P 1 ,P 2和P 3 ,其中P 1= P 3=5000 N, P 2=10000N ,见图3-23。
图3-22位于密执安的"Old North Park Bridge" (1904 - 1988)图3-23 桥梁的简化平面模型(取桥梁的一半)表3-6 桥梁结构中各种构件的几何性能参数构件 惯性矩m 4 横截面积m 2顶梁及侧梁(Beam1) 643.8310m -⨯322.1910m -⨯ 桥身弦梁(Beam2) 61.8710-⨯31.18510-⨯ 底梁(Beam3)68.4710-⨯ 33.03110-⨯解答 以下为基于ANSYS 图形界面(Graphic User Interface , GUI)的菜单操作流程。
(1) 进入ANSYS (设定工作目录和工作文件)程序 → ANSYS → ANSYS Interactive → Working directory (设置工作目录)→ Initial jobname (设置工作文件名):TrussBridge → Run → OK(2) 设置计算类型ANSYS Main Menu :Preferences… → Structural → OK(3) 定义单元类型ANSYS Main Menu:Preprocessor →Element Type →Add/Edit/Delete... →Add…→Beam: 2d elastic 3 →OK(返回到Element Types窗口)→Close(4) 定义实常数以确定梁单元的截面参数ANSYS Main Menu: Preprocessor →Real Constants…→Add/Edit/Delete →Add…→select Type 1 Beam 3 →OK →input Real Constants Set No. : 1 , AREA: 2.19E-3,Izz: 3.83e-6(1号实常数用于顶梁和侧梁) →Apply →input Real Constants Set No. : 2 , AREA: 1.185E-3,Izz: 1.87E-6 (2号实常数用于弦杆) →Apply →input Real Constants Set No. : 3, AREA: 3.031E-3,Izz: 8.47E-6 (3号实常数用于底梁) →OK (back to Real Constants window) →Close (the Real Constants window)(5) 定义材料参数ANSYS Main Menu: Preprocessor →Material Props →Material Models →Structural →Linear →Elastic →Isotropic →input EX: 2.1e11, PRXY: 0.3(定义泊松比及弹性模量) →OK →Density(定义材料密度) →input DENS: 7800, →OK →Close(关闭材料定义窗口)(6) 构造桁架桥模型生成桥体几何模型ANSYS Main Menu:Preprocessor →Modeling →Create →Keypoints →In Active CS →NPT Keypoint number:1,X,Y,Z Location in active CS:0,0 →Apply →同样输入其余15个特征点坐标(最左端为起始点,坐标分别为(4,0), (8,0), (12,0), (16,0), (20,0), (24,0), (28,0), (32,0), (4,5.5), (8,5.5), (12,5.5), (16.5.5), (20,5.5), (24,5.5), (28,5.5))→Lines →Lines →Straight Line →依次分别连接特征点→OK网格划分ANSYS Main Menu: Preprocessor →Meshing →Mesh Attributes →Picked Lines →选择桥顶梁及侧梁→OK →select REAL: 1, TYPE: 1 →Apply →选择桥体弦杆→OK →select REAL: 2, TYPE: 1 →Apply →选择桥底梁→OK →select REAL: 3, TYPE:1 →OK →ANSYS Main Menu:Preprocessor →Meshing →MeshTool →位于Size Controls下的Lines:Set →Element Size on Picked →Pick all →Apply →NDIV:1 →OK →Mesh →Lines →Pick all →OK (划分网格)(7) 模型加约束ANSYS Main Menu: Solution →Define Loads →Apply →Structural→Displacement →On Nodes →选取桥身左端节点→OK →select Lab2: All DOF(施加全部约束)→Apply →选取桥身右端节点→OK →select Lab2: UY(施加Y方向约束)→OK(8) 施加载荷ANSYS Main Menu: Solution →Define Loads →Apply →Structural →Force/Moment →On Keypoints →选取底梁上卡车两侧关键点(X坐标为12及20)→OK →select Lab: FY,Value: -5000 →Apply →选取底梁上卡车中部关键点(X坐标为16)→OK →select Lab: FY,Value: -10000 →OK →ANSYS Utility Menu:→Select →Everything(9) 计算分析ANSYS Main Menu:Solution →Solve →Current LS →OK(10) 结果显示ANSYS Main Menu:General Postproc →Plot Results →Deformed shape →Def shape only →OK (返回到Plot Results)→Contour Plot →Nodal Solu →DOF Solution, Y-Component of Displacement →OK(显示Y方向位移UY)(见图3-24(a))定义线性单元I节点的轴力ANSYS Main Menu →General Postproc →Element Table →Define Table →Add →Lab: [bar_I], By sequence num: [SMISC,1] →OK →Close定义线性单元J节点的轴力ANSYS Main Menu →General Postproc →Element Table →Define Table →Add →Lab: [bar_J], By sequence num: [SMISC,1] →OK →Close画出线性单元的受力图(见图3-24(b))ANSYS Main Menu →General Postproc →Plot Results →Contour Plot →Line Elem Res →LabI: [ bar_I], LabJ: [ bar_J], Fact: [1] →OK(11) 退出系统ANSYS Utility Menu:File →Exit →Save Everything →OK(a)桥梁中部最大挠度值为0.003 374m (b)桥梁中部轴力最大值为25 380N图3.24 桁架桥挠度UY以及单元轴力计算结果【ANSYS算例】3.4.2(2) 基于命令流方式的桁架桥梁结构分析!%%%%% [ANSYS算例]3.4.2(2) %%%%% begin %%%%%%!------注:命令流中的符号$,可将多行命令流写成一行------/prep7 !进入前处理/PLOPTS,DA TE,0 !设置不显示日期和时间!=====设置单元和材料ET,1,BEAM3 !定义单元类型R,1,2.19E-3,3.83e-6, , , , , !定义1号实常数用于顶梁侧梁R,2,1.185E-3,1.87e-6,0,0,0,0, !定义2号实常数用于弦杆R,3,3.031E-3,8.47E-6,0,0,0,0, !定义3号实常数用于底梁MP,EX,1,2.1E11 !定义材料弹性模量MP,PRXY,1,0.30 !定义材料泊松比MP,DENS,1,,7800 !定义材料密度!-----定义几何关键点K,1,0,0,, $ K,2,4,0,, $ K,3,8,0,, $K,4,12,0,, $K,5,16,0,, $K,6,20,0,, $K,7,24,0,, $K,8,28,0,, $K,9,32,0,, $K,10,4,5.5,, $K,11,8,5.5,, $K,12,12,5.5,, $K,13,16,5.5,, $K,14,20,5.5,, $K,15,24,5.5,, $K,16,28,5.5,,!-----通过几何点生成桥底梁的线L,1,2 $L,2,3 $L,3,4 $L,4,5 $L,5,6 $L,6,7 $L,7,8 $L,8,9!------生成桥顶梁和侧梁的线L,9,16 $L,15,16 $L,14,15 $L,13,14 $L,12,13 $L,11,12 $L,10,11 $L,1,10!------生成桥身弦杆的线L,2,10 $L,3,10 $L,3,11 $L,4,11 $L,4,12 $L,4,13 $L,5,13 $L,6,13 $L,6,14 $L,6,15 $L,7,15 $L,7,16 $L,8,16!------选择桥顶梁和侧梁指定单元属性LSEL,S,,,9,16,1,LA TT,1,1,1,,,,!-----选择桥身弦杆指定单元属性LSEL,S,,,17,29,1,LA TT,1,2,1,,,,!-----选择桥底梁指定单元属性LSEL,S,,,1,8,1,LA TT,1,3,1,,,,!------划分网格AllSEL,all !再恢复选择所有对象LESIZE,all,,,1,,,,,1 !对所有对象进行单元划分前的分段设置LMESH,all !对所有几何线进行单元划分!=====在求解模块中,施加位移约束、外力,进行求解/soluNSEL,S,LOC,X,0 !根据几何位置选择节点D,all,,,,,,ALL,,,,, !对所选择的节点施加位移约束AllSEL,all !再恢复选择所有对象NSEL,S,LOC,X,32 !根据几何位置选择节点D,all,,,,,,,UY ,,,, !对所选择的节点施加位移约束ALLSEL,all !再恢复选择所有对象!------基于几何关键点施加载荷FK,4,FY ,-5000 $FK,6,FY ,-5000 $FK,5,FY ,-10000/replot !重画图形Allsel,all !选择所有信息(包括所有节点、单元和载荷等)solve !求解!=====进入一般的后处理模块/post1 !后处理PLNSOL, U,Y , 0,1.0 !显示Y 方向位移PLNSOL, U,X, 0,1.0 !显示X 方向位移!------显示线单元轴力------ETABLE,bar_I,SMISC, 1ETABLE,bar_J,SMISC, 1PLLS,BAR_I,BAR_J,0.5,1 !画出轴力图finish !结束!%%%%% [ANSYS 算例]3.4.2(2) %%%%% end %%%%%%四杆桁架结构的有限元分析下面针对【典型例题】3.2.5(1)的问题,在ANSYS 平台上,完成相应的力学分析。
ANSYS实例分析75道(含结果)【【ANSYS算例算例】】3.4.2(1)基于图形界面的桁架桥梁结构分析基于图形界面的桁架桥梁结构分析(stepbystep)下面以一个简单桁架桥梁为例,以展示有限元分析的全过程。
背景素材选自位于密执安的“OldNorthParkBridge“(1904-1988),见图3-22。
该桁架桥由型钢组成,顶梁及侧梁,桥身弦杆,底梁分别采用3种不同型号的型钢,结构参数见表3-6。
桥长L=32m,桥高H=5.5m。
桥身由8段桁架组成,每段长4m。
该桥梁可以通行卡车,若这里仅考虑卡车位于桥梁中间位置,假设卡车的质量为4000kg,若取一半的模型,可以将卡车对桥梁的作用力简化为P1,P2和P3,其中P1=P3=5000N,P2=10000N,见图3-23。
图3-22位于密执安的“OldNorthParkBridge“(1904-1988)图3-23桥梁的简化平面模型(取桥梁的一半)表3-6桥梁结构中各种构件的几何性能参数构件惯性矩m4横截面积m2顶梁及侧梁桥身弦梁底梁解答解答以下为基于ANSYS 图形界面(GraphicUserInterface,GUI)的菜单操作流程。
(1)进入进入ANSYS(设定工作目录和工作文件)(设定工作目录和工作文件)程序程序→→ANSYS→→ANSYSInteractive→→Workingdirectory(设置工作目录)→Initialjobname(设置工作文件名):TrussBridge→→Run→→OK(2)设置计算类型设置计算类型:Preferences…→→Structural→→OK(3)定义单元类型定义单元类型ANSYSMainMenu:Preprocessor→→ElementType→→Add/Edit/Delete.→→Add…→→Beam:2delastic3→→OK(返回到ElementTypes窗口)→→Close(4)定义实常数以确定梁单元的截面参数定义实常数以确定梁单元的截面参数ANSYSMainMenu:Preprocessor→→RealConstants…→→Add/Edit /Delete→→Add…→→selectType1Beam3→→OK→→RealConsta ntsSetNo.:1,AREA:2.19E-3,,Izz:3.83e-6(1号实常数用于顶梁和侧梁)→→Apply→→RealConstantsSetNo.:2,AREA:1.185E-3,,Izz:1.87E-6(2号实常数用于弦杆)→→Apply→→RealConstantsSetNo.:3,AREA:3.031E-3,,Izz:8.47E-6(3号实常数用于底梁)→→OK(backtoRealConstantswindow)→Close(theRealConstant swindow)(5)定义材料参数定义材料参数ANSYSMainMenu:Preprocessor→→MaterialProps→→MaterialMo dels→→Structural→→Linear→→Elastic→→Isotropic→→EX:2.1e11,PRXY:0.3(定义泊松比及弹性模量)→→OK→→Density(定义材料密度)→DENS:7800,→→OK→→Close(关闭材料定义窗口)(6)构造桁架桥模型构造桁架桥模型生成桥体几何模型ANSYSMainMenu:Preprocessor→→Modeling→→Create→→Keypoints→→InActive CS→→NPTKeypointnumber::1,,X,,Y,,ZLocationinactiveCS::0,,0→→Apply→→同样输入其余15个特征点坐标(最左端为起始点,坐标分别为(4,0),(8,0),(12,0),(16,0),(20,0),(24,0),(28,0),(32,0),(4,5.5),(8,5.5),(12 ,5.5),(16.5.5),(20,5.5),(24,5.5),(28,5.5))→Lines→Lines→→StraightLine→→依次分别连接特征点→→OK网格划分ANSYSMainMenu:Preprocessor→→Meshing→→MeshAttributes→→PickedLines→→选择桥顶梁及侧梁→→OK→→selectREAL:1,TYPE:1→→Apply→→选择桥体弦杆→→OK→→selectREAL:2,TYPE:1→→Apply→→选择桥底梁→→OK→→selectREAL:3,TYPE:1→→OK→→ANSYSMainMen u:Preprocessor→→Meshing→→MeshTool→→位于SizeControls 下的Lines::Set→→ElementSizeonPicked→→Pickall→→Apply→→NDIV::1→→OK→→Mesh→→Lines→→Pickall→→OK(划分网格)(7)模型加约束模型加约束ANSYSMainMenu:Solution→→DefineLoads→→Apply→→Struct ural→→Displacement→→OnNodes→→选取桥身左端节点→→OK→→selectLab2:AllDOF(施加全部约束)→→Apply→→选取桥身右端节点→→OK→→selectLab2:UY(施加Y方向约束)→→OK(8)施加载荷施加载荷ANSYSMainMenu:Solution→→DefineLoads→→Apply→→Struct ural→→Force/Moment→→OnKeypoints→→选取底梁上卡车两侧关键点(X坐标为12及20)→→OK→→selectLab:FY,,Value:-5000→→Apply→→选取底梁上卡车中部关键点(X坐标为16)→→OK→→selectLab:FY,,Value:-10000→→OK→→ANSYSUtilityMenu:→→Select→→Everything(9)计算分析计算分析ANSYSMainMenu:Solution→→Solve→→CurrentLS→→OK(10)结果显示结果显示ANSYSMainMenu:GeneralPostproc→→PlotResults→→Deedshape→→Defshapeonly →→OK(返回到PlotResults)→→ContourPlot→→NodalSolu→→DOFSolution,Y-Componentof Displacement→→OK(显示Y方向位移UY)(见图3-24(a))定义线性单元I节点的轴力ANSYSMainMenu→GeneralPostproc→→ElementTable→→Define Table→→Add→→Lab:[bar_I],Bysequencenum:[SMISC,1]→→OK →→Close定义线性单元J节点的轴力ANSYSMainMenu→→GeneralPostproc→→ElementTable→→Def ineTable→→Add→→Lab:[bar_J],Bysequencenum:[SMISC,1]→→OK→→Close画出线性单元的受力图(见图3-24(b))ANSYSMainMenu→→GeneralPostproc→→PlotResults→→ContourPlot→→LineElemRes→→LabI:[bar_I],LabJ:[bar_J],Fact :[1]→→OK(11)退出系统退出系统ANSYSUtilityMenu:File→→Exit→→SaveEverything→→OK(a)桥梁中部最大挠度值为0.003374m(b)桥梁中部轴力最大值为25380N图3.24桁架桥挠度UY以及单元轴力计算结果【【ANSYS算例算例】】3.4.2(2)基于命令流方式的桁架桥梁结构分析基于命令流方式的桁架桥梁结构分析!%%%%%[ANSYS 算例]3.4.2(2)%%%%%begin%%%%%%!------注:命令流中的符号$,可将多行命令流写成一行------/prep7!进入前处理/PLOPTS,DATE,0!设置不显示日期和时间!=====设置单元和材料ET,1,BEAM3!定义单元类型R,1,2.19E-3,3.83e-6,,,,,!定义1号实常数用于顶梁侧梁R,2,1.185E-3,1.87e-6,0,0,0,0,!定义2号实常数用于弦杆R,3,3.031E-3,8.47E-6,0,0,0,0,!定义3号实常数用于底梁MP,EX,1,2.1E11!定义材料弹性模量MP,PRXY,1,0.30!定义材料泊松比MP,DENS,1,,7800!定义材料密度!-----定义几何关键点K,1,0,0,,$K,2,4,0,,$K,3,8,0,,$K,4,12,0,,$K,5,16,0,,$K,6,20,0,,$K,7,2 4,0,,$K,8,28,0,,$K,9,32,0,,$K,10,4,5.5,,$K,11,8,5.5,,$K,12,12,5.5,,$K,13,16,5.5,,$K,14,20,5.5,,$K,15,24,5.5,,$K,16,28,5.5,,!-----通过几何点生成桥底梁的线L,1,2$L,2,3$L,3,4$L,4,5$L,5,6$L,6,7$L,7,8$L,8,9!------生成桥顶梁和侧梁的线L,9,16$L,15,16$L,14,15$L,13,14$L,12,13$L,11,12$L,10,11$L,1,10! ------生成桥身弦杆的线L,2,10$L,3,10$L,3,11$L,4,11$L,4,12$L,4,13$L,5,13$L,6,13$L,6,14 $L,6,15$L,7,15$L,7,16$L,8,16!------选择桥顶梁和侧梁指定单元属性LSEL,S,,,9,16,1,LATT,1,1,1,,,,!-----选择桥身弦杆指定单元属性LSEL,S,,,17,29,1,LATT,1,2,1,,,,!-----选择桥底梁指定单元属性LSEL,S,,,1,8,1,LATT,1,3,1,,,,!------划分网格AllSEL,all!再恢复选择所有对象LESIZE,all,,,1,,,,,1!对所有对象进行单元划分前的分段设置LMESH,all!对所有几何线进行单元划分!=====在求解模块中,施加位移约束、外力,进行求解/soluNSEL,S,LOC,X,0!根据几何位置选择节点D,all,,,,,,ALL,,,,,!对所选择的节点施加位移约束AllSEL,all!再恢复选择所有对象NSEL,S,LOC,X,32!根据几何位置选择节点D,all,,,,,,,UY,,,,!对所选择的节点施加位移约束ALLSEL,all!再恢复选择所有对象!------基于几何关键点施加载荷FK,4,FY,-5000$FK,6,FY,-5000$FK,5,FY,-10000/replot!重画图形Allsel,all!选择所有信息(包括所有节点、单元和载荷等)solve!求解!=====进入一般的后处理模块/post1!后处理PLNSOL,U,Y,0,1.0!显示Y方向位移PLNSOL,U,X,0,1.0!显示X方向位移!------显示线单元轴力------ETABLE,bar_I,SMISC,1ETABLE,bar_J,SMISC,1PLLS,BAR_ I,BAR_J,0.5,1!画出轴力图finish!结束!%%%%%[ANSYS算例]3.4.2(2)%%%%%end%%%%%%【【ANSYS算例算例】】3.2.5(3)四杆桁架结构的有限元分析四杆桁架结构的有限元分析下面针对【典型例题】3.2.5(1)的问题,在ANSYS平台上,完成相应的力学分析。
钢桁架桥静力受力分析对一架钢桁架桥进行具体静力受力分析,分别采用GUI方式和命令流方式。
A 问题描述图6-15 钢桁架桥简图已知下承式简支钢桁架桥桥长72米,每个节段12米,桥宽10米,高16米。
设桥面板为0.3米厚的混凝土板,当车辆行驶于桥梁上面时,轴重简化为一组集中力作用于梁上,来计算梁的受力情况。
桁架杆件规格有三种,见下表:杆件截面号形状规格端斜杆 1 工字形400×400×16×16上下弦 2 工字形400×400×12×12 横向连接梁 2 工字形400×400×12×12其他腹杆 3 工字形400×300×12×12所用材料属性如下表:表6-3 材料属性参数钢材混凝土弹性模量EX 2.1×1011 3.5×1010泊松比PRXY 0.3 0.1667密度DENS 7850 2500B GUI操作方法1.创建物理环境1)过滤图形界面:GUI:Main Menu> Preferences,弹出“Preferences for GUI Filtering”对话框,选中“Structural”来对后面的分析进行菜单及相应的图形界面过滤。
2)定义工作标题:GUI:Utility Menu> File> Change Title,在弹出的对话框中输入“Truss Bridge StaticAnalysis”,单击“OK”。
如图6-16(a)。
指定工作名:GUI:Utility Menu> File> Change Jobname,弹出一个对话框,在“Enter new Name”后面输入“Structural”,“New log and error files”选择yes,单击“OK”。
如图6-16(b)。
图6-16(a)定义工作标题图6-16(b)指定工作名3)定义单元类型和选项:GUI:Main Menu> Preprocessor> Element Type> Add/Edit/Delete,弹出“Element Types”单元类型对话框,单击“Add”按钮,弹出“Library of Element Types”单元类型库对话框。
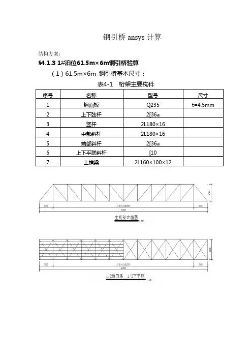
钢引桥ansys计算结构方案:§4.1.3 1#泊位61.5m×6m钢引桥验算(1)61.5m×6m 钢引桥基本尺寸:表4-1 桁架主要构件序号名称型号尺寸1 钢面板Q235 t=4.5mm2 上下弦杆2[36a3 竖杆2L180×164 中部斜杆2L180×165 端部斜杆2[36a6 上下平联斜杆[107 上横梁2L160×100×12图4-1 钢引桥结构图(单位:mm)Ansys命令流:finish/clear/prep7et, 1, beam188et, 2, shell63!材料参数mp,ex,1,2.1E11mp,nuxy,1,0.3mp,dens,1,7800!建立模型k, 1, -30.75 0,k, 2, -25.75 0,kgen, 11, 2,,, 5.15, ,, k, 13, 30.75, 0 kgen, 2, 2,12,1, 0,0,5*do, I, 1, 12,l, I, i+1*enddo*do, I, 14, 23,l, I, i+1*enddo*do, I, 2,12l, I, i+12,*enddol, 1,14l, 3,14*do, I, 4,7l, I, i+11*enddo*do, I, 7,11l, I, i+13*enddol, 13,24lgen, 2, 1,45,1, 0,6,0lgen, 2, 1,12,1, 0,0.56,0lgen, 2, 1,12,1, 0,0.84+0.56,0lgen, 2, 1,12,1, 0,0.84+0.56+0.84,0lgen, 2, 1,12,1, 0,0.84+1.02+0.56+0.84,0lgen, 2, 1,12,1, 0,0.84+0.84+1.02+0.56+0.84,0 lgen, 2, 1,12,1, 0,0.84+0.84+0.84+1.02+0.56+0.84,0lsel, s, loc, z, 0nsll, s,l, 1,49*do, I, 49,101,13l, I, i+13*enddol, 114, 25lgen, 2, 163,169,1, 5,0,0lgen, 11, 170,176,1, 5.15,0,0lgen, 2, 240,246,1, 5,0,0nummrg, allnumcmp, alla,1,13,37,25lsel,s,loc,z,0asbl,1,allaglue, all!截面属性设置!上下弦杆2[36asectype, 1, beam, hrec, XianGan, 0 secoffset, centsecdata, 0.192, 0.36, 0.009, 0.009, 0.016, 0.016 !竖杆及斜杆2L180×16sectype, 2, beam, hrec, ShuGan, 0 secoffset, centsecdata, 0.180, 0.180, 0.016, 0.016, 0.016, 0.016 !纵梁I16sectype, 3, beam, I, ZongLiang, 0 secoffset, user, 0,-0.02secdata, 0.088, 0.088, 0.160, 0.0099, 0.0099, 0.006 !横梁I36asectype, 4, beam, I, HengLiang, 0 secoffset, centsecdata, 0.136, 0.136, 0.360, 0.0158, 0.0158, 0.01 !上下平联[10sectype, 5, beam, chan, PingLian, 0 secoffset, centsecdata, 0.048, 0.048, 0.10, 0.0085, 0.0085, 0.005!面板厚4.5mmr, 1, 0.0045nummrg, allnumcmp, all!单元划分lsel, s,,, alllesize, all, 0.3k, 1000, 50,0,0k, 1001, 50,0,10,lsel, s,,,1,22latt, 1,, 1,, 1000, 1001, 1lmesh, allk, 1000, 50,6,0k, 1001, 50,6,10,lsel, s,,,46,67latt, 1,, 1,, 1000, 1001,lmesh, alllsel, s,,,34,45,11latt, 1,, 1,,,, 1lmesh, alllsel, s,,,79,90,11latt, 1,, 1,,,, 1lmesh, alllsel, s,,,23,33,1lsel, a,,,35,44,1lsel, a,,,68,78,1lsel, a,,,80,89,1latt, 1,, 1,,,, 2lmesh, allk, 1000, -30.75,-5,0k, 1001, -30.75,-5,10,lsel, s,,,163,169,1latt, 1,, 1,, 1000, 1001, 4 lmesh, alllsel, s,,,170,176,1latt, 1,, 1,, 2, 14, 4 lmesh, alllsel, s,,,177,183,1latt, 1,, 1,, 3, 15, 4 lmesh, alllsel, s,,,184,190,1latt, 1,, 1,, 4, 16, 4 lmesh, alllsel, s,,,191,197,1latt, 1,, 1,, 5, 17, 4 lmesh, alllsel, s,,,198,204,1latt, 1,, 1,, 6, 18, 4 lmesh, alllsel, s,,,196,211,1lmesh, alllsel, s,,,212,218,1latt, 1,, 1,, 8, 20, 4 lmesh, alllsel, s,,,219,225,1latt, 1,, 1,, 9, 21, 4 lmesh, alllsel, s,,,226,232,1latt, 1,, 1,, 10, 22, 4 lmesh, alllsel, s,,,233,239,1latt, 1,, 1,, 11, 23, 4 lmesh, alllsel, s,,,240,246,1latt, 1,, 1,, 12, 24, 4 lmesh, allk, 1000, 30.75,-5,0k, 1001, 30.75,-5,10,lsel, s,,,247,253,1latt, 1,, 1,, 1000, 1001, 4 lmesh, allk, 1000, 50,0.56,0k, 1001, 50,0.56,10,lsel, s,,,91,102latt, 1,, 1,, 1000, 1001, 3 lmesh, allk, 1000, 50,0.56+0.84,0k, 1001, 50,0.56+0.84,10,lsel, s,,,103,114latt, 1,, 1,, 1000, 1001, 3 lmesh, allk, 1000, 50,0.56+0.84*2,0k, 1001, 50,0.56+0.84*2,10,lsel, s,,,115,126lmesh, allk, 1000, 50,0.56+0.84*2+1.02,0k, 1001, 50,0.56+0.84*2+1.02,10,lsel, s,,,127,138latt, 1,, 1,, 1000, 1001, 3 lmesh, allk, 1000, 50,0.56+0.84*2+1.02+0.84,0k, 1001, 50,0.56+0.84*2+1.02+0.84,10,lsel, s,,,139,150latt, 1,, 1,, 1000, 1001, 3 lmesh, allk, 1000, 50,0.56+0.84*2+1.02+0.84*2,0k, 1001, 50,0.56+0.84*2+1.02+0.84*2,10,lsel, s,,,151,162latt, 1,, 1,, 1000, 1001, 3 lmesh, allaatt, 1,1,2amesh, all!*do, i, 1,12,1l, i, i+25l, i+1, i+24*enddo*do, i, 14,23,1l, i, i+25l, i+1, i+24*enddolsel, s,,,254,298lovlap, allnummrg, allnumcmp, alllsel, s,,,254,341lesize, all, 0.3latt, 1,, 1,,,, 5lmesh, all!施加约束dk, 1,,,,,, ux,uy,uz, rotx,,rotz dk, 13,,,,, ux,uy,uz, rotx,,rotz dk, 37,,,,, ux,uy,uz, rotx,,rotz dk, 25,,,,, ux,uy,uz, rotx,,rotz kdele, 1000,1001,1!荷载步!空算一步/soluallselsolve!加自重/soluacel,0,9.8,0allselesolve!加1#皮带机/soluacel,0,0,0asel,s,,, 25,48,1sfa,all,2,pres,3600allselesolve!加2#皮带机/solusfadele,all,2,presasel,s,,, 61,84,1sfa,all,2,pres,3600allselesolve!加人群荷载/solusfadele,all,2,presasel,s,,, 49,60,1sfa,all,2,pres,3000allselesolve/post1lcdef, 1,1 !空算一步lcdef, 2,2 !自重lcdef, 3,3 !1#皮带机lcdef, 4,4 !2#皮带机lcdef, 5,5 !人群荷载lcdef, 11,1 !空算一步lcdef, 12,2 !自重lcdef, 13,3 !1#皮带机lcdef, 14,4 !2#皮带机lcdef, 15,5 !人群荷载lcdef, 16,3 !1#皮带机lcdef, 17,4 !2#皮带机lcdef, 18,5 !人群荷载lcdef, 19,5 !0.6*人群荷载lcfact, 11, 1lcfact, 12, 1.2 !自重lcfact, 13, 1.4 !1#皮带机lcfact, 14, 1.4 !2#皮带机lcfact, 15, 0.7*1.4 !人群荷载lcfact, 16, 1.3 !1#皮带机lcfact, 17, 1.3 !2#皮带机lcfact, 18, 1.3 !人群荷载lcfact, 19, 0.6 !0.6*人群荷载!组合一:自重+1#、2#皮带机+人群*0.7 !承载能力持久组合lcase,11lcset,s,12,15,1lcoper, add, alllcwrite, 50lcase, 50!组合二:自重+1#、2#皮带机+人群*0.7 !承载能力短期组合lcase,11lcset,s,16,18,1lcset,a,12lcoper, add, alllcwrite, 51lcase, 51!组合三:自重+1#、2#皮带机+人群*0.7 !正常使用极限状态lcase,1lcset,s,2,4,1lcset,a,5lcoper, add, alllcwrite, 52lcase, 52!结果处理/eshape, 1, 1/gline, all, -1plnsol, u, sum, 0, 1 plnsol, s, eqv计算结果。
ANSYS结构静⼒学分析应⽤实例解析--钢桁架桥的受⼒分析1. 问题描述钢桁架桥简图如下,已知下承式简⽀钢桁架桥长72m,每个节段为12m,桥宽10m,⾼16m。
设桥⾯板为0.3m厚的混凝⼟板。
2. 求解步骤2.1 建⽴⼯作⽂件名和⼯作标题/FILNAME,Structural/TITLE,Truss Bridge Static Analysis2.2 过滤图形界⾯/COM, Structural ! 指定分析类型为结构分析2.3 定义单元类型/PREP7ET,1,BEAM4ET,2,SHELL632.4 定义梁单元截⾯Main Menu>Preprocessor>Sections>Beam>Common SectionsSECTYPE,1,BEAM,I, , 0 ! 定义⼯字型截⾯ SECOFFSET, CENT !截⾯质⼼不偏移SECDATA,0.4,0.4,0.4,0.016,0.016,0.016,0,0,0,0 !定义⼯字型截⾯参数SECTYPE,2,BEAM,I, , 0 ! 定义⼯字型截⾯SECOFFSET, CENT !截⾯质⼼不偏移SECDATA,0.4,0.4,0.4,0.012,0.012,0.012,0,0,0,0 !定义⼯字型截⾯参数SECTYPE,3,BEAM,I, , 0 ! 定义⼯字型截⾯SECOFFSET, CENT !截⾯质⼼不偏移SECDATA,0.3,0.3,0.4,0.012,0.012,0.012,0,0,0,0 !定义⼯字型截⾯参数2.5 定义实常数Main Menu>Preprocessor>Real Constants>Add/Edit/DeleteR,2,0.0141,0.128E-3,0.415E-3,0.4,0.4R,3,0.0117,0.541E-4,0.324E-3,0.3,0.4R,4,0.32.6 定义材料属性MP,EX,1,2.1E11 ! 定义钢材的材料属性MP,PRXY,1,0.3MP,DENS,1,7800MP,EX,2,3.5E10 ! 定义混凝⼟的材料属性MP,PRXY,2,0.1667 MP,DENS,2,25002.7 创建有限元模型2.7.1 ⽣成半跨桥的节点N,,0,0,-5NGEN,4,4,ALL,,,12,,,1NGEN,2,1,ALL,,,,,10,1NGEN,2,1,2,10,4,,16,,1NGEN,2,1,3,11,4,,,-10,12.7.2 ⽣成半跨桥单元TYPE,1MAT,1REAL,1ESYS,0SECNUM,1 !选择截⾯编号TSHAP,LINE !选择线性单元E,11,14 E,12,13TYPE,1MAT,1REAL,2ESYS,0SECNUM,2 !选择截⾯编号TSHAP,LINE !选择线性单元E,2,6 E,6,10E,10,14E,1,5E,5,9E,3,7E,7,11E,4,8E,8,12E,1,2E,3,4E,5,6E,7,8E,9,10E,11,12E,13,14TYPE,1MAT,1REAL,3ESYS,0SECNUM,3 !选择截⾯编号TSHAP,LINE !选择线性单元E,3,6E,6,11E,4,5E,5,12E,2,3E,1,4E,6,7E,5,8E,10,11E,9,12TYPE,2MAT,2REAL,4ESYS,0SECNUM,3 !选择截⾯编号TSHAP,QUAD !选择四边形单元E,1,2,6,5 E,5,6,10,9E,9,10,14,13Main Menu>Preprocessor>Modeling>Reflect>NodesNSYM,X,14,ALL ! 所有节点以YOZ 平⾯对称ESYM,,14,ALL !所有单元以YOZ 平⾯对称2.7.4 合并重合节点和单元NUMMRG,ALL,,,,LOW ! 合并重复节点单元,编号取较⼩者NUMCMP,ALL ! 压缩节点单元等编号2.7.5 保存模型并退出前处理器SA VE,’mo_xing’,’db’FINISH2.8 施加位移约束/SOL2.8.1 施加位移约束NSEL,S,,,23,24 ! 选择左端节点D,ALL,,,,,,UX,UY,UZ ! 对左端节点施加位移约束NSEL,S,,,13,14 ! 选择右端节点D,ALL,,,,,,UY,UZ ! 对右端节点施加位移约束2.8.2 施加集中⼒NSEL,S,,,1,2 ! 选择中间节点F,ALL,FY,-100000 ! 对中间节点施加竖向集中⼒荷载2.8.3 施加重⼒ALLSEL,ALLACEL,0,10,0 ! 施加重⼒2.9 求解计算ANTYPE,0SOLVEFINISH2.10 查看计算结果2.10.1 查看结构变形图/POST1PLDISP,2 ! 显⽰结构变形图2.10.2 云图显⽰位移PLNSOL,U,SUM,0,1 ! 显⽰总位移云图Main Menu>General Postproc>Plot Results>Vector Plot>PredefinedPLVECT,U,,,,VECT,NODE,ON,0 ! 显⽰节点总位移⽮量图2.10.4 显⽰结构内⼒图2.10.4.1 定义单元表Main Menu>General Postproc>Element Table>Define TableETABLE,zhouli_i,SMISC,1 ! 定义单元表轴⼒ETABLE,zhouli_j,SMISC,7ETABLE,jianli_i,SMISC,2 ! 定义单元表剪⼒ETABLE,jianli_j,SMISC,8ETABLE,wanju_i,SMISC,6 ! 定义单元表弯矩ETABLE,wanju_j,SMISC,122.10.4.2 列表单元表结果PRETAB, zhouli_i, zhouli_j, jianli_i, jianli_j, wanju_i, wanju_j ! 列表显⽰单元表结果Main Menu>General Postproc>Plot Results>Contour Plot>Line Elem ResPLLS, zhouli_i, zhouli_j,1,0 ! 显⽰轴⼒图。
ansys桁架结构分析实例平面桁架的静力分析摘要:近些年来,ANSYS 工程软件在工程领域内运用的很多,在分析线性有限元模型上比其他软件更具有优势。
而在ANSYS 软件中最常用的是线性静力分析,尽管很多的材料不一样,但结果确基本一致。
本文主要是要对平面桁架进行静力分析。
关键字:线性;桁架;有限元;结构The plane truss static analysisAbstract :ANSYS engineering software engineering field use in recent years, a lot, in the analysis of linear finite element model on more than any other software advantages. The most commonly used in ANSYS linear static analysis, although a lot of the material is not the same, but the result was consistent. This article is mainly for static analysis of plane truss.Key words:Linear; truss; finite element; structure1. 引言结构分析的四个基本步骤是:创建几何模型、生成有限元模型、加载与求解、结果评价与分析。
具体步骤与结构分析类型有关,并且有些步骤可以省略或相互之间交叉,如简单结构的几何模型创建过程可省略而直接创建有限元模型,加载可在处理层也可以在求阶层等,需要根据具体情况以便利原则而定。
2主要步骤结构线性静力分析步骤为:2.1创建几何模型(1)清楚当前数据库。
回到开始层:FINISH 命令。
清楚数据库的操作步骤要在开始层。
清楚数据库:/CLEAR命令。
四杆桁架结构的有限元分析下面针对【典型例题】(1)的问题,在ANSYS 平台上,完成相应的力学分析。
即如图3-8所示的结构,各杆的弹性模量和横截面积都为4229.510N/mm E,E=29.5X10 2100mm A ,基于ANSYS 平台,求解该结构的节点位移、单元应力以及支反力。
图3-8 四杆桁架结构解答 对该问题进行有限元分析的过程如下。
以下为基于ANSYS 图形界面( graphic user interface ,GUI)的菜单操作流程;注意:符号“→”表示针对菜单中选项的鼠标点击操作。
关于ANSYS 的操作方式见附录B 。
1. 基于图形界面的交互式操作(step by step)(1) 进入ANSYS(设定工作目录和工作文件)程序 →ANSYS → ANSYS Interactive →Working directory (设置工作目录) →Initial jobname (设置工作文件名): planetruss →Run → OK(2) 设置计算类型ANSYS Main Menu : Preferences… → Structural → OK(3) 选择单元类型ANSYS Main Menu : Preprocessor →Element Type →Add/Edit/Delete… →Add… →Link :2D spar 1 →OK (返回到Element Types 窗口) →Close(4) 定义材料参数ANSYS Main Menu : Preprocessor →Material Props →Material Models →Structural →Linear →Elastic → Isotropic: EX:2.95e11 (弹性模量),PRXY: 0 (泊松比) → OK → 鼠标点击该窗口右上角的“ ”来关闭该窗口(5) 定义实常数以确定单元的截面积ANSYS Main Menu: Preprocessor →Real Constant s… →Add/Edit/Delete →Add →Type 1→ OK →Real Constant Set No: 1 (第1号实常数), AREA: 1e-4 (单元的截面积) →OK →Close(6) 生成单元 ANSYS Main Menu: Preprocessor →Modeling →Creat →Nodes → In Active CS →Node number 1 → X:0,Y:0,Z:0 →Apply →Node number 2 → X:0.4,Y:0,Z:0 →Apply →Node number 3 → X:0.4,Y:0.3,Z:0→Apply →Node number 4 → X:0,Y:0.3,Z:0→OKANSYS Main Menu: Preprocessor → Modeling → Create → Elements →Elem Attributes (接受默认值)→Usernumbered→Thru nodes→OK→选择节点1,2→Apply→选择节点2,3→Apply→选择节点1,3→Apply→选择节点3,4→Apply→OK(7)模型施加约束和外载添加位移的约束,分别将节点1 X和Y方向、节点2 Y方向、节点4的X和Y方向位移约束。
ANSYS桁架优化分析实例优化分析的示例(GUI方法)在本例中,用一阶方法进行优化分析。
问题描述一个有三根杆组成的珩架承受纵向和横向载荷。
珩架的重量在最大应力不超过400psi最小化。
(因此重量为目标函数。
)三根梁的横截面面积和基本尺寸B在指定范围内变化。
结构的重量初始设计为109.10磅。
缺省允差(由程序计算)为初始重量的1%(11磅)。
但是,为了便于收敛,一阶方法的优化分析中将目标函数的允差定为2.0。
问题参数分析中使用如下材料特性:E=2.1E6psiRHO=2.85E-4lb/in3(比重)最大许用应力=400psi分析中使用如下几何特性:横截面面积变化范围=1到1000in2(初始值为1000)基本尺寸B变化范围=400到1000in (初始值为1000)问题简图第一步:指定文件名1.选择Utility Menu>File>Change Jobname,打开文件名对话框。
2.输入“truss”为工作文件名。
3.单击OK关闭对话框。
第二步:指定分析题目1.选择Utility Menu>File>Change Title,打开更改分析题目对话框。
2.输入“Optimization of a Three-Bar Truss”作为分析题目。
第三步:定义参数初始值1.选择Utility Menu>Parameters>Scalar Parameters,打开数值参数对话框。
在选择区域中输入下列内容:B=1000 按ENTER键A1=1000 按ENTER键A2=1000 按ENTER键A3=1000 单击OK。
参数将在菜单中显示出来。
2.在数值参数对话框中单击OK。
第四步:定义单元类型1.选择Main Menu>Preprocessor>Element Type>Add/Edit/Delete,打开单元类型对话框。
2.在单元类型库对话框中单击Add。
钢桁架桥梁结构的ANSYS分析摘要本文中采用有限元分析法,在大型有限元分析软件ANSYS平台上分析桥梁工程结构,很好地模拟桥梁的受力、应力情况等。
在静力分析中,通过加载各种载荷,得出结构变形图,找出桥梁的危险区域。
1、问题描述下面以一个简单桁架桥梁为例,以展示有限元分析的全过程。
该桁架桥由型钢组成,顶梁及侧梁,桥身弦杆,底梁分别采用3种不同型号的型钢,结构参数见表1-1。
桥长L=32m,桥高H=5.5m。
桥身由8段桁架组成,每段长4m。
该桥梁可以通行卡车,若这里仅考虑卡车位于桥梁中间位置,假设卡车的质量为4000kg,若取一半的模型,可以将卡车对桥梁的作用力简化为P1 ,P2和P3 ,其中P1= P3=5000 N, P2=10000N,见图1。
1图1桥梁的简化平面模型(取桥梁的一半)2、模型建立在桥梁结构模拟分析中,最常用的是梁单元和壳单元,鉴于桥梁的模型简化,采用普通梁单元beam3。
实体模型的建立过程为先生成关键点,再形成线,从而得到桁架桥梁的简化模型。
3、有限元模型3.1单元属性整个桥梁分成三部分,分别为顶梁及侧梁、弦杆梁、底梁,三者所使用的单元都为beam3单元,因其横截面积和惯性矩不同,所以设置3个实常数。
此外,他们材料都为型钢,材料属性视为相同,取为弹性模量EX为2.1e11 ,泊松比prxy为0.3,材料密度dens为7800。
3.2网格划分线单元尺寸大小为2,即每条线段的1/2。
4、计算4.1约束根据问题描述的要求,该桁架桥梁在x=0处的边界条件为全约束,x=32处的边界条件为y方向位移为0(即UY=0)。
如下图所示。
4.2载荷卡车对桥梁的压力视为3个集中载荷,因为模型只取桥梁的一般,所以3个集中载荷的力之和为20000N,分别为p1=5000N,p2=10000N,p3=5000N。
并将载荷施加在底梁的关键点4,5,6上。
如下图所示。
5、静力分析的计算结果5.1查看结构变形图显示y方向位移显示x方向位移5.2结论从加载后的结构变形图中可以看出,在载荷作用下,桁架桥的中间位置向下发生弯曲变形最为明显而两侧的侧梁变形最小,载荷引起的位移最大处在桥中间位置,随跨中间向两侧递减。
机电工程学院有限元法课程设计学号:专业:学生姓名:任课教师:2016年5月桁架有限元分析本问题研究针对机器人腿部机体的受力变形研究。
在机器人的所有结构中,该结构受力较复杂,强度要求较高,需要对其进行受力分析并进行结构优化。
一、研究对象由等直杆构成的平面桁架如图1所示,等直杆的截面积为30cm2,弹性模量为E=2.1e5 Mpa,泊松比为μ=0.3,密度为7800kg/m3,所受的集中力载荷为2.0N。
分析该桁架的强度是否符合要求,给出约束节点的支反力、杆件受力以及受力节点的位移。
载荷:1.0e8 N图1 超静定桁架二、分析过程1.打开软件,更改文件名称和存储位置:File>Change Jobname and Change Directory 。
图2 更改文件名图3 更改存储位置2.选取有限元单元:Preprocessor > Element Type > Add/Edit/Delete > Add > Link > 3D finit stn180 > OK > Close。
图4 选取有限元单元3.定义截面积:Preprocessor > Real Constants > Add/Edit/Delete > Add > 输入截面面积“0.03”> Ok > Close。
图5定义截面积4.输入材料弹性参数:Preprocessor > Material Props > Material Models > Structural > Linear >Elastic > Isotripic > 输入弹性模量> 输入泊松比>Ok > 关闭窗口> SA VE_DB 保存数据。
图6 输入材料弹性参数5.建立节点,坐标分别为(0,1) (1,0) (1,1) (2,1) :Preprocessor >Modeling>Create>Nodes>On working Plane>选取点。
三角桁架受力分析1 问题描述图1所示为一三角析架受力简图。
图中各杆件通过铰链连接,杆件材料参数及几何参数见表1和表2,析架受集中力F1=5000N, F2=3000N 的作用,求析架各点位移及反作用力。
图1 三角桁架受力分析简图表1 杆件材料参数表2 杆件几何参数2 问题分析该问题属于析架结构分析问题。
对于一般的析架结构,可通过选择杆单元,并将析架中各杆件的几何信息以杆单元实常数的形式体现出来,从而将分析模型简化为平面模型。
在本例分析过程中选择LINK l 杆单元进行分析求解。
3 求解步骤3.1 前处理(建立模型及网格划分) 1.定义单元类型及输入实常量选择Structural Link 2D spar 1单元,步骤如下:选择Main Menu|Preprocessor|Element Type|Add Edit/Delete 命令,出现Element Types 对话框,单击Add 按钮,出现Library of Element Types 对话框。
在Library of Element Types 列表框中选择Structural Link 2D spar 1,在Element type reference number 文本框中输入1,单击OK 按钮关闭该对话框。
如图2所示。
E 1/Pa E 2/Pa E 3/Pa ν1 ν2 ν3 2.2E11 6.8E102.0E110.30.260.26L1/m L 1/m L 1/m A 1/m 2 A 2/m 2 A 3/m 2 0.4 0.50.36E-49E-44E-4图2 单元类型的选择输入三杆的实常量(横截面积),步骤如下:选择Main Menu|Preprocessor|Real Constants|Add/Edit/Delete命令,出现Real Constants 对话框,单击Add按钮,出现Element Type for Real Constants对话框,单击OK按钮,出现Real Constant Set Number 1, for LINK1对话框,在Real Constant Set No.文本框中输入1,在Cross-sectional area文本框中输入6E-4,在Initial strain文本框中输入0。
三杆桁架的优化设计问题描述如图所示为一个具有三根杆组成的桁架结构,它承受纵向和横向载荷,载荷值F=200000N,求该桁架的最小重量。
结构的初始设计为109.10磅。
默认允差(由程序计算)为初始重量的1%(11磅)。
但是,为了便于收敛,一阶方法的优化分析中将目标函数的允差定为2.0.已知桁架的材料特性为:E=2.1E6psi;RHO=2.85E-4 lb/in^3(比重);最大需用应力=400psi;分析中使用如下集合特性:横截面面积变化范围=1-1000in^2(初始值为1000);基本尺寸B变化范围=400-1000in (初始值为1000)根据分析问题的性质,选择三根杆的横截面积A1、A2、A3以及基本尺寸B为设计变量,状态变量为杆内的应力值,目标函数为桁架的最小重量,综上所述,该问题的优化数学模型为:[][]inf()1,2,3,41,2,3, :11000,1,2,340010000m ax()400,1,2,3jM xX x x x x A A A B st Ai iBjσ⎧⎪==⎪⎪≤≤=⎨⎪≤≤⎪≤≤=⎪⎩2前处理(1)定义工作文件名:utility menu-file-change jobname,在弹出的change jobname对话框中输入文件名为truss单击ok按钮。
(2)定义工作标题:utility menu-file-change tile,在弹出的change tile对话框中输入the optimization of a three-bar truss,单击ok按钮。
(3)关闭坐标符号的显示:utility menu-plotctrls-window controls-window options命令,弹出window options对话框。
在location of triad下拉式选择no shown,单击ok按钮。
(4)定义参数的初始值:utility menu-parameters-scalar parameters命令,弹出对话框,在selection下的文本框中输入b=1000,按下enter键;A1=1000, 按下enter键;A2=1000, 按下enter键;A3=1000, 单击ok按钮。
利用ANSYS 软件进行结构分析的实例1. 用ANSYS 软件命令流方式求解桁架结构应用实例一题目:用ANSYS 求解如图所示三杆平面桁架的问题xP 1附录图1已知:各杆的面积为A 1=32.30e-4m 2, A 2=38.70e-4m 2, A 3=25.80e-4m 2,各杆的弹性模量为E 1=6.9E10N/m 2, E 2=E 3=20.7e10N/m 2 , 横杆与竖杆的长度a=2.54m ,桁架结构所受的载荷为 P1x=111000N, P2x=22200N用ANSYS 求解的命令流:/UNITS,SI !国际单位制/TITLE,EXP1-2A:TRUSS STRUCTURAL ANASYS/PREP7 !进入前处理器ET,1, LINK1R,1, 32.3E-4 ! A 1=32.30e-4m 2R,2, 38.7E-4 ! A 2=38.70e-4m 2R,3, 25.8E-4 ! A 3=25.80e-4m 2MP,EX,1, 6.9E10 ! E 1=6.9E10N/m 2MP,EX,2, 20.7E10 ! E 2=E 3=20.7e10N/m 2N,1, 2.54, 2.54 ! 节点坐标N,2, 2.54, 0N,3, 0, 0TYPE,1 $ REAL,1 $ MAT,1 !单元信息E, 2, 3TYPE,1 $ REAL,2 $ MAT,2E, 1, 2TYPE,1 $ REAL,3 $ MAT,2E, 1, 3FINISH/SOLU !进入求解处理器ANTYE, STATIC!静力分析OUTPR,BASIC,ALLD, 3, ALL, 0 !进行边界处理D, 2, UY, 0F,1, FX, 111000 !加入节点载荷F,1, FY, 22200ALLSELSOLVEFINISH/POST1!进入后处理器PRDISP !显示数据列表(列出变形资料)PLDISP !显示图形列表(检查变形图)FINISH注:用命令流运行的具体方法是:1.用记事本编辑完命令流,存盘时以*.log为后缀名。