电批扭力标准规范文件
- 格式:doc
- 大小:33.50 KB
- 文档页数:2
电批扭力标准电批扭力标准是指在使用电动扭力工具时所需遵循的标准和规定,旨在确保产品质量和安全生产。
电批是一种常见的电动工具,广泛应用于汽车制造、机械加工、家具组装等领域。
正确使用电批扭力标准对于保障产品质量、提高生产效率具有重要意义。
首先,电批扭力标准的制定是基于产品的特性和使用要求。
不同的产品对于扭力的要求是不同的,因此在使用电批时需要根据产品的要求来确定合适的扭力标准。
这需要对产品的材料、结构、使用环境等因素进行全面的考虑,以确保使用电批时不会对产品造成损坏或安全隐患。
其次,电批扭力标准的执行需要依靠专业的设备和技术支持。
在生产过程中,需要使用精密的扭力测量仪器来确保扭力的准确性和稳定性。
同时,操作人员也需要经过专业的培训和考核,掌握正确的使用方法和操作技巧。
只有在严格执行标准和规定的前提下,才能保证产品的质量和安全。
另外,电批扭力标准的监测和管理是保证执行效果的关键。
通过建立健全的质量管理体系和生产过程控制机制,可以及时发现和纠正扭力标准执行中的问题和不足。
同时,对于关键工序和重要产品,需要进行全程跟踪和记录,以便追溯和分析。
只有通过不断的监测和管理,才能不断提高扭力标准的执行水平,确保产品质量和生产安全。
最后,电批扭力标准的不断完善和提高是一个持续的过程。
随着科技的进步和生产技术的发展,产品的要求和生产环境也在不断变化。
因此,电批扭力标准需要与时俱进,及时调整和更新。
同时,需要加强与相关部门和行业组织的沟通和合作,借鉴国际标准和先进经验,不断提高电批扭力标准的水平和执行效果。
总之,电批扭力标准的制定和执行对于保障产品质量和生产安全具有重要意义。
只有严格遵循标准和规定,借助专业的设备和技术支持,加强监测和管理,不断完善和提高,才能确保电批扭力标准的有效执行,保障产品质量和生产安全。
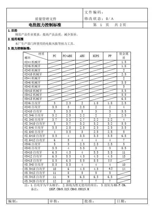
电批扭力标准规范
一、目的:
确定不同型号螺丝固定时的扭力范围,杜绝因扭力不当导致的产品、螺丝损坏或螺丝未锁紧。
从而规范生产组装操作,确保产品品质。
二、适用范围:
适用于本公司生产制造部门自主制造装配的所有产品的装配工序。
三、职责:
生产部------严格按照设定扭力进行作业,不可私自更改;
研发部------制定各类螺丝扭力范围;
品质部------严格按照电批扭力参照表对生产现场的电批进行检验,并作好记录。
对有差异的电批及时进行校准。
四、电批扭力参照表(根据螺钉锁附物材质区分):
五、注意:
1、生产部所有电批均需由品质部校准后方可使用;
2、所有电批需标识扭力值,严禁人为破坏校准后标识;
3、本扭力标准适用于一般规格的设计﹐特殊位置需要另外测试﹔
4、产线扭力批原则上以扭力范围的中心值来设定:例如: Ø3.0的螺丝锁PP塑料(扭力
范围: 3.5~4.5Kgf.cm)﹐产线扭力批应设定为4.0Kgf.cm来作业;
5、品管以扭力范围的下限来检验:例如: Ø3.0的螺丝锁PP塑料(扭力范围:
3.5~
4.5Kgf.cm)﹐品管应将定扭力计设定为3.5 Kgf.cm来检验此螺丝的扭力;
6、本扭力标准以国际通用标准为基础,结合本公司实际使用螺钉规格制定。
若对电批
扭力值有异议,可以实际生产情况为基础向研究院提交书面说明,研究院根据实际情况酌情调整扭力值,不可自行调整。
1.0目的规范电批使用方法,确保和提高产品质量、满足客户需求。
2.0范围:本规范适用于本公司生产部电批管理,各种产品螺纹连接装配的使用操作,以及作为制作工艺文件、现场工艺控制、生产螺纹连接工具配备的依据,同时,也可以作为检验产品连接可靠性实验的参考。
3.0职责:作业员负责,生产组长、生产线PE、IPQC及工艺人员监督。
4.0说明:4.1力矩在螺纹连接中,为达到一定预紧力而通过装配工具,施加在螺纹紧固件上的力度.表示相同意思的称谓有: 扭矩、扭力。
4.2力矩国际单位为“牛顿·米”(N·m),工程单位为“千克力·米”(kgf.cm),换算关系:98N.m=10kgf.cm(我司生产中一般以kgf.cm为单位)。
4.3电批:常用和称谓有电批、电动起子、电动螺钉旋具等。
4.4电批批头:安装于电批上,常用称谓有起子头、电批咀等。
4.5批头根据其头部形状不同:有十字批头、一字批头、六角批头、套筒批头、六角花型批头等。
5.0正文:5.1 本规范目的在于从装配角度去控制螺纹连接的可靠和防锈,装配可靠性的控制在于保证足够的预紧力,下面就影响螺纹连接可靠的装配要素及各要素的控制方法加以详细说明。
5.1.1紧固力矩是影响螺纹连接可靠性最主要因素,选择适当的紧固力矩是保证预紧力和防止螺纹紧固件机械损伤的关键。
5.1.2紧固件扭力大小的确定主要由以下因素制约:螺纹紧固件公称直经是影响紧固力矩最主要的因素,要在其他条件相同的性况下,公称直经越大,所需紧固力矩也越大。
5.1.3螺纹紧固件与连接件之间结合面的润滑程度和粗糙度紧固扭矩主要同三部份组成,50%用来克服螺纹紧固件和螺纹连接件结合面之间的摩擦力矩;40%用来克服螺纹副之间的摩擦力矩,其余10%用来克服螺纹副之间的反拧力矩。
5.1.4可见结合面之间的粗糙度和润滑程度也直接影响紧固力矩的大小,保证足够的预紧力,对粗糙结合面的连接,应使用较大紧固力矩;而对于光滑结合面,就可使用较小紧固力矩。
电批扭力标准规范
一、目的:
确定不同型号螺丝固定时的扭力范围,杜绝因扭力不当导致的产品、螺丝损坏或螺丝未锁紧。
从而规范生产组装操作,确保产品品质。
二、适用范围:
适用于本公司生产制造部门自主制造装配的所有产品的装配工序。
三、职责:
生产部------严格按照设定扭力进行作业,不可私自更改;
研发部------制定各类螺丝扭力范围;
品质部------严格按照电批扭力参照表对生产现场的电批进行检验,并作好记录。
对有差异的电批及时进行校准。
四、电批扭力参照表(根据螺钉锁附物材质区分):
五、注意:
1、生产部所有电批均需由品质部校准后方可使用;
2、所有电批需标识扭力值,严禁人为破坏校准后标识;
3、本扭力标准适用于一般规格的设计﹐特殊位置需要另外测试﹔
4、产线扭力批原则上以扭力范围的中心值来设定:例如: Ø3.0的螺丝锁PP塑料(扭力
范围: 3.5~;
5、品管以扭力范围的下限来检验:例如: Ø3.0的螺丝锁PP塑料(扭力范围: 3.5~ Kgf.cm
来检验此螺丝的扭力;
6、本扭力标准以国际通用标准为基础,结合本公司实际使用螺钉规格制定。
若对电批
扭力值有异议,可以实际生产情况为基础向研究院提交书面说明,研究院根据实际情况酌情调整扭力值,不可自行调整。
一、目的:
确定不同型号螺丝固定时的扭力范围,杜绝因扭力不当导致的产品损坏或螺丝未锁紧。
从而规范生产组装操作,确保产品品质。
二、适用范围:
适用于生产部所有装配工序
三、职责:
生产部------严格按照设定扭力进行作业,不可私自更改。
技术部------制定各类螺丝扭力范围。
品质部------严格按照电批扭力参照表对生产现场的电批进行检验,并作好记录。
对有差异的电批及时进行校准。
四、电批扭力参照表:
根据材质区分,对扭力的要求(单位:Kgf.cm)
五、注意:
1、生产部所有电批均需由品质部校准后方可使用。
2、严禁人为破坏校准后标识。
编制:审核:批准: 9-1。
文件编号:版本:A/0制定日期:修订日期:拟案单位:品管部发行章:Revision History 修改記錄一.螺丝扭力定义及实例1.电动螺丝起子扭力的设定:A.最小扭力的选取:以经验值选取扭力范围,用电动螺丝起子设定其最小螺丝扭力,锁紧后再用手动方式转动螺丝来检查螺丝扭力是否足够,如果已经无法再用手动方式转动螺丝,就表示螺丝扭力的可以接受,锁附10PCS确认第一次是否锁附到位,若都锁附到位,然后按照0.05kgf.cm扭力递减,重复验证发生锁附不到位说明扭力不可接受,此时上一个锁附OK扭力为最小扭力;如果还可以转动,则表示最小扭力还不过,必须再往上增加。
反复测试后可以决定最小的电动起扭力。
B.最大扭力的选取:最小螺丝扭力决定后,再依据扭力范围,把电动螺丝起子的扭力设定到扭力范围的最大值,拿10组上、下盖(或是上、下壳),用电动起子重复锁紧、松开螺丝10次后,确认有无任何螺丝孔滑牙或是螺丝柱破裂的现象发生,如果没有,按照0.05kgf.cm扭力递增重复验证,若发生螺丝孔滑牙或是螺丝柱破裂不良,上一个锁附OK扭力即为最大扭力;如果有,则必须将扭力调小或是设计变更螺丝柱的内、外孔径,然后再重复验证直至合格。
C.正常最好使用扭力定义:确定最大最小扭力后,将最大扭力乘以安全系数0.4---0.6;得出值即为最好使用扭力;且使用扭力必须大于最小锁附扭力,根据实际以接近最大最小平衡均值最好;3.4. 实际螺丝承受扭力测试4.1 根据被测试产品的相应检验标准或作业指导书,查出被测试螺丝的标准扭力;4.2 例如;根据检验规范,查出某款产品的前后壳合盖螺丝要求标准扭力为:3.5kgf.cm,则首先设定扭力批扭力在 3.5kgf.cm;4.3 使扭力批垂直与被测螺丝接触;顺时针转动扭力批(上紧螺丝的方式);①如果能转动被测螺丝,则说明被测螺丝没有上紧,低于扭力标准;②如果不能转动被测螺丝,并且听到“哒、哒、哒”的声音,转动扭力批手柄在空转;则执行逆时针转动扭力批(拆卸螺丝的方式);③如果逆时针转动扭力批,能松动被测螺丝,则判定被测螺丝扭力符合要求;如果不能松动被测螺丝,则判定被测螺丝上的太紧,高于扭力标准要求。
电批扭力测试仪操作规范1.登记信息在使用电批扭力测试仪前,操作人员应填写相应的登记表,包括日期、操作人员、测试设备编号等信息,以便跟踪记录和管理。
2.准备工作2.1检查电批扭力测试仪的电源线、连接线是否完好无损,并正确连接到电源插座。
2.2检查测试设备是否处于正常工作状态,如电批电量是否充足,工作模式是否正确等。
2.3清理测试区域,确保无杂物或者障碍物干扰测试。
2.4确保操作人员穿着适当的个人防护装备,包括手套、安全眼镜等。
3.测试过程3.1将被测试件固定在合适的位置上,确保其稳定不会移动。
3.2调整电批扭力测试仪的扭力值,根据被测试件的要求进行调整。
3.3将电批扭力测试仪握紧,确保握持稳定,并将其与被测试件连接。
3.4按下电批扭力测试仪的启动按钮,进行测试。
3.5在测试过程中,注意观察电批扭力测试仪的显示屏,记录测试结果。
4.测试结果记录4.1在测试完成后,将测试结果记录在相关的文件或者记录表中。
4.2记录的内容包括:测试日期、测试人员、被测试件信息、测试结果等。
4.3如有必要,还应记录扭力测试仪的型号、序列号等相关信息。
5.结束工作5.1关闭电批扭力测试仪的电源。
5.2断开电批扭力测试仪与被测试件的连接。
5.3检查测试区域,恢复整理。
将测试设备等物品归位,清理工作区域。
5.4提交测试结果并进行相关的分析和处理。
6.安全操作6.1操作人员应严格按照相关的安全操作规范进行操作,切勿随意改变电批扭力测试仪的设定值。
6.2在测试过程中,不可将手指或其他物体放入电批扭力测试仪的工作区域,以免发生意外伤害。
6.3如发生异常情况,如电批扭力测试仪的故障或者测试件发生异常,应立即停止测试,并向相关人员报告并寻求帮助。
6.4在测试过程中,应保持注意力集中,避免分心或马虎操作,确保测试结果的准确性和可靠性。
7.设备维护7.1定期对电批扭力测试仪进行检验和维护,确保设备的正常运行。
7.2提前计划设备维护,避免设备长时间闲置或者使用不当导致设备损坏。
电批扭力标准规范
一、目的:
确定不同型号螺丝固定时的扭力范围,杜绝因扭力不当导致的产品、螺丝损坏或螺丝未锁紧。
从而规范生产组装操作,确保产品品质。
二、适用范围:
适用于本公司生产制造部门自主制造装配的所有产品的装配工序。
三、职责:
生产部------严格按照设定扭力进行作业,不可私自更改;
研发部------制定各类螺丝扭力范围;
品质部------严格按照电批扭力参照表对生产现场的电批进行检验,并作好记录。
对有差异的电批及时进行校准。
四、电批扭力参照表(根据螺钉锁附物材质区分):
五、注意:
1、生产部所有电批均需由品质部校准后方可使用;
2、所有电批需标识扭力值,严禁人为破坏校准后标识;
3、本扭力标准适用于一般规格的设计﹐特殊位置需要另外测试﹔
4、产线扭力批原则上以扭力范围的中心值来设定:例如: Ø3.0的螺丝锁PP塑料(扭力
范围: 3.5~4.5Kgf.cm)﹐产线扭力批应设定为4.0Kgf.cm来作业;
5、品管以扭力范围的下限来检验:例如: Ø3.0的螺丝锁PP塑料(扭力范围:
3.5~
4.5Kgf.cm)﹐品管应将定扭力计设定为3.5 Kgf.cm来检验此螺丝的扭力;
6、本扭力标准以国际通用标准为基础,结合本公司实际使用螺钉规格制定。
若对电批
扭力值有异议,可以实际生产情况为基础向研究院提交书面说明,研究院根据实际情况酌情调整扭力值,不可自行调整。
作业指导书产品名称适用公司所有电批工序编号/ 文件编号WI—SC-008 编制/日期2014-1-02 产品型号/ 工序名称电批的使用要求版本标识A/0 修订/日期电批使用及螺钉扭力要求安规种类/ 工序等级/编制审核电气参数/ 工时要求/装配简图:零件名称备注用量零件名称备注用量/ / / / / // / / / / // / / / / // / / / / /工序控制规程项目名称技术要求检验方法检验频率自检互检巡检结构螺钉要求上紧力矩≥1.5kgfcm 。
扭力计100% 100% 1/H 外观要求各组件装配配合不允许出现,螺钉打穿、顶白等。
工序操作规程工步工步操作内容及要求工具辅料1 将电批接入专用的电压电源,悬挂于要作业工位的电批挂钩上。
2电批嘴安装方法:用手直接推上电批嘴上端的紧固环,将批头的两个按定位槽,相对应插装进电批的定位孔内。
3 根据螺钉的规格,选择相符的电批嘴安装于电批上。
调试及标准1螺钉紧固调试试验,将螺钉用电批紧固于要安装的部件内,按照螺钉的规格及要求,由技术负责人用扭力计对螺钉的扭力进行调试为,所要求的力矩。
2扭力的常用标准,与塑胶紧固之间要求3KG(≥29N.M)以上。
与金属部件之间扭力达到6KG(≥58N.M )以上。
注意事项1电批的扭力调试必须要由技术负责人进行,不允许未经许可,擅自对扭力调试。
2电批的扭力出现有变动或不准确时,要马上停止作业,立即通知拉长或技术负责人对电批调试或维修。
紧固或拆卸螺钉正、反方向选择开关螺钉扭力调试螺母左转为扭力小,右转为扭力大左转右转电批嘴电批电源启动开关卸、装批嘴紧固环。
风批电批扭力使用规范
1目的
规范风批、电批使用,确保产品质量。
2适用范围
适用本公司拉线所有风批、电批的使用。
3职责
3.1工程部:风批、电批扭力规定的制定。
3.2生产部:负责按要求测试风批、电批的扭力。
3.3品质部: 负责监督电烙铁使用是否达到要求。
4运作程序
4.1风批、电批使用扭力要求
本公司依据所使用的螺钉不同,同时考虑对螺钉、螺钉孔及产品的保护,对每种锁螺钉位置规定相应的使用扭力。
4.2螺钉扭力规则
4.3生产线每天排拉时使用不同螺钉依据上述规则调试风批、电批钮力,并做好点检记录。
电批扭力标准规范
一、目的:
确定不同型号螺丝固定时的扭力范围,杜绝因扭力不当导致的产品、螺丝损坏或螺丝未锁紧。
从而规范生产组装操作,确保产品品质。
二、适用范围:
适用于本公司生产制造部门自主制造装配的所有产品的装配工序。
三、职责:
生产部------严格按照设定扭力进行作业,不可私自更改;
研发部------制定各类螺丝扭力范围;
品质部------严格按照电批扭力参照表对生产现场的电批进行检验,并作好记录。
对有差异的电批及时进行校准。
四、电批扭力参照表(根据螺钉锁附物材质区分)
五、注意:
1、生产部所有电批均需由品质部校准后方可使用;
2、所有电批需标识扭力值,严禁人为破坏校准后标识;
3、本扭力标准适用于一般规格的设计,特殊位置需要另外测试;
4、产线扭力批原则上以扭力范围的中心值来设定:例如:?3.0的螺丝锁PP塑料(扭力范围:3.5~4.5Kgf.cm),产线扭力批应设定为4.0Kgf.cm来作业;
5、品管以扭力范围的下限来检验:例如:?3.0的螺丝锁PP塑料(扭力范围
3.5~
4.5Kgf.cm),品管应将定扭力计设定为 3.5 Kgf.cm来检验此螺丝的扭力;
6、本扭力标准以国际通用标准为基础,结合本公司实际使用螺钉规格制定。
若对电批
扭力值有异议,可以实际生产情况为基础向研究院提交书面说明,研究院根据实际
情况酌情调整扭力值,不可自行调整。
1.0目的规范电批使用方法,确保和提高产品质量、满足客户需求。
2.0范围:本规范适用于本公司生产部电批管理,各种产品螺纹连接装配的使用操作,以及作为制作工艺文件、现场工艺控制、生产螺纹连接工具配备的依据,同时,也可以作为检验产品连接可靠性实验的参考。
3.0职责:作业员负责,生产组长、生产线PE、IPQC及工艺人员监督。
4.0说明:4.1力矩在螺纹连接中,为达到一定预紧力而通过装配工具,施加在螺纹紧固件上的力度.表示相同意思的称谓有: 扭矩、扭力。
4.2力矩国际单位为“牛顿·米”(N·m),工程单位为“千克力·米”(kgf.cm),换算关系:98N.m=10kgf.cm(我司生产中一般以kgf.cm为单位)。
4.3电批:常用和称谓有电批、电动起子、电动螺钉旋具等。
4.4电批批头:安装于电批上,常用称谓有起子头、电批咀等。
4.5批头根据其头部形状不同:有十字批头、一字批头、六角批头、套筒批头、六角花型批头等。
5.0正文:5.1 本规范目的在于从装配角度去控制螺纹连接的可靠和防锈,装配可靠性的控制在于保证足够的预紧力,下面就影响螺纹连接可靠的装配要素及各要素的控制方法加以详细说明。
5.1.1紧固力矩是影响螺纹连接可靠性最主要因素,选择适当的紧固力矩是保证预紧力和防止螺纹紧固件机械损伤的关键。
5.1.2紧固件扭力大小的确定主要由以下因素制约:螺纹紧固件公称直经是影响紧固力矩最主要的因素,要在其他条件相同的性况下,公称直经越大,所需紧固力矩也越大。
5.1.3螺纹紧固件与连接件之间结合面的润滑程度和粗糙度紧固扭矩主要同三部份组成,50%用来克服螺纹紧固件和螺纹连接件结合面之间的摩擦力矩;40%用来克服螺纹副之间的摩擦力矩,其余10%用来克服螺纹副之间的反拧力矩。
5.1.4可见结合面之间的粗糙度和润滑程度也直接影响紧固力矩的大小,保证足够的预紧力,对粗糙结合面的连接,应使用较大紧固力矩;而对于光滑结合面,就可使用较小紧固力矩。
电批扭力标准规范
一、目的:
确定不同型号螺丝固定时的扭力范围,杜绝因扭力不当导致的产品、螺丝损坏或螺丝未锁紧。
从而规范生产组装操作,确保产品品质。
二、适用范围:
适用于本公司生产制造部门自主制造装配的所有产品的装配工序。
三、职责:
生产部------严格按照设定扭力进行作业,不可私自更改;
研发部------制定各类螺丝扭力范围;
品质部------严格按照电批扭力参照表对生产现场的电批进行检验,并作好记录。
对有差异的电批及时进行校准。
四、电批扭力参照表(根据螺钉锁附物材质区分):
五、注意:
1、生产部所有电批均需由品质部校准后方可使用;
2、所有电批需标识扭力值,严禁人为破坏校准后标识;
3、本扭力标准适用于一般规格的设计﹐特殊位置需要另外测试﹔
4、产线扭力批原则上以扭力范围的中心值来设定:例如: Ø3.0的螺丝锁PP塑料(扭力
范围: 3.5~4.5Kgf.cm)﹐产线扭力批应设定为4.0Kgf.cm来作业;
5、品管以扭力范围的下限来检验:例如: Ø3.0的螺丝锁PP塑料(扭力范围:
3.5~
4.5Kgf.cm)﹐品管应将定扭力计设定为3.5 Kgf.cm来检验此螺丝的扭力;
6、本扭力标准以国际通用标准为基础,结合本公司实际使用螺钉规格制定。
若对电批
扭力值有异议,可以实际生产情况为基础向研究院提交书面说明,研究院根据实际情况酌情调整扭力值,不可自行调整。
电批扭力标准规范
一、目的:
确定不同型号螺丝固定时的扭力范围,杜绝因扭力不当导致的产品、螺丝损坏或螺丝未锁紧。
从而规范生产组装操作,确保产品品质。
二、适用范围:
适用于本公司生产制造部门自主制造装配的所有产品的装配工序。
三、职责:
生产部------严格按照设定扭力进行作业,不可私自更改;
研发部------制定各类螺丝扭力范围;
品质部------严格按照电批扭力参照表对生产现场的电批进行检验,并作好记录。
对有差异的电批及时进行校准。
四、电批扭力参照表(根据螺钉锁附物材质区分):
~ _* 、/、一•、、八
五、注意:
1、生产部所有电批均需由品质部校准后方可使用;
2、所有电批需标识扭力值,严禁人为破坏校准后标识;
3、本扭力标准适用于一般规格的设计,特殊位置需要另外测试;
4、产线扭力批原则上以扭力范围的中心值来设定:例如:?3.0的螺丝锁PP塑料(扭力
范围:3.5~4.5Kgf.cm),产线扭力批应设定为 4.0Kgf.cm来作业;
5、品管以扭力范围的下限来检验:例如:?3.0的螺丝锁PP塑料(扭力范围
3.5~
4.5Kgf.cm),品管应将定扭力计设定为3.5 Kgf.cm来检验此螺丝的扭力;
6、本扭力标准以国际通用标准为基础,结合本公司实际使用螺钉规格制定。
若对电批
扭力值有异议,可以实际生产情况为基础向研究院提交书面说明,研究院根据实际
情况酌情调整扭力值,不可自行调整。
电批扭力标准规范
一、目的:
确定不同型号螺丝固定时的扭力范围,杜绝因扭力不当导致的产品、螺丝损坏或螺丝未锁紧。
从而规范生产组装操作,确保产品品质。
二、适用范围:
适用于本公司生产制造部门自主制造装配的所有产品的装配工序。
三、职责:
生产部------严格按照设定扭力进行作业,不可私自更改;
研发部------制定各类螺丝扭力范围;
品质部------严格按照电批扭力参照表对生产现场的电批进行检验,并作好记录。
对有差异的电批及时进行校准。
四、电批扭力参照表(根据螺钉锁附物材质区分):
1、非自攻螺丝:
2、自攻螺丝
五、注意:
1、生产部所有电批均需由品质部校准后方可使用;
2、所有电批需标识扭力值,严禁人为破坏校准后标识;
3、本扭力标准适用于一般规格的设计﹐特殊位置需要另外测试﹔
4、产线扭力批原则上以扭力范围的中心值来设定:例如: Ø的螺丝锁PP塑料(扭力范
围 : ~产线扭力批应设定为来作业;
5、品管以扭力范围的下限来检验:例如: Ø的螺丝锁PP塑料(扭力范围 : ~品管应将
定扭力计设定为来检验此螺丝的扭力;
6、本扭力标准以国际通用标准为基础,结合本公司实际使用螺钉规格制定。
若对电批
扭力值有异议,可以实际生产情况为基础向研究院提交书面说明,研究院根据实际情况酌情调整扭力值,不可自行调整。