电梯检验收费标准[详]
- 格式:doc
- 大小:145.00 KB
- 文档页数:5
四、特种设备检验收费标准注:()电梯集选控制加收%:微机控制加收%,梯群控制加收%。
()电梯层以上每增加层加收,每增加个贯通门层站加收()特种电梯(船舶、防爆、汽车用电梯等)按%收费。
()扶梯提升高度大于的加收%检验费;自动人行道长度大于,每增加加收%检验费,最高不超过%。
( )客货电梯检验按客梯收费标准收取检验费。
()登机电梯检验按客梯收费标准收取检验费。
(二)起重机械定期检验收费标准往:()吨位每增加吨加收。
()跨度大于.时,每增加加收%。
()防爆型加收;冶金类起重机加收;非标起重机加收。
()电动葫芦按桥式的%收费。
()凡有副钩、双小车、双司机室、抓斗、电磁吸盘、夹钳、料耙的起重机加收%检验费。
()场桥、岸桥、集装箱起重机、绳索起重机按桥门式起重机收费标准收取检验费。
注:()起升高度大于时,每增加加收%,最高不超过。
()行走式加收%。
注:()高度大于,每增加层加收。
()简易升降机按升降机收费标准的收费。
()汽车修理用举升机按升降机收费标准的%收取检验费.()双笼升降机按升降机加收检验费.注:()起重量>的,每增加加收%检验费.()带有副杆的加收检验费.()带有副钩的加收检验费.注:()包括厂内有轨机车。
()载重量大于的,每增加加收检验费。
()有起重机构的加收%检验费。
()挖掘机加收%检验费。
()改装车加收%检验费。
(四)游乐设施定期检验收费标准注:()大型滑行车,如:高空翻滚滑行车、滑管车等按产品总造价的%收费。
()高空观览车吊箱标定为个,每超出个加收元;其它观览车类标定为人,每超出人加收元.()游客乘座部位能自动升降和旋转的游乐设施加收元检验费。
()水上游乐设施加收元检验费.。
电梯定期检验收费标准
首先,根据《特种设备安全法》和《电梯维护管理规定》,电梯定期检验是一
项必要的程序,旨在检查电梯的各项安全设备和运行状况,确保电梯在使用过程中不会出现故障和安全隐患。
定期检验的频率一般为每年一次,对于一些老旧电梯或者运行频繁的电梯,也可以根据实际情况增加检验频率。
其次,电梯定期检验的收费标准主要包括两部分,一部分是检验费用,另一部
分是维护费用。
检验费用是指对电梯进行定期检验所需的人工、设备、材料等费用,一般按照电梯的规模、型号和使用频率等因素进行计算。
而维护费用则是指在检验过程中发现的一些小故障和损坏所需的维修费用,这部分费用一般是根据实际情况进行收费。
另外,为了保障用户的利益,我公司还制定了一些优惠政策,比如对于长期合
作的客户可以享受一定的折扣,对于多台电梯同时检验也可以享受批量优惠等。
同时,我们也提供了灵活的付款方式,可以选择一次性付清或者分期付款,以便更好地满足客户的需求。
最后,我们也建议用户在选择电梯定期检验服务提供商时,不要只看价格,更
要注重服务质量和技术实力。
因为电梯的安全性是无法妥协的,一个靠谱的检验服务提供商可以为用户提供更加放心的服务,减少电梯故障和事故的发生。
总之,电梯定期检验是保障电梯安全运行的重要环节,而收费标准则是保障用
户权益的重要保障。
我们将坚持以用户需求为中心,提供优质的服务,为社会各界提供更加安全可靠的电梯使用环境。
希望广大用户能够重视电梯安全,选择合适的定期检验服务,共同维护城市交通安全。
—1—附件:内蒙古自治区特种设备检验检测收费标准一、机电类特种设备检验(一)电梯定期检验注:1.电梯6层以上每增加1层按上述收费标准加收10%,超出15层时每增加1层按上述收费标准加收15%;杂 物电梯5层以上每增加1层按上述收费标准加收10%;每增加一个贯通门按上述收费标准加收10%;楼层 间距大于4米时,每增加4米(不足4米按4米计算)按增加1层计算;2.自动扶梯提升高度>4米时,每增加1米(不足1米按1米计算),加收10%;自动人行道运行长度>8米时 每增加2米(不足2米按2米计算),加收10%;公共交通型加收30%;3.货梯超过2吨时,每增加1吨(不足1吨按1吨计算)加收10%;4.微机控制的电梯加收10%;集选、并联控制的电梯加收30%;梯群控制的电梯加收40%;5.特种电梯(船舶、防爆、消防、液压、汽车用电梯等)按相应检验收费的2倍收取;6.定期检验周期为1年1次。
(二)起重机械定期检验1.桥、门、门座式起重机定期检验注:1.起重机吨位每增加5吨(不足5吨按5吨计算)按上述收费标准加收10%;幅度、跨度大于10.5米时,每增 加3米(不足 3米按3米计算)按上述收费标准加收10%;起升高度大于4米,每增加2米按上述收费标准 加收10%,不足2米按2米计算; 2.架桥机按桥门定期的2倍收取;3.带有电梯升降结构的按上述收费标准加收20%;4.凡有副钩、抓斗、电磁吸盘、夹钳、双小车、双司机室等起重机按上述收费标准加收30%;5.防爆型、冶金型(包括吊运融熔金属、炽热金属、炽热非金属的起重机)、绝缘型、非标起重机按相应检 验收费的2倍收取;6.桥式起重机、门式起机、门座式起重机定期检验周期每2年1次,吊运熔融金属的起重机,每年1次。
2.塔式起重机定期检验注:1.工作幅度大于20米时,每增加10米按上述收费标准加收10%(不足10米按10米计算);2.起重力矩大于40吨·米的,每增加20吨·米,按上述收费标准加收10%;3.当高度超过10米时,每增加2.5米(不足2.5米按2.5米计算)或一个标准节按上述收费标准加收10%;4.自升式塔机按上述收费标准加收50%,行走式塔机按上述收费标准加收30%,带有电梯升降机的按上述收费标准加收20%;5.定期检验周期为1年1次。
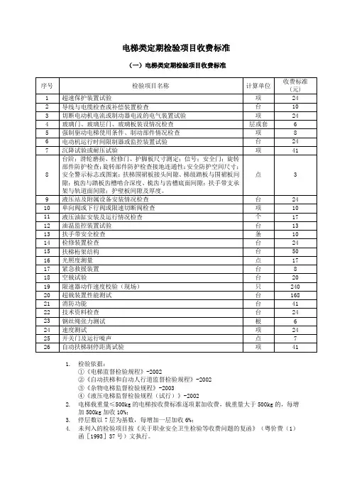
电梯类定期检验项目收费标准
(一)电梯类定期检验项目收费标准
1.检验依据:
①《电梯监督检验规程》-2002
②《自动扶梯和自动人行道监督检验规程》-2002
③《杂物电梯监督检验规程》-2003
④《液压电梯监督检验规程(试行)》-2002
2.电梯载重量≤500kg的电梯按收费标准逐项累加收费,载重量大于500kg的,每增
加500kg加收10%;
3.停层数以7层为基数,每增加一层加收6%;
4.未列入的检验项目按《关于职业安全卫生检验等收费问题的复函》(粤价费(1)
函[1993]37号)文执行。
(二)电梯安装、改造、重大维修监督检验收费标准
1、电梯总造价为电梯的销售价、安装材料费及安装人工费之和;
2、质量监督检验收费总额少于1000元的,按1000元收取;
3、电梯安装(移装)、组装、改造和重大维修的工艺图纸审查费按工程总造价的1.5%
计收;
4、国家电梯监督检验规程(规范)对相应的检验项目变更名称时,而该项目的检验内容
基本不变时参照本标准实行。
(三)电梯产品质量监督检验收费标准
※检验依据:《电梯型式试验规程》
由于电梯产品质量监督检验的检验项目是根据电梯型式试验规程制定的,检验方法以及检验设备相同,所以电梯型式试验收费可参照电梯产品质量监督检验收费标准执行。
山东省特种设备检验检测收费标准(电梯部分节选)2017年6月19日,由山东省物价局、山东省财政厅共同批准自2017年7月1日开始执行,有效期至2020年6月30日止。
六、电梯定期检验收费标准(一)特种设备检验周期应严格按照相关检验安全技术规范规定的检验周期执行,检验检测项目按照相关检验安全技术规范或标准规定的项目执行。
按照安全技术规范或标准规定需要进行必要的无损检测、材料力学性能检测、材料化学成分分析检测、金相检测和安全附件校验的,按规定的收费项目、收费标准另行计收专项检测费。
制造监督检验费用按台或安全技术规范规定的批次收取;安装监督检验费用按台收取;改造、修理监督检验费用按施工项目收取;定期检验费按台(只、辆)收取;检测费用按收费标准规定的计量单位收取。
(二)特种设备在安装、修理、改造后经检验不合格及定期检验不合格应当复检的,检验费按收费标准的20%收取。
同年度内或同一次改造、重大修理的仅限收取第一次的复检费用,复检费用由责任方承担。
对新安装、改造或重大维修的特种设备,收取相关监督检验费用的,同年度内不得再收取定检费用。
特种设备的零配件更换、维修费用据实收取。
(三)电梯、大型游乐设施、客运索道的安装、改造和重大修理监督检验及起重机械的首次定期检验,按照定期检验收费标准的1.2倍收取。
(四)检验前的准备、清理以及检验后的处理费用均由受检单位承担,如:设备除锈、除垢;管道、系统隔离;炉墙、保温层、容器衬垫的拆装;脚手架的搭拆;耐压试验、气密试验所需介质;盛装易燃、有毒或窒息性介质容器检验前的置换、中和、消毒、清洗及检验过程监测;移动式压力容器抽真空、充氮保护、喷漆等。
(五)符合有关标准,属于高温、粉尘作业环境,或需接触、进入有毒、易燃、易爆介质设备内部的,加收30%;属于高处作业的,加收30%。
(六)设备出厂价格指产品本体(含内件)及附件的出厂价格。
安装、改造和重大修理监督检验及相关检验项目检验费的核算,现场施工总造价不包括设备本体和部件价格。
深圳市机电类特种设备检验收费价格表(2006)深圳市特种设备安全检验研究院目录1. 客梯验收检验收费标准;2。
货梯验收检验收费标准;3. 扶梯,简易梯,杂物梯验收检验收费标准;4。
电梯(含客梯,货梯,扶梯,简易梯,杂物梯,人行道)定期检验收费标准;5。
起重机验收检验收费标准;6。
桥(门)式验收检验收费标准(QD,ME,MG,MBG,MH);7. 桥式(双梁)(LH,QD,ME,MG,MBG,MH)等定期检验收费标准;8。
桥式(单梁)(LD,LDA,LDT,LX,CD,MD,CDE,MDE)等定期检验收费标准;9. 门式,门座,岸桥,场桥,正面吊,电动葫芦定期检验收费标准;10. 流动式起重机定期检验收费标准;11。
厂内机动车辆检验收费标准。
(1)客梯验收检验收费标准客梯(含消防梯.观景梯。
液压梯)说明:每增加500公斤加收150元(2)货梯验收检验收费标准货梯(含液压货梯)说明:每增加500公斤加收150元(3)扶梯,简易梯,杂物梯验收检验收费标准说明: 每增加10米加收50元(4)电梯定期检验收费标准客梯、货梯(含消防梯、观景梯、液压梯)说明: 每增加500公斤加收64元(5)起重机验收检验收费标准(6)桥(门)式验收检验收费标准(QD,ME,MG,MBG,MH)(7)桥式(双梁)LH,QD,ME,MG,MBG,MH等定期检验收费标准(8)桥式(单梁)LD,LDA,LDT,LX,CD,MD,CDE,MDE等定期检验收费标准(9)门式,门座,岸桥,场桥,正面吊,电动葫芦定期检验收费标准正面吊起重量大于5T,每增5T加收10%,则额定起重量与实际收费表如下:(10)流动式起重机定期检验收费标准(11)厂内机动车辆检验收费标准检验收费基数确定及计算说明(一)电梯验收检验依据粤价函[2005]671号文,电梯验收检验的收费标准为电梯总造价的1。
5%,最低检验费为1000元.为了便于操作执行和保持收费标准的统一,对于不提供总造价合同的,我院以估算当前市场较低的电梯造价作为依据,确定和计算电梯验收检验收费价格。
电梯检验收费标准————————————————————————————————作者:————————————————————————————————日期:(1)客梯验收检验收费标准客梯(含消防梯.观景梯.液压梯)单位: 元/台载重层数500KG1000KG1500KG2000KG2500KG3000KG 21675 1825 1975 2125 227524253 1750 1900 2050 2200 235025004 1825 1975 2125 2275242525755 1900 2050 2200 2350250026506 1975 2125 22752425257527257 205022002350250026502800821252275242525752725287592200235025002650280029501022752425257527252875302511235025002650280029503100122425257527252875302531751325002650280029503100325014257527252875302531753325152650280029503100325034001627252875302531753325347517280029503100325034003550182875302531753325347536251929503100325034003550370020302531753325347536253775加一层加75加75加75加75加75加75说明: 每增加500公斤加收150元(2)货梯验收检验收费标准货梯(含液压货梯)单位: 元/台载重层数500KG1000KG1500KG2000KG2500KG3000KG 21000 1000 1000 1050 120013503 1000 1000 1000 1125127514254 1000 1000 1050 1200135015005 1000 1000 11251275142515756 1000 1050 12001350150016507 1000112512751425157517258105012001350150016501800 9112512751425157517251875 10120013501500165018001950 11127514251575172518752025 12135015001650180019502100 13142515751725187520252175 14150016501800195021002250 15157517251875202521752325 16165018001950210022502400 17172518752025217523252475 18180019502100225024002550 19187520252175232524752625 20195021002250240025502700加一层加75加75加75加75加75加75说明: 每增加500公斤加收150元(3)扶梯,简易梯,杂物梯验收检验收费标准单位: 元/台杂物梯1000扶梯1950简易梯1000人行道(m) 10m内11~20 21~30 31~40 41~50 51~60 61~70 71~80 81~90 91~100 100以上19502000205021002150220022502300235024002450说明: 每增加10米加收50元(4)电梯定期检验收费标准客梯、货梯(含消防梯、观景梯、液压梯)单位: 元/台载重层数500KG1000KG1500KG2000KG2500KG3000KG备注1--764070476883289696086787428068709349989716780844908972103610754818882946101010741179285692098410481112128308949581022108611501386893299610601124118814906970103410981162122615944100810721136120012641698210461110117412381302171020108411481212127613401810581122118612501314137819109611601224128813521416201134119812621326139014542111721236130013641428149222121012741338140214661530231248131213761440150415682412861350141414781542160625132413881452151615801644加一层加38加38加38加38加38加38杂物梯370扶梯520简易梯500人行道(m) 10m内11~221~30 31~40 41~50 51~60 61~70 71~80 81~90 91~100 100以上10m以内为520元,超过10m的,每增加1~10m,增收50元520 570 620 670 720 770 820 870 920 970 1020说明: 每增加500公斤加收64元。
深圳电梯定期检验费标准深圳电梯定期检验收费标准详细说明客梯、货梯(含消防梯、观景梯、液压梯)单位: 元/台载重楼层 500kg 1000kg 1500kg 2000kg 2500kg 3000kg 备注 1-7 640 704 768 832 896 960 说明:每增加500公斤加收64元 8 678 742 806 870 934 9989 716 780 844 908 972 103610 754 818 882 946 1010 107411 792 856 920 984 1048 111212 830 894 958 1022 1086 115013 868 932 996 1060 1124 118814 906 970 1034 1098 1162 122615 944 1008 1072 1136 1200 126416 982 1046 1110 1174 1238 130217 1020 1084 1148 1212 1276 134018 1058 1122 1186 1250 1314 137819 1096 1160 1224 1288 1352 141620 1134 1198 1262 1326 1390 145421 1172 1236 1300 1364 1428 1492 22 1210 1274 1338 1402 1466 153023 1248 1312 1376 1440 1504 156824 1286 1350 1414 1478 1542 160625 1324 1388 1452 1516 1580 1644加一层加38 加38 加38 加38 加38 加38 杂物梯 370扶梯 520简易梯 520人行道(M) 10内 11~20 21~30 31~40 41~50 51~60 61~70 71~80 81~9091~100 100以上 10m以内为520元, 超过10m的,每增加1~10m增收50元 520 570 620 670 720 770 820 870 920 970 1020 检验收费基数确定及计算说明(一)电梯验收检验依据粤价函[2005]671号文,电梯验收检验的收费标准为电梯总造价的1.5%,最低检验费为1000元。
新疆维吾尔自治区特种设备质量安全行政事业性收费标准第一部分机电类特种设备检验收费部分(电梯、起重机械、客运索道、游乐设施及相关部分)一、电梯检验(一)电梯定期检验、监督检验收费标准设备类别检收验费类标别准客梯(含乘客电梯、医梯和客货梯)货梯、杂物梯自动扶梯、自动人行道8层(含8层)以下8层以上自动扶梯:提升高度≤6m自动人行道:运行长度≤20m提升高度>6m的自动扶梯运行长度>20m的自动人行道定期检验600元/台以8层为基础,,每增加1层,加收30元450元/台450元/台以450元/台为基础,提升高度每增加1米加收30元以450元/台为基础,运行长度每增加1米加收30元监督检验安装检验按电梯总价的1.1%收取按电梯总价的1.1%收取按电梯总价的1%收取按自动扶梯、自动人行道总价1%收取改造、大修检验在定期检验收费基础上加收50%在定期检验收费基础上加收50%在定期检验收费基础上加收50%在定期检验收费基础上加收50%注:(1)信号控制电梯按上表标准加收10%;(2)集选控制电梯按上表标准加收15%;(3)机群控制电梯按上表标准加收20% ;(4)总价含设备购置费、安装费;(5)对于停用一年以上或超期未进行检验的,再次使用前应按法规、标准规定进行检验,并按定期检验基础上加收30%检验费用。
二、起重机械检验(一) 桥、门式等(元/台)吨位(t)检设验备收费标准类类别别t≤55<t≤1010<t≤2020<t≤3030<t≤5050<t≤100t>100定期检验桥式起重机400 450 500 600 650 800 900 门式起重机400 450 500 600 650 900 1000流动式起重机350 400 450 500 550 650 900 门座起重机350 400 450 450 500 500 650 桅杆起重机300 300 300 300 350 350 400 随车起重机350 300 350 300缆索起重机300 300 350 350电动葫芦及其他类200 350 400 450监督检验安装检验新竣工安装的起重机验收检验收费在定期检验基础上加收50%收取;流动式起重机、履带、铁路起重机等新购置车辆首次检验按以上标准加收50%。
附件1深圳市机电类特种设备检验收费价格表(2006)深圳市特种设备安全检验研究院目录1. 客梯验收检验收费标准;2. 货梯验收检验收费标准;3. 扶梯,简易梯,杂物梯验收检验收费标准;4. 电梯(含客梯,货梯,扶梯,简易梯,杂物梯,人行道)定期检验收费标准;5. 起重机验收检验收费标准;6. 桥(门)式验收检验收费标准(QD,ME,MG,MBG,MH);7. 桥式(双梁)(LH,QD,ME,MG,MBG,MH)等定期检验收费标准;8. 桥式(单梁)(LD,LDA,LDT,LX,CD,MD,CDE,MDE)等定期检验收费标准;9. 门式,门座,岸桥,场桥,正面吊,电动葫芦定期检验收费标准;10. 流动式起重机定期检验收费标准;11. 厂内机动车辆检验收费标准。
(1)客梯验收检验收费标准客梯(含消防梯.观景梯.液压梯)说明: 每增加500公斤加收150元(2)货梯验收检验收费标准货梯(含液压货梯)说明: 每增加500公斤加收150元(3)扶梯,简易梯,杂物梯验收检验收费标准说明: 每增加10米加收50元(4)电梯定期检验收费标准客梯、货梯(含消防梯、观景梯、液压梯)说明: 每增加500公斤加收64元(5)起重机验收检验收费标准(6)桥(门)式验收检验收费标准(QD,ME,MG,MBG,MH)(7)桥式(双梁)LH,QD,ME,MG,MBG,MH等定期检验收费标准(8)桥式(单梁)LD,LDA,LDT,LX,CD,MD,CDE,MDE等定期检验收费标准(9)门式,门座,岸桥,场桥,正面吊,电动葫芦定期检验收费标准正面吊起重量大于5T,每增5T加收10%,则额定起重量与实际收费表如下:(10)流动式起重机定期检验收费标准(11)厂内机动车辆检验收费标准。
电梯设备维保、检测、电梯安全评估公司
公示内容-收费标准
概述
本文档旨在公示针对电梯设备维保、检测和电梯安全评估等服务的收费标准。
以下是相关收费项目以及对应的价格说明。
电梯设备维保服务收费标准
- 费用:根据电梯设备型号和年度维保服务等级进行收费。
- 维保服务等级分类:分为一级、二级和三级。
- 收费项目:
1. 定期维护和保养费用:根据实际情况确定费用。
2. 部件更换费用:根据需要更换的部件类型和数量确定费用。
3. 故障维修费用:根据实际维修情况确定费用。
电梯设备检测服务收费标准
- 费用:根据电梯设备型号和检测范围等因素进行收费。
- 检测范围:包括但不限于电梯安全装置、电气系统、传动系统、机房设备等。
- 收费项目:
1. 定期检测费用:根据实际检测范围和频率确定费用。
2. 高级检测费用:根据需要的高级检测项目确定费用。
3. 检测结果报告费用:根据报告的详尽程度和复杂性确定费用。
电梯安全评估服务收费标准
- 费用:根据电梯设备类型和规模,以及评估等级进行收费。
- 评估等级分类:分为一级、二级和三级。
- 收费项目:
1. 安全评估报告费用:根据评估等级和报告的详细程度确定费用。
2. 评估过程中的现场检测费用:根据实际检测过程中的人力和
物力成本确定费用。
3. 专家咨询费用:根据提供的专家咨询服务内容和时间确定费用。
以上仅为收费项目和标准的概要介绍,具体的收费细则和价格
详情请与我公司联系,我们会根据您的需求提供详细的报价信息。
感谢您选择我们的服务!。