折标煤系数表
- 格式:doc
- 大小:86.50 KB
- 文档页数:6
1、能源的实物量单位表1 常见的能源实物量计量单位及采用情况2、能量单位换算表2 能量单位换算表3、当量单位不同能源的实物量是不能直接进行比较的。
由于各种能源都有一种共同的属性,即含有能量,且在意定条件下都可以转化为热,为了便于对各种能源进行计算,对比和分析,我们可以首先选定某种统一的标准燃料作为计算依据,然后通过各种能源实际含热值与标准燃料热值之比,即能源折算系数,计算出各种能源折算成标准燃料的数量。
所选标准燃料的计量单位即为当量单位。
国际上习惯采用的标准燃料有两种:标准煤(又称煤当量)和标准油(又称油当量)。
标准煤(煤当量):我国GB2589-1990《综合能耗计算通则》的规定,应用基低位发热量等于29.3076MJ的燃料,称为1kg标准煤。
统计中可采用“吨标准煤”,用符号tce表示。
标准油(油当量):我国采用的油当量热值为41.87MJ。
常用单位有油当量(符号toe)和桶油当量(符号boe)。
原国家经委、国家统计局在《1986年重点工业、交通运输企业能源统计报表制度》中规定了各类能源折算系数,详见表3-3。
表3 能源折算标准煤参考系数应当说明的是:a)原则上煤炭类应采用企业实测单位质量的发热值。
如不具备实测条件时,可采用煤矿发货单上的单位质量的发热值,或参照原煤炭部1979年《煤炭质量规格及出厂价格》中的发热量计算。
b)各种燃气及生物质能的发热量应采用实测值,再折算成标准煤当量,如无条件实测时可参照表4中的数值进行计算。
通常,燃气的统计单位取KJ/m3,生物质能取kJ/kgc)某些耗能工质的平均等价热值与折算系数见表5。
表4 各类燃气及生物质能折算系数表5 某些耗能工质的平均等价热值与折算系数附录A耗能工质能源等价值。
三、各种能源折标煤参考系数、常用能源折算系数及节能指标计算公式(一)各种能源折标准煤参考系数能源名称平均低位发热量参考折标准煤系数原煤--其中:1.无烟煤约6000千卡/千克以上0.9428千克标准煤/千克2.炼焦烟煤约6000千卡/千克以上0.9千克标准煤/千克3.一般烟煤约4500-5500千卡/千克0.7143千克标准煤/千克4.褐煤约2500-3500千卡/千克0.4286千克标准煤/千克洗精煤(用于炼焦)约6000千卡/千克以上0.9千克标准煤/千克其他洗煤约2500-6000千卡/千克0.4643-0.9千克标准煤/千克煤制品约3000-5000千卡/千克0.5286千克标准煤/千克焦炭约6800千卡/千克0.9714千克标准煤/千克焦炉煤气约4000-4300千卡/立方米0.5714-0.6143千克标准煤/立方米发生炉煤气约1250千卡/立方米0.1786千克标准煤/立方米重油催化裂解煤气约4600千卡/立方米0.6571千克标准煤/立方米重油热裂解煤气约8500千卡/立方米 1.2143千克标准煤/立方米焦炭制气约3900千卡/立方米0.5571千克标准煤/立方米压力气化煤气约3600千卡/立方米0.5143千克标准煤/立方米水煤气约2500千卡/立方米0.3571千克标准煤/立方米天然气约7700-9300千卡/立方米 1.10-1.33千克标准煤/立方米液化天然气约12300千卡/千克 1.7572千克标准煤/千克煤层气约7700千卡/立方米 1.11千克标准煤/立方米原油约10000千卡/千克 1.4286千克标准煤/千克汽油约10300千卡/千克 1.4714千克标准煤/千克煤油约10300千卡/千克 1.4714千克标准煤/千克柴油约10200千卡/千克 1.4571千克标准煤/千克燃料油约10000千卡/千克 1.4286千克标准煤/千克液化石油气约12000千卡/千克 1.7143千克标准煤/千克炼厂干气约11000千卡/千克 1.5714千克标准煤/千克- 1 -石脑油约10500千卡/千克 1.5千克标准煤/千克润滑油约9900千卡/千克 1.4143 千克标准煤/千克石蜡约9550千卡/千克 1.3648千克标准煤/千克溶剂油约10270千卡/千克 1.4672千克标准煤/千克石油焦约7640千卡/千克 1.0918千克标准煤/千克石油沥青约9310千卡/千克 1.3307千克标准煤/千克其他石油制品约9800千卡/千克 1.4千克标准煤/千克煤焦油约8000千卡/千克 1.1429千克标准煤/千克粗苯约10000千卡/千克 1.4286千克标准煤/千克热力(当量) -0.0341千克标准煤/百万焦耳电力(当量) 860千卡/千瓦时0.1229千克标准煤/千瓦时高炉煤气约900千卡/立方米0.1286千克标准煤/立方米转炉煤气约1900千卡/立方米0.2714千克标准煤/立方米煤矸石(用于燃料)约2000千卡/千克0.2857千克标准煤/千克城县生活垃圾(用于燃料)约1900千卡/千克0.2714千克标准煤/千克余热余压-0.0341吨标准煤/百万千焦工业废料(用于燃料)约3000千卡/千克0.4285千克标准煤/千克燃料甲醇约5426千卡/千克0.7751千克标准煤/千克生物乙醇约6500千卡/千克0.9286千克标准煤/千克生物柴油约10200千卡/千克 1.4571千克标准煤/千克氢气约142000千焦耳/千克4.8512千克标准煤/千克0.4361千克标准煤/立方米沼气约5500—5800千卡/立方米0.7857-0.8286千克标准煤/立方米蔗渣(干)约3500千卡/千克0.5000千克标准煤/千克树皮约2700千卡/千克0.3857千克标准煤/千克玉米棒约4600千卡/千克0.6571千克标准煤/千克薪柴(干)约3000千卡/千克0.4286千克标准煤/千克稻壳约3200千卡/千克0.4571千克标准煤/千克锯末刨花约2700千卡/千克0.3857千克标准煤/千克注:此表平均低位发热量用千卡表示,如需换算成千焦耳,只需乘上4.1816即可。
折标系数。
折标系数是用来将不同品种、不同计量单位的能源折合成为一种标准含量的标准煤。
折标系数根据能源的热值确定,不同的能源由于热值不同,则折标系数不同。
能源的热值分为当量热值和等价热值。
(1)当量热值:一个计量单位的某种能源本身所含的热量,是实际的发热值。
(2)等价热值:是获得一个计量单位的某种二次能源所消耗的以热值来表示的一次能源量,只有电力和热力有等价热值,其他能源没有。
现行统计制度规定,在计算能源标准量时,全部采用当量值系数。
1、能源的实物量单位表1 常见的能源实物量计量单位及采用情况2、能量单位换算表2 能量单位换算表3、当量单位不同能源的实物量是不能直接进行比较的。
由于各种能源都有一种共同的属性,即含有能量,且在意定条件下都可以转化为热,为了便于对各种能源进行计算,对比和分析,我们可以首先选定某种统一的标准燃料作为计算依据,然后通过各种能源实际含热值与标准燃料热值之比,即能源折算系数,计算出各种能源折算成标准燃料的数量。
所选标准燃料的计量单位即为当量单位。
国际上习惯采用的标准燃料有两种:标准煤(又称煤当量)和标准油(又称油当量)。
标准煤(煤当量):我国GB2589-1990《综合能耗计算通则》的规定,应用基低位发热量等于29.3076MJ的燃料,称为1kg标准煤。
统计中可采用“吨标准煤”,用符号tce表示。
标准油(油当量):我国采用的油当量热值为41.87MJ。
常用单位有油当量(符号toe)和桶油当量(符号boe)。
原国家经委、国家统计局在《1986年重点工业、交通运输企业能源统计报表制度》中规定了各类能源折算系数,详见表3-3。
表3 能源折算标准煤参考系数应当说明的是:a)原则上煤炭类应采用企业实测单位质量的发热值。
如不具备实测条件时,可采用煤矿发货单上的单位质量的发热值,或参照原煤炭部1979年《煤炭质量规格及出厂价格》中的发热量计算。
b)各种燃气及生物质能的发热量应采用实测值,再折算成标准煤当量,如无条件实测时可参照表4中的数值进行计算。
通常,燃气的统计单位取KJ/m3,生物质能取kJ/kgc)某些耗能工质的平均等价热值与折算系数见表5。
表4 各类燃气及生物质能折算系数表5 某些耗能工质的平均等价热值与折算系数附录A耗能工质能源等价值。
折标系数。
折标系数是用来将不同品种、不同计量单位的能源折合成为一种标准含量的标准煤。
折标系数根据能源的热值确定,不同的能源由于热值不同,则折标系数不同。
能源的热值分为当量热值和等价热值。
(1)当量热值:一个计量单位的某种能源本身所含的热量,是实际的发热值。
(2)等价热值:是获得一个计量单位的某种二次能源所消耗的以热值来表示的一次能源量,只有电力和热力有等价热值,其他能源没有。
现行统计制度规定,在计算能源标准量时,全部采用当量值系数。
各类能源的参考折标系数表
能源种类折标系数能源种类折标系数原煤0.7143煤焦油 1.1429洗精煤0.9000粗苯 1.4286
其它洗煤
洗中煤0.2857原油 1.4286
煤泥0.2857~0.4286汽油 1.4714
型煤0.5~0.7煤油 1.4714
焦炭0.9714柴油 1.4571
焦炉煤气
0.5714~0.6143
千克标准煤/立方米
燃料油 1.4286
高炉煤气0.1286千克标准煤/立方米热力
0.03412吨标准煤/百万千焦
0.14286千克标准煤/1000千卡天然气 1.3300千克标准煤/立方米电力0.1229千克标准煤/千瓦时
液化天然气 1.7572
生
物
质
能
大豆秆、
棉花秆
0.543
液化石油气 1.7143稻秆0.429
炼厂干气 1.5714麦杆0.500
其它煤气
发生炉煤气0.1786千克标准煤/立方米玉米秆0.529
重油催化
裂解煤气
0.6571千克标准煤/立方米杂草0.471
重油热
裂解煤气
1.2143千克标准煤/立方米树叶0.500
焦炭制气0.5571千克标准煤/立方米薪柴0.571
压力气化煤气0.5143千克标准煤/立方米沼气0.714千克标准煤/立方米水煤气0.3571千克标准煤/立方米——
注:除表中标注单位的能源外,其余能源折标系数单位均为:千克标准煤/千克。
1、能源的实物量单位表1常见的能源实物量计量单位及采用情况2、能量单位换算表2能量单位换算表3、当量单位不同能源的实物量是不能直接进行比较的。
由于各种能源都有一种共同的属性,即含有能量,且在意定条件下都可以转化为热,为了便于对各种能源进行计算,对比和分析,我们可以首先选定某种统一的标准燃料作为计算依据,然后通过各种能源实际含热值与标准燃料热值之比,即能源折算系数,计算出各种能源折算成标准燃料的数量。
所选标准燃料的计量单位即为当量单位。
国际上习惯采用的标准燃料有两种:标准煤(又称煤当量)和标准油(又称油当量)。
标准煤(煤当量):我国GB2589-1990《综合能耗计算通则》的规定,应用基低位发热量等于29.3076MJ的燃料,称为lkg标准煤。
统计中可采用“吨标准煤”用符号tce表示。
标准油(油当量):我国采用的油当量热值为41.87MJ。
常用单位有油当量(符号toe)和桶油当量(符号boe)。
原国家经委、国家统计局在《1986年重点工业、交通运输企业能源统计报表制度》中规定了各类能源折算系数,详见表3-3。
应当说明的是:a)原则上煤炭类应采用企业实测单位质量的发热值。
如不具备实测条件时,可采用煤矿发货单上的单位质量的发热值,或参照原煤炭部1979年《煤炭质量规格及出厂价格》中的发热量计算。
b)各种燃气及生物质能的发热量应采用实测值,再折算成标准煤当量,如无条件实测时可参照表4中的数值进行计算。
通常,燃气的统计单位取KJ/m3,生物质能取kj/kgc)某些耗能工质的平均等价热值与折算系数见表5。
表4各类燃气及生物质能折算系数表5某些耗能工质的平均等价热值与折算系数附录A耗能工质能源等价值。
我国采用的能源标准是标准煤,以此作为各种能源换算成标准煤时的标准量。
国家标准(GB2589-81)规定,每千克标准煤的热值为29271千焦(即7000千卡)。
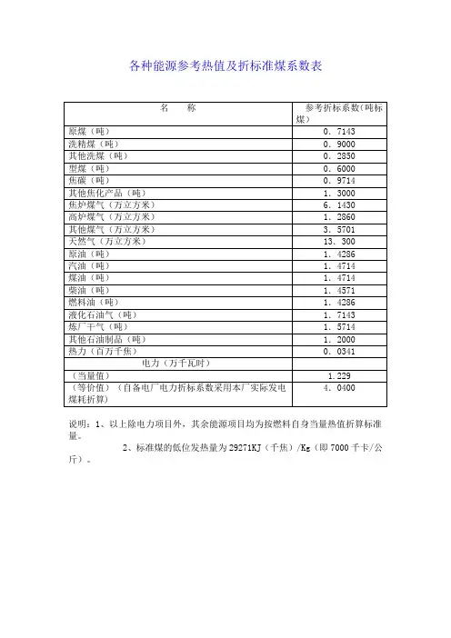
(特别说明:根据GB2589-1990标准规定,应用基低(位)发热量为29.3076MJ(兆焦)的燃料,称为1Kg(公斤)标准煤)各种能源折标准煤参考系数表能源名称平均低位发热量折标准煤系数原煤20908千焦(5000千卡)/千克0.7143千克标准煤/千克洗精煤26344千焦(6300千卡)/千克0.9000千克标准煤/千克其它洗煤(1)洗中煤8363千焦(2000千卡)/千克0.2857千克标准煤/千克(2)煤泥8363-12545千焦(2000-3000千卡)/千克 0.2857-0.4286千克标准煤/千克焦炭28435千焦(6800千卡)/千克0.9714千克标准煤/千克原油41816千焦(10000千卡)/千克1.4286千克标准煤/千克燃料油41816千焦(10000千卡)/千克1.4286千克标准煤/千克汽油43070千焦(10300千卡)/千克 1.4714千克标准煤/千克煤油43070千焦(10300千卡)/千克 1.4714千克标准煤/千克柴油42652千焦(10200千卡)/千克 1.4571千克标准煤/千克液化石油气50179千焦(12000千卡)/千克 1.7143千克标准煤/千克炼厂干气45998千焦(11000千卡)/千克 1.5714千克标准煤/千克油田天然气38931千焦(9310千卡)/m31.3300千克标准煤/ m3气田天然气35544千焦(8500千卡)/m31.2143千克标准煤/ m3煤矿瓦斯气14636-16726千焦(3500-4000千卡)/ m3 0.5000-0.5714千克标准煤/ m3焦炉煤气16726-17981千焦(4000-4300千卡)/ m3 0.5714-0.6143千克标准煤/ m3其它煤气(1)发生炉煤气5227千焦(1250千卡)/ m30.1786千克标准煤/ m3(2)重油催化裂解煤气19235千焦(4600千卡)/ m3 0.6571千克标准煤/ m3(3)重油热裂解煤气35544千焦(8500千卡)/ m3 1.2143千克标准煤/ m3(4)焦炭制气16308千焦(3900千卡)/ m3 0.5571千克标准煤/ m3(5)压力气化煤气15054千焦(3600千卡)/ m3 0.5143千克标准煤/ m3(6)水煤气10454千焦(2500千卡)/ m3 0.3571千克标准煤/ m3煤焦油33453千焦(8000千卡)/千克1.1429千克标准煤/千克粗苯41816千焦(10000千卡)/千克1.4286千克标准煤/千克热力(当量)0.03412千克标准煤/106焦(0.14286千克标准煤/1000千卡)电力(当量)3596千焦(860千卡)/千瓦小时 0.1229千克标准煤/千瓦小时电力(等价)11826千焦(2828千卡)/千瓦小时 0.4040千克标准煤/千瓦小时各种能源折标准煤参考系数。
各种能源折算标准煤参考系数-中华人民共和国工业和信息化部下面是各种能源的折标准煤参考系数:能源名称原煤其中。
1.无烟煤约6000千卡/千克以上 0.9428千克标准煤/千克2.炼焦烟煤约6000千卡/千克以上 0.9千克标准煤/千克3.一般烟煤约4500-5500千卡/千克 0.7143千克标准煤/千克4.褐煤约2500-3500千卡/千克 0.4286千克标准煤/千克洗精煤(用于炼焦)约6000千卡/千克以上 0.9千克标准煤/千克其他洗煤约2500-6000千卡/千克 0.4643-0.9千克标准煤/千克煤制品约3000-5000千卡/千克 0.5286千克标准煤/千克焦炭约6800千卡/千克 0.9714千克标准煤/千克焦炉煤气约4000-4300千卡/立方米 0.5714-0.6143千克标准煤/立方米发生炉煤气约1250千卡/立方米 0.1786千克标准煤/立方米重油催化裂解煤气约4600千卡/立方米 0.6571千克标准煤/立方米重油热裂解煤气约8500千卡/立方米 1.2143千克标准煤/立方米焦炭制气约3900千卡/立方米 0.5571千克标准煤/立方米压力气化煤气约3600千卡/立方米 0.5143千克标准煤/立方米水煤气约2500千卡/立方米 0.3571千克标准煤/立方米天然气约7700-9300千卡/立方米 1.10-1.33千克标准煤/立方米液化天然气约千卡/千克 1.7572千克标准煤/千克煤层气约7700千卡/立方米 1.11千克标准煤/立方米原油约千卡/千克 1.4286千克标准煤/千克汽油约千卡/千克 1.4714千克标准煤/千克煤油约千卡/千克 1.4714千克标准煤/千克柴油约千卡/千克 1.4571千克标准煤/千克燃料油约千卡/千克 1.4286千克标准煤/千克液化石油气约千卡/千克 1.4286千克标准煤/千克炼厂干气约千卡/千克 0.7640千克标准煤/千克石脑油约千卡/千克 0.9310千克标准煤/千克润滑油约9900千卡/千克 0.9800千克标准煤/千克石蜡约9550千卡/千克 0.8000千克标准煤/千克溶剂油约千卡/千克 0.7640千克标准煤/千克石油焦约7640千卡/千克 0.9310千克标准煤/千克石油沥青约9310千卡/千克 0.9800千克标准煤/千克其他石油制品约9800千卡/千克 0.8000千克标准煤/千克煤焦油约8000千卡/千克 1.0286千克标准煤/千克。
各种能源参考热值及折标准煤系数表能源名称平均低位发热量折标准煤系数原煤20908千焦(5000千卡)/千克 0.7143千克标准煤/千克洗精煤 26344千焦(6300千卡)/千克 0.9000千克标准煤/千克其它洗煤(1)洗中煤 8363千焦(2000千卡)/千克0.2857千克标准煤/千克(2)煤泥8363-12545千焦(2000-3000千卡)/千克 0.2857-0.4286千克标准煤/千克焦炭28435千焦(6800千卡)/千克 0.9714千克标准煤/千克原油41816千焦(10000千卡)/千克 1.4286千克标准煤/千克燃料油 41816千焦(10000千卡)/千克 1.4286千克标准煤/千克汽油 43070千焦(10300千卡)/千克 1.4714千克标准煤/千克煤油 43070千焦(10300千卡)/千克 1.4714千克标准煤/千克液化石油气50179千焦(12000千卡)/千克 1.7143千克标准煤/千克炼厂干气 45998千焦(11000千卡)/千克 1.5714千克标准煤/千克天然气 38931千焦(9310千卡)/m3 1.3300千克标准煤/ m3焦炉煤气 16726-17981千焦(4000-4300千卡)/ m3 0.5714-0.6143千克标准煤/ m3其它煤气(1)发生炉煤气 5227千焦(1250千卡)/ m3 0.1786千克标准煤/ m3(2)重油催化裂解煤气19235千焦(4600千卡)/ m3 0.6571千克标准煤/ m3(3)重油热裂解煤气35544千焦(8500千卡)/ m3 1.2143千克标准煤/ m3(4)焦炭制气16308千焦(3900千卡)/ m3 0.5571千克标准煤/ m3(5)压力气化煤气15054千焦(3600千卡)/ m3 0.5143千克标准煤/ m3(6)水煤气10454千焦(2500千卡)/ m3 0.3571千克标准煤/ m3煤焦油 33453千焦(8000千卡)/千克 1.1429千克标准煤/千克粗苯 41816千焦(10000千卡)/千克 1.4286千克标准煤/千克热力(当量)按热焓计算0.03412千克标准煤/106焦 (0.14286千克标准煤/1000千卡) 电力(当量)3596千焦(860千卡)/千瓦小时0.1229千克标准煤/千瓦小时电力(等价)11826千焦(2828千卡)/千瓦小时 0.4040千克标准煤/千瓦小时折标系数其他产品折标准煤系数1kg 10.0MPa级蒸汽 = 0.131429 kg标煤1kg 3.5MPa级蒸汽 = 0.125714 kg标煤1kg 1.0MPa级蒸汽 = 0.108571 kg标煤1kg 0.3MPa级蒸汽 = 0.094286 kg标煤1kg 小于0.3MPa级蒸汽 = 0.078571 kg标煤1 吨新鲜水 = 0.2429 kg标煤1 吨循环水 = 0.1429 kg标煤1 吨软化水 = 0.3571 kg标煤1 吨除盐水 = 3.2857 kg标煤1 吨除氧水 =13.1429 kg标煤1 吨凝汽式蒸汽轮机凝结水 = 5.2143 kg标煤 1 吨加热设备凝结水 = 10.9286 kg标煤各种能源折标准煤参考系数表能源名称平均低位发热量折标准煤系数原煤20908千焦(5000千卡)/千克0.7143千克标准煤/千克洗精煤26344千焦(6300千卡)/千克0.9000千克标准煤/千克其它洗煤(1)洗中煤8363千焦(2000千卡)/千克0.2857千克标准煤/千克(2)煤泥8363-12545千焦(2000-3000千卡)/千克0.2857-0.4286千克标准煤/千克焦炭28435千焦(6800千卡)/千克0.9714千克标准煤/千克原油41816千焦(10000千卡)/千克1.4286千克标准煤/千克燃料油41816千焦(10000千卡)/千克1.4286千克标准煤/千克汽油43070千焦(10300千卡)/千克1.4714千克标准煤/千克煤油43070千焦(10300千卡)/千克1.4714千克标准煤/千克柴油42652千焦(10200千卡)/千克1.4571千克标准煤/千克液化石油气50179千焦(12000千卡)/千克1.7143千克标准煤/千克炼厂干气45998千焦(11000千卡)/千克1.5714千克标准煤/千克油田天然气38931千焦(9310千卡)/m31.3300千克标准煤/ m3气田天然气35544千焦(8500千卡)/m31.2143千克标准煤/ m3煤矿瓦斯气14636-16726千焦(3500-4000千卡)/ m3 0.5000-0.5714千克标准煤/ m3焦炉煤气16726-17981千焦(4000-4300千卡)/ m3 0.5714-0.6143千克标准煤/ m3其它煤气(1)发生炉煤气5227千焦(1250千卡)/ m30.1786千克标准煤/ m3(2)重油催化裂解煤气19235千焦(4600千卡)/ m3 0.6571千克标准煤/ m3(3)重油热裂解煤气35544千焦(8500千卡)/ m3 1.2143千克标准煤/ m3(4)焦炭制气16308千焦(3900千卡)/ m3 0.5571千克标准煤/ m3(5)压力气化煤气15054千焦(3600千卡)/ m3 0.5143千克标准煤/ m3(6)水煤气10454千焦(2500千卡)/ m3 0.3571千克标准煤/ m3煤焦油33453千焦(8000千卡)/千克 1.1429千克标准煤/千克粗苯41816千焦(10000千卡)/千克 1.4286千克标准煤/千克热力(当量)0.03412千克标准煤/106焦(0.14286千克标准煤/1000千卡)电力(当量)3596千焦(860千卡)/千瓦小时 0.1229千克标准煤/千瓦小时电力(等价)11826千焦(2828千卡)/千瓦小时 0.4040千克标准煤/千瓦小时。
1、能源的实物量单位表1 常见的能源实物量计量单位及采用情况2、能量单位换算表2 能量单位换算表3、当量单位不同能源的实物量是不能直接进行比较的。
由于各种能源都有一种共同的属性,即含有能量,且在意定条件下都可以转化为热,为了便于对各种能源进行计算,对比和分析,我们可以首先选定某种统一的标准燃料作为计算依据,然后通过各种能源实际含热值与标准燃料热值之比,即能源折算系数,计算出各种能源折算成标准燃料的数量。
所选标准燃料的计量单位即为当量单位。
国际上习惯采用的标准燃料有两种:标准煤(又称煤当量)和标准油(又称油当量)。
标准煤(煤当量):我国GB2589-1990《综合能耗计算通则》的规定,应用基低位发热量等于29.3076MJ的燃料,称为1kg标准煤。
统计中可采用“吨标准煤”,用符号tce表示。
标准油(油当量):我国采用的油当量热值为41.87MJ。
常用单位有油当量(符号toe)和桶油当量(符号boe)。
原国家经委、国家统计局在《1986年重点工业、交通运输企业能源统计报表制度》中规定了各类能源折算系数,详见表3-3。
表3 能源折算标准煤参考系数应当说明的是:a)原则上煤炭类应采用企业实测单位质量的发热值。
如不具备实测条件时,可采用煤矿发货单上的单位质量的发热值,或参照原煤炭部1979年《煤炭质量规格及出厂价格》中的发热量计算。
b)各种燃气及生物质能的发热量应采用实测值,再折算成标准煤当量,如无条件实测时可参照表4中的数值进行计算。
通常,燃气的统计单位取KJ/m3,生物质能取kJ/kgc)某些耗能工质的平均等价热值与折算系数见表5。
表4 各类燃气及生物质能折算系数表5 某些耗能工质的平均等价热值与折算系数附录A耗能工质能源等价值1kg 10.0MPa级蒸汽=0.131429kg标煤1kg 3.5MPa级蒸汽=0.125714kg标煤1kg 1.0MPa级蒸汽=0.108571kg标煤1kg 0.3MPa级蒸汽=0.094286kg标煤1kg 小于0.3MPa级蒸汽=0.078571kg标煤饱和蒸汽:压力1—2.5千克/平方厘米,温度127℃以下,每千克蒸汽的热焓按620千卡计算,1吨蒸汽折0.0886吨标煤;压力3—7千克/平方厘米,温度135—165℃,每千克蒸汽的热焓按630千卡计算,1吨蒸汽折0.09吨标煤压力8千克/平方厘米,温度170℃以下,每千克蒸汽的热焓按640千卡计算,1吨蒸汽折0.0914吨标煤过热蒸汽(压力150千克/平方厘米):200℃以下,每千克蒸汽的热焓按650千卡计算,1吨蒸汽折0.0929吨标煤220—260℃,每千克蒸汽的热焓按680千卡计算,1吨蒸汽折0.0971吨标煤280—320℃,每千克蒸汽的热焓按700千卡计算,1吨蒸汽折0.1吨标煤350—500℃,每千克蒸汽的热焓按750千卡计算,1吨蒸汽折0.1071吨标煤。
1、能源的实物量单位
表1 常见的能源实物量计量单位及采用情况
2、能量单位换算
表2 能量单位换算表
3、当量单位
不同能源的实物量是不能直接进行比较的。
由于各种能源都有一种共同的属性,即含有能量,且在意定条件下都可以转化为热,为了便于对各种能源进行计算,对比和分析,我们可以首先选定某种统一的标准燃料作为计算依据,然后通过各种能源实际含热值与标准燃料热值之比,即能源折算系数,计算出各种能源折算成标准燃料的数量。
所选标准燃料的计量单位即为当量单位。
国际上习惯采用的标准燃料有两种:标准煤(又称煤当量)和标准油(又称油当量)。
标准煤(煤当量):我国GB2589-1990《综合能耗计算通则》的规定,应用基低位发热量等于29.3076MJ的燃料,称为1kg标准煤。
统计中可采用“吨标准煤”,用符号tce表示。
标准油(油当量):我国采用的油当量热值为41.87MJ。
常用单位有油当量(符号toe)和桶油当量(符号boe)。
原国家经委、国家统计局在《1986年重点工业、交通运输企业能源统计报表制度》中规定了各类能源折算系数,详见表3-3。
表3 能源折算标准煤参考系数
应当说明的是:
a)原则上煤炭类应采用企业实测单位质量的发热值。
如不具备实测条件时,可采用煤矿发货单上的单位质量的发热值,
或参照原煤炭部1979年《煤炭质量规格及出厂价格》中的发热量计算。
b)各种燃气及生物质能的发热量应采用实测值,再折算成标准煤当量,如无条件实测时可参照表4中的数值进行计算。
通常,燃气的统计单位取KJ/m3,生物质能取kJ/kg
c)某些耗能工质的平均等价热值与折算系数见表5。
表4 各类燃气及生物质能折算系数
表5 某些耗能工质的平均等价热值与折算系数
附录A
耗能工质能源等价值。