标准煤折合系数
- 格式:pdf
- 大小:175.99 KB
- 文档页数:5
三、各种能源折标煤参考系数、常用能源折算系数及节能指标计算公式(一)各种能源折标准煤参考系数能源名称平均低位发热量参考折标准煤系数原煤--其中:1.无烟煤约6000千卡/千克以上0.9428千克标准煤/千克2.炼焦烟煤约6000千卡/千克以上0.9千克标准煤/千克3.一般烟煤约4500-5500千卡/千克0.7143千克标准煤/千克4.褐煤约2500-3500千卡/千克0.4286千克标准煤/千克洗精煤(用于炼焦)约6000千卡/千克以上0.9千克标准煤/千克其他洗煤约2500-6000千卡/千克0.4643-0.9千克标准煤/千克煤制品约3000-5000千卡/千克0.5286千克标准煤/千克焦炭约6800千卡/千克0.9714千克标准煤/千克焦炉煤气约4000-4300千卡/立方米0.5714-0.6143千克标准煤/立方米发生炉煤气约1250千卡/立方米0.1786千克标准煤/立方米重油催化裂解煤气约4600千卡/立方米0.6571千克标准煤/立方米重油热裂解煤气约8500千卡/立方米 1.2143千克标准煤/立方米焦炭制气约3900千卡/立方米0.5571千克标准煤/立方米压力气化煤气约3600千卡/立方米0.5143千克标准煤/立方米水煤气约2500千卡/立方米0.3571千克标准煤/立方米天然气约7700-9300千卡/立方米 1.10-1.33千克标准煤/立方米液化天然气约12300千卡/千克 1.7572千克标准煤/千克煤层气约7700千卡/立方米 1.11千克标准煤/立方米原油约10000千卡/千克 1.4286千克标准煤/千克汽油约10300千卡/千克 1.4714千克标准煤/千克煤油约10300千卡/千克 1.4714千克标准煤/千克柴油约10200千卡/千克 1.4571千克标准煤/千克燃料油约10000千卡/千克 1.4286千克标准煤/千克液化石油气约12000千卡/千克 1.7143千克标准煤/千克炼厂干气约11000千卡/千克 1.5714千克标准煤/千克- 1 -石脑油约10500千卡/千克 1.5千克标准煤/千克润滑油约9900千卡/千克 1.4143 千克标准煤/千克石蜡约9550千卡/千克 1.3648千克标准煤/千克溶剂油约10270千卡/千克 1.4672千克标准煤/千克石油焦约7640千卡/千克 1.0918千克标准煤/千克石油沥青约9310千卡/千克 1.3307千克标准煤/千克其他石油制品约9800千卡/千克 1.4千克标准煤/千克煤焦油约8000千卡/千克 1.1429千克标准煤/千克粗苯约10000千卡/千克 1.4286千克标准煤/千克热力(当量) -0.0341千克标准煤/百万焦耳电力(当量) 860千卡/千瓦时0.1229千克标准煤/千瓦时高炉煤气约900千卡/立方米0.1286千克标准煤/立方米转炉煤气约1900千卡/立方米0.2714千克标准煤/立方米煤矸石(用于燃料)约2000千卡/千克0.2857千克标准煤/千克城县生活垃圾(用于燃料)约1900千卡/千克0.2714千克标准煤/千克余热余压-0.0341吨标准煤/百万千焦工业废料(用于燃料)约3000千卡/千克0.4285千克标准煤/千克燃料甲醇约5426千卡/千克0.7751千克标准煤/千克生物乙醇约6500千卡/千克0.9286千克标准煤/千克生物柴油约10200千卡/千克 1.4571千克标准煤/千克氢气约142000千焦耳/千克4.8512千克标准煤/千克0.4361千克标准煤/立方米沼气约5500—5800千卡/立方米0.7857-0.8286千克标准煤/立方米蔗渣(干)约3500千卡/千克0.5000千克标准煤/千克树皮约2700千卡/千克0.3857千克标准煤/千克玉米棒约4600千卡/千克0.6571千克标准煤/千克薪柴(干)约3000千卡/千克0.4286千克标准煤/千克稻壳约3200千卡/千克0.4571千克标准煤/千克锯末刨花约2700千卡/千克0.3857千克标准煤/千克注:此表平均低位发热量用千卡表示,如需换算成千焦耳,只需乘上4.1816即可。
标准煤折算系数标准煤是指在标准条件下(大气压为101.3kPa,温度为15℃,相对湿度为50%)燃烧1kg所产生的热量。
而由于不同燃料的热值不同,为了比较不同燃料的能量含量,就需要引入煤的折算系数。
煤的折算系数是指将不同燃料的热值折算成相同条件下的标准煤的系数。
首先,我们来看一下常见燃料的热值和折算系数。
煤的热值一般在5500-6500大卡之间,折算系数为1。
燃油的热值约为10000大卡,折算系数为0.5。
天然气的热值约为8500大卡,折算系数为0.6。
柴油的热值约为9500大卡,折算系数为0.55。
从这些数据可以看出,同样的能量含量,在折算系数的影响下,不同燃料的使用量是不同的。
其次,了解煤的折算系数对于能源的合理利用至关重要。
在工业生产和民用生活中,我们使用各种不同的燃料来满足能源需求,而合理选择燃料和了解其折算系数可以帮助我们更加高效地利用能源资源,降低能源消耗成本,减少环境污染。
比如在选用燃料时,可以根据其折算系数来计算出实际需要的燃料量,避免因为能量含量不同而造成浪费或者不足的情况。
另外,煤的折算系数还在能源统计和能源政策制定中扮演着重要的角色。
在国家能源统计中,不同燃料的消耗量需要通过折算系数来转化成标准煤的消耗量,这样才能进行能源消耗的比较和分析。
而在能源政策制定中,了解各种燃料的折算系数可以帮助政府制定出更加合理的能源政策,推动清洁能源的发展,减少高污染燃料的使用,实现可持续发展。
总的来说,标准煤折算系数是一个重要的能源概念,它影响着能源的选择和利用,对于工业生产、民用生活、能源统计和政策制定都具有重要意义。
因此,对于煤的折算系数的了解和应用是非常必要的,只有通过科学合理地利用能源,才能实现经济效益和环境效益的双赢。
各类能源折标准煤系数
以下是一些常见能源的折标准煤系数:
1. 煤炭:折标准煤系数为1。
煤炭是传统能源,其能量含量相
对较高,被视为能源的基准。
2. 原油:折标准煤系数为0.71。
原油是一种主要用于发电和运输的石化能源,其能量含量较煤炭低。
3. 天然气:折标准煤系数为0.55。
天然气是一种清洁能源,其燃烧产生的温室气体排放较少。
由于其能量密度较高,折标系数相对较低。
4. 柴油:折标准煤系数为0.85。
柴油是一种常用于汽车和发电机的液态燃料,其能量含量较原油低。
5. 沼气:折标准煤系数为0.35。
沼气是一种可再生能源,主要由有机废料发酵产生,其能量含量较天然气低。
6. 生物质能源:由于生物质能源的种类和含量较多,其折标准煤系数会根据具体情况有所变化。
一般来说,生物质能源的折标系数会低于煤炭,但高于天然气。
以上系数仅为一般参考值,实际折标系数可能根据地区和燃料特性的不同而有所变化。
在能源消费和碳排放统计中,折标标准煤系数常常用于将不同能源类型的能量进行比较和统一计量。
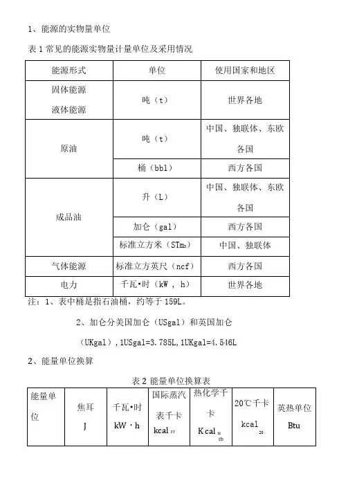
1、能源的实物量单位表1常见的能源实物量计量单位及采用情况注:1、表中桶是指石油桶,约等于159L。
2、加仑分美国加仑(USgal)和英国加仑(UKgal),1USgal=3.785L,1UKgal=4.546L 2、能量单位换算表2能量单位换算表不同能源的实物量是不能直接进行比较的。
由于各种能源都有一种共同的属性,即含有能量,且在意定条件下都可以转化为热,为了便于对各种能源进行计算,对比和分析,我们可以首先选定某种统一的标准燃料作为计算依据,然后通过各种能源实际含热值与标准燃料热值之比,即能源折算系数,计算出各种能源折算成标准燃料的数量。
所选标准燃料的计量单位即为当量单位。
国际上习惯采用的标准燃料有两种:标准煤(又称煤当量)和标准油(又称油当量)。
标准煤(煤当量):我国GB2589-1990《综合能耗计算通则》的规定,应用基低位发热量等于29.3076MJ的燃料,称为1kg标准煤。
统计中可采用“吨标准煤”,用符号tce表示。
标准油(油当量):我国采用的油当量热值为41.87MJ。
常用单位有油当量(符号toe)和桶油当量(符号boe)。
原国家经委、国家统计局在《1986年重点工业、交通运输企业能源统计报表制度》中规定了各类能源折算系数,详见表3-3。
表3 能源折算标准煤参考系数应当说明的是:a)原则上煤炭类应采用企业实测单位质量的发热值。
如不具备实测条件时,可采用煤矿发货单上的单位质量的发热值,或参照原煤炭部1979年《煤炭质量规格及出厂价格》中的发热量计算。
b)各种燃气及生物质能的发热量应采用实测值,再折算成标准煤当量,如无条件实测时可参照表4中的数值进行计算。
通常,燃气的统计单位取KJ/m3,生物质能取kJ/kgc)某些耗能工质的平均等价热值与折算系数见表5。
表4各类燃气及生物质能折算系数表5 某些耗能工质的平均等价热值与折算系数附录A耗能工质能源等价值各种能源、耗能工质折标准煤参考系数煤的基准换算公式(). ()()()一 ()()()。
各类能源折算标准煤的参考系数能源名称平均低位发热量折标准煤系数原煤20934千焦/公斤0.7143公斤标煤/公斤洗精煤26377千焦/公斤0.9000公斤标煤/公斤其他洗煤8374 千焦/公斤0.2850公斤标煤/公斤焦炭28470千焦/公斤0.9714公斤标煤/公斤原油41868千焦/公斤1.4286公斤标煤/公斤燃料油41868千焦/公斤1.4286公斤标煤/公斤汽油43124千焦/公斤1.4714公斤标煤/公斤煤油43124千焦/公斤1.4714公斤标煤/公斤柴油42705千焦/公斤1.4571公斤标煤/公斤液化石油气47472千焦/公斤1.7143公斤标煤/公斤炼厂干气46055千焦/ 公斤1.5714公斤标煤/公斤天然气35588千焦/立方米12.143吨/万立方米焦炉煤气16746千焦/立方米5.714吨/万立方米其他煤气3.5701吨/万立方米热力0.03412吨/百万千焦电力3.27吨/万千瓦时1、热力其计算方法是根据锅炉出口蒸汽和热水的温度压力在焓熵图(表)内查得每千克的热焓减去给水(或回水)热焓,乘上锅炉实际产出的蒸汽或热水数量(流量表读出)计算。
如果有些企业没有配齐蒸汽或热水的流量表,如没有焓熵图(表),则可参下列方法估算:(1)报告期内锅炉的给水量减排污等损失量,作为蒸汽或热水的产量。
(2)热水在闭路循环供应的情况下,每千克热焓按20千卡计算,如在开路供应时,则每千克热焓按70千卡计算(均系考虑出口温度90℃,回水温度20℃)。
(3)饱和蒸汽,压力1-2.5千克/平方厘米,温度127℃以上的热焓按620千卡,压力3-7千克/平方厘米,温度135℃-165℃的热焓按630千卡。
压力8千克/平方厘米,温度170℃以上每千克蒸汽按640千卡计算。
(4)过热蒸汽,压力150千克/平方厘米,每千克热焓:200℃以下按650千卡计算,220℃-260℃按680千卡计算,280℃-320℃按700千卡,350℃-500℃按700千卡计算。
常用标准煤折算系数:
1万千瓦时电力=1.229吨标煤
1吨原煤=0.7143吨标煤
1万立方米天然气=12.143吨标煤
1吨液化石油气=1.7143吨标煤
1万升汽油=10.74吨标煤
1万升柴油=12.53吨标煤
1万升煤油=12.07吨标煤
1升柴油=1.178升汽油
1吨液化石油气=0.143万立方米天然气
1升环保油(燃料油)=0.91千克
1吨环保油(燃料油)=1.4286吨标煤
能源资源消耗指标计算公式:
单位建筑面积能源消耗指标(千克标准煤/平方米·年)=(年度能源消耗总量-公务用车用油量)/建筑面积
人均能源消耗指标(千克标准煤/人·年)=年度能源消耗总量/用能人数
人均水资源消耗指标(吨/人·年)=年度水资源消耗总量/用水人数。
折标准煤系数折标准煤系数是指将各种能源按照其热值折算成标准煤的比例系数。
标准煤是指在一定条件下燃烧所释放的热量为7000大卡/千克的煤,是一种用于比较各种能源热值的标准单位。
折标准煤系数的计算对于能源的比较和转化具有重要意义,下面将简要介绍折标准煤系数的计算方法和应用。
一、折标准煤系数的计算方法。
折标准煤系数的计算方法主要是将各种能源的热值与标准煤的热值进行比较,得出能源折标煤系数。
常见的能源包括煤炭、石油、天然气、生物质能等。
以煤炭为例,其折标煤系数计算公式为,折标煤系数=煤炭热值/标准煤热值。
在实际计算中,需要考虑煤炭的水分、灰分、挥发分等因素对热值的影响,最终得出煤炭的折标煤系数。
二、折标准煤系数的应用。
1. 能源比较,通过折标煤系数,可以将各种能源的热值进行统一比较,便于分析各种能源的优劣势和适用范围。
例如,在选择供暖能源时,可以通过比较不同能源的折标煤系数来选择最经济、环保的供暖方式。
2. 能源转化,折标煤系数也可以用于能源的转化计算。
例如,将煤炭的折标煤系数转化为石油或天然气的折标煤系数,便于能源的转化和利用。
3. 能源政策,折标煤系数还可以作为能源政策制定的重要参考依据。
通过折标煤系数的计算,可以评估各种能源对环境和资源的影响,为能源政策的制定提供科学依据。
三、折标准煤系数的意义。
折标煤系数的计算和应用对于能源的合理利用和能源政策的制定具有重要意义。
通过折标煤系数的比较和分析,可以促进清洁能源的发展和利用,降低能源消耗对环境的影响,推动能源结构的优化和调整。
总之,折标煤系数是能源领域中的重要概念,其计算方法和应用具有广泛的实际意义。
我们应该加强对折标煤系数的研究和应用,推动能源领域的可持续发展和绿色转型。
常用的涉及标准煤折算系数国家统计局一九八六年十月下发的《能源统计报表制度》中“各种能源折算标准煤系数”品种单位平均低位发热量折标准煤系数原煤千卡/公斤 5000 0.7143洗精煤千卡/公斤 6300 0.9000其他洗煤(1)洗中煤千卡/公斤 2,000 0.2850(2)煤泥千卡/公斤 3000 0.4286焦油千卡/公斤 6800 0.9714原油千卡/公斤 10000 1.4268重油千卡/公斤 10000 1.4286汽油千卡/公斤 10300 1.4714煤油千卡/公斤 10300 1.4714柴油千卡/公斤 10200 1.4571液化石油气千卡/公斤 12000 1.7143炼厂干气千卡/公斤 11000 1.5714天燃气* 千卡/立方米 9300 1.3300焦煤煤气千卡/立方米 4300 0.6143其他煤气*(1)发生炉煤气千卡/立方米 1250 0.1786(2)重油催化裂解煤气千卡/立方米 4600 0.6571(3)重油热解煤气千卡/立方米 8500 1.2143(4)焦碳制气千卡/立方米 3900 0.5571(5)压力气化煤气千卡/立方米 3600 0.5143(6)水煤气千卡/立方米 2500 0.3571其他石油制品千卡/公斤 9158 1.3083其他焦化产品(1)煤焦油千卡/公斤 8000 1.1492(2)粗苯千卡/公斤 10000 1.4268热力千卡/蒸发量公斤900 0•1286电力* 千卡/千瓦小时等价2828 0•4040* 各种气体能源(天然气、焦炉煤气、其他煤气)的折算系数,表中均为公斤标准煤/立方米的折算标准;电力为公斤标准煤/千瓦小时的折算标准。
附表二品种计算单位换算热值(千卡)折标准煤(公斤)外购水吨600 0•086软水吨3400 0•486脱氧水吨6800 0•971压缩空气标立方米280 0•040鼓风标立方米210 0•030氧气标立方米2800 0•400氮气标立方米4700 0•617此表据化学工业部(82)化调字第140号文件附件一。
常用各种能源折算成“吨标准煤”的折算系数名称计量单位参考折标系数原煤吨 0.7143洗精煤吨 0.9其他洗煤吨 0.2-0.7 煤制品吨 0.5-0.7 型煤吨 0.5-0.7 水浆煤吨 0.714煤粉吨 0.7143焦炭吨 0.9714其他焦化产品吨 1.1-1.5 焦炉煤气万立方米 5.714-6.143 高炉煤气万立方米 1.286其他煤气万立方米 1.7-12.1 天然气万立方米 11-13.3 液化天然气吨 1.7572原油吨 1.4286汽油吨 1.4714煤油吨 1.4714柴油吨 1.4571燃料油吨 1.4286液化石油气吨 1.7143炼厂干气吨 1.5714其他石油制品吨 1-1.4热力百万千焦 0.1341电力万千瓦时 1.229其他燃料吨标准煤 1煤矸石吨 0.1786生物质能吨标准煤 1工业废料吨标准煤 1城市固体垃圾吨标准煤 1利用折标系数折算成“吨标准煤”或“万吨标准煤”的计算方法:吨标准煤=各种能源消耗量(按上面各种产品后面的的标准计量单位)×折标系数例如:100 吨汽油折合成吨标准煤:100×1.4714=147.14 吨标准煤如果折合成万吨标准煤:147.14÷10000=0.014714 万吨标准煤100 万千瓦时电力折算成吨标准煤:100×1.229=122.9 吨标准煤;如果折合成万吨标准煤:122.9÷10000=0.01229 万吨标准煤;附:几种常用产品的单位换算:(1)1千克液化天然气=1.38立方米天然气; 1立方米天然气=0.7256千克液化天然气;(2)汽油,1升=0.74千克,1千克=1.35升(3)重柴油,1升=0.92千克,1千克=1.087升(4)轻柴油,1升=0.87千克,1千克=1.149升(5)热力:1千卡=4185.852焦耳。
标准煤科技名词定义中文名称:标准煤英文名称:standard coal consumption for power generation coal其他名称:煤当量定义:按煤的热当量值计量各种能源的能源计量单位。
通常1kg煤当量等于29.27MJ。
应用学科:资源科技(一级学科);能源资源学(二级学科)本内容由全国科学技术名词审定委员会审定公布标准煤亦称煤当量,具有统一的热值标准。
我国规定每千克标准煤的热值为7000千卡。
将不同品种、不同含量的能源按各自不同的热值换算成每千克热值为7000千卡的标准煤。
目录注:联合国规定标准煤热值为7000卡/kg。
中国惯用的热量单位卡20℃,即1克纯水在标准大气压下,从19.5℃升高到20.5℃所需要的热量。
它与焦耳的关系为:1卡20℃=4.1816J有些国家使用卡15℃。
它与焦耳的关系为:1卡15℃=4.1855J有些国家使用国际蒸汽表卡,符号CalIT。
它与焦耳的关系为:1卡IT=4.1868J在1956年伦敦第五届国际蒸汽大会上确定国际蒸汽表卡。
编辑本段折算标准能源折标准煤系数=某种能源实际热值(千卡/千克)/7000(千卡/千克)在各种能源折算标准煤之前,首先直测算各种能源的实际平均热值,再折算标准煤。
平均热值也称平均发热量.是指不同种类或品种的能源实测发热量的加权平均值。
计算公式为:平均热值(千卡/千克)=[∑(某种能源实测低位发热量)×该能源数量]/能源总量(吨)标准煤的计算目前尚无国际公认的统一标准,1千克标准煤的热值,中国、前苏联、日本按7000千卡计算,联合国按6880千卡计算。
平均热值(千卡/千克)=Σ(某种能源实测低位发热量)(千卡/千克)×该能源数量(吨)/能源总量(吨)编辑本段各类能源折算标准煤的参考系数能源名称平均低位发热量折标准煤系数原煤 20934千焦/公斤 0.7143公斤标煤/公斤洗精煤 26377千焦/公斤 0.9000公斤标煤/公斤其他洗煤 8374 千焦/公斤 0.2850公斤标煤/公斤焦炭 28470千焦/公斤 0.9714公斤标煤/公斤原油 41868千焦/公斤 1.4286公斤标煤/公斤燃料油 41868千焦/公斤 1.4286公斤标煤/公斤汽油 43124千焦/公斤 1.4714公斤标煤/公斤煤油 43124千焦/公斤 1.4714公斤标煤/公斤柴油 42705千焦/公斤 1.4571公斤标煤/公斤液化石油气 47472千焦/公斤 1.7143公斤标煤/公斤炼厂干气 46055千焦/ 公斤 1.5714公斤标煤/公斤天然气 35588千焦/立方米 1.2143千克/万立方米焦炉煤气 16746千焦/立方米 5.714-6.143千克/万立方米其他煤气 3.5701千克/万立方米编辑本段电力/热力热力 0.03412吨/百万千焦电力 1.229吨/万千瓦时1、热力其计算方法是根据锅炉出口蒸汽和热水的温度压力在焓熵图(表)内查得每千克的热焓减去给水(或回水)热焓,乘上锅炉实际产出的蒸汽或热水数量(流量表读出)计算。
标准煤折算系数标准煤折算系数是指将各种不同种类的煤炭按其热值折算成标准煤的系数。
标准煤是指在一定的条件下燃烧所释放的热量为7000大卡/千克的煤炭,是一种理想化合物,用于比较各种不同种类煤炭的热值。
而标准煤折算系数则是用来将各种煤炭的热值折算成标准煤的比例系数。
标准煤折算系数的计算是基于各种煤炭的热值和含灰量、含水量等因素的综合考虑。
一般来说,煤炭的热值越高,折算系数就越小,而含灰量、含水量等因素会影响折算系数的大小。
因此,不同种类的煤炭其折算系数也会有所不同。
在能源行业中,标准煤折算系数的应用非常广泛。
首先,它可以用于对比各种煤炭的热值,帮助用户选择合适的燃料。
其次,它还可以用于能源统计和能源管理中,将各种能源折算成标准煤,便于进行横向和纵向的比较和分析。
另外,在环境保护领域,标准煤折算系数也被用来计算和核算各种能源的二氧化碳排放量,为环保政策的制定和实施提供数据支持。
标准煤折算系数的计算方法一般包括两种,一种是直接折算法,另一种是综合折算法。
直接折算法是指根据各种煤炭的热值和含灰量、含水量等因素,直接计算出其折算系数;而综合折算法则是通过对各种煤炭的燃烧特性和热值等因素进行综合分析和计算,得出其折算系数。
需要注意的是,标准煤折算系数是根据一定的条件和标准进行计算的,不同的国家和地区可能会有不同的标准和计算方法。
因此,在使用标准煤折算系数时,需要选择符合当地标准的系数进行计算和应用。
总的来说,标准煤折算系数在能源行业和环境保护领域具有重要的意义,它不仅可以帮助用户选择合适的燃料,进行能源统计和管理,还可以用来计算能源的二氧化碳排放量,为能源节约和环境保护提供支持。
因此,对于能源行业的从业人员和环境保护工作者来说,深入了解和熟练运用标准煤折算系数是非常重要的。
在实际工作中,我们需要根据具体情况选择合适的计算方法和系数,确保计算结果的准确性和可靠性。
同时,也需要密切关注国家和地区对于标准煤折算系数的相关政策和标准,及时更新和调整计算方法,以满足实际工作的需要。
各种能源与标准煤的参考折标系数能源是现代社会发展不可或缺的重要资源,而标准煤是用来衡量不同能源之间能量含量的参考系数。
各种能源与标准煤的参考折标系数是指将不同能源的能量转换为标准煤所需的比例关系。
下面将介绍几种常见能源与标准煤的参考折标系数。
1. 煤炭煤炭是一种重要的化石能源,具有广泛的应用。
标准煤是以煤炭的能量含量作为基准制定的,其参考折标系数为1。
这意味着1吨标准煤等于1吨煤炭的能量。
2. 石油石油是另一种重要的化石能源,广泛用于交通运输、工业生产和家庭生活等领域。
标准煤与石油的参考折标系数是0.41。
这意味着1吨标准煤的能量相当于0.41吨石油的能量。
3. 天然气天然气是一种清洁能源,被广泛应用于发电、供暖和燃气交通等领域。
标准煤与天然气的参考折标系数是0.32。
这意味着1吨标准煤的能量相当于0.32吨天然气的能量。
4. 核能核能是一种高效且清洁的能源,被用于发电和核科学研究等领域。
由于核能的能量密度非常大,因此标准煤与核能的参考折标系数很小,约为0.08。
这意味着1吨标准煤的能量相当于0.08吨核能的能量。
5. 水能水能是一种可再生能源,广泛应用于发电和供水等领域。
由于水能的能量转换效率较低,因此标准煤与水能的参考折标系数较大,约为12。
这意味着1吨标准煤的能量相当于12吨水能的能量。
6. 风能风能是一种清洁且可再生的能源,被广泛应用于发电和风力推动等领域。
由于风能的能量转换效率较低,因此标准煤与风能的参考折标系数较大,约为20。
这意味着1吨标准煤的能量相当于20吨风能的能量。
7. 太阳能太阳能是一种广泛存在且无限的能源,被用于发电、热水和热风等领域。
标准煤与太阳能的参考折标系数因太阳能的利用方式不同而有所差异。
以光伏发电为例,标准煤与光伏发电的参考折标系数约为30。
这意味着1吨标准煤的能量相当于30吨太阳能的能量。
通过了解各种能源与标准煤的参考折标系数,我们可以更好地比较和评估不同能源的能量含量和利用效率。
每生产1度电将放出0.272千克碳粉,0.997千克CO2,0.03千克SO2等污染物说明:标准煤是以一定的燃烧值为标准的当量概念。
规定1千克标煤的低位热值为7000千卡或29274千焦。
若未能取得燃料的低位热值,可参照上表的系数进行计算,若能取得燃料的低位热值为Q可按以下的公式进行计算。
标煤量=燃料的耗用量*Q/7000 (低位热值按千卡计)标煤量=燃料的耗用量*Q/29274 (低位热值按千焦计)1度电=1000瓦×3600焦=3600千焦=0.123kg标煤1公斤煤或油约排放10标立方米烟气标准煤亦称煤当量,是将不同品种、不同含热量的能源按各自不同的含热量折合成为一种标准含量的统一计算单位的能源。
能源的种类不同,计量单位也不同,如煤炭、石油等按吨计算;天然气、煤气等气体能源按立方米计算;电力按千瓦小时计算;热力按千卡计算。
为了求出不同的热值、不同计量单位的能源总量,必需进行综合计算。
由于各种能源都具有含能的属性,在一定条件下都可以转化为热,所以选用各种能源所含的热量作为核算的统一单位。
常用的统一单位有千卡、吨标准煤(或标准油)。
我国目前采用标准煤为能源的度量单位。
国际制单位为焦耳。
折算的方法是:以7000千卡度量各种燃料、动力能源。
能源折标准煤的折算系数=某种能源每千克实际热值/每千克标准煤热值(7000千卡)。
在各种能源折算标准煤之前,首先应测算各种能源的实际平均热值,再折算标准煤。
平均热值也称平均发热量,是指不同种类或品种的能源实测发热量的加权平均值。
计算公式为:平均热值(千卡/千克)=Σ(某种能源实测低位发热量)(千卡/千克)×该能源数量(吨)/能源总量(吨)标准煤的计算目前尚无国际公认的统一标准,1千克标准煤的热值,中国、前苏联、日本按7000千卡计算,联合国按6880千卡计算。
各种能源折标准煤参考系数1kg 10.0MPa级蒸汽= 0.131429 kg标煤1kg 3.5MPa级蒸汽= 0.125714 kg标煤1kg 1.0MPa级蒸汽= 0.108571 kg标煤1kg 0.3MPa级蒸汽= 0.094286 kg标煤1kg 小于0.3MPa级蒸汽= 0.078571 kg标煤1 吨新鲜水= 0.2429 kg标煤1 吨循环水= 0.1429 kg标煤1 吨软化水= 0.3571 kg标煤1 吨除盐水= 3.2857 kg标煤1 吨除氧水=13.1429 kg标煤1 吨凝汽式蒸汽轮机凝结水= 5.2143 kg标煤1 吨加热设备凝结水= 10.9286 kg标煤原油/重油 1.429渣油 1.2861吨秸秆的能量相当于0.5吨标准煤,1立方米沼气的能量相当于0.7公斤标准煤。
煤折合成标准煤煤是一种常见的化石燃料,广泛应用于电力、工业和家庭供暖等领域。
考虑到煤的种类和质量差异,为了能够进行统一比较,人们引入了“标准煤”这个概念。
标准煤,也称作等价煤或折合煤,是指将各种类型和质量的煤按照一定的换算比例,转化成具有一致能量含量的燃料。
通过将不同种类的煤折合成标准煤,可以更方便地比较和评估不同煤种的能源质量和经济效益。
标准煤的概念最早出现在20世纪50年代,此后不断发展和完善。
目前,我国采用的标准煤折算系数为0.714吨标准煤/吨原煤。
也就是说,每吨原煤相当于0.714吨标准煤。
标准煤的折算系数是根据各种煤的能量含量、质量特征和燃烧特性等因素综合考虑而制定的。
这个系数是经过研究和实践验证的,可以反映不同种类煤的实际能源价值。
为什么需要折算成标准煤呢?这是因为煤的种类和质量差别较大,直接比较是不准确的。
不同种类的煤有不同的热值,也就是所含可燃物质的多少。
同时,不同种类的煤的含水量、灰分、硫分、挥发分等特性也不相同。
这些因素会直接影响煤的燃烧过程和能量释放效果。
将各种煤折合成标准煤,就可以消除煤的质量和种类差异带来的干扰因素,更好地比较和评估不同煤种的能量质量。
通过标准煤的折算,可以更准确地预测和计算能源的供需关系,制定科学合理的煤炭开采、运输和利用政策。
那么,如何将不同种类的煤折算成标准煤呢?这涉及到一系列的步骤和计算方法。
首先,需要确定各种煤的热值。
热值是指单位质量的煤燃烧所释放的热能,通常用千卡/千克或万千焦/千克表示。
其次,需要考虑煤的含水量、挥发分、灰分和硫分等因素对能量释放的影响。
含水量高的煤在燃烧过程中会消耗一部分热能,影响热效率。
而挥发分高的煤,则释放更多的燃烧热。
灰分和硫分的含量会直接影响燃烧产生的烟气的热值,从而影响煤的能量效益。
最后,根据以上各项因素,可以通过一系列公式和计算,将不同种类的煤折算成标准煤。
这主要是通过考虑各种煤的热值和质量特征,以及标准煤的能量含量,来确定折算比例。
标准煤
科技名词定义
中文名称:标准煤
英文名称:standard coal consumption for power generation coal
其他名称:煤当量
定义:按煤的热当量值计量各种能源的能源计量单位。
通常1kg煤当量等于29.27MJ。
应用学科:资源科技(一级学科);能源资源学(二级学科)
本内容由全国科学技术名词审定委员会审定公布
标准煤亦称煤当量,具有统一的热值标准。
我国规定每千克标准煤的热值为7000千卡。
将不同品种、不同含量的能源按各自不同的热值换算成每千克热值为7000千卡的标准煤。
目录
注:联合国规定标准煤热值为7000卡/kg。
中国惯用的热量单位卡20℃,即1克纯水在标准大气压下,从19.5℃升高到20.5℃所需要的热量。
它与焦耳的关系为:1卡20℃=4.1816J
有些国家使用卡15℃。
它与焦耳的关系为:1卡15℃=4.1855J
有些国家使用国际蒸汽表卡,符号CalIT。
它与焦耳的关系为:1卡
IT=4.1868J
在1956年伦敦第五届国际蒸汽大会上确定国际蒸汽表卡。
编辑本段折算标准
能源折标准煤系数=某种能源实际热值(千卡/千克)/7000(千卡/千克)
在各种能源折算标准煤之前,首先直测算各种能源的实际平均热值,再折算标准煤。
平均热值也称平均发热量.是指不同种类或品种的能源实测发热量的加权平均值。
计算公式为:
平均热值(千卡/千克)=[∑(某种能源实测低位发热量)×该能源数量]/能源总量(吨)
标准煤的计算目前尚无国际公认的统一标准,1千克标准煤的热值,中国、前苏联、日本按7000千卡计算,联合国按6880千卡计算。
平均热值(千卡/千克)=Σ(某种能源实测低位发热量)(千卡/千克)×该能源数量(吨)/能源总量(吨)
编辑本段各类能源折算标准煤的参考系数
能源名称平均低位发热量折标准煤系数
原煤 20934千焦/公斤 0.7143公斤标煤/公斤
洗精煤 26377千焦/公斤 0.9000公斤标煤/公斤
其他洗煤 8374 千焦/公斤 0.2850公斤标煤/公斤
焦炭 28470千焦/公斤 0.9714公斤标煤/公斤
原油 41868千焦/公斤 1.4286公斤标煤/公斤
燃料油 41868千焦/公斤 1.4286公斤标煤/公斤
汽油 43124千焦/公斤 1.4714公斤标煤/公斤
煤油 43124千焦/公斤 1.4714公斤标煤/公斤
柴油 42705千焦/公斤 1.4571公斤标煤/公斤
液化石油气 47472千焦/公斤 1.7143公斤标煤/公斤
炼厂干气 46055千焦/ 公斤 1.5714公斤标煤/公斤
天然气 35588千焦/立方米 1.2143千克/万立方米
焦炉煤气 16746千焦/立方米 5.714-6.143千克/万立方米
其他煤气 3.5701千克/万立方米
编辑本段电力/热力
热力 0.03412吨/百万千焦
电力 1.229吨/万千瓦时
1、热力其计算方法是根据锅炉出口蒸汽和热水的温度压力在焓熵图(表)内查得每千克的热焓减去给水(或回水)热焓,乘上锅炉实际产出的蒸汽或热水数量(流量表读出)计算。
如果有些企业没有配齐蒸汽或热水的流量表,如没有焓熵图(表),则可参下列方法估算:
(1)报告期内锅炉的给水量减排污等损失量,作为蒸汽或热水的产量。
(2)热水在闭路循环供应的情况下,每千克热焓按20千卡计算,如在开路供应时,则每千克热焓按70千卡计算(均系考虑出口温度90℃,回水温度20℃)。
(3)饱和蒸汽,压力1-2.5千克/平方厘米,温度127℃以上的热焓按620千卡,压力3-7千克/平方厘米,温度135℃-165℃的热焓按630千卡。
压力8千克/平方厘米,温度170℃以上每千克蒸汽按640千卡计算。
(4)过热蒸汽,压力150千克/平方厘米,每千克热焓:200℃以下按650千卡计算,220℃-260℃按680千卡计算,280℃-320℃按700千卡,
350℃-500℃按700千卡计算。
按4.1868焦耳折算成焦耳。
2.热力单位“千卡”与标准煤“吨”的折算能源折算系数中“蒸汽”和“热水”的计算单位为“千卡”,但“基本情况表”中(能源消耗量
中)“蒸汽”计算单位为“蒸吨”,在其它能源消耗量(折标煤)其中的“热水”计算单位为“吨”,因此需要进一步折算,才能适合“基本情况表”的填报要求,按国家标准每吨7000千卡折1千克标准煤计算:
3.电力的热值一般有两种计算方法:一种是按理论热值计算,另一种
是按火力发电煤耗计算。
每种方法各有各的用途。
理论热值是按每度电本身的热功当量860大卡即0.1229千克标准煤计算的。
按火力发电煤耗计算,每年各不相同,为便于对比,以国家统计局每度电折0.404千克标准煤,作为今后电力折算标准煤系数。
各种有害物质的减排
据专家统计:每节约1度(千瓦时)电,就节约了0.4千克标准煤,同时减少污染排放0.272千克碳粉尘、0.997千克二氧化碳、0.03千克二氧化硫、0.015千克氧化物
计算公式:
节约1度电=减排0.997千克“二氧化碳”
节约1千克标准煤=减排2.493千克“二氧化碳”
说明:以上电的折标煤按等价值,即系数为1度电=0.4千克标准煤,1千克原煤=0.7143千克标准煤
日常生活中“碳足迹”的基本计算公式:
家居用电的二氧化碳排放量(千克)=耗电度数*0.785
开车的二氧化碳排放量=油耗公升数*0.785
短途飞机旅行(200公里以内)的二氧化碳排放量=公里数*0.275
中途飞机旅行(200公里到1000公里)的二氧化碳排放量=55+0.105*(公里数-200)
长途飞机旅行(1000公里以上)的二氧化碳排放量=公里数*0.139
乘坐飞机的CO2排放量(kg):短途200公里航程以内,公里数x0.275;中途200-1000公里航程以内,55+0.105x(公里数-200);长途1000公里航程以上,公里数x0.139;
开车的CO2排放量(kg):油耗公升数×2.7;
用电的CO2排放量(kg):耗电度数×0.785;
一吨二氧化碳的直观概念
在25摄氏度和常压下,每吨二氧化碳排放所占体积相当于550立方米,而一个25米泳道的普通游泳池体积约1250立方米.
排放一吨二氧化碳,需要:乘坐飞机3,200公里;或者越野车开2160公里;或者中型小轿车开3040公里;或者混合动力车开9600公里;电脑开启10,600小时;放牧一头乌干达奶牛8个月。
抵销一吨二氧化碳,需要:将5个100瓦的灯泡更换为18瓦的节能灯泡,并运行1年;将20台电冰箱更换为高效节能冰箱,并运行1年;在中国西南山地种植九棵生长期为30年的冷杉。