最新Westernblot所需溶液的配制
- 格式:doc
- 大小:58.50 KB
- 文档页数:4
[主要试剂]1、SDS-PAGE 试剂:2、匀浆缓冲液:1.0M Tris-HCl(pH 6.8)1.Oml;10%SDS 6.0ml;β-巯基乙醇0.2ml;ddH2O2.8ml。
3、转膜缓冲液:甘氨酸2.9g;Tris 5.8g;SDS 0.37g;甲醇200ml;加ddH2O 定容至1000ml。
4、0.01M PBS(pH7.4):NaCl 8.0g;KCl 0.2g;Na2HPO4 1.44g;KH2PO4 0.24g;加ddH2O 至1000ml。
5、膜染色液:考马斯亮兰0.2g;甲醇80ml;乙酸2ml;ddH2O118 ml。
包被液(5%脱脂奶粉,现配):脱脂奶粉1.0g 溶于20ml 的0.01M PBS 中。
6、显色液:DAB 6.0mg;0.01M PBS 10.0ml;硫酸镍胺0.1ml;H202 1.0μl。
7、兔抗猪R 蛋白抗体、HRP 标记羊抗兔IgG(二抗)。
[操作步骤]1、蛋白质样品获得:细菌诱导表达后,可通过电泳上样缓冲液直接裂解细胞,真核细胞加匀浆缓冲液,机械或超声波室温匀浆0.5-1min。
然后4℃,13,000g 离心15min。
取上清液作为样品。
2、电泳:制备电泳凝胶,进行SDS-PAGE。
3、转移(半干式转移):(1)电泳结束后将胶条割至合适大小,用转膜缓冲液平衡,5min×3 次。
(2)膜处理:预先裁好与胶条同样大小的滤纸和NC 膜,浸入转膜缓冲液中10min。
(3)转膜:转膜装置从下至上依次按阳极碳板、24 层滤纸、NC 膜、凝胶、24 层滤纸、阴极碳板的顺序放好,滤纸、凝胶、NC 膜精确对齐,每一步去除气泡,上压500g 重物,将碳板上多余的液体吸干。
接通电源,恒流1mA/cm2,转移1.5hr。
转移结束后,断开电源将膜取出,割取待测膜条做免疫印迹。
将有蛋白标准的条带染色,放入膜染色液中50s 后,在50%甲醇中多次脱色,至背景清晰,然后用双蒸水洗,风干夹于两层滤纸中保存,留与显色结果作对比。
WESTERN BLOT常用液体配方1 、凝胶储备液(30%Acr/Bise)acrylamide 58gBis - acrylamide 2g加超纯水溶解(约100ml)定容至200毫升。
4℃棕色瓶避光保存2 、Gel buffer pH:8.8 (分离胶用)Tris-base 36.3g加超纯水溶解(约100ml)用浓HCL调pH值至8.8加超纯水定容至200ml 4℃保存3 、Gel buffer pH:6.8 (浓缩胶用)Tris-base 12.1g加超纯水溶解(约100ml)用浓HCL调pH值至6.8加超纯水定容至200ml 4℃保存4 、10%APS:过硫酸铵(APS)0.1g加超纯水至1ml新鲜配制,4℃可保存10天。
5 、10%SDS(十二烷基磺酸钠)SDS 10g加超纯水至100ml 室温保存。
6 、10× TBSTris-base 61gNaCl 90g加超纯水溶解调pH值至7.6定容至1000ml7、10×电泳缓冲液(Running buffer)Tris-base 30.3gGlycine 144gSDS 10g加超纯水定容至1000ml8 、转膜液(1000ml)Tris-base 3.03gGlycine 14.4g加超纯水至850ml ,加甲醇150ml9 、杂交液(稀释抗体用)0.05g BSA加TBST至50ml 4℃保存10、TBST 洗膜液1X TBS 1000ml(取900ml 超纯水+ 100ml 10× TBS)加Tween 20 1ml11、封闭液(1%BSA)0.4g BSA加TBST至40ml 摇匀※※必须现用现配※※※※备注:凝胶储备液(30%Acr/Bise)剧毒,操作时请自带口罩,手套。
TEMED有刺激性气味,注意防护。
10X液体为储备液,请稀释至1X使用。
一、所需试剂的配制1、丙烯酰胺贮存液(30%Acr/Bic)丙烯酰胺(Acr)29.2gN,N-甲叉双丙烯酰胺(Bic)0.8g超纯水至100ml37度溶解,4度避光保存一个月,使用时恢复至室温且无沉淀。
2、分离胶缓冲液(4×)(1.5mol/L Tris-HCl,pH8.8):Tris(MW121.14)18.15g超纯水90ml用HCl调pH值至8.8,最后用超纯水定容至100ml,4度保存。
3、浓缩胶缓冲液(4×)(1.0mol/L Tris-HCl,pH6.8):Tris(MW121.14)12.1g超纯水90ml用HCl调pH值至6.8,最后用超纯水定容至100ml,4度保存。
4、10%十二烷基硫酸钠(SDS)SDS 10g蒸馏水至100ml50度水浴溶解,室温保存。
如在长期保存中出现沉淀,水浴溶解后仍可使用。
5、10%过硫酸铵(Aps)Aps 0.1g超纯水1ml溶解后4度避光保存,保存时间为一周,现用现配,也可-20度保存6、N,N,N,N-四甲基乙二胺(TEMED):避光保存。
7、2×上样缓冲液(2×Loading Buffer):1.0mol/L Tris-HCl(pH6.8)0.8ml10%SDS(电泳级)2ml溴酚蓝0.5mg甘油0.8ml2-巯基乙醇0.2ml蒸馏水 1.2ml总量为5ml,可在4度存放数周,-20存放数月。
(其中2-巯基乙醇可保护二硫键,并使蛋白下沉用利于电泳的进行。
)8、电泳缓冲液(pH8.3)Tris 3.03g甘氨酸(Gly)14.4gSDS 1g或10%SDS 10ml蒸馏水至1L无需调pH值(8.2~8.3),可在4度存放数周,次溶液可重复使用3~5次。
9、转移缓冲液:Tris 3.03g甘氨酸(Gly)14.4g甲醇200ml蒸馏水至1L先用蒸馏水溶解甘氨酸和Tris,然后再加入甲醇,最后补足液体。
无需调pH值(8.1~8.4),可在4度存放数周。
WesternBlot相关试剂配方及详细实验步骤Western Blot详细实验步骤及试剂配方1. 溶液配置1.1 5×SDS-PAGE上样缓冲液(Loading buffer)药品用量1 M Tris-HCl (PH=6.8) 1.25 mLSDS 0.5 gBPB(溴酚蓝,有毒)25 mg甘油 2.5 mL去离子水up to 5 mL分装至1.5 mL离心管中,每管500 μL,室温保存,使用前每管加入25 μL的β-巯基乙醇。
1.2 10×SDS-PAGE电泳缓冲液(Running buffer 母液)药品用量Tris 30.3 gGlycine (甘氨酸) 144.2 gSDS 10 gddH2O up to 1 L室温保存即可,使用时稀释为1×的工作液,可回收反复使用4~5次。
1.3 Tris-HCl缓冲液(1)1.5 M Tris-HCl (PH=8.8)→制分离胶Tris (MW: 121.14) 45.43 gH2O up to 250 mL浓盐酸调PH 8.8(2)1.0 M Tris-HCl (PH=6.8)→制浓缩胶Tris (MW: 121.14) 30.29 gH2O up to 250 mL浓盐酸调PH 6.8二者高压灭菌后,置于室温保存即可。
1.4 10% SDS (十二烷基硫酸钠)SDS 10 gddH2O up to 100 mL室温保存即可。
1.5 10% AP (过硫酸铵)→1.5 mL 离心管配制过硫酸铵(刺激性,腐蚀性) 0.1 g超纯水up to 1 mL混匀后,锡箔纸包住,避光处理,置于-20℃保存。
1.6 30% 丙烯酰胺溶液丙烯酰胺 150 g甲叉双丙烯酰胺 4 gMilli-Q水 30 mL滤纸过滤,Milli-Q水定容至500 mL,装入棕色瓶子中,4℃保存。
1.7 10×转膜缓冲液(Trans buffer 母液)Tris (MW: 121.14) 30.3 gGlycine (甘氨酸) 144 g去离子水 up to 1 L室温保存即可,其1×的工作液配制为:100 mL母液+200 mL甲醇(有毒)+700 mL水。
Westernblot试剂配制及操作流程试剂配制:1.电泳缓冲液:a. 准备1×蛋氨酸-甘氨酸缓冲液(Tris-Glycine缓冲液):每一升缓冲液中加入30.3g Tris base、288g glycine,并调节pH至8.3±0.1b. 准备3×SDS-凝胶缓冲液:每一升缓冲液中加入30g Tris base、144g glycine、10g SDS,并调节pH至8.3±0.12.蛋白提取缓冲液:a. 准备RIPA缓冲液:每一升缓冲液中加入5g Tris base、15g NaCl、5g sodium deoxycholate、1g NP-40,并将pH调节至7.4b.按需添加蛋白酶抑制剂和磷酸酶抑制剂。
操作流程:1.样品制备:a. 收集细胞或组织样品,加入适量的蛋白提取缓冲液,并使用超声波细胞破碎仪或玻璃Dounce破碎器破碎细胞,释放蛋白。
b.在4℃下离心细胞提取物,收集上清液,并在离心后尽快使用或存储在-80℃的冰箱中。
2.SDS-凝胶制备:a. 准备15%缩胆凝胶:加入7.5mL 30%丙烯酰胺、10mL 10×SDS-凝胶缓冲液、7.5mL去离子水和20uL 10%Tetramethylethylenediamine (TEMED),混合均匀。
b.将混合液倒入立方形凝胶模具中,插入两根不锈钢导电丝作为电极,并进一步注入10%胶解剂。
c.待凝胶定形后,用1×蛋氨酸-甘氨酸缓冲液冲洗凝胶表面。
3.蛋白电泳:a.加载样品:将样品加入离心管中,加入1×电泳缓冲液以使样品浓度均匀。
b. 加载样品:将样品加入凝胶孔中,通常每孔加入20-30ug样品。
c.进行电泳:将装有凝胶的电泳槽放入电泳缓冲液中,将蛋白电泳至凝胶顶部。
d.转移凝胶:根据需求选择湿式或半湿式转印方式,将蛋白转移到PVDF或NC膜上。
4.免疫印迹:a.封闭膜:将转印膜放入封闭溶液中(如5%脱脂奶粉或3%BSA)封闭非特异性结合位点。
Western Blot Protocol1.SDS-PAGE试剂的配制1)40%丙烯酰胺溶液(Acrylamide)2)10%过硫酸铵溶液(APS)3)TEMED4)分离胶缓冲液4X Buffer (pH 8.8)5)浓缩胶缓冲液4X Buffer (pH 6.8)6)10X电泳缓冲液(Running buffer)2.制胶1)10%分离胶的制备ddH2O 4.92ml 9.98mlTris-HCl缓冲液(pH 8.8,1.5mol/l) 2.5ml 5ml40%丙烯酰胺 2.48ml 4.96ml10% APS 100μl 200μlTEMED 4μl 8μl10%分离胶10ml 20ml2)灌注分离胶在加完TEMED后,速在两玻璃板间灌注丙烯酰胺溶液,预留1.5cm灌注浓缩胶(约在夹子高度稍低),应排除凝胶底部玻璃与板间的气泡。
用移液枪在丙烯酰胺溶液上层覆盖无水乙醇约4ml(至溢出),凝胶静置室温30min。
30min后,分离胶聚合凝固,倾倒出上层覆盖的无水乙醇,并用滤纸吸尽残留的液体。
3)5%浓缩胶的制备ddH2O 2.5ml 5mlTris-HCl缓冲液(pH 8.8,1.5mol/l)1ml 2ml40%丙烯酰胺0.46ml 0.92ml10% APS 40μl 80μlTEMED 2μl 4μl浓缩胶4ml 8ml4)灌注浓缩胶在加完TEMED后,迅速在已经聚合的分离胶上直接灌注浓缩胶至溢出,并立即插入梳子,避免产生气泡。
凝胶静置30min。
浓缩胶聚合凝固,小心拔出梳子,立即用ddH2O洗涤加样槽,以去除未聚合的丙烯酰胺。
3.加样1)蛋白样品变性在浓缩胶聚合的同时,将蛋白抽提液和加样缓冲液在沸水中加热5分钟,使蛋白变性。
2)灌注电泳缓冲液电泳槽中加满电泳缓冲液(ph8.3的Tris-Gly)。
3)蛋白加样用移液枪加样槽中加入样品和分子量蛋白标准品(Markers)。
所有加样槽均加样,空白孔用加样缓冲液代替,第一个孔加Markers5μl,其余孔加样品30μl。
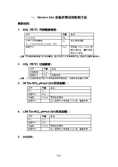
Western Blot试剂的准备1. 30%储备胶溶液:丙烯酰胺(Acr) 29.0g亚甲双丙烯酰胺(Bis) 1.0g混匀后ddH2O,37℃溶解,定容至100ml,棕色瓶存于室温。
2. 4×分离胶缓冲液(1mol/L Tris-HCl PH 8.8)Tris 18.17g加ddH2O溶解,浓盐酸调PH 8.8,定容至100ml。
3. 4×浓缩胶缓冲液(0.5mol/L Tris-HCl PH 6. 8) Tris 12.1g加ddH2O溶解,浓盐酸调PH 6. 8,定容至100ml。
4. 10%SDS:电泳级SDS 10.0g加ddH2O,68℃助溶,浓盐酸调PH 7.2,定容至100ml。
5. 5×电泳缓冲液(PH 8.3):Tris 15.2g甘氨酸 94gddH2O 定容到1000mlSDS 5g 先在974ml蒸馏水中加入Tris碱,待溶解完全后,再加甘氨酸,最后加SDS。
6. 10%过硫酸铵(AP):0.1g AP加ddH2O至1.0ml,4℃保存,要在一周内使用,最好新鲜配制。
7. 2×加样缓冲液:2×SDS加样缓冲液0.5mol/L Tris-HCl (PH 6.8) 2ml10%SDS 4 mlβ-巯基乙醇1ml甘油 2ml1%溴芬蓝1ml置4℃避光保存8. TEMED:注意室温较低时TEMED量可加倍,最后灌胶之前再用9. 转膜缓冲液(Towbin transfer Buffer):即1×SDS-PAGE10. 0.0 1mol/L PBS (PH 7.4) :NaCl 8.5g(12H2O)Na2HPO4 2.9011g(2H2O)NH2PO4 0.24g加ddH2O定容至 1000ml11. 封闭液: 1×PBS中加入 30ml5%(V/V)脱脂奶粉 1.5g0.02%叠氮钠 0.006g0.05%Tween-20 0.015g12. 漂洗液(PBST):含0.05% Tween-20的PBS溶液每1000 ml PBS溶液中加0.5 ml Tween-2013. 水饱和正丁醇:正丁醇 50 mlddH2O 5 ml 加入瓶中震荡,使结合,存于室温。
1.Western Blotting 相关溶液及抗体1)转膜缓冲液(running buffer)(10×)(1L)Tris 30.3g甘氨酸144g不调pH转膜工作液(1×)(1L)(现配现用)(10×)转膜缓冲液(running buffer)100ml无水乙醇100ml水800ml2)TBS 缓冲液(5×)(1L)Tris-HCl 12.15gNaCl 146.4g用36-37%浓盐酸调节pH值至约7.4(约5ml浓盐酸,pH试纸检测即可)TBST:TBS+Tween-20 0.1%(1ml for 1L)3) 封闭液TBST 缓冲液中加入5%脱脂奶粉或者(3% Gelatine)4)Western Blotting 第一抗体适合于自己蛋白的抗体5)Western Blotting 第二抗体辣根过氧化物酶-羊抗兔IgG/(羊抗鼠IgG)4.实验步骤(1)SDS-PAGE 电泳分离蛋白质:(浓缩胶70V,30-40min;分离胶120V,1h)5×loading buffer: 4mlddH2O 1.76ml 1M Tris-HCl pH 6.8 0.24ml甘油1ml 10%(w/v)SDS 0.8mlß-巯基乙醇0.2ml(2)将4 张滤纸剪成与海棉大小一致的方形(3)配(1×)转膜工作液(10×)转膜缓冲液(running buffer)80ml无水乙醇80ml水640ml800ml(4)将胶泡在(1×)转膜工作液中(防止胶干掉,最好不要用水,水泡胶会涨)(5)用尺子量胶大小,裁PDVF膜(不要用手蹭膜,手上有蛋白)(6)PDVF膜先在无水乙醇中泡约1min,然后泡到(1×)转膜工作液中。
(PDVF膜为疏水性的,先在乙醇中泡会使其亲水性好)(7)将海绵和滤纸在水中浸湿,然后按照一下顺序(整个操作过程中保证膜不能干):白板—海绵—两层滤纸--PDVF膜(靠正极)--胶(靠负极)(用小试管排气泡)--两层滤纸—海绵(用小试管排气泡)--夹住—放入胶槽中(白板靠红,黑板靠黑,保证电极方向不要错)--在胶槽中加入转子—倒入(1×)转膜工作液—在胶槽中放入冰袋—80V~100V 恒压,60min(该条件可以转移25kD~90kD的蛋白)(8)封闭:在封闭液中室温,摇1h或者4℃静置过夜。
WB所需溶液的配制1Tris-甘氨酸电泳缓冲液(Running buffer) 5×Tris base 15.14gGlycine(甘氨酸) 72.0gSDS 5.0g蒸馏水溶解至1000ml5×Tris-甘氨酸电泳缓冲液:15.1g Tris碱和72g甘氨酸,5g电泳级的SDS,双蒸水定容至1L,pH值为8.3。
使用前,将5×稀释到1×:取200ml 5×,定容到1000ml。
2转膜缓冲液(Sending buffer)(现用现配)1000 ml 1500 mlGlycine(甘氨酸) 14.413 g 21.6 g1.0 M Tris.HCl (pH8.3) 25 ml 37.5ml10% SDS 1 ml 1.5 ml甲醇(methanol) 200 ml 300 ml蒸馏水溶解至1000 ml 溶解至1500 ml必须新鲜配置,因为甘氨酸溶于水后易分解。
小片段可不加SDS。
310% SDS配置电泳级十二烷基硫酸钠也叫SDS(Sodium Dodecyl Sulfate,SDS,C12H25O4NaS)溶液: 10g SDS,100ml去离子水配制,50-68度搅拌溶解,浓盐酸调pH到7.2,室温保存。
4Tris.HCl的配置1.0M Tris.HCl (pH8.8) Tris 30.28 g 加入到250ml水中浓盐酸调pH到8.81.5 M Tris.HCl (pH8.8) Tris 45.43 g 加入到250ml水中浓盐酸调pH到8.81.0 M Tris.HCl (pH6.8) Tris 30.28 g 加入到250ml水中浓盐酸调pH到6.81.0 M Tris.HCl (pH8.3) Tris 30.28 g 加入到250ml水中浓盐酸调pH到8.3,需要大约8毫升。
注:Tris的分子量是121.4. 4度储存。
5 10% APS (Ammonium persulfate ; 过硫酸铵)的配置称取1g过硫酸铵,加超纯水溶解并定容至10ml,分装到1.5ml微量离心管中,负30度冻存。
Western-Blot试剂配制1母液1.1 1.0mol/L Tris•HClTris (MW121.14) 30.29g、蒸馏水200ml溶解后,用浓盐酸调pH至所需点(见下所示),最后用蒸馏水定容至250ml,高温灭菌后室温下保存。
1.2 1.74mg/ml (10mmol/L)PMSFPMSF 0.174g、异丙醇100ml溶解后,分装于1.5ml离心管中,-20℃保存。
1.3 0.2mol/L NaH2PO4NaH2PO4(MW119.98)12g蒸馏水至500ml溶解后,高压灭菌,室温保存。
1.4 0.2mol/L Na2HPO4Na2HPO •12H2O(MW 358.14)71.6g,蒸馏水至1000ml,溶解后,高压灭菌,室温保存。
1.5 10%SDSSDS 10g,蒸馏水至100ml,50℃水浴下溶解,室温保存。
如在长期保存中出现沉淀,水浴溶化后,仍可使用。
1.6 10%过硫酸胺(AP)过硫酸胺0.1g,超纯水 1.0ml,溶解后,4℃保存,保存时间为1周。
时加入超纯水即可)1.7 1.5mol/L Tris•HCl(pH8.8)Tris (MW121.14) 45.43g,超纯水200ml,溶解后,用浓盐酸调pH至8.8,最后用超纯水定容至250ml,室温下保存。
1.8 0.5mol/L Tris•HCl(pH6.8)Tris (MW121.14) 15.14g,超纯水200ml,溶解后,用浓盐酸调pH至6.8,最后用超纯水定容至250ml,室温下保存。
1.9 40%Acr/Bic(37.5:1)丙稀酰胺(Acr)37.5g、甲叉双丙稀酰胺(Bic)1g,超纯水至100ml溶解后4℃保存。
使用时恢复至室温且无沉淀。
1.10 30%Acr/Bic(29:1)丙稀酰胺(Acr)29g、甲叉双丙稀酰胺(Bic)1g,超纯水至100ml溶解后4℃保存。
使用时恢复至室温且无沉淀。
1.11 20%Tween20Tween20 20ml,蒸馏水至100ml,混匀后4℃保存。
一、试剂配置:1、分离胶缓冲液:1.5mmol/LTris-HCL(pH8.8):18.15gTris+48ml 1mol/L HCL混合,加水稀释到100ml终体积。
过滤后4℃保存。
2、浓缩胶缓冲液:0.5mmol/LTris-HCL(pH6.8):6.05gTris溶于40ml水中,用约48ml 1mol/L HCL调至pH6.8加水稀释到100ml终体积。
过滤后4℃保存。
这两种缓冲液必须使用Tris碱制备,再用HCL调节PH值,而不用Tris.CL。
3、胶配置:加入TEMED后,立即混匀即可灌胶。
4、封闭液:(含5%脱脂奶粉的TBST 缓冲液)脱脂奶粉(国产,安怡牌)5g+TBST 100ml溶解后4℃保存。
使用时,恢复室温,用量以盖过膜面即可,一次性使用。
5、抗体:用TBST 稀释至一定浓度使用,每张膜需0.5ml。
二、SDS-PAGE 电泳(1)清洗玻璃板:一只手扣紧玻璃板,另一只手蘸点洗衣粉轻轻擦洗。
两面都擦洗过后用自来水冲,再用蒸馏水冲洗干净后立在筐里晾干。
(2)灌胶与上样1、玻璃板对齐后放入夹中卡紧。
然后垂直卡在架子上准备灌胶。
(操作时要使两玻璃对齐,以免漏胶。
)2、按前面方法配10%分离胶,加入TEMED 后立即摇匀即可灌胶。
灌胶时,可用10ml 枪吸取5ml 胶沿玻璃放出,待胶面升到绿带中间线高度时即可。
然后胶上加一层水,液封后的胶凝的更快。
(灌胶时开始可快一些,胶面快到所需高度时要放慢速度。
操作时胶一定要沿玻璃板流下,这样胶中才不会有气泡。
加水液封时要很慢,否则胶会被冲变型。
)3、当水和胶之间有一条折射线时,说明胶已凝了。
再等3min 使胶充分凝固就可倒去胶上层水并用吸水纸将水吸干。
4、按前面方法配4%的浓缩胶,加入TEMED 后立即摇匀即可灌胶。
将剩余空间灌满浓缩胶然后将梳子插入浓缩胶中。
灌胶时也要使胶沿玻璃板流下以免胶中有气泡产生。
插梳子时要使梳子保持水平。
由于胶凝固时体积会收缩减小,从而使加样孔的上样体积减小,所以在浓缩胶凝固的过程中要经常在两边补胶。
Western Blotting 所用溶液1.5 M Tris-HCl (pH 8.8) 500 mlTris-base 90.85 gddH2O 400 ml用浓盐酸调pH 至8.8定容至500 ml,高压灭菌,室温保存。
1 M Tris-HCl (pH 6.8) 500 mlTris-base 60.57 gddH2O 400 ml用浓盐酸调pH 至6.8定容至500 ml,高压灭菌,室温保存。
10%(w/v) AP (过硫酸铵) 20 mlAP 2gddH2O 20 ml分装到1.5ml离心管,1ml/tube,-20°C保存10%(w/v) SDS (十二烷基硫酸钠) 100 mlSDS 10gddH2O 90 ml用磁力搅拌器搅拌直至完全溶解,用水定容至100ml,室温保存。
10x Running Buffer (电泳缓冲液) 500 ml1X Running Buffer?: 0.025M Tris, 0.25M Glycine, 0.1% SDS10X Running Buffer?: 0.25M Tris, 2.5M Glycine, 1% SDS配方:Tris 15.1 g甘氨酸93.75 gSDS 5.0 gddH2O 400ml,搅拌直至完全溶解后,定容至500ml,室温保存。
电泳时10x Running Buffer取100ml,加ddH2O 900ml,定容至1L,配成1X Running Buffer.1X Running Buffer可反复使用4-5次。
10x Transfer Buffer (转膜缓冲液) 500 ml1X Transfer Buffer: 0.025M Tris, 0.192M Glycine, 0.037% SDS,20% Methanol10X Transfer Buffer: 0.25M Tris, 1.92M Glycine, 0.37% SDS配方:Tris 15.1 g甘氨酸72 gSDS 1.85 gddH2O 400ml,搅拌直至完全溶解后,定容至500ml,4°C保存。
WB所需溶液的配制1Tris-甘氨酸电泳缓冲液(Running buffer) 5×5×Tris-甘氨酸电泳缓冲液:15.1g Tris碱和72g甘氨酸,5g电泳级的SDS,双蒸水定容至1L,pH值为8.3。
使用前,将5×稀释到1×:取200ml 5×,定容到1000ml。
2转膜缓冲液(Sending buffer)(现用现配)必须新鲜配置,因为甘氨酸溶于水后易分解。
小片段可不加SDS。
310% SDS配置电泳级十二烷基硫酸钠也叫SDS(Sodium Dodecyl Sulfate ,SDS,C12H25O4NaS)溶液: 10g SDS,100ml去离子水配制,50-68度搅拌溶解,浓盐酸调pH到7.2,室温保存。
4Tris.HCl的配置注:Tris的分子量是121.4. 4度储存。
5 10% APS (Ammonium persulfate ; 过硫酸铵)的配置称取1g过硫酸铵,加超纯水溶解并定容至10ml,分装到1.5ml微量离心管中,负30度冻存。
使用时尽量现配现用,短期内实验频繁可多配。
4度存则两周内用完,最多不能超过一个月。
负20度可存两个月,但一旦解冻后尽快用完。
6 10×TBS (Tris-buffered saline)的配置加HCl调pH到7.6,室温储存。
7TBST (Tris-buffered saline with Tween20) 的配置8 上样缓冲液(loading buffer)的配置SDS-PAGE加样缓冲液:pH6.8 0.5mol/L Tris缓冲液8ml,甘油6.4ml,10%SDS 12.8ml,巯基乙醇3.2ml,0.05%溴酚蓝1.6ml,H2O 32ml混匀备用。
按1:1或1:2比例与蛋白质样品混合,在沸水终煮3min混匀后再上样,一般为20-25ul,总蛋白量100μg。
9 stacking gel buffer (4×)调pH到6.8,加双蒸水到10毫升。
Western blot试剂配制1.30%丙稀酰胺储存液丙稀酰胺29gN,N’-亚甲双丙稀酰胺1g双蒸水定容到100ml,经高压蒸汽灭菌的滤纸过滤避光,4℃保存于棕色瓶中2.1.5 M Tris-HCl (MW=121.1)pH 8.8Tris碱90.75g双蒸水400ml用浓HCl调pH至8.8,加双蒸水定容至500ml。
4℃冰箱保存3.1.0 M Tris pH6.8Tris碱12g双蒸水60ml用浓HCl调pH至6.8,加双蒸水定容至100ml。
4℃冰箱保存4.10%SDS(w/v)SDS 10g溶于加水至100ml,室温放置5.10%过硫酸胺(10%APS)过硫酸胺1g溶于10ml双蒸水中。
可在密闭的管子里4℃保存一周6.10×Tris-甘氨酸电泳缓冲液Tris 30.3g甘氨酸144gSDS 10g定容至1000ml室温放置。
临用时稀释成1×电泳缓冲液7.1%溴酚蓝(w/v)溴酚蓝Tris-base MilliQ 水100 mg60 mg定容至10 ml8.TEMED原液,4℃冰箱保存9.2×sample buffer(2×样品缓冲液)1.0 M Tris pH6.82.5mlSDS 0.8gDTT 0.3085g甘油3ml溴酚蓝0.004g加双蒸水至10ml,分装—20℃保存10. 4×SDS加样缓冲液10ml1M Tris-HCl(ph:6.8) 2.5mlSDS 0.8g溴酚蓝0.004g甘油4mlTakara5x buffer 总5ml1M Tris-HCl(ph:6.8) 1.25mlSDS 0.5g溴酚蓝BPB 25mg甘油 2.5ml500ul每管分装,使用前将25ul的2-ME加到没管中11.转膜缓冲液Tris 碱 5.8g甘氨酸 2.9gSDS 0.37g甲醇200ml加双蒸水至1000ml,临用前配制,4℃冷却12.1×TBSTTris 碱 3.0285 g氯化钠8.766gTween-20 500ul加双蒸水至1000ml,现配现用。
.WB所需溶液的配制5×Tris-甘氨酸电泳缓冲液:15.1g Tris碱和72g甘氨酸,5g电泳级的SDS,双蒸水定容至1L,pH值为8.3。
使用前,将5×稀释到1×:取200ml 5×,定容到1000ml。
必须新鲜配置,因为甘氨酸溶于水后易分解。
小片段可不加SDS。
310% SDS配置电泳级十二烷基硫酸钠也叫SDS(Sodium Dodecyl Sulfate,SDS,CHONaS)41225溶液: 10g SDS,100ml去离子水配制,50-68度搅拌溶解,浓盐酸调pH到7.2,室温保存。
注:Tris的分子量是121.4. 4度储存。
5 10% APS (Ammonium persulfate ; )的配置过硫酸铵称取1g过硫酸铵,加超纯水溶解并定容至10ml,分装到1.5ml微量离心管中,负30度冻存。
使用时尽量现配现用,短期内实验频繁可多配。
4度存则两周内用完,最多不能超过一个月。
负20度可存两个月,但一旦解冻后尽快用完。
加HCl调pH到7.6,室温储存。
1 / 3.SDS-PAGE加样缓冲液:pH6.8 0.5mol/L Tris1:21:1或H2O 32ml混匀备用。
按3.2ml,0.05%溴酚蓝1.6ml,12.8ml,巯基乙醇,总蛋20-25ul3min比例与蛋白质样品混nonfat dried milk 或者0.01% antifoam A (Sigma)0.01%(v/v) sodium azide丽春红溶液:12 10毫升。
微升冰醋酸,加入0.05克丽春红,用水稀释至100 毫升)(10004%1)多聚甲醛(PFA)的配制微升氢氧化钠,全300毫升水,60度搅拌溶解,加入40克多聚甲醛,加入800毫升。
调1000PBS,加水定容到度,再加入100毫升的10×部溶解后冷却到4 4。
通风橱过滤,度保存。
pH到7.2-7.4步骤:;至7.4pH0.2%NaOHEDTA,10-20首先加毫升的水溶解再加入使溶解,再调应溶解一个再加另外一个;然后分别加入其他成分,去氧胆酸钠开盖后会飞出,2 / 3.戴口罩。
WB所需溶液的配制
1Tris-甘氨酸电泳缓冲液(Running buffer) 5×
5×Tris-甘氨酸电泳缓冲液:15.1g Tris碱和72g甘氨酸,5g电泳级的SDS,双蒸水定容至1L,pH值为8.3。
使用前,将5×稀释到1×:取200ml 5×,定容到1000ml。
2转膜缓冲液(Sending buffer)(现用现配)
必须新鲜配置,因为甘氨酸溶于水后易分解。
小片段可不加SDS。
310% SDS配置
电泳级十二烷基硫酸钠也叫SDS(Sodium Dodecyl Sulfate,SDS,C12H25O4NaS)溶液: 10g SDS,100ml去离子水配制,50-68度搅拌溶解,浓盐酸调pH到7.2,室温保存。
4Tris.HCl的配置
注:Tris的分子量是121.4. 4度储存。
5 10% APS (Ammonium persulfate ; 过硫酸铵)的配置
称取1g过硫酸铵,加超纯水溶解并定容至10ml,分装到1.5ml微量离心管中,负30度冻存。
使用时尽量现配现用,短期内实验频繁可多配。
4度存则两周内用完,最多不能超过一个月。
负20度可存两个月,但一旦解冻后尽快用完。
6 10×TBS (Tris-buffered saline)的配置
加HCl调pH到7.6,室温储存。
7TBST (Tris-buffered saline with Tween20) 的配置
8 上样缓冲液(loading buffer)的配置
SDS-PAGE加样缓冲液:pH6.8 0.5mol/L Tris缓冲液8ml,甘油6.4ml,10%SDS 12.8ml,巯基乙醇3.2ml,0.05%溴酚蓝1.6ml,H2O 32ml混匀备用。
按1:1或1:2比例与蛋白质样品混合,在沸水终煮3min混匀后再上样,一般为20-25ul,总蛋白量100μg。
9 stacking gel buffer (4×)
10 5×Sample buffer (10ml)
11 封闭液的配置 Blocking solution 要用TBST 配制牛奶
5% (w/v) nonfat dried milk 或者1%BSA
0.01% antifoam A (Sigma)
0.01%(v/v) sodium azide
12 丽春红溶液:
100微升冰醋酸,加入0.05克丽春红,用水稀释至10毫升。
1)4%多聚甲醛(PFA )的配制 (1000毫升)
40克多聚甲醛,加入800毫升水,60度搅拌溶解,加入300微升氢氧化钠,全部溶解后冷却到4度,再加入100毫升的10×PBS ,加水定容到1000毫升。
调pH 到7.2-7.4。
通风橱过滤,4度保存。
13 组织裂解液
步骤:
首先加10-20毫升的水溶解EDTA,再加入0.2%NaOH 使溶解,再调pH 至 7.4;然后分别加入其他成分,溶解一个再加另外一个;去氧胆酸钠开盖后会飞出,应戴口罩。
14. PBS 的配制(1000毫升) (PH 7.2~7.4)
七年级上册英语语法 1.动词be
(is,am,are
)的用法
我(I)用am, 你(you)用are,is跟着他(he),她(she),它(it)。
单数名词用is,复数名词全用are。
变否定,更容易,be后not加上去。
变疑问,往前提,句末问号莫丢弃。
还有一条须注意,句首大写莫忘记。
2.this,that和it用法
(1)this和that是指示代词,it是人称代词。
(2)距离说话人近的人或物用this, 距离说话人远的人或物用that。
如:
This is a flower. 这是一朵花。
(近处)
That is a tree. 那是一棵树。
(远处)
(3)放在一起的两样东西,先说this, 后说that。
如:
This is a pen. That is a pencil. 这是一支钢笔。
那是一支铅笔。
(4)向别人介绍某人时说This is…, 不说That is…。
如:
This is Helen. Helen, this is Tom. 这是海伦,海伦,这是汤姆。
(5)This is 不能缩写, 而That is可以缩写。
如:
This is a bike. That’s a car. 这是一辆自行车。
那是一辆轿车。
(6)打电话时,介绍自己用this, 询问对方用that。
如:
—Hello! Is that Miss Green? 喂,是格林小姐吗?
—Yes, this is. Who’s that? 是的,我是,你是谁?
注意:虽然汉语中使用“我”和“你”,但英语中打电话时绝不可以说:I am…, Are you…?/Who are you?
(7)在回答this或that作主语的疑问句时, 要用it代替this或that。
如:
①—Is this a notebook? 这是笔记本吗?
—Yes, it is. 是的,它是。
②—What’s that? 那是什么?
—It’s a kite. 是只风筝。
3.these和those用法
this, that, these和those是指示代词,these是this的复数形式,指时间,距离较近的或下面要提到的人或事;those是that的复数形式,指时间、距离较远或前面已经提到过的人或事物。
①This is my bed. That is Lily’s bed. 这是我的床。
那是莉莉的床。
②These pictures are good. 那些画很好。
③Are those apple trees? 那些是苹果树吗?
在回答主语是these或those的疑问句时,通常用they代替these或those以避免重复。
如:。