《电子测量技术》实验一范文
- 格式:doc
- 大小:644.00 KB
- 文档页数:8
实验一:示波器和信号源
实验目的:1.了解示波器的正确使用。
2.学会信号源发生器的常用功能和基本设置。
实验材料:面包板、555芯片一只、0.01uf一只、其它电容1uf若干、电阻及导线若干。
实验步骤:
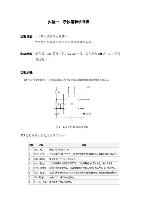
1. 用555定时器作一个振荡器或者方波振荡器的电路图如图1所示:
图1 555定时器振荡器电路
555定时器的引脚定义如图2所示:
2. 电容C,R1,R2,作为振荡器的定时元件,决定着输出矩形波的正负脉冲的宽度。
振荡周期T = T1 + T2 = 0.7(R1+2R2)*C,振荡频率f = 1/ T 。
正向脉冲宽度T1与振荡周期T之比成为矩形波的占空比D。
D≈0.5,即输出信号的正负向脉冲宽度相等的矩形波。
实验数据:
示波器测量频率为1kHz,实际计算频率为1.09 kHz。
在面包板上按电路图连接电路,示波器显示如图所示:
占空比达不到50%。
电子测量实验报告导言电子测量是现代科学技术中重要的一部分,在各个领域都得到广泛的应用。
本实验旨在探究电子测量的原理和方法,并通过实验验证相关理论。
在实验过程中,我们将使用常见的电子测量设备,如示波器、万用表和信号发生器等。
一、实验目的本实验的主要目的有以下几点:1. 了解电子测量的基本概念和原理;2. 熟悉常见的电子测量设备的使用方法;3. 掌握常见电路参数的测量方法;4. 分析实验结果,验证电路理论。
二、实验仪器和材料1. 示波器;2. 万用表;3. 信号发生器;4. 电阻、电容和电感等被测元件;5. 接线板和导线等。
三、实验步骤与结果分析1. 测量直流电阻(描述实验步骤,记录实验数据,分析实验结果)2. 测量交流电阻(描述实验步骤,记录实验数据,分析实验结果)3. 测量直流电压和直流电流(描述实验步骤,记录实验数据,分析实验结果)4. 测量交流电压和交流电流(描述实验步骤,记录实验数据,分析实验结果)5. 测量电容和电感(描述实验步骤,记录实验数据,分析实验结果)6. 测量瞬态响应(描述实验步骤,记录实验数据,分析实验结果)四、实验结果与讨论通过以上实验,我们得到了一系列测量结果,并进行了分析。
在测量直流电阻和交流电阻时,我们发现...而在测量直流电压和直流电流时,我们观察到...此外,在测量电容和电感时,我们得到了...最后,在测量瞬态响应时,我们发现...这些实验结果反映了电子测量的准确性和可靠性。
通过与理论值的对比,我们可以验证电路理论的正确性。
同时,我们还了解到不同测量设备的使用方法与注意事项,使我们在实际工作中更加熟练地操作这些设备。
然而,我们在实验过程中也遇到了一些挑战。
例如,测量过程中产生的噪音和干扰可能会对测量结果产生影响;测量设备的精度和分辨率也可能会引入误差。
因此,在实际工程应用中,我们需要综合考虑这些因素,并采取相应的措施以提高测量的精度和可靠性。
五、总结与展望通过本次实验,我们深入了解了电子测量的原理和方法,并通过实际操作验证了相关理论。
实验一LC电容反馈正弦波振荡器一、实验目的:1、理解LC三点式振荡器的工作原理,掌握其振荡性能的测量方法。
2、理解振荡回路Q值对频率稳定度的影响。
3、理解晶体管工作状态、反馈深度、负载变化对振荡幅度与波形的影响。
二、实验内容:实验前请根据原理图在实验板上找到相应器件及插孔并弄清其作用。
静态工作点测试1)在实验板+12V插孔上接入+12V直流电源,注意电源极性不能接反电源极性。
2)调节RW,测出Ieq的范围(注意在振荡器停振时测)。
2、振荡频率与振荡幅度测试1)实验条件:IEQ=2mA,C1/C2=C1c/C2c=120/680,回路并联电阻用R1=110K ohm.(1)按步骤(二)调节RW使IEQ=2mA或VEQ=IEQRE=2V。
(2)按图连接电路。
振荡范围:改变可变电容器测试振荡频率的最大和最小值fmax和fmin。
测试振荡频率与幅度的关系:改变可变电容器使振荡频率分别为6.0MHz,,,,7.0MHz,,,,8.0MHz,9.0MHz时,用示波器测量振荡电压峰峰值VPP。
三、实验电路及步骤:起振时的波形图:波形图:实验二、高频功率放大器一、实验目的1、理解大信号调谐放大器的原理,掌握功率放大器输出最佳匹配负载的确定方法2、观察并调整大信号调谐放大器的带通选频特性,理解功率放大器的特性指标3、理解大信号调谐放大器输入、输出电压、电流波形变化二、实验设备1、示波器1台2、毫伏表1台3、信号源1台4、高频Q表1块5、直流稳压电源1台(双路)6、数字万用表1块7、实验电路板1块三、实验原理及仿真电路电路高频功率放大器用于发射机的末级,作用是将高频已调波信号进行功率放大,以满足发送功率的要求,然后经过天线将其辐射到空间,保证在一定区域内的接收机可以接收到满意的信号电平,并且不干扰相邻信道的通信四、实验电路A类调谐功率放大器C类调谐功率放大器感想:通过这次电子测量实训,使我懂得了理论与实际相结合是很重要的,只有理论知识是远远不够的,只有把所学的理论知识与实践相结合起来,从理论中得出结论,才能真正学到属于自己的知识,从而提高自己的实际动手能力和独立思考的能力。
实验一:示波器的一般应用一、实验目的:了解通用电子示波工器工作原理的基础上,学会正确使用示波器测量各种电参数的方法。
二、实验仪器:1、函数信号发生器,SG1646,1台;2、双踪示波器,型号CA8000系列,数量1台。
三、实验原理在时域信号测量中,电子示波器无疑是最具代表性的典型测量仪器。
它可以精确复现作为时间函数的电压波形(横轴为时间轴,纵轴为幅度轴),不仅可以观察相对于时间的连续信号,也可以观察某一时刻的瞬间信号,这是电压表所做不到的。
我们不仅可以从示波器上观察电压的波形,也可以读出电压信号的幅度、频率及相位等参数。
电子示波器是利用随电信号的变化而偏转的电子束不断轰击荧光屏而显示波形的,如果在示波管的X偏转板(水平偏转板)上加一随时间作线性变化的时基信号,在Y偏转板(垂直偏转板)加上要观测的电信号,示波器的荧光屏上便能显示出所要观测的电信号的时间波形。
若水平偏转板上无扫描信号,则从荧光屏上什么也看不见或只能看到一条垂直的直线。
因此,只有当X偏转板加上锯齿电压后才有可能将波形展开,看到信号的时间波形。
一般说来,Y偏转板上所加的待观测信号的周期与X偏转板上所加的扫描锯齿电压的周期是不相同的,也不一定是整数倍,因而每次扫描的起点对待观测信号来说将不固定,则显示波形便会不断向左或向右移动,波形将一片模糊。
这就有一个同步问题,即怎样使每次扫描都在待观测信号不同周期的相同相位点开始。
近代电子示波器通常是采用等待触发扫描的工作方式来实现同步的。
只要选择不同的触发电平和极性,扫描便可稳定在待观测信号的某一相应相位点开始,从而使显示波形稳定、清晰。
在现代电子示波器中,为了便于同时观测两个信号(如比较两个信号的相位关系),采用了双踪显示的办法,即在荧光屏上可以同时有两条光迹出现,这样,两个待测的信号便可同时显示在荧光屏上,双踪显示时,有交替、断续两种工作方式。
交替、断续工作时,扫描电压均为一种,只是把显示时间进行了相应的划分而已。
一、实验目的1. 熟悉电子测量仪器的基本原理和使用方法。
2. 掌握常用电子测量仪器的操作技巧。
3. 提高电子测量实验技能,培养严谨的科学态度。
二、实验原理电子测量是指利用电子技术和电子仪器对各种物理量进行测量。
本实验主要涉及以下测量原理:1. 电压测量:利用电压表直接测量电路中的电压值。
2. 电流测量:利用电流表直接测量电路中的电流值。
3. 电阻测量:利用欧姆定律,通过测量电压和电流,计算出电阻值。
4. 频率测量:利用频率计测量信号源的频率值。
5. 信号发生器:产生各种频率、幅度和波形的标准信号。
三、实验仪器1. 双踪示波器2. 数字万用表3. 欧姆表4. 频率计5. 信号发生器6. 滑动变阻器7. 电容8. 电感9. 电源四、实验内容1. 示波器使用方法(1)观察正弦波(2)观察矩形波(3)观察三角波(4)观察李萨如图形2. 电压测量(1)测量直流电压(2)测量交流电压3. 电流测量(1)测量直流电流(2)测量交流电流4. 电阻测量(1)测量固定电阻(2)测量可变电阻5. 频率测量(1)测量正弦波频率(2)测量矩形波频率6. 信号发生器使用(1)产生正弦波(2)产生矩形波(3)产生三角波五、实验步骤1. 示波器使用方法(1)打开示波器电源,调整亮度、对比度等参数。
(2)将示波器探头连接到待测电路,调整探头衰减倍数。
(3)观察波形,调整示波器参数,使波形清晰可见。
2. 电压测量(1)将电压表的正极探头连接到电路中待测电压点,负极探头接地。
(2)选择合适的量程,读取电压值。
3. 电流测量(1)将电流表串联接入电路中待测电流点。
(2)选择合适的量程,读取电流值。
4. 电阻测量(1)将待测电阻接入电路。
(2)选择合适的量程,读取电阻值。
5. 频率测量(1)将频率计探头连接到待测信号源。
(2)选择合适的量程,读取频率值。
6. 信号发生器使用(1)将信号发生器输出端连接到待测电路。
(2)调整信号发生器参数,产生所需波形。
电子测量实训报告第一篇:电子测量实训报告电子测量实训报告一.实训目的(1)熟悉常用电子仪器的功能及使用方法。
(2)掌握常用电子仪器的工作原理。
(3)掌握常用电子仪器附加功能的使用。
(4)熟练使用常用电子仪器进行数据测量。
(5)掌握常用电子元器件的测量方法,掌握电子元器件的焊接技巧和装配工艺;学会使用万用表、示波器、毫伏表、频率计、信号发生器等电子测量仪器。
掌握查找电子设备故障的一般方法。
培养学生实际动手操作能力;为学生以后参加工作打下良好的基础。
二.基本要求一、课程性质和任务陕航航空电子设备维修专业的主干专业课程。
其任务是使学生掌握从事航空电子设备维修工作所必需的电子基本工艺和基本技能,初步形成解决实际问题的能力,为学习其他专业知识和职业技能打下基础。
二、课程教学目标(一)知识教学目标1.了解电工电子仪表、仪器的基本结构及正确使用与维护;2.掌握常用电子元器件的正确识别与检测方法;3.理解常用电子电路和简单电子整机电路的分析、检测与常见故障排除方法;4.掌握电子电路安装的工艺知识。
(二)能力培养目标1.能正确使用常用电工电子仪表、仪器;2.能正确阅读分析电路原理图和设备方框图,并能根据原理图绘制简单印刷电路;3.初步学会借助工具书、设备铭牌、产品说明书及产品目录等资料,查阅电子元器件及产品有关数据、功能和使用方法;4.能按电路图要求,正确安装、调试单元电子电路、简单整机电路;5.处理电子设备的典型故障。
(三)思想教育目标1.具有热爱科学、实事求是的学风和创新意识、创新精神;2.加强爱岗敬业意识和职业道德意识。
三、教学内容和要求基础模块(一)常用电子仪器、仪表的使用与维护1.了解常用电子仪器、仪表的结构;2.理解常用电子仪器、仪表的基本功能;3.掌握常用电子仪器、仪表的使用方法和注意事项。
(二)常用电子元器件的识别与检测1.理解常用电子元器件的型号和主要参数;2.理解常用电子元器件的识别和分类方法;3.掌握用万用表检测常用电子元器件的方法。
电子测量技术与仪器实训报告电子测量技术与仪器实训报告地址测量的介绍测量中所采用的原理、方法和技术措施。
电子测量的对象是材料、元件、器件、整机和系统的特征电磁量。
这些电磁量大致包括:①基本参量,如电压、功率、频率、阻抗、衰减和相移等;②综合参量,如网络参量、信号参量、波形参量和晶体管参量等;③特殊频段的参量,如激光频率、光纤电特性、亚毫米波参量和甚低频参量等。
对于某一测量对象,一般有多种测量技术可供选择,而某一种测量技术又往往可用于不同的测量对象。
用于同一测量对象,不同测量技术的效果可能大致相同,也可能大不相同。
在电子测量中,对于不同参量、不同量程、不同频段以至不同传输线形式,往往要采用不同的测量技术。
电子测量技术与仪器实训报告(精选10篇)随着个人素质的提升,我们都不可避免地要接触到报告,写报告的时候要注意内容的完整。
那么,报告到底怎么写才合适呢?以下是小编收集整理的电子测量技术与仪器实训报告(精选10篇),希望对大家有所帮助。
电子测量技术与仪器实训报告1一、实训目的1.在获得基本知识和基本技能的基础上,进行一次较全面、系统的训练以巩固课堂教学知识,加深对控制测量学的基本理论的理解,能够用有关理论指导作业实践,做到理论与实践相统一,提高分析问题、解决问题的能力,从而对控制测量学的基本内容得到一次实际应用,使所学知识进一步巩固、深化,建筑电子测量实训报告。
2.培养学生独立工作和解决实际问题的能力。
3.培养学生严肃认真、实事求是、一丝不苟的科学实践态度。
4.培养吃苦耐劳、爱护仪器、相互协作的职业道德。
5.熟悉及掌握用全站仪和水准仪。
二、实训任务1.用全站仪电子测量闭合导线并验证和计算2.用全站仪放样3.用水准仪测量闭合水准路线并验证和计算三、实训内容和实训步骤1.闭合导线的测量(1)选取路线,标好各个点(2)用全站仪电子测量每两个点之间的距离和每两条边之间的观测角记录于表一中(3)根据已知的两个点算出坐标方位角,再根据观测角算出下一条边的坐标方位角,对表中的数据进行计算表一闭合导线的坐标计算表2.放样(1)根据所给的点,用全站仪定点,输入该点的坐标值(2)取另一个点定向,输入该点的坐标值(3)选取其他的点,输入点的坐标值(4)转动和调节全站仪,通过棱镜的移动得到放样点,进行对比(5)重复(3)(4),对其他点进行放样对比3.闭合水准电子测量(1)用1中的路线作为闭合水准路线(2)在每两个点的中间位置放置水准仪,调平后,通过水准尺的后视读数和前视读数之差,得到高差,记录于表二中(3)对表二进行计算四、实训总结和心得测量学首先是一项精确的工作,通过在学校期间在课堂上对电子测量学的学习,使我在脑海中形成了一个基本的、理论的测量学轮廓,而实训的目的,就是要将这些理论与实际工程联系起来。
电子测量技术实验报告实验名称:电子测量技术实验实验目的:1. 熟悉电子测量仪器的使用方法。
2. 掌握基本的电子测量技术,包括电压、电流、频率等参数的测量。
3. 理解测量误差的来源及其对测量结果的影响。
实验原理:电子测量技术是利用电子仪器对电子电路中的电参数进行定量分析的技术。
常见的电子测量仪器包括示波器、万用表、频率计等。
本实验主要通过这些仪器对电路中的电压、电流、频率等参数进行测量,以验证电路设计的正确性及性能指标。
实验设备:1. 示波器2. 万用表3. 频率计4. 信号发生器5. 待测电路板及相关连接线实验步骤:1. 检查实验设备是否完好,确保所有仪器均处于正常工作状态。
2. 根据实验要求,搭建待测电路,并连接相应的测量仪器。
3. 使用示波器测量电路中的波形,记录波形的幅度和频率。
4. 使用万用表测量电路中的电压和电流,记录测量值。
5. 使用频率计测量信号的频率,记录频率值。
6. 分析测量结果,与理论值进行比较,计算误差。
7. 根据实验结果,调整电路参数,优化电路性能。
实验结果:1. 示波器测量结果显示,波形幅度为X伏特,频率为Y赫兹。
2. 万用表测量结果显示,电路中的电压为Z伏特,电流为A安培。
3. 频率计测量结果显示,信号频率为B赫兹。
误差分析:1. 示波器测量误差可能来源于仪器的校准精度以及操作者读数的准确性。
2. 万用表测量误差可能来源于仪器的内部误差以及接触不良。
3. 频率计测量误差可能来源于信号源的稳定性以及测量环境的干扰。
实验结论:通过本次实验,我们成功地掌握了电子测量技术的基本操作,并对电路中的电压、电流、频率等参数进行了准确的测量。
实验结果与理论值相比,误差在可接受范围内,说明电路设计基本正确,性能指标符合预期。
通过误差分析,我们了解到了测量误差的来源,为今后的实验提供了宝贵的经验。
实验心得:在本次实验中,我深刻体会到了电子测量技术在电子电路分析中的重要性。
通过实际操作,我不仅学会了如何使用各种电子测量仪器,还学会了如何分析测量结果,评估电路性能。
《电子测量技术》实验报告实验名称:电子测量技术实验实验目的:1. 理解电子测量的基本原理和方法。
2. 掌握常用电子测量仪器的使用方法。
3. 学会利用电子测量技术进行电路参数的测量和分析。
实验设备:1. 多用电表2. 示波器3. 信号发生器4. 电阻、电容、电感等电子元件5. 电路板及相关连接线实验原理:电子测量技术是利用电子仪器对电子电路中的电压、电流、频率、时间等参数进行测量的技术。
本实验通过使用多用电表、示波器等仪器,对电路中的参数进行测量,以验证电路设计的正确性和性能指标。
实验内容及步骤:1. 使用多用电表测量电阻、电容和电感的值。
- 校准多用电表,选择合适的量程。
- 将待测元件接入多用电表,记录测量结果。
2. 使用示波器观察信号波形。
- 连接信号发生器和示波器,设置信号发生器的频率和幅度。
- 观察示波器显示的波形,记录波形参数。
3. 测量电路的频率响应。
- 搭建待测电路,连接信号发生器和示波器。
- 改变信号发生器的频率,观察示波器上波形的变化,记录不同频率下的波形参数。
4. 分析测量结果。
- 对比理论值和测量值,分析误差产生的原因。
- 根据测量结果,评估电路的性能。
实验结果:1. 电阻、电容和电感的测量值与理论值基本一致,误差在可接受范围内。
2. 信号波形清晰,幅度和频率与设置值相符。
3. 电路的频率响应曲线平滑,符合设计预期。
实验结论:通过本次实验,我们掌握了电子测量的基本方法和仪器的使用,能够对电路中的参数进行准确测量。
实验结果表明,所搭建的电路性能良好,与设计预期相符。
通过实验,我们加深了对电子测量技术的理解,提高了实际操作能力。
注意事项:1. 在使用电子测量仪器前,应仔细阅读使用说明书,了解仪器的使用方法和注意事项。
2. 在测量过程中,注意仪器的量程选择,避免超量程测量。
3. 实验结束后,应及时整理实验器材,确保仪器和元件完好无损。
本次实验报告到此结束,感谢指导老师的悉心指导和同学们的协助。
电子测量实验报告本次实验主要是为了学习电子测量的基本原理和方法,并掌握其在实际应用中的运用。
通过了解电子测量的基本概念和理论,我深刻认识到电子测量在现代科技领域中的重要作用。
在本文中,我将分享我的实验经验以及对电子测量的一些认识。
一、实验目的及原理1. 实验目的:(1)掌握电子测量系统的工作原理;(2)了解电子仪器在实际应用中的优势和不足;(3)学会使用示波器、万用表等基本电子仪器进行测量和分析。
2. 原理电子测量是一种使用电子仪器对电路中的电压、电流、频率、电阻、电容等参数进行测量的方法。
电子测量系统由各种电子仪器组成,其中更加常用的是示波器和万用表。
示波器是一种能够显示波形的电子仪器,它可以显示信号的振幅、频率、相位等参数。
示波器的工作原理是将电压信号转换为电流信号,并通过电子管进行放大,最终在显像管上形成图象。
波形的形状可以反映电路中存在的各种问题,如幅值、频率、相位、波形失真等。
万用表是一种通用测量仪器,它能够测量电压、电流、电阻等不同类型的参数。
万用表的原理是通过电阻进行测量,通过电阻计算出被测量的参数。
由于万用表能够自动调整量程,因此它也是一种非常常用的电子仪器。
二、实验操作及结果在实验中,我们首先使用万用表对电路进行初步测试,测量各节点的电压和电阻值。
接下来,我们使用示波器对电路中的信号进行测量,如测量不同频率下的信号波形、测量滤波器的截止频率等。
最终,我们还使用示波器进行信号发生器的调整和测量,以学习如何生成各种信号和测量示波器的性能。
通过实验,我对电子测量的基本原理和方法有了更深入的了解。
同时,我也认识到电子仪器在实际应用中存在的各种问题,如精度、量程、滞后等。
电子测量需要精密的仪器和高超的技能,因此在日常的实践中需要谨慎、细致地进行。
三、实验结论及心得通过本次实验,我对电子测量有了更系统的认识,并掌握了一些基本的技能和方法。
在实际应用中,电子测量起着至关重要的作用,它在各个行业中都有应用,如通讯、电力、航空等。
电子测量技术实验报告电子测量技术实验报告引言:电子测量技术是电子工程中非常重要的一部分,它涉及到电子设备的测量、测试和校准等方面。
本实验报告将对电子测量技术进行探讨和总结,包括测量仪器的使用、测量误差的分析和校准方法的介绍。
一、测量仪器的使用在电子测量中,常用的测量仪器有示波器、信号发生器和多用表等。
示波器是一种用于观察和测量电压波形的仪器,它能够直观地显示信号的幅度、频率和相位等信息。
信号发生器则是用于产生各种特定频率和幅度的信号,以便进行测试和校准。
多用表则广泛应用于电压、电流、电阻等基本参数的测量。
二、测量误差的分析在电子测量中,由于各种因素的存在,测量结果往往会存在一定的误差。
误差的来源包括测量仪器的精度、环境条件的变化以及人为操作的不准确等。
为了减小误差,我们需要了解误差的类型和产生原因。
常见的误差类型有系统误差和随机误差。
系统误差是由于测量仪器本身的不准确性或者测量环境的变化引起的,而随机误差则是由于测量过程中的偶然因素导致的。
三、校准方法的介绍为了提高测量结果的准确性,我们需要对测量仪器进行校准。
校准是通过与已知准确值进行比较,确定测量仪器的误差并进行修正的过程。
常用的校准方法包括零点校准、量程校准和线性校准等。
零点校准是将测量仪器的零点偏差调整到准确值,以消除系统误差。
量程校准则是通过调整测量仪器的量程范围,使其能够准确测量不同幅度的信号。
线性校准则是通过与已知线性关系的信号进行比较,确定测量仪器的非线性误差并进行修正。
四、实验结果与讨论在本次实验中,我们使用示波器对一个正弦信号进行测量,并对测量结果进行分析和讨论。
通过实验数据的记录和处理,我们可以得到信号的幅度、频率和相位等参数。
同时,我们还可以计算出测量结果的误差,并通过校准方法进行修正。
实验结果表明,经过校准后,测量结果的准确性得到了显著提高。
结论:电子测量技术是电子工程中不可或缺的一部分,它对于电子设备的测试和校准具有重要意义。
一、实习背景随着科技的不断发展,电子测量技术在各个领域都得到了广泛应用。
为了更好地了解电子测量技术的基本原理和应用,提高自身的实践能力,我参加了为期两周的电子测量技术实习。
二、实习目的1. 了解电子测量技术的基本原理和常用测量方法。
2. 掌握电子测量仪器的使用方法和操作技巧。
3. 通过实际操作,提高自己的动手能力和分析问题、解决问题的能力。
4. 培养严谨的科学态度和团队协作精神。
三、实习内容1. 基本原理学习实习期间,我们学习了电子测量技术的基本原理,包括模拟信号与数字信号、测量误差、测量方法等。
通过学习,我们对电子测量有了更深入的认识。
2. 电子测量仪器使用实习中,我们接触了多种电子测量仪器,如示波器、万用表、信号发生器等。
在指导老师的带领下,我们学会了这些仪器的使用方法和操作技巧。
3. 实际操作在掌握了电子测量仪器的使用方法后,我们进行了实际操作。
主要包括以下几个方面:(1)信号源的使用:通过信号发生器产生正弦波、方波、三角波等信号,并用示波器观察波形。
(2)电压、电流的测量:使用万用表测量电路中的电压、电流等参数。
(3)频率、相位测量:使用示波器测量信号频率、相位等参数。
(4)电路调试:通过调整电路元件,使电路达到预期的性能。
4. 团队协作在实习过程中,我们分成小组进行实际操作,相互协作,共同解决问题。
通过团队协作,我们学会了如何与他人沟通、合作,提高了自己的团队协作能力。
四、实习收获1. 掌握了电子测量技术的基本原理和常用测量方法。
2. 熟练掌握了电子测量仪器的使用方法和操作技巧。
3. 提高了动手能力和分析问题、解决问题的能力。
4. 培养了严谨的科学态度和团队协作精神。
五、实习总结通过这次电子测量技术实习,我对电子测量技术有了更深入的了解,提高了自己的实践能力。
在今后的学习和工作中,我会继续努力,将所学知识运用到实际中,为我国电子测量技术的发展贡献自己的力量。
同时,感谢实习期间指导老师和同学们的帮助与支持,让我在实习过程中收获颇丰。
本次电子测量综合实训旨在使学生掌握电子测量技术的基本原理和操作方法,熟悉常用电子仪器的功能和使用,提高学生实际动手操作能力和解决实际问题的能力。
通过本次实训,学生应达到以下目标:1. 熟悉电子测量技术的基本概念和原理;2. 掌握常用电子仪器的使用方法;3. 学会使用万用表、示波器、频率计等电子测量仪器;4. 掌握电子元器件的测量方法;5. 学会分析测量结果,并解决实际问题。
二、实训内容1. 电子测量技术基本原理本次实训首先介绍了电子测量技术的基本概念和原理,包括测量误差、测量方法、测量仪器的分类等。
2. 常用电子仪器使用方法(1)万用表的使用:实训过程中,学生学习了万用表的基本结构、量程选择、测量方法等,并进行了实际操作练习。
(2)示波器的使用:实训中,学生了解了示波器的工作原理、操作方法,学会了如何观察信号波形、测量信号幅度、频率等。
(3)频率计的使用:实训过程中,学生掌握了频率计的基本操作方法,学会了如何测量信号的频率。
3. 电子元器件测量实训中,学生学习了如何使用万用表测量电阻、电容、电感等电子元器件的参数,并进行了实际操作练习。
4. 测量结果分析及问题解决实训过程中,学生分析了测量结果,学会了如何处理测量误差,并针对实际问题提出了相应的解决方案。
1. 准备工作:实训前,学生预习了相关理论知识,熟悉了实训内容。
2. 实训操作:实训过程中,学生在教师的指导下,按照实训步骤进行操作,掌握了常用电子仪器的使用方法。
3. 数据记录与分析:学生在实训过程中,认真记录了测量数据,对测量结果进行了分析,找出了误差原因。
4. 交流讨论:实训结束后,学生分组讨论,交流实训心得,总结经验教训。
四、实训总结1. 通过本次实训,学生掌握了电子测量技术的基本原理和操作方法,提高了实际动手操作能力。
2. 学生学会了使用万用表、示波器、频率计等常用电子仪器,为今后的学习和工作打下了基础。
3. 学生在实训过程中,学会了分析测量结果,并针对实际问题提出了相应的解决方案,提高了问题解决能力。
电子测量实训报告学生姓名:学号:指导教师:实验地点:试验时间:一、实验课题名称:电子测量技术二、实验内容:1)测人体电阻2)测四色环电阻3)测五色环电阻4)测发光二极管5)测电容三、操作方法与实验步骤1)测人体电阻:1.将万能表调至欧姆档×10k2.万能表调零——将红黑表笔相接触,左手握住接触位置,右手将万能表调至零处3.测人体电阻——右手执黑表笔,左手执红表笔,观察万能表指针位置,所得人体阻值为29×10k2) 测四色环电阻:1.读四色环电阻(见书30页):棕绿橙金:15000ω=15 kω1.5 000橙白红金:3900ω= kω3 9 002.将万能表调至欧姆档×1k3.万能表调零——4.左手执四色环一端,右手执红黑表笔,将其分别放置四色环两端,观察万能表指针位置现象:棕绿橙金:15 kω橙白红金:4 kω5.分析:说明“橙白红金”四色环有误差3) 测五色环:1.读五色环电阻(见书30页):棕黑黑红棕:10000ω=10 kω1.0 0 00橙白红棕棕:3900ω= kω3 9 0 02.将万能表调至欧姆档×1k3.万能表调零——4.左手执五色环一端,右手执红黑表笔,将其分别放置五色环两端,观察万能表指针位置现象:棕黑黑红棕:10 kω橙白红棕棕:4 kω5.分析:说明“橙白红棕棕”五色环有误差4) 测发光二级管(可判断发光二极管的好坏)1.将万能表调至欧姆档×10k2.万能表调零——3.左手执发光二极管,右手执红黑表笔,将红表笔接二极管的短端,黑表笔接二极管的长端(此接法为正向电阻)现象:发光二极管发光万能表所测阻值为30×10k4.右手执发光二极管,左手执红黑表笔,将红表笔接二极管的长端,黑表笔接二极管的短端现象:发光二极管无变化万能表指针向右偏转,又渐渐偏向最左端,电阻为无穷大5) 测电容1.将万能表调至欧姆档×1k2.万能表调零——3.左手执电容,右手执红黑表笔,将红表笔接电容的短端,黑表笔接电容的长端现象:万能表指针在最左端,所得阻值为无穷大4.左手执电容,右手执红黑表笔,将红表笔接电容的长端,黑表笔接电容的短端现象:1.万能表阻值依旧为无穷大→电容质量好5.万能表阻值为非无穷大时→电容质量差篇二:电子测量实训报告()实训内容选项项目:第一部分:项目实训一直流稳压电源的使用及技术指标测试项目实训二数字式万用表的使用项目实训三晶体管毫伏表的使用项目实训四信号发生器的使用(选做)项目实训五示波器的使用(选段)项目实训六数字频率计的使用第二部分:项目实训一晶体管单管共射极放大电路项目实训二射极输出器(选做)项目实训三负反馈放大电路(选做)项目实训四 otl功率放大器项目实训五集成运放的线性应用项目实训六 lc正弦波振荡器项目实训七直流稳压电源第一部分项目实训四信号发生器的使用(一)、实验目的:了解信号发生器使用和示波器使用(二)、实验仪器:信号发生器,示波器、导线若干。
一、实习背景随着科技的飞速发展,电子测量技术在各个领域都得到了广泛的应用。
为了提高自身的实践能力和专业知识,我于2023年3月至4月在XX电子科技有限公司进行了为期一个月的电子测量技术实习。
通过这次实习,我对电子测量技术有了更深入的了解,同时也提升了自身的专业技能。
二、实习目的1. 熟悉电子测量技术的原理和方法,掌握常用电子测量仪器的使用技巧。
2. 培养动手能力,提高解决实际问题的能力。
3. 了解电子测量技术在工业生产中的应用,为今后的工作打下基础。
三、实习内容1. 电子测量技术基础理论在实习期间,我首先学习了电子测量技术的基本原理和方法,包括电压、电流、电阻、电容、电感等基本物理量的测量。
通过学习,我对电子测量技术的原理有了更深入的了解,为实际操作打下了基础。
2. 常用电子测量仪器实习期间,我接触了多种电子测量仪器,如数字万用表、示波器、函数信号发生器、频率计等。
通过实际操作,我掌握了这些仪器的使用方法,能够根据实际需求选择合适的仪器进行测量。
3. 电子测量技术在工业生产中的应用在实习过程中,我参观了电子公司的生产线,了解了电子测量技术在工业生产中的应用。
例如,在产品组装过程中,需要使用示波器检测电路板是否正常工作;在产品调试过程中,需要使用数字万用表测量电路参数是否满足要求。
4. 实际操作在实习期间,我参与了以下实际操作:(1)使用数字万用表测量电路板上的电压、电流、电阻等参数。
(2)使用示波器观察电路波形,分析电路工作状态。
(3)使用函数信号发生器产生不同频率和幅度的信号,进行电路测试。
(4)协助工程师进行产品调试,解决实际问题。
四、实习收获1. 提升了电子测量技术的理论知识水平。
2. 掌握了常用电子测量仪器的使用技巧。
3. 培养了动手能力和解决实际问题的能力。
4. 了解了电子测量技术在工业生产中的应用,为今后的工作打下了基础。
五、实习总结通过这次电子测量技术实习,我对电子测量技术有了更深入的了解,同时也提升了自身的专业技能。
本文部分内容来自网络整理,本司不为其真实性负责,如有异议或侵权请及时联系,本司将立即删除!== 本文为word格式,下载后可方便编辑和修改! ==电子测量实验报告篇一:电子测量课程实验报告福建农林大学计算机与信息学院课程名称:姓名:系:专业:年级:学号:指导教师:职称:信息工程类实验报告电子测量技术电子信息工程系电子信息工程年月日实验项目列表福建农林大学计算机与信息学院信息工程类实验报告系:电子信息工程系专业:电子信息工程年级:姓名:学号:实验课程:电子测量技术基础实验室号:_田406 实验设备号: 10 实验时间:指导教师签字:成绩:实验一:示波器、信号发生器的使用1.实验目的和要求1)了解示波器的结构。
2)掌握波形显示的基本原理、扫描及同步的概念。
3)了解电子示波器的分类及主要技术性能指标。
4)掌握通用示波器的基本组成及各部分的作用。
5)了解各种信号发生器如正弦信号发生器、低频信号发生器、超低频信号发生器、函数信号发生器等的工作原理和性能指标以及信号选择。
2.实验原理在时域信号测量中,电子示波器无疑是最具代表性的典型测量仪器。
它可以精确复现作为时间函数的电压波形(横轴为时间轴,纵轴为幅度轴),不仅可以观察相对于时间的连续信号,也可以观察某一时刻的瞬间信号,这是电压表所做不到的。
我们不仅可以从示波器上观察电压的波形,也可以读出电压信号的幅度、频率及相位等参数。
电子示波器是利用随电信号的变化而偏转的电子束不断轰击荧光屏而显示波形的,如果在示波管的X偏转板(水平偏转板)上加一随时间作线性变化的时基信号,在Y偏转板(垂直偏转板)加上要观测的电信号,示波器的荧光屏上便能显示出所要观测的电信号的时间波形。
若水平偏转板上无扫描信号,则从荧光屏上什么也看不见或只能看到一条垂直的直线。
因此,只有当X偏转板加上锯齿电压后才有可能将波形展开,看到信号的时间波形。
一般说来,Y偏转板上所加的待观测信号的周期与X偏转板上所加的扫描锯齿电压的周期是不相同的,也不一定是整数倍,因而每次扫描的起点对待观测信号来说将不固定,则显示波形便会不断向左或向右移动,波形将一片模糊。
实验一数字存储示波器的使用一、实验目的1、熟悉数字存储示波器的工作原理;2、掌握数字存储示波器的使用方法。
二、实验原理1.数字存储示波器的组成原理数字示波器将输入信号数字化(时域取样和幅度量化)后,经由D/A转换器再重建波形。
数字示波器具有记忆、存贮被观察信号功能,又称为数字存贮示波器。
当处于存储工作模式时,其工作过程一般分为存储和显示两个阶段。
在存储工作阶段将模拟信号转换成数字化信号,在逻辑控制电路的控制下依次写入到RAM中。
在显示工作阶段,将数字信号从存储器中读出转换成模拟信号,经垂直放大器放大加到CRT的Y偏转板。
同时,CPU的读地址计数脉冲加至D/A转换器,得到一个阶梯波扫描电压,驱动CRT的X偏转板,如图2.1所示。
图2.1 数字存储示波器的组成原理图2.数字存储示波器的工作方式(1)数字存储器的功能随机存储器RAM包括信号数据存储器、参考波形存储器、测量数据存储器和显示缓冲存储器四种。
(2)触发工作方式1)常态触发 —同模拟示波器基本一样。
2)预置触发 —可观测触发点前后不同段落上的波形。
(3)测量与计算工作方式数字存储示波器对波形参数的测量分为自动测量和手动测量两种。
一般参数的测量为自动测量,特殊值的测量使用手动光标进行测量。
(4)面板按键操作方式数字存储示波器的面板按键分为立即执行键和菜单键两种。
3.数字存储示波器的显示方式 (1)存储显示——适于一般信号的观测。
(2)抹迹显示——适于观测一长串波形中在一定条件下才会发生的瞬态信号。
(3)卷动显示——适于观测缓变信号中随机出现的突发信号。
(4)放大显示——适于观测信号波形细节。
(5)X —Y 显示图2.2 数字存储示波器的显示方式(6)显示的内插插入技术可以解决点显示中视觉错误的问题。
主要有线性插入和曲线插入两种方式。
4. 实时采样和等效时间采样在现在为止我们所介绍的波形数字化方法称为实时采样,这时所有的采样点都是按照一个固定的次序来采集的,这个波形采样的次序和采样点在示波器屏幕上出现的次序是相同的,只要一个触发事件就可以启动全部的采样动作。
如图2.3所示。
(a) 卷动显示(b) 放大显示-3 -采样时刻12345678图2.3 实时采样在很多应有场合,实时采样方式所提供的时间分辨率仍然不能满足工作的要求,在这些应用场合中,要观查的信号常常是重复性的,即相同的信号图形按有规则的时间间隔重复的出现。
对于这些信号来说,示波器可以从若干个连续信号周期中采集到的多组采样点来构成波形,第一组新的采样点都是由一个新的触发事件来启动采集的。
这成为等效时间采样,在这种模式下,一个触发事件到来以后,示波器就采集信号波形的一部分,例如,采集五个采样点并将它们存入存储器,另一个触发事件则用来采集另外五个采样点并将其存贮在同一存储器的不同位置,如此进行下去经过若干次触发事件以后,存储器内存贮足够的采样点,就可以在屏幕上重建一个完整的波形,等效时间采样使得示波器在高时基设置值之下给出很高的时间分离率,这样一来就好像示波器具有了比实际采样速率要高很多的一个虚拟采样速率或称等效时间采样速率。
图2.4 顺序等效时间采样等效时间采样的方法采用从重复性信号的不同的周期取得采样点来重建这个重复性信号的波形,这样就提高了示波器时间的分辨率。
5. 峰值检测和平均值检测我们知道,DSO在特定时刻对输入信号进行采样,如本章开头所述,采样点之间的时间间隔取决于时基设置。
如果毛刺的宽度比示波器的示波器分辨率还要小,那么能否捕捉到毛刺就看运气如何了。
为了能够捕捉到毛刺,我们的方法就是峰值检测或毛刺捕捉。
采用峰值检测的方法时,示波器将对信号波形的幅度连续地进行监测,并由正负峰值检测器将信号的峰值幅度暂时存储起来。
当示波器要显示采样点的时候,示波器就将正或负峰值检测器保存的峰值进行数字化,并将该峰值检测器清零。
这样在示波器上就用检测到的信号的正、负峰值代替了原来的采样点数值。
因此,峰值检测的方法能够帮助我们发现由于使用的采样速率过低而丢失的信号或者由于假象而引起失真的信号。
峰值检测的方法对于捕捉调制信号,也是非常有用的。
为了显示这类信号,必须将示波器的时基设置得和调制信号在频率相配合,而在这种信号中,调制信号的频率通常在音频范围但载波频率通常在455KHz 或者更高。
在这种情况下,不使用毛刺捕捉功能,就不能正确地采集信号,而使用毛刺捕捉功能就可以看到类似模拟示波器所显示的波形。
示波器上的峰值检测功能是通过硬件(模拟)峰值检测器的方法或者快速采样的方法来实现的,模拟峰值检测器是一个专门的硬件电路,它以电容上电压的形式存储信号的峰值,这种缺点是速度比较慢,它通常只能存储宽度大于几个微秒且具有相当幅度的毛刺。
数字式峰值检测器围绕ADC而构成,这时ADC将以可能的最高采样速率连续对信号进行采样,然后将峰值存储在一个专门的存储器中,当要显示采样点的值时,存储的峰值就作为该时刻的采样值来使用。
数字式峰值检测器的优点是其速度和数字化过程的速度一样快,示波器PM3394A就能够在很低的时基速率设置下,如1秒/格,以正确的幅度采集到窄至5ns的毛刺。
平均值检测则是示波器采集几个波形,将他们平均,然后显示最终波形。
此模式可减少所显示信号中的随机或无关噪音。
三、实验设备1.数字存储示波器DS5022ME 一台2.函数信号发生器DG1022 一台3.连接导线若干四、实验步骤1.自校正按下示波器电源开关按钮,将所有探头或导线与输入连接器断开。
然后按“UTILITY”按钮,选择“自校正”,此时屏幕会显示自校正菜单。
示波器进入自校正状态。
注意示波器内部继电器的“滴答”声,表明示波器正在进行“自动调整”状态。
2.使用默认设置示波器在出厂前被设置为用于常规操作,即默认设置。
“DEFAULT SETUP”按钮为默认设置的功能按钮,按下“DEFAULT SETUP”按钮调出厂家多数的选项和控制设置,有的设置不会改变。
3.使用自动设置将示波器探头设置为×10,示波器探头接到示波器的输入端口(两各通道均接入)。
两探头均挂入示波器的测试点上,按下“AUTO”按钮。
通道1和2应显示方波。
如图2.5所示。
4.观测示波器的屏幕显示区域图2.5 屏幕显示区域屏幕显示区域中数字标注说明:1) 显示图标表示采集模式采样模式峰值检测模式平均值模式2) 触发状态已配备。
示波器正在采集预触发数据,在此状态下忽略所有触发。
准备就绪。
示波器已采集所有预触发数据并准备接受触发。
已触发。
示波器已发现一个触发并正在采集触发后的数据。
停止。
示波器已停止采集波形数据。
- 5 -采集完成。
示波器已完成一个“单次序列”采集。
自动。
示波器处于自动模式并在无触发状态下采集波形。
扫描。
在扫描模式下示波器连续采集并显示波形。
3) 使用标记显示水平触发位置。
旋转水平“POSITION”旋钮调整标记位置。
4) 用读数显示中心刻度线的时间。
5) 使用标记显示“边沿”脉冲宽度触发电平,或选定的视频线或场。
6) 使用屏幕标记表明显示波形的接地参考点。
若没有标记,不会显示通道。
7) 以读数显示通道的垂直刻度系数。
8) B图标表示通道是带宽限制的。
9) 以读数显示主时基设置。
10) 若使用窗口时基,以读数显示窗口时基设置。
11) 以读数显示触发使用的触发源。
12) 采用图标显示选定的触发类型。
13) 用读数表示“边沿”脉冲宽度触发电平。
14) 以读数显示触发频率。
5.示波器面板操作指南图2.6 示波器面板图面板控制区分为:菜单操作键(5个),水平控制区,垂直控制区,触发控制区,常用功能键区(7个功能键),运行控制区,自动测试按钮及万能旋钮等组成。
1)示波器探头CH1接入函数信号发生器输出,调节垂直、水平及触发相应按钮,使屏幕上稳定的显示一至两个正弦波;2)调节信号源频率分别8Hz 、50Hz、200Hz正弦波(峰峰值均调至2V)。
用示波器自动测量,并将测量数据填入下表中。
3)调节信号源频率分别8Hz 、50Hz、200Hz三角波(峰峰值均调至2V)。
用示波器自动测量,并将测量数据填入下表中。
6.信号获取系统设置将信号输入调节到一个较高频率范围(例如:8KHz),使波形稳定显示在屏幕上。
按下按键ACQUIRE,选择峰值检测和平均值检测菜单,观察显示波形的变化。
改变采样方式按钮,切换实时采样/等效采样模式,观察波形现象。
7.显示系统信号源保持不变,按下按键DISPLAY,选择类型键,切换矢量/点,观察波形并将两种波形绘制下来。
通过调节对比度+、-按钮,使波形在面板上清晰显示。
按下“下一页”按钮,自行调节格式、屏幕、网格按钮,观察面板波形变化(最终设置在YT格式,蓝底黑屏、网格布满状态)。
8.光标测量信号源频率调到1KHz,峰峰值为2V的方波信号,使波形稳定显示在屏幕上。
按下按键- 7 -CURSORS,设置好信源。
按下按键RUN/STOP,使波形固定。
先选择类型中的“电压”,再选择CurA和CurB,用万能旋钮“POSITION”分别调节光标线位置,测量峰峰值电压并记录于下表中。
再选择类型中的“时间”,再选择CurA和CurB,用万能旋钮“POSITION”分别调节光标线位置,测量周期和频率并记录于下表中。
信号源:频率1KHz 峰峰值2V9.存储系统按下按键STORAGE,将“类型”菜单设置为波形存储,将波形菜单选择No.1,按“保存”按钮保存波形,关掉信号源,调出已存储的波形,熟悉各个按钮的使用方法。
五、实验报告及总结1.整理测量数据,计算出相对误差。
记录下相应波形;。