电子测量仪器采购协议书
- 格式:docx
- 大小:11.27 KB
- 文档页数:5
可编辑修改精选全文完整版测绘合同协议(通用)测绘合同协议(通用)篇1甲方(出租方):乙方(承租方):签订时间:签订地点:合同编号:第一条根据《中华人民共和国经济合同法》及有关规定,为明确甲乙双方的权利义务关系,经双方协商一致,订立本合同。
第二条租赁期限:测量仪器的租赁期限始于年月日时,甲方从当日起交付给乙方使用,同时乙方支付押金。
乙方使用周期至年月日时结束租赁归还给甲方。
如遇特殊情况,乙方应在归还日之前一天通知甲方,征得甲方同意后,在不超过规定时间的12小时内归还仪器。
第三条租金和租金的交纳期限:1、乙方在获得租赁仪器之时应向甲方交纳双方确认租赁的仪器押金,押金为:在乙方退回租赁仪器时,甲方应在24小时内退还乙方押金。
2、双方约定本合同租金按日计算,每日租赁单价为:终核算,核算租金=每日租赁单价×周期(天)。
3、甲乙双方按合同规定的租赁期间结算租赁费用,日租日结、周租周末结、月租月末结。
如乙方不能按期承付租金,甲方则按逾期租金总额每天加收千分之三的罚金。
第四条租赁期间租赁仪器的维修保养:1、甲乙双方确认租赁关系之时,双方应对仪器的质量、精度等共同确认,租赁仪器由甲方移交给乙方之时起,甲方负责正常的维修保养及普通故障的排除。
2、因乙方使用不当,导致租赁仪器硬件出现故障或受损无法使用,乙方不得自行拆机维修,应返还甲方维修,费用由乙方支付。
第五条出租方与承租方的变更。
1、在租赁期间,甲方如将出租仪器所有权转移给第三方,应通知乙方,征求乙方同意后可用相同性能的仪器代替出租,但甲、乙双方应对价格进行再次确认并订立新的合同。
2、在租赁期间,乙方可随时终止租赁,缴纳的租金以实际使用时间所属期间支付给甲方;例如:乙方与甲方最初订立合同,租期为两月,但乙方使用五周后由其自身原因要求结束合同,则结算时乙方需支付一月又一周租金。
3、乙方享有仪器的使用权,但不得转让或作为财产抵押,未经甲方同意亦不得在设备上增加或拆除任何部件。
机床静刚度测试仪买卖合同合同编号:发包方(甲方):签订地点:承揽方(乙方):签订时间:2019年12月25日根据招标结果,承揽方为中标人,现依照招标文件、投标文件及相关文件的内容,双方达成如下协议:一、设备型号、配置、性能指标及功能、价款及供货期2、配置3、性能指标及功能3.1 力值:量程0~3 kN,精度0.5%。
3.2 位移:量程0~10 mm,精度0.005 mm,分辨率0.0001 mm。
3.3 物理通道:4路,其中1路力值和3路位移。
3.4 具有力值、位移清零及静刚度计算功能。
3.5 仪表可显示床头、床尾、刀架的变形量及力值,可自动计算出刚度值。
3.6 可存储、查询测量数据。
3.7 镶嵌式微型打印机可打印测量数据。
3.8 加力装置可模拟刀具施加切削力。
3.9 供电电源:AC 220V±10%、50Hz。
4、设备总价款:设备单价某万(人民币),合同总价某万元(人民币),人民币大写:某万元整。
5、供货期:2020年1月15日之前。
二、质量标准:确保达到技术协议约定的标准。
(附技术协议)。
三、乙方对质量负责的条件及期限:全套设备免费保修一年。
四、包装标准及包装回收:大件裸装,电器仪表包装不回收。
五、合理损耗标准及计量方法:无。
六、交(提)货方式、地点:乙方送货至发包方厂区。
七、运输方式及到达站(港):汽运至发包方指定地点。
八、验收标准:设备正常运行。
(按技术协议规定)。
九、成套设备的安装与调试:乙方负责全套设备的制作、安装与调试。
十、培训计划:乙方负责对甲方操作人员免费培训,直至甲方操作人员能独立操作为止。
十一、结算方式、时间及地点:1、合同签订后预付合同总金额的30%;2、主体是被到厂开始安装付合同总金额的30%;3、安装完毕正常投入运行检测合格后,乙方开具全额发票付合同总金额的35%;4、合同总金额的5%余款,质保一年,期满后乙方提出书面验收申请,无质量问题后无息付清。
十二、本合同的解除条件:因不可抗力致使不能实现合同目的的。
淮阴师范学院测绘工程实验室仪器设备采购我校现采用公开方式采购测绘工程实验室仪器设备一批,欢迎符合资质的相关单位积极参与本次采购活动。
一、项目概况、项目编号:HNU--ZC、项目名称:测绘工程实验室仪器设备采购、项目简要说明:因测绘工程实验室建设需要,采购GNSS接收机、全站仪、电子水准仪、经纬仪、水准仪、对讲机、控制点标志、充电器等仪器设备批。
、本项目预算:人民币肆拾万捌仟捌佰元整(¥,.),经费来源为年度校内实验室建设经费。
二、资质材料要求响应人应具有并提供下列材料:、法人或者其他组织的营业执照等证明文件;、法人或授权代表的身份证复印件(加盖响应人印章);、响应人近三年内在参加采购活动中没有重大违法记录承诺书。
三、采购需求、采购物品、数量及技术参数要求、质保及售后服务要求:要求提供至少一年免费质保服务。
、本项目要求的供货时间为合同签订后日内送货安装调试完成。
四、响应人须知、本项目成交原则为满足采购技术参数需求的,报价低者成交。
响应人或有效响应人不足三家的,可视具体情况采取谈判、磋商或其他方式进行。
、关于报价:①本项目报价应为综合报价,含货值、运输、装卸、安装、质保、售后服务、税费等一切费用,除约定外采购方不再支付其他费用。
②报价一律以人民币报价。
、成交人应在接到我方成交通知书后按成交总额的%缴纳履约保证金(以佰为单位取整),并签订合同,否则,作自动放弃处理;履约保证金在成交人按质按期交货后一次性退还(不计息);如成交人未能按质按期交货,我方有权扣留此履约保证金。
、成交人须保证所供产品为正规渠道供货的正宗原厂产品。
签订合同前,我方有权要求成交人提供厂家授权书及售后服务承诺书,并作为合同签订的先决条件。
、成交人应在我方指定时间内送货到指定地点,并按要求负责安装、调试,其所有费用除特别注明外,一律由成交人负责。
、验收与付款:成交人供货完成后,我方将组织人员对所供物品进行验收。
如验收合格,我方将凭成交人开具的正规发票一次性付清货款总额的%,其余%货款在质保期满后如无质量及售后服务问题,一次性付清给中标单位;如验收不合格以及发现伪劣产品等,我方将视其情况,采取换货、退货、拒付货款、索赔等措施,直至向质量、技术监督部门报告,依法处理。
合同编号:EMC 节能效益分享型合同项目名称:甲方:乙方:签订日期:年月日合同能源管理项目合同鉴于本合同甲乙双方同意按“合同能源管理模式”就(以下简称“项目”或“本项目”)进行专项节能服务,并支付相应的节能服务费用。
双方经过平等协商,在真实、充分地表达各自意愿的基础上,根据《中华人民共和国合同法》及其他相关法律法规的规定,并参照《合同能源管理技术通则》(GB/T24915-2010)中的标准合同格式,达成如下协议,并由双方共同恪守。
第1节术语和定义双方确定:本合同及相关附件中所涉及的有关名词和技术术语,其定义和解释如下:1.1 合同能源管理节能服务公司与用能单位以契约形式约定节能项目的节能目标,节能服务公司为实现节能目标向用能单位提供必要的服务,用能单位以节能效益支付节能服务公司的投入及其合理利润的节能服务机制。
1.2 合同能源管理项目合同能源管理机制实施的节能项目。
1.3节能服务公司 energy services company:ESCO提供用能状况诊断、节能项目设计、融资、改造(施工、设备安装、调试)、运行管理等服务的专业化公司。
1.4 能耗基准由用能单位和节能服务公司共同确认的,用能单位或用能设备、环节在实施合同能源管理项目前某一时间段内的能源消耗状况。
1.5 项目节能量在满足同等需求或达到同等目标的前提下,通过合同能源管理项目实施,用能单位或用能设备、环节的能源消耗相对于能耗基准的减少量。
1.6 工频耗电量(千瓦时/小时)工频耗电量为单套系统(节能设备)在不高于设计产量工频状态下测试的平均每小时的电量。
1.7 变频耗电量(千瓦时/小时)变频耗电量为单套系统(节能设备)在不高于设计产量变频状态下测试的平均每小时的电量。
1.8 节电量(千瓦时/小时)节电量为单套系统(节能设备)每小时节约的电量,即节电量=工频耗电量—变频耗电量-附加设备耗电量。
1.9 节电率节电率=(工频耗电量-变频耗电量-附加设备耗电量)÷工频耗电量×100%第2节项目期限2.1 本合同有效期自合同签订之日起,至合同权利义务履行完毕止。
《技术协议书》(一)YQ3000-C型全自动烟尘(气)测试仪1、设备用途:主要用于有组织排放烟道烟尘、尘汞采样,烟气有害气体的检测。
2、主要特点2.1内置可充电锂电池,真正实现现场工况采样;2.2安卓系统平板电脑手操器,可实现人机分离采样;2.3一机多用,可测烟尘、烟气、油烟、沥青烟;2.4高效烟尘过滤装置,精度高达1μm,避免污染烟尘采样泵;2.5高性能长寿命烟气采样泵,负压高达60kPa;2.6真正实现现场LIMS采样系统,实现现场采样质控,GPS定位以及数据实时监控;2.7烟气恒流抽取,测定值更加稳定准确;2.8大容量数据存储(30000组),打印项目可选;2.9主机内置打印机,实现现场数据打印;2.10军用型坚固外壳,可在恶劣环境下使用;2.11全程特氟龙采样,减少烟气的吸附,提高测量精度;2.12自动修正温度/压力,标况数据直读;2.13烟尘采样防倒吸功能;3、技术指标项目参数范围分辨率误差0.1 L/min 优于±2.5%采样流量( 5.0~80.0)L/min流量控制稳定性 优于 ±2% (电压在180V~250V 变化,阻力在3~6kPa内变化)烟气动压 (0~2000)Pa1 Pa优于±2% 烟气静压(-30.00 ~+30.00)kPa0.01kPa 优于±4 %计前压力 (-20.00 ~0 .00)kPa0.01 kPa优于±2.5 %计前温度(-55.0 ~ 125.0)℃0.1℃ 优于±2℃烟气温度 (0~600)℃(可扩展)1℃优于±3℃烟气流速 (0~45)m/s0.1 m/s优于±5 %干、湿球温度(0~ 100)℃0.1℃优于±1.5 ℃等速吸引流速 (1~45)m/s0.1 m/s优于±4 %等速跟踪响应时间 ≤4s空气过剩系数0~99.99 0.01 优于±2.5 %O 2(0 ~ 25)% 0.1%示值误差:≤±5 %;重复性: ≤2 %; 响应时间:≤90s ; 稳定性:1小时内示值变化≤5 %。
采购合同三方合同(合集8篇)(经典版)编制人:__________________审核人:__________________审批人:__________________编制单位:__________________编制时间:____年____月____日序言下载提示:该文档是本店铺精心编制而成的,希望大家下载后,能够帮助大家解决实际问题。
文档下载后可定制修改,请根据实际需要进行调整和使用,谢谢!并且,本店铺为大家提供各种类型的经典合同,如建筑合同、房屋合同、劳动合同、买卖合同、服务合同、贸易合同、金融合同、施工合同、装修合同、其他合同等等,想了解不同合同格式和写法,敬请关注!Download tips: This document is carefully compiled by this editor. I hope that after you download it, it can help you solve practical problems. The document can be customized and modified after downloading, please adjust and use it according to actual needs, thank you!In addition, this store provides you with various types of classic contracts, such as construction contracts, housing contracts, labor contracts, sales contracts, service contracts, trade contracts, financial contracts, construction contracts, decoration contracts, and other contracts. If you want to know different contract formats and writing methods, please pay attention!采购合同三方合同(合集8篇)在第三方采购中,尽管企业本身并不制造产品或提供服务,但由于合同的存在,企业还是要进行销售的,因此,在合同签订后,承包人也要承担供货义务。
附件1 技术规范1 总则1.1 本规范书适用于邢台国泰发电有限公司相量测量装置(PMU)升级改造项目的技术要求。
它提出了该设备的功能设计、结构、性能、安装和试验等方面的技术要求。
它包括系统及其运行参数的设计、设备及其附件的选型、配套、结构、性能、制造、安装、试验、调试、试运、培训、技术服务、检修和质量保证等各方面的技术要求。
1.2 本卷提出招标方的最低限度的技术要求(简称技术门槛值),并未规定所有的技术要求和适用的标准。
投标方须实质性地响应本卷的技术规定和要求,提供符合引进机型的原先标准和本规范书所列标准的高质量、最新工业标准的产品,以及相应的技术服务。
同时必须满足国家关于产品质量、安全、工业卫生、劳动保护、环保、消防等强制性标准的要求。
投标方不响应本卷中标有“☆”技术要求,其投标文件可能被拒绝。
1.3 投标方对本卷的偏差(无论多少)都必须清楚地表示在投标文件中的技术附录B “投标方提出的技术差异表”中,投标方未在技术附录B中对本招标文件提出偏差,除了招标文件的技术要求有差错外,不管投标方在投标文件的其他任何地方有其他描述,均视为投标方的投标的产品完全满足本招标文件和标准的要求。
1.4 在签订合同后,因招标文件所采用的标准和规程等发生变化,招标方有权以书面形式提出补充要求。
在设备投料生产之前,投标方须予以修改。
具体项目由双方共同商定。
但价格不作调整。
1.5 若投标方提出的技术标准与本规范书所列标准不一致时,执行较高标准。
如本卷中涉及有关商务方面的内容与招标文件第一卷“商务部分”有矛盾时,执行较高的要求。
1.6 合同签订后15日内投标方提出合同设备的设计、制造、检验/试验、装配、安装、调试、试运、验收、试验、运行和维护等标准清单给招标方,由招标方确认。
1.7 投标方对供货范围内的成套系统设备(含设备、附件等)负有全责,包括分包(或对外采购)的产品。
分包(或对外采购)的主要产品制造商应事先征得招标方的认可。
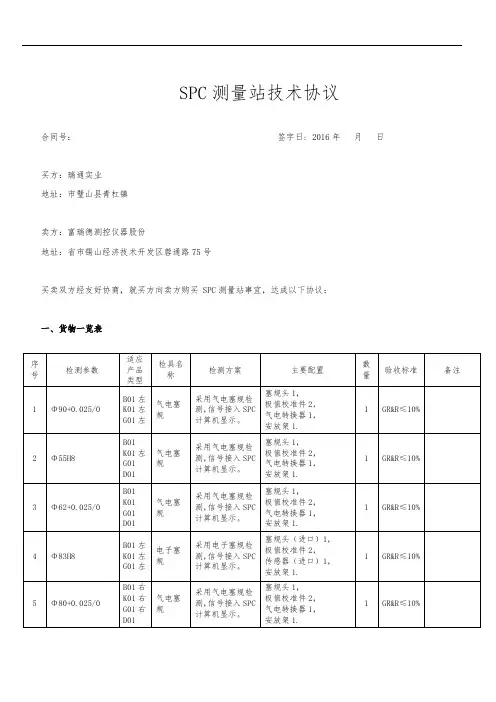
SPC测量站技术协议合同号:签字日: 2016年月日买方:瑞通实业地址:市璧山县青杠镇卖方:富瑞德测控仪器股份地址:省市锡山经济技术开发区蓉通路75号买卖双方经友好协商,就买方向卖方购买 SPC测量站事宜,达成以下协议:一、货物一览表6 Φ38+0.039/0 B01右G01右D01气电塞规采用气电塞规检测,信号接入SPC计算机显示。
塞规头1,极值校准件2,气电转换器1,安放架1.1 GR&R≤10%7 Φ52-0.014/-0.033B01K01左气电塞规采用气电塞规检测,信号接入SPC计算机显示。
塞规头1,极值校准件2,气电转换器1,安放架1.1 GR&R≤15%8 Φ55-0.014/-0.033K01右气电塞规采用气电塞规检测,信号接入SPC计算机显示。
塞规头1,极值校准件2,气电转换器1,安放架1.1 GR&R≤15%9 Φ21.35+0.052/0 G01右D01电子塞规采用电子塞规检测,信号接入SPC计算机显示。
塞规头(进口)1,极值校准件2,传感器(进口)1,安放架1.1 GR&R≤10%10 Φ22.1+0.033/0 G01右电子塞规采用电子塞规检测,信号接入SPC计算机显示。
塞规头(进口)1,极值校准件2,传感器(进口)1,安放架1.1 GR&R≤10%11 Φ38+0.062/0 K01右电子塞规采用电子塞规检测,信号接入SPC计算机显示。
塞规头(进口)1,极值校准件2,传感器(进口)1,安放架1.1 GR&R≤10%12 Φ21(0/-0.013)B01左K01左G01左气电塞规采用气电塞规检测,信号接入SPC计算机显示。
塞规头1,极值校准件2,气电转换器1,安放架1.1 GR&R≤15%13量检具安放、SPC SPC工作站标准铝合金工作台1,SPC计算机及辅助测量系统1,单口通道箱12,自动断气及识别系统1,检测频次(按时间)报警功能1气源过滤(进口)1,工件支架1*2,量规安放架1。
前言感谢客户购置杭州威格电子科技有限公司的产品,为了方便、安全、正确地使用本产品,敬请用户在操作之前详细阅读本说明书的全部内容。
本说明书适用于:GDW3001A电参数测量仪。
本说明书若有不全面的地方,恳请用户直接与本公司技术部联系。
本说明书部分内容随着产品的不断完善和升级会有所改变,恕不另行通知。
安全注意事项:在使用本仪器过程中必须注意下列事项,否则可能危及安全。
1、勿在易燃易爆性的环境中使用本产品2、勿在工作时打开机箱3、接地端子必须直接与大地相接4、供电系统电源AC220V±22V,50Hz,保险丝0.5A标志说明:本仪器前后面板和主要符号标志说明如下:电源开关接通电源开关断开PF/Hz 在功率、功率因素与频率间转换HOLD 锁存键SETUP 设定键∧设定数值增加>设定位右移.设置/取消小数点CHA A相(V、A、W、PF、Hz)CHB B相(V、A、W、PF、Hz)CHC C相(V、A、W、PF、Hz)∑平均电压、平均电流、总功率、总功率因数ALL V A,B,C相电压,总功率因数ALL A A,B,C相电流,总功率因数ALL W A,B,C相功率,总功率因数3L/4L 三线或四线切换第一章概述GDW3001A数字电参数测量仪是一种利用数字采样技术对信号进行分析处理的智能型仪表。
测量信号为45Hz~65Hz交流工频信号。
它的工作过程如下:1.将被测信号转化成适当幅值的电信号;2.以远大于被测信号的频率将此信号分割成离散信号;3.利用高速AD转换器将离散信号转换成数字量;4.利用微处理器对采集到的数字量进行计算;5.将最终计算的结果以数字的形式显示出来。
与传统指针式仪表相比,数字式电参数测量仪具有以下优点:1. 所测信号数值为真有效值;2. 直接数字显示,可以减小人为的读数误差;3. 对于波形失真的信号同样适用;4. 用一台仪器可以测量多个参数;5. 易于实现智能化,可以与计算机连接。
手册目录Manual Catalog型号产品名称主要参数分类页码家用电器便携设备汽车电子实验室生产线自动化照明研发携手同心 惠及未来常州同惠电子股份有限公司研发、生产、销售各类电力电子测试仪器,包括交流电源、直流电源、程控直流电子负载、数字功率计等。
广泛应用于教学实验、产线、自动化设备、研发、汽车电子等行业。
程控电子负载33个型号TH8200系列 13个型号TH8300系列 11个型号TH8400系列 9个型号同惠电力电子产品程控直流电源61个型号TH6200系列 5个型号TH6300系列 9个型号TH6400系列 5个型号TH6500系列 6个型号TH6600系列 3个型号TH6700系列 12个型号TH6900系列 21个型号数字功率计18个型号TH3300系列单相, 4个型号TL3300系列单相, 5个型号TH3400系列多通道,3个型号TH3430系列单通道, 3个型号TH3440系列多通道, 3个型号程控交流电源3个型号TH7100系列单相 3个型号- 产品分布 -测试系统TH300系列电源自动测试系统Page400-624-1118 同惠电子 - 电力电子产品前言TH7100系列程控交流电源采用了线性放大电路设计技术,适用于低杂波、高稳定性的测试需求。
输出电压范围0-300V 、输出频率45-500Hz 、输出功率分别为500VA 、1kVA 、2kVA 。
TH6000系列程控电源为同惠自行研发的,功率范围涵盖了96W-15kW (单机)、最大可扩展至480kW ,电压从30V 到1000V 、电流从3A 到360A 。
包含了线性程控直流电源、开关式程控直流电源、双向回馈式程控直流电源三大类不同输出模式,基本满足大多数场合的应用。
具体分布如下:▏TH6200系列双范围可编程直流电源 F11 - F14线性、程控输出设计,96W-108W ,双电压、双电流输出范围,纹波小、噪声低、精度高、稳定性强。
测量仪器鉴定合同5篇篇1甲方(鉴定委托方):__________乙方(鉴定执行方):__________根据《中华人民共和国合同法》及相关法律法规的规定,甲乙双方在平等、自愿、公平和诚实信用的基础上,就甲方委托乙方进行测量仪器鉴定事宜达成如下协议:一、鉴定目的甲方委托乙方对甲方所拥有的测量仪器进行鉴定,以确保其性能、精度及合规性满足相关标准和要求,为甲方的测量工作提供科学依据。
二、鉴定范围本次鉴定的范围包括但不限于以下测量仪器:__________(具体仪器清单详见附件)。
三、鉴定标准本次鉴定将依据国家相关法规、标准及行业规范进行,确保鉴定结果的公正、准确和可靠。
四、鉴定流程1. 甲方将需要鉴定的测量仪器送至乙方指定的地点。
2. 乙方对甲方提交的测量仪器进行登记、检查,确认无误后进行鉴定。
3. 乙方完成鉴定后,将出具鉴定报告,详细阐述鉴定结果及建议。
4. 甲方在收到鉴定报告后,如有异议,应在收到报告之日起XX 个工作日内向乙方提出。
五、鉴定费用及支付方式1. 鉴定费用:人民币______元(大写:______元整)。
2. 支付方式:甲方应在签订本合同后XX个工作日内将鉴定费用支付至乙方指定账户。
3. 乙方在收到鉴定费用后,开始执行鉴定工作。
六、保密条款1. 甲乙双方应对本次鉴定过程中涉及的国家机密、商业秘密等信息进行严格保密。
2. 未经甲方同意,乙方不得将本次鉴定的相关信息泄露给第三方。
七、违约责任1. 若甲方未按照本合同约定支付鉴定费用,乙方有权拒绝履行鉴定义务。
2. 若乙方在鉴定过程中违反本合同约定,导致鉴定结果不准确或存在其他错误,应承担相应的违约责任。
3. 若因不可抗力因素导致本合同无法履行,甲乙双方均不承担违约责任。
八、争议解决如双方在合同履行过程中发生争议,应首先协商解决。
协商不成的,任何一方均有权向合同签订地的人民法院提起诉讼。
九、其他约定1. 本合同一式两份,甲乙双方各执一份。
2. 本合同自双方签字(盖章)之日起生效,有效期为______年。
电子测量仪表买卖合同7篇篇1甲方(买方):____________________乙方(卖方):____________________根据《中华人民共和国合同法》等相关法律法规,甲乙双方在平等、自愿、公平、诚实信用的基础上,就甲方向乙方购买电子测量仪表事宜,达成如下协议:一、商品名称、型号、数量及规格1. 商品名称:电子测量仪表2. 型号:_____________3. 数量:_____________4. 规格:_____________二、商品质量1. 乙方保证所销售的电子测量仪表质量符合国家相关标准及合同规定,确保商品为全新、未使用、合格的商品。
2. 如因商品质量问题导致甲方损失,乙方应承担相应的赔偿责任。
三、价格及支付方式1. 电子测量仪表的价格为人民币____________元/台(含税费)。
2. 甲方应在合同签订后____日内支付合同总金额的____%作为预付款,剩余款项在交货验收合格后____日内支付。
3. 乙方在收到款项后,应出具合法的增值税专用发票。
四、交货及验收1. 乙方应在合同签订后____日内将甲方购买的电子测量仪表送达甲方指定地点。
2. 甲方在收到商品后____日内进行验收,如有质量问题或不符合合同规定,甲方有权拒绝接受或要求乙方更换。
3. 验收合格后,双方签署验收报告。
五、保修及售后服务1. 乙方提供的电子测量仪表享有制造商规定的保修期。
在保修期内,如商品出现质量问题,乙方应负责免费维修或更换。
2. 乙方应提供售后服务,如甲方在使用过程中遇到问题,乙方应提供技术支持或培训。
3. 保修期及售后服务期限详见合同附件。
六、保密协议1. 双方应对涉及本合同的所有商业秘密及技术秘密予以保密,未经对方许可,不得向第三方泄露。
2. 双方应采取合理的保密措施,防止信息泄露。
七、违约责任1. 如一方违反本合同的任何条款,违约方应承担相应的违约责任,并赔偿对方因此造成的损失。
2. 如因违约导致本合同无法继续履行,守约方有权解除本合同,并要求违约方支付违约金。
(完整版)流量计技术协议⽛克⽯地区供热综合改造⼯程流量计采购项⽬技术协议甲⽅:呼伦贝尔安泰热电有限责任公司汇流河发电⼚⼄⽅:辽宁聚焦科技有限公司⼆○⼀五年七⽉第⼀章技术规范1 总则1.1 本技术规范书适⽤于⽛克⽯地区供热综合改造⼯程流量计、热电阻、压⼒变送器、就地测量仪表及其零部件的功能设计、结构、性能和试验等⽅⾯的技术要求。
1.2 ⼄⽅保证所提供的设备及其附件的功能、设计、结构、性能、测试及检验等⽅⾯完全符合技术规格书的要求;并对提供的硬件、技术服务和整套仪表系统的最终运转负有完全责任,⼄⽅提供的设备将是符合技术规格书要求、完整的设备。
在符合使⽤环境条件情况下,接通电源即可使⽤。
⼄⽅保证系统完整性和满⾜甲⽅⼯程使⽤要求。
1.3 本技术规范提出的是最低限度的技术要求,并未对⼀切技术细节作出规定,也未充分引述有关标准和规范的条⽂,⼄⽅应提供符合⼯业标准和规范要求的优质产品及相应的服务。
对国家有关安全、环保等强制性标准,必须满⾜其要求。
本技术规范书所使⽤的标准如遇到与⼄⽅所执⾏的标准不⼀致时,按较⾼标准执⾏。
⼄⽅最终报价技术⽂件中的条款,技术规格,数字等出现前后不⼀致或⽭盾之处,原则上以对甲⽅有利的条款、技术规格及数字为准。
1.4 ⼄⽅应在供货清单中详细注明所供产品的⽣产⼚家、国别、产地、型号、规格尺⼨、材质、重量等,供货商应提供完整的、与所供产品相应的、内容详实的样本和技术⽂件。
1.5 ⼄⽅没有以书⾯形式对本协议的条⽂提出异议,则意味着⼄⽅提供的设备完全符合本协议书的要求。
如有异议,⽆论多么微⼩,都应该在投标书中以“对协议书的意见和合同协议书的差异”为标题专门章节加以详细描述。
1.6 ⼄⽅对所提供设备(包括附属系统)负有全责,即包括分包(或采购)的产品。
分包(或采购)的产品制造商需事先征得甲⽅的认可。
1.7 ⼄⽅根据甲⽅的需要必须⽆条件与设计院核对数据,如有需要必须⽆条件配合。
1.8 每台仪表所配铭牌应⽤不锈钢制成,并符合MSS SP-25的规定,标注型号、规格、位号等。
电子测量设备维修保养协议1. 引言本协议旨在明确电子测量设备的维修和保养工作的规范和要求,以确保设备的可靠性和稳定性,并延长设备的使用寿命。
维修保养工作的有效进行对于保障测量结果的准确性和可靠性起着重要作用。
2. 维修保养方案2.1 维修要求•按照设备使用说明书上的维修步骤进行操作。
•给予设备定期的维护和保养。
•及时处理设备出现的故障,保证设备的正常使用。
•维修过程中应确保设备的安全和机密性。
2.2 维修内容•检查设备的各个部件是否存在磨损、松动或其他异常情况。
•清洁设备内部和外部的灰尘、污垢等杂物。
•检查设备的电源线、信号线等连接是否正常,确保电气线路的安全性和可靠性。
•定期校准设备,保证其测量结果的准确性。
•更换设备的易损件,如电池、灯泡等。
3. 维修保养计划3.1 设备分类按照设备的类型和用途进行分类,制定相应的维修保养计划。
3.2 维修保养周期根据设备的使用频率和重要性确定维修保养的周期,一般分为日常保养、定期保养和年度大保养三个层级。
•日常保养:每天对设备进行简单的检查和清洁,确保设备的正常运行。
•定期保养:根据设备的使用情况,每隔一段固定时间进行一次保养,包括更换易损件、清洁设备等。
•年度大保养:每年进行一次全面的检查和维修,确保设备的性能和功能能够维持在最佳状态。
3.3 维修保养记录记录每次维修保养的内容和日期,以便于后续追踪和分析设备的维修情况和变化趋势。
4. 维修保养责任4.1 设备操作人员责任设备操作人员有义务按照设备使用说明书和操作规程正确操作设备,并定期进行日常保养工作。
4.2 维修保养人员责任维修保养人员应按照规定的维修保养流程和要求进行工作,确保设备的正常和安全运行。
4.3 部门责任相关部门应对设备的维修保养工作进行统筹和管理,确保维修保养工作的顺利进行。
5. 结论本协议明确了电子测量设备的维修和保养工作的要求和流程,为设备的正常运行和长期使用提供了指导和保障。
各相关人员和部门应按照本协议的要求,积极参与和执行维修保养工作,以确保设备的可靠性和稳定性。
新版医疗器械购销协议(血压计)前言1. 定义1.1 血压计指用于测量患者血压的医疗器械,包括传统水银血压计、电子血压计等。
1.2 供应商指提供血压计产品的一方,包括制造商、经销商等。
1.3 采购方指购买血压计产品的一方,包括医院、诊所、药店等。
2. 产品要求2.1 产品质量血压计产品必须符合国家相关法律法规和标准要求,包括但不限于医疗器械注册证和产品质量检验报告等。
2.2 产品规格供应商应提供血压计产品的详细规格和说明,包括测量范围、精确度、尺寸、重量等。
2.3 产品包装血压计产品应以适当的包装和防护措施进行包装,确保产品在运输过程中不受损坏。
3. 产品价格和支付方式3.1 价格确定供应商和采购方应在签订协议之前就血压计产品的价格达成一致,并明确规定是否含税及含税金额。
3.2 支付方式采购方应按照约定的支付方式和时间节点,将产品款项支付给供应商。
常见支付方式包括转账、、支付等。
4. 交货和运输4.1 交货地点供应商应按照约定将血压计产品交付到采购方指定的地点,采购方也可以指定供应商的仓库或办事处作为交货地点。
4.2 运输责任交货过程中发生的损坏、丢失和延误等问题应由运输方和保险公司负责解决,供应商和采购方根据约定进行索赔。
5. 售后服务和质量保证5.1 售后服务供应商应提供血压计产品的售后服务,包括产品质量问题的解决、产品维修和更换等。
5.2 质量保证供应商应对血压计产品提供质量保证,具体保修期限和保修范围可根据双方协商确定。
6. 争议解决6.1 协商解决对于合作中可能发生的争议,双方应首先通过友好协商解决,如果协商不成,可以通过法律途径解决。
6.2 管辖法律本协议的解释和执行应符合相关国家法律法规的规定,并受到约定地法院的管辖。
7. 协议变更和终止7.1 变更协议的所有变更应以书面形式由双方共同确认,并经双方授权人签字盖章后生效。
7.2 终止协议的有效期限根据双方约定,双方有权在有效期届满前提出终止合同或延期。
项目供货方案1、我公司承诺,保证严格按照采购方的交货时间及产品质量要求及时供货,并送达到指定地点,产品到达用户指定地点后,由用户组织对设备进行验收。
货物运输过程中产生的所有费用均由我方承担。
2、按照国家标准、行业规程或其他相关标准进行产品验收、按照企业产品说明书进行产品验收。
3、按合约建议及装箱目录、产品布局目录与产品组件三者一致并且附带产品说明书、产 Fanjeaux出厂合格证,使用手册等全套技术资料。
4、我方中标后,特成此项目领导工作小组,保证按时、按质、按量完成任务。
5、若不按时顺利完成任务,愿意分担由此给订货方导致的一切损失和费用。
供货质量承诺及保证措施1、确保我公司工程质量合乎中华人民共和国国家标准、行业标准及其它有关标准。
2、保证我公司产品符合采购单位的设计要求。
3、本公司与生产商签定了技术支持合约,生产商分担所有的技术支持,公司代理的产品技术指标均能够八十肢标书的建议,为了确保供应商、购买方、制造商三方责任全面落实妥当,我公司拟将在商务运作中使用三方技术服务协议,以便最终用户随时可以找出有关单位和人员,处置碰到的问题。
4、保证履约担保,若产品出现质量问题,我厂用履约金进行补偿或赔偿。
根据自治县民委“马民经(**)19号”项目合同书内容和四川省民族两金管理有关规定,现就**年低产茶园改建项目具体实施制订如下方案:一、项目实施总体要求通过对劳动乡、旧河坝乡、九三学社镇三个乡镇部分老化茶园实行试试看、浅浇水、冲施肥料等技术措施,实行低产茶园技术改造,通过改建大幅度提高项目区茶园生产性能,减少产量,提升茶叶品质,达至较大幅度减少经济总收入的目的。
同时通过项目实行引入优良高产品种、推展适用于一流改建技术,对社会各界茶农展开技术,达至科技推广宣传,助推全县茶叶生产科技含量稳步提升,推动民族地区农业经济快速发展。
二、项目实施地和工作量㈠劳动乡柏林村1500亩(其中试试看500亩、浅浇水1000亩);井池村深浇水1800亩。
电子测量仪器采购协议书
日期:[填写日期]
根据双方的共同意愿,甲方(购买方)和乙方(供应方)达成协议,就电子测量仪器的采购事宜进行合作。
1. 采购商品
1.1 商品名称
电子测量仪器
1.2 型号
[填写电子测量仪器的型号]
1.3 数量
[填写购买的电子测量仪器的数量]
2. 采购条件
2.1 价格
2.1.1 商品单价:[填写商品单价]
2.1.2 总价:[填写总价]
2.2 交付日期
[填写预计的交付日期]
2.3 交付地点
[填写交付的具体地点]
2.4 付款方式
[填写付款方式]
2.5 退货政策
[填写退货政策]
2.6 其他条件
[填写其他约定的采购条件]
3. 交付与验收
3.1 交付方式
[填写具体的交付方式,可包括送货、自提等]
3.2 验收标准
3.2.1 外观检查:产品外观应无明显损伤或瑕疵
3.2.2 功能检查:仪器应满足产品说明书中的功能要求
3.2.3 一致性检查:购买的仪器型号应与协议中约定的型号一致3.3 验收时间
[填写验收时间]
3.4 验收地点
[填写验收的具体地点]
4. 保修与售后服务
4.1 保修期
[填写保修期的具体时间]
4.2 售后服务
4.2.1 提供维修服务,并承担因质量问题产生的运输费用
4.2.2 提供免费咨询服务,解答用户在使用过程中遇到的问题4.2.3 提供免费升级服务,若仪器出现软件升级等需求
4.3 售后服务期限
[填写售后服务的期限]
5. 违约责任
5.1 甲方违约责任
若甲方未按照协议约定的时间和方式支付货款或未按时验收商品,则甲方应
承担相应的违约责任。
5.2 乙方违约责任
若乙方未按照协议约定的时间交付商品或交付的商品不符合协议约定的标准,则乙方应承担相应的违约责任。
6. 合同解除
6.1 合同解除的条件
若出现情况之一,任何一方有权解除合同:
6.1.1 一方严重违反本协议的任何条款,并在收到解除通知后未能在合理期限
内改正
6.1.2 双方协商一致解除合同
6.1.3 根据法律法规的规定解除合同
6.2 解除后的处理
合同解除后,双方应根据实际情况协商处理已支付的款项、已交付的商品以
及其他相关事宜。
7. 争议解决
本协议解释和履行适用的法律。
若因本协议引起的任何争议,双方应首先通过友好协商解决。
如协商不成,任何一方可将争议提交至有管辖权的法院解决。
8. 附则
本协议自双方签字盖章之日起生效,至商品交付验收结束后终止。
甲方(购买方):
[填写甲方名称] 签字:_________________ 日期:________________
乙方(供应方):
[填写乙方名称] 签字:_________________ 日期:________________。