公路工程的试验检测仪器设备校准指南
- 格式:doc
- 大小:504.50 KB
- 文档页数:24
公路工程试验检测仪器设备校准指南一、前言公路工程试验检测仪器设备校准是保证试验数据准确性、可靠性和可比性的重要环节。
准确的仪器设备校准可以有效提高试验结果的可信度和实用性,为公路工程建设提供科学、准确的数据依据。
本指南旨在规范公路工程试验检测仪器设备的校准流程和要求,确保仪器设备校准工作的有效实施。
二、校准流程1.校准前准备(1)选择合适的校准机构:校准机构应有相关资质和能力,具备仪器设备校准的技术和经验。
(2)查阅校准规范和要求:校准前应详细了解仪器设备的校准规范和要求,包括校准方法、校准标准和校准周期等。
(3)清洁和检查仪器设备:校准前应对仪器设备进行清洁和检查,确保仪器设备没有损坏或污染。
(4)校准记录准备:准备校准记录表格和校准标记,用于记录和标识校准结果。
2.校准执行(1)按照校准规范进行操作:根据校准规范的要求,按照规定的步骤和方法进行校准操作,确保校准的准确性和可靠性。
(2)校准数据记录:校准过程中应及时、准确地记录校准数据,包括仪器设备的初始状态、调整参数和校准结果等。
(3)校准结果判定:根据校准规范对校准结果进行判定,判定合格则进行下一步操作,不合格则按照规范要求进行修复或更换。
3.校准报告(1)校准数据整理:校准完成后,应对校准数据进行整理和归档,确保数据完整、准确。
(2)校准报告编制:根据校准规范要求,编制校准报告,包括校准日期、校准机构信息、校准结果和仪器设备使用建议等。
(4)校准报告存档:校准报告应及时存档,建立完整的校准记录和档案,备查和追溯。
三、校准要求1.仪器设备的校准周期:根据仪器设备的使用频率和重要性,确定校准的周期,一般不超过12个月。
2.校准标准的选用:选择与仪器设备测量范围和精度相匹配的校准标准,确保校准的准确性和可靠性。
3.校准环境的要求:在校准过程中,应确保校准环境的稳定和适宜,包括温度、湿度和电磁环境等。
4.校准人员的要求:校准人员应具备相关专业知识和技能,熟悉校准规范和要求,严格按照规范进行校准操作。
公路工程试验检测仪器设备校准指南一、校准前的准备工作1. 确保测试仪器设备处于良好的工作状态,无损坏或失效的零部件。
2. 查看测试仪器设备的校准记录和使用手册,了解校准的要求和步骤。
3. 准备校准所需的标准器和标准物质,确保其准确度和可靠性。
二、校准步骤1. 根据使用手册和校准记录,按照标准器和标准物质的规定进行调整和设置,确保测试仪器设备的准确度和稳定性。
2. 使用标准器和标准物质对测试仪器设备进行校准,记录校准结果和误差值,对于超出允许范围的误差,需要进行调整或修正。
3. 在校准完成后,对测试仪器设备进行稳定性和重复性的检验,确保仪器设备的测量结果准确可靠。
三、校准记录和报告1. 校准完成后,填写校准记录和报告,记录校准的时间、地点、人员和结果等信息。
2. 校准记录和报告要存档保存,作为仪器设备使用和维护的重要参考,以及日后的追溯和证明。
四、校准的周期性1. 测试仪器设备的校准需要按照规定的周期进行,一般为每年一次。
2. 在日常使用中,应定期进行仪器设备的自检和校准检定,及时发现问题并进行处理。
以上是公路工程试验检测仪器设备校准的一般指南,根据具体的仪器设备和试验检测要求,可能会有所不同,因此在进行校准前需要仔细阅读使用手册和相关规定,确保校准的准确性和有效性。
公路工程试验检测仪器设备校准的重要性不言而喻。
校准过程是确保仪器设备测量准确性的关键步骤,也是保证测试数据可靠性和有效性的重要环节。
一个准确可靠的测试仪器设备,可以有效保障公路工程质量和安全,因此校准工作至关重要。
以下是一些需要特别注意的内容。
五、校准的要求和标准1. 在进行测试仪器设备校准时,需要严格遵守相关的标准和规范要求,确保校准的准确性和可靠性。
2. 校准应该在符合国家标准或行业标准规定的检定机构或实验室进行,确保校准结果的权威性和可信度。
3. 校准和检定机构应具备相关资质和信誉,能够提供准确可靠的校准服务。
六、校准的注意事项1. 在进行校准前,需要将测试仪器设备充分预热和稳定,确保测试数据的准确性。
公路工程试验检测仪器设备校准指南常用非强检设备校准方法目录1.4 电动击实仪校准方法(JTJZ 01-04) (2)1.7 CBR试验装置校准方法(JTJZ 01-07) (4)2.8容量筒校准方法(JTJZ 02-08) (6)3.1透气比表面积仪校准方法(JTJZ 03-01) (8)3.2水泥负压筛析仪校准方法(JTJZ 03-02) (10)3.4量水器校准方法(JTJZ 03-04) (12)3.6雷氏夹校准方法(JTJZ 03-06) (15)3.13坍落度测定仪校准方法(JTJZ 03-13) (17)3.16水泥混凝土抗渗仪校准方法(JTJZ 03-16) (19)3.18水泥砂浆分层度仪校准方法(JTJZ 03-18) (22)3.19水泥混凝土试模、砂浆试模校准方法(JTJZ 03-19) (24)5.1 灌砂筒校准方法(JTJZ 05-01) (27)5.6玻璃器皿校准方法(JTJZ 05-06) (29)游标卡尺:最大量程不小于200 mm,分度值0.02 mm。
钢直尺:量程不少于500 mm,分度值1 mm。
塞尺:0.02~2 mm。
电子天平:量程不小于2000g,感量为0.01g。
电子天平:量程不小于5000g,感量为1g。
电子天平:量程不小于15kg,感量为1g。
分析天平:量程不小于100g,感量为0.0001g。
电子秤或磅秤:量程不小于50kg,感量为5g。
1.4 电动击实仪校准方法(JTJZ 01-04)1 适用范围本方法适用于电动击实仪的校准,参照《土工击实仪检定规程》[JJG(交通)058-2004]编制。
2 技术要求2.1 仪器应带有名牌(包括仪器名称、型号规格、出厂编号、出厂日期、制造厂等)、合格证、使用说明书。
3 校准项目3.1 外观检查。
3.2 击实锤质量。
3.3 击实锤落高。
3.4 击实锤锤头直径。
3.5 击实锤体的侧母线与击实筒内壁的间隙。
3.6 击实筒几何尺寸。
公路工程试验检测仪器设备校准指南常用非强检设备校准方法目录1.4 电动击实仪校准方法(JTJZ 01-04) (2)1.7 CBR试验装置校准方法(JTJZ 01-07) (4)2.8容量筒校准方法(JTJZ 02-08) (6)3.1透气比表面积仪校准方法(JTJZ 03-01) (8)3.2水泥负压筛析仪校准方法(JTJZ 03-02) (10)3.4量水器校准方法(JTJZ 03-04) (12)3.6雷氏夹校准方法(JTJZ 03-06) (15)3.13坍落度测定仪校准方法(JTJZ 03-13) (17)3.16水泥混凝土抗渗仪校准方法(JTJZ 03-16) (19)3.18水泥砂浆分层度仪校准方法(JTJZ 03-18) (22)3.19水泥混凝土试模、砂浆试模校准方法(JTJZ 03-19) (24)5.1 灌砂筒校准方法(JTJZ 05-01) (27)5.6玻璃器皿校准方法(JTJZ 05-06) (29)游标卡尺:最大量程不小于200 mm,分度值0.02 mm。
钢直尺:量程不少于500 mm,分度值1 mm。
塞尺:0.02~2 mm。
电子天平:量程不小于2000g,感量为0.01g。
电子天平:量程不小于5000g,感量为1g。
电子天平:量程不小于15kg,感量为1g。
分析天平:量程不小于100g,感量为0.0001g。
电子秤或磅秤:量程不小于50kg,感量为5g。
1.4 电动击实仪校准方法(JTJZ 01-04)1 适用范围本方法适用于电动击实仪的校准,参照《土工击实仪检定规程》[JJG(交通)058-2004]编制。
2 技术要求2.1 仪器应带有名牌(包括仪器名称、型号规格、出厂编号、出厂日期、制造厂等)、合格证、使用说明书。
3 校准项目3.1 外观检查。
3.2 击实锤质量。
3.3 击实锤落高。
3.4 击实锤锤头直径。
3.5 击实锤体的侧母线与击实筒内壁的间隙。
3.6 击实筒几何尺寸。
公路工程试验检测仪器设备校准指南常用非强检设备校准方法目录1.4 电动击实仪校准方法(JTJZ 01-04) (2)1.7 CBR试验装置校准方法(JTJZ 01-07) (4)2.8容量筒校准方法(JTJZ 02-08) (6)3.1透气比表面积仪校准方法(JTJZ 03-01) (8)3.2水泥负压筛析仪校准方法(JTJZ 03-02) (10)3.4量水器校准方法(JTJZ 03-04) (12)3.6雷氏夹校准方法(JTJZ 03-06) (15)3.13坍落度测定仪校准方法(JTJZ 03-13) (17)3.16水泥混凝土抗渗仪校准方法(JTJZ 03-16) (19)3.18水泥砂浆分层度仪校准方法(JTJZ 03-18) (22)3.19水泥混凝土试模、砂浆试模校准方法(JTJZ 03-19) (24)5.1 灌砂筒校准方法(JTJZ 05-01) (27)5.6玻璃器皿校准方法(JTJZ 05-06) (29)游标卡尺:最大量程不小于200 mm,分度值0.02 mm。
钢直尺:量程不少于500 mm,分度值1 mm。
塞尺:0.02~2 mm。
电子天平:量程不小于2000g,感量为0.01g。
电子天平:量程不小于5000g,感量为1g。
电子天平:量程不小于15kg,感量为1g。
分析天平:量程不小于100g,感量为0.0001g。
电子秤或磅秤:量程不小于50kg,感量为5g。
1.4 电动击实仪校准方法(JTJZ 01-04)1 适用围本方法适用于电动击实仪的校准,参照《土工击实仪检定规程》[JJG(交通)058-2004]编制。
2 技术要求2.1 仪器应带有名牌(包括仪器名称、型号规格、出厂编号、出厂日期、制造厂等)、合格证、使用说明书。
3 校准项目3.1 外观检查。
3.2 击实锤质量。
3.3 击实锤落高。
3.4 击实锤锤头直径。
3.5 击实锤体的侧母线与击实筒壁的间隙。
3.6 击实筒几何尺寸。
公路工程试验检测仪器设备校准指南(DOC32页)常用非强检设备校准方法名目1.4 电动击实仪校准方法〔JTJZ 01-04〕 (2)1.7 CBR试验装置校准方法〔JTJZ 01-07〕 (4)2.8容量筒校准方法〔JTJZ 02-08〕 (6)3.1透气比表面积仪校准方法〔JTJZ 03-01〕 (8)3.2水泥负压筛析仪校准方法〔JTJZ 03-02〕 (10)3.4量水器校准方法〔JTJZ 03-04〕 (12)3.6雷氏夹校准方法〔JTJZ 03-06〕 (15)3.13坍落度测定仪校准方法〔JTJZ 03-13〕 (17)3.16水泥混凝土抗渗仪校准方法〔JTJZ 03-16〕 (19)3.18水泥砂浆分层度仪校准方法〔JTJZ 03-18〕 (22)3.19水泥混凝土试模、砂浆试模校准方法〔JTJZ 03-19〕 (24)5.1 灌砂筒校准方法〔JTJZ 05-01〕 (27)5.6玻璃器皿校准方法〔JTJZ 05-06〕 (29)游标卡尺:最大量程不小于200 mm,分度值0.02 mm。
钢直尺:量程许多于500 mm,分度值1 mm。
塞尺:0.02~2 mm。
电子天平:量程不小于2000g,感量为0.01g。
电子天平:量程不小于5000g,感量为1g。
电子天平:量程不小于15kg,感量为1g。
分析天平:量程不小于100g,感量为0.0001g。
电子秤或磅秤:量程不小于50kg,感量为5g。
1.4 电动击实仪校准方法〔JTJZ 01-04〕1 适用范畴本方法适用于电动击实仪的校准,参照«土工击实仪检定规程»[JJG〔交通〕058-2004]编制。
2 技术要求2.1 仪器应带有名牌〔包括仪器名称、型号规格、出厂编号、出厂日期、制造厂等〕、合格证、使用说明书。
3 校准项目3.1 外观检查。
3.2 击实锤质量。
3.3 击实锤落高。
3.4 击实锤锤头直径。
3.5 击实锤体的侧母线与击实筒内壁的间隙。
公路工程试验检测仪器设备校准指南.公路工程试验检测仪器设备校准指南常用非强检设备校准方法目录1.4 电动击实仪校准方法(JTJZ 01-04)21.7 CBR试验装置校准方法(JTJZ 01-07)42.8容量筒校准方法(JTJZ 02-08)63.1透气比表面积仪校准方法(JTJZ 03-01)83.2水泥负压筛析仪校准方法(JTJZ 03-02)103.4量水器校准方法(JTJZ 03-04)123.6雷氏夹校准方法(JTJZ 03-06)153.13坍落度测定仪校准方法(JTJZ 03-13)173.16水泥混凝土抗渗仪校准方法(JTJZ 03-16)193.18水泥砂浆分层度仪校准方法(JTJZ 03-18)223.19水泥混凝土试模、砂浆试模校准方法(JTJZ 03-19)245.1 灌砂筒校准方法(JTJZ 05-01)275.6玻璃器皿校准方法(JTJZ 05-06)29游标卡尺:最大量程不小于200 mm,分度值0.02 mm。
钢直尺:量程不少于500 mm,分度值1 mm。
塞尺:0.02~2 mm。
电子天平:量程不小于2000g,感量为0.01g。
电子天平:量程不小于5000g,感量为1g。
电子天平:量程不小于15kg,感量为1g。
分析天平:量程不小于100g,感量为0.0001g。
电子秤或磅秤:量程不小于50kg,感量为5g。
1.4 电动击实仪校准方法(JTJZ 01-最大量程不小于200 mm,分度值0.02 mm。
钢直尺:量程不少于500 mm,分度值1 mm。
塞尺:0.02~2 mm。
电子天平:量程不小于2000g,感量为0.01g。
电子天平:量程不小于5000g,感量为1g。
电子天平:量程不小于15kg,感量为1g。
分析天平:量程不小于100g,感量为0.0001g。
电子秤或磅秤:量程不小于50kg,感量为5g。
1.4 电动击实仪校准方法(JTJZ 01:环境温度为(25±10)℃,相对湿度不大于85%,校准现场应洁净,周围无影响结果的振动、污染、腐蚀性气体。
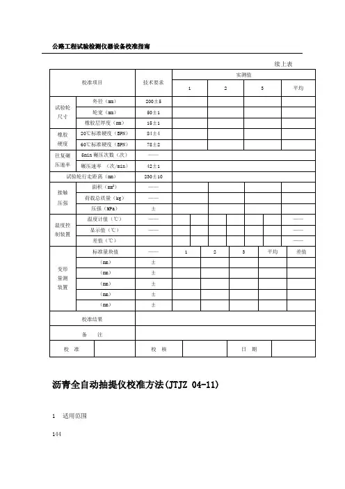
公路工程试验检测仪器设备校准指南续上表沥青全自动抽提仪校准方法(JTJZ 04-11)1适用范围144第二部分校准/检查方法/4沥青及沥青混合料类仪器设备校准方法本方法适用于沥青全自动抽提仪的校准。
2 技术要求仪器应带有铭牌(包括仪器名称、型号规格、出厂编号、出厂日期、制造厂等)、合格证、灌吏用说明书。
仪器外表不应有明显的损伤、缺陷和锈蚀,仪器应安装水平,溶剂供给、回收系统、冷却水循环系统应连接密封、完好。
筛分、过滤系统:筛网应完好不得有孔洞、裂口等并通过校准各筛能够密封套合,喷淋盖能够密闭,喷淋孔应畅通,电磁振动系统应有效运行。
回收系统:由溶剂室、溶剂回收室、冷凝箱等组成,溶剂室设有冷却管、直读液位计、溶剂排放阀。
抽提精度:油石比差值≤2,矿粉筛余百分率差值≤。
3 校准项目外观检查。
抽提精度。
4 校准环境及校准器具校准环境:校准工作应在室内进行,环境温度为(25士10)℃相对湿度不大于85%,校准现场应洁净,周围无影响校准结果的振动、污染、腐蚀性气体。
校准器具:电子天平量程不小于2000g,感量为。
5 校准方法外观检查:按照本方法一条要求进行目测检查。
抽提精度:采用经校准的没备自制已知配比的沥青混合料,进行抽提试验,重复进行3次,取平均值;计算油石比及矿料筛余百分率。
6 校准周期校准周期一般下赶过12个月。
7 结果处理填写校准记录表(表B04-11),提交审核确认。
全自动抽提仪校准记录表(表B04-11)公路工程试验检测仪器设备校准指南续上表马歇尔试模校准方法(JTJZ 04-12)1 适用范围本方法适用于马歇尔试模的校准。
2 技术要求试模及套模应由高碳钢或工具钢制成,有足够的厚度和刚度,以保证使用中不产生变形;外观应圆整,无明显的变形、锈蚀、严重附着污染物等缺陷。
试模:标准试模内径± ) mm、高(87± )mm;大型试模内径± ) mm、高(115± )mm。
某公路工程试验检测仪器设备校准指南1. 确定校准频率:校准频率取决于仪器设备的类型和使用频率。
通常建议每年对仪器设备进行一次校准。
但是,如果仪器设备频繁使用或者环境条件恶劣,校准频率可能需要更加频繁。
2. 选择合适的校准标准:校准标准通常包括标准试验物、标准测量设备、标准测试方法等。
根据仪器设备的类型和测量要求,选择合适的校准标准进行校准。
3. 准备校准环境:确保校准环境符合仪器设备的使用要求,包括温度、湿度、光照等条件。
同时,避免干扰源的存在,确保校准过程的准确性。
4. 进行校准操作:按照仪器设备的校准手册或指南,进行校准操作。
这可能包括零点校准、范围校准、线性校准等步骤。
在校准过程中,应记录校准操作的每一个细节,包括校准时间、校准人员、校准结果等信息。
5. 分析校准结果:校准完成后,对校准结果进行分析和评估。
确保校准结果符合仪器设备的精度和灵敏度要求。
如果校准结果不符合要求,需要进一步调整和修正仪器设备,直到达到要求的校准精度。
6. 生成校准报告:校准完成后,生成校准报告。
报告应包括校准日期、校准标准、校准环境、校准操作、校准结果等信息。
校准报告是对仪器设备校准的一种证明,也是保证仪器设备准确性和可靠性的重要文件。
通过按照上述指南对公路工程试验检测仪器设备进行校准,可以确保仪器设备的准确性和可靠性,从而保证测试结果的准确性和可靠性。
同时,也可以延长仪器设备的使用寿命,节约维护和修理成本。
目前,随着交通基础设施的不断完善和公路工程建设的日益增加,公路工程试验检测仪器设备的应用越来越广泛。
这些仪器设备通常用于土壤力学、路基工程、沥青路面材料性能测试等方面。
为了确保公路工程施工、改建和维护工作的质量和安全,对这些仪器设备进行定期校准是非常重要的。
在进行校准时,要确保按照制造商提供的校准标准和程序来进行操作,以保证校准的精确性和准确性。
如果没有严格遵循校准标准和程序,仪器设备可能会产生不准确的结果,从而影响公路工程的设计和质量。
公路工程试验检测仪器设备校准指南1. 概述在公路工程试验过程中,准确的数据采集和分析是非常重要的。
为了确保试验结果的准确性和可靠性,仪器设备的校准是必不可少的步骤。
本指南旨在提供公路工程试验检测仪器设备校准的相关指导,以确保校准的正确性和一致性。
2. 校准目的仪器设备的校准旨在验证其测量结果是否准确和可靠。
通过校准,可以确保仪器设备在试验过程中提供准确的数据,从而有效地评估工程材料和结构的性能。
3. 校准要求3.1 精确度仪器设备的校准应该满足所需的精确度要求。
不同类型的仪器设备在校准精确度方面可能存在差异,因此需要根据具体的试验要求和标准来确定校准的精确度要求。
3.2 可追溯性校准应具有可追溯性,即校准结果应该可以追溯到国际或国家标准。
通过确保校准结果与国际或国家标准的一致性,可以保证数据的可比性和可靠性。
3.3 重复性仪器设备的校准应具有良好的重复性,即在相同条件下进行多次校准应该得到一致的结果。
重复性是评估仪器设备可靠性的重要指标之一。
3.4 实用性校准方法应具有实用性,既能保证校准结果的准确性,又能在实际操作中得到有效的应用。
校准方法应尽量简便、快速,并且能够适应各种实际工况。
4. 校准步骤4.1 准备工作在进行仪器设备校准之前,应做好准备工作,包括仪器设备的检查和准备校准所需的参考标准。
4.2 校准方法选择根据仪器设备的类型和试验要求,选择适当的校准方法。
不同类型的仪器设备可能需要不同的校准方法,如静态校准、动态校准等。
4.3 校准过程根据选择的校准方法,进行仪器设备的校准过程。
校准过程中,应按照标准程序进行操作,并记录校准结果和相关信息。
4.4 校准结果评估校准完成后,对校准结果进行评估。
评估包括校准结果的准确性、可靠性和符合性等方面的考虑。
4.5 校准结果记录将校准结果进行记录,并标明校准日期、操作人员、校准方法等重要信息。
校准结果记录应保存在可靠的介质中,以备后续参考和审查。
5. 校准频率校准频率应根据仪器设备的使用情况和要求进行确定。
公路⼯程试验检测仪器设备校准指南(部分)公路⼯程试验检测仪器设备校准指南续上表4.11沥青全⾃动抽提仪校准⽅法(JTJZ 04-11)1适⽤范围144第⼆部分校准/检查⽅法/4沥青及沥青混合料类仪器设备校准⽅法本⽅法适⽤于沥青全⾃动抽提仪的校准。
2 技术要求2.1 仪器应带有铭牌(包括仪器名称、型号规格、出⼚编号、出⼚⽇期、制造⼚等)、合格证、灌吏⽤说明书。
2.2 仪器外表不应有明显的损伤、缺陷和锈蚀,仪器应安装⽔平,溶剂供给、回收系统、冷却⽔循环系统应连接密封、完好。
2.3 筛分、过滤系统:筛⽹应完好不得有孔洞、裂⼝等并通过校准各筛能够密封套合,喷淋盖能够密闭,喷淋孔应畅通,电磁振动系统应有效运⾏。
2.4 回收系统:由溶剂室、溶剂回收室、冷凝箱等组成,溶剂室设有冷却管、直读液位计、溶剂排放阀。
2.5 抽提精度:油⽯⽐差值≤2,矿粉筛余百分率差值≤0.2。
3 校准项⽬3.1 外观检查。
3.2 抽提精度。
4 校准环境及校准器具4.1 校准环境:校准⼯作应在室内进⾏,环境温度为(25⼠10)℃相对湿度不⼤于85%,校准现场应洁净,周围⽆影响校准结果的振动、污染、腐蚀性⽓体。
4.2 校准器具:电⼦天平量程不⼩于2000g,感量为0.01g。
5 校准⽅法5.1 外观检查:按照本⽅法2.1⼀2.5条要求进⾏⽬测检查。
5.2 抽提精度:采⽤经校准的没备⾃制已知配⽐的沥青混合料,进⾏抽提试验,重复进⾏3次,取平均值;计算油⽯⽐及矿料筛余百分率。
6 校准周期校准周期⼀般下赶过12个⽉。
7 结果处理填写校准记录表(表B04-11),提交审核确认。
公路⼯程试验检测仪器设备校准指南4.12 马歇尔试模校准⽅法(JTJZ 04-12)1 适⽤范围本⽅法适⽤于马歇尔试模的校准。
2 技术要求2.1 试模及套模应由⾼碳钢或⼯具钢制成,有⾜够的厚度和刚度,以保证使⽤中不产⽣变形;外观应圆整,⽆明显的变形、锈蚀、严重附着污染物等缺陷。
公路工程试验检测仪器设备校准指南常用非强检设备校准方法目录1.4 电动击实仪校准方法(JTJZ 01-04) (2)1.7 CBR试验装置校准方法(JTJZ 01-07) (4)2.8容量筒校准方法(JTJZ 02-08) (6)3.1透气比表面积仪校准方法(JTJZ 03-01) (8)3.2水泥负压筛析仪校准方法(JTJZ 03-02) (10)3.4量水器校准方法(JTJZ 03-04) (12)3.6雷氏夹校准方法(JTJZ 03-06) (15)3.13坍落度测定仪校准方法(JTJZ 03-13) (17)3.16水泥混凝土抗渗仪校准方法(JTJZ 03-16) (19)3.18水泥砂浆分层度仪校准方法(JTJZ 03-18) (22)3.19水泥混凝土试模、砂浆试模校准方法(JTJZ 03-19) (24)5.1 灌砂筒校准方法(JTJZ 05-01) (27)5.6玻璃器皿校准方法(JTJZ 05-06) (29)游标卡尺:最大量程不小于200 mm,分度值0.02 mm。
钢直尺:量程不少于500 mm,分度值1 mm。
塞尺:0.02~2 mm。
电子天平:量程不小于2000g,感量为0.01g。
电子天平:量程不小于5000g,感量为1g。
电子天平:量程不小于15kg,感量为1g。
分析天平:量程不小于100g,感量为0.0001g。
电子秤或磅秤:量程不小于50kg,感量为5g。
1.4 电动击实仪校准方法(JTJZ 01-04)1 适用范围本方法适用于电动击实仪的校准,参照《土工击实仪检定规程》[JJG(交通)058-2004]编制。
2 技术要求2.1 仪器应带有名牌(包括仪器名称、型号规格、出厂编号、出厂日期、制造厂等)、合格证、使用说明书。
3 校准项目3.1 外观检查。
3.2 击实锤质量。
3.3 击实锤落高。
3.4 击实锤锤头直径。
3.5 击实锤体的侧母线与击实筒内壁的间隙。
3.6 击实筒几何尺寸。
公路工程试验检测仪器设备校准指南常用非强检设备校准方法目录1.4 电动击实仪校准方法(JTJZ 01-04)11.7 CBR试验装置校准方法(JTJZ 01-07)32.8容量筒校准方法(JTJZ 02-08)43.1透气比表面积仪校准方法(JTJZ 03-01)63.2水泥负压筛析仪校准方法(JTJZ 03-02)73.4量水器校准方法(JTJZ 03-04)93.6雷氏夹校准方法(JTJZ 03-06)113.13坍落度测定仪校准方法(JTJZ 03-13)133.16水泥混凝土抗渗仪校准方法(JTJZ 03-16)143.18水泥砂浆分层度仪校准方法(JTJZ 03-18)163.19水泥混凝土试模、砂浆试模校准方法(JTJZ 03-19)175.1 灌砂筒校准方法(JTJZ 05-01)205.6玻璃器皿校准方法(JTJZ 05-06)21游标卡尺:最大量程不小于200 mm,分度值0.02 mm。
钢直尺:量程不少于500 mm,分度值1 mm。
塞尺:0.02~2 mm。
电子天平:量程不小于2000g,感量为0.01g。
电子天平:量程不小于5000g,感量为1g。
电子天平:量程不小于15kg,感量为1g。
分析天平:量程不小于100g,感量为0.0001g。
电子秤或磅秤:量程不小于50kg,感量为5g。
1.4 电动击实仪校准方法(JTJZ01-04)1 适用范围本方法适用于电动击实仪的校准,参照《土工击实仪检定规程》[JJG(交通)058-2004]编制。
2 技术要求2.1 仪器应带有名牌(包括仪器名称、型号规格、出厂编号、出厂日期、制造厂等)、合格证、使用说明书。
3 校准项目3.1 外观检查。
3.2 击实锤质量。
3.3 击实锤落高。
3.4 击实锤锤头直径。
3.5 击实锤体的侧母线与击实筒内壁的间隙。
3.6 击实筒几何尺寸。
4 校准环境及校准器具4.1 校准环境:环境温度为(25±10)℃,相对湿度不大于85%,校准现场应洁净,周围无影响结果的振动、污染、腐蚀性气体。
4.2 校准器具:4.2.1 电子天平:量程不小于5000g,感量为1g。
4.2.2 钢直尺:量程不小于500mm,分度值为1mm。
4.2.3 游标卡尺:最大量程不小于200 mm,分度值0.02 mm。
4.2.4 塞尺:0.02~2 mm。
5 校准方法5.1 外观检查:按本方法2.1条要求对仪器的外观进行检查。
5.2 击实锤质量校准:取下击实锤及导杆放置在记数电子天平上准确称量,调整其配重,使锤质量准确至要求范围。
5.3 击实锤落高校准:将击实锤提升至起始高度位置处,用钢直尺测量出击锤底部至落点处的垂直高度即击实锤落高,重复测量3次,取平均值。
5.4 击实锤锤头直径校准:用游标卡尺测量击实锤锤头直径,每120度测量1次,共测量3次,取平均值。
5.5 击实锤体的测母线与击实筒内壁的间隙校准:将击实仪的定位销调整到使用大型击实筒处,安装好大型击实筒,将击实锤手动调整到击实过程下端位置,然后手动转动击实筒,每转动120度用塞尺测量击实锤体的侧母线与击实筒内壁的间隙,共测量3次,其间隙均应在2~2.5mm范围内;小型击实筒校准采用相同的方法。
5.6 击实筒几何尺寸校准:用游标卡尺测量击实筒的内径及高度,每120度测量1次,共测量3次,取平均值。
6 校准周期校准周期一般不超过12个月。
1.7 CBR试验装置校准方法(JTJZ01-07)1 适用范围本方法适用于CBR试验装置的校准。
2 技术要求2.1 外观:贯入杆、试筒、荷载板、百分表支撑架、透水板等外观完好,不应有碰伤、显著的划痕及影响仪器准确度的其他缺陷。
4 校准环境及校准器具4.1 校准环境:校准环境:环境温度为(25±10)℃,相对湿度不大于85%,校准现场应洁净,周围无影响结果的振动、污染、腐蚀性气体。
4.2 校准器具:4.2.1游标卡尺:最大量程不小于200 mm,分度值0.02 mm。
4.2.2电子天平:量程不小于2000g,感量为0.01g。
5 校准方法5.1 外观检查:按本方法2.1条要求对仪器的外观进行检查。
5.2 贯入杆直径校准:用游标卡尺测量贯入杆直径,每120度测量1次,共测量3次,取平均值。
5.3 试筒、套环及筒内垫块的尺寸校准:用游标卡尺分别测量试筒内径和高度、筒内垫块的直径和高度,套环的高度,每120度测量1次,共测量3次,取平均值。
5.4 荷载板质量校准:逐个称量荷载板质量并记录。
6 校准周期校准周期一般不超过12个月。
2.8容量筒校准方法(JTJZ02-08)1 适用范围本方法适用于密度试验用容量筒的校准。
2 技术要求2.1 容量筒为金属制成的圆筒,两旁装有提手,容量筒上缘及内壁底面及光滑平整,不得有凹凸不平的现象,顶面与底面应平行并与圆柱体的轴垂直。
4 校准环境及校准器具4.1 校准环境:校准工作应在室内进行,环境温度为(20±2)℃,相对湿度不大于85%,校准现场应洁净,周围无影响结果的振动、污染、腐蚀性气体。
4.2 校准器具:4.2.1游标卡尺:最大量程不小于200 mm,分度值0.02 mm。
4.2.2 钢直尺:量程不少于500 mm,分度值1 mm。
4.2.3电子天平:量程不小于15kg,感量为1g。
4.2.4 电子秤或磅秤:量程不小于50kg,感量为5g。
5 校准方法5.1 外观检查:按本方法2.1条要求对仪器的外观进行检查。
5.2 容量筒尺寸校准:用游标卡尺或钢直尺测量容量筒内径和高度,每120度测量1点,共测量3点;用游标卡尺测量容量筒的壁厚。
5.3 容量筒容积校准:提前将容量筒、玻璃板和校准所要用到的水放到已经恒温的室内(最好控制在20±2℃范围内),称取容量筒和玻璃板质量;然后往容量筒内装满水,同时记录试验用的水温,用玻璃板紧贴筒口滑移排去多余的水和气泡,擦干筒外壁水分后称总质量,重复上述步骤测定3次,计算容量筒容积,取平均值。
10L及以下容量筒校准用感量1g的电子秤称量,10L以上容量筒用感量5g的电子秤或磅秤称量3.1透气比表面积仪校准方法(JTJZ03-01)1 适用范围本方法适用于透气比表面积仪的校准2 技术要求2.1 仪器应带有铭牌(包括仪器名称、型号规格、出厂编号、出厂日期、制造厂等)、合格证、使用说明书。
2.2 整机的油漆面应平整、光亮、均匀和色调一致。
2.3 仪器各部件间连接要严密,不得漏气。
2.4 透气圆筒:内径12.7+0.05mm,高度55±10 mm。
mm,厚度1.0±0.1 mm,均匀分布35个直径1 mm的2.5 穿孔板直径12.70-0.05小孔。
2.6 捣器直径12.70mm,侧面有一个扁平槽,宽度3.0±0.3mm,捣器的顶部-0.02有1个支持环,当捣器放入圆筒时,支持环与圆筒上口边沿接触,这时捣器底面与穿孔板之间的距离为15.0±0.5mm.2.7 压力计:U形,其中一臂的顶端有锥形磨口,在连接透气圆筒的一臂上刻有上下3条环形线。
4 校准环境及校准器具4.1 校准环境:校准工作应在室内进行,环境温度为20±2℃,相对湿度不大于50%,校准现场应洁净,周围无影响结果的振动、污染、腐蚀性气体。
4.2校准器具:电子天平:量程不小于300g,感量为0.01g。
分析天平:量程不小于100g,感量为0.0001g。
4.2.3水泥细度标准粉:比表面积接近2800~4000cm2/g。
5 校准方法5.1 外观检查:按本方法2.1条要求对仪器的外观进行检查。
5.2 漏气检查:在圆筒下端的锥体外部抹上一薄层活塞油脂或凡士林,并将圆筒插入压力计上口端部,旋转2周,使圆筒与压力计严密接触,然后用胶皮塞塞紧圆筒上口,抽气使压力计内液面上升到上面刻度线,关闭活塞,观察5min,液面不下降,说明仪器不漏气。
5.3 粉料层体积的测定:5.3.1 将两片滤纸沿筒壁放入透气圆筒内,用直径比透气圆筒略小的送样棒往下按直到滤纸平正地放到穿孔板上,然后装满水银,用一薄玻璃板轻压水银表面,使水银与圆筒上口平齐,并保证在玻璃板和水银表面之间没有气泡或空洞存在,然后倒出水银,称其质量mA。
从圆筒在取出1片滤纸,加入2.5~2.7g的标准粉(经110±5℃烘干1小时,在干燥皿冷却至室温,准确至0.001g)再盖上1片滤纸用捣器压实,直到捣器的支承环与圆筒顶边接触为止。
然后在圆筒上部空间加入水银,同上方法使水银与圆筒上口平齐,再倒出水银,称其质量mB。
5.3.3 试料层占有的体积用下式计算:V=(mA -mB)/ d式中:d -试验温度下水银的密度,g/cm3。
V -试料层体积g/cm3,精确至0.001 g/cm3。
5.3.4 以上操作进行3次,取平均值作为试料层体积值。
6 校准周期一般不超过12个月。
3.2水泥负压筛析仪校准方法(JTJZ 03-02)1 适用范围本方法适用于80μm水泥负压筛析仪的校准。
2 技术要求2.1 仪器应带有铭牌(包括仪器名称、型号规格、出厂编号、出厂日期、制造厂等)、合格证、使用说明书。
2.2 试验筛外观不得有伤痕、脱焊或筛布堵塞等现象,筛布应绷紧,不允许有褶皱、松弛、断丝、方孔成菱形等缺陷。
2.3 负压筛析仪的负压可调节范围4000~6000Pa。
2.4 水泥细度标准样品校准试验筛修正系数应在0.80~1.20范围内。
4 校准环境及校准器具4.1 校准环境:环境温度为(20±2)℃,相对湿度不大于50%,校准现场应洁净,周围无影响结果的振动、污染、腐蚀性气体。
4.2 校准器具:4.2.1 水泥细度标准样品。
4.2.2 电子天平:量程不小于500g,感量为0.01g。
5 校准方法5.1 按本方法2.1、2.2条要求目测检查。
5.2 筛析仪负压校准:在筛析仪上安装上试验筛,并加上盖子,打开仪器开关启动仪器,调节加压开关,查看仪器负压能否达到4000~6000Pa,若达不到,应打开吸尘器,清理收集容器,查看密封是否完好。
5.3 试验筛修正系数校准:将水泥细度标准样品烘干,在干燥器中冷却后装入干燥的密广口瓶内,盖上盖子摇动2min,消除结块。
静置2min后,用一根干燥洁净的搅棒搅匀。
称取水泥细度标准样品25g,精确到0.01g,测定其在试验筛上的筛余百分数。
每个试验筛的标定称取两个标准样品连续进行,中间不得插入其它样品试验。
2个样品结果的平均值为最终值,但当2个样品筛余结果相差大于0.3%时,应称第3个样品进行试验,并取接近的2个结果进行平均作为最终结果。
试验筛的修正系数按下式计算:C=Fn/Ft式中:C-试验筛的修正系数;Fn-标准样品的筛余标准值,%;Ft-标准样品在试验筛上的筛余值,%;6 校准周期校准周期一般不超过12个月。