安全生产管理制度执行情况检查考核记录表
- 格式:doc
- 大小:107.00 KB
- 文档页数:11
建设施工企业安全生产法规、制度执行情况检查记录表参考模板范本 (一)建设施工企业安全生产法规、制度执行情况检查记录表是对企业安全生产情况进行检查的重要依据,能够有效地发现问题,提高安全生产水平。
下面就为大家介绍一份建设施工企业安全生产法规、制度执行情况检查记录表的参考模板范本。
一、企业基本情况企业名称:企业法人:联系电话:安全监管部门:二、安全生产法规、制度是否完善1.是否建立健全安全生产法规、制度及操作规程2.是否建立健全安全生产组织机构三、安全生产场所环境是否符合要求1.生产场所及进出通道是否畅通2.生产车间及库房内杂物是否清理干净3.生产设备与安全距离是否符合要求4.生产作业是否存在噪声、粉尘、辐射等危害因素四、工人安全教育培训情况1.是否建立安全教育体系2.新员工及临时工安全培训是否到位3.特种作业人员安全技能是否达标五、特种设备安全管理是否到位1.特种设备是否符合国家标准和安全规定2.特种设备的使用,检验,维护是否明确规定3.特种设备的安装,调试,使用是否存在安全隐患六、危险化学品安全管理是否到位1.危险化学品存储设施是否符合国家、地方有关规定2.危险化学品使用场所是否有良好的通风设施3.是否建立明确的危险化学品安全管理制度七、安全事故应急救援演练是否到位1.是否建立健全应急救援预案2.是否定期组织安全事故应急救援演练3.应急救援设施与器材是否齐全八、安全生产检查质量与频率是否符合要求1.安全生产检查工作是否按照规定及时有效地开展2.对存在问题的公司是否及时整改并通报3.是否建立事故隐患管理制度以上就是关于“建设施工企业安全生产法规、制度执行情况检查记录表参考模板范本”的简要介绍。
随着人民群众安全意识的提高以及国家对企业安全生产的高度重视,建设施工企业必须要求自己重新审视,不断加强安全生产工作,防范和解决安全隐患,确保企业持续健康发展。
安全生产检查记录表一、检查时间,2023年1月15日。
二、检查地点,XX工厂生产车间。
三、检查人员,安全管理员XXX、生产主管XXX。
四、检查内容及结果:1. 电气设备安全检查。
本次检查发现,部分生产车间的电气设备存在老化、漏电等安全隐患,已及时通知维修人员进行处理,并将设备停用,确保员工的电气安全。
2. 生产设备操作规范检查。
检查发现,部分员工在操作生产设备时存在操作不规范、未穿戴安全防护用具等情况,已立即进行现场教育,并要求相关员工严格遵守操作规程,确保生产安全。
3. 安全防护用具检查。
本次检查发现,部分员工未正确佩戴安全帽、安全鞋等防护用具,已进行个别通报批评,并加强安全教育培训,提高员工安全意识。
4. 生产场所环境检查。
生产场所存在部分杂物堆放不规范、通道堵塞等情况,已责成相关部门进行清理整改,确保生产场所环境整洁、通风良好。
5. 安全生产管理制度执行情况检查。
通过本次检查发现,公司安全生产管理制度执行情况良好,各部门对安全生产工作高度重视,各项安全管理制度得到有效执行。
六、存在的问题及整改措施:1. 电气设备安全隐患。
问题,部分电气设备存在老化、漏电等安全隐患。
整改措施,立即通知维修人员进行处理,并将设备停用,确保员工的电气安全。
2. 生产设备操作规范。
问题,部分员工在操作生产设备时存在操作不规范、未穿戴安全防护用具等情况。
整改措施,加强现场教育,要求相关员工严格遵守操作规程,确保生产安全。
3. 安全防护用具佩戴。
问题,部分员工未正确佩戴安全帽、安全鞋等防护用具。
整改措施,加强安全教育培训,提高员工安全意识,确保防护用具的正确佩戴。
4. 生产场所环境整治。
问题,生产场所存在杂物堆放不规范、通道堵塞等情况。
整改措施,责成相关部门进行清理整改,确保生产场所环境整洁、通风良好。
七、检查人员意见:安全管理员XXX,本次检查发现了一些安全隐患,已及时通知相关部门进行整改,希望全体员工能够加强安全意识,共同营造安全生产的良好环境。
一、检查时间:2023年3月15日二、检查地点:XX公司生产车间三、检查人员:安全管理部门全体成员四、检查内容:1. 安全生产责任制落实情况2. 安全操作规程执行情况3. 安全防护设施设备维护保养情况4. 应急预案制定与演练情况5. 安全教育培训情况6. 安全隐患排查治理情况五、检查过程:1. 安全生产责任制落实情况:- 检查了各部门安全生产责任制落实情况,包括部门负责人安全生产职责、员工安全生产职责等。
- 通过查阅相关文件,确认各部门安全生产责任制已明确,责任到人。
2. 安全操作规程执行情况:- 检查了生产现场安全操作规程的执行情况,包括操作规程的公示、员工对操作规程的熟悉程度等。
- 通过现场观察和询问,发现大部分员工能够按照操作规程进行作业,但仍有部分员工对部分操作规程不够熟悉。
3. 安全防护设施设备维护保养情况:- 检查了生产现场的安全防护设施设备,如防护栏、防护罩、安全阀等。
- 发现部分安全防护设施设备存在损坏或缺失的情况,已记录并要求相关部门及时整改。
4. 应急预案制定与演练情况:- 检查了应急预案的制定和演练情况,包括应急预案的完整性、可操作性等。
- 通过查阅相关文件,确认公司已制定应急预案,并定期进行演练。
5. 安全教育培训情况:- 检查了员工安全教育培训记录,包括培训内容、培训时间、培训效果等。
- 发现部分员工培训记录不完整,已要求相关部门完善。
6. 安全隐患排查治理情况:- 检查了生产现场的安全隐患排查治理情况,包括隐患排查制度、隐患治理措施等。
- 发现部分安全隐患已得到及时治理,但仍有部分隐患尚未整改。
六、检查结果:本次检查共发现安全隐患5处,其中已整改3处,其余2处已制定整改计划,要求相关部门在规定时间内完成整改。
七、整改要求:1. 各部门要高度重视安全生产,加强安全生产责任制落实,确保安全生产措施得到有效执行。
2. 对本次检查中发现的安全隐患,要求相关部门在规定时间内完成整改,并上报整改情况。
安全规章制度考核记录表单位名称:考核时间:考核人员:考核对象:考核内容:一、现场安全管理制度的执行情况1. 是否建立并健全现场安全管理制度?2. 现场作业人员是否严格执行安全管理制度?3. 是否定期组织现场安全演练和应急预案演练?4. 是否做好现场安全警示标识的设置?5. 是否定期检查现场安全设施的完好性?二、作业人员安全教育培训情况1. 是否建立并健全岗前培训和定期安全培训制度?2. 是否定期进行安全培训和教育?3. 是否建立作业人员资格审查和考核制度?4. 是否定期组织安全技能竞赛和演练?5. 是否对新进作业人员进行安全培训?三、作业环境安全评估情况1. 是否定期组织作业环境安全评估?2. 是否及时发现和纠正存在的安全隐患?3. 是否建立隐患排查治理台账?4. 是否从根源上消除安全隐患?5. 是否做好危险作业审批和管理?四、安全生产责任制落实情况1. 是否建立并健全安全生产责任制度?2. 是否定期组织安全生产例会?3. 是否及时落实安全生产议定事项?4. 是否建立并健全安全生产责任追究制度?5. 是否建立和完善事故纪律处分制度?五、应急预案演练情况1. 是否建立并健全应急预案?2. 是否定期组织应急预案演练?3. 是否建立健全应急救援队伍?4. 是否建立健全应急物资储备制度?5. 是否及时总结应急演练效果,不断完善应急预案?六、安全生产考核及奖惩情况1. 是否定期组织安全生产考核?2. 是否及时表彰先进单位和个人?3. 是否建立并健全安全生产奖惩制度?4. 是否及时对违章违纪人员进行处理?5. 是否建立并健全安全生产信用档案管理制度?总结意见:综上所述,我单位在安全规章制度的执行情况、作业人员安全教育培训情况、作业环境安全评估情况、安全生产责任制落实情况、应急预案演练情况以及安全生产考核及奖惩情况等方面存在一定问题和不足。
建议单位领导高度重视安全生产工作,加强对安全规章制度的执行监督,做好安全培训和教育工作,及时发现和消除安全隐患,完善安全生产责任制和应急预案,加强安全生产考核和奖惩管理,不断提升全员安全意识和安全管理水平,确保安全生产工作的顺利开展。
一、检查时间:2023年3月15日二、检查地点:XX公司生产车间三、检查人员:安全管理部门全体成员四、检查目的:全面检查公司安全生产管理制度执行情况,确保生产安全。
一、检查内容1. 安全生产责任制落实情况检查各生产部门是否明确了安全生产责任制,责任到人,确保安全生产管理工作得到有效实施。
2. 安全生产教育培训情况检查各生产部门是否定期开展安全生产教育培训,提高员工的安全意识和操作技能。
3. 安全设施设备情况检查生产车间内安全设施设备是否齐全、完好,是否存在安全隐患。
4. 安全操作规程执行情况检查各生产部门是否严格执行安全操作规程,是否存在违章操作现象。
5. 应急预案编制及演练情况检查各生产部门是否编制了应急预案,并定期组织应急演练,提高应对突发事件的能力。
6. 安全生产检查及隐患整改情况检查各生产部门是否定期开展安全生产检查,对发现的安全隐患是否及时整改。
二、检查结果1. 安全生产责任制落实情况:各生产部门安全生产责任制明确,责任到人,安全生产管理工作得到有效实施。
2. 安全生产教育培训情况:各生产部门定期开展安全生产教育培训,员工安全意识和操作技能得到提高。
3. 安全设施设备情况:生产车间内安全设施设备齐全、完好,未发现安全隐患。
4. 安全操作规程执行情况:各生产部门严格执行安全操作规程,未发现违章操作现象。
5. 应急预案编制及演练情况:各生产部门编制了应急预案,并定期组织应急演练,应对突发事件的能力得到提高。
6. 安全生产检查及隐患整改情况:各生产部门定期开展安全生产检查,对发现的安全隐患及时整改,未发现未整改隐患。
三、整改措施1. 继续加强安全生产责任制落实,确保安全生产管理工作持续有效。
2. 定期开展安全生产教育培训,提高员工安全意识和操作技能。
3. 加强安全设施设备管理,确保其完好、有效。
4. 严格执行安全操作规程,杜绝违章操作现象。
5. 定期开展安全生产检查,确保安全隐患及时整改。
6. 定期组织应急演练,提高应对突发事件的能力。
安全管理制度执行情况检查和考核记录安全管理制度是企业安全管理的重要组成部分,其有效执行对于确保企业员工的人身安全和财产安全具有重要意义。
为此,我们需要进行定期的安全管理制度执行情况检查和考核,以评估执行情况,及时发现问题并采取措施加以改进。
一、检查内容1.各安全责任岗位的责任书是否明确、具体,责任人是否清楚其职责和义务。
2.安全管理制度的制定、修订和发布程序是否符合要求,记录是否完整且易于查阅。
3.职工安全培训计划是否制定并按时执行,是否有培训记录。
4.安全生产责任制履行情况,各级管理责任人是否按照责任书的要求执行相关工作。
5.安全生产责任制落实到位情况,各部门是否按照责任分工履行职责,是否有良好的工作秩序。
6.违章违规行为的查处情况,是否按照制度对违章违规行为进行惩戒,是否建立了健全的管理机制。
7.生产设备的维护保养情况,设备管理制度是否得到有效执行,设备的安全状况是否合格。
8.所有员工的安全生产意识和安全行为情况,是否定期开展安全教育和培训,是否建立了安全奖惩激励机制。
二、检查方法1.文件查阅法:对安全管理制度、责任书、规章制度、培训记录等进行查阅,核对相关档案文件的完整性和规范性。
2.现场查看法:对工作场所和生产设备进行检查,查看设备的保养情况,工作区域的安全卫生状况。
3.人员访谈法:与安全责任人、员工代表等进行谈话,了解执行情况、存在的问题和需求。
三、检查结果与改进措施1.检查结果的分类和分级:根据检查情况,将问题分为严重、一般、良好三个等级,以便后续的改进和考核。
2.制定改进措施:针对存在的问题,制定具体的改进措施,明确责任人和时间节点,并加强跟踪督促,确保改进措施的有效执行。
3.分级考核:根据安全管理制度执行情况的评估结果,对各个安全责任岗位进行考核,适当给予奖励或处罚,以激励安全管理制度的有效执行。
四、检查报告和整改情况:1.检查报告应详细记录检查的过程、结果和改进措施,报送给上级管理部门,并提出改进建议。
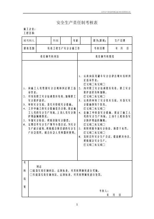
安全生产责任制考核记录表
该考核记录表用于对安全生产责任制的履行情况进行评估和记录。
以下是该表格的具体内容:
一、基本信息
二、考核内容
1. 安全生产管理体系建设
2.
安全生产责任落实情况
3. 安全生产纪律执法情况
4. 安全生产绩效与考核
5. 安全应急管理情况
三、总结与评价
根据考核记录表中各项指标的得分,对被考核单位的安全生产责任制履行情况进行总结和评价。
四、改进措施
根据总结和评价结果,提出被考核单位在安全生产责任制落实方面需要改进的措施和建议。
五、考核人员意见
考核人员根据实地考察和数据统计,填写自己对被考核单位安全生产责任制履行情况的意见。
六、相关附件
将与安全生产责任制考核相关的文件附在此处,如安全生产责任制文件、事故应急预案等。
以上是《安全生产责任制考核记录表》的内容概述。
请根据需要填写具体的考核得分和评价。
安全生产责任制考核评分表模版单位名称:考核周期:评分人:被考核单位:一、安全生产责任制的建立和落实情况(满分20分)1. 安全生产责任制文件的制定和落实情况(满分5分)1.1 是否编制了《安全生产责任制实施方案》(1分)1.2 是否制定了本单位的安全生产责任制文件(1分)1.3 是否按照文件的要求进行执行,并做好相关材料的备案工作(1分)1.4 是否将文件向全体员工进行宣传和培训(1分)2. 安全生产责任制的组织和设置情况(满分5分)2.1 是否明确了安全生产责任人和相关管理人员(1分)2.2 安全生产责任人和相关管理人员是否具备相应的岗位资质和责任心(1分)2.3 是否做好了安全生产责任人交接班的工作(1分)2.4 是否设立了安全生产责任制考核评分小组,并明确了相应的考核标准和程序(1分)2.5 是否及时召开相关安全生产责任制的会议并做好会议纪要的记录(1分)3. 安全生产责任制的执行情况(满分10分)3.1 重大安全事故、重伤事故、死亡事故和火灾事故的发生情况,以及责任的追究情况(2分)3.2 安全生产责任人和相关管理人员是否按照责任制执行工作,做好安全生产工作的组织和监督(2分)3.3 是否按照责任制要求对员工进行安全生产培训和考核,并做好相应的记录(2分)3.4 是否对安全生产责任制进行定期检查和评估,发现问题及时整改(2分)3.5 是否建立和健全了安全生产风险隐患排查治理制度,并定期进行排查和整改(2分)二、安全生产管理制度的贯彻和落实情况(满分20分)1. 安全生产管理制度的建立和落实情况(满分10分)1.1 是否编制了相应的安全生产管理制度并落实到位(2分)1.2 是否对制度进行宣传、培训和解读,做到全员知晓、遵守和执行(2分)1.3 是否建立了相应的监督检查机制,对制度的执行情况进行监督和评估(2分)1.4 是否建立了制度执行的考核和激励机制,对制度执行情况进行评估和奖惩(2分)1.5 是否及时修订和完善了安全生产管理制度,以适应变化的安全生产工作需求(2分)2. 安全生产责任人和管理人员的履职情况(满分10分)2.1 安全生产责任人和管理人员是否按照制度要求履行管理责任(2分)2.2 安全生产责任人和管理人员是否与员工保持良好的沟通和协调(2分)2.3 安全生产责任人和管理人员是否及时处理和解决安全生产工作中出现的问题(2分)2.4 安全生产责任人和管理人员是否积极推动安全生产工作不断改进和提升(2分)2.5 安全生产责任人和管理人员是否加强对安全生产标准和法律法规的学习和应用(2分)三、事故隐患排查治理情况(满分20分)1. 事故隐患排查工作情况(满分10分)1.1 是否建立了事故隐患排查制度,并指定相关人员负责执行(2分)1.2 是否开展了安全隐患排查工作,发现和记录了相关的安全隐患(2分)1.3 是否按照隐患的严重程度和紧急程度制定了整改方案,并落实到位(2分)1.4 是否对整改情况进行了监督和检查,并及时对未整改的隐患进行责任追究(2分)1.5 是否建立了事故隐患排查和整改的档案,做好相关材料的备案工作(2分)2. 事故隐患治理工作情况(满分10分)2.1 是否制定了事故隐患治理方案,并有专人负责落实(2分)2.2 是否按照治理方案,采取了有效的措施对事故隐患进行治理和改善(2分)2.3 是否建立了事故隐患治理的监督检查机制,对治理效果进行评估和监督(2分)2.4 是否加强对员工的安全生产教育和培训,提高员工的安全意识和自我保护能力(2分)2.5 是否对事故隐患治理的工作进行定期总结和评估,不断完善措施和方法(2分)四、安全生产事故应急预案的制定和落实情况(满分15分)1. 是否编制了本单位的安全生产事故应急预案(满分5分)1.1 是否建立了事故应急预案编制工作组,并明确了相关职责和工作流程(1分)1.2 是否按照预案编制工作要求,制定了相应的安全生产事故应急预案(2分)1.3 是否将预案向全体员工进行宣传和培训,并做好相应的演练工作(2分)2. 是否建立了本单位的应急救援队伍和设施(满分5分)2.1 是否组织和培训了本单位的应急救援队伍,并达到预案要求的配置比例(2分)2.2 是否建立了应急救援设施和装备,并保持设施和装备的完好性和可用性(2分)2.3 是否进行定期的应急救援演练,并不断完善应急救援工作的能力和效果(1分)3. 是否定期开展安全生产事故应急预案的检查和评估(满分5分)3.1 是否按照预案的要求,定期对安全生产事故应急预案进行检查和评估(2分)3.2 是否及时修订和完善预案,以适应变化的安全生产事故应急需求(2分)3.3 是否建立和健全了预案应急演练的记录和反馈机制(1分)五、特种设备和危险化学品等安全管理情况(满分15分)1. 特种设备安全管理情况(满分5分)1.1 是否建立了特种设备安全管理制度,并落实到位(2分)1.2 是否对特种设备进行定期检查和维护,保证设备的安全运行(1分)1.3 是否建立了特种设备档案,记录和备案设备的相关信息和维护情况(1分)1.4 是否对特种设备的操作人员进行了培训和考核,并做好相应的记录(1分)2. 危险化学品安全管理情况(满分5分)2.1 是否建立了危险化学品台账和库存管理制度,并做到台账和库存的实时录入和更新(2分)2.2 是否按照要求建立了危险化学品的存放和使用场所,并保证场所符合相关安全要求(1分)2.3 是否向员工进行了危险化学品的安全培训,并做好相关培训记录(1分)2.4 是否建立了危险化学品的事故应急预案,并进行定期演练和检查(1分)3. 其他安全管理情况(满分5分)3.1 是否建立了其他重要设备和工艺的安全管理制度,并做到相关人员的知晓和遵守(2分)3.2 是否定期开展其他设备和工艺的安全检查和维护工作,并做好相关记录(2分)3.3 是否建立了其他设备和工艺的事故应急预案,并做好演练和监督工作(1分)六、其他安全管理情况(满分10分)1. 是否建立了安全生产信息管理系统,做好数据的收集、分析和上报工作(2分)2. 是否对员工进行了安全生产知识和技能的培训,提高员工的安全意识和自我保护能力(2分)3. 是否建立了与职工福利相关的安全管理制度,保障员工的安全和福利(2分)4. 是否加强与其他单位的安全交流和合作,推动共同解决安全问题和隐患(2分)5. 是否建立了举报制度,对安全生产违法行为进行举报和处理(2分)综合得分:(满分100分)评语:审核人:审核日期:年月日。
安全生产管理文件执行和适用情况检查记录日期:xxxx年xx月xx日检查人:xxx被检单位:xxx公司一、背景为了确保公司安全生产管理制度的执行和适用情况,促进公司安全生产工作的持续改进,特进行安全生产管理文件执行和适用情况检查。
二、检查内容1.安全生产管理文件的完整性和准确性2.安全管理制度的执行情况及与实际情况的适用性3.安全生产责任制度的贯彻落实情况4.安全培训计划的执行情况及培训效果评估5.安全工作记录、报表的填写和保存情况6.安全事故隐患排查和整改情况7.安全设施设备的检查和维护情况三、检查过程及结果1.安全生产管理文件的完整性和准确性检查了公司的安全生产管理文件,包括安全生产方针、安全生产规章制度、风险评估报告、安全操作规程等。
发现所有文件都有制定且更新,内容准确完整。
2.安全管理制度的执行情况及与实际情况的适用性与现场工作人员进行了交流,了解了公司安全管理制度的执行情况。
发现员工对安全管理制度的认知较高,同时也能够灵活应用于实际工作中。
3.安全生产责任制度的贯彻落实情况与各级管理人员进行了座谈,了解了公司安全生产责任制度的贯彻落实情况。
发现各级管理人员对自身工作责任的认识清晰,责任分工明确,并能够有效推动下属员工履行职责。
4.安全培训计划的执行情况及培训效果评估检查了公司的安全培训计划和相关培训记录,包括培训内容、培训方式、培训人员等。
发现公司定期组织安全培训活动,培训记录完整。
通过与培训对象的交流,了解到培训的效果良好,员工对安全意识和知识有一定提升。
5.安全工作记录、报表的填写和保存情况检查了公司的安全工作记录和报表,包括事故记录、巡检记录、隐患排查记录等。
发现这些记录和报表填写完整、准确,并按照要求进行保存。
6.安全事故隐患排查和整改情况仔细查阅了公司的安全事故和隐患排查记录,并了解了相关整改情况。
发现公司对于排查出的隐患及时进行整改,并对整改情况进行了记录和跟踪。
7.安全设施设备的检查和维护情况检查了公司的安全设施设备,包括消防设备、防护设备等。
施工企业:工程名称:
施工企业:工程名称:
施工企业:工程名称:
施工企业:工程名称:
施工企业:工程名称:
施工企业:工程名称:
施工企业:工程名称:
施工企业:工程名称:
施工企业:工程名称:
施工企业:工程名称:
施工企业:工程名称:
施工企业:工程名称:
施工企业:工程名称:
施工企业:工程名称:
施工企业:工程名称:
施工企业:工程名称:
施工企业:工程名称:
施工企业:工程名称:
施工企业:工程名称:
施工企业:工程名称:
施工企业:工程名称:
施工企业:工程名称:
施工企业:工程名称:
施工企业:工程名称:
施工企业:工程名称:
施工企业:工程名称:
施工企业:工程名称:
施工企业:工程名称:
施工企业:工程名称:。
一、考核时间:2022年X月X日二、考核地点:XX煤矿三、考核人员:安全科、生产科、人事科等部门相关人员四、考核目的:检查煤矿安全管理制度执行情况,发现问题及时整改,确保安全生产。
五、考核内容:1. 安全生产责任制落实情况2. 安全生产规章制度执行情况3. 安全生产培训教育情况4. 安全生产隐患排查治理情况5. 安全生产应急救援演练情况六、考核结果:1. 安全生产责任制落实情况(1)各岗位安全生产责任制明确,责任到人;(2)安全生产责任书签订率达到100%;(3)安全生产责任考核制度健全,考核结果公开透明。
2. 安全生产规章制度执行情况(1)各项安全生产规章制度齐全,执行到位;(2)安全生产规章制度宣传培训到位,员工知晓率达到100%;(3)安全生产规章制度执行过程中,无违规操作现象。
3. 安全生产培训教育情况(1)新员工入矿培训、在职员工再培训、特殊工种培训等培训工作完成情况良好;(2)培训内容丰富,针对性较强,员工安全意识得到提高;(3)培训考核合格率达到100%。
4. 安全生产隐患排查治理情况(1)隐患排查治理制度健全,隐患排查治理工作常态化;(2)隐患整改及时,整改率达到100%;(3)重大隐患治理方案制定合理,治理措施落实到位。
5. 安全生产应急救援演练情况(1)应急救援预案制定完善,应急演练计划制定合理;(2)应急演练组织有序,参演人员积极参与;(3)应急演练达到预期效果,提高了员工应急处置能力。
七、存在问题及整改措施:1. 部分岗位安全生产责任制执行不到位,存在责任落实不明确现象;2. 部分安全生产规章制度执行不严格,存在违规操作现象;3. 部分员工安全意识薄弱,培训效果有待提高;4. 部分隐患排查治理工作不到位,存在隐患整改不及时现象;5. 部分应急救援演练针对性不强,应急演练效果有待提高。
针对以上问题,提出以下整改措施:1. 重新梳理各岗位安全生产责任制,明确责任分工,确保责任落实到位;2. 加强安全生产规章制度宣传培训,提高员工安全意识,严格执行安全生产规章制度;3. 加大安全生产培训力度,提高员工安全技能,确保培训效果;4. 加强隐患排查治理工作,确保隐患整改及时,消除安全隐患;5. 优化应急救援预案,提高应急演练针对性,提高员工应急处置能力。
一、检查时间:2023年11月15日二、检查部门:安全管理部门三、检查对象:公司各部门及子公司四、检查内容:1. 安全生产责任制落实情况;2. 安全生产规章制度执行情况;3. 安全教育培训及持证上岗情况;4. 事故隐患排查治理情况;5. 安全设施设备维护保养情况;6. 应急预案编制及演练情况;7. 环境保护及职业健康管理工作。
五、检查过程:1. 安全生产责任制落实情况:检查了各部门及子公司安全生产责任制文件,确认责任到人,责任落实到位。
2. 安全生产规章制度执行情况:抽查了各部门及子公司的安全生产规章制度,发现大部分规章制度得到有效执行,但仍有个别部门存在执行不到位的情况。
3. 安全教育培训及持证上岗情况:对各部门及子公司进行了安全教育培训记录的检查,确认所有员工均已完成安全教育培训,且持有相应的上岗证。
4. 事故隐患排查治理情况:检查了各部门及子公司的隐患排查治理记录,发现隐患排查较为及时,但部分隐患治理进度较慢。
5. 安全设施设备维护保养情况:对安全设施设备进行了现场检查,确认大部分设备处于良好状态,但部分设备存在老化现象,需要及时更换或维修。
6. 应急预案编制及演练情况:检查了各部门及子公司的应急预案,发现预案内容较为完善,但实际演练次数不足,需加强演练。
7. 环境保护及职业健康管理工作:检查了各部门及子公司的环境保护及职业健康管理工作,确认相关制度健全,但实际执行效果有待提高。
六、检查结果:1. 部分部门及子公司安全生产责任制落实不到位,需加强监督;2. 部分安全生产规章制度执行不到位,需加强宣传教育;3. 部分员工安全教育培训及持证上岗情况需进一步规范;4. 部分事故隐患治理进度较慢,需加强督促;5. 部分安全设施设备老化,需及时更换或维修;6. 部分应急预案演练次数不足,需加强演练;7. 环境保护及职业健康管理工作需加强实际执行。
七、整改措施:1. 对安全生产责任制落实不到位的部门及子公司进行整改,确保责任到人;2. 加强安全生产规章制度宣传教育,提高员工安全意识;3. 规范员工安全教育培训及持证上岗工作;4. 加快事故隐患治理进度,确保隐患及时消除;5. 及时更换或维修老化安全设施设备;6. 加强应急预案演练,提高应急处置能力;7. 加强环境保护及职业健康管理工作,确保员工健康。