医用超声治疗设备测试
- 格式:doc
- 大小:21.70 MB
- 文档页数:3
UMS3医用超声声场测试系统是世界知名的、专业从事超声水箱的PA公司生产,满足新的IEC62127-1, NEMA UD-3,或FDA 510(k)等标准的要求。
PA公司和全球权威的超声学实验室NPL保持良好的合作,PA公司的技术专家是IEC超声学标准制定的核心成员,能在第一时间给客户相应的解决方案。
UMS3 医用超声声场测试系统是目前市场上很新且功能全、高度集成且完善的超声实验仪器测试系统,可以用来测试医用理疗类超声、诊断类超声和HIFU类超声等超声设备的声场输出参数。
起源于20世纪中叶的超声诊断,是一种无放射性损伤的非侵人式的诊断方式,具有高分辨力、高灵敏度的特点。
超声诊断检测准确、使用灵活、成像快速、方便多次检查,可多方位切面检查,同时具有安全、快速、价廉的特点,在日常诊断中应用广泛,深受医生和患者的欢迎。
近些年来,随着经济的发展、人口的增加、社会老龄化程度的提高,以及公众健康意识的不断增强,超声医疗器械市场在中国一直保持着高速增长。
然而,在高速增长的背后,却不能忽视人们长久以来对于超声诊断设备安全性的忧虑。
超声波是一种机械波,是弹性介质中质点机械振动状态的传播过程,其实质是机械振动能量的传播过程。
在传播过程中,超声波会产生热效应和机械效应两种效应。
在人体组织传播的过程中,超声波的能量会不断被人体组织吸收转为热量,导致人体组织温度升高,尤其是在骨骼处的温升非常严重,这就是超声的热效应。
超声波又是机械振动能量的传播过程,由于超声波的特殊性质,致使在其人体传播过程中人体的细胞和组织发生激烈地机械运动,严重时将影响其功能、结构和生理功能。
医用超声设备的声辐射因为这两种效应,对人体组织,特别是发育中的胚胎细胞,已经被国内专家学者研究证明具有潜在的危害。
深圳市一测医疗测试技术有限公司是一家专注于医疗器械测试产品和技术的研发、销售与服务为一体的“国家高新技术企业”,我们拥有自主研发的国家发明专利技术并且代理了众多国外先进专业测试产品,如通用多组织超声体模、高频电刀分析仪、医用X光机测试仪、输液系统分析仪等。
Electronic Technology •电子技术Electronic Technology & Software Engineering 电子技术与软件工程• 85●基金项目:国家重点研发计划(2016YFF0201006);浙江省质量技术监督系统科研计划项目。
计划编号:20180103。
<<下转86页【关键词】超声 声场 测量随着科学技术的发展,新的超声诊疗设备不断出现,它们的工作频率、强度和作用方式各不相同。
与此同时,我国的超声治疗设备在肿瘤治疗方面正取得举世瞩目的成就,并推动了我国超声仪器设备的快速发展。
为了提高诊断能力和加强超声治疗效果,超声诊疗类设备的强度正在不断增加,这也同时增加了使用超声设备的风险性,特别是高强度聚焦超声(HIFU )设备和体外震波碎石仪,在焦点附近汇聚着相当强的声波能量,使用不当会对人体组织造成永久性伤害。
因此,为了保障使用该类设备的有效性和安全性,必须对该类超声医疗设备的超声声场分布进行研究,切实保证超声治疗类设备的安全和有效使用,为我国超声治疗设备的进一步发展和进入国际市场提供计量和测试保障。
推动我国超声仪器设备研发的快速健康发展,更好地服务民生医疗。
1 声场参数超声能量输出的实时监控是超声诊疗类临床应用的质量保证1。
以医用诊疗类设备HIFU 为例,该类超声设备的声场主要参数有:声功率、声强、声压、声焦域等。
而目前对其主要参数的检测方法包括:辐射压力法、量热法、光纤和光学检测法、水听器测量法等。
2 测量方法2.1 辐射压力法辐射压力法的典型代表是辐射力天平法(RFB 法)2,也是国际社会公认的超声声功率检测的标准方法,其出现时间最早。
如今该方法的测量体系已相当完善,在国内现已颁布了多个现行的国家标准。
但RFB 法并非尽善医用超声诊疗类设备的声场检测方法文/高申平1 任慧燕1 姚磊1 俞醒言1 王萧博1,2 兰庆1,2尽美,比如临床中使用的聚焦超声治疗头发出的功率都超过了30W ,有的可以达到100W 以上,辐射力天平的吸收靶吸收掉这些高强度声波的能量会转换为自身的热量,使得吸收靶的吸声系数降低影响测量的准确性,甚至出现永久性的热损伤和机械损。
血管内超声诊断设备性能测试研究1.胡运祺邓荣武1.中国医学科学院阜外医院深圳医院(深圳市孙逸仙心血管医院)事业发展部广东深圳5180002.茂名市第三人民医院设备科广东茂名525200[摘要]目的:本文经过分析血管内超声诊断设备性能测试情况,旨意为相关人员的研究工作提供参考文献。
方法:本实验拟开展IVUS检验检测研究工作。
IVUS主要通过B型超声实现成像。
本文参照GB10152-2009中的有关内容。
针对于相关要求实施检测工作主要针对于分辨力以及中心频率两项参数性能加以探究。
结果:血管内超声诊断设备中心频率区间为49.952~50.289MHz;带宽为47.963%~50.188%;接收信号的峰值电压为632.25mV~766.35mV。
分辨率为200μm,侧向为2mm、3mm时分辨能力清晰。
分辨率为300μm,侧向为2mm、3mm、4mm时,分辨能力清晰。
轴向分辨率为70、90、150时,2mm~4mm分辨率清晰。
结论:实施血管内超声诊断设备性能指标测定,在根本上证实了测试方法的可行性,其能够为血管内超声检测规范创建重要基础。
[关键词]中心频率;分辨力;血管内超声成像设备;检测规范血管内超声成像设备(IVUS)在临床中被广泛应用。
这种设备主要指的是利用安装于微导管前端高频探头放入到患者血管腔中,实时探测的介入性超声诊断设备。
IVUS能够实时化展现人体血管横断面切口结构情况,查看附着在管壁表面粥样硬化斑块具体进展详情和形态,用以测定冠状动脉狭窄水平。
就此指导介入治疗以及评价具体疗效成果。
就成像方法来看,IVUS主要分为相控阵以及机械旋转两类。
机械旋转IVUS主要指的是单阵元超声探头于导管内部沿着轴向无死旋转成像。
而相控阵IVUS则主要指的是沿着导管周朝向排列阵列换能器,通过电子扫描的方法予以成像。
IVUS主要组成涵盖以下3个部分:控制手柄、一次性介入导管和成像主机。
结合实际情况,本文全面探究血管内超声诊断设备性能测试情况,旨意为相关人员的研究工作提供参考文献。
超声骨密度检测仪参数1、测量部位:梳骨、胫骨2、测量方式:双发双收3、测量参数:轴向骨传播声速(SOS)M/S4、分析数据:T值、Z值、同龄百分比、成人百分比、骨强度指数、骨龄、预期发生骨质疏松的年龄(EOA的相对骨折风险(RRF),BMI指数。
5、测量精度误差:≤03%6、测量重复性误差:≤0.3%7、测量时间:三周期成人测量<15秒8、测量结果自动判断9、文字模板具有自动寻址功能,方便报告编辑10、具有病例统计功能11、探头频率:1.20MHz-1.50MHz12、温度质控:有机玻璃试样,温度指示13、探头测量导航:能够实时显示探头与骨骼平面轴向夹角、水平角度、方向角度,实时显示角度数值的变化。
14、晶体状态显示:测量时,能够显示探头四个晶体工作状态、超声波接收信号强度。
15、日常校准:开机检验,简单方便16、默认中国人群,可测量5100岁人群17、温度显示校准块:校验器可显示当前温度以及当前温度下标准声速值,出厂标准配备有机玻璃模块18、报告版式:能够提供A4、16K、B5等多种尺寸报告单及横竖合理排版方式。
19、系统运行平台:计算机,四核、4G、500G、20口寸高清显示器20、标配高性能喷墨打印机21、行业标准符合:YY077-2010要求人体成分分析仪参数1、测量原理:多频率生物电阻抗测试法(BIA)。
2、测量时间:50秒内完成全部测量3、测量系统:多频8-电极4、测量频率:6个不同的频率5、测量电流:≤200PA6、电极料:脚:不锈钢/把手:电镀材料7、测量部位:全身/右上肢/左上肢/右下肢/左下肢8、测量范围:75.0-1500.00Ω(0.1。
单位)9、体重:0~300kg10、脂肪率:1.0〜75.0%(0.1%单位)脂肪率分析:5个部位11、脂肪量、肌肉量标准体重、体内水分:细胞内液、细胞外液、细胞内外液率12、四肢及躯干脂肪量13、基础代谢14、肥胖标准分析15、身高:90.0〜249.9cm(可切换0.1cm和1cm)评估脂肪量/评分:kg∕±4(全身/局部)评估肌肉量/评分:kg∕±4(全身/局部)可显示局部脂肪/肌肉的具体重量,并根据相应标准进行评分16、内脏脂肪等级:1〜5917、输出值:体重、体脂肪率、体脂肪量、除脂体重、肌肉量、体水分率、体水分量、推定骨量、细胞内外液、细胞内外液比、身体质量指数、基础代谢量、基础代谢年龄、内脏脂肪等级、节段肌肉量,节段脂肪量。
一、医用超声设备标准医用超声设备已发布标准一览表标准编号 标准名称GB 10152-2009 B型超声诊断设备GB 9706.7-2008 医用电气设备第2-5部分:超声理疗设备安全专用要求GB 9706.9-2008 医用电气设备第2-37部分:超声诊断和监护设备安全专用要求 GB/T 15214-2008 超声诊断设备可靠性试验要求和方法GB/T 15261-2008 超声仿组织材料声学特性的测量方法GB/T 16846-2008 医用超声诊断设备声输出公布要求YY 0107-2005 眼科A型超声测量仪YY 0109-2003 医用超声雾化器YY 0299-2008 医用超声耦合剂YY 0448-2009 超声多普勒胎儿心率仪YY 0449-2009 超声多普勒胎儿监护仪YY 0460-2009 超声洁牙设备YY 0592-2005 高强度聚焦超声(HIFU)治疗系统YY 0593-2005 超声经颅多普勒血流分析仪YY 0767-2009 超声彩色血流成像系统YY 0768-2009 眼科晶状体超声摘除和玻璃体切除设备YY 1090-2009 超声理疗设备YY/T 0108-2008 超声诊断设备M模式试验方法YY/T 0110-2009 医用超声压电陶瓷材料YY/T 0111-2005 超声多普勒换能器技术要求和试验方法YY/T 0162.1-2009 医用超声设备档次系列第一部分:B型超声诊断设备YY/T 0163-2005 医用超声测量水听器特性和校准YY/T 0458-2003 超声多普勒仿血流体模的技术要求YY/T 0642-2008 超声声场特性确定医用诊断超声场热和机械指数的试验方法YY/T 0643-2008 超声脉冲回波诊断设备性能测试方法YY/T 0644-2008 超声外科手术系统基本输出特性的测量和公布YY/T 0703-2008 超声实时脉冲回波系统性能试验方法YY/T 0704-2008 超声脉冲多普勒诊断系统性能试验方法YY/T 0705-2008 超声连续波多普勒系统试验方法YY/T 0748.1-2009 超声脉冲回波扫描仪第一部分:校准空间测量系统和系统点扩展函数响应测量的技术方法YY/T 0749-2009 超声手持探头式多普勒胎儿心率检测仪性能要求及测量和报告方法 YY/T 0750-2009 超声理疗设备 0.5MHZ-5MHZ频率范围内声场要求和测量方法YY/T 0751-2009 超声洁牙设备输出特性的测量和公布YY/T 1084-2007 医用超声诊断设备声输出功率的测量方法YY/T 1085-2007 毫瓦级超声源YY/T 1088-2007 在0.5MHz至15MHz频率范围内采用水听器测量与表征医用超声设备声场特性的导则YY/T 1089-2007 单元式脉冲回波超声换能器的基本电声特性和测量方法YY/T 1142-2003 医用超声诊断和监护设备频率性能的测试方法二、超声诊断设备产品标准超声诊断设备种类与产品标准的对应关系产品种类 适用标准超声脉冲回波成像系统 GB 10152-2009 B型超声诊断设备超声脉冲多普勒成像系统 YY 0767-2009 超声彩色血流成像系统 GB 10152-2009 B型超声诊断设备眼科专用超声脉冲回波设备 YY 0107-2005 眼科A型超声测量仪眼科B型超声诊断仪通用技术条件(标准已报批)超声多普勒血流分析设备 YY 0593-2005 超声经颅多普勒血流分析仪超声骨密度仪 超声骨密度仪(标准已报批)超声多普勒胎儿监护仪 YY 0449-2009 超声多普勒胎儿监护仪超声多普勒胎儿心率仪 YY 0448-2009 超声多普勒胎儿心率仪超声诊断设备种类繁多,不同的产品有不同的产品标准,随着技术的发展和临床需求的变化,新的设备也在不断涌现,产品标准也处在不断充实和完善的过程中。
YY医药标准YBB 0001-2004低硼硅玻璃输液瓶YBB 0002-2004硼硅玻璃管制口服液体瓶(试行)YBB 0003-2004纳钙玻璃管制口服液体瓶YBB 0003-2005钠钙玻璃输液瓶YBB 0004-2004硼硅玻璃管制药瓶YBB 0004-2005 注射液用卤化丁基橡胶塞YBB 0004-2005注射液用卤化丁基橡胶塞YBB 0005-2004硼硅玻璃模制药瓶YBB 0005-2005注射用无菌粉末用卤化丁基橡胶塞YBB 0006-2004预灌封注射器用硼硅玻璃针管YBB 0007-2004预灌封注射器用氯化丁基橡胶活塞YBB 0007-2005药用低密度聚乙烯膜、袋YBB 0008-2004预灌封注射器用溴化丁基橡胶活塞YBB 0008-2005注射剂瓶用铝盖YBB 0009-2004预灌封注射器用不锈钢注射针YBB 0009-2005输液瓶用铝盖YBB 0010-2004预灌封注射器用聚异戊二烯橡胶针头护帽YBB 0010-2005三层共挤输液用膜(Ⅰ)、袋YBB 0011-2004预灌封注射器组合件(带注射针)YBB 0011-2005五层共挤输液用膜(Ⅰ)、袋YBB 0012-2004笔式注射器用硼硅玻璃珠YBB 0012-2005药用固体纸袋装硅胶干燥剂YBB 0013-2004笔式注射器用硼硅玻璃套筒YBB 0013-2005药用聚酯-铝-聚丙烯封口垫片YBB 0014-2004笔式注射器用铝盖YBB 0014-2005药用聚酯-铝-聚酯封口垫片YBB 0015-2004笔式注射器用氯化丁基橡胶活塞和垫片YBB 0015-2005药用聚酯-铝-聚乙烯封口垫片YBB 0016-2004笔式注射器用溴化丁基橡胶活塞和垫片YBB 0016-2005药用口服固体陶瓷瓶YBB 0017-2004口服固体药用低密度聚乙烯防潮组合瓶盖YBB 0017-2005药用玻璃铅、镉、砷、锑浸出量限度YBB 0018-2004铝-聚乙烯冷成型固体药用复合硬片YBB 0018-2005药用陶瓷容器铅、镉浸出量限度YBB 0019-2004双向拉伸聚丙烯-真空镀铝流延聚丙烯药品包装用复合膜、袋YBB 0019-2005药用陶瓷容器铅、镉浸出量测定法YBB 0020-2004玻璃纸-铝-聚乙烯药品包装用复合膜、袋YBB 0020-2005聚氯乙烯-聚乙烯-聚偏二氯乙烯固体药用复合硬片YBB 0021-2004药品包装用铝塑封口垫片通则YBB 0021-2005聚氯乙烯固体药用硬片YBB 0022-2004口服制剂用硅橡胶胶塞、垫片YBB 0022-2005聚氯乙烯-聚偏二氯乙烯固体药用复合硬片YBB 0023-2004药用合成聚异戊二烯垫片YBB 0023-2005聚氯乙烯-低密度聚乙烯固体药用复合硬片YBB 0024-2004塑料输液容器用聚丙烯组合盖(拉环式)YBB 0024-2005环氧乙烷残留量测定法YBB 0025-2004胶囊用明胶YBB 0025-2005药用聚乙烯-铝-聚乙烯复合软膏管YBB 0026-2004包装材料红外光谱测定法YBB 0026-2005橡胶灰分测定法YBB 0027-2004包装材料不溶性微粒测定法YBB 0028-2004乙醛测定法YBB 0029-2004加热伸缩率测定法YBB 0030-2004挥发性硫化物测定法YBB 0031-2004包装材料溶剂残留量测定法YBB 0032-2004注射剂用胶塞、垫片穿刺力测定法YBB 0033-2004注射剂用胶塞、垫片穿刺落屑测定法YBB 0034-2004玻璃耐沸腾盐酸浸蚀性测定法YBB 0035-2004玻璃耐沸腾混合碱水溶液浸蚀性测定法YBB 0036-2004玻璃颗粒在98℃耐水性测定法YBB 0037-2004砷、锑、铅、镉浸出量测定法YBB 0038-2004抗机械冲击测定法YBB 0039-2004直线度测定法YBB 0040-2004药用陶瓷吸水率测定法YBB 0041-2004药品包装材料生产厂房洁净室(区)的测试方法YBB00122002口服固体药用高密度聚乙烯瓶YBB00132002YBB00132003YBB00152002药品包装用铝箔YBB00172002YBB00182002YBB00192002YBB00272004包装材料不溶性微粒测定方法YY0001-1990体外冲击波碎石机通用技术条件YY0002-1990一次性使用输液器用药液过滤器YY0003-1990病床YY0003-90YY0004-1990普通胸腔镊YY0005-1990单圈式钢塑宫内节育器YY0006-1990双翼阴道扩张器YY0007-1990200MA医用诊断X射线机YY0008-1990300MA医用诊断X射线机YY0009-1990500MA医用诊断X射线机YY0010-2002口腔X射线机YY0011-1990X射线摄影暗匣YY0012-1990防散射滤线栅YY0014-2005半自动生化分析仪YY0015-1990功量机YY0016-1993YY0016-1993低频电子脉冲治疗仪YY0017-2002骨接合植入物金属接骨板YY0018-2002骨接合植入物金属接骨螺钉YY0019-2002骨接合植入物金属髓内针YY0021-1990旁滤式离心机技术条件YY0027-1990电热恒温培养箱YY0028-1990一次性使用静脉输液针YY0029-1990一次性使用输血器用液过滤网YY0030-2004腹膜透析管YY0031-1990硅橡胶输液(血)管YY0032-2004血红蛋白计YY0033-2000无菌医疗器具生产管理规范YY0034-1990医药档案著录细则YY0035-1991食品添加剂葡萄糖酸亚铁YY0036-1991食品添加剂维生素C磷酸酯镁YY0037-1991饲料添加剂维生素预混料通则YY0038-1991饲料添加剂β-胡萝卜素YY0039-1991饲料添加剂乙氧基喹啉YY0040-1991饲料添加剂盐酸氯苯胍YY0041-1991饲料添加剂磺胺喹恶啉YY0042-1991高频喷射呼吸机YY0043-2005YY0043-2005医用缝合针YY0045-1991普通产床YY0046-1991医用伽玛照明机技术参数及测量方法YY0047-1991医疗器械产品图样及设计文件的术语YY0048-1991医疗器械产品工作图样的基本要求YY0049-1991医疗器械产品图样及设计文件格式YY0050-1991医疗器械产品图样及设计文件编号原则YY0051-1991医疗器械产品图样及其主要设计文件的完整性YY0052-1991医疗器械产品图样及设计文件的更改办法YY0052-1991医疗器械产品图样及设计文件的更改方法YY0053-1991空心纤维透吸器YY0054-2003血液透析、血液透析滤过和血液滤过设备YY0055-2002牙科设备光固化机YY0056-1991管制口服液瓶YY0057-1991固体药用聚烯烃塑料瓶YY0058-2004牙科病人椅YY0059.1-1991YY0059.1-1991牙科手机4号牙科直手机YY0059.2-1991YY0059.2-1991牙科手机7号牙科直手机YY0059.3-1991YY0059.3-1991牙科手机4、7号牙科弯手机YY0060-1991热敷灵YY0061-1991特定电磁波治疗器YY0062-2004X射线管组件固有滤过的测定YY0063-2000医用诊断X射线管组件-焦点特性YY0064-2004医用诊断旋转阳极X射线管电、热及负载特性YY0065-1992裂隙灯显微镜YY0066-1992眼科光学仪器名词术语YY0067-1992微循环显微镜YY0068-1992医用硬管内窥镜通用技术条件YY0069-1992气管窥镜YY0070-1992食管窥镜YY0071-1992直肠、乙状结肠窥镜YY0072-1992眼科用刀通用技术条件YY0073-1992泪囊牵开器YY0074-1992睑板腺襄肿镊YY0075-2005泪道探针YY0076-1992金属制件的镀层分类技术条件YY0077-1992喉钳通用技术条件YY0078-1992气管异物钳通用技术条件YY0079-2006外科值入物.金属夹YY0079-2006外科植入物金属夹YY0079.1-1992银类YY0079.2-1992银夹台YY0079.3-1992银夹钳YY0080-1992硬质合金镶片持针钳YY0081-1992筛窦钳YY0082-1992平端蝶形螺钉YY0083-1992医疗仪器设备用产品铭牌YY0084.1-1992圆形压力蒸汽灭菌器主要受压元件强度计算及其有关规定YY0084.2-1992矩形压力蒸汽灭菌器主要受压(力)元件强度计算及其有关规定YY0085.1-1992脉动真空压力蒸汽灭菌器YY0085.2-1992预真空压力蒸汽灭菌器YY0086-1992药品冷藏箱YY0087-1992电泳仪YY0087-2004电泳装置YY0088-1992微量进样器YY0089-1992病人监护系统专用安全要求YY0090-1992子宫刮匙YY0091-1992子宫颈扩张器YY0092-1992子宫颈活体取样钳YY0093-2004医用诊断X射线影像增强器YY0094-2004应用诊断X射线透视荧光屏YY0095-2004钨酸钙中速医用增感屏YY0096-1992钴--60远距离治疗机YY0097-1992YY0097-1992磁疗保健杯YY0099-1993电动流产吸引器YY0100-1993电动吸引器YY0101-1993脚踏吸引器YY0102-1993孔式手术无影灯YY0103-1993冷光单孔手术灯YY0104-1993三棱针YY0105-1993揿针YY0106-2004医用诊断X射线机通用技术条件YY0107-2005眼科A型超声测量仪YY0108-1993M型脉冲反射式超声诊断设备YY0109-2003医用超声雾化器YY0110-1993医用超声压电陶瓷材料YY0111-1993超声多普勒换能器技术要求和试验方法YY0111-2005超声多普勒换能器技术要求和试验方法YY0112-1993模拟口腔环境冷热疲劳试验方法YY0113-1993牙科复合树脂耐磨耗性能测试方法YY0114-1993医用输液,输血,注射器用聚乙烯专用料YY0115-1993一次性使用采血器YY0116-1993医用房间空气调节器YY0117.1-2005外科植入物—骨关节假体锻、铸件Ti6A14v钛合金锻件YY0117.1-2005外科植入物骨关节假体锻、铸件Ti6Al4V钛合金锻件YY0117.2-2005外科植入物——骨关节假体锻、铸件ZTi6A14V钛合金铸件YY0117.2-2005外科植入物骨关节假体锻、铸件ZTi6Al4V钛合金铸件YY0117.3-2005外科植入物故关节假体锻、铸件钴铬钼合金铸件YY0117.3-2005外科植入物骨关节假体锻、铸件钴铬钼合金铸件YY0118-1993髋关节假体YY0118-2005髋关节假体YY0119-2002骨接合植入物金属矫形用钉YY0120-2002骨接合植入物金属矫形用棒YY0122-1993药用中间体利福霉素S钠YY0123-1993药用中间体D-山梨醇溶液YY0124-1993药用中间体乙酰苯胺(退热冰)YY0125-1993药用辅料聚乙烯吡咯烷酮YY0126-1993滚压式搏动血泵YY0127.1-1993口腔材料生物试验方法溶血试验YY0127.10-2001口腔材料生物学评价第二单元∶口腔材料生物试验方法-鼠伤寒沙门式杆菌回复突变YY0127.11-2001YY0127.11-2001牙科学用于口腔的医疗器械生物相容性临床前评价第2单元∶口腔材料生物试验方法盖髓试验YY0127.2-1993口腔材料生物试验方法静脉注射急性全身毒性试验YY0127.3-1998口腔材料生物学评价第2单元∶口腔材料生物试验方法根管内应用试验YY0127.4-1998口腔材料生物学评价第2单元∶口腔材料生物试验方法骨埋植试验YY0127.5-1999口腔材料生物学评价第2单元∶口腔材料生物试验方法吸入毒性试验YY0127.6-1999口腔材料生物学评价第2单元∶口腔材料生物试验方法显性致死试验YY0127.7-2001口腔材料生物学评价第二单元∶口腔材料生物试验方法YY0127.8-2001口腔材料生物学评价第二单元∶口腔材料生物试验方法-皮下植入试验YY0127.9-2001口腔材料生物学评价第二单元∶口腔材料生物试验方法——细胞毒性试验(琼脂覆盖法及分子过滤法)YY0128-1993医用X射线防护装置及用具YY0128-2004医用诊断X射线辐射防护器具装置及用具YY0129-1993医用诊断X射线可变限束器技术要求及试验方法YY0130-1993医用X射线设备及用具标准体系表YY0131-1993口服液瓶撕拉铝盖YY0132-1993崩解仪YY0133-1993离心薄膜蒸发器YY0136-1993脱皮机YY0138-1993结晶器YY0141-1993医药工业洁净室和洁净区悬浮粒子的测试方法YY0142-1994一次性使用输液、输血器具用空气过滤器YY0143-1993药用辅料柠檬黄YY0144-1993药用辅料日落黄YY0145-1993药用辅料胭脂红YY0146-1993药用辅料苋菜红YY0147-1993药用辅料亮蓝YY0148-1993医用橡皮膏YY0148-2006医用胶带通刚要求YY0148-2006医用胶带通用要求YY0149-1993不锈钢医用器械耐腐蚀性能试验方法YY0149-2006YY0149-2006不锈钢医用器械.耐腐蚀性能试验方法YY0149-2006不锈钢医用器械耐腐蚀性能试验方法YY0150-1993医药工业企业能量平衡规则YY0151-1993医药工业企业能量平衡验收通则YY0152-1993医药工业企业能量审计通则YY0153-1993蒸汽疏水阀的选型、安装、使用、维护导则YY0154-2005压力蒸汽灭菌设备用弹簧式安全阀YY0155-1994电泳槽YY0156-1994微量振荡器YY0157-2005压力蒸汽灭菌设备用弹簧式放气阀YY0157-2005压力蒸汽灭菌设备用弹簧式放汽阀YY0158-2005压力蒸汽灭菌设备用密封垫圈YY0159-2005压力蒸汽灭菌设备用疏水阀YY0160-1994直管形石英紫外线低压汞消毒灯YY0161-1994安瓿机用燃烧器YY0162.1-1994医用超声设备档次系列第一部分∶B型超声诊断设备YY0163-1994医用超声测量水听器特性和校准YY0163-2005医用超声测量水听器特性和校准YY0165-1994热垫式治疗仪YY0166-2002带线缝合针YY0167-1998非吸收性外科缝线YY0167-2005YY0167-2005非吸收性外科缝线YY0168-1994血液冷藏箱YY0169.1-1994丁基橡胶输液瓶塞YY0169.2-1994丁基橡胶抗生素瓶塞YY0169.3-1994丁基橡胶药用瓶塞化学试验方法YY0170.1-1994牙挺YY0170.2-1994丁字形牙挺YY0171-1994手术器械包装通用技术条件YY0172-1994子宫探针YY0173.1-1994手术器械圆柱沉头鳃轴螺钉YY0173.10-1994手术器械圆柱沉头鳃轴铆钉YY0173.11-1994手术器械球面圆柱头鳃轴螺钉YY0173.12-1994手术器械圆柱头鳃轴螺钉YY0173.2-1994手术器械球面圆柱沉头鳃轴螺钉YY0173.3-1994手术器械钳用鳃轴YY0173.4-1994手术器械唇头钩YY0173.4-2005手术器械唇头钩唇头齿锁止牙蛋形指圈YY0173.5-1994手术器械唇头齿YY0173.6-1994手术器械锁止牙YY0173.7-1994手术器械柄花YY0173.8-1994手术器械蛋形指圈YY0173.9-1994手术器械小长方柄空心八角柄六角柄YY0174-2005手术刀片YY0175-2005手术刀柄YY0176-1994医用剪通用技术条件YY0176-2006医用剪.通用技术条件YY0176-2006医用剪通用技术条件YY0176.10-1997角膜剪YY0176.11-1997眼用手术剪YY0176.12-1997眼球摘出剪YY0176.2-1997普通手术剪YY0176.3-1997综合组织剪YY0176.4-1997心脏手术剪YY0176.5-1997纱布绷带剪YY0176.6-1997拆线剪YY0176.7-1997组织剪YY0176.8-1997脐带剪YY0176.9-1997虹膜剪YY0177-2005组织钳YY0178-1994直肠、乙状结肠活体取样钳YY0179-2005丁字式开口器YY0180-1994眼睑拉钩YY0181-1994输卵管提取板YY0182-1994宫内节育器取出钩YY0183-1994宫内节育器放置叉YY0184-1994输精管分离钳YY0185-1994输精管皮外固定钳YY0186-1994医用中心吸引系统通用技术条件YY0187-1994医用中心供氧系统通用技术条件YY0188.1-1995药品检验操作规程第1部分:药品检验操作通则YY0188.10-1995药品检验操作规程第10部分:制剂溶出度和释放度测定法YY0188.11-1995药品检验操作规程第11部分:澄明度检查法YY0188.2-1995药品检验操作规程第2部分:药品物理常数测定法YY0188.3-1995药品检验操作规程第3部分:化学原料药杂质检查法YY0188.4-1995药品检验操作规程第4部分:有机溶剂残留量测定法YY0188.5-1995药品检验操作规程第5部分:药品仪器分析法YY0188.6-1995药品检验操作规程第6部分:药品生物测定法YY0188.7-1995药品检验操作规程第7部分:化学原料药含量测定法YY0188.8-1995药品检验操作规程第8部分:制剂检查通则YY0188.9-1995药品检验操作规程第9部分:制剂含量测定法YY0189-1994鼻镜YY0190-1994筒形肛门镜YY0191-1994腹腔吸引管YY0192-1994制药机械标准体系表YY0193-1994医疗器械铝制件阳极氧化膜技术条件YY0194-1994医用钳头端摆动量测定方法YY0195-1994心电图机可靠性试验方法YY0196-1994一次性使用心电电极YY0196-2005YY0196-2005一次性使用心电电极YY0197.1-1995医用X射线管详细规范XD1-3-100X射线管YY0197.2-1995医用X射线管详细规范XD2-1-85X射线管YY0197.3-1995医用X射线管详细规范XD3-3.5-100X射线管YY0197.4-1995医用X射线管详细规范XD4-2.9-100X射线管YY0197.5-1995医用X射线管详细规范.XD51-20、40-100和XD51-20、40-125旋转阳极X射线管YY0198-199510mA医用诊断X射线机YY0199-199530mA医用诊断X射线机YY0200-199550mA医用诊断X射线机YY0201-1995100mA医用诊断X射线机YY0202-1995医用X射线体层摄影装置YY0202-2004医用诊断X射线体层摄影装置YY0203-1995药用铝瓶YY0204-1995药用辅料亚硫酸氢钠YY0205-1995药用辅料无水亚硫酸钠YY0206-1995药用辅料乙二胺四乙酸二钠YY0207-1995药用辅料L-酒石酸YY0208-1995药用辅料乙二胺YY0209-1995药用辅料氢氧化钾YY0210-1995药用中间体7-氨基-3-去乙酰氧基头孢烷酸YY0211-1995药用中间体青霉素钾YY0212-1995药用中间体孕甾双烯醇酮乙酸酯YY0213-1995药用中间体3-氯-4-氟苯胺YY0214-1995药用中间体乙脒盐酸盐(盐酸乙脒)YY0215.1-1995电热消毒柜安全、消毒效果通用技术条件YY0215.2-1995臭氧消毒柜安全、消毒效果通用技术条件YY0216-1995制药机械产品型号编制方法YY0218.1-1995履带式计数充填机YY0218.2-1995小丸瓶装机YY0218.3-1995塞纸机YY0218.4-1995塞塞封蜡机YY0218.5-1995旋盖机YY0218.6-1995转鼓贴标机YY0219-1995槽式混合机YY0223-1995蜜丸机YY0226-1995安瓿拉丝灌封机YY0231-1995药用玻璃拉管线YY0232-1995卧式安瓿机YY0233.1-1995立式安瓿生产线YY0233.2-1995立式安瓿机YY0235.5-1995玻璃输液瓶塞胶塞机YY0236-1996药品包装用复合膜(通则)YY0237-1996药用辅料磷酸氢二钠YY0238-1996药用辅料甲基纤维素YY0239-1996药用辅料乙基纤维素YY0240-1996药用辅料硅酸镁铝YY0241-1996药用中间体2,4-二氯氟苯YY0242-1996医用输液、输血、注射器用聚丙烯专用料YY0243-2003一次性使用无菌注射器用活塞YY0244-1996口腔材料生物试验方法短期全身毒性试验∶经口途径YY0245.1-1997吻(缝)合器通用技术条件YY0245.2-1996管型消化道吻合器YY0246-1996鼻咽活体取样钳YY0247-1996医药工业企业合理用能设计导则YY0248-1996药用玻璃窑炉经济运行管理规范YY0249-1996药用软膏铝管YY0251-1997微量青霉素试验方法YY0254-1997全自动硬胶囊充填机YY0257-1997三工位注吹式塑料药瓶机YY0260-1997制药机械产品分类与代码YY0267-1995血液净化装置的体外循环血路YY0268-2001用于口腔的医疗器械生物相容性临床前评价第1部分:评价与试验项目选择YY0269-1995牙科学牙釉质粘合树脂YY0270-1995牙科学义齿基托聚合物(义齿基托树脂)YY0270-2003牙科学--义齿基托聚合物YY0271-1995齿科水基水门汀YY0272-1995齿科氧化锌丁香酚水门汀YY0273-1995齿科银汞调合器YY0274.1-1995牙科洁刮器械洁治器YY0274.2-1995牙科洁刮器械刮治器YY0274.2-1995牙科洁刮器械洁治器YY0275-1995银汞合金充填器YY0276-1995水门汀充填器YY0277-1995牙根尖挺YY0278-1995根管充填器YY0279-1995口腔材料生物试验方法口腔粘膜刺激试验YY0279-1995口腔标准生物试验方法口腔粘膜刺激试验YY0280-1995YY0280-1995电热蒸馏水器YY0281-1995口腔科手术器械连接牢固度试验方法YY0282-1995注射针YY0283-1995纤维大肠镜YY0284-2004氦氖激光血管内照射治疗仪通用技术条件YY0285.1-1999一次性使用无菌血管内导管.第1部分_通用要求YY0285.1-2004一次性使用无菌血管内导管第1部分:通用要求YY0285.2-1999一次性使用无菌血管内导管第2部分∶造影导管YY0285.3-1999一次性使用无菌血管内导管第3部分∶中心静脉导管YY0285.4-1999一次性使用无菌血管内导管第4部分∶球囊扩张导管YY0285.5-2004一次性使用无菌血管内导管第5部分:套针外周导管YY0286-1996一次性使用滴定管式输液器YY0286.2-2006专用输液器第2部分-一次性使用滴定管式输液器重力输液式YY0286.2-2006专用输液器第2部分:一次性使用滴定管式输液器,重力输液式YY0286.4-2006专用输液器第4部分-一次性使用压力输液设备用输液器YY0286.4-2006专用输液器第4部分:一次性使用压力输液设备用输液器YY0287-2003医疗器械质量管理体系用于法规的要求YY0288-1996质量体系.医疗器械.GB-T19002—ISO9002应用的专用要求YY0288-1996质量体系医疗器械GB/T19002-ISO9002应用的专用要求YY0289-1996一次性使用微量采血吸管YY0290.1-1997人工晶体第1部分∶术语YY0290.2-1997人工晶体第2部分_光学性能及其测试方法YY0290.2-1997人工晶体第2部分∶光学性能及其测试方法YY0290.3-1997人工晶体第3部分∶机械性能及其测试方法YY0290.4-1997人工晶体第4部分∶标签和资料YY0290.5-1997人工晶体第5部分∶生物相容性YY0290.6-1997人工晶体第6部分∶有效期和运输试验YY0290.8-1997人工晶体第8部分∶基本要求YY0291-1997医用X射线设备环境要求及试验方法YY0291-2007医用X射线设备环境要求及试验方法YY0292.1-1997医用诊断X射线辐射防护器具第一部分∶材料衰减性能的测定YY0292.2-1997医用诊断X射线辐射防护器具第二部分∶防护玻璃板YY0293-1997无菌手术刀片YY0294.1-2005外科器械金属材料第1部分_不锈钢YY0294.1-2005外科器械金属材料第1部分:不锈钢YY0295.1-2005YY0295.1-2005医用镊通用技术条件YY0295.10-1997睫毛镊YY0295.11-1997晶体囊镊YY0295.12-1997耳用膝状镊YY0295.13-1997鼻用枪状镊YY0295.2-1997整形镊YY0295.3-1997组织镊YY0295.4-1997牙用镊YY0295.5-1997解剖镊YY0295.6-1997眼用镊YY0295.7-1997虹膜镊YY0295.8-1997固定镊YY0295.9-1997沙眼镊YY0296-1997一次性使用注射针识别色标YY0297-1997医疗器械临床调查YY0298-1998医用分子筛制氧设备通用技术规范YY0299-1998医用超声耦合剂YY0300-1998牙科学合成树脂牙YY0301-1998牙科学陶瓷牙YY0302-1998高速牙科车针YY0303-1998医用羟基磷灰石粉料YY0304-1998等离子喷涂羟基磷灰石涂层--钛基牙种植体YY0304-1998等离子喷涂羟基磷灰石涂层-钛基牙种植体YY0305-1998羟基磷灰石生物陶瓷YY0306-1998热辐射类治疗设备安全专用要求YY0307-2004连续波掺钕钇铝石榴石激光治疗机通用技术条件YY0308-2004医用透明质酸钠凝胶YY0309-1998医用电气设备.第2部分:X射线计算机体层摄影设备安全专用要求YY0310-1998X射线计算机体层摄影设备通用技术条件YY0311-1998一次性使用血路产品通用技术条件YY0312-1998性辅助器具通用技术条件YY0313-1998医用高分子制品包装、标志、运输和贮存YY0314-1999一次性使用静脉血样采集容器YY0315-1999纯钛人工牙种植体YY0316-2003医疗器械风险管理对医疗器械的应用YY0317-2000医用诊断X射线机通用技术条件YY0318-2000医用诊断X射线辐射防护器具第3部分:防护服和性腺防护器具YY0319-2000医用电气设备第二部分:医疗诊断用磁共振设备安全专用要求YY0320-2000麻醉机YY0321.1-2000一次性使用麻醉穿刺包YY0321.2-2000一次性使用麻醉穿刺针YY0321.3-2000一次性使用麻醉用过滤器YY0322-2000高频电灼治疗仪YY0323-2000红外治疗设备安全专用要求YY0324-2000红外乳腺检查仪YY0325-2002一次性使用无菌导尿管YY0326.1-2002一次性使用离心式血浆分离器第1部分:血浆分离怀YY0326.2-2002一次性使用离心式血浆分离器第2部分:血浆管理YY0326.3-2005一次性使用离心式血浆分离器第3部分-血浆袋YY0327-2002一次性使用紫外线透疗血液容器YY0328-2002一次性使用机用采血器YY0329-2002一次性使用去白细胞滤器YY0330-2002医用脱脂棉YY0331-2002医用脱脂纱布YY0331-2006YY0331-2006医用脱脂纱布YY0331-2006脱脂棉纱布、脱脂棉粘胶混纺纱布的性能要求和试验方法YY0331-2006脱脂棉纱布、脱脂棉粘胶混纺纱布的性能要求和试验方法YY0331-2006脱脂棉纱布脱脂棉粘胶混纺纱布的性能要求和试验方法YY0332-2002植入式给药装置YY0333-2002软组织扩张器YY0334-2002硅橡胶外科植入物通用要求YY0336-2002一次性使用无菌阴道扩张器YY0337.1-2002气管插管第1部分:常用型插管及接头YY0337.2-2002气管插管第2部分:柯尔(Cole)型插管YY0338.1-2002气管切开插管第1部分:成人用插管及接头YY0338.2-2002气管切开插管第2部分:小儿用气管切开插管YY0339-2002呼吸道用吸引导管YY0340-2002外科植入物基本原则YY0341-2002骨接合用非有源外科金属植入物通用技术条件YY0342-2002外科植入物接骨板弯曲强度和刚度的测定YY0343-2002外科金属植入物液体渗透检测YY0343-2002外科金属植入物液体渗透检验YY0345-2002骨接合植入物金属骨针YY0346-2002骨接合植入物金属股骨颈固定钉YY0347-2002微型医用X射线机通用技术条件YY0448-2003超声多普勒胎儿心率仪YY0449-2003超声多普勒胎儿监护仪YY0450.1-2003一次性使用无菌血管内导管辅件第1部分:导引器械YY0450.2-2003一次性使用无菌血管内导管辅件第2部分:套针周导管管塞YY0451-2003一次性使用输注泵YY0452-2003止血钳YY0453-2003拔牙钳通用技术条件YY0454-2003无菌塑柄手术刀YY0455-2003医用电气设备第2部分:婴儿辐射保暖台安全专用要求YY0456.1-2003血细胞分析仪应用试剂第1部分_清洗液YY0456.2-2003血细胞分析仪应用试剂第2部分_溶血剂YY0456.3-2003血细胞分析仪应用试剂第3部分:稀释液YY0457.1-2003医用电气设备光电X射线影像增强器特性第1部分:入射尺寸的测定YY0457.2-2003医用电气设备光电X射线影像增强器特性第2部分_转换系数的测定YY0457.3-2003医用电气设备光电X射线影像增强器特性第3部分:亮度分布和非均匀性测定YY0457.4-2003医用电气设备光电X射线影像增强器特性第4部分:影像失真的测定YY0457.5-2003医用电气设备光电X射线影像增强器特性第5部分:探测量子效率的测定YY0457.6-2003医用电气设备光电X射线影像增强器特性第6部分:对比度及炫光系数的测定YY0457.7-2003医用电气设备光电X射线影像增强器特性第7部分:调制传递函数的测定YY0458-2003超声多普勒仿血流体模的技术要求YY0459-2003外科植入物--丙烯酸类树脂骨水泥YY0460-2003超声洁牙设备YY0461-2003麻醉机和呼吸机用呼吸管路YY0462-2003牙科石膏产品YY0463-2003牙科磷酸盐铸造包埋材料YY0464-2003一次性使用血液灌流器YY0465-2003一次性使用空心纤维血浆分离器YY0466-2003医疗器械用于医疗器械标签、标记和提供信息的符号YY0467-2003医疗器械保障医疗器械安全和性能公认基本原则的标准选用指南YY0468-2003命名用于管理资料交流的医疗器械命名系统规范YY0469-2004医用外科口罩技术要求YY0470-2004一次性使用圆宫型宫内节育器放置器YY0471.1-2004接触性创面敷料试验方法第1部分:液体吸收性YY0471.2-2004接触性创面敷料试验方法第2部分:透气膜敷料水蒸气透过率YY0471.3-2004接触性创面敷料试验方法第3部分:阻水性YY0471.4-2004YY0471.4-2004接触性创面敷料试验方法第4部分_舒适性YY0471.5-2004YY0471.5-2004接触性创面敷料试验方法第5部分_阻菌性YY0471.6-2004YY0471.6-2004接触性创面敷料试验方法第6部分_气味控制YY0472.1-2004医用非织造敷布试验方法第1部分∶敷布生产用非织造布YY0472.2-2004医用非织造敷布试验方法第2部分∶成品敷布YY0473-2004外科植入物聚交酯共聚物和共混物体外降解试验YY0474-2004外科植人物用聚L-丙交酯树脂及制品体外降解试验YY0475-2004尿液化学分析仪通用技术条件YY0476-2004眼内冲洗灌注液YY0477-2004角膜塑形用硬性透气接触镜YY0478-2004干化学尿液分析试纸条通用技术条件YY0479-2004医用诊断旋转阳极X射线管最大对称辐射野的测定YY0480-2004诊断X射线成像设备通用及乳腺摄影防散射滤线栅的特性YY0481-2004医用诊断X射线设备-测定特性用辐射条件YY0482-2004医疗诊断用磁共振设备技术要求及试验方法YY0483-2004一次性使用肠营养导管、肠给养器及其连接件设计与试验方法YY0484-2004外科植入物双组分加成型硫化硅橡胶YY0485-2004一次性使用心脏停跳液贯注器YY0486-2004激光手术专用气管插管标志和提供信息的要求YY0487-2004一次性使用无菌脑积水分流器及其组件YY0488-2004一次性使用无菌直肠导管YY0489-2004一次性使用无菌引流导管及辅助器械YY0490-2004气管支气管插管推荐的规格标识合标签YY0491-2004心脏起搏器植入式心脏起搏器用的小截面连接器YY0492-2004植入式心脏起搏器电极导管YY0493-2004牙科学弹性体印模材料YY0494-2004牙科琼脂基水胶体印模材料YY0495-2004牙根管充填尖YY0496-2004牙科铸造蜡YY0497-2005一次性使用无菌胰岛素注射器YY0498.1-2004喉镜连接件第1部分:常规挂钩型手柄-窥视片接头YY0498.2-2004喉镜连接件第2部分:微型点灯螺纹和带常规窥视片的灯座YY0499-2004麻醉喉镜通用技术条件YY0500-2004心血管植入物人工血管YY0501-2004尿液分析质控物YY0502-2005膝关节假体YY0503-2005YY0503-2005环氧乙烷灭菌器YY0504-2005手提式压力蒸汽灭菌器YY0505-2005医用电气设备第1-2部分-安全通用要求并列标准-电磁兼容要求和试验YY0505-2005医用电气设备第1-2部分_安全通用要求-并列标准_电磁兼容—要求和试验YY0505-2005医用电气设备第1-2部分安全通用要求并列标准电磁兼容要求和试验YY0506.1-2005病人、医护人员和器械用手术单、手术衣和洁净服第1部分-制造厂、处理厂和产品的通用要求YY0506.1-2005病人、医护人员和器械用手术单、手术衣和洁净服第1部分_制衣厂、处理厂和产品的通用要求YY0506.1-2005病人、医护人员和器械用手术单、手术衣和洁净服第1部分:制衣厂、处理厂和产品的通用要求YY0506.3-2005病人、医护人员和器械用手术单、手术衣和洁净服第3部分-试验方法YY0506.3-2005病人、医护人员和器械用手术单、手术衣和洁净服第3部分_试验方法YY0506.3-2005病人、医护人员和器械用手术单、手术衣和洁净服第3部分:试验方法YY0506.4-2005病人、医护人员和器械用手术单、手术衣和洁净服第4部分-干态落絮试验方法YY0506.4-2005病人、医护人员和器械用手术单、手术衣和洁净服第4部分_干态落絮试验方法YY0567.1-2005医疗产品的无菌加工.第1部分_通用要求YY0567.1-2005医疗产品的无菌加工第1部分-通用要求YY0567.2-2005医疗产品的无菌加工.第2部分_过滤YY0567.2-2005医疗产品的无菌加工第2部分-过滤YY0567.2-2005医疗产品的无菌加工第2部分:过滤YY0569-2005YY0569-2005生物安全柜YY0570-2005医用电气设备第二部分:手术台安全专用要求YY0571-2005医用电气设备第2部分-医院电动床安全专用要求YY0572-2005YY0572-2005血液透析和相关治疗用水YY0573.3-2005一次性使用无菌注射器第3部分-自毁型固定剂量疫苗注射器YY0573.3-2005一次性使用无菌注射器第3部分_自毁型固定剂量疫苗注射器YY0573.3-2005一次性使用无菌注射器第3部分:自毁型固定剂量疫苗注射器YY0574.1-2005YY0574.1-2005麻醉和呼吸护理报警信号第1部分视觉报警信号YY0574.2-2005YY0574.2-2005麻醉和呼吸护理报警信号第2部分_听觉报警信号YY0574.3-2005麻醉和呼吸护理报警信号第3部分_报警应用指南YY0575-2005硫乙醇酸盐流体培养基YY0576-2005哥伦比亚血琼脂基础培养基YY0577-2005营养琼脂培养基YY0578-2005沙门、志贺菌属琼脂培养基YY0579-2005角膜曲率计YY0580-2005心血管植入物及人工器官—心肺转流系统—动脉管路血液过滤器YY0580-2005心血管植入物及人工器官心肺转流系统动脉管路血液过滤器YY0581-2005输液用肝素帽YY0582.1-2005输液瓶悬挂装置第1部分-一次性使用悬挂装置YY0582.2-2005输液瓶悬挂装置第2部分-多用悬挂装置。
184研究与探索Research and Exploration ·智能检测与诊断中国设备工程 2023.08 (上)随着我国经济的不断发展,人们对生活质量和健康水平也越来越重视。
而医院作为一个特殊的公共场所,每天都会接待大量患者进行治疗或者体检。
因此,保证医疗设备正常运行至关重要。
但是由于各种原因,如使用年限过长、维护不当等,一些医疗设备在实际工作中出现了不同程度的故障或问题。
这些故障不仅直接影响到医疗设备本身的性能发挥和测量数据准确性,还会导致误诊率升高、治疗效果下降以及其他不良后果。
因此,如何及时发现并解决这些问题成为当前亟待解决的问题之一。
本文主要介绍了医疗设备计量检测的基本概念及结构,分析其存在的主要问题及其产生原因,提出相应的改进措施以供参考。
1 医疗设备计量检测概述1.1 医疗设备计量检测的概念医疗设备是指用于诊断、治疗、监测和缓解疾病等目的的各种仪器、设备、器具及其组合。
而对这些医疗设备进行计量检测则是保证其准确性与可靠性的重要手段,也是保障患者安全的必要条件之一。
在医疗设备管理过程中,计量检测可以为医院提供科学依据,确保医疗设备处于良好状态,满足国家相关规程;同时,还能够提高医护人员的工作效率,减少误差,降低成本,提升服务质量。
因此,加强医疗设备计量检测具有非常重要的意义。
国家医疗设备计量检测规程,明确规定了医疗器械的质量控制和质量管理体系,其中涉及的医疗设备计量检测质检是一项重要的工作。
质检是指对医疗设备进行检验以确保其符合规定的过程。
在实际操作中,质检人员需要遵循一系列严格的标准和程序来完成任务。
质检人员必须熟悉并遵守相关法律法规和标准,这些规定对于保证质量至关重要。
此外,还需要具备专业知识和技能,能够理解医疗设备的工作原理,识别常见故障。
除了掌握一些基本的测试仪器和方法外,还必须严格遵守安全规范和道德准则,以确保个人隐私得到有效保护,避免机密信息被泄露,并保持客观公正的态度。
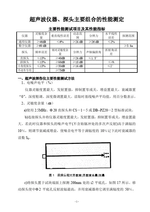
超声波仪器、探头主要组合的性能测定一、超声波探伤仪主要性能测试方法1、电噪声电平(%)仪器灵敏度置最大,发射置强,抑制置零或关,增益置最大,衰减器置“0”,深度粗调、深度微调置最大。
读取时基线噪声平均值,用百分数表示。
2、灵敏度余量(dB)a)使用2.5MHz、Φ20直探头和CS-1-5或DB--PZ20—2型标准试块。
b)连接探头并将仪器灵敏度置最大,发射置强,抑制置零或关,增益置最大。
若此时仪器和探头的噪声电平(不含始脉冲处的多次声反射)高于满辐的10%,则调节衰减或增益,使噪音电平等于满辐度的10%记下此时衰减器的读数S0。
图1 直探头相对灵敏度(灵敏度余量)测量c)将探头置于试块端面上探测200mm处的i2平底孔,如图17所示。
移动探头使中Φ2平底孔反射波辐最高,并用衰减器将它调至满辐度的50%,记下此时衰减器的微S l,则该探头及仪器的探伤灵敏度余量S为:S=S1--S0(dB)3、垂直线性误差测量(%)(1)连接探头并在试块上探测任一反射波(一般声程大于50mm)作为参照波,如图2所示。
调节探伤仪灵敏度,使参照波的辐度恰为垂直刻度的100%,且衰减器至少有30dB的余量。
测试时允许使用探头压块。
图2 垂直线性误差测量(2)用衰减器降低参照波的辐度,并依次记下每衰减2dB时参照波辐度的读数,直至衰减26dB以上。
然后将反射波辐度实测值与表l中的理论值相比较,取最大正偏差d(+)与最大负偏差d(-),则垂直线性误差△d用式(1)计算:△d=|d(+)|+|d(-)| (1)(3)在工作频率范围内,改用不同频率的探头,重复(1)和(2)的测试。
4、动态范围的测量(dB)(1)连接探头并在试块上探测任一反射波(一般声程大于50mm)作为参照波。
(2)调节衰减器降低参照波,并读取参照波辐度自垂直刻度的100%下降至刚能辨认之最小值(一般约为3~5%)时衰减器的调节量,此调节量则定为该探伤仪在给定频率下的动态范围。
YBB 0001-2004低硼硅玻璃输液瓶YBB 0002-2004硼硅玻璃管制口服液体瓶(试行)YBB 0003-2004纳钙玻璃管制口服液体瓶YBB 0003-2005钠钙玻璃输液瓶YBB 0004-2004硼硅玻璃管制药瓶YBB 0004-2005 注射液用卤化丁基橡胶塞YBB 0004-2005注射液用卤化丁基橡胶塞YBB 0005-2004硼硅玻璃模制药瓶YBB 0005-2005注射用无菌粉末用卤化丁基橡胶塞YBB 0006-2004预灌封注射器用硼硅玻璃针管YBB 0007-2004预灌封注射器用氯化丁基橡胶活塞YBB 0007-2005药用低密度聚乙烯膜、袋YBB 0008-2004预灌封注射器用溴化丁基橡胶活塞YBB 0008-2005注射剂瓶用铝盖YBB 0009-2004预灌封注射器用不锈钢注射针YBB 0009-2005输液瓶用铝盖YBB 0010-2004预灌封注射器用聚异戊二烯橡胶针头护帽YBB 0010-2005三层共挤输液用膜(Ⅰ)、袋YBB 0011-2004预灌封注射器组合件(带注射针)YBB 0011-2005五层共挤输液用膜(Ⅰ)、袋YBB 0012-2004笔式注射器用硼硅玻璃珠YBB 0012-2005药用固体纸袋装硅胶干燥剂YBB 0013-2004笔式注射器用硼硅玻璃套筒YBB 0013-2005药用聚酯-铝-聚丙烯封口垫片YBB 0014-2004笔式注射器用铝盖YBB 0014-2005药用聚酯-铝-聚酯封口垫片YBB 0015-2004笔式注射器用氯化丁基橡胶活塞和垫片YBB 0015-2005药用聚酯-铝-聚乙烯封口垫片YBB 0016-2004笔式注射器用溴化丁基橡胶活塞和垫片YBB 0016-2005药用口服固体陶瓷瓶YBB 0017-2004口服固体药用低密度聚乙烯防潮组合瓶盖YBB 0017-2005药用玻璃铅、镉、砷、锑浸出量限度YBB 0018-2004铝-聚乙烯冷成型固体药用复合硬片YBB 0018-2005药用陶瓷容器铅、镉浸出量限度YBB 0019-2004双向拉伸聚丙烯-真空镀铝流延聚丙烯药品包装用复合膜、袋YBB 0019-2005药用陶瓷容器铅、镉浸出量测定法YBB 0020-2004玻璃纸-铝-聚乙烯药品包装用复合膜、袋YBB 0020-2005聚氯乙烯-聚乙烯-聚偏二氯乙烯固体药用复合硬片YBB 0021-2004药品包装用铝塑封口垫片通则YBB 0021-2005聚氯乙烯固体药用硬片YBB 0022-2004口服制剂用硅橡胶胶塞、垫片YBB 0022-2005聚氯乙烯-聚偏二氯乙烯固体药用复合硬片YBB 0023-2004药用合成聚异戊二烯垫片YBB 0023-2005聚氯乙烯-低密度聚乙烯固体药用复合硬片YBB 0024-2004塑料输液容器用聚丙烯组合盖(拉环式)YBB 0024-2005环氧乙烷残留量测定法YBB 0025-2004胶囊用明胶YBB 0025-2005药用聚乙烯-铝-聚乙烯复合软膏管YBB 0026-2004包装材料红外光谱测定法YBB 0026-2005橡胶灰分测定法YBB 0027-2004包装材料不溶性微粒测定法YBB 0028-2004乙醛测定法YBB 0029-2004加热伸缩率测定法YBB 0030-2004挥发性硫化物测定法YBB 0031-2004包装材料溶剂残留量测定法YBB 0032-2004注射剂用胶塞、垫片穿刺力测定法YBB 0033-2004注射剂用胶塞、垫片穿刺落屑测定法YBB 0034-2004玻璃耐沸腾盐酸浸蚀性测定法YBB 0035-2004玻璃耐沸腾混合碱水溶液浸蚀性测定法YBB 0036-2004玻璃颗粒在98℃耐水性测定法YBB 0037-2004砷、锑、铅、镉浸出量测定法YBB 0038-2004抗机械冲击测定法YBB 0039-2004直线度测定法YBB 0040-2004药用陶瓷吸水率测定法YBB 0041-2004药品包装材料生产厂房洁净室(区)的测试方法YBB00122002口服固体药用高密度聚乙烯瓶YBB00132002YBB00132003YBB00152002药品包装用铝箔YBB00172002YBB00182002YBB00192002YBB00272004包装材料不溶性微粒测定方法YY0001-1990体外冲击波碎石机通用技术条件YY0002-1990一次性使用输液器用药液过滤器YY0003-1990病床YY0003-90YY0004-1990普通胸腔镊YY0005-1990单圈式钢塑宫内节育器YY0006-1990双翼阴道扩张器YY0007-1990200MA医用诊断X射线机YY0008-1990300MA医用诊断X射线机YY0009-1990500MA医用诊断X射线机YY0010-2002口腔X射线机YY0011-1990X射线摄影暗匣YY0012-1990防散射滤线栅YY0014-2005半自动生化分析仪YY0015-1990功量机YY0016-1993YY0016-1993低频电子脉冲治疗仪YY0017-2002骨接合植入物金属接骨板YY0018-2002骨接合植入物金属接骨螺钉YY0019-2002骨接合植入物金属髓内针YY0021-1990旁滤式离心机技术条件YY0027-1990电热恒温培养箱YY0028-1990一次性使用静脉输液针YY0029-1990一次性使用输血器用液过滤网YY0030-2004腹膜透析管YY0031-1990硅橡胶输液(血)管YY0032-2004血红蛋白计YY0033-2000无菌医疗器具生产管理规范YY0034-1990医药档案著录细则YY0035-1991食品添加剂葡萄糖酸亚铁YY0036-1991食品添加剂维生素C磷酸酯镁YY0037-1991饲料添加剂维生素预混料通则YY0038-1991饲料添加剂β-胡萝卜素YY0039-1991饲料添加剂乙氧基喹啉YY0040-1991饲料添加剂盐酸氯苯胍YY0041-1991饲料添加剂磺胺喹恶啉YY0042-1991高频喷射呼吸机YY0043-2005YY0043-2005医用缝合针YY0045-1991普通产床YY0046-1991医用伽玛照明机技术参数及测量方法YY0047-1991医疗器械产品图样及设计文件的术语YY0048-1991医疗器械产品工作图样的基本要求YY0049-1991医疗器械产品图样及设计文件格式YY0050-1991医疗器械产品图样及设计文件编号原则YY0051-1991医疗器械产品图样及其主要设计文件的完整性YY0052-1991医疗器械产品图样及设计文件的更改办法YY0052-1991医疗器械产品图样及设计文件的更改方法YY0053-1991空心纤维透吸器YY0054-2003血液透析、血液透析滤过和血液滤过设备YY0055-2002牙科设备光固化机YY0056-1991管制口服液瓶YY0057-1991固体药用聚烯烃塑料瓶YY0058-2004牙科病人椅YY0059.1-1991YY0059.1-1991牙科手机4号牙科直手机YY0059.2-1991YY0059.2-1991牙科手机7号牙科直手机YY0059.3-1991YY0059.3-1991牙科手机4、7号牙科弯手机YY0060-1991热敷灵YY0061-1991特定电磁波治疗器YY0062-2004X射线管组件固有滤过的测定YY0063-2000医用诊断X射线管组件-焦点特性YY0064-2004医用诊断旋转阳极X射线管电、热及负载特性YY0065-1992裂隙灯显微镜YY0066-1992眼科光学仪器名词术语YY0067-1992微循环显微镜YY0068-1992医用硬管内窥镜通用技术条件YY0069-1992气管窥镜YY0070-1992食管窥镜YY0071-1992直肠、乙状结肠窥镜YY0072-1992眼科用刀通用技术条件YY0073-1992泪囊牵开器YY0074-1992睑板腺襄肿镊YY0075-2005泪道探针YY0076-1992金属制件的镀层分类技术条件YY0077-1992喉钳通用技术条件YY0078-1992气管异物钳通用技术条件YY0079-2006外科值入物.金属夹YY0079-2006外科植入物金属夹YY0079.1-1992银类YY0079.2-1992银夹台YY0079.3-1992银夹钳YY0080-1992硬质合金镶片持针钳YY0081-1992筛窦钳YY0082-1992平端蝶形螺钉YY0083-1992医疗仪器设备用产品铭牌YY0084.1-1992圆形压力蒸汽灭菌器主要受压元件强度计算及其有关规定YY0084.2-1992矩形压力蒸汽灭菌器主要受压(力)元件强度计算及其有关规定YY0085.1-1992脉动真空压力蒸汽灭菌器YY0085.2-1992预真空压力蒸汽灭菌器YY0086-1992药品冷藏箱YY0087-1992电泳仪YY0087-2004电泳装置YY0088-1992微量进样器YY0089-1992病人监护系统专用安全要求YY0090-1992子宫刮匙YY0091-1992子宫颈扩张器YY0092-1992子宫颈活体取样钳YY0093-2004医用诊断X射线影像增强器YY0094-2004应用诊断X射线透视荧光屏YY0095-2004钨酸钙中速医用增感屏YY0096-1992钴--60远距离治疗机YY0097-1992YY0097-1992磁疗保健杯YY0099-1993电动流产吸引器YY0100-1993电动吸引器YY0101-1993脚踏吸引器YY0102-1993孔式手术无影灯YY0103-1993冷光单孔手术灯YY0104-1993三棱针YY0105-1993揿针YY0106-2004医用诊断X射线机通用技术条件YY0107-2005眼科A型超声测量仪YY0108-1993M型脉冲反射式超声诊断设备YY0109-2003医用超声雾化器YY0110-1993医用超声压电陶瓷材料YY0111-1993超声多普勒换能器技术要求和试验方法YY0111-2005超声多普勒换能器技术要求和试验方法YY0112-1993模拟口腔环境冷热疲劳试验方法YY0113-1993牙科复合树脂耐磨耗性能测试方法YY0114-1993医用输液,输血,注射器用聚乙烯专用料YY0115-1993一次性使用采血器YY0116-1993医用房间空气调节器YY0117.1-2005外科植入物—骨关节假体锻、铸件Ti6A14v钛合金锻件YY0117.1-2005外科植入物骨关节假体锻、铸件Ti6Al4V钛合金锻件YY0117.2-2005外科植入物——骨关节假体锻、铸件ZTi6A14V钛合金铸件YY0117.2-2005外科植入物骨关节假体锻、铸件ZTi6Al4V钛合金铸件YY0117.3-2005外科植入物故关节假体锻、铸件钴铬钼合金铸件YY0117.3-2005外科植入物骨关节假体锻、铸件钴铬钼合金铸件YY0118-1993髋关节假体YY0118-2005髋关节假体YY0119-2002骨接合植入物金属矫形用钉YY0120-2002骨接合植入物金属矫形用棒YY0122-1993药用中间体利福霉素S钠YY0123-1993药用中间体D-山梨醇溶液YY0124-1993药用中间体乙酰苯胺(退热冰)YY0125-1993药用辅料聚乙烯吡咯烷酮YY0126-1993滚压式搏动血泵YY0127.1-1993口腔材料生物试验方法溶血试验YY0127.10-2001口腔材料生物学评价第二单元∶口腔材料生物试验方法-鼠伤寒沙门式杆菌回复突变YY0127.11-2001YY0127.11-2001牙科学用于口腔的医疗器械生物相容性临床前评价第2单元∶口腔材料生物试验方法盖髓试验YY0127.2-1993口腔材料生物试验方法静脉注射急性全身毒性试验YY0127.3-1998口腔材料生物学评价第2单元∶口腔材料生物试验方法根管内应用试验YY0127.4-1998口腔材料生物学评价第2单元∶口腔材料生物试验方法骨埋植试验YY0127.5-1999口腔材料生物学评价第2单元∶口腔材料生物试验方法吸入毒性试验YY0127.6-1999口腔材料生物学评价第2单元∶口腔材料生物试验方法显性致死试验YY0127.7-2001口腔材料生物学评价第二单元∶口腔材料生物试验方法YY0127.8-2001口腔材料生物学评价第二单元∶口腔材料生物试验方法-皮下植入试验YY0127.9-2001口腔材料生物学评价第二单元∶口腔材料生物试验方法——细胞毒性试验(琼脂覆盖法及分子过滤法)YY0128-1993医用X射线防护装置及用具YY0128-2004医用诊断X射线辐射防护器具装置及用具YY0129-1993医用诊断X射线可变限束器技术要求及试验方法YY0130-1993医用X射线设备及用具标准体系表YY0131-1993口服液瓶撕拉铝盖YY0132-1993崩解仪YY0133-1993离心薄膜蒸发器YY0136-1993脱皮机YY0138-1993结晶器YY0141-1993医药工业洁净室和洁净区悬浮粒子的测试方法YY0142-1994一次性使用输液、输血器具用空气过滤器YY0143-1993药用辅料柠檬黄YY0144-1993药用辅料日落黄YY0145-1993药用辅料胭脂红YY0146-1993药用辅料苋菜红YY0147-1993药用辅料亮蓝YY0148-1993医用橡皮膏YY0148-2006医用胶带通刚要求YY0148-2006医用胶带通用要求YY0149-1993不锈钢医用器械耐腐蚀性能试验方法YY0149-2006YY0149-2006不锈钢医用器械.耐腐蚀性能试验方法YY0149-2006不锈钢医用器械耐腐蚀性能试验方法YY0150-1993医药工业企业能量平衡规则YY0151-1993医药工业企业能量平衡验收通则YY0152-1993医药工业企业能量审计通则YY0153-1993蒸汽疏水阀的选型、安装、使用、维护导则YY0154-2005压力蒸汽灭菌设备用弹簧式安全阀YY0155-1994电泳槽YY0156-1994微量振荡器YY0157-2005压力蒸汽灭菌设备用弹簧式放气阀YY0157-2005压力蒸汽灭菌设备用弹簧式放汽阀YY0158-2005压力蒸汽灭菌设备用密封垫圈YY0159-2005压力蒸汽灭菌设备用疏水阀YY0160-1994直管形石英紫外线低压汞消毒灯YY0161-1994安瓿机用燃烧器YY0162.1-1994医用超声设备档次系列第一部分∶B型超声诊断设备YY0163-1994医用超声测量水听器特性和校准YY0163-2005医用超声测量水听器特性和校准YY0165-1994热垫式治疗仪YY0166-2002带线缝合针YY0167-1998非吸收性外科缝线YY0167-2005YY0167-2005非吸收性外科缝线YY0168-1994血液冷藏箱YY0169.1-1994丁基橡胶输液瓶塞YY0169.2-1994丁基橡胶抗生素瓶塞YY0169.3-1994丁基橡胶药用瓶塞化学试验方法YY0170.1-1994牙挺YY0170.2-1994丁字形牙挺YY0171-1994手术器械包装通用技术条件YY0172-1994子宫探针YY0173.1-1994手术器械圆柱沉头鳃轴螺钉YY0173.10-1994手术器械圆柱沉头鳃轴铆钉YY0173.11-1994手术器械球面圆柱头鳃轴螺钉YY0173.12-1994手术器械圆柱头鳃轴螺钉YY0173.2-1994手术器械球面圆柱沉头鳃轴螺钉YY0173.3-1994手术器械钳用鳃轴YY0173.4-1994手术器械唇头钩YY0173.4-2005手术器械唇头钩唇头齿锁止牙蛋形指圈YY0173.5-1994手术器械唇头齿YY0173.6-1994手术器械锁止牙YY0173.7-1994手术器械柄花YY0173.8-1994手术器械蛋形指圈YY0173.9-1994手术器械小长方柄空心八角柄六角柄YY0174-2005手术刀片YY0175-2005手术刀柄YY0176-1994医用剪通用技术条件YY0176-2006医用剪.通用技术条件YY0176-2006医用剪通用技术条件YY0176.10-1997角膜剪YY0176.11-1997眼用手术剪YY0176.12-1997眼球摘出剪YY0176.2-1997普通手术剪YY0176.3-1997综合组织剪YY0176.4-1997心脏手术剪YY0176.5-1997纱布绷带剪YY0176.6-1997拆线剪YY0176.7-1997组织剪YY0176.8-1997脐带剪YY0176.9-1997虹膜剪YY0177-2005组织钳YY0178-1994直肠、乙状结肠活体取样钳YY0179-2005丁字式开口器YY0180-1994眼睑拉钩YY0181-1994输卵管提取板YY0182-1994宫内节育器取出钩YY0183-1994宫内节育器放置叉YY0184-1994输精管分离钳YY0185-1994输精管皮外固定钳YY0186-1994医用中心吸引系统通用技术条件YY0187-1994医用中心供氧系统通用技术条件YY0188.1-1995药品检验操作规程第1部分:药品检验操作通则YY0188.10-1995药品检验操作规程第10部分:制剂溶出度和释放度测定法YY0188.11-1995药品检验操作规程第11部分:澄明度检查法YY0188.2-1995药品检验操作规程第2部分:药品物理常数测定法YY0188.3-1995药品检验操作规程第3部分:化学原料药杂质检查法YY0188.4-1995药品检验操作规程第4部分:有机溶剂残留量测定法YY0188.5-1995药品检验操作规程第5部分:药品仪器分析法YY0188.6-1995药品检验操作规程第6部分:药品生物测定法YY0188.7-1995药品检验操作规程第7部分:化学原料药含量测定法YY0188.8-1995药品检验操作规程第8部分:制剂检查通则YY0188.9-1995药品检验操作规程第9部分:制剂含量测定法YY0189-1994鼻镜YY0190-1994筒形肛门镜YY0191-1994腹腔吸引管YY0192-1994制药机械标准体系表YY0193-1994医疗器械铝制件阳极氧化膜技术条件YY0194-1994医用钳头端摆动量测定方法YY0195-1994心电图机可靠性试验方法YY0196-1994一次性使用心电电极YY0196-2005YY0196-2005一次性使用心电电极YY0197.1-1995医用X射线管详细规范XD1-3-100X射线管YY0197.2-1995医用X射线管详细规范XD2-1-85X射线管YY0197.3-1995医用X射线管详细规范XD3-3.5-100X射线管YY0197.4-1995医用X射线管详细规范XD4-2.9-100X射线管YY0197.5-1995医用X射线管详细规范.XD51-20、40-100和XD51-20、40-125旋转阳极X射线管YY0198-199510mA医用诊断X射线机YY0199-199530mA医用诊断X射线机YY0200-199550mA医用诊断X射线机YY0201-1995100mA医用诊断X射线机YY0202-1995医用X射线体层摄影装置YY0202-2004医用诊断X射线体层摄影装置YY0203-1995药用铝瓶YY0204-1995药用辅料亚硫酸氢钠YY0205-1995药用辅料无水亚硫酸钠YY0206-1995药用辅料乙二胺四乙酸二钠YY0207-1995药用辅料L-酒石酸YY0208-1995药用辅料乙二胺YY0209-1995药用辅料氢氧化钾YY0210-1995药用中间体7-氨基-3-去乙酰氧基头孢烷酸YY0211-1995药用中间体青霉素钾YY0212-1995药用中间体孕甾双烯醇酮乙酸酯YY0213-1995药用中间体3-氯-4-氟苯胺YY0214-1995药用中间体乙脒盐酸盐(盐酸乙脒)YY0215.1-1995电热消毒柜安全、消毒效果通用技术条件YY0215.2-1995臭氧消毒柜安全、消毒效果通用技术条件YY0216-1995制药机械产品型号编制方法YY0218.1-1995履带式计数充填机YY0218.2-1995小丸瓶装机YY0218.3-1995塞纸机YY0218.4-1995塞塞封蜡机YY0218.5-1995旋盖机YY0218.6-1995转鼓贴标机YY0219-1995槽式混合机YY0223-1995蜜丸机YY0226-1995安瓿拉丝灌封机YY0231-1995药用玻璃拉管线YY0232-1995卧式安瓿机YY0233.1-1995立式安瓿生产线YY0233.2-1995立式安瓿机YY0235.5-1995玻璃输液瓶塞胶塞机YY0236-1996药品包装用复合膜(通则)YY0237-1996药用辅料磷酸氢二钠YY0238-1996药用辅料甲基纤维素YY0239-1996药用辅料乙基纤维素YY0240-1996药用辅料硅酸镁铝YY0241-1996药用中间体2,4-二氯氟苯YY0242-1996医用输液、输血、注射器用聚丙烯专用料YY0243-2003一次性使用无菌注射器用活塞YY0244-1996口腔材料生物试验方法短期全身毒性试验∶经口途径YY0245.1-1997吻(缝)合器通用技术条件YY0245.2-1996管型消化道吻合器YY0246-1996鼻咽活体取样钳YY0247-1996医药工业企业合理用能设计导则YY0248-1996药用玻璃窑炉经济运行管理规范YY0249-1996药用软膏铝管YY0251-1997微量青霉素试验方法YY0254-1997全自动硬胶囊充填机YY0257-1997三工位注吹式塑料药瓶机YY0260-1997制药机械产品分类与代码YY0267-1995血液净化装置的体外循环血路YY0268-2001用于口腔的医疗器械生物相容性临床前评价第1部分:评价与试验项目选择YY0269-1995牙科学牙釉质粘合树脂YY0270-1995牙科学义齿基托聚合物(义齿基托树脂)YY0270-2003牙科学--义齿基托聚合物YY0271-1995齿科水基水门汀YY0272-1995齿科氧化锌丁香酚水门汀YY0273-1995齿科银汞调合器YY0274.1-1995牙科洁刮器械洁治器YY0274.2-1995牙科洁刮器械刮治器YY0274.2-1995牙科洁刮器械洁治器YY0275-1995银汞合金充填器YY0276-1995水门汀充填器YY0277-1995牙根尖挺YY0278-1995根管充填器YY0279-1995口腔材料生物试验方法口腔粘膜刺激试验YY0279-1995口腔标准生物试验方法口腔粘膜刺激试验YY0280-1995YY0280-1995电热蒸馏水器YY0281-1995口腔科手术器械连接牢固度试验方法YY0282-1995注射针YY0283-1995纤维大肠镜YY0284-2004氦氖激光血管内照射治疗仪通用技术条件YY0285.1-1999一次性使用无菌血管内导管.第1部分_通用要求YY0285.1-2004一次性使用无菌血管内导管第1部分:通用要求YY0285.2-1999一次性使用无菌血管内导管第2部分∶造影导管YY0285.3-1999一次性使用无菌血管内导管第3部分∶中心静脉导管YY0285.4-1999一次性使用无菌血管内导管第4部分∶球囊扩张导管YY0285.5-2004一次性使用无菌血管内导管第5部分:套针外周导管YY0286-1996一次性使用滴定管式输液器YY0286.2-2006专用输液器第2部分-一次性使用滴定管式输液器重力输液式YY0286.2-2006专用输液器第2部分:一次性使用滴定管式输液器,重力输液式YY0286.4-2006专用输液器第4部分-一次性使用压力输液设备用输液器YY0286.4-2006专用输液器第4部分:一次性使用压力输液设备用输液器YY0287-2003医疗器械质量管理体系用于法规的要求YY0288-1996质量体系.医疗器械.GB-T19002—ISO9002应用的专用要求YY0288-1996质量体系医疗器械GB/T19002-ISO9002应用的专用要求YY0289-1996一次性使用微量采血吸管YY0290.1-1997人工晶体第1部分∶术语YY0290.2-1997人工晶体第2部分_光学性能及其测试方法YY0290.2-1997人工晶体第2部分∶光学性能及其测试方法YY0290.3-1997人工晶体第3部分∶机械性能及其测试方法YY0290.4-1997人工晶体第4部分∶标签和资料YY0290.5-1997人工晶体第5部分∶生物相容性YY0290.6-1997人工晶体第6部分∶有效期和运输试验YY0290.8-1997人工晶体第8部分∶基本要求YY0291-1997医用X射线设备环境要求及试验方法YY0291-2007医用X射线设备环境要求及试验方法YY0292.1-1997医用诊断X射线辐射防护器具第一部分∶材料衰减性能的测定YY0292.2-1997医用诊断X射线辐射防护器具第二部分∶防护玻璃板YY0293-1997无菌手术刀片YY0294.1-2005外科器械金属材料第1部分_不锈钢YY0294.1-2005外科器械金属材料第1部分:不锈钢YY0295.1-2005YY0295.1-2005医用镊通用技术条件YY0295.10-1997睫毛镊YY0295.11-1997晶体囊镊YY0295.12-1997耳用膝状镊YY0295.13-1997鼻用枪状镊YY0295.2-1997整形镊YY0295.3-1997组织镊YY0295.4-1997牙用镊YY0295.5-1997解剖镊YY0295.6-1997眼用镊YY0295.7-1997虹膜镊YY0295.8-1997固定镊YY0295.9-1997沙眼镊YY0296-1997一次性使用注射针识别色标YY0297-1997医疗器械临床调查YY0298-1998医用分子筛制氧设备通用技术规范YY0299-1998医用超声耦合剂YY0300-1998牙科学合成树脂牙YY0301-1998牙科学陶瓷牙YY0302-1998高速牙科车针YY0303-1998医用羟基磷灰石粉料YY0304-1998等离子喷涂羟基磷灰石涂层--钛基牙种植体YY0304-1998等离子喷涂羟基磷灰石涂层-钛基牙种植体YY0305-1998羟基磷灰石生物陶瓷YY0306-1998热辐射类治疗设备安全专用要求YY0307-2004连续波掺钕钇铝石榴石激光治疗机通用技术条件YY0308-2004医用透明质酸钠凝胶YY0309-1998医用电气设备.第2部分:X射线计算机体层摄影设备安全专用要求YY0310-1998X射线计算机体层摄影设备通用技术条件YY0311-1998一次性使用血路产品通用技术条件YY0312-1998性辅助器具通用技术条件YY0313-1998医用高分子制品包装、标志、运输和贮存YY0314-1999一次性使用静脉血样采集容器YY0315-1999纯钛人工牙种植体YY0316-2003医疗器械风险管理对医疗器械的应用YY0317-2000医用诊断X射线机通用技术条件YY0318-2000医用诊断X射线辐射防护器具第3部分:防护服和性腺防护器具YY0319-2000医用电气设备第二部分:医疗诊断用磁共振设备安全专用要求YY0320-2000麻醉机YY0321.1-2000一次性使用麻醉穿刺包YY0321.2-2000一次性使用麻醉穿刺针YY0321.3-2000一次性使用麻醉用过滤器YY0322-2000高频电灼治疗仪YY0323-2000红外治疗设备安全专用要求YY0324-2000红外乳腺检查仪YY0325-2002一次性使用无菌导尿管YY0326.1-2002一次性使用离心式血浆分离器第1部分:血浆分离怀YY0326.2-2002一次性使用离心式血浆分离器第2部分:血浆管理YY0326.3-2005一次性使用离心式血浆分离器第3部分-血浆袋YY0327-2002一次性使用紫外线透疗血液容器YY0328-2002一次性使用机用采血器YY0329-2002一次性使用去白细胞滤器YY0330-2002医用脱脂棉YY0331-2002医用脱脂纱布YY0331-2006YY0331-2006医用脱脂纱布YY0331-2006脱脂棉纱布、脱脂棉粘胶混纺纱布的性能要求和试验方法YY0331-2006脱脂棉纱布、脱脂棉粘胶混纺纱布的性能要求和试验方法YY0331-2006脱脂棉纱布脱脂棉粘胶混纺纱布的性能要求和试验方法YY0332-2002植入式给药装置YY0333-2002软组织扩张器YY0334-2002硅橡胶外科植入物通用要求YY0336-2002一次性使用无菌阴道扩张器YY0337.1-2002气管插管第1部分:常用型插管及接头YY0337.2-2002气管插管第2部分:柯尔(Cole)型插管YY0338.1-2002气管切开插管第1部分:成人用插管及接头YY0338.2-2002气管切开插管第2部分:小儿用气管切开插管YY0339-2002呼吸道用吸引导管YY0340-2002外科植入物基本原则YY0341-2002骨接合用非有源外科金属植入物通用技术条件YY0342-2002外科植入物接骨板弯曲强度和刚度的测定YY0343-2002外科金属植入物液体渗透检测YY0343-2002外科金属植入物液体渗透检验YY0345-2002骨接合植入物金属骨针YY0346-2002骨接合植入物金属股骨颈固定钉YY0347-2002微型医用X射线机通用技术条件YY0448-2003超声多普勒胎儿心率仪YY0449-2003超声多普勒胎儿监护仪YY0450.1-2003一次性使用无菌血管内导管辅件第1部分:导引器械YY0450.2-2003一次性使用无菌血管内导管辅件第2部分:套针周导管管塞YY0451-2003一次性使用输注泵YY0452-2003止血钳YY0453-2003拔牙钳通用技术条件YY0454-2003无菌塑柄手术刀YY0455-2003医用电气设备第2部分:婴儿辐射保暖台安全专用要求YY0456.1-2003血细胞分析仪应用试剂第1部分_清洗液YY0456.2-2003血细胞分析仪应用试剂第2部分_溶血剂YY0456.3-2003血细胞分析仪应用试剂第3部分:稀释液YY0457.1-2003医用电气设备光电X射线影像增强器特性第1部分:入射尺寸的测定YY0457.2-2003医用电气设备光电X射线影像增强器特性第2部分_转换系数的测定YY0457.3-2003医用电气设备光电X射线影像增强器特性第3部分:亮度分布和非均匀性测定YY0457.4-2003医用电气设备光电X射线影像增强器特性第4部分:影像失真的测定YY0457.5-2003医用电气设备光电X射线影像增强器特性第5部分:探测量子效率的测定YY0457.6-2003医用电气设备光电X射线影像增强器特性第6部分:对比度及炫光系数的测定YY0457.7-2003医用电气设备光电X射线影像增强器特性第7部分:调制传递函数的测定YY0458-2003超声多普勒仿血流体模的技术要求YY0459-2003外科植入物--丙烯酸类树脂骨水泥YY0460-2003超声洁牙设备YY0461-2003麻醉机和呼吸机用呼吸管路YY0462-2003牙科石膏产品YY0463-2003牙科磷酸盐铸造包埋材料YY0464-2003一次性使用血液灌流器YY0465-2003一次性使用空心纤维血浆分离器YY0466-2003医疗器械用于医疗器械标签、标记和提供信息的符号YY0467-2003医疗器械保障医疗器械安全和性能公认基本原则的标准选用指南YY0468-2003命名用于管理资料交流的医疗器械命名系统规范YY0469-2004医用外科口罩技术要求YY0470-2004一次性使用圆宫型宫内节育器放置器YY0471.1-2004接触性创面敷料试验方法第1部分:液体吸收性YY0471.2-2004接触性创面敷料试验方法第2部分:透气膜敷料水蒸气透过率YY0471.3-2004接触性创面敷料试验方法第3部分:阻水性YY0471.4-2004YY0471.4-2004接触性创面敷料试验方法第4部分_舒适性YY0471.5-2004YY0471.5-2004接触性创面敷料试验方法第5部分_阻菌性YY0471.6-2004YY0471.6-2004接触性创面敷料试验方法第6部分_气味控制YY0472.1-2004医用非织造敷布试验方法第1部分∶敷布生产用非织造布YY0472.2-2004医用非织造敷布试验方法第2部分∶成品敷布YY0473-2004外科植入物聚交酯共聚物和共混物体外降解试验YY0474-2004外科植人物用聚L-丙交酯树脂及制品体外降解试验YY0475-2004尿液化学分析仪通用技术条件YY0476-2004眼内冲洗灌注液YY0477-2004角膜塑形用硬性透气接触镜YY0478-2004干化学尿液分析试纸条通用技术条件YY0479-2004医用诊断旋转阳极X射线管最大对称辐射野的测定YY0480-2004诊断X射线成像设备通用及乳腺摄影防散射滤线栅的特性YY0481-2004医用诊断X射线设备-测定特性用辐射条件YY0482-2004医疗诊断用磁共振设备技术要求及试验方法YY0483-2004一次性使用肠营养导管、肠给养器及其连接件设计与试验方法YY0484-2004外科植入物双组分加成型硫化硅橡胶YY0485-2004一次性使用心脏停跳液贯注器YY0486-2004激光手术专用气管插管标志和提供信息的要求YY0487-2004一次性使用无菌脑积水分流器及其组件YY0488-2004一次性使用无菌直肠导管YY0489-2004一次性使用无菌引流导管及辅助器械YY0490-2004气管支气管插管推荐的规格标识合标签YY0491-2004心脏起搏器植入式心脏起搏器用的小截面连接器YY0492-2004植入式心脏起搏器电极导管YY0493-2004牙科学弹性体印模材料YY0494-2004牙科琼脂基水胶体印模材料YY0495-2004牙根管充填尖YY0496-2004牙科铸造蜡YY0497-2005一次性使用无菌胰岛素注射器YY0498.1-2004喉镜连接件第1部分:常规挂钩型手柄-窥视片接头YY0498.2-2004喉镜连接件第2部分:微型点灯螺纹和带常规窥视片的灯座YY0499-2004麻醉喉镜通用技术条件YY0500-2004心血管植入物人工血管YY0501-2004尿液分析质控物YY0502-2005膝关节假体YY0503-2005YY0503-2005环氧乙烷灭菌器YY0504-2005手提式压力蒸汽灭菌器YY0505-2005医用电气设备第1-2部分-安全通用要求并列标准-电磁兼容要求和试验YY0505-2005医用电气设备第1-2部分_安全通用要求-并列标准_电磁兼容—要求和试验YY0505-2005医用电气设备第1-2部分安全通用要求并列标准电磁兼容要求和试验YY0506.1-2005病人、医护人员和器械用手术单、手术衣和洁净服第1部分-制造厂、处理厂和产品的通用要求YY0506.1-2005病人、医护人员和器械用手术单、手术衣和洁净服第1部分_制衣厂、处理厂和产品的通用要求YY0506.1-2005病人、医护人员和器械用手术单、手术衣和洁净服第1部分:制衣厂、处理厂和产品的通用要求YY0506.3-2005病人、医护人员和器械用手术单、手术衣和洁净服第3部分-试验方法YY0506.3-2005病人、医护人员和器械用手术单、手术衣和洁净服第3部分_试验方法YY0506.3-2005病人、医护人员和器械用手术单、手术衣和洁净服第3部分:试验方法YY0506.4-2005病人、医护人员和器械用手术单、手术衣和洁净服第4部分-干态落絮试验方法YY0506.4-2005病人、医护人员和器械用手术单、手术衣和洁净服第4部分_干态落絮试验方法YY0567.1-2005医疗产品的无菌加工.第1部分_通用要求YY0567.1-2005医疗产品的无菌加工第1部分-通用要求YY0567.2-2005医疗产品的无菌加工.第2部分_过滤YY0567.2-2005医疗产品的无菌加工第2部分-过滤YY0567.2-2005医疗产品的无菌加工第2部分:过滤YY0569-2005YY0569-2005生物安全柜YY0570-2005医用电气设备第二部分:手术台安全专用要求YY0571-2005医用电气设备第2部分-医院电动床安全专用要求YY0572-2005YY0572-2005血液透析和相关治疗用水YY0573.3-2005一次性使用无菌注射器第3部分-自毁型固定剂量疫苗注射器YY0573.3-2005一次性使用无菌注射器第3部分_自毁型固定剂量疫苗注射器YY0573.3-2005一次性使用无菌注射器第3部分:自毁型固定剂量疫苗注射器YY0574.1-2005YY0574.1-2005麻醉和呼吸护理报警信号第1部分视觉报警信号YY0574.2-2005YY0574.2-2005麻醉和呼吸护理报警信号第2部分_听觉报警信号YY0574.3-2005麻醉和呼吸护理报警信号第3部分_报警应用指南YY0575-2005硫乙醇酸盐流体培养基YY0576-2005哥伦比亚血琼脂基础培养基YY0577-2005营养琼脂培养基YY0578-2005沙门、志贺菌属琼脂培养基YY0579-2005角膜曲率计YY0580-2005心血管植入物及人工器官—心肺转流系统—动脉管路血液过滤器YY0580-2005心血管植入物及人工器官心肺转流系统动脉管路血液过滤器YY0581-2005输液用肝素帽YY0582.1-2005输液瓶悬挂装置第1部分-一次性使用悬挂装置YY0582.2-2005输液瓶悬挂装置第2部分-多用悬挂装置。
设备管理与维修2021№3(下)3处理方式3.1设备因素的处理方式若空压机频繁加卸载,必须对压力参数进行合理调整。
设计压力参数时,必须分析空压机工作状态和并联工作状态,空压机卸载压力必须低于其他设备卸载压力值0.01~0.02MPa (0.1~0.2Bar ),以降低加卸载过程对系统产生的不良作用,降低频繁加卸载问题的发生。
若压力值设计合理,设备卸载前采用压力调节器进行调节。
若卸载前进气调节阀未作出对应动作,应检查压力调节器隔膜是否出现问题。
若上述内容并未存在故障,必须及时判断故障情况,依靠压力传感器拆除和在线校准两种形式进行,采用管路吹扫形式对压力传感器故障进行消减[5]。
此外,可以在空压机与干燥器之间设置缓冲罐,以保障干燥器再生用气量充足,解决空压机频繁加卸载问题。
缓冲罐施放过程中必须保障储气罐内部压力值稳定,从干燥器的再生气消耗量入手,合理计算缓冲罐体积,但是安装缓冲罐会缩小检修空间,需要购进大量的机械设备,对供气管道进行重新布置,所需施工周期较长,所以这一方式应用较少。
3.2系统因素的处理方式针对加卸载频发问题,首先要检查系统漏点。
系统漏点检查中,需要分析手动疏水阀的打开状态,疏水阀浮球是否存在卡涩情况,以保障空压机疏水器处于正常工作状态。
干燥器周围部分,分析疏水阀打开情况,确认其打开程度是否与规定标准相同。
若空压机系统阻塞,必须确认干燥机出口压力值的合理性,压力值超过规定值,说明管路或者设备存在阻塞情况,此时系统压差数据大都超过0.05MPa (0.5Bar )。
干燥机和过滤器是空压机组的重要装置,根据实际工作经验总结分析,常见故障点主要包括:①过滤器。
过滤器故障高发位置主要集中于电磁阀滤网、滤芯和排污电磁阀,前滤网堵塞率较高的位置是排污电磁阀,可以靠清洗方式进行改善,也可以根据情况更换过滤器;②干燥塔靠入口控制进气操作,若不能切换至规定部位,将影响气体正常流动,气动阀门是干燥塔的主要阀门,其故障多发在阀体和气源两部分,通过对过滤减压阀进行检查的方式,判定气源是否正常情况,手动气动阀门,观察气缸密封程度,要保证动作的灵活性;③若组合式干燥机的热力膨胀阀未采取合适措施进行调试,将直接导致冷干机蒸发器进出口出现结冰堵塞情况,严重影响气体正常流通。
超声诊断设备可靠性试验方法1范围本文件规定了超声诊断设备可靠性试验的基本方法。
本文件适用于超声诊断设备的可靠性试验。
2规范性引用文件下列文件中的内容通过文中的规范性引用而构成本文件必不可少的条款。
其中,注日期的引用文件,仅该日期对应的版本适用于本文件;不注日期的引用文件,其最新版本(包括所有的修改单)适用于本文件。
GB/T2900.13-2008电工术语可信性与服务质量GB/T15214-2008超声诊断设备可靠性试验要求和方法YY/T XXXX-20XX医用电气设备使用可靠性信息收集与评估方法YY/T XXXX-20XX医用电气设备可靠性技术通用要求3术语和定义GB/T2900.13-2008、GB/T15214-2008界定的以及下列术语和定义适用于本文件。
3.1可靠性Reliability设备在规定条件下和规定时间内,完成规定功能的能力。
[来源:GB/T2900.13-2008,191-02-06,有修改]3.2平均无故障时间mean time between failure;MTBF无故障工作时间的平均值。
[来源:GB/T15214-2008,3.1]3.3平均寿命假设值的下限值(m1)lower fictitious value of MTBF(m1)m1是不可接受的MTBF值,设备的MTBF真值接近m1时,本标准推荐的试验方案将以高概率拒收。
[来源:GB/T15214-2008,3.1.1]3.4平均寿命假设值的上限值(m0)upper fictitious value of MTBF(m0)m0是可接受的MTBF值,设备的MTBF真值接近m0时,本标准推荐的试验方案将以高概率接收。
[来源:GB/T15214-2008,3.1.2]3.5鉴别比(Dm)discrimination ratio(Dm)Dm是标准试验方案参数之一,它是m0与m1的比值。
Dm=m0/m1。
[来源:GB/T15214-2008,3.3]3.6生产方风险(α)producer’s risk(α)α是MTBF的真值等于m0时,设备被拒收的概率。
医疗声学设备在诊断和治疗中的应用研究医疗技术的不断发展为人类健康带来了更多的希望和可能,其中医疗声学设备作为一种重要的诊断和治疗工具,发挥着日益关键的作用。
本文将深入探讨医疗声学设备在医疗领域的应用,包括其在诊断和治疗方面的具体表现、优势以及未来的发展趋势。
一、医疗声学设备的基本原理医疗声学设备主要基于声波在人体组织中的传播、反射和吸收特性来工作。
声波在不同组织中的传播速度和衰减程度不同,这使得通过接收和分析声波信号可以获取有关组织内部结构和生理状态的信息。
常见的医疗声学设备包括超声设备、听力检测设备等。
超声设备利用高频声波(通常在 1 至 20 兆赫兹之间)穿透人体组织,并根据反射回来的声波形成图像。
听力检测设备则通过发出特定频率和强度的声音来评估患者的听力水平。
二、医疗声学设备在诊断中的应用(一)超声诊断超声诊断是医疗声学设备在诊断领域最广泛的应用之一。
它可以用于腹部、心血管、妇产、小器官等多个部位的检查。
在腹部检查中,超声能够清晰地显示肝脏、胆囊、胰腺、脾脏等器官的形态、大小、结构和病变情况,如肿瘤、结石、炎症等。
对于心血管系统,超声心动图可以评估心脏的结构和功能,包括心肌厚度、心室大小、瓣膜状态以及血流动力学参数,有助于诊断先天性心脏病、冠心病、心肌病等疾病。
在妇产科领域,超声在孕期检查中起着至关重要的作用。
它可以监测胎儿的发育情况,包括胎儿的大小、胎位、心率、器官发育等,还能早期发现胎儿的先天性畸形。
此外,超声在妇科疾病的诊断中也有重要价值,如子宫肌瘤、卵巢囊肿等的诊断和鉴别诊断。
(二)听力诊断听力障碍是一种常见的健康问题,影响着不同年龄段的人群。
听力检测设备能够准确评估患者的听力损失程度和类型,为治疗方案的制定提供依据。
纯音听力测试通过向患者耳朵发送不同频率和强度的纯音,患者作出响应,从而确定其听力阈值。
声导抗测试则通过测量中耳的压力和顺应性来评估中耳的功能状态。
三、医疗声学设备在治疗中的应用(一)高强度聚焦超声治疗(HIFU)HIFU 是一种非侵入性的肿瘤治疗方法。
综上所述,有些缺陷显示在某个方向较明显,在对应面则可能不明显,因此建议针对使用要求较高或容易产生细小缺陷的盘件尽量从双面进行检测。
4 结语该文从理论和实践上分析了GH4169/GH4169G材料 “脏白斑”超声检测的可行性和主要检测工艺,得出以下4个结论:1) 超声检测不易发现钛合金中的硬α夹杂物、钛合金和高温合金材料中的偏析。
2) 在超声检测中可能会发现GH4169/GH4169G材料的“脏白斑”,但是通常波幅会比较低,应优先选用频率较高的水浸聚焦探头,例如10 MHz探头。
3) 针对使用要求较高或容易产生细小缺陷的盘件,尽量进行双面检测。
4) 水浸超声C扫检测时应结合A 扫图、C扫图、底波损失图以及TOF图进行综合评定。
参考文献[1]张麦仓,郑磊,姚志浩,等.Nb含量对GH4169合金钢锭偏析规律的影响[J].热加工工艺,2013,42(10):45-49.[2]《国防科技工业无损检测人员资格鉴定与认证培训教材》编审委员会,超声检测[M].北京:机械工业出版社,2005(2009.8重印).[3]史亦伟,梁菁,何方成.航空材料与制件无损检测技术新进展[M].北京:国防工业出版社,2012.0 引言超声治疗类设备通常是由电功率发生器和超声换能器组成的,电刺激信号激励超声换能器产生超声波深入组织的深层,引起人体细胞内物质共振,从而发挥对应的治疗作用,超声输出强度一般在3 W/cm2以下,频率范围一般为0.5 MHz~5.0 MHz,临床上常用于药物导入、治疗软组织损伤及慢性疼痛等,属于物理治疗器械,管理类别为II类。
我国医疗器械实施电磁兼容较晚,研发人员在电路设计上往往只重视相关功能,忽略了产品的电磁兼容设计合规性[1],EMC检测要求受试设备(Equipment Under Test,EUT)模拟其正常运行状态,模拟手模拟EUT在实际使用场景下的人体感应,《医用电气设备 第1-2部分:安全通用要求并列标准:电磁兼容 要求和试验(YY 0505—2012)》[2]对模拟手在传导骚扰试验中做了明确要求。
1. 下列哪项不是医疗设备的基本分类?A. 诊断设备B. 治疗设备C. 监测设备D. 娱乐设备2. 超声波设备属于哪一类医疗设备?A. 诊断设备B. 治疗设备C. 监测设备D. 辅助设备3. 下列哪项是CT扫描仪的主要功能?A. 提供实时图像B. 进行生物化学分析C. 提供断层扫描图像D. 进行血液透析4. MRI设备使用的主要技术是?A. X射线B. 磁共振C. 超声波D. 红外线5. 下列哪项是心电图机的主要用途?A. 检测心脏功能B. 测量血压C. 检测血糖D. 检测体温6. 下列哪项是呼吸机的基本功能?A. 监测心率B. 辅助呼吸C. 测量血压D. 检测血糖7. 下列哪项是血液透析机的基本功能?A. 清除血液中的废物B. 检测心脏功能C. 测量血压D. 检测血糖8. 下列哪项是输液泵的主要用途?A. 控制输液速度B. 检测心脏功能C. 测量血压D. 检测血糖9. 下列哪项是麻醉机的基本功能?A. 提供麻醉气体B. 检测心脏功能C. 测量血压D. 检测血糖10. 下列哪项是手术显微镜的主要用途?A. 提供高清晰度视觉B. 检测心脏功能C. 测量血压D. 检测血糖11. 下列哪项是内窥镜的基本功能?A. 观察体内器官B. 检测心脏功能C. 测量血压D. 检测血糖12. 下列哪项是X射线机的基本功能?A. 提供体内图像B. 检测心脏功能C. 测量血压D. 检测血糖13. 下列哪项是核医学设备的基本功能?A. 使用放射性物质进行诊断B. 检测心脏功能C. 测量血压D. 检测血糖14. 下列哪项是PET扫描仪的基本功能?A. 使用正电子发射进行诊断B. 检测心脏功能C. 测量血压D. 检测血糖15. 下列哪项是心肺复苏机的基本功能?A. 进行心肺复苏B. 检测心脏功能C. 测量血压D. 检测血糖16. 下列哪项是血液分析仪的基本功能?A. 分析血液成分B. 检测心脏功能C. 测量血压D. 检测血糖17. 下列哪项是尿液分析仪的基本功能?A. 分析尿液成分B. 检测心脏功能C. 测量血压D. 检测血糖18. 下列哪项是血糖仪的基本功能?A. 检测血糖水平B. 检测心脏功能C. 测量血压D. 检测体温19. 下列哪项是血压计的基本功能?A. 测量血压B. 检测心脏功能C. 检测血糖D. 检测体温20. 下列哪项是体温计的基本功能?A. 检测体温B. 检测心脏功能C. 测量血压D. 检测血糖21. 下列哪项是呼吸分析仪的基本功能?A. 分析呼吸气体B. 检测心脏功能C. 测量血压D. 检测血糖22. 下列哪项是脑电图机的基本功能?A. 检测脑电活动B. 检测心脏功能C. 测量血压D. 检测血糖23. 下列哪项是肌电图机的基本功能?A. 检测肌肉电活动B. 检测心脏功能C. 测量血压D. 检测血糖24. 下列哪项是眼底相机的主要用途?A. 拍摄眼底图像B. 检测心脏功能C. 测量血压D. 检测血糖25. 下列哪项是听力计的基本功能?A. 检测听力B. 检测心脏功能C. 测量血压D. 检测血糖26. 下列哪项是牙科X射线机的基本功能?A. 提供牙齿图像B. 检测心脏功能C. 测量血压D. 检测血糖27. 下列哪项是超声心动图机的基本功能?A. 检测心脏功能B. 测量血压C. 检测血糖D. 检测体温28. 下列哪项是血管造影机的基本功能?A. 提供血管图像B. 检测心脏功能C. 测量血压D. 检测血糖29. 下列哪项是乳腺X射线机的基本功能?A. 提供乳腺图像B. 检测心脏功能C. 测量血压D. 检测血糖30. 下列哪项是骨密度仪的基本功能?A. 检测骨密度B. 检测心脏功能C. 测量血压D. 检测血糖31. 下列哪项是睡眠监测仪的基本功能?A. 监测睡眠质量B. 检测心脏功能C. 测量血压D. 检测血糖32. 下列哪项是电疗机的基本功能?A. 进行电疗治疗B. 检测心脏功能C. 测量血压D. 检测血糖33. 下列哪项是激光治疗机的基本功能?A. 进行激光治疗B. 检测心脏功能C. 测量血压D. 检测血糖34. 下列哪项是高压氧舱的基本功能?A. 提供高压氧治疗B. 检测心脏功能C. 测量血压D. 检测血糖35. 下列哪项是体外冲击波碎石机的基本功能?A. 碎石治疗B. 检测心脏功能C. 测量血压D. 检测血糖36. 下列哪项是放射治疗机的基本功能?A. 进行放射治疗B. 检测心脏功能C. 测量血压D. 检测血糖37. 下列哪项是化疗泵的基本功能?A. 控制化疗药物输送B. 检测心脏功能C. 测量血压D. 检测血糖38. 下列哪项是植入式心脏起搏器的基本功能?A. 控制心脏节律B. 检测心脏功能C. 测量血压D. 检测血糖39. 下列哪项是心脏除颤器的基本功能?A. 进行心脏除颤B. 检测心脏功能C. 测量血压D. 检测血糖40. 下列哪项是心脏监护仪的基本功能?A. 监测心脏功能B. 测量血压C. 检测血糖D. 检测体温41. 下列哪项是呼吸监护仪的基本功能?A. 监测呼吸功能B. 检测心脏功能C. 测量血压D. 检测血糖42. 下列哪项是血压监护仪的基本功能?A. 监测血压B. 检测心脏功能C. 测量血压D. 检测血糖43. 下列哪项是血糖监护仪的基本功能?A. 监测血糖水平B. 检测心脏功能C. 测量血压D. 检测体温44. 下列哪项是体温监护仪的基本功能?A. 监测体温B. 检测心脏功能C. 测量血压D. 检测血糖45. 下列哪项是心电监护仪的基本功能?A. 监测心电活动B. 检测心脏功能C. 测量血压D. 检测血糖46. 下列哪项是脑电监护仪的基本功能?A. 监测脑电活动B. 检测心脏功能C. 测量血压D. 检测血糖47. 下列哪项是肌电监护仪的基本功能?A. 监测肌肉电活动B. 检测心脏功能C. 测量血压D. 检测血糖48. 下列哪项是呼吸机监护仪的基本功能?A. 监测呼吸机参数B. 检测心脏功能C. 测量血压D. 检测血糖49. 下列哪项是血液透析机监护仪的基本功能?A. 监测血液透析参数B. 检测心脏功能C. 测量血压D. 检测血糖50. 下列哪项是输液泵监护仪的基本功能?A. 监测输液泵参数B. 检测心脏功能C. 测量血压D. 检测血糖51. 下列哪项是麻醉机监护仪的基本功能?A. 监测麻醉机参数B. 检测心脏功能C. 测量血压D. 检测血糖52. 下列哪项是手术显微镜监护仪的基本功能?A. 监测手术显微镜参数B. 检测心脏功能C. 测量血压D. 检测血糖53. 下列哪项是内窥镜监护仪的基本功能?A. 监测内窥镜参数B. 检测心脏功能C. 测量血压D. 检测血糖54. 下列哪项是X射线机监护仪的基本功能?A. 监测X射线机参数B. 检测心脏功能C. 测量血压D. 检测血糖55. 下列哪项是核医学设备监护仪的基本功能?A. 监测核医学设备参数B. 检测心脏功能C. 测量血压D. 检测血糖56. 下列哪项是PET扫描仪监护仪的基本功能?A. 监测PET扫描仪参数B. 检测心脏功能C. 测量血压D. 检测血糖答案:1. D2. A3. C4. B5. A6. B7. A8. A9. A10. A11. A12. A13. A14. A15. A16. A17. A18. A19. A20. A21. A22. A23. A24. A25. A26. A27. A28. A29. A30. A31. A32. A33. A34. A35. A36. A37. A38. A39. A40. A41. A42. A43. A44. A45. A46. A47. A48. A49. A50. A51. A52. A53. A54. A55. A56. A。
第1章前言近年来,随着高敏感性电子技术在医用电气设备中的广泛应用和新通讯技术,如个人通讯系统、移动电话等,在社会生活各领域的迅速发展;医用电气设备步进自身会发射电磁能,影响无线电广播通讯业务和周围其他设备的工作,而且在它的使用环境内还可能收到周围如通讯设备等电磁能发射的干扰造成对患者的伤害。
医用电气设备的电磁兼容性因它涉及公众的健康和安全,而日益受到社会的广泛关注。
因此产品电磁兼容标准的执行在各国的认证中越来越受到重视。
我们公司很早以前就开始关注产品的EMC(电磁兼容)性能,建立了一套完整的EMC测试体系和流程。
而随着公司的不断发展,我们的产品逐渐向多元化方向发展,开始涉足一些大型设备的领域,如MRI、DR产品等。
由于安装和使用环境等要求,这些大型设备往往无法在实验室内完成EMC相关测试,而需要在现场测量。
本文主要讨论EMC现场测试的方法。
第2章EMC要求概述对于DR、MRI等大型医用电气设备来说,它们使用的EMC产品类标准是IEC 60601-1-2:2007。
同时还有一些产品专标的要求,例如MRI的IEC 60601-2-33:2006 Clause 36等。
EMC 测试共有11项,分别是:传导发射(CE)、辐射发射(RE)、谐波电流(Harmonic)、电压波动和闪烁(Flicker)、静电放电(ESD)、辐射抗扰(RS)、电快速瞬变脉冲群(EFT)、浪涌(SURGE)、电压跌落短时中断和电压变化(Dips)、工频磁场(PFMS)。
按照IEC60601-1-2、CISPR11和IEC61000系列等EMC标准中的要求,对于一些大型的设备,由于安装和使用的要求,无法在实验室进行测试的,可以在现场进行测试。
第3章发射类测试本章首先讨论的是EMI(电磁骚扰)的四项测试。
其中,辐射发射的现场测试与实验室内的测试差异较大,因此将重点介绍RE的测试方法。
其他项与实验室测试基本类似,因此仅就测试限值和现场布置做相关说明。
医用超声诊断设备电磁兼容的测试要求及结果判定叶瑀;刘浩明;温宇标;邓钊【摘要】依据国家食品药品监督管理局对于医用电气设备强制实施YY 0505-2012标准的要求,探讨医用超声诊断设备在电磁兼容测试中的基本性能,典型测试模式的选取,对于测试中的关注点予以梳理,并结合实例分析对测试结果的判定.【期刊名称】《环境技术》【年(卷),期】2017(035)003【总页数】4页(P14-17)【关键词】电磁兼容;医用超声诊断设备;基本性能;运行模式【作者】叶瑀;刘浩明;温宇标;邓钊【作者单位】国家食品药品监督管理总局广州医疗器械质量监督检验中心,广州510663;国家食品药品监督管理总局广州医疗器械质量监督检验中心,广州510663;国家食品药品监督管理总局广州医疗器械质量监督检验中心,广州510663;国家食品药品监督管理总局广州医疗器械质量监督检验中心,广州510663【正文语种】中文【中图分类】R445.1超声诊断是将超声断层显像技术应用于人体,以了解人体组织结构和形态的一种诊疗方法。
随着临床诊断的需求和科学技术的进步,超声诊断技术广泛应用于人体各部位的检查和诊断。
相比其他医学影像技术,超声诊断具有无创、无痛、无辐射、结果直观等优点。
因此,超声诊断设备在各级医院中得到了广泛的使用,它在临床中的地位越来越突出,创造的经济效益和社会效益也逐步提升。
超声诊断设备主要是由主机和探头组成的。
超声探头的主要作用是实现电信号与超声信号之间的转换。
超声诊断设备的主机部分主要对探头接收回来的信号进行处理及显示[1]。
超声诊断设备的主要结构如图1所示,其工作原理主要是振荡器产生控制系统工作的同步触发脉冲,发射器受触发后对换能器产生一个高压脉冲的激励,通过探头向探测目标发射超声信号,同时探头采集回声脉冲信号经换能器转换成电信号,经回波信息处理系统处理后,在显示器显示[2,3]。
超声诊断设备中因为干扰而影响图像质量的故障现象时有发生,由于超声诊断设备图像上出现干扰的原因很多,导致超声诊断设备非正常工作的重要因素之一就是其电磁兼容抗扰度能力[4]。
超声理疗设备测试
一、概述
超声理疗设备是世界上开发最早的超声治疗设备,超声的热效应可以使局部血管扩张,血流加速,也可利用超声的机械效应来解除挛缩,从而达到理疗目的,其主要特点:
(1)使用单片式圆形平面换能器;
(2)治疗头为手持式,直接接触体表辐射超声波能量,作用深度一般比较浅;(3)声强不超过每平方厘米3瓦(3W/cm2)。
超声理疗设备主要由一个高频电功率发生器和一个将电能转化成超声的
治疗头组成。
采用连续波或脉冲调制连续波方式输出能量,超声工作频率范围为500kHz至5MHz,超声输出总功率为数瓦至数十瓦。
超声理疗设备具有结构简单、技术成熟、操作方便、适用范围广的特点,作为康复保健设备有较大的应用领域。
二、专用术语和定义
超声换能器:在超声频率范围内,将电能转换成超声能的器件。
治疗头:由手柄、换能器和将超声作用于患者局部的导声片(匹配层)构成的组件。
额定输出功率:在任何允许的网电压下,超声理疗设备的最大输出功率。
调制波形:对超声波幅度调制的时间包络波形,一般有正弦波、方波、三角波、锯齿波。
有效辐射面积:外推至治疗头前端面处的波束横截面积与无量纲因子的乘积。
有效声强:输出功率与有效辐射面积之比。
三、产品临床应用领域
康复科:颈、肩、腰、腿痛,劳损;
外科:药物透入治疗,骨折愈合;
神经科:神经疼痛,脑血管意外偏瘫;
运动医学:软组织扭、挫伤,半月板损伤;
皮肤科:皮肤瘙痒,带状疱疹,硬皮症。
四、产品技术分类
超声理疗设备分为单纯的超声波治疗和复合式超声理疗设备,复合式超声理疗是将超声理疗与低频电疗或中频电疗技术结合,使其同时作用在患者的病灶部位,所以产生了超声电疗仪、超声穴位治疗仪等“超声-电疗”复合式治疗设备。
五、市场产品
国内市场上常见的有超声治疗机、超声穴位治疗仪、超声按摩仪、超声骨折治疗机、超声脑血管治疗仪、超声血管内介入治疗仪、超声减肥仪等。
六、相关标准
GB 9706.7-2008《医用电气设备第2-5部分:超声理疗设备专用安全要求》
YY 0830-2011浅表组织超声治疗设备
YY 1090-2009《超声治疗设备》
YY/T 0750-2009理疗设备 0.5MHz-5MHz频率范围内声场要求和测量方法
七、通用技术条件
(1)额定输出功率:在供电网电压上波动±10%时,其变化应不超过±20% ;(2)治疗头的有效辐射面积:与标称值的偏差不超过20%;
(3)最大有效声强:应不超过3.0W/cm2;
(4)超声工作频率:偏差不超过标称值的10%;
(5)最大波束不均匀性系数:应不超过8.0;
(6)脉冲持续时间、脉冲重复周期、占空比和针对每一种调制设置的时间最大输出功率与输出功率的比值,误差应不超过5%;
(7)在供电网电压上波动±10%时, 额定输出功率变化如超过±20%,可能危害组织或达不到治疗目的;
(8)绝对最大有效声强如大于3.0W/cm2可能引起皮肤灼伤及皮下组织的受损。
八、测试方法
(1)最大有效声强测试,采用毫瓦级超声功率计(深圳一测医疗);
(2)波束不均匀性系数,频率等测试采用针式水听器(深圳一测医疗),有条件的可以采用超声声场测试系统(深圳一测医疗)。