铝母线安装施工方案
- 格式:doc
- 大小:27.50 KB
- 文档页数:3
电解槽及铝母线安装工程冬季施工方案
在电解铝生产过程中,电解槽及铝母线是至关重要的组成部分。
为了保证生产
的顺利进行和设备的正常运行,冬季施工是特别需要注意的环节。
以下是针对电解槽及铝母线安装工程冬季施工的方案:
1. 确保施工人员安全
冬季天气寒冷,为了确保施工人员的健康和安全,需要提前做好防寒保暖措施。
施工人员需穿戴保护性隔寒服装和手套,并合理安排工作时间,避免在极端寒冷条件下长时间工作。
2. 设备保养
在冬季施工前,需要对电解槽及铝母线等设备进行全面检查和保养。
检查设备
的状态是否正常,清理设备表面的杂物和积雪,确保设备在施工过程中的正常运行。
3. 施工环境准备
在冬季施工中,要特别注意环境准备工作。
需要清理施工现场的积雪和冰,确
保施工过程中通道畅通,以便设备和材料的运输。
在施工现场提供临时取暖设备,为施工人员提供必要的保温条件。
4. 施工流程安排
冬季施工一般时间较短,需要合理安排施工流程,提高施工效率。
在施工过程中,加强对电解槽及铝母线的安装监控,确保施工质量。
5. 施工质量检查
冬季施工结束后,需要对电解槽及铝母线的安装工程进行全面的质量检查。
检
查设备的安装是否符合要求,是否存在质量问题,并及时进行整改。
以上是针对电解槽及铝母线安装工程冬季施工方案的一些建议和措施。
在冬季
施工中,安全第一,质量为重要,希望以上方案能为相关工程施工提供一定的参考和指导。
大功率铝母线安装方法摘要随着社会的发展,技术的逐步改进,供配电系统也越来越可靠,大功率铝母线因其价格低廉(价格仅为同规格的铜母线的1/10),载流量大,安装方便,易于维护等因素,被广泛用于供配电线路中。
关键词铝母线;钢结构;焊接;电源安装;母线支架1 工程概况宝钛集团钛带厂房坐落在其新建工业园区内,长×宽为360m×112m,钢框架结构,分4跨5列,装机总容量为3 666kV A,采用大功率铝母线供电方式,三相四线制,共分4段,分别由四台1 250kV A变压器供电,并在末端设置自动互投装置。
平时分段运行,遇停电故障或变压器检修时可自动投复到旁路运行,保证了供电的可靠性。
供电相线采用100mm×10mm,PE线采用80mm×8mm铝母排,安装在主厂房钢构屋梁下侧,高度为15.4m,铝母线间焊接连接。
用电设备电源就近从铝母线引下,这样使用和维护方便,大大降低了电缆的使用量,节约了成本。
2 施工要求1)环境条件:屋顶不漏水,场地清理干净,并有一定的加工场所,高空作业脚手架搭设完毕,并经安全部门验收合格;2)技术要求:施工图纸及产品技术资料齐全。
施工方案编制完毕并经审批,对工人进行安全、技术交底;3)材料要求:安装所用材料均应符合设计要求,并有产品合格证及材质证明文件,母线表面光洁平整,不应有裂纹、折皱,绝缘子绝缘良好,无破损,螺栓及母线卡具均应采用镀锌件;4)设备要求:要求设备及附件均完好无损,电气性能合格。
测量器具检测报告在有效期内。
3 铝母线施工方法3.1 放线测量进入现场后根据母线及支架敷设的不同情况,核对尺寸和位置是否与图纸相符。
核对沿母线敷设全长方向有无障碍物,有无与建筑结构或设备管道、通风等设备交叉现象。
3.2 支架的制作、安装母线支架分为钢结构梁支架、柱支架、终端拉紧支架、中间联络支架4种形式。
参照设计指定标准图集制作,支架采用8#槽钢和∠50×5角钢焊接而成。
电解车间铝母线安装作业指导书铝母线安装工艺流程图:母线调直母线铣头母线预制检验槽两端母线就位进电侧母线就位出电侧母线就位母线固定焊前检验焊接焊后检验一、母线调直:1. 对到货母线按照《铝母线检查、调直记录表》逐根检验,并做好标记。
2. 利用母线调直机将超差母线逐个调直,调直后转入下道工序铣头。
二、母线铣头:1. 为保证铝母线与铝焊片焊接质量及铝母线尺寸,所有铝母线均应在调直后铣端头。
2. 母线两端头加工后保证长度公差为5mm,垂直度以母线侧面为基准不大于1mm。
3. 母线铣头后应保证母线端面无掉角、缺肉、园弧面等缺陷。
三、母线预制:1. 根据目前现场情况,我公司安装的15台电解槽已有8台槽壳就位找正,尚余7台槽壳未就位。
2. 已找正槽壳的槽端母线与进出电母线间铝焊片在母线支墩上焊接。
未安装槽壳的母线应在平台上将槽端母线与进出电侧母线焊接成一体再整体吊装于母线支墩上,待母线找正后再吊装槽壳,如下示意图:3. 母线预制分为进电左侧及端部母线预制2件(如附图一),进电右侧及端部母线预制2件(如附图二),进电左侧及端部母线预制1件(如附图三),出电侧左母线预制(如附图四),出电侧右母线预制2件(如附图五、六)。
4. 所有母线预制均应在操作平台上利用胎具进行。
5. 母线预制完毕后应经质检员检查全部合格后方可转入下道工序。
四、母线就位固定:1. 先将槽底母线吊装于槽壳基础上。
2. 吊装槽两端母线,并用母线夹板临时夹紧。
3. 将预制合格的进电侧左、右母线及出电侧左、右母线分别吊装于母线支墩上,临时固定。
4. 以槽壳基础定位线为定位基础,并根据母线支墩上中心线为依据找正母线,找正后尺寸公差应符合《铝母线分项工程质量检验评定表》中标准。
5. 焊口固定:母线找正后在距离铝焊片100mm将两块母线夹紧,并在夹紧处用30mm钢板将母线隔离,在自由端也应设母线夹板。
同时为防止母线移动,用千斤顶将母线与摇篮架固定为一体(如附图七)。
某铝业有限公司电解铝挖潜改造工程铝母线施工方案目录1、工程概况 (3)2、编制依据 (3)3、主要施工方案 (3)4.工程投入施工机械设备情况表 (18)5.劳动力安排计划 (19)6.施工进度及工期保证措施 (20)7.质量保证体系及技术组织措施 (22)8.确保安全及文明施工技术措施 (27)9.施工总平面布置设计 (34)1、工程概况本工程为**铝业有限公司电解铝挖潜项目的一个子项工程。
共包含76台400KVA 电解槽配套铝母线加工、安装。
主要工作内容包括:阴极母线、槽周围母线、立柱母线、进/出电端母线、中间过道母线的加工、校正、安装;铝板、铝软带下料、焊接;阳极母线加工、安装;铝板铝软带下料、焊接;根据招标文件要求,76台槽要达到通电要求。
本工程工期短、工程量大,投入劳动力和施工机械量多1.1工程名称:**铝业有限公司电解铝挖潜改造项目1.2建设地点:内蒙古**市东河区毛其来1.3工程性质:挖潜改造工程1.4质量标准:符合国家现行规范的合格标准,并不得低于《有色金属工业建筑工程质量评定标准》质量检验评定优良标准。
1.5工期要求:总工期 150 日历天。
2、编制依据2.1《铝母线焊接施工及验收规范》 YS5417—952.2《铝及铝合金焊条》 GB3669—832.3《重熔用铝锭技术条件》 JB/T1196—932.4《焊接结构几何尺寸允许偏差规范》 Q/ZB74—72.5《沈阳铝镁设计院母线制安技术规程》3、主要施工方案3.1总体部署电解车间母线包括槽周围母线安装,进(出)电端母线、端头连接母线以及中间过道母线安装等。
施工主要特点是母线规格多、数量大、加工复杂、要求加工精度高、工序多、安装、调整、焊接量大。
母线加工多采用专用机加设备和胎具、夹具配合使用,安装中使用胎具控制和防止焊接变形,并根据母线配置的层次,合理考虑安装的先后顺序。
施工中应合理组织人力、物力,合理安排工序,精心组织施工。
本工程为10kV以下铝母线安装工程,主要内容包括铝母线的安装、固定、接线和验收。
铝母线安装工程要求施工质量高、安全可靠、美观大方。
二、施工准备1. 材料准备(1)铝母线:根据设计要求,选用符合国家标准的产品,并进行产品合格及材质证明。
(2)绝缘子:选用符合国家标准和有关电瓷产品技术条件的绝缘子,并具备产品合格证。
(3)紧固件:采用热镀锌金属紧固件及卡具。
(4)其他辅料:调合漆、樟丹池、焊条、焊粉等。
2. 工具准备(1)母线煨弯器、电焊、汽焊工具、钢锯、电锤、砂轮、台钻、手电钻、板锉、钢丝刷、木锤、力矩扳手、铜丝刷等。
(2)测试器具:皮尺、钢卷尺、钢板尺、水平、线坠、摇表、万用表、细钢丝或小线等。
3. 人员准备组织专业施工队伍,明确施工人员职责,加强安全教育和培训。
4. 施工条件(1)土建要求:屋顶不漏水,墙面喷浆完毕,场地清理干净,并有一定的加工场所。
(2)高空作业脚手架搭设完毕,安全技术部门验收合格。
(3)电气设备安装完毕,检验合格。
(4)预留孔洞及预埋件尺寸、强度符合设计要求。
(5)施工图及技术资料齐全。
1. 母线安装(1)根据设计图纸,确定铝母线的安装位置、尺寸和高度。
(2)将铝母线按照设计要求进行切割、焊接和煨弯。
(3)在安装位置上,用紧固件将铝母线固定在支架上。
(4)调整铝母线的高度和水平度,确保安装精度。
2. 绝缘子安装(1)根据设计要求,选择合适的绝缘子。
(2)将绝缘子安装在支架上,并用紧固件固定。
(3)检查绝缘子安装牢固,无松动现象。
3. 接线(1)根据设计要求,确定铝母线的接线方式。
(2)将铝母线与电气设备或导线进行焊接或连接。
(3)检查接线牢固,无虚焊、短路等现象。
4. 验收(1)检查铝母线的安装位置、尺寸、高度、水平度等是否符合设计要求。
(2)检查绝缘子安装牢固,无松动现象。
(3)检查接线牢固,无虚焊、短路等现象。
(4)进行通电测试,确保铝母线安装质量符合要求。
四、施工注意事项1. 严格按照设计要求进行施工,确保安装质量。
黄河水电铝型材联营项目二期直流大母线安装工程施工方案监理审核: _____________________主管:孙远鹏___________审核:喻勇_____________编制:_____ 周志____________单位:中国七冶青海鑫业项目部时间:2010年10月20日青海黄河铝整流铝母线施工方案青海黄河铝业(第二期)整流铝母线制作安装工程。
铝母线的加工水平直接影响铝母线的安装和电解铝生产的经济技术指标,而且由于铝母线的数量大、规格多,相互间的连接方式也多种多样。
因此,对铝母线必须从其铸造、加工等各个工序质量进行严格的控制,确保施工质量达标。
(一)铝母线的原料要求:1. 铸造铝母线的材质必须符合HB1196-93 所规定的AL 含量在99.6%以上标准。
2.铸造铝母线的内外观质量。
铸铝母线的切断面不得有明显气孔、夹渣等缺陷,不得有明显的裂纹,但允许有细微裂纹。
裂纹在短轴方向(包括在其45°以内的裂纹),其长度不得超过短轴长度的10%。
裂纹在长轴方向(包括在其45°以内的裂纹),其长度不得超过20mm有关纵向裂纹标准,应在甲、乙双方同意满足使用的前提后,母线长度5 米以内的,按沈阳设计院标准执行。
母线长度在5 米以上的,纵向裂纹长度不超过母线长度的10%且最长裂纹不超过1200mm铸造铝母线表面冷隔深度不超过2mm。
3.铸造铝母线的截面尺寸公差应符合设计要求的技术标准。
端面直角度:宽度面+2mm厚度面+2mm(二)软带原料要求:软带应采用国家现行标准《铝及铝合金冷轧板》(GB10569中的软状态(0)供货的铝带(板)料,含铝纯度应高于99.5%的工业纯铝板(带)料。
软带宜按需定宽成卷供货,其包装应符合下列规定:a)成卷铝带应为同一宽度尺寸;b)每个铝带卷应有塑料袋密封包裹;c)铝带卷应平放分层装箱。
三、劳动力组织四、施工工艺一)铸铝母线的加工工艺流程1.验尺、外观检查铝母线料的供货尺寸及几何形状,应符合下列规定:a)高、宽尺寸允许偏差为+4,-2mmb)长度允许偏差,当料长小于或等于5000mn S寸,为士5mm 料长大于5000mm寸,为士10mm端头应采用机械锯切,其切面应垂直与铝母线纵轴线,垂直度的允许偏差为士2mmc)铝母线料应平直,不得有急剧折弯;直线度允许偏差。
铝线施工方案1. 引言本文档旨在详细描述铝线施工的方案。
铝线是一种应用广泛的导电材料,常用于电力传输和家居装饰中。
在施工铝线时,正确的安装和维护可以确保电力传输的可靠性和安全性。
本文将介绍铝线施工的步骤、注意事项以及常用工具等内容。
2. 施工步骤施工铝线的步骤主要包括准备工作、线缆布线、连接和维护等。
2.1 准备工作在施工铝线之前,需要进行一些准备工作,确保施工的顺利进行。
1.确定线缆长度和数量:根据实际需求,测量所需的线缆长度和数量。
2.检查线缆和工具:检查铝线的质量和绝缘情况。
确保工具的完好无损,并提前准备好所需的工具。
3.规划布线路径:根据实际情况,确定线缆布线的路径,并标记出关键点。
2.2 线缆布线1.安装线槽:根据布线路径,在墙壁或地面上安装线槽,用于隐藏线缆和提供保护。
2.进行线缆布线:根据布线路径,将铝线从起点到终点沿线槽或其他支撑物上布设。
3.固定线缆:使用合适的固定装置(如铁丝、胶带)将线缆固定在线槽或支撑物上,确保线缆的稳固。
4.注意隐蔽施工:在施工铝线过程中,尽量避免过多的暴露,以确保线缆的安全和美观。
2.3 连接和维护1.连接线缆:根据实际需求,采用合适的连接方法连接铝线。
常用的连接方法包括焊接、螺纹连接等。
2.铝线绝缘处理:连接完成后,对连接处进行绝缘处理,以确保铝线的安全使用。
3.定期检查和维护:定期检查铝线的绝缘情况和连接处的松动。
如有发现异常情况,及时修复和更换。
3. 注意事项在施工铝线时,需要注意以下事项,以确保施工的质量和安全:1.安全第一:在施工过程中必须遵循相关安全规定,佩戴防护手套和眼镜等防护装备。
2.合理布线:线缆布线时应尽量避免弯折和拉扯,以避免损坏铝线。
3.绝缘保护:确保铝线的绝缘性能良好,以防止电流泄漏或引起触电等危险。
4.连接可靠:连接铝线时,应采用合适的连接方法,并确保连接牢固可靠。
5.检查和维护:定期进行铝线的检查和维护,如有异常情况及时处理。
豫联工业园区320KA 电解铝工程铝母线施工方案批准:审核:编制:中国九冶豫联工业园区项目部2002 年11 月 1 日铝母线安装方案1.概述我公司所承接电解车间铝母线安装包括35台阳极母线、槽周围母线及进电端母线、1/2中间过道母线各一套,铝母线是铝电解生产的重要组成部分,不但铝母线的投资比重大,而且其制造和安装质量直接关系到电解铝生产技术经济指标。
电解车间母线制作、安装必须遵守YS5417-95《铝母线焊接施工及验收规程》及豫联工业园区工程二处编发的《G32电解槽系列母线质量标准》,因母线规格多、数量大、加工精度高,安装、焊接量大,其安装工序安排与槽壳等金属结构制作同时进行,部分母线如左、右侧端母线和槽底母线及进电侧母线必须先于槽壳安装,槽上母线安装可与上部结构,槽体砌筑施工穿插进行,槽周围母线须预制后组对安装。
2.材料要求2.1铝母线的材料质量在施工过程中应严格进行控制。
铸造铝母线和铝板材质,不得低于GB/ T1196-93 , AL99.6(特二级)的标准。
检查材料外观、材质证书或检验报告。
在开箱检查时必须检查其外表质量,表面不得有划伤、碰撞损伤和氧化锈蚀斑点等缺陷。
成卷定宽供应的软母线其包装应按YS5417-95规程要求包装。
2.2使用的焊丝材质不低于母体的材质纯度。
2.3铸造铝母线的允许存在的局部缺陷,其铸造冷隔深度、裂纹的深度和长度应在YS5417-95规程要求的范围之内。
2.4在进行铝母线的装卸和吊装时,应使用专用吊夹具, 不得使用钢丝绳或链具进行直接捆扎。
3.铸铝母线的加工3.1铝母线的制作和加工应在施工图自审和相关专业图纸会审后进行,使用的计量检测器具必须进行计量检定合格;3.2号料、放线在铝母线矫正平直后进行。
施工时必须根据加工工艺留足铣平、刨边、焊接坡口等加工余量和焊接收缩量,加工后的允差应控制在规程要求范围之内。
3.3铸铝母线的矫正宜采用机械或液压式平整机进行。
矫正作业,应避免与平整机上金属构件碰(擦)伤,表面化痕允许深度应小于1.5mm.矫正后的铸铝母线料表面局部被压陷的深度应小于2mm,面积应小于100mmX100mm。
铝母线安装施工方案1铝母线的制作铝母线的加工场地场地设置10t龙门吊2台。
铺设钢平台两座50m×20m。
制作场地总面积2000平米,场地布置见平面图。
1.1铸造铝母线的制作首先用500T电动液压千斤顶及辅助设施,对铸造铝母线进行调直处理。
使之达到机加工的要求。
按图纸要求的尺寸将铝母线两端头进行定尺加工(铣端头)。
长度尺寸偏差应在±2mm范围内。
铸造铝母线需钻孔时,不允许用手电钻钻孔,必须用定位模板在钻床上钻孔,以确保钻孔的精确度达到设计要求。
直立柱母线、立柱夹头母线、短路块母线、中间过道母线等压接面的加工,必须按图纸规定的尺寸和精度进行机加工。
首先用锯床对毛坯件进行粗加工,再用铣床或刨床进行二次精加工。
以达到精度要求。
直立柱母线、立柱夹头母线、短路块母线、中间过道母线等母线压接面,用机械加工达到图纸要求精度后,再用专用平板涂抹红丹粉进行手工刮研。
使其达到规范要求接触面积,减少电压降的目的。
所有铝母线压接面均应有防止机械碰伤及化学腐蚀的技术措施。
存放时加工面应与地面成垂直方向。
1.2阳极母线加工阳极母线加工,一般方法同铸造铝母线加工的要求。
阳极母线压接面的加工,在专用铣床上竖向加工。
阳极母线加工后,应用专用吊具、卡具进行吊装。
以免造成阳极母线变形及碰伤加工面。
加工后的阳极母线,暂不安装时,应立放于找平的木垫上。
加工面用木板隔开。
1.3立柱短路母线、立柱夹头母线的组装组对前应清除压接面的油污及氧化层。
组对时,应均匀紧固螺栓,且应达到紧固要求。
经刮研后,应及时组对,经测试电压降合格后,转入焊接工序。
测试要求:通直流6V1000A电流时,夹头母线压接面电压降≤10mv,短路母线压接面电压降≤15mv。
1.4铝软母线的制作将铝软母线按图纸要求之尺寸,用剪板机下料,必须保证长边与短边的垂直度。
用方木块在钢平台上进行平直,然后按图纸要求的片数、尺寸,分束组合好,用模具冲压成图纸所需形状。
压制成型的软铝母线束的两端,用专用夹具夹紧,按图纸要求的形式用氩弧焊机进行封焊。
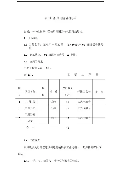
铝母线焊接作业指导书说明:本作业指导书的使用范围为电气铝母线焊接。
1.工程概况1.1工程名称:某电厂一期工程2×600MW #2机组铝母线焊接。
1.2施工地点:#2机组汽机房及A排外。
1.3主要工程量主要工程量见表13-1 。
表13-1主要工程量序规焊口数量项目名称材质焊接工艺卡备注号格(只)1 主母线铝硅21 工艺卡编号2 主母分支铝硅11 工艺卡编号3厂用励磁16分支铝硅工艺卡编号合计481.4工程特点铝母线多为结晶器连续铸造的硬铝质工业纯铝。
其焊接具有以下特点:1.4.1焊口多、截面大、操作空间狭窄的特点。
1.4.2铝具有较高的导热系数,较大的线膨胀系数和收缩率,焊接时易烧穿且易产生气孔。
焊接时要求用能量集中的热源,并采取适当的保护。
1.4.3铝及铝合金焊接所产生的气体和强弧光对人体有一定的伤害,必须对焊工加强安全教育和劳动保护。
2.编制依据2.1施工图纸、设计说明书、安装说明书及设计变更文件。
2.2《某发电厂一期工程600MW #2机组施工组织总设计》2.3《某发电厂一期工程600MW #2机某专业施工组织设计》2.4《铝母线焊接技术规程》DL/T754-20012.5《电力建设安全工作规程》(第1部分:火力发电厂)DL5009.1—20022.6《中华人民共和国环境保护法》(1989年)等国家法律法规及其他地方性法规2.7《电力建设安全健康与环境管理规定》国电电源[2002]49号2.8《山东电建一公司焊接工艺评定》第*项2.9公司的QES管理手册、体系程序、系统文件。
2.10工地本部门辨识及评价出的重要环境因素及重要危险因素清单。
3.开工应具备的条件和施工前应做的准备3.1 施工现场应具备的条件3.1.1施工作业场周围应布置好施工电源、施工用气等供施工用的力能供应设施;焊接设备到位,设备状况良好。
3.1.2高空焊接时,必须搭设牢固可靠的脚手架,并挂有合格标示,拉设水平安全绳,并有兜底安全网;在没有安全防护的情况下,施焊人员应拒绝进行作业。
一、工程概况本工程为XX项目,位于XX地区,建筑规模为XX平方米。
工程主要包含电气系统,其中铝母线安装为关键分项工程。
为确保工程质量和施工安全,特制定本施工方案。
二、施工准备1. 材料准备(1)铝母线:符合设计要求的产品合格证、材质证明及产品说明书。
(2)紧固件:热镀锌螺栓、螺母、垫圈等。
(3)绝缘子、穿墙套管:符合国家标准和产品技术条件的规定。
(4)辅助材料:调合漆、樟丹池、焊条、焊粉等。
2. 机具准备(1)母线煨弯器、电焊、汽焊工具。
(2)钢锯、电锤、砂轮、台钻、手电钻、板锉、钢丝刷、木锤、力矩扳手、铜丝刷。
(3)测试器具:皮尺、钢卷尺、钢板尺、水平、线坠、摇表、万用表、细钢丝或小线。
3. 人员准备(1)施工人员:具备相关资质和经验的专业技术人员。
(2)施工队伍:由施工经验丰富、责任心强的项目经理、施工员、质量员、安全员等组成。
三、施工工艺1. 施工流程(1)施工准备:根据设计图纸,确定铝母线安装位置,进行现场测量和放样。
(2)母线加工:按照设计要求,对铝母线进行切割、弯曲、焊接等加工。
(3)支架安装:根据设计图纸,安装支架,确保支架位置准确、牢固。
(4)母线安装:将加工好的铝母线安装到支架上,确保母线连接牢固、绝缘良好。
(5)绝缘处理:对铝母线连接处进行绝缘处理,确保绝缘性能符合要求。
(6)测试验收:对铝母线安装工程进行测试验收,确保工程质量和安全。
2. 施工要点(1)铝母线加工:按照设计要求,严格控制加工尺寸和精度,确保母线连接牢固、绝缘良好。
(2)支架安装:支架位置准确、牢固,确保铝母线安装后的稳定性和安全性。
(3)母线安装:确保母线连接牢固、绝缘良好,避免因连接不良导致安全隐患。
(4)绝缘处理:严格按照绝缘处理工艺要求,确保绝缘性能符合要求。
(5)测试验收:严格按照测试验收标准,确保工程质量和安全。
四、施工安全措施1. 严格执行国家和行业有关施工安全的规定,加强施工现场安全管理。
2. 施工人员必须佩戴安全帽、安全带等个人防护用品。
铝母线安装施工方案铝母线安装施工方案1铝母线的制作铝母线的加工场地场地设置10t龙门吊2台。
铺设钢平台两座50m×20m。
制作场地总面积2000平米,场地布置见平面图。
1.1铸造铝母线的制作首先用500T电动液压千斤顶及辅助设施,对铸造铝母线进行调直处理。
使之达到机加工的要求。
按图纸要求的尺寸将铝母线两端头进行定尺加工(铣端头)。
长度尺寸偏差应在±2mm 范围内。
铸造铝母线需钻孔时,不允许用手电钻钻孔,必须用定位模板在钻床上钻孔,以确保钻孔的精确度达到设计要求。
直立柱母线、立柱夹头母线、短路块母线、中间过道母线等压接面的加工,必须按图纸规定的尺寸和精度进行机加工。
首先用锯床对毛坯件进行粗加工,再用铣床或刨床进行二次精加工。
以达到精度要求。
直立柱母线、立柱夹头母线、短路块母线、中间过道母线等母线压接面,用机械加工达到图纸要求精度后,再用专用平板涂抹红丹粉进行手工刮研。
使其达到规范要求接触面积,减少电压降的目的。
所有铝母线压接面均应有防止机械碰伤及化学腐蚀的技术措施。
存放时加工面应与地面成垂直方向。
1.2阳极母线加工阳极母线加工,一般方法同铸造铝母线加工的要求。
阳极母线压接面的加工,在专用铣床上竖向加工。
阳极母线加工后,应用专用吊具、卡具进行吊装。
以免造成阳极母线变形及碰伤加工面。
加工后的阳极母线,暂不安装时,应立放于找平的木垫上。
加工面用木板隔开。
1.3立柱短路母线、立柱夹头母线的组装组对前应清除压接面的油污及氧化层。
组对时,应均匀紧固螺栓,且应达到紧固要求。
经刮研后,应及时组对,经测试电压降合格后,转入焊接工序。
测试要求:通直流6V1000A 电流时,夹头母线压接面电压降≤10mv,短路母线压接面电压降≤15mv。
1.4铝软母线的制作将铝软母线按图纸要求之尺寸,用剪板机下料,必须保证长边与短边的垂直度。
用方木块在钢平台上进行平直,然后按图纸要求的片数、尺寸,分束组合好,用模具冲压成图纸所需形状。
铝基动力母线施工方案1. 引言铝基动力母线是一种用于电力系统中的输电设备,具有高导电性、良好的耐腐蚀性和较低的电阻等特点。
本文档将介绍铝基动力母线的施工方案,包括施工准备、施工流程和施工安全等内容。
2. 施工准备施工前需要做好以下准备工作:•确定施工地点和范围:根据设计要求确定铝基动力母线的布置位置和长度。
•准备施工材料和设备:包括铝基动力母线、接头、连接件、绝缘胶带、电缆夹具等。
•检查施工地点:确保施工地点无障碍物和安全隐患。
3.1. 安装铝基动力母线1.在施工位置上进行标记和固定,确保布置正确。
2.清理施工位置,确保无杂物和污垢。
3.将铝基动力母线安装在标记位置上,并使用固定件进行固定。
3.2. 连接铝基动力母线1.使用绝缘胶带将铝基动力母线的接头包裹好,以提供电气绝缘和防腐蚀保护。
2.将接头连接器与铝基动力母线的接头连接,并使用螺栓等连接件进行固定。
3.3. 检查和测试1.检查铝基动力母线的连接是否牢固,并采取必要的调整和修正。
2.使用专业测试仪器对铝基动力母线进行电阻测试,确保其导电性能符合要求。
在铝基动力母线的施工过程中,应注意以下安全事项:•按照电力系统的相关安全操作规程进行施工。
•佩戴必要的个人防护装备,如安全帽、安全鞋、手套等。
•施工现场设立警示标志,防止他人误入施工区域。
•施工过程中避免与其他电力设备或电缆产生接触,以防触电事故的发生。
•施工结束后,清理施工现场,将杂物和废弃材料妥善处理。
5. 总结本文档介绍了铝基动力母线的施工方案,包括施工准备、施工流程和施工安全等内容。
在进行铝基动力母线施工时,需要认真遵守相关的安全操作规程,保护好自身安全,确保施工质量和电力系统的正常运行。
电解系统节能挖潜改造项目电解车间建筑安装工程铝母线制安方案编制:刘二东审核:王振波编制单位:包头市新冶机械电器安装有限公司编制时间:2015年5月25日目录1工程概况---------------------------------------------------------------------------------------------------------22施工部署---------------------------------------------------------------------------------------------------------23质量控制点------------------------------------------------------------------------------------------------------24施工技术标准及规范和采用的新技术、新工艺、新设备---------------------------------------3 5施工准备---------------------------------------------------------------------------------------------------------36施工工序---------------------------------------------------------------------------------------------------------47加工场地布置图(参考图、具体实际现场定)----------------------------------------------------4 8加工程序---------------------------------------------------------------------------------------------------------68.1主要流程图---------------------------------------------------------------------------------------------------68.2各种加工程序及使用机械-------------------------------------------------------------------------------78.3立柱母线及短路母线组焊-------------------------------------------------------------------------------98.4阳极母线加工-----------------------------------------------------------------------------------------------128.5阴极母线预组焊--------------------------------------------------------------------------------------------128.6软铝母线加工-----------------------------------------------------------------------------------------------139铝母线安装-----------------------------------------------------------------------------------------------------149.1母线安装顺序-----------------------------------------------------------------------------------------------149.2母线安装前准备工作-------------------------------------------------------------------------------------159.3主要安装方法-----------------------------------------------------------------------------------------------1610主要资源供应计划-----------------------------------------------------------------------------------------1811保证进度的技术组织措施-------------------------------------------------------------------------------2012保证质量的技术组织措施-------------------------------------------------------------------------------2013保证安全的技术组织措施-------------------------------------------------------------------------------2114环境污染防治和文明施工的技术组织措施--------------------------------------------------------221工程概况山西河津市山西华泽铝电有限公司电解系统节能挖潜改造项目沈阳铝镁设计研究院有限公司设计,电解槽电流强度320KA,采用五点进电,为中间点式下料预焙阳极电解槽。
电气铝母线焊接施工方案1.工程概况:1.1工程范围本工程封闭母线安装包括:自启动/备用变压器至2#机组6KV备用电源进线开关A段、B段的共箱封闭母线;2#机组高压厂用变压器低压侧共箱封闭母线;2#机发电机离相封闭母线。
1.2工程量简介启动/备用变压器共箱母线共143米;高压厂用变压器共箱母线82米;发电机离相封闭母线自发电机出口至高压厂用变压器低压侧248米。
2.I 设计院提供的《6KV封闭母线安装图》、《发电机封闭母线安装图》;2.2《火力发电厂焊接技术规程》DL/T869-2004:2.3《DLT5210.7-2010电力建设施工质量验收及评价规程》第7部分:焊接工程;2.4《电力建设安全工作规程》(火力发电厂部分)DL5009.1-2002;2.5《铝母线焊接技术规程》DL/T754-20012.6《火力发电厂金属技术监督规程》DL.438-2009:2.7《焊工技术考核规程》DL/T679—1999;2.8《电力工业锅炉压力容器监察规程》DL612-1996;2.9施工组织总设计;2.10封闭母线厂家设计图纸;2.11《电气装置工程施工及验收规范》;3.作业范围、作业进度安排:3.1作业范围安装区域及范围:汽机间6.9米平台、6kV配电室、主厂房A排外侧。
3.2作业进度拟于****年5月29日展开作业,于9月末结束。
4.焊接作业条件:4.1对作业人员资质及相关要求4.1.1凡参加焊接作业人员必须经由专门焊接培训部门培训考核,并取得焊工合格证书。
4.1.2从事焊接作业人员进入现场,必须进行身体检查,身体检查不合格者一律不得进入现场施工。
4.1.3作业人员进厂,必须经过三级安全教育。
焊接作业人员现场施工,须进行相对应项目的技术交底,在确认交底内容清晰明了之后签字。
4.1.4焊接作业人员施工内容必须与交底内容相符,与交底内容不符者不得施焊。
4.1.5焊接作业必须严格按照施工技术交底及相关焊接工艺要求进行,作业人员不得擅自更改焊接工艺。
项目一期建设工程电解车间母线安装施工方案审批人:审核人:编制人:施工单位:建设集团有限责任公司二○一7年九月十八日目录目录1工程概况 (4)1.1工程主要情况 (4)1.1.1、工程名称 (4)1.1.2、建设地点 (4)1.1.3、质量目标 (4)1.1.4、工程范围 (4)1.2编写依据 (4)2施工部署 (4)2.1工程施工目标 (4)2.1.1工期目标 (4)2.1.2质量目标 (4)2.1.3安全生产目标 (5)2.2工程施工进度安排 (5)2.2.1施工顺序 (5)2.2.2施工部署 (5)2.2.3工程施工的重点和难点分析 (5)2.3工程管理的组织机构 (8)2.3.1项目组织结构 (8)2.3.2人员配置计划及岗位职责 (9)3施工进度计划 (10)4施工准备与资源配置计划 (10)4.1施工准备 (10)4.1.1施工技术准备 (10)4.1.2施工现场准备 (11)4.1.3资源准备 (11)4.2资源配置计划 (12)4.2.1劳动力配置计划 (12)4.2.2物资配置计划 (12)5 施工方法及工艺要求 (14)5.1、成品材料到货要求 (14)5.1.1铸铝母线外观检查 (14)5.1.2、验尺 (14)5.1.3、铸造铝母线机械加工质量标准 (15)5.1.4、铸铝母线校直及平端面 (15)5.1.5、校直平头的母线,立柱结构的铝母线、铣面、钻孔、平面加工 (15)5.2、立柱母线组装焊接 (16)5.3短路母线组装焊接 (16)5.4进出电侧母线组装焊接 (17)5.5软铝母线加工工艺流程 (17)5.6母线安装 (18)5.6.1施工流程 (18)5.6.2母线安装准备 (18)5.6.3槽底及端部母线安装 (18)5.6.4槽周进、出电侧及端部母线安装: (19)5.6.5立柱母线与短路母线安装 (20)5.6.6立柱母线与短路母线研磨 (20)5.6.7阳极母线安装 (20)5.6.8阳极软母线焊接 (21)6主要施工管理计划 (22)6.1进度管理计划 (22)6.1.1确保工期的组织措施 (22)6.1.2确保工期的技术保证措施 (23)6.1.3施工协调措施 (24)6.2质量管理计划 (24)6.2.1质量目标及分解 (24)6.2.2质量保证体系 (25)6.2.3 质量控制措施 (25)6.3安全管理计划 (28)6.3.1 安全生产组织保证措施 (28)6.3.2安全生产技术保证措施 (29)6.4环境管理计划 (31)6.4.1 文明施工组织措施 (31)6.4.2文明施工技术保证措施 (31)1工程概况1.1工程主要情况1.1.1、工程名称:1.1.2、建设地点:1.1.3、质量目标:1.1.4、工程范围:工程名称:电解车间母线安装。
铝母线安装施工方案
铝母线安装施工方案
1铝母线的制作
铝母线的加工场地
场地设置10t龙门吊2台。
铺设钢平台两座50m×20m。
制作场地总面积2000平米,场地布置见平面图。
1.1铸造铝母线的制作
首先用500T电动液压千斤顶及辅助设施,对铸造铝母线进行调直处理。
使之达到机加工的要求。
按图纸要求的尺寸将铝母线两端头进行定尺加工(铣端头)。
长度尺寸偏差应在±2mm 范围内。
铸造铝母线需钻孔时,不允许用手电钻钻孔,必须用定位模板在钻床上钻孔,以确保钻孔的精确度达到设计要求。
直立柱母线、立柱夹头母线、短路块母线、中间过道母线等压接面的加工,必须按图纸规定的尺寸和精度进行机加工。
首先用锯床对毛坯件进行粗加工,再用铣床或刨床进行二次精加工。
以达到精度要求。
直立柱母线、立柱夹头母线、短路块母线、中间过道母线等母线压接面,用机械加工达到图纸要求精度后,再用专用平板涂抹红丹粉进行手工刮研。
使其达到规范要求接触面积,减少电压降的目的。
所有铝母线压接面均应有防止机械碰伤及化学腐蚀的技术措施。
存放时加工面应与地面成垂直方向。
1.2阳极母线加工
阳极母线加工,一般方法同铸造铝母线加工的要求。
阳极母线压接面的加工,在专用铣床上竖向加工。
阳极母线加工后,应用专用吊具、卡具进行吊装。
以免造成阳极母线变形及碰伤加工面。
加工后的阳极母线,暂不安装时,应立放于找平的木垫上。
加工面用木板隔开。
1.3立柱短路母线、立柱夹头母线的组装
组对前应清除压接面的油污及氧化层。
组对时,应均匀紧固螺栓,且应达到紧固要求。
经刮研后,应及时组对,经测试电压降合格后,转入焊接工序。
测试要求:通直流6V1000A 电流时,夹头母线压接面电压降≤10mv,短路母线压接面电压降≤15mv。
1.4铝软母线的制作
将铝软母线按图纸要求之尺寸,用剪板机下料,必须保证长边与短边的垂直度。
用方木块在钢平台上进行平直,然后按图纸要求的片数、尺寸,分束组合好,用模具冲压成图纸所需形状。
压制成型的软铝母线束的两端,用专用夹具夹紧,按图纸要求的形式用氩弧焊机进行封焊。
封焊后的软铝母线束,按组捆扎,编号入库,分类立放以防变形。
1.5铝连接板的制作
按图纸要求的各种规格、形状制作样板,据所供铝板之规格精确计算,合理下料。
用剪板机剪切成图纸要求的各种形状。
按不同规格、分类堆放、挂牌保管。
剪切后的铝连接板,不应出现飞边、毛刺、弯曲等现象。
否则应修正至合格。
铝连接板一般不应拼接,如特殊情况需拼接时,需在焊缝处找坡口后焊接。
且每片最多拼接一处。
1.6固定支架的制作
母线定位用钢弯板的制作,采用定型模具、液压千斤顶弯制成型。
所有螺栓孔,尽量在钻床上钻制。
2铝母线的安装
2.1母线安装前的准备工作
将经纬仪、水准仪、钢盘尺进行调正、校验。
组织与土建工程的工序交接,检查支墩是否完全干燥,支墩表面是否平整、密实,砼强度是否达到设计要求。
予埋钢板位置是否符合图纸要求。
检查母线支墩的位置,是否符合图纸要求。
标准见下表:
项目名称允许偏差(mm)检查方法
支墩水平度5/1000水准仪
支墩中心线±10经纬仪
支墩外形尺寸±10钢尺
2.2用水准仪检查母线支墩上表面高度,允许偏差为0~-3mm。
支墩标高的误差,可用同等厚度的橡胶石棉板调正。
2.3以电解槽中心线为基准,按图纸尺寸定出母线安装中心线,并标注在支墩上。
清理支墩上表面的污物,将绝缘材料放置到位。
用1~3mm的橡胶石棉板,调整支墩标高达到设计要求。
2.4备好母线安装时的支架、吊具、夹具、钢楔、木楔及临时定位用的重力物品。
2.5周围母线与槽壳安装需交叉进行,互相配合协调。
进电端母线、中间过道母线、槽周围母线的左、右端部母线,均应在槽壳吊装之前就位。
槽底母线应在底梁安装后、槽壳安装前就位。
2.6进电侧左、右边母线与左、右端部母线需在平台上进行组对焊接成型。
2.7直立柱母线与斜立柱母线(夹头母线)需在平台上进行组焊。
出电侧母线有部分母线需在平台上进行组焊。
2.8其余槽周围母线,借助固定支架,在母线就位、调整、确认无误后,采用定位焊接的办法。
焊接完毕后,检查各项无误,待焊接接头冷却至常温后,拆除临时支架及夹具。
3阳极母线的安装
3.1阳极母线的安装,应在电解槽上部结构板梁安装合格后进行。
3.2阳极母线中心线与板梁中心线应吻合,偏差不大于1mm。
3.3阳极母线定位后,进行平衡板及铝软带的焊接。
3.4待焊口冷却至常温后,拆除临时支架及卡具。
4进电端母线、中间过道母线的安装
4.1按图纸要求制备铝软带。
按图纸要求制备中间过道母线连接处的铸铝连接块。
按图纸要求将绝缘材料放置到位。
按图纸要求,借助定位支架、夹具、楔子将母线安装到位。
4.2然后进行硬铝连接板、铝软带的焊接。
待焊口冷却至常温后,拆除定位支架、夹具、楔子等临时设施。
并组装固定支架。
5爆炸焊块的安装
爆炸焊块的安装,应在阴极钢棒定位后进行。
爆炸焊块采用胎具进行定位,以保证位置的准确性。
爆炸焊块定位后,将钢连接片用二氧化碳气体保护焊的办法,将爆炸焊块与阴极钢棒连接。
焊接过程中要注意焊块的温度不得大于350℃。
6铝母线安装质量要求
6.1铝母线外观排列规整,绝缘材料放置到位。
6.2槽周围母线标高允许偏差±5mm,槽周围母线对槽中心线偏差±5mm,槽周围母线的侧面与水平面的垂直度,不得大于0.5%。
6.3阳极母线水平倾斜<5mm,阳极两母线平行允许偏差±2mm,阳极母线把接阳极导杆之间垂直度允许偏差±0.5mm。
6.4槽周围母线在连通前,必须检查、调整绝缘垫板,使母线单点对地绝缘值不小于1m。
6.5阳极软带焊接前,应检查阳极母线对槽壳及上部板梁的绝缘值,确认合格后再进行
阳极母线与夹头母线之间的铝软带焊接。
6.6铝母线与支架间的绝缘件,自安装起至通电前均需妥善保护,以免影响绝缘性能。
7铝母线焊接
7.1焊接前,首先对焊接件进行外观和尺寸复查,确认合格后先点焊,再检查、调整合格后施焊。
且在焊接过程中不断检查焊接质量
、调整焊接条件。
7.2焊接前应将焊口部位用丙酮(或酒精)进行清洗,再用细刷刷至露出金属光泽。
严禁用砂轮打磨。
7.3焊接应尽量一次完成,过长的焊缝可分段进行,每段长度为200~250mm。
7.4分层焊时,每层焊完后,应用钢丝刷将飞溅物清理干净,再焊上一层。
全部焊接完毕再进行焊口的封焊。
7.5对所有焊缝,用肉眼或5-15倍放大镜进行检查。
焊缝必须熔透,不允许有严重的裂纹、夹渣、气泡、咬边等缺陷。
焊缝表面应饱满、均匀。
7.6焊接时应防止风、雨、雪的侵袭,以确保焊接质量。
7.7当环境温度低于+5℃时,必须采取加热、保温措施。
必要时采取局部封闭措施,以提高环境温度。
7.8焊缝导电检查可用直流大电流发生器。
在通1000A6V直流电、测距为250mm时,焊缝的电阻应不超过同等截面积母线母材的5-6%。
7.9焊接过程中,要针对不同情况,采取各种有效的保护措施,以避免损坏绝缘材料。
大梁制作工艺流程图附图二
电解糟筑炉施工流程图
感谢您的阅读!。