住宅工程室内空间尺寸质量分户验收记录表
- 格式:doc
- 大小:634.50 KB
- 文档页数:48
成都市(清水/成品)住宅工程质量分户验收室内净距、净高尺寸检验记录表(表4)工程名称房号电子档案(二维码粘贴处)
功能区域
设计净
高推算
值(mm)
设计净
距推算
值(mm)
实测值(mm)计算值(mm)
净高开间进深净高开间(进深)
H L H1 H2 H3 H4 H5 L1 L2 L3 L4 最大偏差极差最大偏差极差
卧室1
卧室2
卧室3
卧室4
客厅
餐厅
(室内空间尺寸示意图,测点位置可根据实际情况调整)
套型示意图贴图区(标注房间编号)
分户验收结论:
注:1.每个房间净高共抽测五点,开间、进深尺寸各抽测两处,测点位置详见附图(其中开间进深测点高度为地面起50cm高处)。
净高负偏差不应大于20mm,极差不得超过20mm;开间进深负偏差和极差不得超过15mm;2.偏差为实测值与标准值之间的绝对差;极差为实测中最大值与最小值之差,不合格点数在表内用红笔圈出;3.室内每户为一个检验单元,每个检验单元填写本表一张。
4.此表一式二份,建设、施工单位各一份,同时生成二维码由建设单位作为分户验收“一户一档”电子档案一并交付业主。
住宅工程室内空间尺寸质量分户验收记录表工程名称孟关生态特色功能区农民新村安置点一期工程2#楼房(户)号1-22-7检查日期2015年 4 月9 日房间设计净高及进深实测值(㎜)计算值(㎜)H/L/B H1H2H3H4H5L1L2B1B2净高净开间净进深最大偏差极差极差极差客厅2880/365 8/4658主卧室2880/305 8/3958次卧室2880/305 8/3458室内空间尺寸测量示意图:填表说明:1、基准值净高H、L1和L2方向开间净尺寸L、B1和B2方向进深净尺寸B、对角线净尺寸D的设计值。
2、实测值与基准值之差即为实测偏差值,极差为实测偏差值中最大与最小值之差的绝对值。
3、每套抽查房间数不少于3间。
4、实测偏差值或极差值大于20㎜为不合格。
套型示意图贴图区,标准房间编号:验收结论实测( 3 间)房间,合格( 3 间)房间,需整改处理房间:()建设单位监理单位施工单位物业单位验收人员:(分户验收专用章)年月日验收人员:(分户验收专用章)年月日验收人员:(分户验收专用章)年月日验收人员:(分户验收专用章)年月日住宅工程室内空间尺寸质量分户验收记录表工程名称孟关生态特色功能区农民新村安置点一期工程2#楼房(户)号1-21-7检查日期2015年 4 月9 日房间设计净高及进深实测值(㎜)计算值(㎜)H/L/B H1H2H3H4H5L1L2B1B2净高净开间净进深最大偏差极差极差极差客厅2880/365 8/4658主卧室2880/305 8/3958次卧室2880/305 8/3458住宅工程室内空间尺寸质量分户验收记录表主卧室2880/305 8/3958次卧室2880/305 8/3458室内空间尺寸测量示意图:填表说明:1、基准值净高H、L1和L2方向开间净尺寸L、B1和B2方向进深净尺寸B、对角线净尺寸D的设计值。
2、实测值与基准值之差即为实测偏差值,极差为实测偏差值中最大与最小值之差的绝对值。
房(户)号西单元一层西户检查日期年月日户型简图及检查点简述序号项目质量要求实测数据1 套内净尺寸偏差房间内平行墙面之间净距极差值控制在20㎜以内客厅实测值一号房实测值二号房实测值三号房实测值1-2 1-2 1-2 1-23-4 3-4 3-4 3-41-3 1-3 1-3 1-32-4 2-4 2-4 2-41-4 1-4 1-4 1-42-3 2-3 2-3 2-3室内净高偏差值控制在-20㎜以内1 1 1 12 2 2 23 3 3 34 4 4 45 5 5 5质量缺陷及整改结果检验结论建设单位监理单位施工单位物业或其他单位房(户)号西单元二层西户检查日期年月日户型简图及检查点简述序号项目质量要求实测数据1 套内净尺寸偏差房间内平行墙面之间净距极差值控制在20㎜以内客厅实测值一号房实测值二号房实测值三号房实测值1-2 1-2 1-2 1-23-4 3-4 3-4 3-41-3 1-3 1-3 1-32-4 2-4 2-4 2-41-4 1-4 1-4 1-42-3 2-3 2-3 2-3室内净高偏差值控制在-20㎜以内1 1 1 12 2 2 23 3 3 34 4 4 45 5 5 5质量缺陷及整改结果检验结论建设单位监理单位施工单位物业或其他单位房(户)号西单元三层西户检查日期年月日户型简图及检查点简述序号项目质量要求实测数据1 套内净尺寸偏差房间内平行墙面之间净距极差值控制在20㎜以内客厅实测值一号房实测值二号房实测值三号房实测值1-2 1-2 1-2 1-23-4 3-4 3-4 3-41-3 1-3 1-3 1-32-4 2-4 2-4 2-41-4 1-4 1-4 1-42-3 2-3 2-3 2-3室内净高偏差值控制在-20㎜以内1 1 1 12 2 2 23 3 3 34 4 4 45 5 5 5质量缺陷及整改结果检验结论建设单位监理单位施工单位物业或其他单位房(户)号西单元四层西户检查日期年月日户型简图及检查点简述序号项目质量要求实测数据1 套内净尺寸偏差房间内平行墙面之间净距极差值控制在20㎜以内客厅实测值一号房实测值二号房实测值三号房实测值1-2 1-2 1-2 1-23-4 3-4 3-4 3-41-3 1-3 1-3 1-32-4 2-4 2-4 2-41-4 1-4 1-4 1-42-3 2-3 2-3 2-3室内净高偏差值控制在-20㎜以内1 1 1 12 2 2 23 3 3 34 4 4 45 5 5 5质量缺陷及整改结果检验结论建设单位监理单位施工单位物业或其他单位房(户)号西单元五层西户检查日期年月日户型简图及检查点简述序号项目质量要求实测数据1 套内净尺寸偏差房间内平行墙面之间净距极差值控制在20㎜以内客厅实测值一号房实测值二号房实测值三号房实测值1-2 1-2 1-2 1-23-4 3-4 3-4 3-41-3 1-3 1-3 1-32-4 2-4 2-4 2-41-4 1-4 1-4 1-42-3 2-3 2-3 2-3室内净高偏差值控制在-20㎜以内1 1 1 12 2 2 23 3 3 34 4 4 45 5 5 5质量缺陷及整改结果检验结论建设单位监理单位施工单位物业或其他单位房(户)号西单元六层西户检查日期年月日户型简图及检查点简述序号项目质量要求实测数据1 套内净尺寸偏差房间内平行墙面之间净距极差值控制在20㎜以内客厅实测值一号房实测值二号房实测值三号房实测值1-2 1-2 1-2 1-23-4 3-4 3-4 3-41-3 1-3 1-3 1-32-4 2-4 2-4 2-41-4 1-4 1-4 1-42-3 2-3 2-3 2-3室内净高偏差值控制在-20㎜以内1 1 1 12 2 2 23 3 3 34 4 4 45 5 5 5质量缺陷及整改结果检验结论建设单位监理单位施工单位物业或其他单位房(户)号西单元一层东户检查日期年月日户型简图及检查点简述序号项目质量要求实测数据1 套内净尺寸偏差房间内平行墙面之间净距极差值控制在20㎜以内客厅实测值一号房实测值二号房实测值三号房实测值1-2 1-2 1-2 1-23-4 3-4 3-4 3-41-3 1-3 1-3 1-32-4 2-4 2-4 2-41-4 1-4 1-4 1-42-3 2-3 2-3 2-3室内净高偏差值控制在-20㎜以内1 1 1 12 2 2 23 3 3 34 4 4 45 5 5 5质量缺陷及整改结果检验结论建设单位监理单位施工单位物业或其他单位年月日年月日年月日年月日房(户)号西单元二层东户检查日期年月日户型简图及检查点简述序号项目质量要求实测数据1 套内净尺寸偏差房间内平行墙面之间净距极差值控制在20㎜以内客厅实测值一号房实测值二号房实测值三号房实测值1-2 1-2 1-2 1-23-4 3-4 3-4 3-41-3 1-3 1-3 1-32-4 2-4 2-4 2-41-4 1-4 1-4 1-42-3 2-3 2-3 2-3室内净高偏差值控制在-20㎜以内1 1 1 12 2 2 23 3 3 34 4 4 45 5 5 5质量缺陷及整改结果检验结论建设单位监理单位施工单位物业或其他单位年月日年月日年月日年月日房(户)号西单元三层东户检查日期年月日户型简图及检查点简述序号项目质量要求实测数据1 套内净尺寸偏差房间内平行墙面之间净距极差值控制在20㎜以内客厅实测值一号房实测值二号房实测值三号房实测值1-2 1-2 1-2 1-23-4 3-4 3-4 3-41-3 1-3 1-3 1-32-4 2-4 2-4 2-41-4 1-4 1-4 1-42-3 2-3 2-3 2-3室内净高偏差值控制在-20㎜以内1 1 1 12 2 2 23 3 3 34 4 4 45 5 5 5质量缺陷及整改结果检验结论建设单位监理单位施工单位物业或其他单位年月日年月日年月日年月日房(户)号西单元四层东户检查日期年月日户型简图及检查点简述序号项目质量要求实测数据1 套内净尺寸偏差房间内平行墙面之间净距极差值控制在20㎜以内客厅实测值一号房实测值二号房实测值三号房实测值1-2 1-2 1-2 1-23-4 3-4 3-4 3-41-3 1-3 1-3 1-32-4 2-4 2-4 2-41-4 1-4 1-4 1-42-3 2-3 2-3 2-3室内净高偏差值控制在-20㎜以内1 1 1 12 2 2 23 3 3 34 4 4 45 5 5 5质量缺陷及整改结果检验结论建设单位监理单位施工单位物业或其他单位年月日年月日年月日年月日房(户)号西单元五层东户检查日期年月日户型简图及检查点简述序号项目质量要求实测数据1 套内净尺寸偏差房间内平行墙面之间净距极差值控制在20㎜以内客厅实测值一号房实测值二号房实测值三号房实测值1-2 1-2 1-2 1-23-4 3-4 3-4 3-41-3 1-3 1-3 1-32-4 2-4 2-4 2-41-4 1-4 1-4 1-42-3 2-3 2-3 2-3室内净高偏差值控制在-20㎜以内1 1 1 12 2 2 23 3 3 34 4 4 45 5 5 5质量缺陷及整改结果检验结论建设单位监理单位施工单位物业或其他单位年月日年月日年月日年月日房(户)号西单元六层东户检查日期年月日户型简图及检查点简述序号项目质量要求实测数据1 套内净尺寸偏差房间内平行墙面之间净距极差值控制在20㎜以内客厅实测值一号房实测值二号房实测值三号房实测值1-2 1-2 1-2 1-23-4 3-4 3-4 3-41-3 1-3 1-3 1-32-4 2-4 2-4 2-41-4 1-4 1-4 1-42-3 2-3 2-3 2-3室内净高偏差值控制在-20㎜以内1 1 1 12 2 2 23 3 3 34 4 4 45 5 5 5质量缺陷及整改结果检验结论建设单位监理单位施工单位物业或其他单位年月日年月日年月日年月日房(户)号东单元一层西户检查日期年月日户型简图及检查点简述序号项目质量要求实测数据1 套内净尺寸偏差房间内平行墙面之间净距极差值控制在20㎜以内客厅实测值一号房实测值二号房实测值三号房实测值1-2 1-2 1-2 1-23-4 3-4 3-4 3-41-3 1-3 1-3 1-32-4 2-4 2-4 2-41-4 1-4 1-4 1-42-3 2-3 2-3 2-3室内净高偏差值控制在-20㎜以内1 1 1 12 2 2 23 3 3 34 4 4 45 5 5 5质量缺陷及整改结果检验结论建设单位监理单位施工单位物业或其他单位房(户)号东单元二层西户检查日期年月日户型简图及检查点简述序号项目质量要求实测数据1 套内净尺寸偏差房间内平行墙面之间净距极差值控制在20㎜以内客厅实测值一号房实测值二号房实测值三号房实测值1-2 1-2 1-2 1-23-4 3-4 3-4 3-41-3 1-3 1-3 1-32-4 2-4 2-4 2-41-4 1-4 1-4 1-42-3 2-3 2-3 2-3室内净高偏差值控制在-20㎜以内1 1 1 12 2 2 23 3 3 34 4 4 45 5 5 5质量缺陷及整改结果检验结论建设单位监理单位施工单位物业或其他单位房(户)号东单元三层西户检查日期年月日户型简图及检查点简述序号项目质量要求实测数据1 套内净尺寸偏差房间内平行墙面之间净距极差值控制在20㎜以内客厅实测值一号房实测值二号房实测值三号房实测值1-2 1-2 1-2 1-23-4 3-4 3-4 3-41-3 1-3 1-3 1-32-4 2-4 2-4 2-41-4 1-4 1-4 1-42-3 2-3 2-3 2-3室内净高偏差值控制在-20㎜以内1 1 1 12 2 2 23 3 3 34 4 4 45 5 5 5质量缺陷及整改结果检验结论建设单位监理单位施工单位物业或其他单位房(户)号东单元四层西户检查日期年月日户型简图及检查点简述序号项目质量要求实测数据1 套内净尺寸偏差房间内平行墙面之间净距极差值控制在20㎜以内客厅实测值一号房实测值二号房实测值三号房实测值1-2 1-2 1-2 1-23-4 3-4 3-4 3-41-3 1-3 1-3 1-32-4 2-4 2-4 2-41-4 1-4 1-4 1-42-3 2-3 2-3 2-3室内净高偏差值控制在-20㎜以内1 1 1 12 2 2 23 3 3 34 4 4 45 5 5 5质量缺陷及整改结果检验结论建设单位监理单位施工单位物业或其他单位房(户)号东单元五层西户检查日期年月日户型简图及检查点简述序号项目质量要求实测数据1 套内净尺寸偏差房间内平行墙面之间净距极差值控制在20㎜以内客厅实测值一号房实测值二号房实测值三号房实测值1-2 1-2 1-2 1-23-4 3-4 3-4 3-41-3 1-3 1-3 1-32-4 2-4 2-4 2-41-4 1-4 1-4 1-42-3 2-3 2-3 2-3室内净高偏差值控制在-20㎜以内1 1 1 12 2 2 23 3 3 34 4 4 45 5 5 5质量缺陷及整改结果检验结论建设单位监理单位施工单位物业或其他单位房(户)号东单元六层西户检查日期年月日户型简图及检查点简述序号项目质量要求实测数据1 套内净尺寸偏差房间内平行墙面之间净距极差值控制在20㎜以内客厅实测值一号房实测值二号房实测值三号房实测值1-2 1-2 1-2 1-23-4 3-4 3-4 3-41-3 1-3 1-3 1-32-4 2-4 2-4 2-41-4 1-4 1-4 1-42-3 2-3 2-3 2-3室内净高偏差值控制在-20㎜以内1 1 1 12 2 2 23 3 3 34 4 4 45 5 5 5质量缺陷及整改结果检验结论建设单位监理单位施工单位物业或其他单位房(户)号东单元一层东户检查日期年月日户型简图及检查点简述序号项目质量要求实测数据1 套内净尺寸偏差房间内平行墙面之间净距极差值控制在20㎜以内客厅实测值一号房实测值二号房实测值三号房实测值1-2 1-2 1-2 1-23-4 3-4 3-4 3-41-3 1-3 1-3 1-32-4 2-4 2-4 2-41-4 1-4 1-4 1-42-3 2-3 2-3 2-3室内净高偏差值控制在-20㎜以内1 1 1 12 2 2 23 3 3 34 4 4 45 5 5 5质量缺陷及整改结果检验结论建设单位监理单位施工单位物业或其他单位房(户)号东单元二层东户检查日期年月日户型简图及检查点简述序号项目质量要求实测数据1 套内净尺寸偏差房间内平行墙面之间净距极差值控制在20㎜以内客厅实测值一号房实测值二号房实测值三号房实测值1-2 1-2 1-2 1-23-4 3-4 3-4 3-41-3 1-3 1-3 1-32-4 2-4 2-4 2-41-4 1-4 1-4 1-42-3 2-3 2-3 2-3室内净高偏差值控制在-20㎜以内1 1 1 12 2 2 23 3 3 34 4 4 45 5 5 5质量缺陷及整改结果检验结论建设单位监理单位施工单位物业或其他单位房(户)号东单元三层东户检查日期年月日户型简图及检查点简述序号项目质量要求实测数据1 套内净尺寸偏差房间内平行墙面之间净距极差值控制在20㎜以内客厅实测值一号房实测值二号房实测值三号房实测值1-2 1-2 1-2 1-23-4 3-4 3-4 3-41-3 1-3 1-3 1-32-4 2-4 2-4 2-41-4 1-4 1-4 1-42-3 2-3 2-3 2-3室内净高偏差值控制在-20㎜以内1 1 1 12 2 2 23 3 3 34 4 4 45 5 5 5质量缺陷及整改结果检验结论建设单位监理单位施工单位物业或其他单位房(户)号东单元四层东户检查日期年月日户型简图及检查点简述序号项目质量要求实测数据1 套内净尺寸偏差房间内平行墙面之间净距极差值控制在20㎜以内客厅实测值一号房实测值二号房实测值三号房实测值1-2 1-2 1-2 1-23-4 3-4 3-4 3-41-3 1-3 1-3 1-32-4 2-4 2-4 2-41-4 1-4 1-4 1-42-3 2-3 2-3 2-3室内净高偏差值控制在-20㎜以内1 1 1 12 2 2 23 3 3 34 4 4 45 5 5 5质量缺陷及整改结果检验结论建设单位监理单位施工单位物业或其他单位房(户)号东单元五层东户检查日期年月日户型简图及检查点简述序号项目质量要求实测数据1 套内净尺寸偏差房间内平行墙面之间净距极差值控制在20㎜以内客厅实测值一号房实测值二号房实测值三号房实测值1-2 1-2 1-2 1-23-4 3-4 3-4 3-41-3 1-3 1-3 1-32-4 2-4 2-4 2-41-4 1-4 1-4 1-42-3 2-3 2-3 2-3室内净高偏差值控制在-20㎜以内1 1 1 12 2 2 23 3 3 34 4 4 45 5 5 5质量缺陷及整改结果检验结论建设单位监理单位施工单位物业或其他单位房(户)号东单元六层东户检查日期年月日户型简图及检查点简述序号项目质量要求实测数据1 套内净尺寸偏差房间内平行墙面之间净距极差值控制在20㎜以内客厅实测值一号房实测值二号房实测值三号房实测值1-2 1-2 1-2 1-23-4 3-4 3-4 3-41-3 1-3 1-3 1-32-4 2-4 2-4 2-41-4 1-4 1-4 1-42-3 2-3 2-3 2-3室内净高偏差值控制在-20㎜以内1 1 1 12 2 2 23 3 3 34 4 4 45 5 5 5质量缺陷及整改结果检验结论建设单位监理单位施工单位物业或其他单位。
室内空间尺寸分户验收记录表室内空间尺寸、护栏、玻璃质量分户验收记录表室内空间尺寸、护栏、玻璃质量分户验收记录表室内空间尺寸、护栏、玻璃质量分户验收记录表室内空间尺寸、护栏、玻璃质量分户验收记录表室内空间尺寸、护栏、玻璃质量分户验收记录表附件:工程施工现场应急预案及安全保证措施一、编制原则1、以人为本,安全第一原则。
把保障人民群众生命财产安全,最大限度地预防和减少突发事件所造成的损失作为首要任务。
2、统一领导,分级负责原则。
在本项目部领导统一组织下,发挥各职能部门作用,逐级落实安全生产责任,建立完善的突发事件应急管理机制。
3、依靠科学,依法规范原则。
科学技术是第一生产力,利用现代科学技术,发挥专业技术人员作用,依照行业安全生产法规,规范应急救援工作。
4、预防为主,防止结合原则。
认真贯彻安全第一,预防为主,综合治理的基本方针,坚持突发事件应急与预防工作相结合,重点做好预防、预测、预警、预报和常态下风险评估、应急准备、应急队伍建设、应急演练等项工作。
确保应急预案的科学性、权威性、规范性和可操作性。
二、编制目的1、应急预案应针对那些可能造成企业、系统人员死亡或严重伤害、设备和环境受到严重破坏的突发性灾害,如触电事故、泥石流灾害、火灾、环境破坏等。
2、应急预案是对日常安全管理工作的必要补充,应急预案应以完善的预防措施为基础,体现“安全第一、预防为主”的方针。
3、应急预案应以努力保护人身安全、防止人员伤害为第一目的,同时兼顾设备和环境的防护,尽量减少灾害的损失程度。
4、应急预案应结合实际,措施明确具体,具有很强的可操作性。
5、应急预案应经常检查修订,以保证先进科学的防灾、减灾设备和措施被采用。
三、应急组织机构及职责1、应急组织机构为加强安全领导,进行系统化、网络化管理,项目部成立应急预案管理领导小组,项目经理任组长,项目总工程师、常务副经理、安全总监、项目副经理为副组长,各职能部门负责人、安全环保部安全员、各施工队专职安全员、施工队队长为组员,负责日常的安全管理工作。
住宅工程质量分户验收记录表(空间尺寸)工程名称:安徽颍州经济开发区现代·翰林苑安置区9#楼房(户)号101 抽测时间房间编号推算值(mm)实测值(mm) 计算值(mm)净高开间进深H1 H2 H3 H4 H5 L1 L2 L3 L4净高开间进深最大偏差极差最大偏差极差最大偏差极差客厅2680 3230 2688 2683 2694 2681 2694 3230 3231 14 13 1 1餐厅卧室1 2680 2430 4030 2691 2694 2688 2682 2684 2419 2418 4033 4034 14 12 12 1 4 1 卧室2 2680 2830 4030 2682 2689 2693 2692 2683 2835 2836 4030 4031 13 11 6 1 1 1 卧室3 2680 2430 3430 2683 2687 2694 2686 2688 2439 2438 3423 3415 14 11 9 1 15 8实测房间,不符合要求房间,需整改处理房间:。
抽测人员:(建设单位)(监理单位)(施工单位)净高、净开间、净进深测量示意说明:1、H1- H5代表房间净高尺寸,L1- L5代表房间开间和进深尺寸,L值宜取500mm;2、偏差为实测值与推算值之差的绝对值,不得超过15mm;极差为实测值中最大值与最小值之差,不得超过25mm;抽测不合格点数据在表内用笔圈出;3、使用钢卷尺或测距仪按上图规定进行检查,数据进行原位标注;住宅工程质量分户验收记录表(空间尺寸)工程名称:安徽颍州经济开发区现代·翰林苑安置区9#楼房(户)号102 抽测时间房间编号推算值(mm)实测值(mm) 计算值(mm)净高开间进深H1 H2 H3 H4 H5 L1 L2 L3 L4净高开间进深最大偏差极差最大偏差极差最大偏差极差客厅2680 3230 2688 2683 2694 2681 2694 3230 3231 14 13 1 1餐厅卧室1 2680 2430 4030 2691 2694 2688 2682 2694 2419 2418 4033 4034 14 12 12 1 4 1 卧室2 2680 2830 4030 2682 2689 2693 2692 2683 2835 2836 4030 4031 13 11 6 1 1 1 卧室3 2680 2430 3430 2683 2687 2694 2686 2688 2439 2438 3423 3415 14 11 9 1 15 8实测房间,不符合要求房间,需整改处理房间:。
填表说明:1、基准值净高 H L1和L2方向开间净尺寸 B1和B2方向进深净尺寸 B 、对角线净尺寸 D 的设计值。
实测值与基准值之差即为实测偏差值,极差为实测偏差值 中最大与最小值之差的绝对值。
3、每套抽查房间数不少于3间。
4、实测偏差值或极差值大于 20 mm 为不合格。
工程名称 孟关生态特色功能区农民新村安置点一期工程 2#楼房(户)号1-22-7检查日期2015 年 4 月9 日设计净高 及进深实测值(mm )计算值(m )房间H/L/BH1H2H3H4H5L1L2B1B2 净高净进 深最大 偏差极差极差极差客厅2880/3658 /4658主卧室2880/3058 /3958次卧室2880/3058/3458室内空间尺寸测量示意图: 套型示意图贴图区,标准房间编号:F 114引3)U1f ---------- T前區 tl*L、验收结论实测( 3 间)房间,合格(3 间)房间,需整改处理房间:(建设单位监理单位施工单位物业单位工程名称 孟关生态特色功能区农民新村安置点一期工程 2#楼房(户)号1-21-7检查日期2015 年 4 月9 日设计净高 及进深实测值(mm )计算值(m )房间H/L/BH1H2H3H4H5L1L2B1B2 净高 净开 间 净进 深最大 偏差极差极差极差客厅2880/3658 /4658主卧室2880/3058 /3958次卧室2880/3058/3458填表说明:1、基准值净高 H L1和L2方向开间净尺寸 B1和B2方向进深净尺寸 B 、对角线净尺寸 D 的设计值。
实测值与基准值之差即为实测偏差值,极差为实测偏差值 中最大与最小值之差的绝对值。
3、每套抽查房间数不少于3间。
4、实测偏差值或极差值大于 20 mm 为不合格。
实测( 3 间)房间,合格( 3 间)房间,需整改处理房间:(ilR'./q■1Fr —r ---.* .n■1>C| 己i 噫'■3LDDT验收结论 IIL2建设单位监理单位施工单位物业单位工程名称 孟关生态特色功能区农民新村安置点一期工程 2#楼房(户)号 1-20-7检查日期2015 年 4 月9 日设计净高 及进深实测值(mm )计算值(m )房间 H/L/BH1H2H3H4H5L1L2B1B2 净高净进 深最大 偏差极差极差极差客厅 2880/3658 /4658主卧室 2880/3058 /3958次卧室2880/3058/3458室内空间尺寸测量示意图: 套型示意图贴图区,标准房间编号:L 、 2、L1a1F :I3卜 l;'填表说明:1、基准值净高 H L1和L2方向开间净尺寸 B1和B2方向进深净尺寸 B 、对角线净尺寸 D 的设计值。
住宅工程竣工质量分户验收表
室内净距、净高尺寸检验记录
功能区域净高推
算值
(mm)
净距推
算值
(mm)
实测值(mm)计算值(mm)
净高开间进深净高开间进深
H L1 L2 H1 H2 H3 H4 H5 L1 L1 L2 L2
最大
偏差
极
差
最大
偏差
极
差
最大
偏差
极
差
主卧
次卧1
次卧2
书房
客厅
餐厅
套型示意图贴图区(标注房间编号)
注:1.测量基层净高时,对起居室、卧室测 5个点,即 4角点加中心点;基层净高的允许偏差为±15mm,极差不应大于 20mm。
2.测量开间、进深及对角线基层净距时,长宽方向各测2个点;开间、进深净距的允许偏
差为±15mm,极差不应大于 20mm。
3.偏差为实测值与标准值之间的绝对差;极差为实测中最大值与最小值之差,不合格点
数在表内用红笔圈出。
二维码张贴处
注:1.本表一式六份(建设、施工、监理、物业、户内张贴、质量保证书各一份),已选定物业单位的在相应栏签认。
勘察、设计单位参加的可调整表格后签章。
本表项目负责人、总监理工程师需签字并加盖个人注册执业印章。
2.公共部位检查单元划分原则:各单元每层楼电梯前室及上下梯段(休息平台)、疏散通道为一个检查单元;地下室(地下车库等大空间的除外)每个单元或每户为一个检查单元。
3.本表为示例格式,各住宅项目可根据现场实际情况调整该表格,必须确保真实、全面、客观反映分户验收的实际情况。
住宅工程质量分户验收记录(户内部分)总页第页工程名称房(户)号建设单位开竣工日期施工单位监理单位序号验收项目验收内容验收结论及记录1 楼地面、墙面和天棚裂缝、空鼓、脱层、地面起砂、墙面爆灰符合施工规范及验收要求2 门窗窗台高度、门窗开启、安全玻璃标识、玻璃层数窗台高度符合图纸要求,门窗开启灵活,关闭严密,分户门等不松动,不晃动。
3 栏杆栏杆高度、竖杆间距、防攀爬措施、栏杆玻璃栏杆高度符合图纸要求和设计规范要求4 防水屋面渗漏、卫生间等防水地面渗漏、外墙渗漏屋面无渗漏、无积水,墙面无渗漏等现象5 室内空间、构件尺寸室内净高、净开间、梁、窗台等构件尺寸室内净高、净开间、梁、窗台等构件尺寸符合图纸尺寸要求6 外墙保温设计做法是否通过图纸审查、保温层厚度、细部处理设计做法已通过图纸审查,保温层厚度与图纸要求一致。
7 水暖安装管道渗漏、管道堵塞、管道坡度、安装固定、地漏水封、热表和温控阀管道无渗漏、无堵塞、安装固定牢固、支架间距位置等符合要求,经试验地漏水封高度不小于50mm。
8 电气插座相序、接地、户内照明配电箱配置、照明试验、等电位连接漏电开关测试仪无接错显示,配电箱配线整齐,回路编号齐全,标识正确,箱(盘)内开关动作灵活可靠9 其它烟道、空调孔位置等止回阀、防火门按规定安装;表面无裂纹;上人屋面烟道高度符合规范要求分户验收结论建设单位监理单位施工单位物业公司项目负责人:验收人员:(公章)年月日总监理工程师:验收人员:(公章)年月日项目经理:验收人员:(公章)年月日项目负责人:验收人员:(公章)年月日住宅工程质量分户验收记录(公共部位)总页第页工程名称检查项目及部位建设单位开竣工日期施工单位监理单位序号验收项目验收内容验收记录及结论1 外墙窗角斜裂缝墙面裂缝墙面及窗角无可见裂缝2 楼(电)梯、通道楼梯踏步、梯段及平台净宽电梯候梯厅深度、电梯门净宽高层首层疏散外门及通道宽度公用走道净高经检查,相邻踏步高度符合图纸及规范要求,楼梯从扶手中心到墙面的净宽不小于1.1m,楼梯平台净宽不小于1.2m.3 地下室墙面及天棚渗漏、裂缝地面裂缝、起砂通道净高地下室墙面及天棚无渗漏、无裂缝,地面无起砂现象综合验收结论符合要求建设单位监理单位施工单位物业公司项目负责人:验收人员:(公章)年月日总监理工程师:验收人员:(公章)年月日项目经理:验收人员:(公章)年月日项目负责人:验收人员:(公章)年月日表4:住宅工程分户验收汇总记录工程名称总户数建设单位验收户数施工单位监理单位内容验收情况每户验收项目楼地面、墙面和天棚,门窗,栏杆,防水,室内空间,构件尺寸,外墙保温,水暖安装,电气,烟道公共部位外墙,楼梯,地下室功能性试验屋面蓄水试验、地面泼水试验物业单位验收验收结论符合要求建设单位(公章)项目负责人:年月日监理单位(公章)总监理工程师:年月日施工单位(公章)项目经理:年月日物业公司(公章)项目负责人:年月日。
住宅工程质量分户验收记录表(空间尺寸)工程名称:安徽颍州经济开发区现代·翰林苑安置区9#楼房(户)号101 抽测时间房间编号推算值(mm)实测值(mm) 计算值(mm)净高开间进深H1 H2 H3 H4 H5 L1 L2 L3 L4净高开间进深最大偏差极差最大偏差极差最大偏差极差客厅2683230 2688 2683 2694 2681 2694 3230 3231 14 13 1 1餐厅卧室126824304032691 2694 2688 2682 2684 2419 2418 4033 4034 14 12 12 1 4 1 卧室226828304032682 2689 2693 2692 2683 2835 2836 4030 4031 13 11 6 1 1 1 卧室326824303432683 2687 2694 2686 2688 2439 2438 3423 3415 14 11 9 1 15 8实测房间,不符合要求房间,需整改处理房间:。
抽测人员:(建设单位)(监理单位)(施工单位)净高、净开间、净进深测量示意说明:1、H1- H5代表房间净高尺寸,L1- L5代表房间开间和进深尺寸,L值宜取500mm;2、偏差为实测值与推算值之差的绝对值,不得超过15mm;极差为实测值中最大值与最小值之差,不得超过25mm;抽测不合格点数据在表内用笔圈出;3、使用钢卷尺或测距仪按上图规定进行检查,数据进行原位标注;住宅工程质量分户验收记录表(空间尺寸)工程名称:安徽颍州经济开发区现代·翰林苑安置区9#楼净高、净开间、净进深测量示意说明:1、H1- H5代表房间净高尺寸,L1- L5代表房间开间和进深尺寸,L值宜取500mm;2、偏差为实测值与推算值之差的绝对值,不得超过15mm;极差为实测值中最大值与最小值之差,不得超过25mm;抽测不合格点数据在表内用笔圈出;3、使用钢卷尺或测距仪按上图规定进行检查,数据进行原位标注;住宅工程质量分户验收记录表(空间尺寸)工程名称:安徽颍州经济开发区现代·翰林苑安置区9#楼房(户)号201 抽测时间房间编号推算值(mm)实测值(mm) 计算值(mm)净高开间进深H1 H2 H3 H4 H5 L1 L2 L3 L4净高开间进深最大偏差极差最大偏差极差最大偏差极差客厅2683230 2688 2683 2694 2681 2694 3230 3231 14 13 1 1餐厅卧室1 26824304032691 2694 2688 2682 2694 2419 2418 4033 4034 14 12 12 11 4 1卧室2 26828304032682 2689 2693 2692 2683 2835 2836 4030 4031 13 11 6 1 1 1卧室3 2682430 3432683 2687 2694 2686 2688 2439 2438 3423 3415 14 11 9 1 15 80 0实测房间,不符合要求房间,需整改处理房间:。
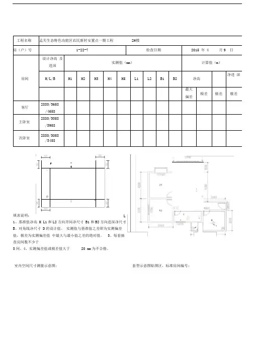
1 / 1文档可自由编辑 住宅工程室内空间尺寸质量分户验收记录表 总 页 第 页 工程名称 孟关生态特色功能区农民新村安置点一期工程2#楼
房(户)号 1-22-7 检查日期 2015年 4 月 9 日
房间 设计净高及进深 实测值(㎜) 计算值(㎜)
H/L/B H1 H2 H3 H4 H5 L1 L2 B1 B2 净高 净开间 净进深 最大偏差 极差 极差 极差
客厅 2880/3658/4658
主卧室 2880/3058/3958 1 / 1文档可自由编辑
次卧室 2880/3058/3458 室内空间尺寸测量示意图: 填表说明:1、基准值净高H、L1和L2方向开间净尺寸L、B1和B2方向进深净尺寸B、对角线净尺寸D的设计值。2、实测值与基准值之差即为实测偏差值,极差为实测偏差值中最大与最小值之差的绝对值。3、每套抽查房间数不少于3间。4、实测偏差值或极差值大于20㎜为不合格。 套型示意图贴图区,标准房间编号:
验收结论 实测( 3 间 )房间,合格( 3 间 )房间,需整改处理房间:( ) 建设单位 监理单位 施工单位 物业单位 验收人员: (分户验收专用章) 验收人员: (分户验收专用章) 验收人员: (分户验收专用章) 验收人员:
(分户验收专用章) 1 / 1文档可自由编辑
年 月 日 年 月 日 年 月 日 年 月 日
住宅工程室内空间尺寸质量分户验收记录表 总 页 第 页 工程名称 孟关生态特色功能区农民新村安置点一期工程2#楼
房(户)号 1-21-7 检查日期 2015年 4 月 9 日
房间 设计净高及进深 实测值(㎜) 计算值(㎜)
H/L/B H1 H2 H3 H4 H5 L1 L2 B1 B2 净高 净开间 净进深 最大偏差 极差 极差 极差
客厅 2880/3 1 / 1文档可自由编辑
658/4658
主卧室 2880/3058/3958
次卧室 2880/3058/3458 室内空间尺寸测量示意图: 填表说明:1、基准值净高H、L1和L2方向开间净尺寸L、B1和B2方向进深净尺寸B、对角线净尺寸D的设计值。2、实测值与基准值之差即为实测偏差值,极差为实测偏差值中最大与最小值之差的绝对值。3、每套抽查房间数不少于3间。4、实测偏差值或极差值大于20㎜为不合格。 套型示意图贴图区,标准房间编号:
验收结论 实测( 3 间 )房间,合格( 3 间 )房间,需整改处理房间:( ) 1 / 1文档可自由编辑
建设单位 监理单位 施工单位 物业单位 验收人员: (分户验收专用章) 年 月 日 验收人员: (分户验收专用章) 年 月 日 验收人员: (分户验收专用章) 年 月 日 验收人员:
(分户验收专用章)
年 月 日
住宅工程室内空间尺寸质量分户验收记录表 总 页 第 页 工程名称 孟关生态特色功能区农民新村安置点一期工程2#楼
房(户)号 1-20-7 检查日期 2015年 4 月 9 日
房间 设计净高及进深 实测值(㎜) 计算值(㎜)
H/L/B H1 H2 H3 H4 H5 L1 L2 B1 B2 净高 净开间 净进深 最大极差 极差 极差 1 / 1文档可自由编辑
偏差
客厅 2880/3658/4658
主卧室 2880/3058/3958
次卧室 2880/3058/3458 室内空间尺寸测量示意图: 填表说明:1、基准值净高H、L1和L2方向开间净尺寸L、B1和B2方向进深净尺寸B、对角线净尺寸D的设计值。2、实测值与基准值之差即为实测偏差值,极差为实测偏差值中最大与最小值之差的绝对值。3、每套抽查房间数不少于3间。4、实测偏差值或套型示意图贴图区,标准房间编号: 1 / 1文档可自由编辑
极差值大于20㎜为不合格。 验收结论 实测( 3 间 )房间,合格( 3 间 )房间,需整改处理房间:( ) 建设单位 监理单位 施工单位 物业单位 验收人员: (分户验收专用章) 年 月 日 验收人员: (分户验收专用章) 年 月 日 验收人员: (分户验收专用章) 年 月 日 验收人员:
(分户验收专用章)
年 月 日
住宅工程室内空间尺寸质量分户验收记录表 总 页 第 页 工程名称 孟关生态特色功能区农民新村安置点一期工程2#楼 1 / 1文档可自由编辑
房(户)号 1-19-7 检查日期 2015年 4 月 9 日
房间 设计净高及进深 实测值(㎜) 计算值(㎜)
H/L/B H1 H2 H3 H4 H5 L1 L2 B1 B2 净高 净开间 净进深 最大偏差 极差 极差 极差
客厅 2880/3658/4658
主卧室 2880/3058/3958
次卧室 2880/3058/3458 1 / 1文档可自由编辑
室内空间尺寸测量示意图: 填表说明:1、基准值净高H、L1和L2方向开间净尺寸L、B1和B2方向进深净尺寸B、对角线净尺寸D的设计值。2、实测值与基准值之差即为实测偏差值,极差为实测偏差值中最大与最小值之差的绝对值。3、每套抽查房间数不少于3间。4、实测偏差值或极差值大于20㎜为不合格。 套型示意图贴图区,标准房间编号: 验收结论 实测( 3 间 )房间,合格( 3 间 )房间,需整改处理房间:( ) 建设单位 监理单位 施工单位 物业单位 验收人员: (分户验收专用章) 年 月 日 验收人员: (分户验收专用章) 年 月 日 验收人员: (分户验收专用章) 年 月 日 验收人员:
(分户验收专用章)
年 月 日 1 / 1文档可自由编辑
住宅工程室内空间尺寸质量分户验收记录表 总 页 第 页 工程名称 孟关生态特色功能区农民新村安置点一期工程2#楼
房(户)号 1-18-7 检查日期 2015年 4 月 9 日
房间 设计净高及进深 实测值(㎜) 计算值(㎜)
H/L/B H1 H2 H3 H4 H5 L1 L2 B1 B2 净高 净开间 净进深 最大偏差 极差 极差 极差
客厅 2880/3658/4658
主卧室 2880/3058/3958 1 / 1文档可自由编辑
次卧室 2880/3058/3458 室内空间尺寸测量示意图: 填表说明:1、基准值净高H、L1和L2方向开间净尺寸L、B1和B2方向进深净尺寸B、对角线净尺寸D的设计值。2、实测值与基准值之差即为实测偏差值,极差为实测偏差值中最大与最小值之差的绝对值。3、每套抽查房间数不少于3间。4、实测偏差值或极差值大于20㎜为不合格。 套型示意图贴图区,标准房间编号:
验收结论 实测( 3 间 )房间,合格( 3 间 )房间,需整改处理房间:( ) 建设单位 监理单位 施工单位 物业单位 验收人员: (分户验收专用章) 验收人员: (分户验收专用章) 验收人员: (分户验收专用章) 验收人员:
(分户验收专用章) 1 / 1文档可自由编辑
年 月 日 年 月 日 年 月 日 年 月 日
住宅工程室内空间尺寸质量分户验收记录表 总 页 第 页 工程名称 孟关生态特色功能区农民新村安置点一期工程2#楼
房(户)号 1-17-7 检查日期 2015年 4 月 9 日
房间 设计净高及进深 实测值(㎜) 计算值(㎜)
H/L/B H1 H2 H3 H4 H5 L1 L2 B1 B2 净高 净开间 净进深 最大偏差 极差 极差 极差
客厅 2880/3 1 / 1文档可自由编辑
658/4658
主卧室 2880/3058/3958
次卧室 2880/3058/3458 室内空间尺寸测量示意图: 填表说明:1、基准值净高H、L1和L2方向开间净尺寸L、B1和B2方向进深净尺寸B、对角线净尺寸D的设计值。2、实测值与基准值之差即为实测偏差值,极差为实测偏差值中最大与最小值之差的绝对值。3、每套抽查房间数不少于3间。4、实测偏差值或极差值大于20㎜为不合格。 套型示意图贴图区,标准房间编号:
验收结论 实测( 3 间 )房间,合格( 3 间 )房间,需整改处理房间:( ) 1 / 1文档可自由编辑
建设单位 监理单位 施工单位 物业单位 验收人员: (分户验收专用章) 年 月 日 验收人员: (分户验收专用章) 年 月 日 验收人员: (分户验收专用章) 年 月 日 验收人员:
(分户验收专用章)
年 月 日
住宅工程室内空间尺寸质量分户验收记录表 总 页 第 页 工程名称 孟关生态特色功能区农民新村安置点一期工程2#楼
房(户)号 1-16-7 检查日期 2015年 4 月 9 日
房间 设计净高及进深 实测值(㎜) 计算值(㎜)
H/L/B H1 H2 H3 H4 H5 L1 L2 B1 B2 净高 净开间 净进深 最大极差 极差 极差